ГОСТ 11530-93
МЕЖГОСУДАРСТВЕННЫЙ СТАНДАРТ
БОЛТЫ ДЛЯ
РЕЛЬСОВЫХ СТЫКОВ
ЖЕЛЕЗНОДОРОЖНОГО ПУТИ
ТЕХНИЧЕСКИЕ УСЛОВИЯ
МЕЖГОСУДАРСТВЕННЫЙ
СОВЕТ ПО СТАНДАРТИЗАЦИИ,
МЕТРОЛОГИИ И СЕРТИФИКАЦИИ
Предисловие
1 РАЗРАБОТАН Госстандартом России
ВНЕСЕН Техническим секретариатом Межгосударственного Совета по стандартизации, метрологии и сертификации
2 ПРИНЯТ Межгосударственным Советом по стандартизации, Метрологии и сертификации 21 октября 1993 г.
За принятие проголосовали:
|
Наименование государства |
Наименование национального органа по стандартизации |
|
Республика Беларусь |
Белстандарт |
|
Республика Кыргызстан |
Кыргызстандарт |
|
Республика Молдова |
Молдовастандарт |
|
Российская Федерация |
Госстандарт России |
|
Республика Таджикистан |
Таджикстандарт |
|
Туркменистан |
Туркменглавгосинспекция |
|
Госстандарт Украины |
3 Постановлением Комитета Российской Федерации по стандартизации, метрологии и сертификации от 02.06.94 № 160 межгосударственный стандарт ГОСТ 11530-93 введен в действие непосредственно в качестве государственного стандарта Российской Федерации с 01.01.95
4 ВЗАМЕН ГОСТ 11530-76
МЕЖГОСУДАРСТВЕННЫЙ СТАНДАРТ
|
БОЛТЫ ДЛЯ РЕЛЬСОВЫХ СТЫКОВ Технические условия Rail joint bolts. |
ГОСТ 11530-93 |
Дата введения 01.01.05
Настоящий стандарт распространяется на болты с круглой головкой и овальным подголовком, класса точности С, применяемые для скрепления двухголовыми накладками стыков железнодорожных рельсов типов Р38, Р43, Р50, Р65 и Р75, а также на болты с уменьшенной высотой овального подголовка для изолирующих стыков указанных типов рельсов.
Требования настоящего стандарта являются обязательными.
При поставке болтов на экспорт, как отдельных изделий, следует учитывать требования настоящего стандарта и ГОСТ 16018.
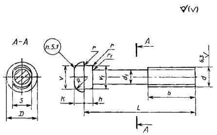
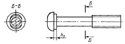
1.1. Конструкция и размеры болтов должны соответствовать указанным на чертеже и в табл. 1.
Исполнение 1

Исполнение 2

R = K; d1 » dср, dср - средний диаметр резьбы
Таблица 1
мм
|
М22 |
М24 |
М27 |
|||
|
D (пред. откл. ±1,25) |
37 |
40 |
46 |
||
|
К (пред. откл. ±0,9) |
13 |
14 |
17 |
||
|
Допуск симметричности головки относительно оси стержня в диаметральном выражении, не более |
2,0 |
||||
|
V |
Пред. откл. -1,0 |
31 |
33 |
38 |
|
|
V1 |
30 |
32 |
37 |
||
|
S (пред. откл. -2,1) |
22 |
24 |
27 |
||
|
h |
Пред. откл. -1,8 |
12 |
|||
|
h1 |
6 |
||||
|
r |
От 1 до 2 |
||||
|
r1, не менее |
3 |
||||
|
b (пред. откл. +6) |
56 |
66 |
|||
|
Шаг резьбы, Р |
2,5 |
3,0 |
|||
|
L исполнения (пред. откл. +6) |
1 |
135 |
150 |
130; 160 |
|
|
2 |
140 |
140; 160 |
150; 180 |
||
Примеры условного обозначения
Болт класса точности С, исполнения 1, диаметром резьбы d = 24 мм, с крупным шагом резьбы, с полем допуска 8g, длиной 150 мм, класса прочности 8.8, из стали марки 35:
Болт M24-8g´150.88.35 ГОСТ 11530-93
То же, исполнения 2, длиной 160 мм, класса прочности 10.9 из стали марки 40Х:
Болт 2M24-8g´160.109.40X ГОСТ 11530-93
2.1. Болты для рельсовых стыков должны быть изготовлены в соответствии с требованиями настоящего стандарта и ГОСТ 1759.0.
2.2. Болты должны изготовляться класса прочности 8.8 по ГОСТ 1759.4 из стали марки 35 и класса прочности 10.9 по ГОСТ 1759.4 из стали марки 40Х или других марок, обеспечивающих получение болтов классов прочности 8.8 и 10.9.
2.4. Поле допуска 8g - по ГОСТ 16093, допускается поле допуска 8h.
2.5. Допускается скругление кромок головки радиусом до 1,5 мм, не выводящее диаметр головки за предельные отклонения, заусенец или облой размером до 1,5 мм, расположенный по периметру головки болта перпендикулярно его оси.
2.6. Допуск отклонений формы и расположения поверхностей - по ГОСТ 1759.1.
2.7. Допускаемые дефекты поверхности болтов - по ГОСТ 1759.2.
2.8. Масса болтов указана в приложении.
2.9. Болты должны быть укомплектованы гайками по ГОСТ 11532.
Болты М22 допускается укомплектовывать гайками по ГОСТ 16018.
Допускается упаковка в тару болтов совместно с гайками одного типоразмера.
2.10. На головке каждого болта должна быть нанесена маркировка, содержащая товарный знак или условное обозначение предприятия-изготовителя.
На болтах класса прочности 10.9 наносится дополнительно буква «П».
Размеры знаков маркировки устанавливает изготовитель.
2.11. Знаки маркировки должны быть отчетливо видны невооруженным глазом независимо от качества обработки поверхности.
2.12. Упаковка болтов и маркировка тары - по ГОСТ 18160.
3.1. Правила приемки - по ГОСТ 17769 для изделий класса точности С.
3.2. Испытание механических свойств болтов должно проводиться по требованию потребителя по ГОСТ 1759.4.
3.3. Проверке на временное сопротивление разрыву методом разрушающего контроля должно подвергаться - 5 болтов, а методом неразрушающего - 8 болтов от предъявляемой партии.
4.1. Контроль внешнего вида болтов должен производиться без применения увеличительных приборов.
4.2. Методы контроля размеров - по ГОСТ 1759.1.
4.3. Контроль дефектов поверхности - по ГОСТ 1759.2.
4.4. Контроль временного сопротивления разрыву - по ГОСТ 1497 и п. 6.2 ГОСТ 1759.4.
4.5. Определение ударной вязкости - по ГОСТ 9454 и п. 6.6 ГОСТ 1759.4.
4.6. Болт считается выдержавшим испытания на растяжение (sв), если разрушение происходит по стержню или резьбе, но не в месте соединения головки со стержнем при нагрузках, указанных в табл. 2.
Таблица 2
|
Минимальные разрушающие погрузки для болтов классов прочности. Н (кгс) |
||
|
8.8 |
10.9 |
|
|
М22 |
252000 (25700) |
315000 (32100) |
|
М24 |
293000 (29900) |
367000 (37400) |
|
М27 |
381000 (38800) |
477000 (48600) |
Транспортирование болтов совместно с гайками должно производиться любым видом транспорта, кроме железнодорожных платформ.
Допускается транспортирование болтов без упаковки в тару.
Справочное
Таблица 3
|
Размеры болтов |
Масса |
|
M22´135 |
448 |
|
М24´150 |
585 |
|
М27´130 |
696 |
|
M27´160 |
818 |
|
2М22´140 |
449 |
|
2М24´140 |
522 |
|
2М24´160 |
592 |
|
2M27´150 |
750 |
|
2М27´180 |
872 |
Примечание. Масса болтов определена, исходя из номинальных размеров и плотности стали 7850 кг/м3.
ИНФОРМАЦИОННЫЕ ДАННЫЕ
ССЫЛОЧНЫЕ НОРМАТИВНО-ТЕХНИЧЕСКИЕ ДОКУМЕНТЫ
|
Обозначение НТД, на который дана ссылка |
Номер пункта |
|
ГОСТ 1759.1-82 |
|
|
ГОСТ 1759.2-82 |
|
|
ГОСТ 16018-79 |
|
СОДЕРЖАНИЕ