Нормативные документы размещены исключительно с целью ознакомления учащихся ВУЗов, техникумов и училищ.
Объявления:

ГОСУДАРСТВЕННЫЙ СТАНДАРТ СОЮЗА СССР

ПОДШИПНИКИ КАЧЕНИЯ

ОБЩИЕ ТЕХНИЧЕСКИЕ УСЛОВИЯ

ГОСТ 520-89

(ИСО 492-86, ИСО 199-79, СТ СЭВ 774-85)

Москва

ГОСУДАРСТВЕННЫЙ СТАНДАРТ СОЮЗА ССР

ПОДШИПНИКИ КАЧЕНИЯ

Общие технические условия

Rolling bearings.
General specifications

ГОСТ
520-89

(ИСО 492-86,
ИСО 199-79,
СТ СЭВ 774-85)

Дата введения 1990-01-01

Настоящий стандарт распространяется на шариковые и роликовые подшипники качения с отверстием диаметром от 0,6 до 2000 мм.

Термины и обозначения, применяемые в настоящем стандарте, и их пояснения, приведены в приложении 1.

1. РАЗМЕРЫ

Основные размеры подшипников должны соответствовать ГОСТ 3478, стандартам на типы и размеры подшипников или конструкторской документации, в которой имеется ссылка на настоящий стандарт.

2. ТЕХНИЧЕСКИЕ ТРЕБОВАНИЯ

2.1. Шариковые и роликовые подшипники должны быть изготовлены в соответствии с требованиями настоящего стандарта по конструкторской документации, утвержденной в установленном порядке.

2.2. Установлены следующие классы точности подшипников, указанные в порядке повышения точности:

0, 6, 5, 4, 2, Т - для шариковых и роликовых радиальных и шариковых радиально-упорных подшипников;

0, 6, 5, 4, 2 - для упорных и упорно-радиальных подшипников:

0, 6Х, 6, 5, 4, 2 - для роликовых конических подшипников.

Установлены дополнительные классы точности подшипников - 8 и 7 - ниже класса точности 0 для применения по заказу потребителей в неответственных узлах.

Классы точности подшипников характеризуются значениями, предельных отклонений размеров, формы, положения поверхностей подшипников.

2.3. В зависимости от наличия требований по уровню вибрации, допускаемых значений уровня вибрации или уровня других дополнительных технических требований установлены три категории подшипников - А, В, С.

К категории А относят подшипники классов точности 5, 4, 2, Т с одним из следующих дополнительных требований:

1) по повышенным регламентированным нормам уровня вибрации;

2) по волнистости и отклонению от круглости поверхностей качения к моменту трения;

3) по волнистости и отклонению от круглости поверхностей качения и контролю угла контакта;

4) по волнистости и отклонению от круглости поверхностей качения, моменту трения и контролю угла контакта;

5) по волнистости и отклонению от круглости поверхностей качения, значению осевого биения, соответствующему следующему более высокому классу точности;

6) по волнистости и отклонению от круглости поверхностей качения, значению радиального биения, соответствующему следующему более высокому классу точности;

7) по волнистости и отклонению от круглости поверхностей качения, значениям осевого и радиального биений, соответствующим следующему более высокому классу точности;

8) по волнистости и отклонению от круглости поверхностей качения, значению осевого биения, соответствующему следующему более высокому классу точности, и моменту трения;

9) по волнистости и отклонению от круглости поверхностей качения, значению радиального биения, соответствующему следующему более высокому классу точности, и моменту трения;

10) по волнистости и отклонению от круглости поверхностей качения, значениям осевого и радиального биений, соответствующим следующему более высокому классу точности, и моменту трения;

11) по волнистости и отклонению от круглости поверхностей качения, значению осевого биения, соответствующему следующему более высокому классу точности, и контролю угла контакта;

12) по волнистости и отклонению от круглости поверхностей качения, значению радиального биения, соответствующему следующему более высокому классу точности, и контролю угла контакта;

13) по волнистости и отклонению от круглости поверхностей качения, значениям осевого и радиального биений, соответствующим следующему более высокому классу точности, и контролю угла контакта;

14) по волнистости и отклонению от круглости поверхностей качения, значению осевого биения, соответствующему следующему более высокому классу точности, моменту трения и контролю угла контакта;

15) по волнистости и отклонению от круглости поверхностей качения, значению радиального биения, соответствующему следующему более высокому классу точности, моменту трения и контролю угла контакта;

16) по волнистости и отклонению от круглости поверхностей качения, значениям осевого и радиального биения, соответствующим следующему более высокому классу точности, моменту трения и контролю угла контакта.

К категории В относят подшипники классов точности 0, 6Х, 6, 5 с одним из следующих дополнительных требований:

1) по регламентированным нормам уровня вибрации;

2) по волнистости и отклонению от круглости поверхностей качения;

3) по значению осевого биения, соответствующему следующему более высокому классу точности;

4) по значению радиального биения, соответствующему следующему более высокому классу точности;

5) по значениям осевого и радиального биений, соответствующим следующему более высокому классу точности;

6) по моменту трения;

7) по контролю угла контакта;

8) по моменту трения и контролю угла контакта;

9) повышенными требованиями по высоте, монтажной высоте и ширине подшипников.

К категории С относят подшипники классов точности 8, 7, 0, 6, к которым не предъявляют дополнительные требования, установленные для подшипников категорий А и В, а также другие требования, не указанные в настоящем стандарте.

Конкретные значения дополнительных технических требований устанавливают в технических условиях на подшипники категорий А, В, С или в конструкторской документации, утвержденной в установленном порядке.

Категории А, В и С, кроме отдельных технических требовании, не распространяются на подшипники, изготавливаемые по техническим условиям в соответствии с п. 2.20.

По заказу потребителя допускается изготовление подшипников определенного класса точности в соответствии с требованиями настоящего стандарта без отнесения к категориям А, В, С, при этом дополнительные требования, предусмотренные для подшипников категории А, В, С, не устанавливаются.

2.4. Марку стали, твердость, обозначение других материалов, применяемых для изготовления деталей подшипников, указывают в конструкторской документации.

2.5. Твердость колец и роликов из наиболее часто применяемых марок сталей приведена в табл. 1. Требования табл. 1 не распространяются на подшипники, имеющие в условном обозначении дополнительные знаки Т, Т1 Т5.

2.3-2.5. (Измененная редакция, Изм. № 1).

Таблица 1

Марка стали

Твердость колец и роликов, работающие при температуре до 100 °С, НRСэ

кольца с толщиной стенки до 35 мм и ролики диаметром до 55 мм

кольца с толщиной стенки свыше 35 мм и ролики диаметром свыше 55 мм

ШХ4

61…64

59…63

ШХ15, ШХ15-Ш, ШХ15-В

62…66

ШХ15СГ*, ШХ15СГ-В*, ШХ15СГ-Ш*

61…65

ШХ20СГ

61…65

15Г1

58…62

18ГТ

62…66

59…63

20Х2Н4А

59…66

* По заказу потребителя твердость колец с толщиной стенки свыше 35 мм и роликов диаметром свыше 55 мм должна быть 61…..65 HRCэ.

2.6. Неоднородность по твердости в пределах одного кольца подшипника должна быть не более 3 HRCэ.

2.7. Параметр шероховатости Ra наружной поверхности, поверхностей отверстия и торцов колец подшипников не должен превышать значений, указанных в табл. 2.

Таблица 2

Наименование поверхности

Класс точности подшипников

Параметр шероховатости поверхности Ra, мкм, по ГОСТ 2789

Номинальные диаметры d и D колец подшипников, мм

до 30

св. 30 до 80

св. 80 до 150

св. 150 до 250

св. 250 до 500

св. 500 до 2500

Поверхность отверстия подшипника

0

1,25

1,25

1,25

1,25

2,5

2,5

6Х, 6, 5

0,63

0,63

1,25

1,25

1,25

2,5

4, 2, Т

0,32

0,32

0,63

0,63

0,63

-

Наружная поверхность подшипника

0

0,63

0,63

1,25

1,25

1,25

2,5

6Х, 6, 5

0,32

0,32

0,63

0,63

0,63

1,25

4, 2, Т

0,32

0,32

0,63

0,63

0,63

-

Поверхность торцов колец подшипников

0

2,5

2,5

2,5

2,5

2,5

2,5

6Х, 6, 5

1,25

1,25

1,25

1,25

2,5

2,5

4, 2*, Т

0,63

0,63

0,63

0,63

1,25

-

* Для упорных шариковых подшипников класса точности 2 параметр шероховатости Ra должен быть не более 0,32 мкм для колец подшипников с номинальным диаметром отверстия тугого кольца до 80 мм и не более 0,63 мкм - для колец подшипников с номинальным диаметром отверстия тугого кольца свыше 80 мм.

При изготовлении подшипников из нержавеющих сталей и сплавов параметр шероховатости Ra устанавливают по согласованию между изготовителем и потребителем.

2.8. Предельные отклонения размерных параметров указаны:

для подшипников шариковых и роликовых радиальных и шариковых радиально-упорных - в табл. 4-15;

для подшипников роликовых конических - в табл. 16-32, 43;

для закрытых подшипников шариковых и роликовых радиальных, шариковых радиально-упорных и роликовых конических - в табл. 33;

для подшипников упорных - в табл. 34-36;

для подшипников упорно-радиальных - в табл. 34-35;

для конических отверстий с конусностью 1:12 внутренних колец подшипников - в табл. 37-41 (до 01.01.94 вместо табл. 37 допускается пользоваться табл. 42);

для конических отверстий с конусностью 1:12 внутренних колец подшипников, поставляемых в сборе с закрепительными или стяжными втулками, - табл. 4, примечание 3;

для подшипников классов точности 8 и 7 - в технических условиях на подшипники категории С.

2.7, 2.8. (Измененная редакция, Изм. № 1).

2.8.1. Для подшипников шариковых и роликовых классов точности 0, 6, 5 с цилиндрическим отверстием допускается до 01.01.93 использовать параметры Dds, Dds вместо параметров Vdp, Vdmp и VDp, VDmp.

Неустановленные настоящим стандартом отклонения единичных диаметров отверстия Dds и наружного диаметра Dds устанавливают по технической документации, утвержденной в установленном порядке.

2.8.2. Радиальные биения колец Kia, Kеa в табл. 4-32 и осевые биения Sia, Sea в табл. 8-15, 29-32 указаны для собранных подшипников.

Допускается проводить измерение разностенности дорожек качения внутренних и наружных колец Ki, Ke вместо радиального биения колец Kia, Kеa подшипников:

классов точности 4, 2 и Т до 01.01.94;

с отверстием диаметром до 3 мм включительно и свыше 180 мм и массой более 5 кг всех классов точности;

разъемных шариковых радиально-упорных, роликовых радиальных с цилиндрическими роликами с прямолинейной и выпуклой образующей и роликовых конических с выпуклыми поверхностями качения всех классов точности.

Допускается проводить измерение отклонения от параллельности дорожек, качения внутренних и наружных колец Si, Se вместо осевого биения колец Sia, Sea шариковых подшипников с желобом:

классов точности 4, 2 и Т до 01.01.94;

с отверстием диаметром до 10 мм включительно и свыше 180 мм и массой более 5 кг классов точности 5, 4, 2 и Т;

разъемных радиально-упорных классов точности 5, 4, 2, Т.

Значения параметров Ki, Kе, Si, Se не должны превышать уменьшенных на 15 % значений параметров Kia, Kеa, Sia, Sea соответственно, указанных в таблицах для перечисленных подшипников. При этом значения параметров Si и Sе для подшипников с отверстием диаметром до 10 мм включительно принимают равными значениям параметров Sia, Sea, указанным в таблицах.

2.8.3. Предельные отклонения диаметра D1 роликовых конических подшипников с упорным бортом на наружном кольце всех классов точности - h 9 по ГОСТ 25347.

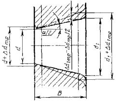
2.8.4. Номинальный угол уклона конического отверстия конусностью 1:12:

a/2 = 2°23¢9,4² = 2,38594° = 0,041643 рад.

Номинальный больший диаметр конического отверстия:

.

Предельные отклонения угла (единичного угла) конуса Dd1mp - Ddmp (Dd1s - Dds) конического отверстия приведены для номинальной ширины кольца.

2.8.1-2.8.4. (Измененная редакция, Изм. № 1).

2.9. Предельные размеры монтажных фасок - по ГОСТ 3478.

2.10. Зазоры подшипников - по ГОСТ 24810.

В технически обоснованных случаях по согласованию с потребителем допускается изготовление подшипников с зазорами, значения которых установлены в технической документации, утвержденной в установленном порядке.

2.11. Наружные кольца и неразъемный комплект, состоящий из внутреннего кольца, сепаратора и шариков, разъемных радиально-упорных шариковых подшипников типа 6000 должны быть взаимозаменяемыми.

По согласованию с потребителем допускается невзаимозаменяемость наружных колец и неразъемного комплекта этих подшипников классов точности 6, 5, 4, 2 и Т.

Съемные кольца роликовых радиальных подшипников и комплект, состоящий из кольца, сепаратора и роликов, могут быть как взаимозаменяемыми, так и невзаимозаменяемыми.

Наружные кольца, а также внутренние кольца с комплектом тел качения роликовых конических однорядных подшипников должны быть взаимозаменяемыми.

Наружные кольца роликовых конических однорядных подшипников классов точности 6, 5, 4, 2, 6Х по согласованию с потребителем могут быть невзаимозаменяемыми.

(Измененная редакция, Изм. № 1).

2.12. Значения динамической и статической грузоподъемностей базовых типоразмеров подшипников и их модификаций - по стандартам на типы и размеры или техническим условиям на подшипники конкретного типа, кроме случаев, когда снижение динамической и статической грузоподъемностей обусловлено особенностями конструкции подшипника, вытекающими из требований потребителя.

2.13. 90 %-ный ресурс подшипников, установленный по результатам стендовых испытаний, должен быть не менее ресурса (долговечности) по критерию усталостного разрушения поверхностей качения, рассчитанного по значениям динамической грузоподъемности, указанным в стандартах на типы и размеры или технических условиях на подшипники конкретного типа, с учетом условий испытаний.

2.14. 99 %-ный ресурс подшипников равен 0,21 расчетного 90 %-ного ресурса (долговечности), определенного по динамической грузоподъемности подшипника.

(Измененная редакция, Изм. № 1).

2.15. Подшипники должны быть размагничены. Допускаемые значения остаточной намагниченности - по технической документации, утвержденной в установленном порядке.

2.16. Подшипники должны вращаться легко, без заеданий.

По заказу потребителя устанавливают допускаемые значения момента трения в подшипнике.

2.17. Для подшипников с уплотнениями по заказу потребителя устанавливают гамма-процентный ресурс по критерию сохранения герметичности (по выделению смазки и попаданию посторонних частиц).

Дополнительные технические требования к подшипникам с защитными шайбами - по ГОСТ 7242 и ГОСТ 9592, к подшипникам с уплотнениями - по ГОСТ 8882.

(Измененная редакция, Изм. № 1).

2.18. На поверхностях монтажных фасок не допускаются грубые токарные риски и острые кромки.

2.19. Шарики должны соответствовать требованиям ГОСТ 3722, ролики игольчатые - ГОСТ 6870, ролики цилиндрические короткие с прямолинейной образующей - ГОСТ 22696, ролики цилиндрические длинные с прямолинейной образующей - ГОСТ 25255, ролики со скосами на краях, ролики конические с прямолинейной образующей, ролики с выпуклой образующей всех типов (бомбиной, модифицированным контактом, бочкообразные) - по технической документации, утвержденной в установленном порядке.

(Измененная редакция, Изм. № 1).

2.20. Специальные требования, отличающиеся от требований настоящего стандарта и дополняющие их, к подшипникам для отдельных отраслей (авиации, железнодорожного транспорта, автомобилестроения, станкостроения, приборостроения и др.), устанавливают в технических условиях на соответствующие подшипники.

2.21. Закрепительные и стяжные втулки должны соответствовать ГОСТ 13014, ГОСТ 24208 и ГОСТ 25455, стопорные шайбы, скобы и гайки - ГОСТ 8530.

Допускается изготавливать закрепительные втулки, гайки и стопорные шайбы по техническим условиям.

2.22. Дополнительные технические требования к подшипникам категорий А и В.

2.22.1. Значения уровня вибрации подшипников должны быть не более значений, установленных в зависимости от назначения, типов, размеров и классов точности подшипников в технических условиях на подшипники категорий А и В.

До 01.01.93 допускаются единые для всех классов точности нормы уровня вибрации для подшипников категорий А и единые для всех классов точности нормы уровня вибрации для подшипников категорий В.

2.22.2. По заказу потребителя на кольцах подшипников классов точности 5, 4, 2, Т указывают место наибольшего биения.

2.22.3. На монтажных поверхностях подшипников не допускаются токарные и грубые шлифовальные риски, забоины, раковины, хромирование.

2.22.4. (Исключен, Изм. № 1).

2.22.5. Прижоги (шлифовочные штрихи, полосы и пятна вторичной закалки и вторичного отпуска) на поверхностях качения деталей подшипников не допускаются. Размер допустимых штрихов вторичного отпуска на телах качения устанавливают контрольным образцом или фотоэталоном, утвержденным изготовителем.

2.22.6. Допускаемое значение забоин на монтажных фасках и состояние поверхностей монтажных фасок после термообработки устанавливают контрольным образцом или фотоэталоном, утвержденным изготовителем.

(Измененная редакция, Изм. № 1).

2.23. Дополнительные технические требования к подшипникам категории С.

2.23.1. Закрепительные и стяжные втулки, а также гайки с резьбой диаметром свыше 190 мм, поставляемые в комплекте, допускается изготовлять с метрической резьбой.

2.23.2. Значения торцового биения узкого торца гайки для закрепительных точеных втулок относительно резьбы должны быть не более указанных в табл. 3.

Таблица 3

мм

Номинальный диаметр резьбы гайки, d

Метрическая резьба

Трапецеидальная резьба

Sd, не более

От 10 до 50 включ.

0,100

-

Св. 50 « 120 «

0,125

-

« 120 « 200 «

0,150

-

« 200 « 240 «

0,150

0,150

« 240 « 400 «

0,175

0,175

« 400 « 630 «

0,200

0,200

« 630

0,250

0,250

2.23.3. Поверхность отверстия и наружную поверхность подшипников по согласованию с основным потребителем допускается хромировать или железнить. Покрытие не должно иметь отслоений и шелушений.

2.23.4. Для замены подшипников при ремонте изделий при наличии износа посадочных поверхностей валов (отверстий корпусов) допускается по заказу потребителя изготовление подшипников класса точности 0, у которых поле допуска диаметра отверстия (наружного диаметра) кольца смещено в минусовую (плюсовую) сторону на значение допуска на средний диаметр внутреннего (наружного) кольца. Такие подшипники должны иметь впереди основного условного обозначения подшипника букву М (Б). Например: М - 205, 70Б - 205.

2.23.5. Допускается изготовление подшипников классов точности 8 и 7 с увеличенным значением радиального или осевого зазоров на одну группу или уменьшением наименьшего предельного размера на 10 % поля допуска на зазор.

Для подшипников классов точности 8 и 7 типов 50000, 150000 и 692000 с канавкой на наружном кольце под упорное пружинное кольцо допускаются - увеличение наибольшего диаметра канавки на 10 % значения поля допуска или уменьшение наименьшего диаметра канавки на 50 % значения поля допуска по ГОСТ 13510, а также увеличение наибольшего или уменьшение наименьшего размеров а на 30 % значения поля допуска по ГОСТ 13510.

2.23.3-2.23.5. (Измененная редакция, Изм. № 1).

2.23.6. На отдельных участках деталей подшипников классов точности 8 и 7 допускается остаточная намагниченность в два раза больше установленной для подшипников класса точности 0.

Таблица 4

Подшипники шариковые и роликовые радиальные и шариковые радиально-упорные

Класс точности 0

Кольца внутренние

Размеры, мкм

d, мм

Ddmp

D*ds

Vdp

Ydmp

Ka

Sd

Sia

Dbs

YBs, не более

 

Серия диаметров

верхн.

нижн.

 

подшипник

освоенный (комплектный) подшипник***

0,8, 9

1,7

2(5), 3(6), 4

 

верхн.

нижн.

верхн.

нижн.

не более

 

От 0,6 до 2,5 включ.

0

-8

+1

-9

10

8

6

6

10

20

24

0

-40

 

12

 

Св. 2,5 » 10 »

-8

+2

-10

10

8

6

6

10

20

24

-120

-250

15

 

» 10 » 18 »

-8

+3

-11

10

8

6

6

10

20

24

0

-250

20

 

» 18 » 30 »

-10

+3

-13

13

10

8

8

13

20

24

-120

-250

20

 

» 30 » 50 »

-12

+3

-15

15

12

9

9

15

20

24

-120

-250

20

 

» 50 » 80 »

-15

+4

-19

19

19

11

11

20

25

30

-150

-380

25

 

» 80 » 120 »

-20

+5

-25

25

25

15

15

25

25

30

-200

-380

25

 

» 120 » 180 »

-25

+6

-31

31

31

18

19

30

30

36

-250

-500

30

 

» 180 » 250 »

-30

+8

-38

38

38

23

23

40

30

36

-300

-500

30

 

» 250 » 315 »

-35

+9

-44

44

44

26

26

50

35

42

-350

-500

35

 

» 315 » 400 »

-40

+10

-50

50

50

30

30

60

40

48

-400

-630

40

 

» 400 » 500 »

-45

+12

-57

56

56

34

34

65

45

54

-450

-

50

 

» 500 » 630 »

-50

+14

-64

63

63

38

38

70

-

-

-500

-

60

 

» 630 » 800 »

-75

-

-

-

-

-

-

80

-

-

-750

-

70

 

» 800 » 1000 »

-100

-

-

-

-

-

-

90

-

-

-1000

-

80

 

Св. 1000 до 1250 включ.

-125

-

-

-

-

-

-

100

-

-

-1250

-

100

 

» 1250 » 1600 »

-160

-

-

-

-

-

-

120

-

-

-1600

-

120

 

» 1600 » 2000

-200

-

-

-

-

-

-

140

-

-

-2000

-

140

 

* Для подшипников серии диаметров 8, 9, 1,2 (5), 3 (6) и 4, причем для серий диаметров 8, 9-d £ 10 мм, 1-d £ 40 мм, 2 (5) - d £ 180 мм.

** Для шариковых радиальных и радиально-упорных подшипников, кроме сферических, при этом вместо параметра Sia допускается контролировать параметр Si.

*** Для колец подшипников, предназначенных для сдвоенных или комплектных подшипников.

Примечания

1. Наибольший размер ширины внутреннего кольца подшипников с коническим отверстием не должен превышать номинальный размер.

2. Непостоянство ширины внутренних колец с коническим отверстием самоустанавливающихся подшипников и подшипников с самоустанавливающимся кольцом не контролируют.

3. Радиальное биение внутренних колец подшипников с коническим отверстием, предназначенные для монтажа на закрепительных и стяжных втулках, не должно превышать 150 % значений, указанных в табл. 4, а значение Ddmp устанавливается со знаком плюс и равным 300 % табличного значения. При этом непостоянство диаметра отверстия в единичном сечении не должно превышать поле допуска единичного диаметра отверстия Dds, указанного в таблице.

Таблица 5

Подшипники шариковые и роликовые радиальные и шариковые радиально-упорные

Класс точности 0

Кольца наружные

Размеры, мкм

D, мм

DDmp

D*Ds

Kеа

DCs

, не более

Открытый подшипник

Закрытый подшипник

Серия диаметров

0,8, 9

1,7

2(5), 3(6), 4

2(5), 3(6), 4

верхн.

нижн.

верхн.

нижн.

не более

верхн.

нижн.

От 2,5 до 6 включ.

0

-8

+1

-9

10

8

6

10

6

15

40

Равны DBs и VВs того же подшипника соответственно

Св. 6 « 18 «

-8

+2

-10

10

8

6

10

6

15

40

« 18 « 30 «

-9

+2

-11

12

9

7

12

7

15

40

« 30 « 50 «

-11

+3

-14

14

11

8

16

8

20

40

« 50 « 80 «

-13

+4

-17

16

13

10

20

10

25

40

« 80 « 120 «

-15

+5

-20

19

19

11

26

11

35

45

« 120 « 150 «

-18

+6

-24

23

23

14

30

14

40

50

« 150 « 180 «

-25

+7

-32

31

31

19

38

19

45

60

« 1180 « 250 «

-30

+8

-38

38

38

23

-

23

50

70

« 250 « 315 «

-35

+9

-44

44

44

26

-

26

60

80

« 315 « 400» «

-40

+10

-50

50

50

30

-

30

70

90

« 400 « 500 «

-45

+12

-57

56

56

34

-

34

80

100

Св. 500 до 630 включ.

-50

+14

-64

63

63

38

-

38

100

120

« 630 « 800 «

-75

+20

-95

94

94

55

-

55

120

140

« 800 « 1000 «

-100

+30

-130

125

125

75

-

75

140

160

« 1000 « 1250 «

-125

-

-

-

-

-

-

-

160

-

« 1250 « 1600 «

-160

-

-

-

-

-

-

-

190

-

« 1600 « 2000 «

-200

-

-

-

-

-

-

-

220

-

« 2000 « 2500 «

-250

-

-

-

-

-

-

-

250

-

* Для подшипников серий диаметров 8, 9, 1, 2 (5), 3 (6), 4, причем для серий диаметров 8, 9-D £ 22 мм; 1-D £ 80 мм; 2 (5)-D £ 315 мм. Значения не действительны для закрытых подшипников.

** Для колец до монтажа упорного пружинного кольца и защитной шайбы или после их снятия.

*** Для шариковых радиальных и радиально-упорных подшипников, кроме сферических, при этом вместо параметра Sеa допускается контролировать параметр Se.

*4 Кроме самоустанавливающихся подшипников и подшипников с самоустанавливающимся кольцом.

Примечание. Наружный диаметр наружных колец роликовых подшипников типа 102000 по ГОСТ 8328 допускается измерять без запорных шайб.

Таблица 6

Подшипники шариковые и роликовые радиальные и шариковые радиально-упорные

Класс точности 6

Кольца внутренние

Размеры, мкм

d, мм

Ddmp

Vdp

Vdmp

Kia

Sd

DВs

VBs, не более

Серия диаметров

верхн.

нижн.

подшипник

сдвоенный (комплектный) подшипник***

0,8, 9

1,7

2(5), 3(6), 4

верхн.

нижн

верхн.

нижн.

не более

От 0,6 до 2,5 включ.

0

-7

+1

-8

9

7

5

5

5

10

12

0

-40

-

12

Св. 2,5 « 10 «

-7

+1

-8

9

7

5

5

6

10

12

-120

-250

15

« 10 « 18 «

-7

+1

-8

9

7

5

5

7

10

12

-120

-250

20

« 18 « 30 «

-8

+1

-9

10

8

6

6

8

10

12

-120

-250

20

« 30 « 50 «

-10

+1

-11

13

10

8

8

10

10

12

-120

-250

20

« 50 « 80 «

-12

+2

-14

15

15

9

9

10

12

15

-150

-380

25

« 80 « 120 «

-15

+3

-18

19

19

11

11

13

12

15

-200

-380

25

« 120 « 180 «

-18

+3

-21

23

23

14

14

18

15

18

-250

-500

30

« 180 « 250 «

-22

+4

-26

28

28

17

17

20

15

18

-300

-500

30

« 250 « 315 «

-25

+5

-30

31

31

19

19

25

17

21

-350

-500

35

Св. 315 до 400 включ.

-30

+5

-35

38

38

23

23

30

20

24

-400

-630

40

« 400 « 500 «

-35

+6

-41

44

44

26

26

35

22

27

-450

-

45

« 500 « 630 «

-40

+8

-48

50

50

30

30

40

25

-

-500

-

50

* Для подшипников серий диаметров 8, 9, 1, 2 (5), 3 (6) и 4, причем для серий диаметров 8, 9-d £ 10 мм, 1-d £ 60 мм.

** Для шариковых радиальных и радиально-упорных подшипников, кроме сферических, при этом вместо параметра Sia допускается контролировать параметр Si.

*** Для колец подшипников, предназначенных для сдвоенных или комплектных подшипников.

Примечания

1. Наибольший размер ширины внутреннего кольца подшипников с коническим отверстием не должен превышать номинальный размер.

2. Непостоянство ширины внутренних колец с коническим отверстием самоустанавливающихся подшипников и подшипников с самоустанавливающимся кольцом не контролируют.

3. При использовании параметра Dds конусообразность отверстий шариковых и роликовых подшипников не более 50 % допуска на dmp.

Таблица 7

Подшипники шариковые и роликовые радиальные и шариковые радиально-упорные

Класс точности 6

Кольца наружные

Размеры, мкм

D, мм

DDmp

D*Ds

Kеа

VCs, не более

DCs

От крытый подшипник

Закрытый подшипник

Серия диаметров

0,8, 9

1,7

2(5), 3(6), 4

1,7, 2(5), 3(6), 4

верхн.

нижн.

верхн.

нижн.

не более

верхн.

нижн.

От 2,5 до 6 включ.

0

-7

+1

-8

9

7

5

9

5

8

20

Равно Dbs и VBs, того же подшипника соответственно

Св. 6 « 18 «

-7

+1

-8

9

7

5

9

5

8

20

« 18 « 30 «

-8

+1

-9

10

8

6

10

6

9

20

« 30 « 50 «

-9

+2

-11

11

9

7

13

7

10

20

« 50 « 80 «

-11

+2

-13

14

11

8

16

8

13

20

« 80 « 120 «

-13

+2

-15

16

16

10

20

10

18

22

« 120 « 150 «

-15

+3

-18

19

19

11

25

11

20

25

« 150 « 180 «

-18

+3

-21

23

23

14

30

14

23

30

« 180 « 250 «

-20

+4

-24

25

25

15

-

15

25

35

« 250 « 315 «

-25

+4

-29

31

31

19

-

19

30

40

« 315 « 400 «

-28

+5

-33

35

35

21

-

21

35

45

« 400 « 500 «

-33

+5

-38

41

41

25

-

25

40

50

« 500 « 630 «

-36

+7

-45

48

48

29

-

29

50

60

« 630 « 800 «

-45

+10

-55

56

56

34

-

34

60

70

« 800 « 1000 «

-60

+10

-70

75

75

45

-

45

75

80

* Для подшипников серий диаметров 8, 9, 1,2 (5), 3 (6) и 4, причем для серий диаметров 8, 9-D £ 22 мм, 1-D £ 95 мм. Значения не действительны для закрытых подшипников.

** Для колец до монтажа упорного пружинного кольца защитной шайбы или после их снятия.

*** Для шариковых радиальных и радиально-упорных подшипников, кроме сферических, при этом вместо параметра Sea допускается контролировать параметр Sе.

Примечания

1. Наружный диаметр наружных колец роликовых подшипников типа 102000 по ГОСТ 8328 допускается измерять без запорных шайб.

2. При использовании параметра ΔDS конусообразность наружной цилиндрической поверхности шариковых и роликовых подшипников - не более 50 % допуска на Dmр.

Таблица 8

Подшипники шариковые и роликовые радиальные и шариковые радиально-упорные

Класс точности 5

Кольца внутренние

Размеры, мкм

d, мм

Ddmp

Vdp

Vdmp

Kia

Sd

DBs

DBs, не более

Серия диаметров

верхн.

нижн.

подшипник

сдвоенный (комплектный) подшипник***

0,8, 9

1,7, 2(5), 3(6), 4

верхн.

нижн.

верхн.

нижн.

не более

От 0,6 до 2,5 включ.

0

-5

0

-5

5

4

3

4

7

7

0

-40

-250

5

Св. 2,5 « 10 «

-5

-5

5

4

3

4

7

7

-40

-250

5

« 10 « 18 «

-5

-5

5

4

3

4

7

7

-80

-250

5

« 18 « 30 «

-6

-6

6

5

3

4

8

8

-120

-250

5

« 30 « 50 «

-8

-8

8

6

4

5

8

8

-120

-250

5

« 50 « 80 «

-9

-9

9

7

5

5

8

8

-150

-250

6

« 80 « 120 «

-10

-10

10

8

5

6

9

9

-200

-380

7

« 120 « 180 «

-13

-13

13

10

7

8

10

10

-250

-380

8

« 180 « 250 «

-15

-15

15

12

8

10

11

13

-300

-500

10

« 250 « 315 «

-18

-18

18

14

9

13

13

15

-350

-500

13

« 315 « 400 «

-23

-23

23

18

12

15

15

20

-400

-630

15

* Для подшипников серий диаметров 8, 9, 1, 7, 2 (5), 3 (6) и 4, причем для серий диаметров 8, 9-d £ 10 мм.

** Для шариковых радиальных и радиально-упорных подшипников, кроме сферических.

*** Для колец подшипников, предназначенных для сдвоенных или комплектных подшипников.

Примечание. При использовании параметра Dds непостоянство единичного диаметра и конусообразность отверстий шариковых и роликовых подшипников - не более 50 % допуска на dmр.

Таблица 9

Подшипники шариковые и роликовые радиальные и шариковые радиально-упорные

Класс точности 5

Кольца наружные

Размеры, мкм

D, мм

DDmp

D*Ds

Vdp**

Vdmp

Kea

SD

DCs

VCs, не более

Серия диаметров

0, 8, 9

1, 7, 2(5), 3(6), 4

верхн.

нижн.

верхн.

нижн.

не более

верхн.

нижн.

От 2,5 до 6 включ.

0

-5

0

-5

5

4

3

5

8

8

Равно DBs того же подшипника

5

Св. 6 « 18 «

-5

-5

5

4

3

5

8

8

5

« 18 « 30 «

-6

-6

6

5

3

6

8

8

5

« 30 « 50 «

-7

-7

7

6

4

7

8

8

5

« 50 « 80 «

-9

-9

9

7

5

8

8

10

6

« 80 « 120 «

-10

-10

10

8

5

10

9

11

8

« 120 « 150 «

-11

-11

11

8

6

11

10

13

8

« 150 « 180 «

-13

-13

13

10

7

13

10

14

8

« 180 « 250 «

-15

-15

15

11

8

15

11

15

10

« 250 « 315 «

-18

-18

18

14

9

18

13

18

11

« 315 « 400 «

-20

-20

20

16

10

20

13

20

13

« 400 « 500 «

-23

-23

23

17

12

23

15

23

15

« 500 « 630 «

-28

-28

28

21

14

25

18

25

18

« 630 « 800 «

-35

-35

35

26

18

30

20

30

20

* Для подшипников серий диаметров 8, 9, 1, 7, 2 (5), 3 (6) и 4, причем для серий диаметров 8, 9-D £ 22 мм. Значения не действительны для закрытых подшипников.

** Значения не действительны для закрытых подшипников.

*** Для шариковых радиальных и радиально-упорных подшипников, кроме сферических.

Примечание. При использовании параметра DDs непостоянство единичного диаметра и конусообразность наружной цилиндрической поверхности шариковых и роликовых подшипников не более 50 % допуска на Dmp.

Таблица 10

Подшипники шариковые и роликовые радиальные и шариковые радиально-упорные

Класс точности 4

Кольца внутренние

Размеры, мкм

d, мм

Ddmp

D*ds

Vdp

Vdmp

Kia

Sd

DBs

DBs, не более

верхн.

нижн.

Серия диаметров

подшипник

сдвоенный (комплектный) подшипник***

0, 8, 9

1,7, 2(5), 3(8), 4

верхн.

нижн.

верхн.

нижн.

не более

От 0,6 до 2,5 включ.

0

-4

0

-4

4

3

2

2,5

3

3

0

-40

-250

2,5

Св. 2,5 « 10 «

-4

-4

4

3

2

2,5

3

3

-40

-250

2,5

« 10 « 18 «

-4

-4

4

3

2

2,5

3

3

-80

-260

2,5

« 18 « 30 «

-5

-5

5

4

2,5

3

4

4

-120

-250

2,5

« 30 « 50 «

-6

-6

6

5

3

4

4

4

-120

-260

3

« 50 « 80 «

-7

-7

7

5

3,5

4

5

5

-150

-250

4

« 80 « 120 «

-8

-8

8

6

4

5

5

5

-200

-380

4

« 120 « 180 «

-10

-10

10

8

5

6

6

7

-250

-380

5

« 180 « 250 «

-12

-12

12

9

6

8

7

8

-300

-500

6

*Для подшипников серий диаметров 1, 7, 2(5), 3(6) и 4.

**Для шариковых радиальных и радиально-упорных подшипников, кроме сферических.

***Для колец подшипников, предназначенных для сдвоенных или комплектных подшипников.

Примечание. (Исключено, Изм. № 1).

Таблица 11

Подшипники шариковые и роликовые радиальные и шариковые радиально-упорные

Класс точности 4

Кольца наружные

Размеры, мкм

D, мм

DDmp

D*Ds

D*Dp

VDmp

Kеа

SD

DCs

YCs, не более

Серия диаметров

0, 8, 9

1,7, 2 (5), 3 (6), 4

верхн.

нижн.

верхн.

нижн.

не более

верхн.

нижн.

От 2,5 до 6 включ.

0

-4

0

4

4

3

2

3

4

5

Равно DВs того же подшипника

2,5

Св. 6 « 18 »

-4

-4

4

3

2

3

4

5

2,5

« 18 « 30 «

-5

-5

5

4

2,5

4

4

5

2,5

« 30 « 50 «

-6

-6

6

5

3

5

4

5

2,5

« 50 « 80 «

-7

-7

7

5

3,5

5

4

5

3

« 80 « 120 «

-8

-8

8

6

4

6

5

6

4

« 120 « 150 «

-8

-9

9

7

5

7

5

7

5

« 150 « 180 «

-10

-10

10

8

5

8

5

8

5

« 180 « 250 «

-11

-11

11

8

6

10

7

10

7

« 250 « 315 «

-13

-13

13

10

7

11

8

10

7

« 315 « 400 «

-15

-15

15

11

8

13

10

13

8

Для подшипников серий диаметров 1, 7, 2(5), 3(6), 4. Значения не действительны для закрытых подшипников.

**Значения не действительны для закрытых подшипников.

***Для шариковых радиальных и радиально-упорных подшипников, кроме сферических.

Примечание. (Исключено, Изм. № 1).

Таблица 12

Подшипники шариковые и роликовые радиальные и шариковые радиально-упорные

Класс точности 2

Кольца внутренние

Размеры, мкм

d,мм

Ddmp

D*ds

Vср

Vdmp

Kia

Sd

DBs

VBs, не более

верхн.

нижн.

верхн.

нижн.

не более

верхн.

нижн.

От 0,6 до 2,5 включ.

0

-4

0

-4

4

2,5

2

2

2

0

-40

2

Св. 2,5 » 10 »

-4

-4

4

2,5

2

2

2

-40

2

« 10 » 18 »

-4

-4

4

2,5

2

2

2

-80

2

« 18 » 30 »

-4

-4

4

2,5

2,5

2

2,5

-120

2

« 30 » 50 »

-4

-4

4

2,5

2,5

2

2,5

-120

2

« 50 » 80 »

-5

-5

5

2,5

2,5

2

2,5

-125

2

« 80 » 120 »

-5

-5

5

2,5

2,5

2,5

2,5

-125

2,5

« 120 » 150 »

-7

-7

7

3,5

2,5

2,5

2,5

-125

2,5

« 150 » 180 »

-7

-7

7

3,5

5

4

5

-125

4

« 180 » 250 »

-9

-9

9

4,5

6

5

7

-150

5

*Для подшипников серий диаметров 8, 9, 1, 2(5) и 3(6), причем для серий диаметров 8, 9-d £ 10 мм.

**Для шариковых радиальных и радиально-упорных подшипников, кроме сферических.

Таблица 13

Подшипники шариковые и роликовые радиальные и шариковые радиально-упорные

Класс точности 2

Кольца наружные

Размеры, мкм

D, мм

DDmp

D*Ds

VDmp

Kеа

SD

DCs

VСs, не более

верхн.

нижн.

верхн.

нижн.

не более

верхн.

нижн.

От 2,5 до 6 включ.

0

-3

0

-3

3

2

2

2

2,5

Равно DBs того же подшипника

1,5

Св. 6 » 18 »

-3

-3

3

2

2

2

2,5

1,5

« 18 » 30 »

-4

-4

4

2

2,5

2

2,5

2

« 30 » 50 »

-4

-4

4

2

2,5

2

2,5

2

« 50 » 80 »

-4

-4

4

2

4

2

4

2

« 80 » 120 »

-5

-5

5

2,5

5

2,5

5

2,5

« 120 » 150 »

-5

-5

5

2,5

5

2,5

5

2,5

« 150 » 180 »

-7

-7

7

3,5

5

2,5

5

2,5

« 180 » 250 »

-8

-8

8

4

7

4

7

4

« 250 » 315 »

-10

-10

10

5

8

6

8

5

« 315 » 400 »

-12

-12

12

6

10

7

10

6

*Для подшипников серий 8, 9, 1, 2(5) и 3(6), причем для серий диаметров 8, 9-D £ 22 мм. Значения не действительны для закрытых подшипников.

**Для шариковых радиальных и радиально-упорных подшипников, кроме сферических.

***Значения не действительны для закрытых подшипников.

Таблица 14

Подшипники шариковые и роликовые радиальные и шариковые радиально-упорные

Класс точности Т

Кольца внутренние

Размеры, мкм

d, мм

Ddmp

Dds

Vdp

Vdmp

Kia

Sd

DBs

VBs, не более

верхн.

нижн.

верхн.

нижн.

не более

верхн.

нижн.

От 0,6 до 2,5 включ.

0

-2,5

0

-2,5

2,5

1,5

1,5

1,5

1,5

0

-40

1,5

Св. 2,5 » 10 »

-2,5

-2,5

2,5

1,5

1,5

1,5

1,5

-40

1,5

» 40 » 18 »

-2,5

-2,5

2,5

1,5

1,5

1,5

1,5

-80

1,5

» 18 » 30 »

-2,5

-2,5

2,5

1,5

2,5

1,5

2,5

-120

1,5

» 30 » 50 »

-2,5

-2,5

2,5

1,5

2,5

1,5

2,5

-120

1,5

» 50 » 80 »

-4

-4

4

2

2,5

1,5

2,5

-150

1,5

» 80 » 120 »

-5

-5

5

2,5

2,5

2,5

2,5

-200

2,5

» 120 » 150 »

-7

-7

7

3,5

2,5

2,5

2,5

-250

2,5

» 150 » 180 »

-7

-7

7

3,5

5

4

5

-300

4

» 180 » 250 »

-8

-8

8

4

5

5

5

-350

5

*Для шариковых радиальных и радиально-упорных подшипников, кроме сферических.

Таблица 15

Подшипники шариковые и роликовые радиальные и шариковые радиально-упорные

Класс точности Т

Кольца наружные

Размеры, мкм

D, мм

DDmp

DDs

D*Dp

VDmp

Kеа

SD

DCs

DСs не более

верхн.

нижн.

верхн.

нижн.

не более

верхн.

нижн.

От 2,5 до 6 включ.

0

-2,5

0

-2,5

2,5

1,5

1,5

1,5

1,5

Равно DBs того же подшипника

1,5

Св. 6 » 18 »

-2,5

-2,5

2,5

1,5

1,5

1,5

1,5

1,5

» 18 » 30 »

-4

-4

4

2

2,5

1,5

2,5

1,5

» 30 » 50 »

-4

-4

4

2

2,5

1,5

2,5

1,5

» 50 » 80 »

-4

-4

4

2

4

1,5

4

1,5

» 80 » 120 »

-5

-5

5

2,5

5

2,5

5

2,5

» 120 » 150 »

-5

-5

5

2,5

5

2,5

5

2,5

» 150 » 180 »

-7

-7

7

3,5

5

2,5

5

2,5

» 180 » 250 »

-8

-8

8

4

7

4

7

4

» 250 » 315 »

-8

-8

8

4

7

5

7

5

» 315 » 400 »

-10

-10

10

5

8

7

8

7

*Значения не действительны для закрытых подшипников.

**Для шариковых радиальных и радиально-упорных подшипников, кроме сферических.

Таблица 16

Подшипники роликовые конические

Класс точности 0

Категория С и подшипники, не отнесенные к категориям

Нормальная точность

Кольца внутренние

Размеры, мкм

d, мм

Ddmp

D*ds

Kia

Sd

DВs

DTs

верхн.

нижн.

верхн.

нижн.

не более

верхн.

нижн.

верхн.

нижн.

От 10 до 18 включ.

0

-12

+3

-15

12

9

15

20

0

-200

+250

-250

Св. 18 » 30 »

-12

+3

-15

12

9

18

20

-200

+250

-250

« 30 » 50 »

-12

+3

-15

12

9

20

20

-240

+250

-250

« 50 » 80 »

-15

+4

-19

15

11

25

25

-300

+250

-250

« 80 » 120 »

-20

+5

-25

20

15

30

25

-400

+500

-500

« 120 » 180 »

-25

+6

-31

25

19

35

30

-500

+750

-750

« 180 » 250 »

-30

+8

-38

30

23

50

30

-600

+750

-750

« 250 » 315 »

-35

+9

-44

35

26

60

35

-700

+750

-750

« 315 » 400 »

-40

+10

-50

40

30

70

40

-800

+1000

-1000

*Для подшипников серий диаметров 1, 2 (5) и 3 (6), причем для серий диаметров 1-d £ 40 мм, 2 (5) - d £ 180 мм.

**Вводится с 01.01.93.

Таблица 17

Подшипники роликовые конические

Класс точности 0

Категория С

Повышенная точность

Кольца внутренние

Размеры, мкм

d, мм

Ddmp

D*ds

Kia

Sd

DВs

DTs

верхн.

нижн.

верхн.

нижн.

не более

верхн.

нижн.

верхн.

нижн.

От 10 до 18 включ.

0

-8

+3

-11

8

6

15

20

0

-120

+200

0

Св. 18 » 30 »

-10

+3

-13

10

7,5

18

20

-120

+200

0

» 30 » 50 »

-12

+3

-15

12

9

20

20

-120

+200

0

» 50 » 80 »

-15

+4

-19

15

11

25

25

-150

+200

0

» 80 » 120 »

-20

+5

-25

20

15

30

25

-200

+200

-200

» 120 » 180 »

-25

+6

-31

25

19

35

30

-250

+350

-250

» 180 » 250 »

-30

+8

-38

30

23

50

30

-300

+350

-250

» 250 » 315 »

-35

+9

-44

35

26

60

35

-350

+350

-250

» 315 » 400 »

-40

+10

-50

40

30

70

40

-400

+400

-400

*Для подшипников серий диаметров, 2 (5) и 3 (6), причем для серии диаметров 1-d £ 40 мм, 2 (5) - d £ 180 мм.

**Вводится с 01.01.93.

Таблица 18

Подшипники роликовые конические

Класс точности 0

Категория В

Кольца внутренние

Размеры, мкм

d, мм

Ddmp

D*ds

Kia

Sd

DВs

DTs

DT1s

верхн.

нижн.

верхн.

нижн.

не более

верхн.

нижн.

верхн.

нижн.

верхн.

нижн.

От 10 до 18 включ.

0

-8

+3

-11

8

6

15

20

0

-120

+200

0

+100

0

Св. 18 » 30 »

-10

+3

-13

10

7,5

18

20

-120

+200

0

+100

0

» 30 » 50 »

-12

+3

-15

12

9

20

20

-120

+200

0

+100

0

» 50 » 80 »

-15

+4

-19

15

11

25

25

-150

+200

0

+100

0

» 80 » 120 »

-20

+5

-25

20

15

30

25

-200

+200

-200

+100

-100

» 120 » 180 »

-25

+6

-31

25

19

35

30

-250

+350

-250

+150

-150

» 180 » 250 »

-30

+8

-38

30

23

50

30

-300

+350

-250

+150

-150

» 250 » 315 »

-35

+9

-44

35

26

60

35

-350

+350

-250

+150

-150

» 315 » 400 »

-40

+10

-50

40

30

70

40

-400

+400

-400

+200

-200

* Для подшипников серий диаметров 1, 2 (5) и 3 (6), причем для серии диаметров 1 - d £ 40 мм, 2 (5) - d £ 180 мм.

** Вводится с 01.01.93

Таблица 19

Подшипники роликовые конические

Класс точности 0

Категория С и подшипники, не отнесенные к категориям

Нормальная точность

Кольца наружные

Размеры, мкм

D, мм

DDmp

D*Ds

Kea

верхн.

нижн.

верхн.

нижн.

не более

От 18 до 30 включ.

0

-12

+2

-14

12

9

18

Св. 30 » 50 »

-14

+3

-17

14

11

20

» 50 » 80 »

-16

+4

-20

16

12

25

» 80 » 120 »

-18

+5

-23

18

14

35

» 120 » 150 »

-20

+6

-26

20

16

40

» 150 » 180 »

-25

+7

-32

25

19

45

» 180 » 250 »

-30

+8

-38

30

23

50

» 250 » 315 »

-35

+9

-44

35

26

60

» 315 » 400 »

-40

+10

-50

40

30

70

» 400 » 500 »

-45

+12

-57

45

34

80

» 500 » 630 »

-50

+14

-64

50

38

100

* Для подшипников серий диаметров 1, 2 (5) и 3 (6), причем для серии диаметров 1 - D £ 80 мм, 2 - D £ 315 мм.

** Вводится с 01.01.93.

Примечание. Предельные отклонения ширины колец не нормированы. Однако наибольший размер ширины колец не должен превышать номинальный размер.

Таблица 20

Подшипники роликовые конические

Класс точности 0

Категория С

Повышенная точность

Кольца наружные

Размеры, мкм

D, мм

DDmp

D*Ds

Kea

верхн.

нижн.

верхн.

нижн.

не более

От 18 до 30 включ.

0

-9

+2

-11

9

6

18

Св. 30 » 50 »

-11

+3

-14

11

8

20

» 50 » 80 »

-13

+4

-17

13

9

25

» 80 » 120 »

-15

+5

-20

15

11

35

» 120 » 150 »

-18

+6

-24

18

14

40

» 150 » 180 »

-25

+7

-32

25

19

45

» 180 » 250 »

-30

+8

-38

30

23

50

» 250 » 315 »

-35

+9

-44

35

26

60

» 315 » 400 »

-40

+10

-50

40

30

70

» 400 » 500 »

-45

+12

-57

45

34

80

» 500 » 630 »

-50

+14

-64

50

38

100

* Для подшипников серий диаметров 1, 2 (5), 3 (6), причем для серии диаметров 1 - D £ 80 мм, 2 - D < 315 мм.

** Вводится с 01.01.93.

Примечание. Предельные отклонения ширины колец не нормированы. Однако наибольший размер ширины колец не должен превышать номинальный размер.

Таблица 21

Подшипники роликовые конические

Класс точности 0

Категория В

Кольца наружные

Размеры, мкм

D, мм *

DDmp

D*Ds

Kеа

DCs

DT2s

верхн.

нижн.

верхн.

нижн.

не более

верхн.

нижн.

верхн.

нижн.

От 18 до 30 включ.

0

-9

+2

-11

9

6

18

Равно DBs того же подшипника

+100

0

Св. 30 » 50 »

-11

+3

-14

11

8

20

+100

0

» 50 » 80 »

-13

+4

-17

13

9

25

+100

0

» 80 » 120 »

-15

+5

-20

15

11

35

+100

0

» 120 » 150 »

-18

+6

-24

18

14

40

+100

-100

» 150 » 180 »

-25

+7

-32

25

19

45

+200

-100

» 180 » 250 »

-30

+8

-38

30

23

50

+200

-100

» 250 » 315 »

-35

+9

-44

35

26

60

+200

-100

» 315 » 400 »

-40

+10

-50

40

30

70

+200

-200

» 400 » 500 »

-45

+12

-57

45

34

80

-

-

» 500 » 630 »

-50

+14

-64

50

38

100

-

-

* Для подшипников серий диаметров 1, 2 (5), 3 (6), причем для серии диаметров 1 - D £ 80 мм, 2 - D £ 315 мм.

** Вводится с 01.01.93.

Таблица 22

Подшипники роликовые конические

Класс точности 6Х

Кольца внутренние

Размеры, мкм

d, мм

Ddmp

Vdp

Vdmp

Kia

DВs

DТs

DT1s

верхн.

нижн.

не более

верхн.

нижн.

верхн.

нижн.

верхн.

нижн.

От 10 до 18 включ.

0

-12

12

9

15

0

-50

+100

0

+50

0

Св. 18 » 30 »

-12

12

9

18

+100

+50

» 30 » 50 »

-12

12

9

20

+100

+50

» 50 » 80 »

-15

15

11

25

+100

+50

» 80 » 120 »

-20

20

15

30

+100

+50

» 120 » 180 »

-25

25

19

35

+150

+50

» 180 » 250 »

-30

30

23

50

+150

+50

» 250 » 315 »

-35

35

26

60

+200

+100

» 315 » 400 »

-40

40

30

70

+200

+100

Таблица 23

Подшипники роликовые конические

Класс точности 6Х

Кольца наружные

Размеры, мкм

D, мм

DDmp

VDp

VDmp

Kea

DCs

DT2s

верхн.

нижн.

не более

верхн.

нижн.

верхн.

нижн.

От 18 до 30 включ.

0

-12

12

9

18

0

-100

+50

0

Св. 30 » 50 »

-14

14

11

20

0

-100

+50

0

» 50 » 80 »

-16

16

12

25

0

-100

+50

0

» 80 » 120 »

-18

18

14

35

0

-100

+50

0

» 120 » 150 »

-20

20

15

40

0

-100

+50

0

» 150 » 180 »

-25

25

19

45

0

-100

+100

0

» 180 » 250 »

-30

30

23

50

0

-100

+100

0

» 250 » 315 »

-35

35

26

60

0

-100

+100

0

» 315 » 400 »

-40

40

30

70

0

-100

+100

0

» 400 » 500 »

-45

45

34

80

-

-

-

-

» 500 » 630 »

-50

50

38

100

-

-

-

-

Таблица 24

Подшипники роликовые конические

Класс точности 6

Кольца внутренние

Размеры, мкм

d, мм

Ddmp

D*ds

Kia

Sd

DBs

DTs

верхн.

нижн.

верхн.

нижн.

не более

верхн.

нижн.

Категория С

Категория В

нормальная точность**

повышенная точность

верхн.

нижн.

верхн.

нижн.

верхн.

нижн.

От 10 до 18 включ.

0

-7

+1

-8

7

10

0

-200

+250

-250

+200

0

+200

0

Св. 18 » 30 »

-8

+1

-9

8

10

-200

+250

-250

+200

0

+200

0

» 30 » 50 »

-10

+1

-11

10

10

-240

+250

-250

+200

0

+200

0

» 50 » 80 »

-12

+2

-14

10

12

-300

+250

-250

+200

0

+200

0

» 80 » 120 »

-15

+3

-18

13

12

-400

+500

-500

+200

-200

+200

-200

» 120 » 180 »

-18

+3

-21

18

15

-500

+750

-750

+350

-250

+350

-250

» 180 » 250 »

-22

+4

-26

20

15

-630

+750

-750

+350

-250

+350

-250

» 250 » 315 »

-25

+5

-30

25

17

-700

+750

-750

+350

-250

+350

-250

» 315 » 400 »

-30

+5

-35

30

20

-800

+1000

-1000

+400

-400

+400

-400

* Для подшипников серий диаметров 1, 2 (5) и 3 (6), причем для серии диаметров 1 - d £ 60 мм.

** В том числе для подшипников, не отнесенных к категориям.

Примечание. При использовании параметра Dds конусообразность отверстий подшипников - не более 50 % допуска на dmp.

Таблица 25

Подшипники роликовые конические

Класс точности 6

Кольца наружные

Размеры, мкм

D, мм

DDmp

D*Ds

Kеа, не более

верхн.

нижн.

верхн.

нижн.

верхн.

нижн.

От 18 до 30 включ.

0

-8

+1

-9

9

Равно DВs того же подшипника

Св. 30 » 50 »

-9

+2

-11

10

» 50 » 80 »

-11

+2

-13

13

» 80 » 120 »

-13

+2

-15

18

» 120 » 150 »

-15

+3

-18

20

» 150 » 180 »

-18

+3

-21

23

» 180 » 250 »

-20

+4

-24

25

» 250 » 315 »

-25

+4

-29

30

» 315 » 400 »

-28

+5

-33

35

» 400 » 500 »

-33

+5

-38

40

* Для подшипников серий диаметров 1, 2 (5) и 3 (6), причем для серии 1 - D £ 95 мм. Значения не действительны для закрытых подшипников.

** Предельные отклонения ширины колец подшипников категории С и подшипников, не отнесенных к категориям, не нормированы. Однако наибольший размер ширины колец не должен превышать номинальный размер.

Примечание. При использовании параметра DDs конусообразность наружной цилиндрической поверхности подшипников - не более 50 % допуска на Dmp.

Таблица 26

Подшипники роликовые конические

Класс точности 5

Категория В и подшипники, не отнесенные к категориям

Кольца внутренние

Размеры, мкм

d, мм

Ddmp

D*ds

Vdp

Vdmp

Kia

Sd

DBs

DTs

верхн.

нижн.

верхн.

нижн.

не более

верхн.

нижн.

верхн.

нижн.

От 10 до 18 включ.

0

-7

+1

-8

5

5

5

7

0

-200

+200

-200

Св. 18 » 30 »

-8

+1

-9

6

5

5

8

-200

+200

-200

» 30 » 50 »

-10

+1

-11

8

5

6

8

-240

+200

-200

» 50 » 80 »

-12

+2

-14

9

6

7

8

-300

+200

-200

» 80 » 120 »

-15

+3

-18

11

8

8

9

-400

+200

-200

» 120 » 180 »

-18

+3

-21

14

9

11

10

-500

+350

-250

» 180 » 250 »

-22

+4

-26

17

11

13

11

-600

+350

-250

» 250 » 315 »

-25

+5

-30

19

13

13

13

-700

+350

-250

» 315 » 400 »

-30

+5

-35

23

15

15

15

-800

+400

-400

* Для подшипников серий диаметров 1, 2 (5) и 3 (6).

Примечание. При использовании параметра Dds конусообразность отверстий подшипников - не более 50 % допуска на dmp.

Таблица 27

Подшипники роликовые конические

Класс точности 5

Категория А

Кольца внутренние

Размеры, мкм

d, мм

Ddmp

D*ds

Vdp

Vdmp

Kia

Sd

DBs

DTs

верхн.

нижн.

верхн.

нижн.

не более

верхн.

нижн.

верхн.

нижн.

От 10 до 18 включ.

0

-7

+1

-8

5

5

3,5

7

0

-200

+200

0

Св. 18 » 30 »

-8

+1

-9

6

5

4

8

-200

+200

0

» 30 » 50 »

-10

+1

-11

8

5

5

8

-240

+200

0

» 50 » 80 »

-12

+2

-14

9

6

5

8

-300

+200

0

» 80 » 120 »

-15

+3

-18

11

8

6

9

-400

+200

-200

» 120 » 180 »

-18

+3

-21

14

9

8

10

-500

+350

-250

» 180 » 250 »

-22

+4

-26

17

11

10

11

-600

+350

-250

» 250 » 315 »

-25

+5

-30

19

13

13

13

-700

+350

-250

» 315 » 400 »

-30

+5

-35

23

15

15

15

-800

+400

-400

* Для подшипников серий диаметров 1, 2 (5) и 3 (6).

Примечание. При использовании параметра Dds конусообразность отверстий подшипников - не более 50 % допуска на dmp.

Таблица 28

Подшипники роликовые конические

Класс точности 5

Кольца наружные

Размеры, мкм

D, мм

DDmp

D*Ds

VDp

VDmp

Kea

SD

DCs

верхн.

нижн.

верхн.

нижн

не более

верхн.

нижн.

От 18 до 30 включ.

0

-8

+1

-9

6

5

6

8

Равно DBs того же подшипника

Св. 30 » 50 »

-9

+2

-11

7

5

7

8

» 50 » 80 »

-11

+2

-13

8

6

8

8

» 80 » 120 »

-13

+2

-15

10

7

10

9

» 120 » 150 »

-15

+3

-18

11

8

11

10

» 150 » 180 »

-18

+3

-21

14

9

13

10

» 180 » 250 »

-20

+4

-24

15

10

15

11

» 250 » 315 »

-25

+4

-29

19

13

18

13

» 315 » 400 »

-28

+5

-33

22

14

20

13

» 400 » 500 »

-33

+5

-38

25

17

23

15

* Для подшипников серий диаметров 1, 2 (5) и 3 (6). Значения не действительны для закрытых подшипников.

Примечание. При использовании параметра DDs конусообразность наружной цилиндрической поверхности подшипников - не более 50 % допуска на Dmp.

Таблица 29

Подшипники роликовые конические

Класс точности 4

Кольца внутренние

Размеры, мкм

d, мм

Ddmp

D*ds

Vdp

Vdmp

Kia

Sd

Sia

DBs

DTs

верхн.

нижн.

верхн.

нижн.

не более

верхн.

нижн.

верхн.

нижн.

От 10 до 18 включ.

0

-5

0

-5

4

4

3

3

3

0

-200

+200

-200

Св. 18 » 30 »

-6

-6

5

4

3

4

4

-200

+200

-200

» 30 » 50 »

-8

-8

6

5

4

4

4

-240

+200

-200

» 50 » 80

-9

-9

7

5

4

5

4

-300

+200

-200

» 80 » 120 »

-10

-10

8

5

5

5

5

-400

+200

-200

» 120 » 180 »

-13

-13

10

7

6

6

7

-500

+350

-250

» 180 » 250 »

-15

-15

11

8

8

7

8

-600

+350

-250

» 250 » 315 »

-18

-18

14

9

12

8

12

-700

+350

-250

* Для подшипников серий диаметров 1, 2 (5) и 3 (6).

Примечание (Исключено, Изм. № 1).

Таблица 30

Подшипники роликовые конические

Класс точности 4

Кольца наружные

Размеры, мкм

D, мм

DDmp

D*Ds

VDp

VDmp

Kea

SD

Sea

DCs

верхн.

нижн.

верхн.

нижн.

не более

верхн.

нижн.

От 18 до 30 включ.

0

-6

0

-6

5

4

4

4

5

Равно DBs того же подшипника

Св. 30 » 50 »

-7

-7

5

5

5

4

5

» 50 » 80 »

-9

-9

7

5

5

4

5

» 80 » 120 »

-10

-10

8

5

6

5

6

» 120 » 150 »

-11

-11

8

6

7

5

7

» 150 » 180 »

-13

-13

10

7

8

5

8

» 180 » 250 »

-15

-15

11

8

10

7

10

» 250 » 315 »

-18

-18

14

9

11

8

10

» 315 » 400 »

-20

-20

15

10

13

10

13

* Для подшипников серий диаметров 1, 2 (5) и 3 (6). Значения не действительны для закрытых подшипников.

Примечание. (Исключено, Изм. № 1).

Таблица 31

Подшипники роликовые конические

Класс точности 2

Кольца внутренние

Размеры, мкм

d, мм

Ddmp

D*ds

Vdmp

Kia

Sd

Sia

DBs

DTs

верхн.

нижн.

верхн.

нижн.

не более

верхн.

нижн.

верхн.

нижн.

От 10 до 18 включ.

0

-4

0

-4

3

2

2

2

0

-200

+200

-200

» 18 » 30 »

-4

-4

3

2,5

2

2,5

-200

+200

-200

» 30 » 50 »

-4

-4

3

2,5

2

2,5

-240

+200

-200

» 50 » 80 »

-5

-5

4

2,5

2

2,5

-300

+200

-200

» 80 » 120 »

-5

-5

4

2,5

2,5

2,5

-400

+200

-200

» 120 » 150 »

-6,5

-6,5

5

2,5

2,5

2,5

-500

+350

-250

» 150 » 180 »

-6,5

-6,5

5

5

4

5

-500

+350

-250

» 180 » 250 »

-9

-9

6

6

5

7

-600

+350

-250

» 250 » 315 »

-12

-12

7

8

6

8

-700

+350

-250

* Для подшипников серий диаметров 1, 2 (5) и 3 (6).

Таблица 32

Подшипники роликовые конические

Класс точности 2

Кольца наружные

Размеры, мкм

D, мм

DDmp

D*Ds

VDmp

Kea

SD

Sea

DCs

верхн.

нижн.

верхн.

нижн.

не более

верхн.

нижн.

От 18 до 30 включ.

0

-4

0

-4

3

2,5

2

2,5

Равно DBs того же подшипника

Св. 30 » 50 »

-4

-4

3

2,5

2

2,5

» 50 » 80 »

-4

-4

3

4

2

4

» 80 » 120 »

-5

-5

4

5

2,5

5

» 120 » 150 »

-5

-5

4

5

2,5

5

» 150 » 180 »

-6,5

-6,5

5

5

2,5

5

» 180 » 250 »

-8

-8

5

6,5

4

6,5

» 250 » 315 »

-10

-10

5

8

6

8

» 315 » 400 »

-12

-12

6

10

7

10

* Для подшипников серий диаметров 1, 2 (5) и 3 (6). Значения не действительны для закрытых подшипников.

Таблица 33

Закрытые подшипники шариковые и роликовые радиальные, шариковые радиально-упорные и роликовые конические

Кольца наружные

Размеры, мкм

D, мм

DDs

Класс точности

0

6

5

4

2

верхн.

нижн.

верхн.

нижн.

верхн.

нижн.

верхн.

нижн.

верхн.

нижн.

От 2,5 до 6 включ.

+4

-12

+3

-10

+2

-7

+1

-6

+1

-4

Св. 6 » 18 »

+5

-13

+3

-10

+2

-7

+1

-6

+1

-4

» 18 » 30 »

+6

-15

+4

-12

+3

-9

+2

-7

+1

-5

» 30 » 50 »

+8

-19

+6

-15

+4

-11

+3

-9

+1

-5

» 50 » 80 »

+10

-23

+8

-19

+6

-15

+3

-10

+1

-5

» 80 » 120 »

+13

-28

+10

-23

+8

-18

+3

-11

+1

-5

» 120 » 150 »

+15

-33

+12

-27

+9

-20

-

-

-

-

» 150 » 180 »

+18

-44

+15

-33

-

-

-

-

-

-

Примечания:

1. Для подшипников шариковых и роликовых радиальных, шариковых радиально-упорных и роликовых конических класса точности 0 значения действительны для подшипников серий диаметров 1, 2 (5), 3 (6) и 4, причем для серии диаметров 1 - D £ 80 мм.

2. Для подшипников шариковых и роликовых радиальных, шариковых радиально-упорных и роликовых конических класса точности 6 значения действительны для подшипников серии диаметров 1, 7, 2 (5), 3 (6) и 4, причем для серии, диаметров 1 - D £ 95 мм.

Таблица 34

Подшипники упорные и упорно-радиальные

Кольца тугие

Размеры, мкм

d1, d2, мм

Классы точности 0, 6, 5

Классы точности 4 и 2

Ddmp, Dd2mp

Vdp, Vd2p

Ddmp, Dd2mp

Vdp, Vd2p

верхн.

нижн.

не более

верхн.

нижн.

не более

До 18 включ.

0

-8

6

0

-7

5

Св. 18 » 30 »

-10

8

-8

6

» 30 » 50 »

-12

9

-10

8

» 50 » 80 »

-15

11

-12

9

» 80 » 120 »

-20

15

-15

11

» 120 » 180 »

-25

19

-18

14

» 180 » 250 »

-30

23

-22

17

» 250 » 315 »

-35

26

-25

19

» 315 » 400 »

-40

30

-30

23

» 400 » 500 »

-45

34

-35

26

» 500 » 630 »

-50

38

-40

30

» 630 » 800 »

-75

-

-50

-

» 800 » 1000 »

-100

-

-

-

» 1000 » 1250 »

-125

-

-

-

Таблица 35

Подшипники упорные и упорно-радиальные

Кольца свободные

Размер, мкм

D, мм

Класс точности 0, 6, 5

Класс точности 4 и 2

DDmp

VDp

DDmp

VDp

верхн.

нижн.

не более

верхн.

нижн.

не более

От 10 до 18 включ.

0

-11

8

0

-7

5

Св. 18 » 30 »

-13

10

-8

6

» 30 » 50 »

-16

12

-9

7

» 50 » 80 »

-19

14

-11

8

» 80 » 120 »

-22

17

-13

10

» 120 » 180 »

-25

19

-16

11

» 180 » 250 »

-30

23

-20

15

» 250 » 315 »

-35

26

-25

19

» 315 » 400 »

-40

30

-28

21

» 400 » 500 »

-45

34

-33

25

» 500 » 630 »

-50

38

-38

29

» 630 » 800 »

-75

55

-45

34

» 800 » 1000 »

-100

75

-

-

» 1000 » 1250 »

-125

-

-

-

» 1250 » 1600 »

-160

-

-

-

Таблица 36

Подшипники шариковые и роликовые упорные

Кольца тугие и свободные

Размеры, мкм

d, мм

Класс точности

0

6

5

4

2

0, 6, 5, 4, 2

Si

Se

не более

До 18 включ.

10

5

3

2

1

Равно Si того же подшипника

Св. 18 » 30 »

10

5

3

2

1,2

» 30 » 50 »

10

6

3

2

1,5

» 50 » 80 »

10

7

4

3

2

» 80 » 120 »

15

8

4

3

2

» 120 » 180 »

15

9

5

4

3

» 180 » 250 »

20

10

5

4

3

» 250 » 315 »

25

13

7

5

4

» 315 » 400 »

30

15

7

5

4

» 400 » 500 »

30

18

9

6

-

» 500 » 630 »

35

21

11

7

-

» 630 » 800 »

40

25

13

8

-

» 800 » 1000 »

45

30

15

-

-

» 1000 » 1250 »

50

35

18

-

-

Примечание. Для двойного подшипника допускаемые значения Si и Se равны Si и Se соответствующего (при том же наружном диаметре) одинарного подшипника. Соответствующие диаметры отверстия d указаны в ГОСТ 3478.

Таблица 37

Кольца внутренние

Коническое отверстие с конусностью 1:12

Класс точности 0

Размеры, мкм

d, мм

Ddmp

Dd1mp-Ddmp

V*dp

верхн.

нижн.

верхн.

нижн.

не более

До 10 включ.

+15

0

+15

0

10

Св. 10 » 18 »

+18

+18

10

» 18 » 30 »

+21

+21

13

» 30 » 50 »

+25

+25

15

» 50 » 80 »

+30

+30

19

» 80 » 120 »

+35

+35

25

» 120 » 180 »

+40

+40

31

» 180 » 250 »

+46

+46

38

» 250 » 315 »

+52

+52

44

» 315 » 400 »

+57

+57

50

» 400 » 500 »

+63

+63

56

* Относится к любой единичной радиальной плоскости конического отверстия.

Таблица 38

Кольца внутренние

Коническое отверстие с конусностью 1:12

Класс точности 6

Размеры, мкм

d, мм

Dds

Dd1s-Dds

верхн.

нижн.

верхн.

нижн.

До 10 включ.

+15

0

+9

0

Св. 10 » 18 »

+18

+11

» 18 » 30 »

+21

+13

» 30 » 50 »

+25

+16

» 50 » 80 »

+30

+19

» 80 » 120 »

+35

+22

» 120 » 180 »

+40

+25

» 180 » 250 »

+46

+29

» 250 » 315 »

+52

+32

» 315 » 400 »

+57

+36

» 400 » 500 »

+63

+40

» 500 » 630 »

+70

+43

Таблица 39

Кольца внутренние

Коническое отверстие с конусностью 1:12

Класс точности 5

Размеры, мкм

d, мм

Dds

Dd1s-Dds

верхн.

нижн.

верхн.

нижн.

До 10 включ.

+9

0

+6

0

Св. 10 » 18 »

+11

+8

» 18 » 30 »

+13

+9

» 30 » 50 »

+16

+11

» 50 » 80 »

+19

+13

» 80 » 120 »

+22

+15

» 120 » 180 »

+25

+18

» 180 » 250 »

+29

+20

» 250 » 315 »

+32

+23

» 315 » 400 »

+36

+25

» 400 » 500 »

+40

+27

Таблица 40

Кольца внутренние

Коническое отверстие с конусностью 1:12

Класс точности 4

Размеры, мкм

d, мм

Dds

Dd1s-Dds

верхн.

нижн.

верхн.

нижн.

От 18 до 30 включ.

+9

0

+4

0

Св. 30 » 50 »

+11

+6

» 50 » 80 »

+13

+6

» 80 » 120 »

+15

+8

» 120 » 180 »

+18

+8

» 180 » 250 »

+20

+10

» 250 » 315 »

+32

+12

» 315 » 400 »

+36

+12

» 400 » 500 »

+40

+14

Таблица 41

Кольца внутренние

Коническое отверстие с конусностью 1:12

Класс точности 2

Размеры, мкм

d, мм

Dds

Dd1s-Dds

верхн.

нижн.

верхн.

нижн.

От 18 до 30 включ.

+6

0

+2

0

Св. 30 » 50 »

+7

+3

» 50 » 80 »

+8

+3

» 80 » 120 »

+10

+4

» 120 » 180 »

+12

+4

» 180 » 250 »

+14

+5

Таблица 42

Кольца внутренние

Коническое отверстие с конусностью 1:12

Класс точности 0

Размеры, мкм

d, мм

Dds

Dd1s-Dds

верхн.

нижн.

верхн.

нижн.

До 10 включ.

0

+22

0

+15

Св. 10 » 18 »

+27

+18

» 18 » 30 »

+33

+21

» 30 » 50 »

+39

+25

» 50 » 80 »

+46

+30

» 80 » 120 »

+54

+35

» 120 » 180 »

+63

+40

» 180 » 250 »

+72

+46

» 250 » 315 »

+81

+52

» 315 » 400 »

+89

+57

» 400 » 500 »

+97

+63

» 500 » 630 »

+110

+70

» 630 » 800 »

+125

+80

» 800 » 1000 »

+140

+90

» 1000 » 1250 »

+165

+105

» 1250 » 1600 »

+195

+125

Таблица 43

Подшипники роликовые конические

Размеры, мкм

d, мм

Типы подшипников

двухрядные

четырехрядные

ΔTs

верхи

нижн.

верхн.

нижн.

От 18 до 30 включ.

+375

-375

-

-

Св. 30 » 50 »

+375

-375

-

-

» 50 » 80 »

+375

-375

-

-

» 80 » 120 »

+750

-750

+1000

-1000

» 120 » 180 »

+750

-750

+1000

-1000

» 180 » 250 »

+1000

-1000

+1500

-1500

» 250 » 315 »

+1000

-1000

+1500

-1500

» 315 » 400 »

+1000

-1000

+1500

-1500

» 400 » 500 »

+1500

-1000

+1500

-1500

» 500 » 630 »

+1500

-1500

+2000

-2000

» 630 » 800 »

+1500

-1500

+2000

-2000

» 800 » 1000 »

+2000

-2000

-

-

2.23.7. На монтажных поверхностях колец подшипников классов точности 8 и 7 допускаются:

единичные мелкие токарные риски, не превышающие 2/3 окружности кольца при длине каждой не более 0,5 окружности кольца;

группа мелких токарных рисок общей шириной не более 0,25 ширины кольца, длиной не более 0,5 окружности кольца;

чернота, не превышающая 10 % площади шлифованной поверхности;

мелкие забоины в соответствии с контрольным образцом, утвержденным предприятием-изготовителем;

незначительные пятна от электрохимического маркирования некоррозионного характера.

(Измененная редакция, Изм. № 1).

2.23.8. На поверхностях качения колец и тел качения подшипников классов точности 8 и 7 допускаются шлифовочные штрихи в пределах, установленных технической документацией, утвержденной в установленном порядке.

2.23.9. Для подшипников классов точности 8 и 7 допускается:

увеличение наибольшей координаты монтажной фаски rsmax в радиальном направлении до 30 %;

комплектация телами качения с увеличенной разноразмерностью: на 150 % при уменьшении диаметра и на 50 % при увеличении диаметра одного из тел качения.

2.23.10. Неоднородность по твердости колец подшипников классов точности 8 и 7 - в пределах поля допуска на твердость.

3. ПРИЕМКА

3.1. Подшипники должны быть подвергнуты контролю на соответствие требованиям настоящего стандарта. Контролируемые параметры и методы контроля при изготовлении подшипников устанавливает изготовитель.

3.2. Изготовитель должен проводить периодические стендовые испытания серийно выпускаемых подшипников стандартных конструкций для подтверждения динамической грузоподъемности на представителях отдельных испытательных групп подшипников. Испытаниям подлежат подшипники с отверстием диаметром от 3 до 130 мм, типы которых указаны в приложении 2.

К одной испытательной группе относят подшипники отдельных конструктивных разновидностей одного типа по ГОСТ 3395, входящие в одну размерную группу по табл. 44.

Таблица 44

Обозначение размерной группы

Диаметр отверстия, мм

1

До 15 включ.

2

Св. 15 » 30 »

3

» 30 » 60 »

4

» 60 » 100 »

5

» 100 » 130 »

3.2.1. В одну испытательную группу допускается включение подшипников разных конструктивных разновидностей, имеющих незначительные отличия, не влияющие на контактную усталость (например, подшипник радиальный шариковый однорядный, подшипник радиальный шариковый однорядный с канавками на наружном кольце, подшипник радиальный шариковый однорядный с упорным бортом и т.д. или подшипник радиальный роликовый однорядный без бортов на внутреннем кольце, подшипник радиальный роликовый однорядный с безбортовым внутренним и плоским упорным выступающим кольцом и т.д., или подшипник радиальный роликовый однорядный с однобортовым внутренним и фасонным упорным кольцом, подшипник радиальный роликовый однорядный с однобортовым внутренним и плоским упорным кольцом и т.д., или подшипник радиальный шариковый однорядный с двусторонним уплотнением, подшипник радиальный шариковый однорядный с двумя уплотнениями с широким внутренним кольцом сферической наружной поверхностью наружного кольца на закрепительной втулке и т.д.).

(Измененная редакция, Изм. № 1).

3.2.2. Результаты проведенных по установленной методике испытаний распространяются на все типоразмеры подшипников, относящиеся к одной испытательной группе.

3.2.3. Периодичность и объем испытаний, средства и методы их проведения регламентируют в технической документации на испытания подшипников, утвержденной в установленном порядке.

3.2.4. Подшипники с отверстием диаметром более 130 мм и не указанные в приложении 2 по согласованию с потребителем могут быть подвергнуты эксплуатационным испытаниям в изделиях потребителей на соответствие назначенному ресурсу.

В случае невозможности проведения эксплуатационных испытаний на соответствие назначенному ресурсу указанные подшипники подвергают испытаниям в лабораторных условиях измерительными методами (метрологическими, металлографическими, виброакустическими и др.) по технической документации на методы контроля и испытаний, утвержденной в установленном порядке.

3.3. На предприятии-изготовителе подшипники должны быть подвергнуты приемочному измерительному контролю.

3.4. Подшипники предъявляют для контроля партиями.

Партия подшипников - некоторое количество подшипников одного типа, размера, исполнения, класса точности, категории, предъявляемое к приемке по одному документу.

3.5. При партии до 8 шт. включительно все подшипники подвергают контролю по тем параметрам, регламентируемым настоящим стандартом, контроль которых не приводит к разрушению подшипника или снижению его работоспособности.

3.6. По техническим параметрам подшипники подвергают статистическому приемочному контролю по альтернативному признаку в соответствии с требованиями ГОСТ 18242 и технической документации на статистический приемочный контроль подшипников, утвержденной в установленном порядке.

3.5, 3.6. (Измененная редакция, Изм. № 1).

3.7. Приемочный уровень дефектности (по числу дефектных подшипников, отнесенному к числу проконтролированных) для подшипников с малозначительными дефектами AQL = 7,5 %, для подшипников со значительными дефектами AQL = 2,5 % по ГОСТ 18242.

Перечень значительных и малозначительных дефектов устанавливают в технической документации на статистический контроль подшипников, утвержденной в установленном порядке.

3.8. Типы планов контроля при объемах партии от 9 до 150 шт. - одноступенчатые, при объемах партии свыше 150 шт. - двухступенчатые по ГОСТ 18242 и технической документации по статистическому контролю подшипников, утвержденной в установленном порядке.

3.9. Твердость проверяют по одноступенчатому плану при уровне контроля S-2 по ГОСТ 18242.

3.10. Объемы выборок, приемочные числа Асi и браковочные числа в зависимости от объемов партии подшипников, вида контроля и приемочного уровня дефектности - по ГОСТ 18242 и технической документации по статистическому контролю подшипников, утвержденной в установленном порядке.

3.11. Правила отбора подшипников при выборочном контроле - по ГОСТ 18321.

3.12. Предприятие-потребитель проводит входной контроль подшипников в соответствии с ГОСТ 24297.

4. МЕТОДЫ КОНТРОЛЯ

4.1. Контроль подшипников проводят при одинаковой температуре деталей подшипников и измерительных средств.

(Измененная редакция, Изм. № 1).

4.2. Твердость и различные дефекты деталей подшипников проверяют в соответствии с технической документацией, утвержденной в установленном порядке.

4.3. Шероховатость поверхностей подшипников контролируют методом сравнения с утвержденным образцом или на приборах для измерения шероховатости.

В случае разногласия решающим является измерение шероховатости поверхности на приборах.

(Измененная редакция, Изм. № 1).

4.4. Остаточную намагниченность подшипников контролируют на торцах наружных и внутренних колец приборами в соответствии с технической документацией, утвержденной в установленном порядке.

4.5. Легкость вращения подшипников контролируют сравнением с контрольным образцом, утвержденным изготовителем.

Момент трения подшипников, для которых он регламентирован, контролируют на приборах по технической документации, утвержденной в установленном порядке.

(Измененная редакция, Изм. № 1).

4.6. Контроль внутренних зазоров подшипников - по технической документации, утвержденной в установленном порядке.

Контроль зазоров и биений подшипников с защитными шайбами и уплотнениями проводят в соответствии с ГОСТ 7242, ГОСТ 8882 и ГОСТ 9592.

4.7. Уровень вибрации подшипников категорий А и В контролируют в трех частотных полосах 50-300, 300-1800 и 1800-10000 Гц по вибрационной скорости наружного невращающегося кольца при вращении внутреннего с частотой 25........ 30 с-1.

По согласованию с потребителем для подшипников категории А и В допускается контроль общего уровня вибрации по вибрационным скорости или ускорению в диапазоне частот от 50 до 10000 Гц, а также контроль в трех частотных полосах по вибрационному ускорению. До 01.01.93 для подшипников категории А и В допускается контроль общего уровня вибрации без согласования с потребителем.

Подготовка подшипников к контролю уровня вибрации (размагничивание, промывка и т.д.) - по технической документации, утвержденной в установленном порядке.

4.8. Ресурс подшипников по герметичности проверяют по технической документации, утвержденной в установленном порядке.

4.9. Приведенные в разделе схемы измерения размерных параметров применимы ко всем типам подшипников, на которые распространяется настоящий стандарт, кроме случаев особо оговоренных в стандарте.

4.10. Наружный диаметр наружных (свободных) колец или собранных подшипников измеряют универсальными измерительными средствами или на приборах по схемам, приведенным на черт. 1 и 2. Допускается базировать наружное (свободное) кольцо на три опоры. При измерении наружного диаметра отдельных колец допускается их базирование на плоскость.

Черт. 1

Черт. 2

Для определения наибольшего и наименьшего единичных наружных диаметров в единичном сечении Ds наружное (свободное) кольцо поворачивают вокруг оси не менее чем на 180° или измеряют наружный диаметр не менее чем в трех примерно равнорасположенных по окружности радиальных направлениях.

4.11. Диаметр отверстия внутренних (тугих) колец или собранных подшипников измеряют универсальными измерительными средствами или на приборах по схемам, приведенным на черт. 3 и 4. Допускается базировать внутреннее (тугое) кольцо на три опоры. При измерении диаметра отверстия отдельных колец допускается их базирование на плоскость.

Черт. 3

Черт. 4

Для определения наибольшего и наименьшего единичных диаметров отверстия в единичном сечении ds внутреннее (тугое) кольцо поворачивают вокруг оси не менее чем на 180° или измеряют диаметр отверстия не менее чем в трех примерно равнорасположенных по окружности радиальных направлениях.

Диаметр отверстия колец подшипников менее 10 мм допускается контролировать предельными калибрами. Размеры калибров назначают, исходя из предельно допустимых отклонений среднего диаметра цилиндрического отверстия.

Отклонение угла (единичного угла) конуса конического отверстия определяется как разность между отклонениями средних (единичных) диаметров конического отверстия, измеренных в крайних сечениях, или измеряют на приборах по схеме, приведенной на черт. 5, при этом настройку прибора проводят по установочной мере конуса конического отверстия. Упор и измерительный наконечник устанавливают на одной образующей конической поверхности в крайних сечениях. Кольцо поворачивают вокруг оси не менее чем на полный оборот или проводят измерение не менее чем в трех примерно равнорасположенных по окружности осевых сечениях. За результат измерения принимают удвоенное среднее арифметическое значение наибольшего и наименьшего показаний измерительного прибора.

4.12. Ширину отдельных колец или колец собранных подшипников измеряют универсальными измерительными средствами или на приборах по схемам, приведенным на черт. 6, 7. При измерении ширины отдельных колец допускается их базирование на плоскость.

Для определения наибольшей и наименьшей единичных ширин Bs, Cs измеряемое кольцо поворачивают вокруг оси на полный оборот или измеряют ширину не менее чем в трех примерно равнорасположенных по окружности осевых сечениях.

4.13. Действительную ширину (монтажную высоту) подшипника Ts измеряют на приборах по схемам, приведенным на черт. 8 и 9.

Черт. 5

Черт. 6

Черт. 7

Черт. 8

Черт. 9

Действительную ширину (монтажную высоту) подшипников с отверстием диаметром свыше 180 мм допускается измерять на приборах по схемам, приведенным на черт. 10 и 11. При этом действительную ширину (монтажную высоту) определяют как среднее арифметическое значение результатов измерений не менее чем в трех примерно равнорасположенных по окружности осевых направлениях.

Черт. 10

Черт. 11

Действительную ширину (монтажную высоту) двух и четырехрядных конических подшипников определяют без дистанционных колец.

4.14. Непостоянство положения образующей наружной цилиндрической поверхности относительно базового торца наружного кольца SD отдельных колец или собранных подшипников измеряют на приборах по схеме, приведенной на черт. 12. Упор и измерительный наконечник устанавливают на одной образующей наружной цилиндрической поверхности в крайних сечениях. Кольцо поворачивают вокруг оси не менее чем на полный оборот. При измерении непостоянства положения образующей наружной цилиндрической поверхности относительно базового торца наружного кольца отдельных колец допускается их базирование на плоскость.

Параметр Sd принимают равным разности наибольшего и наименьшего показаний измерительного прибора.

4.15. Биение базового торца относительно отверстия внутреннего кольца Sd отдельных колец или собранных подшипников измеряют на приборах по схеме, приведенной на черт. 13. Допускается вертикальное расположение оправки. Измерительный наконечник устанавливают на середине торца внутреннего кольца. Кольцо с оправкой поворачивают не менее чем на полный оборот.

Черт 12

Черт. 13

Биение принимают равным разности наибольшего и наименьшего показаний измерительного прибора.

Допускается вместо параметра Sd измерять непостоянство положения образующей отверстия относительно базового торца внутреннего кольца So, на приборах по схеме, приведенной на черт. 14.

Непостоянство положения образующей отверстия относительно базового торца внутреннего кольца So в миллиметрах рассчитывают по формуле:

,

где Sd - допускаемое биение базового торца относительно отверстия внутреннего кольца;

h - расстояние между точками касания упора и измерительного наконечника с поверхностью кольца, мм;

d - номинальный диаметр отверстия кольца, мм;

d2 - номинальный диаметр бортика кольца, мм.

Допускается кольцо базировать на три опоры. Упор и измерительный наконечник устанавливают на одной образующей внутренней цилиндрической поверхности кольца в крайних сечениях. Кольцо поворачивают вокруг оси не менее чем на полный оборот. Непостоянство положения образующей отверстия относительно базового торца внутреннего кольца принимают равным разности наибольшего и наименьшего показаний измерительного прибора.

Черт. 14

Контроль непостоянства положения образующей отверстия относительно базового торца внутреннего кольца So равнозначен контролю биения базового торца относительно отверстия внутреннего кольца Sd.

4.16. Радиальное биение внутреннего кольца шариковых радиальных (кроме сферических) и радиально-упорных и роликовых конических подшипников в сборе Кiа измеряют на приборах по схемам, приведенным на черт. 15, 16, 17. Измерительный наконечник устанавливают в сечении середины дорожки качения.

Внутреннее кольцо или внутреннее кольцо с оправкой поворачивают вокруг оси не менее чем на полный оборот.

Радиальное биение принимают равным алгебраической разности наибольшего и наименьшего показаний измерительного прибора.

Черт. 15

Черт. 16

Черт. 17

4.17. Радиальное биение внутреннего Кiа и наружного Кeа колец шариковых радиальных подшипников измеряют на приборах по схеме, приведенной на черт. 18, роликовых радиальных - по схемам, приведенным на черт. 18, 19, 20, шариковых и роликовых сферических - по схемам, приведенным на черт. 19, 20. Измерительный наконечник и упоры устанавливают в плоскости, проходящей через середину дорожки качения. Измеряемое кольцо поворачивают вокруг оси не менее чем на полный оборот.

Радиальное биение принимают равным алгебраической разности наибольшего и наименьшего показаний измерительного прибора.

Черт. 18

Черт. 19

4.18. Радиальное биение наружного кольца шариковых радиальных (кроме сферических) и радиально-упорных и роликовых конических подшипников в сборе Кеa измеряют на приборах по схемам, приведенным на черт. 15 (кроме радиально-упорных и конических), черт. 21, 22. Измерительный наконечник устанавливают в сечении середины дорожки качения. Наружное кольцо поворачивают вокруг оси не менее чем на полный оборот.

Черт. 20

Черт. 21

Черт. 22

Радиальное биение принимают равным алгебраической разности наибольшего и наименьшего показаний измерительного прибора.

4.19. Разностенность дорожки качения внутреннего кольца относительно отверстия Ki и разностенность дорожки качения наружного кольца относительно наружной поверхности Ке шариковых подшипников измеряют на приборах по схемам, приведенным на черт. 23, 24 (обе схемы равнозначны как для внутренних, так и для наружных колец). Допускается базировать измеряемое кольцо на три опоры по торцу. Упоры и измерительный наконечник устанавливают в плоскости, проходящей через середину дорожки качения. Измеряемое кольцо поворачивают вокруг оси не менее чем на полный оборот.

Черт. 23

Черт. 24

Разностенность дорожки качения принимают равной алгебраической разности наибольшего и наименьшего показаний измерительного прибора.

4.20. Разностенность дорожки качения внутреннего кольца относительно отверстия Ki и разностенность дорожки качения наружного кольца относительно наружной поверхности Kе роликовых подшипников измеряют на приборах по схемам, приведенным на черт. 25, 26 (обе схемы равнозначны как для внутренних, так и для наружных колец). Допускается базировать измеряемое кольцо на три опоры по торцу. Упоры и измерительный наконечник устанавливают в крайних сечениях дорожки качения. Крайнее сечение дорожки качения - радиальное сечение, отстоящее от борта или края поверхности качения (для безбортовых колец) кольца на расстоянии, равном удвоенному значению номинального размера галтеля или координаты фаски кольца. Измеряемое кольцо поворачивают вокруг оси не менее чем на полный оборот.

Разностенность дорожки качения принимают равной алгебраической разности наибольшего и наименьшего показаний измерительного прибора.

Черт. 25

Черт. 26

4.21. Разностенность дорожки качения внутреннего кольца относительно отверстия Кi шариковых и роликовых подшипников допускается измерять на приборах по схеме, приведенной на черт. 27. Допускается вертикальное расположение оправки. Оправку с кольцом поворачивают вокруг оси не менее чем на полный оборот.

Разностенность дорожки качения принимают равной алгебраической разности наибольшего и наименьшего показаний измерительного прибора.

Черт. 27

4.22. Осевое биение внутреннего кольца шариковых и конических роликовых подшипников в сборе Sia измеряют на приборах по схеме, приведенной на черт. 28. Измерительный наконечник устанавливают на середине базового торца внутреннего кольца. Допускается установка груза сверху на противобазовый торец кольца с расположением измерительного наконечника снизу. Внутреннее кольцо поворачивают вокруг оси не менее чем на три оборота. Осевое биение принимают равным алгебраической разности наибольшего и наименьшего показаний измерительного прибора за цикл измерений.

Осевое биение внутреннего кольца указанных подшипников допускается измерять по схеме, приведенной на черт. 29. Измерительный наконечник устанавливают на середине базового торца наружного кольца. Допускается установка груза сверху на противобазовый торец кольца с расположением измерительного наконечника снизу. Оправку вместе с внутренним кольцом поворачивают вокруг оси не менее чем на три оборота. Алгебраическая разность наибольшего и наименьшего показаний измерительного прибора за цикл измерений не должна превышать установленное настоящим стандартом предельное значение осевого биения, умноженное на коэффициент 1,67.

Черт. 28

Черт. 29

4.23. Осевое биение наружного кольца шариковых и конических роликовых подшипников в сборе Sea измеряют на приборах по схемам, приведенным на черт. 29 и 30. Измерительный наконечник устанавливают на середине базового торца наружного кольца. Для подшипников с узким торцом допускается установка груза сверху на противобазовый торец кольца с расположением измерительного наконечника снизу. Наружное кольцо поворачивают вокруг оси не менее чем на три оборота.

Черт. 30

Осевое биение принимают равным алгебраической разности наибольшего и наименьшего показаний измерительного прибора за цикл измерения.

4.7-4.23. (Измененная редакция, Изм. № 1).

4.24. Отклонение от параллельности дорожки качения внутреннего и наружного колец относительно базового торца шариковых подшипников Si, Se измеряют на приборах по схемам, приведенным на черт. 31, 32. Допускается базировать измеряемое кольцо на плоскость.

Черт. 31

Черт. 32

Отклонение от параллельности дорожки качения внутреннего и наружного колец относительно базового торца шариковых подшипников Si, Se допускается измерять на приборах по схемам, приведенным на черт. 33, 34. Кольцо базируют по дорожке качения на трех опорах. Измерительный наконечник устанавливают на середине базового торца кольца.

Кольцо поворачивают вокруг оси не менее чем на полный оборот.

Отклонение от параллельности дорожки качения внутреннего и наружного колец принимают равным алгебраической разности наибольшего и наименьшего показаний измерительного прибора.

Черт. 33

Черт. 34

4.2.5. Конусообразность и радиальное биение оправок, применяемых при измерении подшипников, не должны превышать значений, указанных в табл. 45.

Таблица 45

Размеры, мкм

Номинальный диаметр оправки, мм

Допускаемое биение оправки по всей длине

Конусообразность на длине 100 мм

Класс точности подшипников

0,6X

6

5

4

До 3 включ.

2,0

1,5

1,0

0,7

8±1

От 3 » 30 »

2,0

1,3

0,7

0,5

8±1

Св. 30 » 50 »

2,0

1,5

1,0

0,7

10±1

» 50 » 80 »

3,0

2,0

1,5

1,0

13±1

» 80

4,0

2,5

1,5

1,0

15±1

4.26. Измерение радиальных и осевых биений внутренних и наружных колец собранных подшипников проводят как без нагрузок, так и с нагрузками. Значение нагрузки устанавливается изготовителем и должно обеспечивать получение стабильных результатов измерений с требуемой точностью. Рекомендуемые нагрузки указаны в табл. 46.

Таблица 46

Номинальный диаметр отверстия d, мм

Нагрузка, Н

Тип подшипника

шариковым радиальный

шариковый радиально-упорный

От 10 до 30 включ.

5

40

Св. 30 » 50 »

10

80

» 50 » 80 »

15

120

» 80 » 120 »

30

150

» 120 » 180 »

60

200

4.27. Разностенность дорожки качения тугого (свободного) кольца упорных подшипников Si(Se) измеряют на приборах по схемам, приведенным на черт. 35 - для свободных колец, на черт. 36 - для тугих колец двойного упорного подшипника, а черт. 37 - для тугих колец одинарного подшипника.

Черт. 35

Черт. 36

Измерительный наконечник устанавливают на середине дорожки качения в одной осевой плоскости над одной из опор. Кольцо поворачивают вокруг оси не менее чем на полный оборот.

Разностенность дорожки качения принимают равной алгебраической разности наибольшего и наименьшего показаний измерительного прибора.

Черт. 37

4.24-4.27. (Введены дополнительно, Изм. № 1).

5. МАРКИРОВКА, УПАКОВКА, ТРАНСПОРТИРОВАНИЕ И ХРАНЕНИЕ

5.1. На подшипниках должна быть маркировка их условного обозначения в соответствии с ГОСТ 3189 и условного обозначения предприятия-изготовителя.

В условном обозначении подшипников класса точности 6Х проставляют знак X.

Допускается уточнение условных обозначений подшипников путем исправления отдельных знаков маркировки.

Например: АВ IM5 - 1000900, ВО-205, ВА5-205.

Допускается обозначение категорий А и В проставлять на наружной цилиндрической поверхности отдельно от условного обозначения подшипника. При этом для подшипников класса точности 0 знак 0 не маркируют.

Знаки, характеризующие дополнительные требования категорий А и В, указывают только на коробке или бандероли и в товаросопроводительной документации в соответствии с техническими условиями на подшипники категорий А и В.

Кроме маркировки, предусмотренной настоящим стандартом, на подшипниках допускается нанесение знаков, условно обозначающих отдельные технические требования.

Подшипники, направляемые на экспорт, должны содержать дополнительную маркировку «USSR».

5.2. Маркировку в зависимости от применяемого технологического процесса наносят на любые поверхности подшипника, кроме поверхностей качения.

Маркировку условного обозначения предприятия-изготовителя и типоразмера подшипника с торцовой площадкой шириной менее 2 мм наносят на упаковочные коробки или на наружную цилиндрическую поверхность.

Маркировку классов точности, категории, отдельных технических требований и надпись «USSR» подшипников с торцовой площадкой шириной менее 2 мм наносят на упаковочные коробки и (или) в сопроводительной документации.

Надпись «USSR» для подшипников с защитными шайбами и уплотнениями наносят на упаковочные коробки.

5.3. Разъемные шариковые подшипники с невзаимозаменяемыми кольцами должны иметь маркировку, исключающую возможность перепутывания колец подшипников.

Разъемные шариковые и роликовые подшипники, кроме шариковых подшипников с отверстием диаметром менее или равным 10 мм с невзаимозаменяемыми кольцами, должны иметь маркировку условного обозначения подшипника на каждом кольце. Допускается нанесение маркировки на одном из колец, при этом должна быть исключена возможность перепутывания колец.

Упорные шариковые подшипники с отверстием диаметром менее или равным 10 мм и упорные шариковые подшипники классов точности 4 и 2 не маркируют. Допускается маркировку обозначения упорных шариковых подшипников с отверстием диаметром более 10 мм класса точности 0 наносить на одном из колец.

5.4. При применении одних и тех же колец для подшипников разных типоразмеров на этих кольцах допускается наносить следующую маркировку:

для шариковых подшипников - условное обозначение подшипников через тире.

Пример:

Наружное кольцо общее для шариковых радиальных подшипников типов 25 и 34 маркируется: 25-34,

для роликовых подшипников - условное обозначение типа основного подшипника.

Пример:

Внутреннее кольцо роликового подшипника 7510 с коническими роликами применяется в двухрядном подшипнике 97510 и однорядном с бортом на наружном кольце 67510. В этом случае на внутреннем кольце наносится условное обозначение 7510.

Двухбортовое наружное кольцо роликового подшипника с цилиндрическими роликами применяют в подшипниках типов 32210, 42210, 52210 и др. В этом случае на наружное кольцо наносят условное обозначение 32210.

Полную маркировку, характеризующую конструктивную особенность подшипника, наносят на одно из спаренных колец.

Для подшипников с односторонним уплотнением или защитной шайбой допускается применение уплотнения или защитных шайб с маркировкой от аналогичных подшипников с двумя уплотнениями или защитными шайбами. При этом маркировку типа подшипника наносят на наружном кольце или в товаросопроводительной документации.

5.3, 5.4. (Измененная редакция, Изм. № 1).

5.5. Маркирование проводят любым способом, не вызывающим коррозии подшипников.

При маркировании собранных подшипников электрографическим способом электрический ток не должен проходить через тела качения.

5.6. Знаки, нанесенные на подшипниках или упаковочных коробках, должны быть выполнены четко и разборчиво.

5.7. Консервацию и упаковывание подшипников для защиты от коррозии проводят в соответствии с технической документацией изготовителя на консервацию и упаковку подшипников, утвержденной в установленном порядке. Сроки хранения определяются способом консервации и упаковки.

В технически обоснованных случаях способ консервации должен быть согласован между предприятием-изготовителем и потребителем.

5.8. Подшипники на предприятии-потребителе должны быть извлечены из транспортной тары и храниться только в упаковке предприятия-изготовителя в закрытом, отапливаемом, вентилируемом помещении при температуре (20±5) °С, относительной влажности воздуха не более 60 % и, по возможности, на торцах.

В технически обоснованных случаях правила и сроки хранения должны быть согласованы между предприятием-изготовителем и потребителем.

5.9. Подшипники с наружным диаметром до 300 мм массой до 8 кг классов точности 5, 4, 2 и Т должны быть упакованы в коробки.

Приборные подшипники с наружным диаметром до 30 мм всех классов точности упаковывают в коробки. При этом подшипники классов точности 6, 5, 4, 2 и Т предварительно упаковывают в пластмассовые пробирки или полиэтиленовые пакеты.

Допускается по заказу потребителя упаковывание подшипников другим способом, обеспечивающим защиту подшипников от коррозии.

5.7-5.9. (Измененная редакция, Изм. № 1).

5.10. Коробки после укладки в них подшипников могут быть оклеены бандеролью.

Подшипники в первичной упаковке или коробки с подшипниками для транспортирования упаковывают в ящики по ГОСТ 16148 и ГОСТ 2991.

Подшипники массой свыше 8 кг или диаметром свыше 300 мм упаковывают в ящики без коробки.

Ящики должны быть выстланы внутри битумной бумагой по ГОСТ 515 или полимерной пленкой по ГОСТ 16272, ГОСТ 10354 или другими материалами (бумага, пленка и т.п.), обеспечивающими сохранность подшипников.

5.11. Допускается применять другие виды транспортной тары, обеспечивающие сохранность подшипников, внутренней упаковки, не допускающие попадания внутрь капельно-жидкой влаги и не выделяющие коррозионно-активных веществ.

5.12. Допускается перевозка подшипников массовым потребителям в многооборотной таре, железнодорожных, автомобильных и речных контейнерах, в крытых железнодорожных вагонах в первичной упаковке (без упаковывания в ящиках). При вагонной отгрузке подшипники должны быть пакетированы.

5.13. При укладке подшипников в ящик или контейнер пустоты между коробками с подшипниками и стенками ящика должны быть заполнены вспомогательными материалами, не вызывающими коррозию и повреждение подшипников.

5.12, 5.13. (Измененная редакция, Изм. № 1).

5.14. В каждый ящик или контейнер (при упаковывании подшипников без ящиков) должен быть вложен сопроводительный документ (паспорт).

5.15. Коробки или бандероли, сопроводительный документ (паспорт), вкладываемый в ящик, должны иметь надписи:

наименование или товарный знак предприятия-изготовителя;

условное обозначение подшипников;

категорию подшипников и знаки дополнительных технических требований (при наличии);

число подшипников;

дату консервации подшипников (месяц, год);

обозначение настоящего стандарта или технических условий по п. 2.20.

Примечание. Категорию подшипников не указывают для подшипников, не отнесенных к категориям А, В, С.

5.16. Транспортную тару следует маркировать в соответствии с требованиями ГОСТ 14192. Маркировку наносят на ярлык или непосредственно на ящик.

Дополнительно под основными надписями должно быть нанесено:

наименование изделия;

условное обозначение подшипников;

категория подшипников (при наличии);

обозначение настоящего стандарта или технических условий по п. 2.20;

число подшипников;

манипуляционные знаки по ГОСТ 14192: «Осторожно, хрупкое», «Боится сырости».

Допускается дополнительные информационные надписи при длине грузового места до 0,5 м включительно наносить шрифтом высотой знаков до 15 мм.

5.17. Транспортирование подшипников должно проводиться только в закрытых транспортных средствах (вагонах, автомашинах, трюмах, самолетах).

Крупногабаритные подшипники допускается транспортировать на открытых транспортных средствах при условии дополнительной защиты ящиков от попадания атмосферных осадков.

Допускается перевозить подшипники в ящиках, пакетированных и уложенных по определенной схеме на поддоне или без него, обтянутых металлической лентой или другим материалом, обеспечивающим неизменность форм пакета и сохранность подшипников при транспортировании.

(Измененная редакция, Изм. № 1).

6. УКАЗАНИЯ ПО ПРИМЕНЕНИЮ И ЭКСПЛУАТАЦИИ

6.1. Применение и эксплуатация должны осуществляться в строгом соответствии с назначением и эксплуатационными показателями данного конструктивного исполнения, размера, категории и класса точности подшипников.

6.2. В изделиях при применении и эксплуатации подшипников без встроенных уплотнений должны быть приняты необходимые меры для защиты подшипника от попадания в него посторонних частиц, от возникновения коррозии на деталях подшипников и для своевременного пополнения предусмотренным смазочным материалом.

(Измененная редакция, Изм. № 1).

6.3. Технические требования к посадочным поверхностям под подшипники - по ГОСТ 3325 или стандартам на подшипники без одного или обоих колец, содержащим указанные требования. Технические требования к посадочным поверхностям под подшипники классов точности 7 и 8 - по техническим условиям на подшипники категории С.

6.4. Расконсервацию подшипников проводят в соответствии с технической документацией изготовителя на хранение, расконсервацию подшипников и обращение с ними, утвержденной в установленном порядке.

7. ГАРАНТИИ ИЗГОТОВИТЕЛЯ

7.1. Изготовитель гарантирует соответствие подшипников требованиям настоящего стандарта при соблюдении условий хранения и транспортирования.

(Измененная редакция, Изм. № 1).

7.2. Гарантийный срок эксплуатации подшипников в изделиях, кроме опытных изделий, равен гарантийному сроку эксплуатации изделий, подтвержденному эксплуатационными (натурными) испытаниями и истекает одновременно с истечением гарантийного срока эксплуатации на это изделие при соблюдении условий монтажа, правил применения и эксплуатации.

7.3. Гарантийный срок хранения подшипников - не менее 12 мес., а подшипников, упакованных в полиэтиленовую пленку, - не менее 24 мес. с даты консервации (месяц, год) при соблюдении условий транспортирования и хранения, установленных настоящим стандартом.

ПРИЛОЖЕНИЕ 1

Справочное

ТЕРМИНЫ И ОБОЗНАЧЕНИЯ, ПРИМЕНЯЕМЫЕ В НАСТОЯЩЕМ СТАНДАРТЕ, И ИХ ПОЯСНЕНИЯ

Таблица 47

Термин и его обозначение

Пояснение

1. Базовый типоразмер подшипника

Типоразмер подшипника, имеющий наиболее широко применяемую внутреннюю конструкцию и основное условное обозначение в соответствии с ГОСТ 3189 (например 205, 176105, 60205)

2. Модификация базового типоразмера подшипника

Типоразмер подшипника, имеющий тип, конструктивную разновидность и габаритные размеры соответствующего базового типоразмера, но отличающийся особенностями внутренней конструкции сепаратора и др. и определяемый в условном обозначении дополнительными буквами или дополнительными буквами и цифрами (например 205К, 1000802Л, 218К5)

3. Открытый подшипник качения

Подшипник качения без уплотнений и защитных шайб

4. Закрытый подшипник качения

Подшипник качения с одним или двумя уплотнениями, с одной или двумя защитными шайбами или одним уплотнением и одной защитной шайбой

5. Подшипник качения для приборов.

Приборный подшипник

Подшипник качения, по конструкции или исполнению предназначенный для применения в приборах

6. Сдвоенный подшипник качения

Два подшипника качения, смонтированных рядом на одном валу таким образом, что они работают как один подшипник

7. Комплектный подшипник качения

Один из подшипников, входящих в состав сдвоенного подшипника или в комплект с большим числом подшипников

8. Составная часть подшипника

Кольцо подшипника с телами качения или без них или с сепаратором и телами качения, которые могут быть свободно отделены от подшипника, либо блок тел качения с сепаратором в сборе, который свободно может быть отделен от подшипника

9. Монтажная поверхность

Поверхность отверстия внутреннего тугого кольца, наружная поверхность наружного свободного кольца, поверхность базового торца

10. Базовый торец

Торец кольца, по отношению к которому задается допуск положения или определяется отклонение положения. У колец радиально-упорных подшипников, имеющих торцы неодинаковой ширины, базовым торцом является широкий торец. У колец упорных подшипников - опорный торец, у колец радиальных подшипников - торец, свободный от маркировки. В случае отсутствия маркировки на кольцах, имеющих торцы равной ширины, базовым торцом считаются оба торца

11. Упорный борт на наружном кольце

Борт на наружной поверхности наружного кольца подшипника, предназначенный для осевой фиксации подшипника в корпусе и для восприятия осевой нагрузки

12. Опорный торец упорного борта

Поверхность упорного борта наружного кольца, воспринимающая осевую нагрузку

13. Диаметр отверстия подшипника

Диаметр отверстия внутреннего тугого кольца подшипника, представляющий собой диаметр цилиндра, вписанного в теоретическую поверхность цилиндрического отверстия, или диаметр конуса в определенной радиальной плоскости, вписанного в теоретическую поверхность конического отверстия

14. Наружный диаметр подшипника

Наружный диаметр наружного свободного кольца подшипника, представляющий собой диаметр цилиндра, описанного вокруг теоретической наружной цилиндрической поверхности

15. Крайнее сечение кольца

Сечение радиальной плоскостью, ограничивающее нормируемый участок и расположенное от торца кольца на расстоянии, равном 2rnom или 1,2rsmax в осевом направлении для фасок с максимальным размером менее 1 мм - на расстоянии, равном 1,5rsmax

16. Поминальный диаметр отверстия наружный диаметр d (D)

Диаметр отверстия наружный диаметр, относительно которого определяют предельные размеры и который служит началом отсчета отклонений

17. Единичный диаметр отверстия наружный диаметр ds (Ds)

Расстояние между двумя параллельными линиями, касательными к линии пересечения действительной поверхности отверстия наружной поверхности радиальной плоскостью

18. Отклонение единичного диаметра отверстия наружного диаметра Dds (DDs).

Примечание. Для конического отверстия относится к диаметру со стороны широкого торца

Алгебраическая разность между единичным и номинальным диаметрами отверстия (наружными диаметрами)

Dds = ds - d (DDs = Ds - D)

19. Средний диаметр отверстия (наружный диаметр в единичном сечении dmp (Dmp)

Среднее арифметическое значение наибольшего и наименьшего единичных диаметров отверстия наружных диаметров в одном и том же единичном сечении

20. Отклонение среднего диаметра отверстия (наружного диаметра) в единичном сечении Ddmp (DDmp)

Примечание. Для конического отверстия относится к диаметру со стороны широкого торца

Алгебраическая разность между средним диаметром отверстия наружным диаметром в единичном сечении и номинальным диаметром отверстия (наружным диаметром)

Ddmp = dmp - d

(DDmp = Dmp - D)

21. Номинальный больший диаметр конического отверстия d1

Больший диаметр конического отверстия, относительно которого определяют предельные размеры и который служит началом отсчета отклонений

22. Единичный диаметр большего диаметра конического отверстия d1s

Расстояние между двумя параллельными линиями, касательными к линии пересечения действительной поверхности большего диаметра конического отверстия радиальной плоскостью

23. Отклонение единичного диаметра большего диаметра конического отверстия Ddis

Алгебраическая разность между единичным и номинальным диаметрами большего диаметра конического отверстия

Ddis = dis - d

24. Средний диаметр большего диаметра конического отверстия в единичном сечении dimp

Среднее арифметическое значение наибольшего и наименьшего единичных диаметров большего диаметра конического отверстия в крайнем сечении

25. Отклонение среднего диаметра большего диаметра конического отверстия в единичном сечении Ddimp

Алгебраическая разность между средним диаметром в единичном сечении и номинальным диаметром большего диаметра конического отверстия

Ddimp = dimp - d1

26. Отклонение угла единичного угла конуса конического отверстия Da (черт. 38)

Разность между отклонениями средних единичных диаметров конического отверстия, измеренных в крайних сечениях

Da = Ddimp - Ddmp

(Da = Ddis - Dds)

Черт. 38

27. Номинальный диаметр отверстия тугого кольца двойного упорного подшипника d2

Диаметр отверстия тугого кольца двойного упорного подшипника, относительно которого определяют предельные размеры и который служит началом отсчета отклонений

28. Средний диаметр отверстия тугого кольца двойного упорного подшипника в единичном сечении d2mp

Среднее арифметическое значение наибольшего и наименьшего единичных диаметров отверстия тугого кольца двойного упорного подшипника в одном и том же единичном сечении

29. Отклонение среднего диаметра отверстия тугого кольца двойного упорного подшипника в единичном сечении Dd2mp

Алгебраическая разность между средним диаметром и единичном сечении и номинальным диаметром отверстия тугого кольца двойного упорного подшипника

Dd2mp = d2mp - d2

30. Непостоянство диаметра отверстия наружного диаметра в единичном сечении Vdp (VDp)

Разность между наибольшим и наименьшим единичными диаметрами отверстия наружными диаметрами в единичном сечении

31. Непостоянство диаметра отверстия тугого кольца двойного упорного подшипника в единичном сечении Vd2p

Разность между наибольшим и наименьшим единичными диаметрами отверстия тугого кольца двойного упорного подшипника в единичном сечении

32. Непостоянство среднего диаметра отверстия (наружного диаметра)

Vdmp (VDmp)

Разность между наибольшим и наименьшим средними диаметрами отверстия наружного диаметра в единичных сечениях.

Примечание. Частным случаем непостоянства среднего диаметра отверстия наружного диаметра является конусообразность, определяемая как разность между наибольшим и наименьшим средними диаметрами отверстия наружными диаметрами в крайних сечениях

33. Номинальная ширина внутреннего наружного кольца В (С)

Размер ширины кольца, относительно которого определяются предельные размеры и который служит началом отсчета отклонений

34. Единичная ширина внутреннего (наружного) кольца Bs (Сs)

Расстояние между точками пересечения торцов внутреннего (наружного) кольца подшипника с прямой, перпендикулярной к плоскости, касательной к базовому торцу кольца

35. Отклонение единичной ширины внутреннего (наружного) кольца DBs (DCs)

Алгебраическая разность между единичной и номинальной ширинами кольца

DBs = Bs - B (DCs = Cs - C)

36. Непостоянство ширины внутреннего (наружного) кольца VBs VCs

Разность между наибольшей и наименьшей единичными ширинами отдельного внутреннего наружного кольца

VBs = Bsmax - BSmin

(VCs = Csmax - Csmin)

37. Номинальная ширина упорного борта наружного кольца С1

Размер ширины упорного борта наружного кольца, относительно которого определяются предельные размеры и который служит началом отсчета отклонений

38. Единичная ширина упорного борта наружного кольца С1

Расстояние между точками пересечения торцов упорного борта наружного кольца с прямой, перпендикулярной к плоскости, касательной к опорному торцу упорного борта

39. Отклонение единичной ширины упорного борта наружного кольца DCis

Алгебраическая разность между единичной и номинальной ширинами упорного борта наружного кольца

DCis = Cis - C1

40. Непостоянство ширины упорного борта наружного кольца VCis

Разность между наибольшей и наименьшей единичными ширинами упорного борта отдельного наружного кольца

VCis = Cismax - Cismin

41. Номинальная ширина (монтажная высота) подшипника В, С (Т)

Размер ширины монтажной высоты подшипника, относительно которого определяются предельные размеры и который служит началом отсчета отклонений.

Примечания:

1. Символ В применяется, когда номинальная ширина подшипника является расстоянием между торцами внутреннего кольца или когда ширины внутреннего и наружного колец подшипника одинаковы и их теоретические торцы лежат в одной плоскости; символ С применяется, когда ширина подшипника является расстоянием между торцами наружного кольца когда символ В не применяется; символ Т применяется, когда номинальная ширина подшипника является расстоянием между одним торцом внутреннего кольца и противоположным торцом наружного кольца.

2. Для обозначения монтажной высоты применяется символ Т

42. Действительная ширина (монтажная высота) подшипника Ts

Расстояние между точками пересечения оси подшипника с двумя плоскостям и касательными к действительным базовым торцам колец, ограничивающим ширину подшипника, когда один торец внутреннего кольца и один торец наружного кольца установлены для ограничения ширины подшипника.

Примечание. Монтажная высота конического однорядного роликового подшипника определяется при условии наличия контакта дорожек качения наружного и внутреннего колец и упорного бортика широкого торца внутреннего кольца со всеми роликами

43. Отклонение действительной ширины (монтажной высоты) подшипника DTs

Алгебраическая разность между действительной и номинальной ширинами (монтажными высотами) подшипника

DТs = Ts - T

44. Номинальная монтажная высота роликового конического подшипника при контроле с образцовыми составными частями подшипника T1, T2 черт. 39

Размер монтажной высоты подшипника с образцовыми составными частями, относительно которого определяются предельные размеры и который служит началом отсчета отклонений

Черт. 39

45. Действительная монтажная высота роликового конического подшипника с образцовым наружным кольцом Tis

См. определение к термину 42

46. Отклонение действительной монтажной высоты роликового конического подшипника с образцовым наружным кольцом ΔTis

Алгебраическая разность между действительной и номинальной монтажными высотами конического подшипника с образцовым наружным кольцом

DTis = Tis - T1

47. Действительная монтажная высота роликового конического подшипника с образцовым блоком (внутренним кольцом с роликами и сепаратором в сборе) Т2s

См. определение к термину 42

48. Отклонение действительной монтажной высоты роликового конического подшипника с образцовым блоком внутренним кольцом с роликами и сепаратором в сборе DT2s

Алгебраическая разность между действительной и номинальной монтажными высотами конического подшипника с образцовым блоком (внутренним кольцом с роликами и сепаратором в сборе)

DT2s = T2s - T2

49. Радиальное биение внутреннего кольца подшипника в сборе (радиальный и радиально-упорный подшипник) Kia

Разность между наибольшим и наименьшим расстоянием к радиальном направлении от неподвижной точки на наружной цилиндрической поверхности подшипника до поверхности отверстия при вращении внутреннего кольца. В направлении указанной неподвижной точки тела качения должны быть в контакте с дорожками качения колец, a у конического подшипника и с опорным торцом бортика широкого торца внутреннего кольца

50. Радиальное биение наружного кольца подшипника в сборе радиальный и радиально-упорный подшипник Kea

Разность между наибольшим и наименьшим расстояниями в радиальном направлении от неподвижной точки на поверхности отверстия внутреннего кольца до наружной цилиндрической поверхности подшипника при вращении наружного кольца. В направлении указанной неподвижной точки тела качения должны быть в контакте с дорожками качения колец, а у конического подшипника и с опорным торцом бортика широкого торца внутреннего кольца

51. Осевое биение внутреннего кольца шарикового радиального (радиально-упорного) подшипника в сборе (шариковый подшипник с желобом) Sia

Разность между наибольшим и наименьшим расстояниями в осевом направлении от базового торца внутреннего кольца до точки неподвижно связанной с наружным кольцом, на расстоянии в радиальном направлении от оси подшипника, равном половине диаметра дорожки качения внутреннего кольца при вращении внутреннего кольца. Дорожки качения наружного и внутреннего колец должны быть в контакте со всеми шариками

52. Осевое биение внутреннего кольца роликового конического подшипника в сборе Sia

Разность между наибольшим и наименьшим расстояниями в осевом направлении от широкого торца внутреннего кольца до точки, неподвижно связанной с наружным кольцом, на расстоянии в радиальном направлении от оси подшипника, равном половине диаметра дорожки качения внутреннего кольца при вращении внутреннего кольца. Дорожки качения наружного и внутреннего колец и опорный торец бортика широкого торца внутреннего кольца должны быть в контакте со всеми роликами

53. Осевое биение наружного кольца шарикового радиального (радиально-упорного) подшипника в сборе (шариковый подшипник с желобом) Sea

Разность между наибольшим и наименьшим расстояниями в осевом направлении от базового торца наружного кольца до точки неподвижно связанной с внутренним кольцом, на расстоянии в радиальном направлении от оси подшипника, равном половине диаметра дорожки качения наружного кольца при вращении наружного кольца. Дорожки качения наружного и внутреннего колец должны быть в контакте со всеми шариками

54. Осевое биение наружного кольца роликового конического подшипника в сборе Sea

Разность между наибольшим и наименьшим расстояниями в осевом направлении от широкого торца наружного кольца до точки, неподвижно связанной с внутренним кольцом, на расстоянии в радиальном направлении от оси подшипника, равном половине диаметра дорожки качения наружного кольца при вращении наружного кольца. Дорожки качения наружного и внутреннего колец и опорный торец бортика широкого торца внутреннего кольца должны быть в контакте со всеми роликами

55. Осевое биение опорного торца упорного борта наружного кольца подшипника в сборе относительно дорожки качения (шариковый подшипник с желобом) Sea1

Разность между наибольшим и наименьшим расстояниями в осевом направлении от опорного торца упорного борта наружного кольца до точки, неподвижно связанной с внутренним кольцом, на расстоянии в радиальном направлении от оси наружного кольца, равном половине среднего диаметра опорного торца упорного борта, при вращении наружного кольца. Дорожки качения наружного и внутреннего колец должны находиться в контакте со всеми шариками

56. Биение базового торца относительно отверстия внутреннего кольца Sd

Разность между наибольшим и наименьшим расстояниями в осевом направлении от базового торца до радиальной плоскости, перпендикулярной оси кольца, на расстоянии от оси в радиальном направлении, равном половине диаметра дорожки качения внутреннего кольца

57. Непостоянство положения образующей отверстия относительно базового торца внутреннего кольца So

Общее изменение относительного положения в радиальном направлении, параллельном плоскости, касательной к базовому торцу внутреннего кольца, точек, расположенных на одной и той же образующей внутренней цилиндрической поверхности, ограниченной крайними сечениями

58. Отклонение от параллельности дорожки качения внутреннего (наружного) кольца относительно базового торца (шариковый подшипник с желобом) Si (Se)

Разность между наибольшим и наименьшим расстояниями в осевом направлении от точек реального профиля середины дорожки качения до плоскости, касательной к базовому торцу кольца

59. Отклонение от параллельности дорожки качения наружного кольца с упорным бортом относительно опорного торца упорного борта (шариковый подшипник с желобом) Se1

Разность между наибольшим и наименьшим расстояниями в осевом направлении от точек реального профиля середины дорожки качения до плоскости, касательной к опорному торцу упорного борта наружного кольца

60. Разностенность дорожки качения тугого (свободного) кольца упорного подшипника Si (Se)

Разность между наибольшим и наименьшим расстояниями в осевом направлении от середины дорожки качения до опорного торца кольца

61. Непостоянство положения образующей наружной цилиндрической поверхности относительно базового торца наружного кольца Sp

Общее изменение относительного положения в радиальном направлении, параллельном плоскости, касательной к базовому торцу наружного кольца, точек, расположенных на одной и той же образующей наружной цилиндрической поверхности, ограниченной крайними сечениями

62. Непостоянство положения образующей наружной цилиндрической поверхности наружного кольца с упорным бортом относительно опорного торца упорного борта (шариковый подшипник с желобом) SD1

Общее изменение относительного положения в радиальном направлении, параллельном плоскости, касательной к опорному торцу упорного борта наружного кольца, точек, расположенных на одной и той же образующей наружной цилиндрической поверхности, ограниченной крайними сечениями

63. Разностенность дорожки качения внутреннего кольца относительно отверстия (радиальный и радиально-упорный подшипник) К1

Разность между наибольшим и наименьшим расстояниями в радиальном направлении от середины дорожки качения до поверхности отверстия внутреннего кольца

64. Разностенность дорожки качения наружного кольца относительно наружной поверхности (радиальный и радиально-упорный подшипник) Ке

Разность между наибольшим и наименьшим расстояниями в радиальном направлении от середины дорожки качения до наружной поверхности наружного кольца

ПРИЛОЖЕНИЕ 2

Справочное

ТИПЫ ПОДШИПНИКОВ, ПОДЛЕЖАЩИХ СТЕНДОВЫМ ИСПЫТАНИЯМ

(кроме подшипников бессепараторных, одноколечных и бесколечных)

1. Шариковые радиальные однорядные.

2. Шариковые радиальные сферические двухрядные.

3. Роликовые радиальные с короткими цилиндрическими роликами.

4. Роликовые радиальные сферические двухрядные.

5. Роликовые радиальные с игольчатыми роликами (с 01.01.93).

6. Шариковые радиально-упорные однорядные.

7. Роликовые конические однорядные.

8. Шариковые упорные.

ПРИЛОЖЕНИЯ 1, 2. (Измененная редакция, Изм. № 1).

ИНФОРМАЦИОННЫЕ ДАННЫЕ

1. РАЗРАБОТАН И ВНЕСЕН Межотраслевой рабочей группой при Госстандарте СССР

РАЗРАБОТЧИКИ

В.Я. Кремянский, канд. техн. наук (руководитель темы); В.А. Лапенко; Л.Е. Лунина; Е.И. Завадская; О.В. Винокуров; Г.А. Крумецадик; Э.И. Королева; А.И. Муйжнек; В.В. Мурашкин; П.Г. Ткаченко; А.М. Фигатнер, канд. техн. наук; В.Я. Ханин

УТВЕРЖДЕН И ВВЕДЕН В ДЕЙСТВИЕ Постановлением Государственного комитета СССР по стандартам от 21.03.89 № 571

2. Срок первой проверки IV квартал 1993 г.

Периодичность проверки 5 лет

3. Стандарт полностью соответствует СТ СЭВ 774 - 85

Стандарт соответствует стандарту ИСО 492-86, ИСО 199-79

4. ВЗАМЕН ГОСТ 520-71

5. ССЫЛОЧНЫЕ НОРМАТИВНО ТЕХНИЧЕСКИЕ ДОКУМЕНТЫ

Обозначение НТД, на который дана ссылка

Номер пункта

Обозначение НТД, на который дана ссылка

Номер пункта

ГОСТ 515-77

5.10

ГОСТ 13014-80

2.21

ГОСТ 2789-73

2.7

ГОСТ 13510-93

2.23.5

ГОСТ 2491-85

5.10

ГОСТ 14192-77

5.16

ГОСТ 3189-89

5.1

ГОСТ 16148-79

5.10

ГОСТ 3325-85

6.3

ГОСТ 16272-79

5.10

ГОСТ 3395-89

3.2

ГОСТ 18242-72

3.6; 3.7; 3.8; 3.9, 3.10

ГОСТ 3478-79

Разд. 1; 2.8; 2.9

ГОСТ 3722-81

2.19

ГОСТ 18321-73

3.11

ГОСТ 6870-81

2.19

ГОСТ 22696-77

2.19

ГОСТ 7242-81

2.17; 1.6

ГОСТ 24208-80

2.21

ГОСТ 8328-75

2.8

ГОСТ 24297-87

3.12

ГОСТ 8530-90

2.21

ГОСТ 24810-81

2.10

ГОСТ 8882-75

2.17; 4.6

ГОСТ 25255-82

2.19

ГОСТ 9592-75

2.17; 4.6

ГОСТ 25347-82

2.8

ГОСТ 10354-82

5.10

ГОСТ 25455-82

2.21

6. ПЕРЕИЗДАНИЕ (май 1995 г.) с Изменением № 1, утвержденным в декабре 1991 г. (ИУС 3-92)

СОДЕРЖАНИЕ0

1. Размеры.. 1

2. Технические требования. 1

3. Приемка. 23

4. Методы контроля. 24

5. Маркировка, упаковка, транспортирование и хранение. 37

6. Указания по применению и эксплуатации. 39

7. Гарантии изготовителя. 39

Приложение 1 Термины и обозначения, применяемые в настоящем стандарте, и их пояснения. 40

Приложение 2 Типы подшипников, подлежащих стендовым испытаниям.. 44

 

2008-2013. ГОСТы, СНиПы, СанПиНы - Нормативные документы - стандарты.