ГОСТ 9557-87
МЕЖГОСУДАРСТВЕННЫЙ СТАНДАРТ
ПОДДОН ПЛОСКИЙ ДЕРЕВЯННЫЙ
РАЗМЕРОМ 800 × 1200 мм
ТЕХНИЧЕСКИЕ УСЛОВИЯ
Москва
МЕЖГОСУДАРСТВЕННЫЙ СТАНДАРТ
|
ПОДДОН ПЛОСКИЙ ДЕРЕВЯННЫЙ Технические условия Rat timber pallet with dimensions 800 × 1200
mm. |
ГОСТ
|
Дата введения 01.01.88
Настоящий стандарт распространяется на плоский четырехзаходный деревянный поддон типа 2ПО4 размером 800 × 1200 мм многократного применения (далее - поддон), предназначенный для формирования транспортных пакетов и осуществления механизированных погрузочно-разгрузочных, транспортных и складских операций на железнодорожном, автомобильном и водном транспорте.
(Измененная редакция, Изм. № 1).
1.1. Основные параметры поддона должны быть следующими:
масса брутто, кг.......................................... 1000
собственная масса, кг, не более................ 40
материалоемкость, м3................................ 0,046
1.2. Конструкция и размеры поддона и его деревянных деталей должны соответствовать указанным на черт. 1 и в табл. 1.
Таблица 1
Размеры, мм
|
Ширина |
Длина |
Толщина |
|
|
Доска настила: крайняя средняя |
|
|
|
|
промежуточная Доска основания: крайняя |
100 ± 3,0 |
||
|
средняя |
|
||
|
Поперечная доска |
|
|
|
|
Шашка: малая |
100 ± 3,0 |
|
|
|
большая |
|
|
|
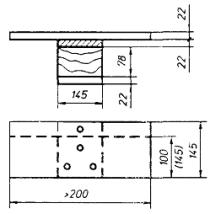
Поддон плоский деревянный размером 800 × 1200 мм
1 - доска настила (крайняя); 2 - доска настила (промежуточная); 3 - доска настила (средняя); 4 - доска поперечная; 5 - малая шашка; 6 - доска основания (крайняя); 7 - доска основания (средняя); 8 - большая шашка; 9 - винтовые гвозди диаметром 4,5 мм и длиной 90 мм; 10 - винтовые гвозди диаметром 3,5 мм и длиной 60 мм
Черт. 1
(Измененная редакция, Изм. № 1).
1.3. Предельные отклонения размеров, не указанные на чертеже, не должны быть более ± 2 мм.
Конструкция поддона должна соответствовать требованиям ГОСТ 9078 и быть рассчитана на выдерживание без остаточных деформаций рабочих нагрузок, значения и характеристики которых приведены в табл. 2.
Таблица 2
|
Характер нагрузки на поддон |
Доля площади настила, занятой грузом, от общей площади настила |
Максимально допустимая масса груза, укладываемого на поддон, кг |
Пример груза |
|
|
Складирование, перегрузка, перевозка |
Сосредоточенная |
Менее 0,3 |
600 |
Электродвигатель |
|
|
От 0,3 до 0,85 |
1000 |
Один крупногабаритный ящик |
|
|
Складирование, перегрузка, перевозка |
Равномерно распределенная |
Более 0,85 |
1000 |
Мешки |
|
» 0,85 |
1250 |
Нескрепленные ящики |
||
|
» 0,85 |
1350 |
Скрепленные ящики |
||
|
» 0,85 |
1500 |
Твердые монолитные плиты, листы |
||
|
Только складирование на ровной горизонтальной площадке |
Равномерно распределенная |
Более 0,85 |
От 5000 до 5500 |
Штабелирование пакетов груза в 4 яруса |
2.2. Деревянные детали поддонов должны быть изготовлены из пиломатериалов хвойных пород (пихты, ели, сосны, лиственницы) и пиломатериалов лиственных пород (ольхи, березы, тополя, дуба, ясеня, бука, вяза, акации, клена, платана, каштана).
Примечания:
1. У хвойных пород и тополя ширина годичных колец, измеренная на 10 кольцах, не должна превышать 7 мм.
2. Изготовление поперечных досок из тополя не допускается.
2.3.2. Сучки диаметром до 10 мм не учитывают. Допускаются сросшиеся сучки.
Диаметр одного сучка не должен превышать 1/4 ширины доски на поперечных досках и 1/3 ширины доски - на остальных досках.
На каждом отрезке доски, соответствующем по длине ширине доски, сумма диаметров всех сучков не должна превышать 1/3 ширины доски на поперечных досках и 1/2 ширины доски - на остальных досках.
2.1-2.3.2. (Измененная редакция, Изм. № 1).
2.3.5. Наклон волокон древесины допускается не более 5 % на досках и 20 % на шашках.
(Измененная редакция. Изм. № 1).
2.3.6. (Исключен, Изм. № 1).
2.3.7. Влажность древесины при приемке поддонов - по ГОСТ 9078.
(Измененная редакция, Изм. № 1).
В древесине хвойных и лиственных пород допускаются грибные заболонные окраски, не являющиеся результатом плохих условий сушки или хранения.
(Измененная редакция, Изм. № 1).
2.3.10. Допускается сердцевина не более чем в трех из девяти шашек поддона.
2.3.11. Отверстия от выпадающих при обработке досок несросшихся гнилых и табачных сучков, превышающих размеры допустимых, должны быть заделаны пробками из древесины той же породы, что и доски, с применением водостойкого клея.
2.4. Доски должны быть цельными.
2.5. Шашки должны быть изготовлены из целого куска древесины или одного куска древесной прессовочной массы по ГОСТ 11368.
Волокна в шашках должны быть расположены вдоль поддона.
2.7. Параметр шероховатости поверхностей поддона - по ГОСТ 9078.
2.8. Поддон (см. черт. 1) изготовляют соединением продольных досок настила с поперечными досками, последующим соединением настила из верхних продольных и поперечных досок, а также досок основания с шашками. Продольные доски настила соединяют с поперечными досками винтовыми четырехходовыми гвоздями (приложение А) диаметром 3,5 мм и длиной 60 мм при длине навинтованной части не менее 75 %. Допускается для соединения досок использовать гвозди К 2,5 × 60 по ГОСТ 4028.
Гвозди должны быть забиты со стороны продольных досок, концы должны быть подогнуты и полностью утоплены в древесину на нижней стороне поперечных досок поперек волокон. Крайние доски настила с каждой поперечной доской соединяют не менее чем одним гвоздем, промежуточную доску с каждой поперечной доской - не менее чем тремя гвоздями.
Настил из верхних продольных и поперечных досок, а также доски основания соединяют с шашками фосфатированными или оксидированными винтовыми четырехходовыми гвоздями диаметром 4,5 мм и длиной 90 мм при длине навинтованной части не менее 75 %. Каждая шашка должна быть соединена как с настилом, так и с досками основания не менее чем тремя гвоздями.
При сборке поддонов крепежные элементы следует устанавливать вертикально на расстоянии не менее 25 мм от торцов и кромок доски. Гвозди следует располагать в шахматном порядке.
Расстояние между гвоздями должно быть не менее 1/3 ширины доски.
Головки забитых гвоздей должны быть утоплены в древесину на 1 - 1,5 мм.
Шашки и доски из твердых пород древесины предварительно надсверливают. Диаметр отверстия должен быть на 1 мм меньше диаметра детали крепления. Глубина отверстия должна составлять 70 % длины детали крепления.
2.9. Предельно допустимые отклонения при сборке поддонов - по приложению Б. Не допускаются сколы, сквозные зазоры, несквозные зазоры более 0,5 мм.
2.6 - 2.9. (Измененная редакция, Изм. № 1).
2.10. Значение наработки на отказ должно быть не менее 300 операций.
2.11. Маркировка поддона - по ГОСТ 9078. На поддонах, поставляемых по железным дорогам Российской Федерации, на крайних левых шашках обеих продольных сторон должен быть выжжен знак RZD.
2.12. Допускается выполнять маркировку тиснением с последующей окраской. Тиснение должно быть глубиной не менее 0,3 мм, краска должна быть от коричневой до черной, водонерастворимой и не теряющей цвета на свету.
2.11, 2.12. (Измененная редакция, Изм. № 1).
При организации производства опытные образцы поддонов должны проходить предварительные и приемочные испытания, а при внесении изменений в конструкцию, технологию изготовления или замене материалов - типовые. Приемочные и типовые испытания следует проводить не менее чем с двумя образцами. В состав приемочных и типовых испытаний следует включать статические и ударные испытания по ГОСТ 9078, проверку соединений на отрыв и наработку на отказ. Предварительные испытания следует осуществлять в объеме, предусмотренном при приемо-сдаточных испытаниях.
3.2. Число поддонов, подвергаемых приемо-сдаточным испытаниям, зависящее от размера партии, должно соответствовать указанному в табл. 3.
Партию, превышающую 10000 поддонов, подразделяют на более мелкие партии.
Поддоны отбирают произвольно до начала их испытаний из партии в целом.
Таблица 3
шт.
|
Число поддонов, подвергаемых приемосдаточным испытаниям |
Предельно допустимое суммарное число отклонений у всех испытуемых поддонов от нормируемых параметров и показателей качества |
|||
|
критических |
основных |
второстепенных |
||
|
Менее 150 |
8 |
0 |
5 |
10 |
|
От 151 до 280 |
13 |
0 |
7 |
14 |
|
» 281 » 500 |
20 |
0 |
10 |
21 |
|
» 501 » 1200 |
32 |
0 |
14 |
30 |
|
» 1201 » 3200 |
50 |
0 |
21 |
44 |
|
» 3201 » 10000 |
80 |
0 |
30 |
70 |
3.3. При приемосдаточных испытаниях проводят осмотр и измерение поддонов с выявлением и подсчетом отклонений от нормируемых параметров поддона и показателей качества древесины и изготовления поддона.
Отклонения подразделяют на критические, т.е. отрицательно влияющие на безопасность или исключающие возможность использования поддона, основные, т.е. значительно снижающие срок службы поддонов или возможности его использования, и второстепенные, т.е. незначительно влияющие на возможность применения поддона. Перечень параметров и показателей качества древесины и изготовления поддона, несоблюдение которых считается критическим, основным или второстепенным отклонением, приведен в приложении Б.
При осмотре и измерении испытуемых поддонов отклонения каждого вида учитывают отдельно.
3.4. Партию считают выдержавшей приемо-сдаточные испытания, если суммарное число отклонении каждого вида не превышает предельно допустимого числа, приведенного в табл. 3. При превышении предельно допустимого числа отклонений хотя бы одного вида всю партию бракуют.
При согласии заказчика партия может быть представлена к повторным приемо-сдаточным испытаниям, если до их начала все дефектные поддоны выбракованы. Выбракованные поддоны после ремонта и устранения дефектов могут быть представлены к приемке в составе новой партии.
3.5. Каждая партия поддонов должна сопровождаться документом по ГОСТ 9078.
3.1-3.5. (Измененная редакция, Изм. № 1).
3.6. Периодическим испытаниям подвергают один раз в год четыре поддона из числа прошедших приемо-сдаточные испытания. При периодических испытаниях проверяют прочность поддонов сбрасыванием их на угол, прочность соединений поддона на отрыв и наработку на отказ.
(Введен дополнительно, Изм. № 1).
4.1. Контроль размеров, влажности и шероховатости поверхностей поддонов, а также проверка их прочности сбрасыванием на угол - по ГОСТ 9078.
4.2. Прочность соединений поддона на отрыв следует проверять с применением испытательной установки, принципиальная схема которой приведена в приложении В.
Испытанию подвергают по 20 образцов каждого из трех видов соединений. Образцы, схемы которых приведены в приложении Г, следует вырезать из готовых поддонов или изготовлять в виде отдельных узлов на тех же станках и с применением тех же материалов, что в серийных поддонах. Деревянные детали должны быть без сучков, трещин и к моменту испытания иметь влажность не более 22 %.
Среднее значение усилия отрыва и 75 % всех измеренных усилий должны быть не менее следующих величин в соединениях:
промежуточная доска настила - поперечная доска - 3,0 кН;
доска настила - поперечная доска - шашка - 5,5 кН;
доска основания - шашка - 5,5 кН.
4.3. Наработку на отказ проверяют испытанием поддона с контрольным равномерно распределенным грузом массой 1,25 т путем захвата поддона вилочным электропогрузчиком, подъема на высоту 0,3 м, опускания на горизонтальную площадку и высвобождения вил электропогрузчика. Для повторения цикла испытаний порожний электропогрузчик отъезжает на расстояние 1 - 1,5 м.
Испытания проводят вводом вил погрузчика по ширине поддона 150 раз с одной стороны и 150 раз - с другой.
Поддон считают выведенным из строя при раскалывании или изломе хотя бы одной доски или расстройстве узлов соединения с отходом одной детали от другой более чем на 2 мм.
Разд. 4. (Измененная редакция, Изм. № 1).
Транспортирование и хранение поддонов следует осуществлять в соответствии с ГОСТ 9078.
Разд. 5. (Измененная редакция, Изм. № 1).
Указания по эксплуатации поддонов и гарантии изготовителя - по ГОСТ 9078.
Разд. 6. (Измененная редакция, Изм. № 1).
Разд. 7. (Исключен, Изм. № 1).
Справочное

Черт. 2
Размеры, мм
|
d1 |
d2 |
d3 |
L |
S |
h |
Теоретическая масса 1000 шт. гвоздей, кг |
|
4,5 + 0,3 |
3,8 ± 0,3 |
8 ± 1 |
90 ± 4 |
90 ± 10 |
1,7 ± 0,3 |
9,0 |
|
3,5 ± 0,3 |
2,8 ± 0,3 |
7 ±1 |
60 ± 3 |
60 ± 10 |
1,2 ± 0,3 |
3,25 |
Обязательное
а) критическими
|
Проверяемые размеры поддона и пороки древесины в поперечных досках |
Допустимые значения |
Номер пункта |
|
Длина поддона, мм |
1200 |
- |
|
Ширина поддона, мм |
800 |
- |
|
Толщина поперечной доски, мм |
22+3 |
|
|
Сучки в поперечных досках |
Не допускаются |
|
|
Обзол на поперечных досках |
Не допускается |
|
|
Диаметр отдельных сучков в поперечных досках, не более |
1/4 ширины доски |
|
|
Сумма диаметров сучков в поперечных досках на отрезке, равном ширине доски, не более |
1/3 ширины доски |
б) основными
|
Проверяемые размеры, пороки древесины и показатели качества изготовления поддона |
Допустимые значения |
Номер пункта |
|
Длина поддона, мм |
1200+3 |
|
|
Ширина поддона, мм |
800+3 |
|
|
Высота вилочного проема, мм |
100+3 |
|
|
Расстояние от бокового края поддона до средней шашки, мм |
327,5 |
|
|
Расстояние от торцового края поддона до средней шашки, мм |
527 |
|
|
Ширина поперечной доски, мм |
145 |
|
|
Толщина любой доски, кроме поперечной, мм |
22+3 |
|
|
Гниль |
Не допускается |
|
|
Прорость |
Не допускается |
|
|
Влажность древесины |
26 % |
|
|
Сучки на всех досках, кроме поперечных |
Не допускаются |
|
|
Диаметр отдельных сучков на всех досках, кроме поперечных, не более |
1/2 ширины доски |
|
|
Сумма диаметров сучков на отрезке, равном ширине проверяемой доски (кроме поперечной), не более |
2/3 ширины доски |
|
|
Трещины в досках, появившиеся в процессе производства |
Не допускаются |
|
|
Фаски на кромках всех досок основания в местах ввода вил и по углам поддона |
Их наличие |
|
|
Поверхность фасок |
Строганая или фрезерованная |
|
|
Размер |
В вилочном проеме 10 × 45°, по углам поддона 15 × 45° |
|
|
Число забитых гвоздей в соединениях: крайняя доска настила - поперечная доска |
1 |
|
|
промежуточная доска настила - поперечная доска |
3 |
|
|
доска настила - поперечная доска - шашка |
3 |
|
|
доска основания - шашка |
3 |
|
|
Число криво забитых гвоздей |
0 |
|
|
Полнота маркировки |
Отсутствие одного знака |
в) второстепенными
|
Проверяемые размеры, пороки древесины и показатели качества изготовления поддона |
Допустимые значения |
Номер пункта |
|
Расстояние от края поддона до промежуточной доски, мм |
186 |
|
|
Длина доски настила и основания, мм |
1200+3 |
|
|
Длина поперечной доски, мм |
800+3 |
|
|
Ширина доски, мм |
145 |
|
|
Ширина доски, мм |
100 ± 3 |
|
|
Длина шашки, мм |
145 |
|
|
Ширина шашки, мм |
145 |
|
|
Ширина шашки, мм |
100 ± 3 |
|
|
Высота шашки, мм |
78+1 |
|
|
Влажность древесины |
От 22 % до 26 % |
|
|
Тупой обзол в поперечном направлении на досках, кроме поперечной, не более, мм |
15 |
|
|
Диаметр отдельных сучков на всех досках, кроме поперечных |
От 1/3 до 1/2 ширины доски |
|
|
Сумма диаметров сучков на отрезке, равном ширине проверяемой доски (кроме поперечной) |
От 1/2 до 2/3 ширины доски |
. |
|
Глубокая трещина в доске (не при сборке): |
|
|
|
число |
1 |
|
|
длина, не более |
Ширины доски |
|
|
Изменение окраски |
Допускаются грибные заболонные не в результате сушки или хранения древесины |
|
|
Кармашки на наружных пластах досок |
Не допускаются |
|
|
Кармашки на остальных поверхностях длиной, не более, мм |
50 |
|
|
Наклон волокон: |
|
|
|
в доске |
5 % |
|
|
в шашке |
20 % |
|
|
Червоточины в шашке из тополя: число |
1 |
|
|
диаметр, не более, мм |
10 |
|
|
в доске из тополя: |
|
|
|
число |
2 |
|
|
диаметр, не более, мм |
10 |
|
|
глубина, не более, мм |
5 |
|
|
Червоточины в деталях из всех пород дерева, кроме тополя |
Не допускаются |
|
|
Внутренняя заболонь в досках из древесины лиственных пород, не более |
1/4 ширины |
|
|
Сердцевина: |
|
|
|
в шашках |
В трех из девяти |
|
|
в досках |
Не допускается |
|
|
Обработка досок |
Цельные |
|
|
Обработка и расположение шашек |
Из одного куска древесины или древесной массы по ГОСТ 11368, волокнами вдоль поддона |
|
|
Расстояние от забитого гвоздя до края доски или шашки, не менее, мм |
25 |
|
|
Заглубление головок забитых гвоздей, мм |
1 - 1,5 |
Примечание. При приемо-сдаточных испытаниях подсчитывается число дефектов (отклонений от указанных допустимых значений параметров), имеющих место в каждом из отобранных для испытаний поддонов (а не число поддонов с отклонениями), затем эти числа дефектов суммируются по каждому виду отклонений (критических, основных, второстепенных) и по табл. 3 определяется пригодность партии поддонов к сдаче.
Рекомендуемое

1 - скоба, зажимающая шашку; 2 - скоба, нажимающая на доску; 3 - прибор, измеряющий усилие, направленное на отрыв шашки от доски
Черт. 3
Обязательное
|
Вид соединения - |
Схемы образцов |
|
|
вырезаемых из поддонов |
изготовленных отдельно |
|
|
Доска настила - поперечная доска |
|
|
|
Доска настила - поперечная доска - шашка |
|
|
|
Доска основания - шашка |
|
|
ПРИЛОЖЕНИЯ А-Г. (Введены дополнительно, Изм. № 1).
ИНФОРМАЦИОННЫЕ ДАННЫЕ
1. РАЗРАБОТАН И ВНЕСЕН Министерством путей сообщения РАЗРАБОТЧИКИ
М.В. Романенко, канд. техн. наук (руководитель темы); Н.М. Макеева; А.С. Юдина
2. УТВЕРЖДЕН И ВВЕДЕН В ДЕЙСТВИЕ Постановлением Государственного комитета СССР по стандартам от 23.04.87 № 1362
Изменение № 1 принято Межгосударственным Советом по стандартизации, метрологии и сертификации (протокол № 6 от 21.10.94)
За принятие проголосовали:
|
Наименование государства |
Наименование национального органа по стандартизации |
|
Азербайджанская Республика |
Азгосстандарт |
|
Республика Армения |
Армгосстандарт |
|
Республика Беларусь |
Госстандарт Беларуси |
|
Грузия |
Грузстандарт |
|
Республика Казахстан |
Госстандарт Республики Казахстан |
|
Киргизская Республика |
Киргизстандарт |
|
Республика Молдова |
Молдовастандарт |
|
Российская Федерация |
Госстандарт России |
|
Республика Узбекистан |
Узгосстандарт |
|
Украина |
Госстандарт Украины |
3. Стандарт соответствует ИСО/Р-445 (ИСО ТК/122) в части типоразмера поддона и требований к древесине
4. ВЗАМЕН ГОСТ 9557-73
5. ССЫЛОЧНЫЕ НОРМАТИВНО-ТЕХНИЧЕСКИЕ ДОКУМЕНТЫ
|
Обозначение НТД, на который дана ссылка |
Номер пункта, приложение |
6. Ограничение срока действия снято Постановлением Госстандарта от 24.08.92 № 1013
7. ПЕРЕИЗДАНИЕ (январь 1999 г.) с Изменением № 1, принятым в феврале 1996 г. (ИУС 4-96)
СОДЕРЖАНИЕ