
ГОСУДАРСТВЕННЫЙ СТАНДАРТ СОЮЗА ССР
БОЛТЫ С ШЕСТИГРАННОЙ ГОЛОВКОЙ
КЛАССА ТОЧНОСТИ С
Конструкция и размеры
ГОСТ 15589-70
(СТ СЭВ 4729-84)
ГОСУДАРСТВЕННЫЙ СТАНДАРТ СОЮЗА ССР
|
БОЛТЫ С ШЕСТИГРАННОЙ ГОЛОВКОЙ КЛАССА ТОЧНОСТИ С Конструкция и размеры Hexagon bolts product grade С. Construction and dimensions |
ГОСТ (СТ СЭВ 4729-84) |
Дата введения 01.01.72
1. Настоящий стандарт распространяется на болты с шестигранной головкой класса точности С с диаметром резьбы от 6 до 48 мм.
Стандарт полностью соответствует СТ СЭВ 4729-84.
(Измененная редакция, Изм. № 4, 5).
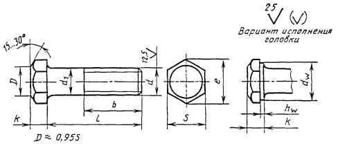
2. Конструкция и размеры болтов должны соответствовать указанным на чертеже и в табл. 1, 2.
(Измененная редакция, Изм. № 2-6).
3. Резьба - по ГОСТ 24705. Сбег и недорез резьбы - по ГОСТ 27148. Концы болтов - по ГОСТ 12414.
(Измененная редакция, Изм. № 5).
3а. Радиус под головкой - по ГОСТ 24670.
3в. Допустимые дефекты болтов и методы контроля - по ГОСТ 1759.2.
3а.-3в. (Введены дополнительно, Изм. № 4).
4. Вариант исполнения головки устанавливает изготовитель.
5. Технические требования - по ГОСТ 1759.0.
Механические свойства болтов должны соответствовать классам прочности 3.6, 4.6, 4.8, 5.6 и 5.8 по ГОСТ 1759.4.
Болты поставляют без покрытия.
(Измененная редакция, Изм. № 5, 6).
5а. Допускается изготавливать болты с диаметром гладкой части стержня d1, приблизительно равным среднему диаметру резьбы.
(Введен дополнительно, Изм. № 3).
5б. Допускается для нанесения знаков маркировки изготавливать болты исполнений 1 и 2 с лункой на торцевой поверхности головки с размерами, не снижающими прочность головки, при этом глубина лунки должна быть не более 0,4k.
(Введен дополнительно, Изм. № 5).
6. (Исключен, Изм. № 2).
7. Масса болтов указана в приложении 1.
8. (Исключен, Изм. № 4).
Исполнение 1

Исполнение 2

Исполнение 3

Исполнение 4

Таблица 1
мм
|
6 |
8 |
10 |
12 |
(14) |
16 |
(18) |
20 |
(22) |
24 |
(27) |
30 |
36 |
42 |
48 |
|||||
|
Шаг резьбы |
1 |
1,25 |
1,5 |
1,75 |
2 |
2,5 |
3 |
3,5 |
4 |
4,5 |
5 |
|
|||||||
|
Диаметр стержня d1 |
6 |
8 |
10 |
12 |
14 |
16 |
18 |
20 |
22 |
24 |
27 |
30 |
36 |
42 |
48 |
|
|||
|
Размер "под ключ" S |
10 |
13 |
16 |
18 |
21 |
24 |
27 |
30 |
34 |
36 |
41 |
46 |
55 |
65 |
75 |
|
|||
|
Высота головки k |
4,0 |
3,3 |
6,4 |
7,5 |
8,8 |
10,0 |
12,0 |
12,5 |
14,0 |
15,0 |
17,0 |
18,7 |
22,5 |
26,0 |
30,0 |
|
|||
|
Диаметр описанной окружности е, не менее |
10,9 |
14,2 |
17,6 |
19,9 |
22,8 |
26,2 |
29,6 |
33,0 |
37,3 |
39,6 |
45,2 |
50,9 |
60,8 |
71,3 |
82,6 |
|
|||
|
dН, не менее |
8,7 |
11,5 |
14,5 |
16,5 |
19,2 |
22,0 |
24,8 |
27,7 |
31,4 |
33,2 |
38,0 |
42,7 |
51,1 |
59,9 |
69,4 |
|
|||
|
hН |
не менее |
0,15 |
0,20 |
0,25 |
|
||||||||||||||
|
не более |
0,6 |
0,8 |
|
||||||||||||||||
|
Диаметр отверстия в стержне d3 |
1,6 |
2,0 |
2,5 |
3,2 |
4,0 |
5,0 |
6,3 |
8,0 |
|
||||||||||
|
Диаметр отверстия в головке d4 Н15 |
2,0 |
2,5 |
3,2 |
4,0 |
5,0 |
|
|||||||||||||
|
Расстояние от опорной поверхности до оси отверстия в головке l2 js15 |
2,0 |
2,8 |
3,5 |
4,0 |
4,5 |
5,0 |
6,0 |
6,5 |
7,0 |
7,5 |
8,5 |
9,5 |
11,5 |
13,0 |
15,0 |
|
|||
|
|||||||||||||||||||
Примечания:
1. Размеры болтов, заключенные в скобки, применять не рекомендуется.
2. Допускается изготавливать болты с размерами, указанными в приложении 2.
Таблица 2
мм
|
Длина резьбы l и расстояние от опорной поверхности головки до оси отверстия в стержне l1 при номинальном диаметре резьбы d (знаком ´ отмечены болты с резьбой по всей длине стержня) |
||||||||||||||||||||||||||||||
|
6 |
8 |
10 |
12 |
(14) |
16 |
18 |
20 |
(22) |
24 |
(27) |
30 |
36 |
42 |
48 |
||||||||||||||||
|
l1 |
b |
l1 |
b |
l1 |
b |
l1 |
b |
l1 |
b |
l1 |
b |
l1 |
b |
l1 |
b |
l1 |
b |
l1 |
b |
l1 |
b |
l1 |
b |
l1 |
b |
l1 |
b |
l1 |
b |
|
|
8 |
- |
´ |
- |
´ |
- |
- |
- |
- |
- |
- |
- |
- |
- |
- |
- |
- |
- |
- |
- |
- |
- |
- |
- |
- |
- |
- |
- |
- |
- |
- |
|
10 |
- |
´ |
- |
´ |
- |
´ |
- |
- |
- |
- |
- |
- |
- |
- |
- |
- |
- |
- |
- |
- |
- |
- |
- |
- |
- |
- |
- |
- |
- |
- |
|
12 |
- |
´ |
- |
´ |
- |
´ |
- |
- |
- |
- |
- |
- |
- |
- |
- |
- |
- |
- |
- |
- |
- |
- |
- |
- |
- |
- |
- |
- |
- |
- |
|
14 |
10 |
´ |
- |
´ |
- |
´ |
- |
´ |
- |
- |
- |
- |
- |
- |
- |
- |
- |
- |
- |
- |
- |
- |
- |
- |
- |
- |
- |
- |
- |
- |
|
16 |
12 |
´ |
12 |
´ |
- |
´ |
- |
´ |
- |
´ |
- |
- |
- |
- |
- |
- |
- |
- |
- |
- |
- |
- |
- |
- |
- |
- |
- |
- |
- |
- |
|
(18) |
14 |
´ |
14 |
´ |
14 |
´ |
- |
´ |
- |
´ |
- |
´ |
- |
- |
- |
- |
- |
- |
- |
- |
- |
- |
- |
- |
- |
- |
- |
- |
- |
- |
|
20 |
16 |
´ |
16 |
´ |
16 |
´ |
15 |
´ |
- |
´ |
- |
´ |
- |
´ |
- |
- |
- |
- |
- |
- |
- |
- |
- |
- |
- |
- |
- |
- |
- |
- |
|
(22) |
18 |
18 |
18 |
´ |
18 |
´ |
17 |
´ |
17 |
´ |
- |
´ |
- |
´ |
- |
- |
- |
- |
- |
- |
- |
- |
- |
- |
- |
- |
- |
- |
- |
- |
|
25 |
21 |
18 |
21 |
´ |
21 |
´ |
20 |
´ |
20 |
´ |
19 |
´ |
- |
´ |
- |
´ |
- |
- |
- |
- |
- |
- |
- |
- |
- |
- |
- |
- |
- |
- |
|
(28) |
24 |
18 |
24 |
22 |
24 |
´ |
23 |
´ |
23 |
´ |
22 |
´ |
22 |
´ |
- |
´ |
- |
´ |
- |
- |
- |
- |
- |
- |
- |
- |
- |
- |
- |
- |
|
30 |
26 |
18 |
26 |
22 |
26 |
´ |
25 |
´ |
25 |
´ |
24 |
´ |
24 |
´ |
24 |
´ |
- |
´ |
- |
- |
- |
- |
- |
- |
- |
- |
- |
- |
- |
- |
|
(32) |
28 |
18 |
28 |
22 |
28 |
26 |
27 |
´ |
27 |
´ |
26 |
´ |
26 |
´ |
26 |
´ |
25 |
´ |
- |
´ |
- |
- |
- |
- |
- |
- |
- |
- |
- |
- |
|
35 |
31 |
18 |
31 |
22 |
31 |
26 |
30 |
30 |
30 |
´ |
29 |
´ |
29 |
´ |
29 |
´ |
28 |
´ |
28 |
´ |
- |
´ |
- |
- |
- |
- |
- |
- |
- |
- |
|
(38) |
34 |
18 |
34 |
22 |
34 |
26 |
33 |
30 |
33 |
´ |
32 |
´ |
32 |
´ |
32 |
´ |
31 |
´ |
31 |
´ |
- |
´ |
- |
- |
- |
- |
- |
- |
- |
- |
|
40 |
36 |
18 |
36 |
22 |
36 |
26 |
35 |
30 |
35 |
34 |
34 |
´ |
34 |
´ |
34 |
´ |
33 |
´ |
33 |
´ |
32 |
´ |
- |
´ |
- |
- |
- |
- |
- |
- |
|
45 |
41 |
18 |
41 |
22 |
41 |
26 |
40 |
30 |
40 |
34 |
39 |
38 |
39 |
´ |
39 |
´ |
38 |
´ |
38 |
´ |
37 |
´ |
36 |
´ |
- |
- |
- |
- |
- |
- |
|
50 |
46 |
18 |
46 |
22 |
46 |
26 |
45 |
30 |
45 |
34 |
44 |
38 |
44 |
42 |
44 |
´ |
43 |
´ |
43 |
´ |
42 |
´ |
41 |
´ |
40 |
´ |
- |
- |
- |
- |
|
55 |
51 |
18 |
51 |
22 |
51 |
26 |
50 |
30 |
50 |
34 |
49 |
38 |
49 |
42 |
49 |
46 |
48 |
´ |
48 |
´ |
47 |
´ |
46 |
´ |
45 |
´ |
- |
´ |
- |
- |
|
60 |
56 |
18 |
56 |
22 |
56 |
26 |
55 |
30 |
55 |
34 |
54 |
38 |
54 |
42 |
54 |
46 |
53 |
50 |
33 |
´ |
52 |
´ |
51 |
´ |
50 |
´ |
48 |
´ |
- |
- |
|
65 |
61 |
18 |
61 |
22 |
61 |
26 |
60 |
30 |
60 |
34 |
59 |
38 |
59 |
42 |
59 |
46 |
58 |
50 |
58 |
54 |
57 |
´ |
56 |
´ |
55 |
´ |
33 |
´ |
- |
´ |
|
70 |
66 |
18 |
66 |
22 |
66 |
26 |
65 |
30 |
65 |
34 |
64 |
38 |
64 |
42 |
64 |
46 |
63 |
50 |
63 |
54 |
62 |
60 |
61 |
´ |
60 |
´ |
58 |
´ |
58 |
´ |
|
75 |
71 |
18 |
71 |
22 |
71 |
26 |
70 |
30 |
70 |
34 |
69 |
38 |
69 |
42 |
69 |
46 |
68 |
50 |
68 |
54 |
67 |
60 |
66 |
66 |
65 |
´ |
63 |
´ |
63 |
´ |
|
80 |
76 |
18 |
76 |
22 |
76 |
26 |
75 |
30 |
75 |
34 |
74 |
38 |
74 |
42 |
74 |
46 |
73 |
50 |
73 |
54 |
72 |
60 |
71 |
66 |
70 |
´ |
68 |
´ |
68 |
´ |
|
(85) |
81 |
18 |
81 |
22 |
81 |
26 |
80 |
30 |
80 |
34 |
79 |
38 |
79 |
42 |
79 |
46 |
78 |
50 |
78 |
54 |
77 |
60 |
76 |
66 |
73 |
´ |
73 |
´ |
73 |
´ |
|
90 |
86 |
18 |
86 |
22 |
86 |
26 |
85 |
30 |
85 |
34 |
84 |
38 |
84 |
42 |
84 |
46 |
83 |
50 |
83 |
54 |
82 |
60 |
81 |
66 |
80 |
78 |
78 |
´ |
78 |
´ |
|
(95) |
- |
- |
91 |
22 |
91 |
26 |
90 |
30 |
90 |
34 |
89 |
38 |
89 |
42 |
89 |
46 |
88 |
50 |
88 |
54 |
87 |
60 |
86 |
66 |
85 |
78 |
83 |
´ |
83 |
´ |
|
100 |
- |
- |
96 |
22 |
96 |
26 |
95 |
30 |
95 |
34 |
94 |
38 |
94 |
42 |
94 |
46 |
93 |
50 |
93 |
54 |
92 |
60 |
91 |
66 |
90 |
78 |
88 |
´ |
88 |
´ |
|
(105) |
- |
- |
- |
- |
101 |
26 |
100 |
30 |
100 |
34 |
99 |
38 |
99 |
42 |
99 |
46 |
98 |
50 |
98 |
54 |
97 |
60 |
96 |
66 |
95 |
78 |
93 |
90 |
93 |
´ |
|
110 |
- |
- |
- |
- |
106 |
26 |
105 |
30 |
105 |
34 |
104 |
38 |
104 |
42 |
104 |
46 |
103 |
50 |
103 |
54 |
102 |
60 |
101 |
66 |
100 |
78 |
98 |
90 |
98 |
´ |
|
(115) |
- |
- |
- |
- |
111 |
26 |
110 |
30 |
110 |
34 |
109 |
38 |
109 |
42 |
109 |
46 |
108 |
50 |
108 |
54 |
107 |
60 |
106 |
66 |
105 |
78 |
103 |
90 |
103 |
102 |
|
120 |
- |
- |
- |
- |
116 |
26 |
115 |
30 |
115 |
34 |
114 |
38 |
114 |
42 |
114 |
46 |
113 |
50 |
113 |
54 |
112 |
60 |
111 |
66 |
110 |
78 |
108 |
90 |
108 |
102 |
|
(125) |
- |
- |
- |
- |
121 |
26 |
120 |
30 |
120 |
34 |
119 |
38 |
119 |
42 |
119 |
46 |
118 |
50 |
118 |
54 |
117 |
60 |
116 |
66 |
115 |
78 |
113 |
90 |
113 |
102 |
|
130 |
- |
- |
- |
- |
126 |
32 |
125 |
36 |
125 |
40 |
124 |
44 |
124 |
48 |
124 |
52 |
123 |
56 |
123 |
60 |
122 |
66 |
121 |
72 |
120 |
84 |
118 |
96 |
118 |
108 |
|
140 |
- |
- |
- |
- |
136 |
32 |
135 |
36 |
135 |
40 |
134 |
44 |
134 |
48 |
134 |
52 |
133 |
56 |
133 |
60 |
132 |
66 |
131 |
72 |
130 |
84 |
128 |
96 |
128 |
108 |
|
150 |
- |
- |
- |
- |
146 |
32 |
145 |
36 |
145 |
40 |
144 |
44 |
144 |
48 |
144 |
52 |
143 |
56 |
143 |
60 |
142 |
66 |
141 |
72 |
140 |
84 |
138 |
96 |
138 |
108 |
|
160 |
- |
- |
- |
- |
156 |
32 |
155 |
36 |
155 |
40 |
154 |
44 |
154 |
48 |
154 |
52 |
153 |
56 |
153 |
60 |
152 |
66 |
151 |
72 |
150 |
84 |
148 |
96 |
148 |
108 |
|
170 |
- |
- |
- |
- |
166 |
32 |
165 |
36 |
165 |
40 |
164 |
44 |
164 |
48 |
164 |
52 |
163 |
56 |
163 |
60 |
162 |
66 |
161 |
72 |
160 |
84 |
158 |
96 |
158 |
108 |
|
180 |
- |
- |
- |
- |
176 |
32 |
175 |
36 |
175 |
40 |
174 |
44 |
174 |
48 |
174 |
52 |
173 |
56 |
173 |
60 |
172 |
66 |
171 |
72 |
170 |
84 |
168 |
96 |
168 |
108 |
|
190 |
- |
- |
- |
- |
186 |
32 |
185 |
36 |
185 |
40 |
184 |
44 |
184 |
48 |
184 |
52 |
183 |
56 |
183 |
60 |
182 |
66 |
181 |
72 |
180 |
84 |
178 |
96 |
178 |
108 |
|
200 |
- |
- |
- |
- |
196 |
32 |
195 |
36 |
195 |
40 |
194 |
44 |
194 |
48 |
194 |
52 |
193 |
56 |
193 |
60 |
192 |
66 |
191 |
72 |
190 |
84 |
188 |
96 |
188 |
108 |
|
220 |
- |
- |
- |
- |
- |
- |
215 |
49 |
215 |
53 |
214 |
57 |
214 |
61 |
214 |
65 |
213 |
69 |
213 |
73 |
212 |
79 |
211 |
85 |
210 |
97 |
208 |
109 |
208 |
121 |
|
240 |
- |
- |
- |
- |
- |
- |
235 |
49 |
235 |
53 |
234 |
57 |
234 |
61 |
234 |
65 |
233 |
69 |
233 |
73 |
232 |
79 |
231 |
85 |
230 |
97 |
228 |
109 |
228 |
121 |
|
260 |
- |
- |
- |
- |
- |
- |
255 |
49 |
255 |
53 |
254 |
57 |
254 |
61 |
254 |
65 |
253 |
69 |
253 |
73 |
252 |
79 |
251 |
85 |
250 |
97 |
248 |
109 |
248 |
121 |
|
280 |
- |
- |
- |
- |
- |
- |
- |
- |
275 |
53 |
274 |
57 |
274 |
61 |
274 |
65 |
273 |
69 |
273 |
73 |
272 |
79 |
271 |
85 |
270 |
97 |
268 |
109 |
268 |
121 |
|
300 |
- |
- |
- |
- |
- |
- |
- |
- |
295 |
53 |
294 |
57 |
294 |
61 |
294 |
65 |
293 |
69 |
293 |
73 |
292 |
79 |
291 |
85 |
290 |
97 |
288 |
109 |
288 |
121 |
Примечания:
1. Болты с размерами длин, заключенными в скобки, применять не рекомендуется.
2. Болты, для которых значения b расположены над ломаной линией, допускается изготавливать с длиной резьбы до головки.
Пример условного обозначения болта исполнения 1 с диаметром резьбы d=12 мм, с размером "под ключ" S=18 мм, длиной l=60 мм, класса прочности 4.6:
Болт М12´60.46 (S1S) ГОСТ 15589-70
То же, исполнения 2, с размером "под ключ" S=19 мм, класса прочности 5.6:
Болт 2М12´60.56 ГОСТ 15589-70
Справочное
|
Длина болта l, мм |
Теоретическая масса 1000 шт. болтов, кг =, при номинальном диаметре резьбы d, мм |
||||||||||||||
|
6 |
8 |
10 |
12 |
14 |
16 |
18 |
20 |
22 |
24 |
27 |
30 |
36 |
42 |
48 |
|
|
8 |
4,306 |
8,668 |
- |
- |
- |
- |
- |
- |
- |
- |
- |
- |
- |
- |
- |
|
10 |
4,712 |
9,394 |
16,68 |
- |
- |
- |
- |
- |
- |
- |
- |
- |
- |
- |
- |
|
12 |
5,118 |
10,120 |
17,82 |
- |
- |
- |
- |
- |
- |
- |
- |
- |
- |
- |
- |
|
14 |
3,524 |
10,850 |
18,96 |
27,89 |
- |
- |
- |
- |
- |
- |
- |
- |
- |
- |
- |
|
16 |
5,930 |
11,570 |
20,10 |
29,48 |
43,98 |
- |
- |
- |
- |
- |
- |
- |
- |
- |
- |
|
18 |
6,336 |
12,300 |
21,23 |
31,12 |
46,21 |
63,54 |
- |
- |
- |
- |
- |
- |
- |
- |
- |
|
20 |
6,742 |
13,020 |
22,37 |
32,76 |
48,45 |
68,49 |
95,81 |
- |
- |
- |
- |
- |
- |
- |
- |
|
22 |
7,204 |
13,520 |
23,51 |
34,40 |
50,69 |
71,44 |
99,52 |
- |
- |
- |
- |
- |
- |
- |
- |
|
25 |
7,871 |
14,840 |
25,22 |
36,86 |
54,05 |
75,87 |
105,10 |
133,3 |
- |
- |
- |
- |
- |
- |
- |
|
28 |
8,537 |
16,330 |
26,92 |
39,32 |
57,40 |
80,29 |
110,60 |
140,2 |
- |
- |
- |
- |
- |
- |
- |
|
30 |
8,981 |
17,120 |
28,52 |
40,96 |
59,64 |
83,24 |
114,30 |
144,8 |
193,0 |
- |
- |
- |
- |
- |
- |
|
32 |
9,426 |
17,910 |
29,43 |
42,59 |
61,87 |
86,19 |
118,00 |
149,4 |
198,6 |
237,0 |
- |
- |
- |
- |
- |
|
33 |
10,090 |
19,090 |
31,28 |
45,34 |
63,24 |
90,62 |
123,60 |
156,3 |
207,0 |
246,0 |
340,6 |
- |
- |
- |
- |
|
38 |
10,760 |
20,280 |
33,18 |
48,00 |
63,39 |
95,04 |
129,20 |
163,2 |
215,4 |
256,9 |
353,3 |
- |
- |
- |
- |
|
40 |
11,200 |
21,070 |
34,36 |
49,78 |
71,23 |
97,99 |
132,90 |
167,8 |
221,0 |
263,5 |
361,8 |
474,8 |
- |
- |
- |
|
43 |
12,310 |
23,040 |
37,45 |
54,22 |
77,30 |
105,70 |
142,10 |
179,4 |
235,0 |
280,1 |
373,0 |
500,9 |
- |
- |
- |
|
50 |
13,420 |
25,020 |
40,53 |
58,67 |
83,35 |
113,60 |
132,40 |
190,9 |
249,0 |
296,7 |
404,1 |
526,9 |
834,5 |
- |
- |
|
53 |
14,530 |
26,990 |
43,62 |
63,11 |
89,39 |
121,50 |
162,40 |
203,7 |
263,1 |
313,3 |
423,3 |
553,0 |
872,1 |
1304 |
- |
|
60 |
15,640 |
28,970 |
46,70 |
67,55 |
95,44 |
129,40 |
172,40 |
216,0 |
278,9 |
329,9 |
446,5 |
579,0 |
909,8 |
1356 |
- |
|
65 |
16,760 |
30,940 |
49,79 |
71,99 |
101,50 |
137,30 |
182,40 |
223,4 |
293,8 |
348,8 |
467,7 |
605,1 |
947,4 |
1407 |
2009 |
|
70 |
17,870 |
32,910 |
52,87 |
76,44 |
107,50 |
145,20 |
192,40 |
240,7 |
308,8 |
366,5 |
491,1 |
631,1 |
985,0 |
1458 |
2076 |
|
75 |
18,980 |
34,890 |
55,96 |
80,88 |
113,60 |
153,10 |
202,40 |
253,0 |
323,7 |
384,3 |
313,6 |
659,7 |
1023,0 |
1509 |
2143 |
|
80 |
20,090 |
36,860 |
59,04 |
85,33 |
119,60 |
161,00 |
212,40 |
265,0 |
338,6 |
402,1 |
336,1 |
687,5 |
1061,0 |
1561 |
2211 |
|
85 |
21,200 |
38,840 |
62,13 |
89,77 |
125,70 |
168,90 |
222,40 |
277,7 |
353,6 |
419,8 |
558,6 |
715,2 |
1098,0 |
1612 |
2273 |
|
90 |
22,310 |
40,810 |
63,21 |
94,20 |
131,70 |
176,80 |
232,40 |
290,1 |
368,5 |
437,6 |
581,0 |
743,0 |
1141,0 |
1663 |
2345 |
|
95 |
- |
42,790 |
68,30 |
98,64 |
137,80 |
184,70 |
242,40 |
302,4 |
383,4 |
455,4 |
603,3 |
770,8 |
1181,0 |
1715 |
2412 |
|
100 |
- |
44,760 |
71,38 |
103,10 |
143,80 |
192,60 |
252,40 |
314,7 |
398,3 |
473,2 |
626,0 |
793,5 |
1221,0 |
1766 |
2479 |
|
105 |
- |
- |
74,47 |
107,50 |
149,90 |
200,50 |
262,40 |
327,1 |
413,3 |
490,9 |
648,3 |
326,3 |
1261,0 |
1326 |
2546 |
|
110 |
- |
- |
77,33 |
112,00 |
155,90 |
208,40 |
272,30 |
339,4 |
428,2 |
503,7 |
671,0 |
354,1 |
1301,0 |
1880 |
2614 |
|
115 |
- |
- |
80,63 |
116,40 |
162,00 |
216,30 |
282,30 |
351,8 |
443,1 |
526,5 |
693,5 |
881,8 |
1341,0 |
1934 |
2690 |
|
120 |
- |
- |
83,72 |
120,90 |
168,00 |
224,20 |
292,30 |
364,1 |
458,1 |
544,2 |
716,0 |
909,6 |
1331,0 |
1989 |
2760 |
|
125 |
- |
- |
86,80 |
125,30 |
174,00 |
232,10 |
302,30 |
376,4 |
473,0 |
562,0 |
738,5 |
937,4 |
1421,0 |
2043 |
2831 |
|
130 |
- |
- |
89,89 |
129,70 |
180,10 |
240,00 |
312,30 |
388,8 |
437,9 |
579,3 |
761,0 |
965,2 |
1461,0 |
2098 |
2903 |
|
140 |
- |
- |
96,06 |
138,60 |
192,20 |
235,80 |
332,30 |
413,3 |
317,8 |
613,3 |
806,0 |
1021,0 |
1541,0 |
2207 |
3045 |
|
150 |
- |
- |
102,18 |
147,50 |
204,30 |
271,60 |
352,30 |
438,1 |
347,6 |
630,8 |
850,1 |
1076,0 |
1621,0 |
2315 |
3187 |
|
160 |
- |
- |
108,38 |
156,40 |
216,40 |
287,40 |
372,30 |
462,8 |
577,5 |
686,4 |
895,9 |
1132,0 |
1701,0 |
2424 |
3329 |
|
170 |
- |
- |
114,58 |
165,30 |
228,50 |
303,20 |
392,30 |
487,5 |
607,4 |
721,9 |
940,9 |
1188,0 |
1780,0 |
2533 |
3471 |
|
180 |
- |
- |
120,68 |
174,20 |
240,60 |
319,00 |
412,30 |
512,2 |
637,2 |
757,5 |
985,9 |
1243,0 |
1860,0 |
2642 |
3614 |
|
190 |
- |
- |
126,88 |
183,10 |
252,70 |
333,80 |
432,30 |
536,9 |
667,1 |
793,0 |
1031,0 |
1299,0 |
1940,0 |
2751 |
3756 |
|
200 |
- |
- |
133,08 |
191,90 |
264,70 |
350,60 |
452,20 |
561,5 |
697,0 |
828,6 |
1076,0 |
1354,0 |
2020,0 |
2360 |
3898 |
|
220 |
- |
- |
- |
209,70 |
228,90 |
382,20 |
492,20 |
610,9 |
756,7 |
899,6 |
1166,0 |
1465,0 |
2180,0 |
3077 |
4282 |
|
240 |
- |
- |
- |
227,50 |
313,10 |
413,80 |
532,20 |
660,3 |
816,4 |
970,3 |
1256,0 |
1576,0 |
2340,0 |
3295 |
4466 |
|
260 |
- |
- |
- |
245,20 |
337,60 |
443,40 |
572,20 |
709,6 |
876,1 |
1042,0 |
1346,0 |
1687,0 |
2500,0 |
3513 |
4751 |
|
280 |
- |
- |
- |
- |
361,50 |
476,90 |
612,20 |
759,0 |
935,9 |
1113,0 |
1436,0 |
1793,0 |
2660,0 |
3730 |
5035 |
|
300 |
- |
- |
- |
- |
385,70 |
508,50 |
652,20 |
303,3 |
995,6 |
1184,0 |
1526,0 |
1910,0 |
2820,0 |
3948 |
5319 |
ПРИЛОЖЕНИЕ 1. (Измененная редакция, Изм. № 5, 6).
Справочное
Размеры в мм
|
Номинальный диаметр резьбы d |
10 |
12 |
14 |
22 |
Номинальный диаметр резьбы d |
10 |
12 |
14 |
22 |
||||
|
Размер "под ключ" S |
17 |
19 |
22 |
32 |
Размер "под ключ" S |
17 |
19 |
22 |
32 |
||||
|
Диаметр описанной окружности е, не менее |
18,7 |
20,9 |
23,9 |
35,0 |
Диаметр описанной окружности е, не менее |
18,7 |
20,9 |
23,9 |
35,0 |
||||
|
dw, не менее |
15,5 |
17,2 |
20,1 |
29,5 |
dw, не менее |
15,5 |
17,2 |
20,1 |
29,5 |
||||
|
Длина болта l |
Теоретическая масса 1000 шт. болтов (исполнение 1), кг= |
10 |
18,10 |
- |
- |
- |
Длина болта l |
Теоретическая масса 1000 шт. болтов (исполнение 1), кг= |
85 |
63,53 |
91,63 |
128,20 |
341,2 |
|
12 |
19,24 |
- |
- |
- |
90 |
66,63 |
96,06 |
134,20 |
336,1 |
||||
|
14 |
20,38 |
29,75 |
- |
- |
95 |
69,72 |
100,30 |
140,30 |
371,0 |
||||
|
16 |
21,52 |
31,34 |
46,32 |
- |
100 |
72,80 |
105,00 |
146,30 |
385,9 |
||||
|
18 |
22,63 |
32,98 |
48,73 |
- |
105 |
75,89 |
109,40 |
132,40 |
400,9 |
||||
|
20 |
23,79 |
34,62 |
30,09 |
- |
110 |
78,97 |
113,90 |
158,40 |
415,8 |
||||
|
22 |
24,93 |
36,26 |
53,23 |
- |
115 |
82,03 |
118,30 |
164,50 |
430,7 |
||||
|
23 |
26,64 |
38,72 |
56,59 |
- |
120 |
85,14 |
122,80 |
170,50 |
445,7 |
||||
|
28 |
28,34 |
41,18 |
59,94 |
- |
125 |
88,22 |
127,20 |
176,50 |
460,6 |
||||
|
30 |
29,48 |
42,82 |
62,18 |
180,6 |
130 |
91,31 |
131,60 |
182,60 |
475,5 |
||||
|
32 |
30,85 |
44,45 |
64,41 |
186,2 |
140 |
97,48 |
140,50 |
194,70 |
505,4 |
||||
|
35 |
32,70 |
47,20 |
67,78 |
194,6 |
150 |
103,60 |
149,40 |
206,80 |
535,2 |
||||
|
38 |
34,55 |
49,86 |
71,13 |
203,0 |
160 |
109,80 |
158,30 |
218,90 |
565,1 |
||||
|
40 |
35,78 |
31,64 |
73,79 |
208,6 |
170 |
116,00 |
167,20 |
231,00 |
595,0 |
||||
|
45 |
38,87 |
56,08 |
79,84 |
222,6 |
180 |
122,10 |
176,10 |
243,10 |
624,8 |
||||
|
50 |
41,95 |
60,53 |
83,89 |
236,6 |
190 |
128,30 |
185,00 |
253,20 |
654,7 |
||||
|
55 |
45,04 |
64,97 |
91,93 |
250,7 |
200 |
134,30 |
193,80 |
267,20 |
684,6 |
||||
|
60 |
48,12 |
69,41 |
97,98 |
266,5 |
220 |
- |
211,60 |
291,40 |
744,3 |
||||
|
65 |
51,21 |
73,83 |
104,00 |
281, 4 |
240 |
- |
229,40 |
315,60 |
804,0 |
||||
|
70 |
54,29 |
78,30 |
110,00 |
296,4 |
260 |
- |
247,10 |
339,80 |
863,7 |
||||
|
75 |
57,38 |
82,74 |
116,10 |
34,3 |
280 |
- |
- |
364,00 |
923,5 |
||||
|
80 |
60,46 |
87,19 |
122,10 |
326,2 |
300 |
- |
- |
388,20 |
983,2 |
||||
ПРИЛОЖЕНИЕ 2. (Введено дополнительно, Изм. № 5; измененная редакция, Изм. № 6).
ИНФОРМАЦИОННЫЕ ДАННЫЕ
1. РАЗРАБОТАН И ВНЕСЕН Министерством черной металлургии СССР РАЗРАБОТЧИКИ
И. Н. Недовизий, канд. техн. наук; Б. М. Ригмант; В. И. Мокринский, канд. техн. наук
2. УТВЕРЖДЕН И ВВЕДЕН В ДЕЙСТВИЕ Постановлением Комитета стандартов, мер и измерительных приборов при Совете Министров СССР от 04.03.70 № 270
3. Стандарт полностью соответствует СТ СЭВ 4729-84
4. ВВЕДЕН ВПЕРВЫЕ
5. ССЫЛОЧНЫЕ НОРМАТИВНО-ТЕХНИЧЕСКИЕ ДОКУМЕНТЫ
|
Обозначение НТД, на который дана ссылка |
Номер пункта |
Обозначение НТД, на который дана ссылка |
Номер пункта |
|
ГОСТ 12414-94 |
|||
|
ГОСТ 17391-82 |
3б |
ГОСТ 24670-81 |
3а |
|
ГОСТ 1739.2-82 |
3в |
ГОСТ 24703-81 |
|
|
ГОСТ 1739.4-87 |
ГОСТ 27148-86 |
6. Ограничение срока действия снято по протоколу № 5-94 Межгосударственного Совета по стандартизации, метрологии и сертификации (ИУС 11-12-94)
7. ПЕРЕИЗДАНИЕ (апрель 1998 г.) с Изменениями № 2, 3, 4, 5, 6, утвержденными в феврале 1974 г., марте 1981 г., марте 1985 г., марте 1989 г., июле 1995 г. (ИУС 374, 6-81, 6-85, 6-89, 9-95)