ГОСТ 17376-2001 (ИСО 3419-81)
МЕЖГОСУДАРСТВЕННЫЙ СТАНДАРТ
Детали трубопроводов бесшовные приварные
из углеродистой и низколегированной стали
ТРОЙНИКИ
Конструкция
МЕЖГОСУДАРСТВЕННЫЙ
СОВЕТ
ПО СТАНДАРТИЗАЦИИ, МЕТРОЛОГИИ И СЕРТИФИКАЦИИ
Предисловие
1. РАЗРАБОТАН ОАО «Корпорация МОНТАЖСПЕЦСТРОЙ»
ВНЕСЕН Государственным комитетом Российской Федерации по стандартизации и метрологии
2. ПРИНЯТ Межгосударственным Советом по стандартизации, метрологии и сертификации (протокол № 20 от 1 ноября 2001 г.).
За принятие проголосовали:
|
Наименование государства |
Наименование |
|
Азербайджанская Республика |
Азгосстандарт |
|
Республика Армения |
Армгосстандарт |
|
Республика Беларусь |
Госстандарт Республики Беларусь |
|
Грузия |
Грузстандарт |
|
Республика Казахстан |
Госстандарт Республики Казахстан |
|
Кыргызская Республика |
Кыргызстандарт |
|
Республика Молдова |
Молдовастандарт |
|
Российская Федерация |
Госстандарт России |
|
Республика Таждикистан |
Таджикстандарт |
|
Туркменистан |
Главгосслужба «Туркменстандартлары» |
|
Республика Узбекистан |
Узгосстандарт |
|
Госстандарт Украины |
3. Стандарт соответствует ИСО 3419-81 «Фитинги из легированной и нелегированной стали приварные встык» в части конструкции тройников
4. Постановлением Государственного комитета Российской Федерации по стандартизации и метрологии от 27 мая 2002 г. № 205-ст межгосударственный стандарт ГОСТ 17376-2001 (ИСО 3419-81) введен в действие непосредственно в качестве государственного стандарта Российской Федерации с 1 января 2003 г.
5. ВЗАМЕН ГОСТ 17376-83
МЕЖГОСУДАРСТВЕННЫЙ СТАНДАРТ
Детали трубопроводов бесшовные приварные из углеродистой
и низколегированной стали
ТРОЙНИКИ
Конструкция
Carbon and low-alloy steel butt-welding fittings. Tees. Design
Дата введения 2003-01-01
Настоящий стандарт распространяется на бесшовные приварные равнопроходные и переходные тройники из углеродистой и низколегированной стали.
Область применения тройников - в соответствии с разделом 1 ГОСТ 17380.
Требования пункта 4.1 и раздела 5 являются обязательными, остальные требования - рекомендательными.
В настоящем стандарте использована ссылка на ГОСТ 17380-2001 (ИСО 3419-81). Детали трубопроводов бесшовные приварные из углеродистой и низколегированной стали. Общие технические условия.
(Измененная редакция. Изм. № 1)
Термины, их определения, обозначения и сокращения - по ГОСТ 17380.
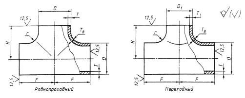
4.1. Конструкция и размеры тройников должны соответствовать указанным на рисунке 1 и в таблицах 1 и 2.
Рисунок 1
Таблица 1 - Тройники исполнения 1
Размеры в миллиметрах
|
DN |
D |
T |
D1 |
T1 |
F |
H |
Масса, кг |
|
|
|
2,0 |
|
2,0 |
|
|
0,19 |
|
15 |
21,3 |
3,2 |
|
3,2 |
25 |
25 |
0,30 |
|
|
|
4,0 |
|
4,0 |
|
|
0,38 |
|
|
|
2,0 |
21,3 |
2,0 |
|
|
0,26 |
|
|
|
3,2 |
|
3,2 |
|
|
0,42 |
|
|
|
4,0 |
|
4,0 |
|
|
0,52 |
|
20 |
26,9 |
2,0 |
|
2,0 |
29 |
29 |
0,23 |
|
|
|
3,2 |
26,9 |
3,2 |
|
|
0,37 |
|
|
|
4,0 |
|
4,0 |
|
|
0,46 |
|
|
|
2,3 |
|
2,0 |
|
|
0,25 |
|
|
|
3,2 |
21,3 |
3,2 |
|
|
0,35 |
|
|
|
4,5 |
|
4,0 |
|
|
0,40 |
|
|
|
2,3 |
|
2,0 |
|
|
0,25 |
|
25 |
33,7 |
3,2 |
26,9 |
3,2 |
38 |
38 |
0,35 |
|
|
|
4,5 |
|
4,0 |
|
|
0,40 |
|
|
|
2,3 |
|
2,3 |
|
|
0,40 |
|
|
|
3,2 |
33,7 |
3,2 |
|
|
0,64 |
|
|
|
4,5 |
|
4,5 |
|
|
0,80 |
|
|
|
2,6 |
|
2,0 |
|
|
0,79 |
|
|
|
3,6 |
21,3 |
3,2 |
|
|
1,10 |
|
|
|
5,0 |
|
4,0 |
|
|
1,50 |
|
|
|
2,6 |
|
2,0 |
|
|
0,79 |
|
|
|
3,6 |
26,9 |
3,2 |
|
|
1,10 |
|
|
|
5,0 |
|
4,0 |
|
|
1,50 |
|
32 |
42,4 |
2,6 |
|
2,3 |
48 |
48 |
0,79 |
|
|
|
3,6 |
33,7 |
3,2 |
|
|
1,10 |
|
|
|
5,0 |
|
4,0 |
|
|
1,50 |
|
|
|
2,6 |
|
2,6 |
|
|
0,79 |
|
|
|
3,6 |
42,4 |
3,6 |
|
|
1,10 |
|
|
|
5,0 |
|
5,0 |
|
|
1,50 |
|
|
|
2,6 |
|
2,0 |
|
|
1,00 |
|
|
|
3,6 |
26,9 |
3,2 |
|
|
1,40 |
|
|
|
5,0 |
|
4,0 |
|
|
2,00 |
|
|
|
2,6 |
|
2,3 |
|
|
1,00 |
|
|
|
3,6 |
33,7 |
3,2 |
|
|
1,40 |
|
|
|
5,0 |
|
4,5 |
|
|
2,00 |
|
40 |
48,3 |
2,6 |
|
2,6 |
57 |
57 |
1,00 |
|
|
|
3,6 |
42,4 |
3,6 |
|
|
1,40 |
|
|
|
5,0 |
|
5,0 |
|
|
2,00 |
|
|
|
2,6 |
|
2,6 |
|
|
1,00 |
|
|
|
3,6 |
48,3 |
3,6 |
|
|
1,40 |
|
|
|
5,0 |
|
5,0 |
|
|
2,00 |
|
|
|
2,9 |
|
2,9 |
|
|
1,60 |
|
|
|
4,0 |
33,7 |
4,0 |
|
51 |
2,20 |
|
|
|
5,6 |
|
5,6 |
|
|
3,00 |
|
|
|
2,9 |
|
2,6 |
|
|
1,60 |
|
|
|
4,0 |
42,4 |
3,6 |
|
57 |
2,20 |
|
|
|
5,6 |
|
5,0 |
|
|
3,00 |
|
50 |
60,3 |
2,9 |
|
2,6 |
64 |
|
1,60 |
|
|
|
4,0 |
48,3 |
3,6 |
|
60 |
2,20 |
|
|
|
5,6 |
|
5,0 |
|
|
3,00 |
|
|
|
2,9 |
|
2,3 |
|
|
1,60 |
|
|
|
4,0 |
60,3 |
3,2 |
|
64 |
2,20 |
|
|
|
5,6 |
|
4,5 |
|
|
3,00 |
|
|
|
2,9 |
|
2,6 |
|
|
3,20 |
|
|
|
5,0 |
42,4 |
3,6 |
|
64 |
5,50 |
|
|
|
7,1 |
|
5,0 |
|
|
7,90 |
|
|
|
2,9 |
|
2,9 |
|
|
3,20 |
|
|
|
5,0 |
48,3 |
4,0 |
|
67 |
5,50 |
|
|
|
7,1 |
|
5,6 |
|
|
7,90 |
|
65 |
76,1 |
2,9 |
|
2,6 |
76 |
|
3,20 |
|
|
|
5,0 |
60,3 |
3,6 |
|
70 |
5,50 |
|
|
|
7,1 |
|
5,0 |
|
|
7,90 |
|
|
|
2,9 |
|
2,9 |
|
|
3,20 |
|
|
|
5,0 |
76,1 |
5,0 |
|
76 |
5,50 |
|
|
|
7,1 |
|
7,1 |
|
|
7,90 |
|
|
|
3,2 |
|
2,9 |
|
|
2,20 |
|
|
|
5,6 |
48,3 |
4,0 |
|
73 |
4,00 |
|
|
|
8,0 |
|
5,6 |
|
|
5,50 |
|
|
|
3,2 |
|
2,9 |
|
|
2,20 |
|
|
|
5,6 |
60,3 |
4,0 |
|
76 |
4,00 |
|
|
|
8,0 |
|
5,6 |
|
|
5,50 |
|
80 |
88,9 |
3,2 |
|
2,9 |
86 |
|
2,50 |
|
|
|
5,6 |
76,1 |
5,0 |
|
83 |
4,50 |
|
|
|
8,0 |
|
7,1 |
|
|
6,20 |
|
|
|
3,2 |
|
3,2 |
|
|
2,50 |
|
|
|
5,6 |
88,9 |
5,6 |
|
86 |
4,50 |
|
|
|
8,0 |
|
8,0 |
|
|
6,20 |
|
|
|
3,6 |
|
2,7 |
|
|
3,80 |
|
|
|
6,3 |
60,3 |
4,0 |
|
89 |
6,70 |
|
|
|
8,8 |
|
5,6 |
|
|
10,00 |
|
|
|
3,6 |
|
2,9 |
|
|
4,50 |
|
|
|
6,3 |
76,1 |
5,0 |
|
95 |
7,80 |
|
|
|
8,8 |
|
7,1 |
|
|
10,00 |
|
100 |
114,3 |
3,6 |
|
3,2 |
105 |
|
4,50 |
|
|
|
6,3 |
88,9 |
5,6 |
|
98 |
7,80 |
|
|
|
8,8 |
|
8,0 |
|
|
10,00 |
|
|
|
3,6 |
|
3,6 |
|
|
4,50 |
|
|
|
6,3 |
114,3 |
6,3 |
|
105 |
7,80 |
|
|
|
8,8 |
|
8,8 |
|
|
10,00 |
|
|
|
4,0 |
|
2,9 |
|
|
3,40 |
|
|
|
6,3 |
76,1 |
5,0 |
|
108 |
5,30 |
|
|
|
10,0 |
|
7,1 |
|
|
16,00 |
|
|
|
4,0 |
|
3,2 |
|
|
3,40 |
|
|
|
6,3 |
88,9 |
5,6 |
|
111 |
5,30 |
|
|
|
10,0 |
|
8,0 |
|
|
16,00 |
|
125 |
139,7 |
4,0 |
|
3,6 |
124 |
|
3,40 |
|
|
|
6,3 |
114,3 |
6,3 |
|
117 |
5,30 |
|
|
|
10,0 |
|
8,8 |
|
|
16,00 |
|
|
|
4,0 |
|
4,0 |
|
|
3,40 |
|
|
|
6,3 |
139,7 |
6,3 |
|
124 |
5,30 |
|
|
|
10,0 |
|
10,0 |
|
|
16,00 |
|
|
|
4,5 |
|
3,2 |
|
|
9,40 |
|
|
|
7,1 |
88,9 |
5,6 |
|
124 |
16,00 |
|
|
|
11,0 |
|
8,0 |
|
|
24,00 |
|
|
|
4,5 |
|
3,6 |
|
|
9,40 |
|
|
|
7,1 |
114,3 |
6,3 |
|
130 |
16,00 |
|
|
|
11,0 |
|
8,8 |
|
|
24,00 |
|
150 |
168,3 |
4,5 |
|
4,0 |
143 |
|
9,40 |
|
|
|
7,1 |
139,7 |
6,3 |
|
137 |
16,00 |
|
|
|
11,0 |
|
10,0 |
|
|
24,00 |
|
|
|
4,5 |
|
4,5 |
|
|
9,40 |
|
|
|
7,1 |
168,3 |
7,1 |
|
143 |
16,00 |
|
|
|
11,0 |
|
11,0 |
|
|
24,00 |
|
|
|
6,3 |
|
3,6 |
|
|
16,00 |
|
|
|
8,0 |
114,3 |
6,3 |
|
156 |
20,00 |
|
|
|
12,5 |
|
8,8 |
|
|
43,00 |
|
|
|
6,3 |
|
4,0 |
|
|
16,00 |
|
|
|
8,0 |
139,7 |
6,3 |
|
162 |
20,00 |
|
|
|
12,5 |
|
10,0 |
|
|
43,00 |
|
200 |
219,1 |
6,3 |
|
4,5 |
178 |
|
16,00 |
|
|
|
8,0 |
168,3 |
7,1 |
|
168 |
20,00 |
|
|
|
12,5 |
|
11,0 |
|
|
43,00 |
|
|
|
6,3 |
|
6,3 |
|
|
23,00 |
|
|
|
8,0 |
219,1 |
8,0 |
|
178 |
29,00 |
|
|
|
12,5 |
|
12,5 |
|
|
44,00 |
|
|
|
6,3 |
|
4,0 |
|
|
33,0 |
|
|
|
10,0 |
139,7 |
6,3 |
|
191 |
52,0 |
|
|
|
6,3 |
|
4,5 |
|
|
33,0 |
|
|
|
10,0 |
168,3 |
7,1 |
|
194 |
52,0 |
|
250 |
273,0 |
6,3 |
|
6,3 |
216 |
|
33,0 |
|
|
|
10,0 |
219,1 |
7,1 |
|
203 |
52,0 |
|
|
|
6,3 |
|
6,3 |
|
|
33,0 |
|
|
|
10,0 |
273,0 |
10,0 |
|
216 |
52,0 |
|
|
|
7,1 |
|
4,5 |
|
|
47,00 |
|
|
|
10,0 |
168,3 |
7,1 |
|
219 |
66,00 |
|
|
|
7,1 |
|
6,3 |
|
|
47,00 |
|
|
|
10,0 |
219,0 |
8,0 |
|
229 |
66,00 |
|
300 |
323,9 |
7,1 |
|
6,3 |
254 |
|
47,00 |
|
|
|
10,0 |
273,0 |
8,0 |
|
241 |
66,00 |
|
|
|
7,1 |
|
7,1 |
|
|
54,00 |
|
|
|
10,0 |
323,9 |
10,0 |
|
254 |
77,00 |
|
|
|
8,0 |
|
6,3 |
|
|
|
|
|
|
11,0 |
219,1 |
8,0 |
|
248 |
|
|
|
|
8,0 |
|
6,3 |
|
|
|
|
|
|
11,0 |
273,0 |
10,0 |
|
257 |
- |
|
350 |
355,6 |
8,0 |
|
7,1 |
279 |
|
|
|
|
|
11,0 |
323,9 |
10,0 |
|
270 |
|
|
|
|
8,0 |
|
8,0 |
|
|
68,00 |
|
|
|
11,0 |
355,6 |
11,0 |
|
279 |
94,00 |
|
|
|
8,8 |
|
6,3 |
|
|
|
|
|
|
12,5 |
273,0 |
10,0 |
|
283 |
|
|
|
|
8,8 |
|
7,1 |
|
|
- |
|
|
|
12,5 |
323,9 |
10,0 |
|
295 |
|
|
400 |
406,4 |
8,8 |
|
8,0 |
305 |
|
|
|
|
|
12,5 |
355,6 |
10,0 |
|
|
- |
|
|
|
8,8 |
|
8,8 |
|
305 |
88,00 |
|
|
|
12,5 |
406,4 |
12,5 |
|
|
131,00 |
|
|
|
|
323,9 |
7,1 |
|
321 |
|
|
|
|
|
355,6 |
8,0 |
|
|
|
|
450 |
457,0 |
10,0 |
355,6 |
11,0 |
343 |
330 |
- |
|
|
|
|
406,4 |
8,8 |
|
|
|
|
|
|
|
457,0 |
10,0 |
|
343 |
|
|
|
|
|
355,6 |
8,0 |
|
|
|
|
|
|
|
406,4 |
8,8 |
|
356 |
|
|
500 |
508,0 |
11,0 |
457,0 |
10,0 |
381 |
368 |
|
|
|
|
|
508,0 |
11,0 |
|
381 |
|
|
|
|
|
406,4 |
8,8 |
|
406 |
|
|
|
|
|
457,0 |
10,0 |
|
419 |
|
|
600 |
610,0 |
12,5 |
508,0 |
11,0 |
432 |
|
- |
|
|
|
|
610,0 |
12,5 |
|
432 |
|
|
700 |
711,0 |
|
711,0 |
|
521 |
521 |
|
|
800 |
813,0 |
|
813,0 |
|
597 |
597 |
|
|
900 |
914,0 |
- |
914,0 |
- |
673 |
673 |
|
|
1000 |
1016,0 |
|
1016,0 |
|
749 |
749 |
|
|
Примечание - Масса приведена для справок. |
|||||||
Таблица 2 - Тройники исполнения 2
Размеры в миллиметрах
|
DN |
D |
T |
D1 |
T1 |
F |
H |
r, не менее |
Масса, кг |
|
|
|
2,5 |
|
|
|
|
|
0,3 |
|
40 |
45 |
4,0 |
- |
- |
40 |
40 |
|
0,4 |
|
|
|
5,0 |
|
|
|
|
|
0,4 |
|
|
|
3,0 |
|
2,5 |
|
|
|
0,4 |
|
|
|
4,0 |
45 |
3,0 |
|
|
|
0,6 |
|
|
|
5,0 |
|
4,0 |
|
|
|
0,7 |
|
50 |
57 |
3,0 |
|
|
50 |
45 |
|
0,4 |
|
|
|
4,0 |
- |
- |
|
|
|
0,6 |
|
|
|
5,0 |
|
|
|
|
5 |
0,7 |
|
|
|
3,5 |
|
2,5 |
|
|
|
0,8 |
|
|
|
6,0 |
45 |
4,0 |
|
|
|
1,4 |
|
|
|
7,0 |
|
5,0 |
|
|
|
1,6 |
|
|
|
3,5 |
|
3,0 |
|
|
|
0,8 |
|
65 |
76 |
6,0 |
57 |
5,0 |
65 |
60 |
|
1,4 |
|
|
|
7,0 |
|
5,5 |
|
|
|
1,6 |
|
|
|
3,5 |
|
|
|
|
|
0,8 |
|
|
|
6,0 |
- |
- |
|
|
|
1,4 |
|
|
|
7,0 |
|
|
|
|
|
1,6 |
|
|
|
3,5 |
|
3,0 |
|
|
|
1,5 |
|
|
|
6,0 |
57 |
4,0 |
|
|
|
2,0 |
|
|
|
8,0 |
|
5,5 |
|
|
|
2,7 |
|
|
|
3,5 |
|
3,5 |
|
|
|
1,5 |
|
80 |
89 |
6,0 |
76 |
6,0 |
80 |
70 |
|
2,0 |
|
|
|
8,0 |
|
7,0 |
|
|
|
2,7 |
|
|
|
3,5 |
|
|
|
|
|
1,5 |
|
|
|
6,0 |
- |
- |
|
|
|
2,0 |
|
|
|
8,0 |
|
|
|
|
|
2,7 |
|
|
|
4,0 |
|
3,5 |
|
|
|
2,2 |
|
|
|
6,0 |
|
5,0 |
|
|
|
3,3 |
|
|
|
8,0 |
76 |
6,0 |
|
|
|
4,5 |
|
|
|
9,0 |
|
7,0 |
|
|
5 |
4,9 |
|
|
|
4,0 |
|
4,0 |
|
|
|
2,2 |
|
100 |
108 |
6,0 |
|
6,0 |
100 |
80 |
|
3,3 |
|
|
|
8,0 |
89 |
8,0 |
|
|
|
4,5 |
|
|
|
9,0 |
|
8,0 |
|
|
|
4,9 |
|
|
|
4,0 |
|
|
|
|
|
2,2 |
|
|
|
6,0 |
|
|
|
|
|
3,3 |
|
|
|
8,0 |
- |
- |
|
|
|
4,5 |
|
|
|
9,0 |
|
|
|
|
|
4,9 |
|
|
|
4,0 |
|
3,5 |
|
|
|
2,9 |
|
|
|
6,0 |
|
5,0 |
|
|
|
4,1 |
|
|
|
8,0 |
89 |
6,0 |
|
|
|
5,9 |
|
|
|
10,0 |
|
8,0 |
|
|
|
6,8 |
|
|
|
12,0 |
|
9,0 |
|
|
|
8,0 |
|
|
|
4,0 |
|
4,0 |
|
|
6 |
2,9 |
|
|
|
6,0 |
|
5,0 |
|
|
|
4,1 |
|
125 |
133 |
8,0 |
108 |
6,0 |
110 |
95 |
|
5,9 |
|
|
|
10,0 |
|
9,0 |
|
|
|
6,8 |
|
|
|
12,0 |
|
10,0 |
|
|
|
8,0 |
|
|
|
4,0 |
|
|
|
|
|
2,9 |
|
|
|
6,0 |
|
|
|
|
|
4,1 |
|
|
|
8,0 |
- |
- |
|
|
|
5,9 |
|
|
|
10,0 |
|
|
|
|
|
6,8 |
|
|
|
12,0 |
|
|
|
|
|
8,0 |
|
|
|
4,5 |
|
4,0 |
|
|
|
4,8 |
|
|
|
6,0 |
|
5,0 |
|
|
|
6,6 |
|
|
|
8,0 |
108 |
6,0 |
|
|
|
9,0 |
|
|
|
10,0 |
|
9,0 |
|
|
|
10,1 |
|
|
|
12,0 |
|
10,0 |
|
|
8 |
12,2 |
|
|
|
4,5 |
|
4,0 |
|
|
|
4,8 |
|
150 |
159 |
6,0 |
|
5,0 |
130 |
110 |
|
6,6 |
|
|
|
8,0 |
133 |
6,0 |
|
|
|
9,0 |
|
|
|
10,0 |
|
10,0 |
|
|
|
10,1 |
|
|
|
12,0 |
|
12,0 |
|
|
|
12,2 |
|
|
|
4,5 |
|
|
|
|
|
4,8 |
|
|
|
6,0 |
|
|
|
|
|
6,6 |
|
|
|
8,0 |
- |
- |
|
|
|
9,0 |
|
|
|
10,0 |
|
|
|
|
|
10,1 |
|
|
|
12,0 |
|
|
|
|
|
12,2 |
|
|
|
6,0 |
|
5,0 |
|
|
|
10,2 |
|
|
|
8,0 |
|
6,0 |
|
|
|
13,8 |
|
|
|
10,0 |
133 |
8,0 |
|
|
|
16,8 |
|
|
|
12,0 |
|
10,0 |
|
|
|
19,9 |
|
|
|
16,0 |
|
16,0 |
|
|
|
26,6 |
|
|
|
6,0 |
|
6,0 |
|
|
|
10,2 |
|
200 |
219 |
8,0 |
|
6,0 |
160 |
140 |
10 |
13,8 |
|
|
|
10,0 |
159 |
8,0 |
|
|
|
16,8 |
|
|
|
12,0 |
|
11,0 |
|
|
|
19,9 |
|
|
|
16,0 |
|
12,0 |
|
|
|
26,6 |
|
|
|
6,0 |
|
|
|
|
|
10,2 |
|
|
|
8,0 |
|
|
|
|
|
13,8 |
|
|
|
10,0 |
- |
- |
|
|
|
16,8 |
|
|
|
12,0 |
|
|
|
|
|
19,9 |
|
|
|
16,0 |
|
|
|
|
|
26,6 |
|
|
|
7,0 |
|
4,5 |
|
|
|
18,4 |
|
|
|
10,0 |
|
6,0 |
|
|
|
26,0 |
|
|
|
12,0 |
159 |
8,0 |
|
|
|
31,2 |
|
|
|
16,0 |
|
11,0 |
|
|
|
41,6 |
|
|
|
18,0 |
|
12,0 |
|
|
|
46,8 |
|
|
|
7,0 |
|
6,0 |
|
|
|
18,4 |
|
250 |
273 |
10,0 |
|
8,0 |
190 |
175 |
12 |
26,0 |
|
|
|
12,0 |
219 |
10,0 |
|
|
|
31,2 |
|
|
|
16,0 |
|
12,0 |
|
|
|
41,6 |
|
|
|
18,0 |
|
16,0 |
|
|
|
46,8 |
|
|
|
7,0 |
|
|
|
|
|
18,4 |
|
|
|
10,0 |
|
|
|
|
|
26,0 |
|
|
|
12,0 |
- |
- |
|
|
|
31,2 |
|
|
|
16,0 |
|
|
|
|
|
41,6 |
|
|
|
18,0 |
|
|
|
|
|
46,8 |
|
|
|
8,0 |
|
6,0 |
|
|
|
27,4 |
|
|
|
10,0 |
|
8,0 |
|
|
|
34,2 |
|
|
|
12,0 |
219 |
10,0 |
|
|
|
41,1 |
|
|
|
16,0 |
|
12,0 |
|
|
|
54,8 |
|
|
|
22,0 |
|
16,0 |
|
|
|
75,3 |
|
|
|
8,0 |
|
7,0 |
|
|
|
27,4 |
|
300 |
325 |
10,0 |
|
10,0 |
220 |
200 |
15 |
34,2 |
|
|
|
12,0 |
273 |
12,0 |
|
|
|
41,1 |
|
|
|
16,0 |
|
16,0 |
|
|
|
54,8 |
|
|
|
22,0 |
|
18,0 |
|
|
|
75,3 |
|
|
|
8,0 |
|
|
|
|
|
27,4 |
|
|
|
10,0 |
|
|
|
|
|
34,2 |
|
|
|
12,0 |
- |
- |
|
|
|
41,1 |
|
|
|
16,0 |
|
|
|
|
|
54,8 |
|
|
|
22,0 |
|
|
|
|
|
75,3 |
|
|
|
10,0 |
|
7,0 |
|
|
|
46,0 |
|
|
|
12,0 |
|
10,0 |
|
|
|
55,2 |
|
|
|
16,0 |
273 |
12,0 |
|
|
|
73,6 |
|
|
|
20,0 |
|
16,0 |
|
|
|
92,0 |
|
|
|
10,0 |
|
8,0 |
|
|
|
46,0 |
|
|
|
12,0 |
|
10,0 |
|
|
|
55,2 |
|
350 |
377 |
16,0 |
325 |
16,0 |
240 |
225 |
15 |
73,6 |
|
|
|
20,0 |
|
18,0 |
|
|
|
92,0 |
|
|
|
10,0 |
|
|
|
|
|
46,0 |
|
|
|
12,0 |
|
|
|
|
|
55,2 |
|
|
|
16,0 |
- |
- |
|
|
|
73,6 |
|
|
|
20,0 |
|
|
|
|
|
92,0 |
|
|
|
10,0 |
|
8,0 |
|
|
|
55,5 |
|
|
|
12,0 |
|
10,0 |
|
|
|
66,6 |
|
|
|
16,0 |
325 |
12,0 |
|
|
|
88,8 |
|
|
|
18,0 |
|
16,0 |
|
|
|
100,0 |
|
|
|
10,0 |
|
10,0 |
|
|
|
55,5 |
|
400 |
426 |
12,0 |
|
12,0 |
270 |
250 |
18 |
66,6 |
|
|
|
16,0 |
377 |
16,0 |
|
|
|
88,8 |
|
|
|
18,0 |
|
18,0 |
|
|
|
100,0 |
|
|
|
10,0 |
|
|
|
|
|
55,5 |
|
|
|
12,0 |
|
|
|
|
|
66,6 |
|
|
|
16,0 |
- |
- |
|
|
|
88,8 |
|
|
|
18,0 |
|
|
|
|
|
100,0 |
|
|
|
2,0 |
|
|
|
|
3 |
0,2 |
|
15 |
20 |
3,0 |
- |
- |
25 |
15 |
0,2 |
|
|
|
|
4,0 |
|
|
|
|
0,3 |
|
|
20 |
25 |
2,0 |
|
2,0 |
29 |
20 |
0,3 |
|
|
3,0 |
20 |
3,0 |
0,3 |
|||||
|
4,0 |
|
4,0 |
0,4 |
|||||
|
2,0 |
|
|
0,3 |
|||||
|
3,0 |
- |
- |
0,3 |
|||||
|
4,0 |
|
|
0,4 |
|||||
|
25 |
32 |
2,0 |
|
2,0 |
38 |
25 |
0,3 |
|
|
3,0 |
20 |
3,0 |
0,4 |
|||||
|
4,0 |
|
4,0 |
0,4 |
|||||
|
2,0 |
|
2,0 |
0,3 |
|||||
|
3,0 |
25 |
3,0 |
0,4 |
|||||
|
4,0 |
|
4,0 |
0,4 |
|||||
|
2,0 |
|
|
0,3 |
|||||
|
3,0 |
- |
- |
0,4 |
|||||
|
4,0 |
|
|
0,4 |
|||||
|
32 |
38 |
2,0 |
|
2,0 |
32 |
32 |
4 |
0,3 |
|
3,0 |
20 |
3,0 |
0,4 |
|||||
|
4,0 |
|
4,0 |
0,4 |
|||||
|
2,0 |
|
2,0 |
0,3 |
|||||
|
3,0 |
25 |
3,0 |
0,4 |
|||||
|
4,0 |
|
4,0 |
0,4 |
|||||
|
2,0 |
|
2,0 |
0,3 |
|||||
|
3,0 |
32 |
3,0 |
0,4 |
|||||
|
4,0 |
|
4,0 |
0,4 |
|||||
|
2,0 |
|
|
0,3 |
|||||
|
3,0 |
- |
- |
0,4 |
|||||
|
4,0 |
|
|
0,4 |
|||||
|
100 |
114 |
4,0 |
76 |
4,0 |
100 |
90 |
5 |
3,0 |
|
5,0 |
5,0 |
3,7 |
||||||
|
6,0 |
6,0 |
4,4 |
||||||
|
9,0 |
7,0 |
6,5 |
||||||
|
4,0 |
89 |
4,0 |
3,0 |
|||||
|
5,0 |
5,0 |
3,7 |
||||||
|
6,0 |
6,0 |
4,4 |
||||||
|
9,0 |
8,0 |
6,5 |
||||||
|
4,0 |
- |
4,0 |
3,0 |
|||||
|
5,0 |
5,0 |
3,7 |
||||||
|
6,0 |
6,0 |
4,4 |
||||||
|
9,0 |
9,0 |
6,5 |
||||||
|
Примечания 1. Масса приведена для справок. 2. Масса соответствует тройникам, изготовляемым из труб с размерами D и T гидроштамповкой. При изготовлении другими способами и (или) из других заготовок массу устанавливает изготовитель. |
||||||||
(Измененная редакция. Изм. № 1)
Примеры условных обозначений:
- переходного тройника исполнения 1, D = 60,3 мм, Т = 2,9 мм, D1 = 48,3 мм, Т1 = 2,6 мм из стали марки TS9:
Тройник 1-60,3 ´ 2,9-48,3 ´ 2,6-TS9 ГОСТ 17376-2001
- равнопроходного тройника исполнения 2, D = 76 мм, Т = 7,0 мм из стали марки 20:
Тройник 76 ´ 7 ГОСТ 17376-2001
- то же, с Тв = 10 мм, из стали 09Г2С для трубопроводов, подконтрольных органам надзора:
Тройник П 76 ´ 7/10-09Г2С ГОСТ 17376-2001
4.2. По согласованию между потребителем (заказчиком) и изготовителем допускается изготавливать тройники других размеров.
4.3. Допускается изготовление тройников с увеличенной толщиной стенки Тв в зоне сопряжения магистрали и ответвления и других неторцевых сечений.
Технические условия - по ГОСТ 17380.
Ключевые слова: трубопроводы, детали трубопроводов, трубопроводные тройники, конструкция, размеры.