МИНИСТЕРСТВО ЭНЕРГЕТИКИ И ЭЛЕКТРИФИКАЦИИ СССР
ГЛАВНОЕ НАУЧНО-ТЕХНИЧЕСКОЕ УПРАВЛЕНИЕ ЭНЕРГЕТИКИ И ЭЛЕКТРИФИКАЦИИ
ТИПОВАЯ ИНСТРУКЦИЯ
ПО ОРГАНИЗАЦИИ И ПРОИЗВОДСТВУ РАБОТ
В УСТРОЙСТВАХ РЕЛЕЙНОЙ ЗАЩИТЫ
И ЭЛЕКТРОАВТОМАТИКИ
ЭЛЕКТРОСТАНЦИЙ И ПОДСТАНЦИЙ
РД 34.35.302-90
СЛУЖБА ПЕРЕДОВОГО ОПЫТА ОРГРЭС
Москва 1991
РАЗРАБОТАНО предприятием «Южтехэнерго» ПО «Союзтехэнерго»
ИСПОЛНИТЕЛИ Б. С. ГЕЛЬМАН, С. П. ПУДИКОВ
УТВЕРЖДЕНО Главным научно-техническим управлением энергетики и электрификации 23.07.90 г.
Заместитель начальника управления К. М. АНТИПОВ
|
ТИПОВАЯ ИНСТРУКЦИЯ ПО ОРГАНИЗАЦИИ И ПРОИЗВОДСТВУ РАБОТ В УСТРОЙСТВАХ РЕЛЕЙНОЙ ЗАЩИТЫ И ЭЛЕКТРОАВТОМАТИКИ ЭЛЕКТРОСТАНЦИЙ И ПОДСТАНЦИЙ |
РД 34.35.302-90 |
Срок действия установлен
с 23.07.1990 г.
до 23.07.2000 г.
Настоящая Инструкция определяет порядок организации, методику и последовательность производства работ при техническом обслуживании и испытаниях устройств релейной защиты и электроавтоматики РЗА.
Инструкция предназначена для персонала, занимающегося эксплуатацией и наладкой устройств РЗА, и действует наряду с «Инструкцией для оперативного персонала по обслуживанию устройств релейной защиты и электроавтоматики энергетических систем (М.: СПО Союзтехэнерго, 1978).
Инструкция выпускается взамен «Общей инструкции по проверке устройств релейной защиты, электроавтоматики и вторичных цепей» Издание второе. (М.: Энергия, 1975) и «Указаний по организации работ на панелях и в цепях устройств релейной защиты, электроавтоматики (системной и противоаварийной), управления и сигнализации на электрических станциях и подстанциях» (М.: СПО Союзтехэнерго, 1977), которые отменяются с выходом настоящей Инструкции.
Инструкции и методические указания по техническому обслуживанию отдельных видов устройств РЗА должны составляться с учетом положений настоящей Инструкции, других отраслевых нормативно-технических документов и указаний заводов-изготовителей.
Исполнители выражают благодарность работникам Ленэнерго, Днепроэнерго, Львовэнерго, давшим ряд существенных замечаний при составлении данной Инструкции.
1.1. К устройствам РЗА, на которые распространяется действие настоящей инструкции, относятся низковольтные комплексные устройства (панели, шкафы, блоки, ящики, пульты) и связанные с ними вспомогательные (вторичные) цепи (оперативного напряжения, сигнализации, управления коммутационными аппаратами, связи с вторичными обмотками измерительных трансформаторов тока и напряжения и т.п.), предназначенные для управления, электроавтоматики (включая линейную и противоаварийную) и защиты (релейной) электрооборудования электрических станций, подстанций и линий электропередачи.
1.2. Перечень устройств РЗА, техническое обслуживание которых осуществляется на основании требований настоящей Инструкции, приведен в п. 1.2 «Типового положения о службах релейной защиты и электроавтоматики» (М.: СПО Союзтехэнерго, 1981).
Требования настоящей Инструкции не распространяются на работы в устройствах и вспомогательных цепях управления, автоматики и сигнализации котельных, нагревательных, вентиляционных, осветительных, бытовых установок, а также устройств пожаротушения, охранной сигнализации и в других аналогичных цепях.
1.3. Требования настоящей Инструкции обязательны для персонала, занимающегося эксплуатацией устройств РЗА. К этому персоналу относятся работники служб релейной защиты и автоматики (СРЗА) сетевых предприятий и энергообъединений, работники электролабораторий (ЭТЛ), обслуживающие устройства РЗА на электростанциях, подстанциях, энергоучастках.
Требования настоящей Инструкции также распространяются на персонал наладочных организаций, проводящий работы по техническому обслуживанию устройств РЗА, при условии, что работы, проводимые согласно положениям настоящей Инструкции, о подаче оперативной заявки, инструктаже оперативного персонала, подготовительных операциях при допуске к работам в действующих цепях, подключении вводимых устройств РЗА к действующим, выполняются совместно с эксплуатационным персоналом, обслуживающим устройства РЗА, на которых проводятся работы.
1.4. Порядок работ по оперативному обслуживанию устройств РЗА регламентирован «Инструкцией для оперативного персонала по обслуживанию устройств релейной защиты и электроавтоматики энергетических систем» и поэтому в настоящей Инструкции отражен не полностью.
При производстве работ наряду с настоящей Инструкцией необходимо пользоваться заводской документацией, инструкциями, методическими указаниями по обслуживанию отдельных видов устройств и аппаратуры.
При отсутствии нормативно-технических документов Минэнерго СССР по обслуживанию отдельных видов устройств техническое обслуживание этих устройств производится по программам и местным инструкциям, согласованным с СРЗА энергосистемы и утвержденным главным инженером энергопредприятия.
Наряду с методами проверок, указанными в настоящей Инструкции, могут применяться и другие методы, не снижающие надежность работы устройств РЗА.
Виды, объемы и периодичность работ определяются «Правилами технического обслуживания устройств релейной защиты, электроавтоматики, дистанционного управления и сигнализации электростанций и подстанций 110 - 750 кВ» (М.: СПО Союзтехэнерго, 1989) и «Правилами технического обслуживания устройств релейной защиты и электроавтоматики электрических сетей 0,4 - 35 кВ» (М.: СПО, Союзтехэнерго, 1989)*.
*Далее в тексте Инструкции именуются Правилами технического обслуживания.
Эти правила определяют следующие виды технического обслуживания:
проверка при новом включении (наладка)**;
первый профилактический контроль;
профилактический контроль;
профилактическое восстановление (ремонт);
опробование (тестовый контроль);
технический осмотр;
внеочередная проверка;
послеаварийная проверка.
**Если проверка при новом включении производится персоналом сторонней организации, то перед проверкой устройств РЗА рабочим током и напряжением производится их приемка в эксплуатацию.
2.1.1. Работы в действующих электроустановках по техническому обслуживанию устройств РЗА со сложными внешними связями или требующие координации отдельных этапов работ, особенно охватывающих несколько объектов или связанных с большим объемом работ по сложной реконструкции устройств РЗА, выполняются, как правило, по программам.
2.1.2. Программы составляются в целях обеспечения такого порядка работ в устройствах РЗА действующих электроустановок, который не привел бы к снижению надежности работы электростанций и подстанций и был бы безопасным для персонала, проводящего эти работы.
2.1.3. В программах должны быть указаны объемы и порядок производства тех этапов работ, проведение которых связано с возможным нарушением режимов работы энергооборудования и технологических систем электростанций, тепловых и электрических сетей, энергосистем, либо при их проведении возможно ложное действие или отказ какого-либо устройства РЗА при ошибочных действиях персонала, осуществляющего техническое обслуживание устройств РЗА.
Если при производстве работ потребуется определенная последовательность операций с коммутационными аппаратами первичной сети или согласованные действия оперативного персонала и персонала, обслуживающего устройства РЗА, то это должно быть указано в программе.
Остальные этапы работ, не связанные с вышеперечисленными в настоящем пункте обстоятельствами, могут быть указаны в программе или в ней должна быть сделана ссылка на нормативно-технические документы, по которым эти этапы работы будут производиться.
2.1.4. Программа работ должна содержать:
2.1.4.1. Объект, наименование, цель, объем и последовательность работы (расширение объема по сравнению с указанным в программе не допускается).
2.1.4.2. Исходное состояние прилегающей сети энергосистемы, оборудования и устройств РЗА, если это требуется по условиям производства работ.
* Если программа не составляется, то содержание этого пункта должно быть изложено в заявке (п. 2.2.11).
а) устройства РЗА, которые должны быть выведены для обеспечения проведения работы, исключающей излишнее действие на работающее оборудование;
б) устройства РЗА, которые остаются в работе для защиты от повреждений или нарушений режима электрооборудования или линий электропередачи. Устройства РЗА, которые включаются только на время проведения работы или замены отключаемых устройств (например, подменные устройства), и их уставки;
в) устройства РЗА, которые должны отключаться только на время подготовки вспомогательных цепей (токовых, напряжения, оперативных), необходимых для проведения работы, а затем обратно включаться в работу, продолжительность их отключения и способ проверки восстановления цепей, если такая проверка требуется;
г) устройства РЗА, режим работы которых необходимо изменять (ввод оперативного ускорения, вывод направленности защит, изменение уставок и т.п.);
д) порядок операций с устройствами РЗА при выводе их из работы, т.е. последовательность и полный перечень переключений оперативными и неоперативными переключающими устройствами, отсоединений и изолировки проводов в цепях воздействия и других цепях (например, вспомогательных цепях трансформаторов напряжения), не имеющих переключающих устройств, закрытий изоляционным материалом других действующих цепей, проходящих через место работы, закорачиваний и отсоединений цепей тока и т.п.;
е) порядок ввода устройств РЗА после окончания работы, т.е. последовательность и полный перечень переключений неоперативными и оперативными переключающими устройствами, подсоединение отключенных проводников, снятие перемычек и др., а также способ проверки работоспособности устройств РЗА, цепи которых нарушались при работе (измерение токов и напряжений, опробование действий устройств РЗА на коммутационные аппараты, реле, вольтметры и т.п.).
2.1.4.4. Указания о состоянии схемы первичных соединений и режимах работы электрооборудования к моменту окончания работ с устройствами РЗА. Указания о выполнении схемы первичных соединений и режимах работы электрооборудования, которые требуются по завершении работы (при необходимости).
2.1.5. Программа на проведение технического обслуживания устройств РЗА должна составляться ответственным исполнителем и утверждаться в установленном в энергосистеме порядке.
2.1.6. Для облегчения составления программ службами РЗА (ЭТЛ) могут быть подготовлены типовые программы. Перечень таких программ определяется на месте. Требования к содержанию типовых программ такие же, как к программам разового действия. При наличии типовых программ составление программы работ упрощается и сводится к ссылке на типовую программу и при необходимости к записи дополнений к ней. Если в типовой программе содержатся исчерпывавшие сведения о порядке проведения работы, то допускается рабочую программу не составлять, сделав запись в заявке о том, что работы будут выполняться согласно типовой программе.
В качестве типовых программ или их составных частей могут быть использованы правила технического обслуживания устройств РЗА, инструкции и методические указания по техническому обслуживание устройств РЗА, «Образцы программ проведения сложных типовых операций с устройствами РЗА» (М.: СПО Союзтехэнерго, 1980).
2.2.1. На все работы по техническому обслуживанию и испытаниям устройств РЗА действующих электроустановок оформляются оперативные заявки.
2.2.2. Монтажно-наладочные работы на новых устройствах РЗА, расположенных в непосредственной близости к действующим устройствам, могут выполняться без заявок при условии, что новые устройства РЗА полностью отключены от действующих вспомогательных цепей и сам характер работ не может повлечь за собой неправильные действия устройств РЗА.
Производство монтажных и других видов работ на релейных щитах, могущих вызвать неправильные действия устройств РЗА, должно оформляться заявками на вывод соответствующих устройств или при необходимости на отключение первичного оборудования (ВЛ).
Для ввода в действие новых устройств РЗА при необходимости их подключения к действующим вспомогательным цепям это должно оформляться заявкой, в которой должны быть предусмотрены необходимые операции с другими устройствами РЗА, находящимися в действии, и содержаться указания о вводе нового устройства РЗА по отдельной заявке.
Ввод в работу новых устройств РЗА на действующем оборудовании должен оформляться соответствующими плановыми заявками. Допускается оформление одной заявкой ввод нескольких устройств РЗА с указанием очередности ввода каждого устройства.
Ввод в работу нового устройства РЗА может быть совмещен с работами по подключению этого устройства РЗА к действующим вспомогательным цепям, его проверкой под нагрузкой и на ВЧ канале. В этом случае в заявке должны быть указаны основные этапы работы и необходимые мероприятия, проводимые на действующих устройствах РЗА на каждом этапе работы.
При вводе в работу нового оборудования отдельных заявок на ввод в действие устройств РЗА этого оборудования не требуется. Операции с новыми устройствами РЗА включаются в общую программу по включению нового оборудования. При этом срок производства работ определяется сроком действия общей заявки на производство работ по данной программе. После включения оборудования под нагрузку и истечения срока действия заявки на работу по программе дальнейшее производство работ по вводу новых устройств РЗА должно оформляться отдельными заявками.
2.2.3. Производство работ в цепях устройств РЗА, требующих отключения первичного оборудования, должно оформляться как заявка на вывод оборудования в ремонт. В заявке должны быть оговорены объем и порядок переключений при отключении оборудования (переключения по программам типовых операций, отключений выключателей без разборки их схемы и т.п.).
2.2.4. Оперативные заявки должны оформляться независимо от того, включена ли данная работа в утвержденный план или на ее проведение имеются указания руководства или вышестоящих организаций.
2.2.5. Заявки делятся на следующие виды:
а) плановые - подаются на работы, выполняемые в соответствии с графиками технического обслуживания устройств РЗА;
б) неплановые - подаются на работы, необходимость проведения которых возникла в процессе эксплуатации, например, для изменения уставок и внесения изменений в схемы согласно указаниям вышестоящих служб РЗА, направленных на улучшение параметров устройств РЗА;
в) неотложные - подаются на работы, не являющиеся аварийными, но которые необходимо выполнить для предотвращения возможных аварийных отключений, а также для выявления причин отказов, излишней работы или неясных случаев срабатывания устройств РЗА, для выявления и устранения причин действия предупредительной сигнализации о неисправности аппаратуры, отклонения от нормы контролируемых параметров и др.;
г) аварийные - подаются на работы, которые требуют срочного отключения устройств РЗА в целях устранения возникших неисправностей и восстановления работоспособности устройств РЗА.
2.2.6. Заявки подаются в порядке и в сроки, определяемые действующими Положениями о порядке подачи прохождения и проработки оперативных заявок на производство работ, разрабатываемыми ЦДУ ЕЭС СССР, соответствующими территориальными ОДУ, энергосистемами, электрическими сетями и электростанциями, в диспетчерскую службу, в оперативном управлении которой находится соответствующее устройство РЗА.
2.2.7. На работы в устройствах РЗА, которые находятся в оперативном ведении и управлении дежурного подстанции, начальника смены электростанции, диспетчера электрической сети, оформляется местная заявка. Порядок оформления и подачи местной заявки определяется руководством электростанции и электрических сетей.
2.2.8. В отдельных, не терпящих отлагательства, случаях оперативные заявки на неотложные аварийные работы могут подаваться в любое время суток непосредственно дежурному диспетчеру, в управлении или ведении которого находится устройство РЗА, на котором необходимо провести работы. Дежурный диспетчер имеет право разрешить заявку лишь в пределах своей смены. Разрешение на более длительный срок должно быть дано главным диспетчером (начальником диспетчерской службы) энергопредприятия, энергосистемы, ОДУ, ЦДУ ЕЭС СССР.
2.2.9. Оперативная заявка на работы в устройствах РЗА и во вспомогательных цепях подготавливается персоналом СРЗА (ЭТЛ) при обязательном участии ответственного исполнителя этой работы. Исключение может допускаться только для заявок на проведение аварийных работ.
2.2.10. Заявка должна быть тщательно подготовлена, при ее составлении должны быть предусмотрены меры по:
а) обеспечению полноценной защиты; оборудования линий электропередачи другими устройствами РЗА от всех видов повреждений, удовлетворяющей требованиям быстродействия, чувствительности и, по возможности, селективности. Если это условие не выполняется должна быть осуществлена временная защита или присоединение должно быть отключено;
б) предотвращению возможности ошибочного отключения работающего оборудования и линии электропередачи при проведении работы;
в) исключению нарушения режима работы и обеспечению резервного питания потребителей или проведению других мероприятий при ошибочном отключении присоединения в связи с проводимыми работами по заявке;
г) обеспечению режима работы электрооборудования и линий электропередачи, необходимого для проверки устройства РЗА токами нагрузки. Для этого следует предварительно по предполагаемым значениям перетоков активной и реактивной мощности определить ориентировочное значение и фазу вектора вторичного тока и поведение проверяемого устройства РЗА.
2.2.11. В содержании подготовленной заявки должны быть указаны:
а) операции с устройствами РЗА в процессе выполнения работ. Если имеется программа или специальное указание на проведение работы, прикладываемые к заявке, то порядок операции с устройствами РЗА в заявке не указывается, а дается лишь ссылка на эту программу или указание, на их номер и дату.
При их отсутствии в заявке должен быть приведен перечень мер, предотвращающих непредусмотренные воздействия на оборудование (как работающее, так и выведенное в ремонт) и на цепи других устройств РЗА согласно п. 2.1.4.3;
б) время аварийной готовности ввода устройства РЗА в работу;
в) все другие условия проведения работы по заявке в соответствии с п. 2.2.
Если при проведении работ по заявке могут возникнуть непредусмотренные нарушения быстродействия, чувствительности (в том числе резервирования смежных участков), селективности или снижение надежности работы, а также опасность ошибочного отключения, то все это должно оговариваться в заявке.
2.3.1. К любым работам по разрешенной заявке и оформленным в соответствии с правилами техники безопасности нарядами или распоряжениями можно приступать только по разрешению диспетчера, в управлении которого находится данное устройство РЗА, полученному непосредственно перед началом работ. Перед выдачей такого разрешения диспетчер и перед обращением за получением его дежурный должны проверить, не возникли ли какие-либо причины, препятствующие проведению работ в сроки и в условиях, указанных в разрешенной заявке.
2.3.2. До начала допуска для работы по заявке персонал, допускаемый к работе, обязан:
а) подготовить необходимую для проведения работы документацию на устройство РЗА (паспорта-протоколы, принципиальные и монтажные схемы, техническое описание и инструкции по эксплуатации, методические указания или инструкции по техническому обслуживанию, рабочие журналы и в случае необходимости письма и пояснительные записки по уставкам;
б) записать в рабочем журнале маркировку цепей, которые должны быть отключены при выводе устройств РЗА из работы, с указанием номеров выводов, аппаратов, реле и пр. Для этой цели удобно составлять таблицы, в которых отмечаются все выполняемые в цепях устройств РЗА операции как при выводе их из работы, так и при вводе в работу. При использовании типовых программ необходимо произвести сверху отключаемых цепей, указанных в типовой программе, с исполнительными схемами для исключения ошибок в случае ранее выполненной реконструкции схем устройств РЗА;
в) подготовить необходимые приборы, испытательную аппаратуру и все необходимое для сборки схемы для проведения проверок устройств РЗА;
г) подготовить необходимый инструмент и приспособления для удобного и безопасного проведения работ;
д) обеспечить освещенность рабочего места.
2.3.3. Подготовка к проведению работы по заявке на устройствах РЗА производится как оперативным персоналом в части переключающих устройств, которыми ему разрешено выполнять операции (испытательные блоки, накладки, переключатели, автоматы и т.п.), так и персоналом СРЗА (ЭТЛ), допускаемым к производству работы, в части отсоединения цепей, аппаратов, реле и т.п.
а) выяснить, имеются ли какие-либо дополнительные ограничения по проведению работы в соответствии с указаниями вышестоящих оперативных служб при разрешений заявки, оценить их с оперативной точки зрения применительно к текущему режиму работы электростанции (подстанции);
б) выполнить необходимые отключения и включения первичного оборудования (при этих операциях присутствие персонала, допускаемого к работе, не является обязательным);
в) провести инструктаж бригады, которая будет производить работы, в том числе производителя работы по заявке, обязательно указав, какое время отведено при разрешении заявки на выполнение работы и какие дополнительные условия и ограничения должны выполняться при этом;
г) отключить (вывести из работы) накладками, ключами, предохранителями, испытательными блоками (если оперативный персонал имеет право ими оперировать) и т.п. устройства РЗА, указанные в заявке, для проведения работы);
д) закрыть изолирующими шторками или оградить панели (или их отдельные части) устройств РЗА, находящиеся рядом с теми, на которых будут проводиться работы по заявке. Панели должны закрываться как с лицевой, так и с задней сторон. Там где отсутствует техническая возможность выполнить закрытие части устройств РЗА, остающихся в работе, шторками или ограждениями, допускается это требование не выполнять, но работать следует с особой тщательностью и повышенной осторожностью;
е) выполнить все мероприятия в соответствии с требованиями ПТБ;
ж) произвести допуск к работе бригады в соответствии с нарядом или распоряжением на проведение работы по заявке.
2.3.5. Во время допуска руководитель (если он назначен) и производитель работ должны выяснить у допускающего, какие меры приняты при подготовке рабочих мест, и проверить эту подготовку личным осмотром в пределах рабочих мест. Они должны убедиться в:
а) соответствии первичной схемы соединений условиям производства работ по положению коммутационной аппаратуры. При допуске к работе в открытых и закрытых распределительных устройствах коммутационная аппаратура должна быть осмотрена на месте. При проведении работы в релейных залах и на щитах управления проверка первичной схемы соединений производится по положению сигнальных устройств, сигнальным лампам и показаниям измерительных приборов;
б) правильности положения отключающих устройств в цепях РЗА, которыми оперировал оперативный персонал. Положение отключающих устройств должно соответствовать условиям разрешенной заявки. Обязательный контроль со стороны персонала СРЗА не снимает полноты ответственности оперативного персонала за правильность положения переключающих устройств, которыми ему разрешено выполнять операции;
в) выполнении всех остальных требований разрешенной заявки на проведение данной работы;
г) достаточности ограждений места работы, соседних панелей рядов выводов остающихся в работе реле и другой аппаратуры, выполненных согласно п. 2.3.4, д.
2.3.6. После допуска к работе оперативным персоналом производитель работы из персонала СРЗА энергопредприятия должен приступить к дальнейшей подготовке рабочего места для проведения работы по заявке. При этом, а также в процессе проведения работы производителю работ и членам бригады, производящим работу, запрещается без разрешения оперативного персонала выполнять какие-либо работы на любом другом действующем оборудовании, кроме того, куда был произведен допуск к работе.
Подготовка рабочего места персоналом СРЗА энергопредприятия заключается в отсоединении устройств РЗА, на которых должны производиться работы по заявке. Отсоединение необходимо производить, как правило, мостиками измерительных зажимов или отключением и изолированием проводников на рядах зажимов с соблюдением мер предосторожности, исключающих возможность ошибочного отключения или включения выключателей, нарушения исправности цепей напряжения, тока, оперативных и пр. Такими мерами являются:
а) предварительное отключение устройств РЗА ключами, накладками (отключающими устройствами), рубильниками, автоматическими выключателями и предохранителями, выполняемое оперативным персоналом при подготовке рабочего места, согласно п. 2.3.4. При необходимости производителем работ выполняются дополнительные отключения снятием крышек испытательных блоков, штеккеров специальных размеров, разъемов, ключами и предохранителями, не находящимися в управлении оперативного персонала;
б) применение специального изолированного инструмента;
в) тщательный контроль вторым лицом, входящим в состав бригады, за правильностью отсоединения по предварительно составленным программам и таблицам.
а) размыкаются путем отсоединения выходные цепи, через которые может произойти непосредственное отключение и включение выключателей, отделителей, короткозамыкателей, АГП, посадка стопорных клапанов турбины, воздействия на ЭЧСР, другие непредусмотренные воздействия, изменяющие режимы работы энергетического оборудования, а также те цепи, через которые указанные воздействия могут произойти косвенно (УРОВ, АПВ, устройства телеотключения, противоаварийной автоматики, пожаротушения и т.п.). Указанные цепи должны быть не только отсоединены, но и надежно изолированы;
б) отключаются цепи оперативного напряжения;
в) отсоединяются цепи тока без размыкания остающихся в работе цепей. На время переключений в указанных цепях, если подключенные к ним другие устройства РЗА, остающиеся в работе, могут сработать ложно от несимметрии и это оговорено в программе (заявке), они должны быть временно выведены оперативным персоналом. Перед их обратным вводом в работу следует проверить исправность цепей тока остающихся в работе устройств РЗА.
Устройства РЗА, которые соединены по цепям тока с отключаемым устройством РЗА для производства работ внутри панели и не могут быть отсоединены от него с помощью испытательных блоков или на рядах выводов, должны быть выведены накладками на все время работы, и их действующие цепи (отключения, включения, напряжения, оперативного тока и пр.) должны быть по возможности закрыты изолирующими шторками;
г) отключаются и изолируются цепи напряжения. Оперативный персонал должен быть предупрежден о производимых отключениях цепей напряжения для принятия мер в случае возможного короткого замыкания в этих цепях и необходимости быстрого включения автоматических выключателей или замены предохранителей. На устройствах РЗА без отсоединения и изолирования действующих цепей напряжения производить работы запрещается, за исключением проверок рабочим током и напряжением и измерений напряжения;
д) отсоединяются другие цепи, связывающие проверяемые устройства РЗА с другими устройствами, если это необходимо по условиям производства работ. К таким цепям относятся: цепи сигнализации, пуска осциллографов и фиксирующих приборов, связи с ЭВМ и т.п., цепи других устройств РЗА, воздействующих на проверяемое устройство, и т.п.
2.3.8. В рабочей тетради или в программе должны делаться отметки обо всех произведенных отсоединениях цепей.
2.3.9. При невозможности выполнения мероприятий, указанных в п. 2.3.7, работа на устройствах РЗА должна производиться либо при отключенных выключателях, на которые может подействовать устройство РЗА, либо по заявке, в которой предусматриваются возможность ошибочного отключения (включения) выключателей и мероприятия для их быстрого обратного включения.
2.4.1. Порядок и методика проведения работ по техническому обслуживанию устройств РЗА приведены в разд. 3.
2.4.2. Производитель работ в устройствах РЗА действующих электроустановок должен назначаться из числа персонала СРЗА (ЭТЛ), обученного и допущенного к самостоятельным проверкам соответствующих устройств.
Персонал, не имеющий допуска к самостоятельной проверке какого-либо устройства РЗА, может производить работы на таком устройстве, находящемся в работе, в составе бригады, в которой производитель работ имеет допуск к самостоятельной проверке устройства РЗА.
Во всех случаях, когда работы на устройствах РЗА производятся персоналом, не допущенным к их самостоятельной проверке, ответственность за выполняемую этим персоналом работу несет допущенный к проверкам производитель работы или лицо, разрешившее проведение работы.
2.4.3. Производителя работ и членов бригады, производящих работы на устройствах РЗА по разрешенной заявке до окончания работы, запрещается отвлекать на другие работы, не связанные с выполнением работы по заявке. Исключение допускается только для выполнения работ по ликвидации аварий, пожаров и стихийных явлений.
2.4.4. Включения и отключения первичных коммутационных аппаратов, требующиеся по условиям производства работы и выполняемые персоналом, производящим эти работы, должны проводиться в соответствии с пп. 10.1, 10.2, 10.6 ПТБ.
2.5.1. После окончания проверки устройства РЗА от посторонних источников тока производится их проверка (током нагрузки и рабочим напряжением) методами, указанными в п. 3.12, а также в инструкциях и методических указаниях по проверкам отдельных устройств РЗА.
Для такой проверки в устройство РЗА подается переменный ток от трансформаторов тока и напряжение от трансформаторов напряжения, а также оперативное напряжение в случаях, когда оно необходимо для питания измерительных органов или индикации их срабатывания.
При работах в цепях тока (в том числе при проверке устройства током нагрузки) должны быть выведены из работы устройства РЗА, указанные в п. 2.3.7, в.
Все переключения в цепях тока и напряжения при проверках рабочим торсом и напряжением должны производиться с особой осторожностью.
Анализ поведения устройств РЗА при проверке рабочим током и напряжением должен производиться в соответствии с п. 3.12, а также согласно инструкциям и методическим указаниям по проверке отдельных устройств РЗА сразу же после снятия векторных диаграмм и проведения необходимых имитаций.
2.5.2. По окончании проверки рабочим током и напряжением производится соединение всех цепей, отсоединявшихся ранее в соответствии с п. 2.3.7, в порядке, указанном в п. 2.5.3, в - е.
Обо всех соединениях делается отметка в рабочей тетради или программе против отметки, выполнявшейся при отсоединении. Такой порядок обеспечивает соединение всех отсоединявшихся ранее цепей.
По окончании соединения цепей измеряются напряжения от трансформатора напряжения на устройстве РЗА во всех цепях, на которых производились работы, токи в фазном и нулевом проводах цепей тока. После проверки рабочим током и напряжением производить какие-либо работы в токовых цепях, в цепях трансформаторов напряжения и в измерительных органах устройства РЗА запрещается.
а) цепи напряжения;
б) цепи тока. При этом должны быть выведены из работы все остальные устройства РЗА, которые могут сработать ложно от несимметрии, подключенные к этим цепям тока и остававшиеся ранее в работе. Обратное включение в работу этих устройств РЗА производится после окончания проверки током нагрузки и рабочим напряжением проверяемого устройства и проверки обтекания цепи тока остальных устройств током нагрузки. После этого производится проверка током нагрузки и рабочим напряжением проверяемого и всех других устройств РЗА, подключенных к общим с ним цепям тока. При необходимости подключить цепи оперативного напряжения к устройствам РЗА перед проверкой током нагрузки и рабочим напряжением;
в) цепи оперативного напряжения. После этого проверяется положение реле на панели. Если положение реле правильное, работа выполняется дальше;
г) цепи сигнализации;
д) цепи связей данного устройства РЗА с другими устройствами РЗА;
е) цепи отключения и включения коммутационных аппаратов.
2.5.4. На подготовленном к включению в работу устройстве РЗА запрещается даже на короткий срок оставлять разрывы в каких-либо цепях на мостиках рядов выводов за исключением случаев, когда эти разрывы предусмотрены схемой устройства для установления определенного режима работы. При необходимости оставить какую-либо цепь временно разомкнутой следует выполнить ее разрыв вне рядов выводов, например, накладкой или вынув крышку испытательного блока.
2.5.5. После полного окончания всех работ необходимо проверить отсутствие «плюса» оперативного напряжения на накладках в цепях отключения и включения коммутационных аппаратов, связей устройств РЗА с другими устройствами.
2.5.6. После присоединения связей с другими устройствами РЗА, отключающих цепей и их опробования на устройстве РЗА не должны выполняться какие бы то ни было работы, за исключением оперативного обслуживания.
2.6.1. Если проводились пусконаладочные работы на вновь вводимых, расширяемых или реконструируемых энергообъектах наладочной организацией, то после окончания (или в процессе проведения) работ должна быть проведена приемка устройств РЗА эксплуатирующей организацией.
Приемка производится представителем СРЗА (ЭТЛ), за которым закрепляется вновь вводимое устройство РЗА, или другим лицом, допущенным к самостоятельной проверке этого типа устройств РЗА, назначаемым руководством СРЗА (ЭТЛ). Приемка производится с участием представителя наладочной организации, проводившего наладку. В процессе приемки принимающий должен проверить, чтобы наладочные работы были выполнены с необходимым качеством и в объеме, не меньшем регламентированного объема проверок при новом включении действующими правилами технического обслуживания устройств РЗА или согласно предусмотренной программе, и исполнительные схемы устройств РЗА соответствовали проектным принципиальным схемам с учетом выполненных в установленном порядке корректировок. При проведении приемки производится внешний осмотр, при необходимости выборочная проверка отдельных элементов устройств, проверка временных характеристик устройства РЗА в полной схеме, проверка взаимодействия с другими устройствами РЗА и коммутационными аппаратами, проверки устройств РЗА, расположенных на разных объектах, проверки устройств РЗА первичным током и напряжением. Для проведения работ представляется техническая документация согласно п. 2.7.3.
Перед их вводом в работу производитель работ (представитель СРЗА (ЭТЛ) должен подробно проинструктировать оперативный персонал с демонстрацией (имитацией) на месте операций, предусмотренных инструкцией по оперативному обслуживанию устройства РЗА. Инструктаж проводится для одной работающей смены оперативного персонала. Остальным сменам инструктаж передается старшим оперативным лицом или сдаче-приемке дежурства. Оперативный персонал подстанций без постоянного дежурства для получения инструктажа должен прибыть на подстанцию. Без проведения инструктажа оперативного персонала включение в работу устройств РЗА не должно допускаться. Аналогичный инструктаж производится после реконструкции устройства РЗА, повлекшей изменение порядка его обслуживания оперативным персоналом.
2.6.3. По окончании работ проводивший их производитель должен сделать запись в журнале релейной защиты на щите управления о проведенной работе, состоянии устройства РЗА и его готовности к включению в работу согласно п. 2.7.8.
Если проводились пусконаладочные работы, то запись в журнале релейной защиты делают ответственные исполнители наладочной организации и службы РЗА, принявшей в эксплуатацию устройство РЗА.
Запрещается ввод в работу устройств РЗА при отсутствии записи в журнале релейной защиты, указывающей на возможность такого включения.
а) состояние рядов зажимов;
б) общее состояние монтажа и отсутствие отсоединенных неизолированных проводов, наличие необходимых надписей, наличие таблиц положений переключающих устройств для используемых режимов;
в) положение указательных реле, накладок, ключей, рубильников, кнопок, крышек испытательных блоков, разъемов и т.п.;
г) наличие и исправность сигнальных ламп и соответствие их состояния режиму;
д) показания измерительных приборов высокочастотных аппаратов, контрольных устройств и т.п.
2.7.1. Исполнительные схемы, по которым производятся работы, должны быть выверены и полностью соответствовать фактически выполненному монтажу устройства РЗА. Все отсоединенные цепи и выводы, на которых не включены контактные мостики или перемычки, должны быть четко указаны в схемах. Исполнительная схема должна содержать надпись «Схема исполнительная» и быть подписана ответственным лицом службы РЗА (ЭТЛ), осуществляющей эксплуатацию устройства РЗА.
Исполнительными схемами являются откорректированные при монтаже и наладке принципиальные схемы и схемы соединений (монтажные схемы) или выполненные на их базе развернутые принципиальные и монтажные схемы. Для сложных комплектных устройств РЗА в качестве исполнительных схем, кроме указанных выше используются откорректированные схемы технических описаний завода-изготовителя.
Исполнительные схемы должны соответствовать проектным (или заданным вышестоящей службой РЗА). Если в этих схемах имеются отличия от проектных, то в примечаниях должно быть разъяснено, почему и кем эти отличия внесены, и дана ссылка на документ (акт технического решения, письмо вышестоящей организации, циркуляр и др.).
Принципиальные схемы устройств РЗА до начала наладочных работ согласовываются со службой РЗА той ступени управления, к которой относится устройство РЗА (по оперативному управлению, в соответствии с диспетчерской подчиненностью). На схемах должна быть надпись «Согласовано» и подпись ответственного лица службы РЗА.
Исполнительные принципиальные схемы устройств РЗА должны высылаться в службу РЗА энергосистемы (или службу РЗА территориального ОДУ ЦДУ).
2.7.2. Инструкции по обслуживанию вводимых устройств РЗА должны быть подготовлены и утверждены главным инженером (главным диспетчером) энергопредприятия перед вводом в работу устройств РЗА. Также должны быть подготовлены таблицы положений переключающих устройств для используемых режимов.
а) протоколы наладки устройств РЗА, оформленные в соответствии с действующими формами протоколов. Допускается также применение вместо протоколов наладки паспортов-протоколов, разработанных энергосистемами в соответствии с действующими формами протоколов.
Если отсутствуют действующие формы протоколов на вводимое устройство, то временно, до разработки типовой формы протоколов, допускается применение протоколов, разработанных наладочной организацией.
Для тех устройств РЗА, окончательная приемка которых производится в процессе проведения завершающих этапов наладочных работ (проверки взаимодействия с другими устройствами РЗА и коммутационными аппаратами, проверка рабочим током и напряжением и т.д.), протоколы временно передаются лицу, осуществляющему приемку, на период проведения предварительной приемки без оформления в них результатов завершающих этапов проверок. Окончательное оформление и передача эксплуатационному персоналу этих протоколов производится в двухмесячный срок после полного окончания работ;
б) скорректированные исполнительные схемы.
2.7.4. Если производится реконструкция устройства РЗА, то после окончания монтажных работ должны быть составлены точные исполнительные схемы этого устройства либо откорректированы проектные схемы в соответствии с внесенными при монтаже изменениями.
2.7.6. Включение в работу устройств РЗА при отсутствии исполнительных схем не допускается.
2.7.8. Кроме указанных в пп. 2.7.5 - 2.7.7 мероприятий перед вводом устройства РЗА в работу делается запись в журнале релейной защиты, которая должна содержать:
а) сведения о проведенной работе;
б) изменения в порядке обслуживания;
в) готовность к включению устройства в работу.
С записью в журнале РЗА должен ознакомиться весь оперативный персонал, в зону обслуживания которого входит вводимое устройство РЗА, и расписаться об ознакомлении. Журнал должен периодически просматриваться в целях контроля правильности внесенных записей руководством СРЗА (ЭТЛ) и администрацией структурного подразделения, что также удостоверяется их подписями.
2.7.9. Сразу после ввода устройства РЗА в работу либо перед его вводом вносятся изменения в карты уставок, таблицы допустимых нагрузок, паспорта-протоколы, таблицы положений переключающих устройств для используемых режимов.
В кратчайший срок персонал СРЗА (ЭТЛ), допущенный к самостоятельной проверке вводимого устройства РЗА, должен передать в СРЗА энергообъединения сведения о выполненных уставках.
2.7.10. Сведения о дефектах и недостатках в схемах устройств РЗА необходимо направлять в проектные организации, на заводы-изготовители аппаратуры и оборудования, в службы РЗА энергосистем, в чьем управлении или ведении находятся устройства РЗА, для принятия мер по их устранению, учету, анализу и обобщению.
3.1.1. Подготовить необходимую для проведения работы документацию:
а) исполнительные принципиальные и монтажные схемы, а также развернутые принципиально-монтажные схемы, если таковые имеются. Производить какие-либо работы на устройствах РЗА без исполнительных принципиальных и монтажных схем запрещается;
б) инструкции или методические указания по техническому обслуживанию (наладке) проверяемых устройств РЗА;
в) технические описания и инструкции по эксплуатации (заводская документация)1 на проверяемые устройства РЗА;
1 При отсутствии такой документации должны быть направлены запросы на заводы-изготовители.
г) паспорта устройств РЗА и оборудования (или данные заводских испытаний) и бланки протоколов наладки для внесения в них результатов проверки (только при новом включении);
д) паспорта-протоколы (исключая новое включение);
е) рабочие тетради (для текущих записей и сверки результатов с результатами предыдущего технического обслуживания);
ж) уставки защит, выданные службой РЗА;
з) документы по изменению схем уставок РЗА (письма СРЗА, циркуляры и т.п.).
3.1.2. Произвести (при новом включении или реконструкции) проверку принципиальных и монтажных схем, при которой проверить соответствие:
а) аппаратуры номинальному напряжению схемы и соответствующему оборудованию (коэффициенты трансформации трансформаторов тока и напряжения, характеристики приводов и т.д.)
В отдельных случаях (изменение проекта, реконструкция токовых цепей и т.п.) следует произвести проверку трансформаторов тока на допустимую погрешность;
б) контактных систем работе схемы, а шкал уставок реле - заданным уставкам. Для герконовых реле следует обратить внимание на соответствие допустимого напряжения на контактах реле номинальному напряжению схемы и наличие искрогасительных контуров в цепях нагрузки контактов;
в) технических требований, предъявляемых к схеме (взаимодействие и последовательность операций, необходимость и достаточность оперативных накладок с точки зрения оперативного обслуживания и возможности вывода устройства для технического обслуживания и др.), выполненной проектной принципиальной схеме.
3.1.3. Произвести (при новом включении или реконструкции) анализ правильности работы схемы по отдельным цепям (переменного тока и напряжения, по оперативным цепям управления, блокировки, защиты, автоматики и т.д.) и в целом всего устройства в целях устранения возможности появления ложных цепей или неправильной работы схемы при повреждении в отдельных элементах схемы. При этом необходимо проверить:
а) в цепях сигнализации - значение добавочных сопротивлений резисторов, правильность подключения цепей сигнальных реле, работу схемы при одновременном появлении максимально возможного количества сигналов;
б) в цепях переменного тока защит - правильно ли суммируются токи по фазам для направленных и дифференциальных защит, а для дифференциальных защит силовых трансформаторов, блоков генератор-трансформатор - схемы соединений трансформаторов тока;
в) в цепях управления выключателей - работу схемы в различных положениях ключей управления и выбора режимов и блокировки от многократного включения выключателя на короткое замыкание;
г) в цепях трансформатора напряжения - правильность заземления вторичных обмоток трансформатора напряжения и правильность выбора защиты от токов короткого замыкания;
д) в цепях управления реверсивными пускателями - работу блокировки от одновременного включения обоих пускателей;
е) в оперативных цепях и в цепях трансформатора напряжения - селективность автоматических выключателей и предохранителей, установленных в этих цепях;
ж) правильность функционирования устройств РЗА при подаче и снятии оперативного напряжения;
з) соответствие монтажных схем принципиальным схемам;
и) выполнение требований директивных документов.
Весь указанный выше анализ удобно производить в процессе составления развернутых принципиально-монтажных схем.
3.1.4. При необходимости - разработать, согласовать и утвердить программу работ согласно п.2.1.
3.1.5. Подготовить испытательные устройства, измерительные приборы, инструмент, приспособления, соединительные провода и необходимые запасные части, дополнительные светильники (при недостаточной освещенности рабочего места).
3.1.6. После допуска к работе с разрешения и под контролем оперативного персонала произвести подготовку рабочего места согласно пп. 2.3.4 - 2.3.9.
3.2.1. Осмотру подлежат все элементы проверяемого устройства: релейная и коммутационная аппаратура; проводка и ряды выводов на щитах управления, в релейных залах, в распределительных устройствах, в приводах выключателей и разъединителей, в шкафах сборок выводов; кабельные каналы и лотки, контрольные кабели, их концевые разделки и соединительные муфты, трансформаторы тока и напряжения, высокочастотное оборудование и т.д.
3.2.2. При внешнем осмотре необходимо проверить:
а) выполнение требований «Правил устройства электроустановок». Шестое издание, переработанное и дополненное. - М.: Энергоатомиздат, 1985 (гл. 3.4), «Правил технической эксплуатации электрических станций и сетей». 14-е издание, переработанное и дополненное. - М.: Энергоатомиздат, 1989. (§5.9.19 - 5.9.26) и других директивных документов, относящихся к проверяемому устройству или к отдельным его узлам, а также соответствие проекту установленной аппаратуры и контрольных кабелей;
б) надежность крепления и правильность выполнения заземлений самой панели, ящиков, устройств РЗА и установленной там аппаратуры;
в) отсутствие механических повреждений аппаратуры, состояние изоляции выводов реле и другой аппаратуры. На шпильки реле желательно надеть изоляционные трубки, а в случае переднего присоединения под выводы реле желательно подложить изолирующие прокладки (за исключением разъемов СУРА);
г) состояние монтажа проводов на панелях, шкафах, ящиках и т.п. Должны отсутствовать неизолированные провода и жилы кабеля. Наиболее целесообразна прокладка проводов в пучках, скрепленных скобками или нитками. В местах прохода проводов через отверстия не должно быть коррозии, острых углов и заусенцев;
д) отсутствие на смежных зажимах цепей, случайное соединение которых может вызвать отключение и включение присоединения, короткое замыкание в цепях постоянного тока;
е) надежность и правильность выполнения ответвлений от шинок (должна обеспечиваться возможность отсоединения и присоединения любого отходящего провода под напряжением и без нарушения разводки основной цепи);
ж) соответствие марки и сечения кабелей проекту (отступление от проекта должно быть согласовано с соответствующей службой РЗА);
з) состояние кабелей по трассе прокладки (целостность брони или защитной оболочки и правильность их заземлений, окраска брони, очистка кабелей от джутового покрова), соответствие раскладки кабелей по трассе проекту, состояние конструкций для крепления кабелей, правильность выполнения защиты от механических повреждений, герметичность уплотнений труб, используемых для механической защиты кабелей наружной прокладки, герметичность уплотнений в местах прохождения кабелей через стены и междуэтажные перекрытия, выполнение мер противопожарной безопасности в пределах существующих зон обслуживания;
и) качество монтажа и подключения кабелей с алюминиевыми жилами.
Изгибы алюминиевых жил кабелей должны выполняться с помощью шаблона, обеспечивающего трехкратный радиус изгиба по отношению к наружному диаметру жилы. Изгибы плоскогубцами и повторные перегибы не допускаются. Резервные алюминиевые жилы кабеля не следует скручивать в спираль. Их необходимо увязывать в жгут и закреплять за конструкцию панели (шкафа);
к) достаточность длины резервных жил, которая должна позволять подключение с запасом к наиболее удаленному зажиму. Концы резервных жил должны быть изолированы и убраны под перфорацию;
л) правильность и качество выполнения концевых разделок кабелей, исключающих проникновение влаги, вытекание мастики и кабельной массы, наличие защиты резиновой изоляции жил кабеля от разделки до сборки зажимов, а для кабелей с бумажной изоляцией замена бумажной изоляции хлорвиниловыми трубками или лентой (хлорвиниловой или тафтяной) на лаке или эпоксидной смоле, надежность защиты кабельных разделок от дождя и снега, надежность выполнения кабельной связи и подключения газовых реле.
Подводка к газовым реле должна выполняться кабелями с маслостойкой изоляцией (бумажной, пластмассовой, хлорвиниловой). Подключение кабелей непосредственно к газовым реле производить через специальные коробки, которые обеспечивают необходимую герметичность, исключающую проникновение влаги и масла;
м) герметичность уплотнений отверстий и крышек в шкафах, исправность замков, правильность и надежность крепления кабелей, уплотнений выводных отверстий для кабелей, наличие и соответствие проекту нагревательных элементов;
н) у трансформаторов тока и напряжения - отсутствие течи масла, мастики, отсутствие трещин на выводных изоляторах вторичных обмоток, исправность и затяжка зажимов, наличие маркировки;
о) наличие в цепях каждой группы электрически (гальванически) связанных вторичных обмоток трансформаторов тока и напряжения отдельного заземления в регламентированном месте. В схемах дифференциальной защиты, использующих две и более группы трансформаторов тока, заземление должно быть только в одной точке. После отделения одной из групп трансформаторов тока от общей схемы защиты должно быть обеспечено ее независимое заземление. Неиспользуемые вторичные обмотки трансформаторов тока должны быть закорочены и заземлены;
п) отсутствие закорачивающих перемычек в испытательных блоках цепей напряжения и оперативного тока и правильность сборки перемычек в испытательных блоках цепей, а также других блоках, если это предусмотрено схемой и подключение к ним цепей от трансформаторов тока. Цепи от трансформаторов тока, трансформаторов напряжения и источников оперативного тока должны подходить к блокам снизу. При снятой крышке блоков, установленных в токовых цепях, их цепи должны закорачиваться и остаться заземленными со стороны трансформаторов тока.
Если суммирование тока от разных комплектов трансформаторов тока производится на измерительных выводах панели, то соединение этих выводов надо производить со стороны панели в соответствии с рис. 1;
Рис. 1. Схема суммирования вторичных токов на выводах панели
р) направление перевода накладок и ключей установки режима из положений, соответствующих основному рабочему режиму, в положения, соответствующие другим режимам. Это направление всегда должно быть справа налево;
с) состояние и правильность выполнения заземлений конденсаторов связи высокочастотных каналов защиты и автоматики;
т) наличие на панелях надписей с обслуживаемых сторон, указывающих присоединение, к которому относится панель, ее назначение и порядковый номер, а на установленной на панелях аппаратуре - наличие надписей, указывающих ее наименование и назначение в соответствии с исполнительными схемами и оперативными наименованиями элементов первичной схемы. Таблички с надписями должны устанавливаться под аппаратурой, к которой они относятся. Если конструкция или заводское исполнение панели или шкафа не позволяет выполнить указанное требование (например, на некоторых панелях каркасно-реечного типа), допускается устанавливать таблички с надписями в другом месте, но как можно ближе к правому нижнему углу аппарата, к которому табличка относится. Надписи должны быть четкими и не допускать их различного толкования.
На панелях с аппаратурой, относящейся к разным присоединениям или разным устройствам РЗА одного присоединения, должны быть четкие разграничительные линии. Эти линии могут наноситься непосредственно на панели или на дополнительно устанавливаемые полосы из картона и подобного изоляционного материала (на панелях каркасно-реечного типа);
у) правильность надписей на бирках и достаточность бирок, маркирующих кабели, маркировки жил кабелей и проводов;
ф) наличие маркировок крышек испытательных блоков и разъемов, если они выполнены по специальной схеме, отличной от стандартной;
х) соответствие условий работы изделий состоянию окружающей среды.
Приведены общие указания по осмотру и проварке механической части аппаратуры.
Особенности аппаратуры и проверки ее механической части рассматриваются в специальных инструкциях или методических указаниях по отдельным типам реле и устройств.
3.3.1. При осмотре следует проверить:
а) целостность кожухов и стекол реле и надежность их уплотнений в соответствии со степенью защиты, оговоренной в технической документации;
б) наличие и целостность всех деталей реле;
в) надежность креплений всех деталей аппаратуры. Все жестко закрепленные (или скрепленные) детали не должны иметь люфта. Крепящие винты, гайки и контргайки должны быть затянуты до отказа. Выводные контактные винты и шпильки не должны проворачиваться;
г) правильность установки подвижных систем, отсутствие препятствий для их перемещения в требуемых пределах при любой уставке реле, наличие и надежность упоров, наличие и надежность зазоров между вращающимися и неподвижными деталями, отсутствие искривлений осей, наличие необходимого продольного люфта и др.;
д) целостность, правильность установки, надежность крепления противодействующих, возвратных, ведущих и других пружин; равномерность зазоров между витками спиральных пружин при любой их затяжке, возможной при изменении настройки или положения подвижной системы реле. Правильность установки безмоментных контактных подвижных соединений;
е) правильность установки механических передач, наличие свободного хода шестеренок и червячных пар, достаточность глубины их зацепления;
ж) четкость хода часовых механизмов (проверяется без их разборки, на слух), надежность и равномерность вращения их подвижных частей при работе механизма;
з) целостность и правильность установки подпятников и правильность заточки осей. Оценка состояния подпятников и концов осей производится без разборки по отсутствию затираний. Только при наличии затираний подпятник вывертывают и проверяют. Исправность агатовых подпятников (отсутствие трещин и выкрошиваний) проверяют, прощупывая кратер стальной иголкой. Бронзовые подпятники и концы осей осматривают через лупу. Подпятники ни в коем случае не следует смазывать;
и) правильность установки тормозных постоянных магнитов, равномерность зазоров, отсутствие затираний в междуполюсном пространстве;
к) целостность выводов и катушек реле, резисторов, отсутствие их механических повреждений, отсутствие следов термического разрушения изоляции;
л) состояние и целостность изоляции соединительных проводов внутри аппаратуры. Применение в аппаратуре проводов в резиновой изоляции не допускается (резина выделяет серу, покрывающую серебряные контакты реле темным налетом);
м) правильность регулировки, ход, нажим и чистоту контактов;
н) надежность контактных соединений и паек, которые можно проверить без разборки элементов. Все винты и гайки, прикрепляющие соединительные провода к контактам, выводным зажимам и другим элементам реле, должны быть надежно закреплены. Оконцеватели не должны касаться один другого и должны быть удалены от кожухов реле. Пайка должна иметь чистую поверхность, достаточную механическую прочность и лаковое или иное покрытие, если оно предусмотрено техническими условиями на аппаратуру. Наличие антикоррозионного покрытия на выводах и контактных соединениях, установленных на открытом воздухе и в помещениях с агрессивной средой;
о) отсутствие грязи, пыли и посторонних предметов (металлических стружек и опилок) на деталях реле и зазорах;
п) состояние и правильность регулировки блок-контактов приводов выключателей, разъединителей, автоматических выключателей и другой аппаратуры (размеры люфтов, правильность регулировки рычажной передачи, надежность замыкания и размыкания контактов, их чистота), соответствие их положений принципиальной схеме, наличие незамерзающей смазки всех движущихся частей за исключением контактов.
3.3.2. Для реле и панелей РЗА, выполненных с применением полупроводниковых элементов и ИМС, дополнительно следует проверить:
а) надежность крепления направляющих планок для установки модулей и блоков в кассетах;
б) наличие свободного хода (около 2 - 3 мм) у пружин крепящих винтов (для розеток разъема РП14-30, обеспечивающих электрическое соединение модуля с кассетой);
в) места установки панелей и шкафов, которые должны быть защищены от попадания брызг воды, масел, эмульсий, а также от прямого воздействия солнечной радиации;
г) качество пайки и целостность печатного монтажа. Печатный монтаж не должен иметь видимых повреждений в виде отслаивающихся проводников и заусенцев, перемычек между дорожками печатной схемы и выводами элементов, касаний крепящих винтов к дорожкам печатного монтажа, видимых нарушений металлизации монтажного отверстия и повреждения контактных площадок, нарушений лаковых покрытий;
д) надежность соединительных разъемов и качество пайки проводников, подходящих к разъемам. Это удобно делать с помощью пинцета. Контроль механического состояния контактного соединения, выполненного навивом, обычно не производится.
3.3.3. Обнаруженные при осмотре дефекты устранить ниже перечисленными способами:
а) удалить пыль и грязь. Удаление пыли производится мягкой щеткой или пылесосом. Липкую грязь (лак, смазку и пр.) смывают соответствующим растворителем (спирт, спирто-бензиновая смесь). Металлические опилки или стружки из зазоров магнитов и магнитопроводов удаляют тонкой стальной пластинкой, деревянной палочкой из лиственных пород (несмолистой) или бумагой. Загрязненные подпятники прочищают заостренной деревянной несмолистой палочкой. Загрязненные или оплавленные контакты зачищают острым лезвием ножа или надфилем, промывают вышеуказанными растворителями и полируют воронилом. Применение для чистки контактов резины и абразивных материалов не допускается;
б) для реле типов РТВ, РТМ, РНИ, РНВ в приводах выключателей, короткозамыкателей и отделителей присоединений на переменном оперативном токе произвести разборку, чистку и сборку механизмов электромагнитов включения и отключения. После сборки проверить четкость работы механизмов и отсутствие затираний сердечников и ударников с деталями привода и реле;
в) поломанные или изношенные детали следует заменить;
г) провода с поврежденной изоляцией заменить или дополнительно заизолировать;
д) непрочные крепления затянуть. Дефекты регулировки устранить;
е) выполнить ремонт печатной платы согласно приложению 1.
3.4.1. Проверку правильности выполненной схемы и маркировки жил и проводов произвести осмотром и проверкой наличия цепи («прозвонкой»). Следует проверить фактическое выполнение соединений между отдельными элементами в панелях, шкафах, ящиках и т.п., а также цепи связи проверяемого устройства с другими устройствами РЗА. В схемах, где не имеет особого значения способ разводки монтажа отдельных цепей внутри панели, шкафа и т.п., а важно только их принципиальное исполнение, фактическое выполнение схемы может быть проверено при проверке взаимодействия элементов проверяемого устройства РЗА (п. 3.8).
3.4.2. Осмотр можно применять в простых наглядных схемах, например при однослойном плоском монтаже, когда все провода и места их присоединения хорошо видны. В этом случае осмотром проверяется правильность присоединения каждого провода от одного зажима к другому по монтажной и принципиальной или развернутой принципиально-монтажной схеме. Особое внимание должно быть обращено на наличие проводов, подключенных к зажимам и не учтенных в схемах. Эти провода должны быть отключены от зажимов и изолированы или демонтированы.
3.4.3. Метод проверки наличия цепи следует применять при скрытом монтаже (в перфорации, в жгутах и при многослойном монтаже), а также при проверке кабельных связей.
3.4.5. При «прозвонке» схемы на проверяемый провод подается напряжение от внешнего вспомогательного источника, присоединяемого между проверяемым и вспомогательным проводами по схеме, приведенной на рис. 2. На другом конце между проверяемым и вспомогательным проводами подключается любой указатель наличия тока или напряжения. Указатель дает показания при подключении к проверяемому проводу и не дает при подключении к другим проводам. В качестве источников питания следует применять: сухие батареи, аккумуляторы, понизительные трансформаторы, генератор мегаомметра. Указателем может быть лампа накаливания, светодиод, вольтметр, телефонные трубки, логометр мегаомметра, звонок, сигнальное реле и пр. Обычно источник питания и регистратор объединяются в одном устройстве, называемом пробником. Для «прозвонки» можно применять также различные омметры, например в комбинированных приборах, а также приборы, построенные на базе различных генераторов с выходным зуммером. Вспомогательным проводом может быть земля, металлическая оболочка или другая жила проверяемого кабеля, специально проложенный временный провод.
Вместо телефонных трубок удобно использовать микротелефонные гарнитуры, которые не нужно держать в руке.
В качестве пробника удобно использовать пробник УП-71, выпускаемый Московским опытным заводом электромонтажной техники Минмонтажспецстроя СССР. Пробник УП-71 обеспечивает два вида проверок:
а) проверку целостности электрических цепей с сопротивлением до 10 кОм и индикацию наличия напряжения переменного тока в пределах 24 - 380 В и постоянного тока в пределах 80 - 440 В;
б) проверку целостности электрических цепей с сопротивлением до 10 кОм.
Следует иметь в виду, что если при «прозвонке» кабеля по схеме, приведенной на рис. 2,в, разговор при «прозвонке» заглушается блуждающим током, протекающим в земле, или токами, наведенными в проверяемом про воде от сильноточных устройств, в качестве вспомогательного провода вместо земли следует использовать ранее проверенную жилу проверяемого кабеля или жилу другого кабеля, концы которого находятся вблизи проверяемого.
Рис. 2. Основные схемы «прозвонки» цепей:
а - с использованием в качестве пробника батарейки и лампы, а в качестве обратного провода земли; б - то же, а в качестве обратного провода оболочки (брони) кабеля; в - с использованием микротелефонных трубок; г - то же, что и на рис. а или б, и использованием микротелефонных трубок для связи; д - с использованием в качестве пробника мегаомметра
При проверке схем соединений, содержащих полупроводниковые элементы и ИМС, не следует применять такие пробники, выходные уровни сигналов которых не опасны для полупроводниковых элементов и ИМС, в том числе указанные на рис. 2. Обычно для этой цели используют омметры комбинированных приборов с соответствующими пределами.
3.4.6. Рекомендуется следующий порядок «прозвонки» кабелей сложных схем:
а) на основании монтажных и принципиальных схем составить кабельный журнал по следующей форме:
Кабель № ________
|
Номера зажимов панели № ______ |
Марка жилы кабеля |
Номера зажимов панели № _______ |
|
|
|
|
б) отключить заземляющие проводники, имеющиеся в схемах;
в) отсоединить провода от схемы с обеих сторон путем разъединения мостиков испытательных выводов, снятием крышек испытательных блоков, приведением в разомкнутое состояние контактов реле, отсоединением проводов на рядах выводов и на выводах аппаратуры;
г) по одной из схем, приведенных на рис. 2, проверить правильность монтажа. При этом рекомендуется отмечать цветным карандашом проверенный провод в месте его маркировки, в кабельном журнале и в развернутой принципиально-монтажной схеме;
д) после «прозвонки» очередной жилы целесообразно сразу подсоединить ее на место с обеих сторон.
3.4.7. При «прозвонке» следует обратить особое внимание на проверку соответствия проекту положения контактов реле и кнопок, а также диаграмме переключателей, согласование полярностей обмоток реле и измерительных трансформаторов, а также на согласование подключения реле с несколькими обмотками и контактов с магнитами гашения дуги к схеме оперативного тока. Кроме того, следует контролировать место подключения перемычек на ряде выводов (со стороны подключения кабелей или со стороны подключения внутренней коммутации панели). Это обстоятельство необходимо учитывать при сборке токовых цепей и при сборке схем, в которых различные режимы устанавливаются снятием или установкой контактных мостиков на испытательных выводах.
3.4.8. При «прозвонке» схемы проверяется правильность маркировки проводов, кабелей, надписей под аппаратурой и соответствия этих надписей диспетчерским наименованиям первичного оборудования.
3.5.1. Проверка изоляции включает в себя измерение сопротивления изоляции и испытание электрической прочности.
3.5.2. Проверку изоляции производить в два этапа:
I этап - предварительное измерение сопротивления изоляции отдельных узлов устройств РЗА (трансформаторы тока и напряжения, приводы коммутационных аппаратов, панелей РЗА, контрольных кабелей и т.д.);
II этап - измерение и испытание электрической прочности изоляции устройств в полностью собранной схеме.
3.5.3. Для проверки изоляции провести следующие подготовительные работы:
а) тщательно очистить всю проверяемую аппаратуру, кабельные разделки, ряды выводов от пыли, грязи, ржавчины, влаги и т.п.;
б) отключить автоматические выключатели или предохранители в цепях оперативного напряжения, сигнализации, вторичных обмоток трансформатора напряжения (во избежание обратной трансформации напряжения на высокую сторону). При проверке изоляции цепей, подключенных к вторичным обмоткам трансформатора напряжения до коммутационных аппаратов, установленных в их цепях, вторичные обмотки трансформатора напряжения можно, не отключая, закоротить.
Цепи, не имеющие автоматических выключателей или предохранителей, отсоединить от общих шинок;
в) отключить от схемы рее заземляющие проводники;
г) снять с панелей магнитоэлектрические и поляризованные реле, платы полупроводниковых нуль-индикаторов (они проверяются по специальным программам более низкими уровнями напряжений), закоротить выводы конденсаторов, диодов, стабилитронов, неоновых и электронных ламп, цепей выходных напряжений блоков питания полупроводниковых устройств РЗА, входных выводов промежуточных реле РП18, если они не закорачиваются обмотками реле, резисторами или перемычками, установленными на рядах выводов для проверки изоляции;
д) установить в рабочее положение переключатели, накладки, рабочие крышки испытательных блоков, кожухи аппаратуры;
е) для панелей, выполненных на полупроводниковой элементной базе, следует также установить в рабочее положение задние крышки кассет, переключатели защит и автоматические выключатели блоков питания, отсоединить от корпуса панели шинки питания, переключатели контроля изоляции блоков питания установить в отключенное положение (для устройств с блоками питания БП-180);
ж) цепи, отделенные от проверяемой схемы контактами реле или другой коммутационной аппаратурой, соединить с ней установкой в соответствующее положение ключей, накладок, контактов реле и т.п. или присоединить их к проверяемой схеме временными перемычками;
з) на выводах устройства РЗА собрать все цепи, электрически связанные между собой, в отдельные группы, объединив выводы с помощью гибкого неизолированного провода или иным способом, например, специально изготовленными перемычками с учетом конструктивных особенностей зажимов.
Например, группа цепей тока, напряжения оперативного тока, сигнализации и т.д. При наличии на устройстве цепей, питающихся от двух аккумуляторных батарей, эти цепи должны объединиться в разные группы. В случаях, когда в схемах имеются реле или измерительные приборы с обмотками, расположенными на общем каркасе (ваттметры, счетчики и т.п.), следует эти обмотки выделить из схемы, соединить один с другой и подключить к одной из испытуемой группе цепей;
и) при проверке изоляции в сырую погоду необходимо учитывать возможность отсыревания внешних поверхностей изолирующих деталей, кабельных разделок, что может исказить результаты измерения. В этом случае необходима предварительная сушка путем усиления естественной или создания искусственной вентиляции или другими способами в зависимости от местных условий и возможностей.
3.5.4. Измерение сопротивления изоляции производить:
а) относительно земли (корпуса);
б) между отдельными электрически не связанными между собой группами цепей (п. 3.5.4.2, а);
в) между жилами контрольных кабелей тех цепей, где имеется повышенная вероятность замыкания между жилами с серьезными последствиями. К таким цепям относятся: токовые цепи отдельных фаз, где имеется реле или устройства с двумя и более первичными обмотками (реле КРС, КРБ, РТФ и др.), токовые цепи трансформаторов тока с номинальным значением тока 1 А, цепи газовой защиты, цепи конденсаторов, используемых как источник оперативного напряжения и т.п.;
г) между верхними и нижними выводами испытательных блоков при снятых крышках и отсоединенной на панели земле в этих цепях в тех случаях, когда внутри блоков устанавливаются закорачивающие перемычки.
3.5.4.1. Измерение сопротивления изоляции производить мегаомметром с номинальным напряжением, указанным в табл. 1.
При проверке изоляции между фазами в токовых цепях, где имеются двухобмоточные реле с обмотками, включенными в разные фазы, необходимо учитывать, что они имеют пониженную электрическую прочность изоляции между обмотками (особенно, если они выполнены одновременной намоткой на общий каркас и, следовательно, их провода касаются один другого). Эту проверку следует производить с помощью мегаомметра с номинальным напряжением 500 В. Допускается производить проверку целостности изоляции между токовыми обмотками опробованием с помощью переменного напряжения 220 В.
3.5.4.2. Измерение сопротивления изоляции производить в следующем порядке:
а) соединить все группы цепей, проверяемые мегаомметрами с одним и тем же номинальным напряжением, между собой с помощью вспомогательной шинки (удобно выполнить из гибкого оголенного проводника), измерить сопротивление изоляции относительно земли (рис. 3,а);
б) заземлить вспомогательную шинку и, поочередно отключая от нее каждую группу, измерить сопротивление изоляции этой группы относительно всех остальных групп, объединенных между собой и заземленных (рис. 3,б). При этом группа (группы) цепей, для которой предусмотрена проверка мегаомметром с меньшим номинальным напряжением (группа n + 1 на рис. 3,б), должна быть заземлена и отключена от вспомогательной шинки.
Рис. 3. Схемы измерения сопротивления изоляции:
а - всех групп относительно земли (корпуса); б - выделенной группы относительно других групп и земли
3.5.4.3. Для панелей, выполненных на базе полупроводниковых элементов и ИМС, измерение сопротивления изоляции следует производить сначала при вынутых из кассет модулях или блоках, а затем при вставленных. Вращение ручки мегаомметра начинать медленно, постепенно доводя до номинальных оборотов. При бросках стрелки мегаомметра в направлении нулевого значения шкалы вращение ручки мегаомметра прекратить во избежание повреждения полупроводниковых элементов. При использовании статического мегаомметра измерение сопротивления изоляции необходимо производить, переходя с помощью переключателя выходных напряжений мегаомметра от меньших значений испытательного напряжения к большим.
Убедившись в отсутствии непредусмотренных связей между цепями отдельных групп (с помощью омметра и визуально) и выполнении всех других мероприятий, предусмотренных п. 3.5.3, следует произвести поиск места перекрытия изоляции, медленно вращая ручку мегаомметра до начала перекрытия.
3.5.4.4. Значение сопротивления изоляции относительно земли и между электрически не связанными цепями должно быть не менее значений, приведенных в табл. 1.
Таблица 1
|
Номинальное напряжение мегаомметра, кВ |
Минимальное допустимое значение сопротивления изоляции, МОм |
|
|
1. Отдельные панели, шкафы, блоки, ящики, пульты устройств РЗА с отключенными кабелями (за исключением п.5) |
1,0 - 2,5 |
10 |
|
2. Шинки оперативного тока и цепей напряжения (при отсоединенных цепях) |
1,0 - 2,5 |
10 |
|
3. Устройства РЗА в полностью собранной схеме с подключенными контрольными кабелями (за исключением пп. 4.5) |
1,0 - 2,5 |
1,0 |
|
4. Цепи управления, защиты электродвигателей переменного тока напряжением до 0,4 кВ, присоединенные к силовым цепям |
1,0 - 2,5 |
0,5 |
|
5. Цепи устройств, содержащих микроэлектронные элементы: электрически связанные с источником питания устройств управления, защиты, измерения, источником тока или напряжения |
0,5 - 1,0 |
1,0 |
|
при питании от отдельного источника питания или связанные с источником через разделительный трансформатор |
Проверяется отсутствие замыканий на землю омметром с номинальным напряжением, не превышающим напряжение питания проверяемых цепей, или в соответствии с указаниями завода-изготовителя |
|
3.5.4.5. Для оценки состояния изоляции отдельных элементов схемы можно ориентироваться на средние опытные значения сопротивления изоляции, приведенные в табл. 2.
3.5.4.6. В случае пониженного значения сопротивления изоляции необходимо:
а) выяснить место и причину ухудшения изоляции (дефекты конструкции, неправильный монтаж или случайные местные дефекты, грязь, сырость, порча изоляции и пр.). Для этого разделить схему на участки и выделить те из них, которые имеют пониженное значение сопротивления изоляции. Затем, разделяя эти участки на более мелкие: отдельные обмотки, провода и детали и, проверяя сопротивление изоляции каждого из них, определить дефектный элемент;
б) устранить причины, вызвавшие ухудшение изоляции, затем повторить измерение сопротивления изоляции.
3.5.5. Произвести испытание электрической прочности изоляции всех объединенных в группы цепей (п. 3.5.4.2, за исключением цепей с номинальным напряжением до 60 В) устройств РЗА, подвергшихся реконструкции, ремонту или вновь смонтированных, напряжением 1000 В синусоидального переменного тока частоты 50 Гц в течение 1 мин относительно земли.
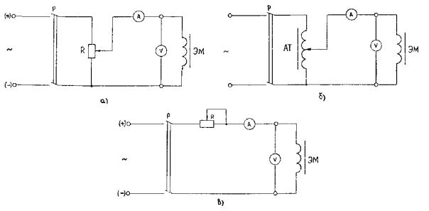
3.5.5.1. Испытание электрической прочности изоляции производят с помощью специальных испытательных установок, изготовленных лабораториями и мастерскими энергосистем и наладочными организациями, например, ИВК или И9-65. При отсутствии испытательных установок испытания могут проводиться по схеме, приведенной на рис. 4.
Таблица 2
|
Ориентировочное значение сопротивления исправной изоляции относительно «земли», МОм |
|
|
1. Отдельные панели устройства РЗА с отключенными контрольными кабелями |
50 - 100 |
|
2. Вторичные обмотки встроенных трансформаторов тока |
10 - 20 |
|
3. Вторичные обмотки трансформаторов напряжения и выносных трансформаторов тока |
50 - 100 |
|
4. Обмотки электромагнитов управления |
15 - 25 |
|
5. Контрольный кабель длиной до 300 м |
20 - 25 |
Рис. 4. Схема испытания электрической прочности изоляции:
а - при измерении испытательного напряжения с высокой стороны повышающего трансформатора; б - то же с низкой стороны повышающего трансформатора
В схеме в качестве повышающего трансформатора Тр может быть использован трансформатор НОМ-3, НОМ-6 или любой другой трансформатор мощностью 200 - 300 В×А с коэффициентом трансформации 100 - 200/1000 - 6000 В. Для плавного регулирования напряжения используется автотрансформатор AT типа ЛАТР.
Резистор R служит для ограничения тока при пробое изоляции. В схеме на рис. 4,а устанавливается резистор сопротивлением 1000 Ом, а в схеме на рис. 4,б сопротивление резистора R (в омах) подсчитывается по формуле
(1)
где nТН - коэффициент трансформации повышающего трансформатора Тр.
Измерение напряжения следует производить на стороне высшего напряжения повышающего трансформатора Тр с помощью киловольтметра, двух одинаковых последовательно включенных вольтметров V или вольтметра с добавочным сопротивлением Rд. Допускается производить измерение на стороне низкого напряжения повышающего трансформатора при условии, что при испытании ток в обмотке низкого напряжения, измеряемый амперметром А, не превышает тока холостого хода повышающего трансформатора.
3.5.5.2. Перед производством испытаний следует:
а) выполнить все мероприятия, предусмотренные «Правилами техники безопасности при эксплуатации электроустановок» (М.: Энергоатомиздат, 1987), при производстве высоковольтных испытаний (п. 15.1), в том числе убедиться в отсутствии напряжения в испытуемой схеме, оградить схему от возможного прикосновения, вывесить необходимые плакаты, удалить людей из зоны проведения испытаний, тщательно проверить схему для исключения попадания испытательного напряжения в другие схемы и др.;
б) соединить группы цепей для испытаний. Разветвленные цепи рекомендуется испытывать по отдельным участкам для исключения перегрузок испытательной установки. Например, сложные цепи, связывающие несколько присоединений - схемы дифференциальной защиты шин, синхронизации, АВР, цепи напряжения и сложных блокировок - испытывать отдельными участками для каждого присоединения;
в) произвести непосредственно перед испытаниями измерение сопротивления изоляции относительно земли мегаомметром.
3.5.5.3. После присоединения к испытуемым цепям испытательной установки подать напряжение питания и произвести плавный подъем напряжения до 500 В.
Осмотреть с соблюдением правил техники безопасности всю испытываемую схему. В случае, если не замечено искрения или пробоя и испытательное напряжение не изменяется, увеличить напряжение до 1000 В, которое подавать в течение 1 мин, после чего напряжение плавно снизить до нуля и отключить питание от испытательной установки.
Испытательную схему замкнуть на землю для снятия остаточного заряда.
3.5.5.4. После окончания испытаний повторно измерить сопротивление изоляции мегаомметром.
3.5.5.5. Изоляция устройства РЗА считается выдержавшей испытание на электрическую прочность, если во время испытания не произошло пробоя изоляции, перекрытия поверхности изоляции или резкого снижения показаний вольтметра испытательной установки и значение сопротивления изоляции, измеренное до и после испытаний, существенно не изменилось.
3.5.5.6. Если устройства РЗА и вспомогательные цепи не выдержали испытания напряжением 1000 В, то после обнаружения места повреждения и устранения неисправности испытание повторить.
3.5.5.7. При профилактическом восстановлении допускается проводить испытание электрической прочности изоляции относительно земли мегаомметром с номинальным напряжением 2500 В вместо испытания напряжением 1000 В переменного тока. Такая замена недопустима для устройств РЗА, содержащих полупроводниковые элементы ИМС. Испытание мегаомметром проводится при тех же условиях, что и испытание напряжением 1000 В переменного тока.
3.5.5.8. После проведения испытания изоляции восстановить схему электрических соединений устройств РЗА и вспомогательных цепей.
3.6.1. Проверка электрических и временных характеристик устройств РЗА производится при техническом обслуживании в объемах, определенных ПТБ.
Конкретные перечни параметров и характеристик отдельных типов реле и устройств РЗА, а также условия их проверки определены инструкциями и методическими указаниями по техническому обслуживанию, разработанными для соответствующих типов реле и устройств РЗА.
Программы, инструкции и методические указания по техническому обслуживанию должны в установленном порядке периодически пересматриваться с учетом опыта эксплуатации в целях повышения эффективности проверок устройств РЗА, с одной стороны, и облегчении труда обслуживающего персонала, сокращения времени на обслуживание и снижения вероятного количества ошибок, с другой стороны.
Приведенные ниже общие указания по проверке электрических и временных характеристик реле и устройств РЗА являются основой, определяющей подход к этим проверкам, и предназначены для руководства при составлении или пересмотре методических указаний и инструкций на отдельные виды и типы реле и устройств РЗА.
Указания по проверке электрических и временных характеристик элементов приводов коммутационных аппаратов приведены в п. 3.7.
3.6.2. Проверку устройства РЗА или отдельных элементов можно производить на месте установки или в другом приспособленном для этой цели помещении. При проверке и настройке в другом помещении после возвращения устройства РЗА или отдельных элементов на место установки необходимо проверить контрольные точки их характеристик и работу этих устройств РЗА в полной схеме.
3.6.3. Проверки устройства РЗА, как правило, должны производиться не от рабочих, а от посторонних источников постоянного и переменного напряжения, например от проверочных устройств. Питание проверочных устройств должно осуществляться от специально предусмотренных для этих целей сборок.
3.6.4. Для экономии времени и предотвращения ошибок проверку устройств РЗА следует производить с помощью комплектных испытательных устройств (переносных, передвижных или стационарных встроенных в устройства РЗА).
Испытательные устройства должны обеспечивать возможность регулирования и измерения тока, напряжения и угла сдвига между ними в нужных пределах и быстрый переход (с помощью специальных переключателей) от одних испытательных схем к другим и от проверки реле на одних фазах к проверке их на других, а также измерение временных характеристик устройств РЗА.
В качестве испытательного устройства целесообразно применять устройства У5053, ЭУ5001, выпускаемые Киевским ПО «Точэлектроприбор», или другие устройства, удовлетворяющие вышеуказанным требованиям.
Испытательные устройства для проверки устройств РЗА должны подключаться к сети переменного и постоянного напряжения через специальные щитки, обеспеченные защитой, чувствительной к коротким замыканиям на выводах испытательных устройств.
Рекомендации по выбору измерительных приборов для проверки устройств РЗА приведены в приложении 2.
Для быстрой и качественной регулировки отдельных реле и всего устройства РЗА в целом рекомендуется применять специальные наборы инструментов.
Все испытательные устройства должны быть укомплектованы набором соединительных проводов для их подключения к источнику питания, проверяемому устройству РЗА и измерительным приборам. Все провода должны иметь маркировку с обоих концов и подобранные по размерам и форме наконечники к выходным зажимам испытательного и проверяемого устройства. Провода должны иметь хорошую изоляцию и защиту от механических повреждений. Для уменьшения влияния магнитных полей, создаваемых током соединительных проводов, облегчения сборки схемы и уменьшения загроможденности рабочего места рекомендуется свивать соединительные провода в шнуры. В частности для питания цепей тока и напряжения проверяемого устройства рекомендуются четырехжильные шнуры, для включения секундомера - двух - трехжильные и т.д.
Сечения проводов для питания цепей переменного и постоянного напряжения достаточно иметь 1 - 1,5 мм2 в основном по условиям механической прочности. По условиям нагрева для токовых цепей рекомендуется применять провода сечением не менее 2,5 - 4 мм2 а для соединения устройства с источником питания - 4 - 6 мм2. Для всех соединительных проводов рекомендуются гибкие многожильные провода с резиновой или хлорвиниловой изоляцией, а для цепей питания - шланговые провода с резиновой изоляцией.
3.6.5. При проверке и настройке электрических характеристик аппаратуры в схеме устройства РЗА ток и напряжение от испытательных устройств должны, как правило, подводиться к входным выводам панели. В этом случае учитывается наличие в цепях реле различных вспомогательных устройств, влияющих на его характеристики, и обеспечивается одновременно проверка правильности монтажа устройства РЗА и взаимодействие реле в схеме.
В случае подвода тока и напряжения от испытательных устройств через контрольные штеккеры испытательных блоков при новом включении следует проверить правильность монтажа цепей от ряда выводов панели до испытательных блоков.
После присоединения устройства РЗА к действующим цепям подключение проверочной аппаратуры при проведении технического обслуживания осуществляется с помощью контрольных штеккеров во избежание случайного попадания напряжения от проверочной аппаратуры в цепи трансформаторов тока, напряжения, оперативного напряжения и т.п. Все контактные шпильки контрольных штеккеров, находящихся под рабочим напряжением, должны быть изолированы и перемычки на них выполняться изолированным проводом.
3.6.6. Проверку электрических характеристик реле, параметры которых зависят от формы кривой тока, например некоторых индукционных реле с зависимой характеристикой, реле с насыщающими трансформаторами, быстродействующих полупроводниковых реле и др., следует производить по схемам, обеспечивающим синусоидальность тока, подаваемого на реле защиты, например, питание проверочных устройств от линейных напряжений, от понижающих трансформаторов достаточной мощности, включение активных резисторов в цепь регулируемого тока и т.п.
При настройке или проверке электрических характеристик реле, реагирующих на угол между векторами напряжения и тока или между векторами двух токов (напряжений), необходимо учитывать возможность появления дополнительных углов сдвига, вносимых испытательными реостатами и потенциометрами, и исключить ее правильным выбором реостатов и потенциометров.
3.6.7. Определение электрических параметров срабатывания и возврата всех реле следует производить, как правило, при плавном изменении электрических величин, на которые реагируют реле, если в инструкции по проверке данного реле нет других указаний.
3.6.8. При проверке необходимо учитывать термическую устойчивость устройств РЗА, проявляя особую осторожность при подведении к проверяемому реле токов или напряжений больших кратностей по отношению к номинальным значениям. В этом случае необходимо подавать ток (напряжения) кратковременно или исключать из схемы термически неустойчивые элементы.
3.6.9. Временные параметры промежуточных реле и реле времени определяются при номинальном значении оперативного напряжения на выводах панели. Если временные параметры промежуточных реле определяют селективность работы устройств РЗА, то они должны также проверяться и при изменении оперативного напряжения в диапазоне от 80 до 110 % номинального значения.
Временные параметры реле, используемых в измерительных органах устройств РЗА, определяются при определенных кратностях по отношению к параметру срабатывания (возврата), указанных в технических данных реле.
3.6.10. На устройствах РЗА должны быть выставлены уставки, заданные службой РЗА в письменном виде. Уставки, если специально не оговорено, задаются в первичных величинах. Эти уставки должны быть пересчитаны во вторичные величины с учетом коэффициентов трансформации трансформаторов тока, напряжения и схемы включения реле по следующим формулам:
(2)
(3)
где I1; U1; S1 - первичные значения тока (А), напряжения (В) и мощности (В×А);
I2; U2; S2 - вторичные значения тока (А), напряжения (В) и мощности (В×А);
kCXI - коэффициент схемы, учитывающий схему соединений вторичных обмоток трансформаторов сока, равный отношению значения тока, протекающего в реле в симметричном режиме, к значению тока во вторичной обмотке трансформатора тока;
kCXU - коэффициент схемы, учитывающий соответствие между фазными и линейными значениями напряжения, задаваемыми в уставках и схемой включения реле во вторичных цепях;
kCXS - коэффициент схемы, учитывающий соответствие между мощностью (однофазной и трехфазной), заданной в уставках и схемой подключения реле ко вторичным цепям;
nTT, nTH - коэффициенты трансформации трансформатора тока и трансформатора напряжения.
Желательно в целях уменьшения вероятности ошибок при настройке реле (особенно в случаях, когда коэффициенты схемы не равны единице или трансформаторы напряжения, питающие дистанционную защиту, подключаются к обмотке низкого напряжения силового трансформатора и т.п.) указывать в задаваемых службой РЗА уставках также их вторичные (пересчитанные) значения.
3.6.11. Промежуточные реле и реле времени допускается проверять отдельно от общей схемы, отключая от нее обмотки реле или снимая сами реле с панели, если в схеме не предусмотрены токоограничивающие резисторы, конденсаторы, диоды, резисторы, шунтирующие обмотки реле и другие элементы, влияющие на работу реле в схеме. При наличии таких элементов необходимо реле проверять в полной схеме, учитывая такие факторы, как длительность подачи напряжения в схему до начала измерения, для того, чтобы успели полностью зарядиться конденсаторы, участвующие в работе схемы, а также возможные изменения в цепях, шунтирующих обмотку, в процессе измерения (возможные колебания оперативного напряжения и посадка этого напряжения от испытательных устройств).
В случае, если проверка реле производилась со снятием их с панели (шкафа, ящика и т.п.) и отключением проводов внешней коммутации, после окончания проверки и подсоединения реле должна быть проверена его схема соединений одним из способов, указанных в п. 3.4.
3.6.12. Регулировку и настройку реле необходимо выполнять с учетом следующих условий:
а) для выходных быстродействующих реле постоянного тока (или реле, воздействующих на выходные), ложное срабатывание которых может привести к действию коммутационных аппаратов или устройств противоаварийной автоматики, необходимо устанавливать напряжение срабатывания реле равным 60 - 63 % номинального значения;
б) проверка шкалы уставок реле должна производиться с учетом имеющихся разбросов параметров реле в зависимости времени срабатывания от фазы включения тока или напряжения. Поэтому уставка должна определяться как среднее арифметическое значение из трех измерений на одной точке шкалы для электромеханических реле и среднего из десяти измерений для быстродействующих полупроводниковых реле. В последнем случае может быть использовано устройство включения в заданную фазу. При этом можно также ограничиться тремя измерениями;
в) токовые реле, реле напряжения, времени, сопротивления, мощности, а также пусковые и блокирующие устройства следует проверять только на рабочей уставке, а также на тех делениях шкалы, где уставки изменяются оперативным персоналом;
г) промежуточные реле, реле тока и напряжения, имеющие несколько обмоток, включенных в разные цепи, должны проверяться при подаче тока или напряжения поочередно в каждую из обмоток. Кроме того, должна быть проверена полярность включения обмоток, например при подаче тока или напряжения одновременно в несколько обмоток;
д) настройка уставки реле сопротивления должна производиться при заданных углах и токах настройки, а если токи настройки не заданы, то ее следует производить при токе, равном или большем двойного значения тока точной работы, за исключением случаев, когда напряжение срабатывания реле сопротивления при указанных токах настройки оказывается выше номинального напряжения реле, например при настройке третьих ступеней дистанционной защиты. В последнем случае токи настройки должны быть несколько снижены с тем, чтобы напряжение, подаваемое на реле сопротивления, не превышало номинального;
е) после выставления уставок на шкалах и переключателях уставок устройств РЗА необходимо нанести метку, соответствующую выполненной уставке. Способ нанесения метки должен быть выбран таким, чтобы метка легко снималась при изменении уставки, например, мягким простым карандашом или стеклографом в виде риски непосредственно, на шкале (лицевой плате блока) или на наклеенной на ней узкой бумажной полоске нанесением маленькой цветной точки лаком или краской (с возможностью снятия ее соответствующим растворителем) и т.п.
3.6.13. При выполненных работах в устройствах с микроэлектронной элементной базой модульной или блочной конструкции следует дополнительно соблюдать следующие меры предосторожности:
а) при необходимости работы с модулем вне панели заземлить шасси модуля;
б) запрещается при протекании через устройство РЗА рабочего тока вынимать модули, содержащие токовые элементы и цепи, при вставленных рабочих крышках испытательных блоков в токовых цепях, поскольку самозакорачивающиеся токовые штеккерные разъемы не всегда обеспечивают надежное закорачивание цепей при вынутом модуле (блоке);
в) во избежание повреждений микросхем модули и блоки вынимать из кассет и вставлять их в кассеты следует только при отключенном блоке питания;
г) во избежание повреждения микросхем при ошибочных подключениях к схеме заземленного и потенциального выводов измерительного шнура осциллографа, используемого в качестве измерительного прибора, необходимо его корпус заземлить, заземленный провод шнура изолировать, оставить оголенный лишь потенциальный вывод для производства измерений.
Поэтому запускать секундомер следует одновременно с подачей аварийных параметров тока, напряжения или дискретного сигнала на вход устройства РЗА, а останавливать от контакта выходного реле схемы. Регулируя при этом время действия элементов задержки, реле времени или промежуточных реле (имеющих такую регулировку), добиваются, чтобы полное время работы устройства РЗА было равно заданному.
Учитывая вышеизложенное, целесообразно проверку времени действия устройств РЗА совмещать с проверкой временных характеристик устройств РЗА (п. 3.9).
Выдержка времени на элементах сложных защит, на ИМС измеряется с помощью выносных или встроенных приспособлений и выносного миллисекундомера.
Для таких схем измерение времени действия отдельных элементов устройств РЗА можно производить с помощью дополнительного быстродействующего (герконового) реле, включаемого на выход схемы. При этом следует проверить допустимость дополнительной нагрузки на бесконтактном выходе схемы и при недопустимости этой нагрузки включать герконовые реле через полупроводниковый повторитель. Время срабатывания этого реле при измерении небольших выдержек времени следует вычитать из измеренного времени.
3.6.15. Уставки устройств РЗА следует настраивать при новом включении и при текущем техническом обслуживании в случаях, если отклонения уставок устройств РЗА отличаются от заданных на значения более, чем указанные в табл. 3. Допустимое отклонение выражено в единицах измерения параметра или в процентах от заданного значения уставки.
3.7.1. Проверку электрических и временных характеристик следует производить в объемах, указанных в Правилах технического обслуживания, на механически исправных приводах после их ревизии и проверки правильности регулировки их блок-контактов.
3.7.2. Измерить сопротивления постоянному току электромагнитов управления и контактора электромагнитов включения. Измерение производить с помощью моста постоянного тока или методом амперметра и вольтметра с ближайшей к приводу выводной сборки.
Для электромагнитов с форсировкой это измерение следует произвести как в режиме форсировки, так и в режиме ввода дополнительной части обмотки или сопротивления при дешунтировании блок-контакта электромагнита от руки. Измеренное значение должно соответствовать данным завода-изготовителя или значениям, приведенным в табл. 9.3 (для воздушных выключателей) и в табл. П8.2 - П8.11 (для масляных выключателей) «Норм испытания электрооборудования». (М.: Атомиздат, 1978).
Таблица 3
|
Допустимое отклонение |
||
|
1. |
Выдержка времени быстродействующих защит без элемента задержки |
Не должно превышать значения отклонений, указанных в техническом паспорте устройств РЗА |
|
2. |
Выдержка времени устройств РЗА с элементами задержки на базе электромеханических реле, с: |
|
|
|
с реле времени с максимальной уставкой более 3,5 с |
±0,1 |
|
|
с реле времени с максимальной уставкой менее 3,5 с |
±0,06 |
|
|
устройств БАПВ, УРОВ, противоаварийной автоматики, выполненной с реле времени повышенной точности (с максимальной уставкой по времени 1,3 с) |
±0,03 |
|
3. |
Выдержка времени устройств РЗА с зависимой характеристикой, с: |
|
|
|
в зависимой части (контрольные точки) |
±0,15 |
|
|
в независимой части |
±0,1 |
|
4. |
Выдержка времени встроенных в привод реле в независимой части (с учетом времени отключения выключателя), с |
±0,15 |
|
5. |
Ток и напряжение срабатывания реле, встроенных в привод, % |
±5 |
|
6. |
Сопротивление срабатывания дистанционных органов устройств РЗА, % |
±3 |
|
7. |
Ток и напряжение срабатывания реле переменного тока и напряжения, % |
±3 |
|
8. |
Ток и напряжение срабатывания для отключающих и включающих катушек приводов коммутационных аппаратов, % |
±5 |
|
9. |
Мощность срабатывания реле мощности, %: |
|
|
|
устройств РЗА (кроме измерительных органов противоаварийной автоматики) |
±5 |
|
|
измерительных органов противоаварийной автоматики |
±3 |
|
10. |
Напряжение и ток срабатывания реле постоянного тока, % |
±3 - 5 |
|
11. |
Коэффициент возврата реле: |
|
|
|
не встроенного в привод |
±0,03 |
|
|
встроенного в привод |
±0,05 |
|
12. |
Напряжение и ток прямой, обратной и нулевой последовательности пусковых* органов устройств РЗА, % |
±5 |
|
13. |
Выходные напряжения блоков питания полупроводниковых защит, %: |
|
|
|
стабилизированные |
±1 - 3 |
|
|
нестабилизированные |
±5 - 10 |
|
14. |
Угол между векторами напряжения реле контроля синхронизма, % |
±10 |
|
15. |
Угол срабатывания панели угловой автоматики, % |
±2 |
|
16. |
Параметры срабатывания и возврата поляризованных реле измерительных органов устройств РЗА, % |
±5 - 10 |
|
17. |
Напряжение срабатывания устройства блокировки неисправности цепей напряжения, % |
±10 - 15 |
|
18. |
Сопротивление компенсации сопротивления обратной последовательности, % |
5-10 |
|
19. |
Ток компенсации емкостного тока ВЛ, % |
±15 |
|
20. |
Проводимость компенсации емкостной проводимости ВЛ, % |
±15 |
|
21. |
Координаты особых точек характеристик реле сопротивления, % |
15-20 |
|
22. |
Время срабатывания и возврата промежуточных реле, для которых оно задано в уставках или определено в инструкциях или методических указаниях, % |
±10 |
При новом включении следует измерить также сопротивление постоянному току всей цепи включения и всей цепи отключения от шин постоянного тока как в нормальной схеме, так и при закороченных электромагнитах управления. По измеренным значениям расчетным путем убедиться в том, что падение напряжения в кабелях управления в момент включения и отключения не превышает 10 % номинального значения. Для воздушных выключателей с электромагнитами, имеющими форсировку, падение напряжения в кабелях определять при расчетном токе, составляющем 50 % от установившегося значения при несработавших электромагнитах (блок-контакты форсировки замкнуты).
Для электромагнитов с внешним токоограничивающим резистором (выключатели ВВД-330, ВВБ-500 и ВВБ-750) при новом включении отрегулировать в соответствии с требованиями завода-изготовителя, а при последующих проверках измерить сопротивление постоянному току от шинок управления петли включения и отключения каждой фазы в режиме форсировки и после ввода дополнительной части сопротивления. В состав петли входит жила включения (отключения), токоограничивающий резистор данной фазы, обмотка электромагнита и обратный провод до отрицательной шинки управления. Цепи электромагнитов других двух фаз должны быть разомкнуты. При проверках при новом включении для этих выключателей следует убедиться в том, что в наиболее тяжелом случае (при одновременном отключении наибольшего реально возможного числа выключателей) напряжение на шинках управления не будет ниже 80 % номинального значения.
3.7.3. Проверить параметры срабатывания и возврата электромагнитов управления и контакторов электромагнитов включения.
3.7.3.1. Для всех электромагнитов отключения и включения электромагнитных, ручных, пружинных и грузовых приводов, электромагнитов управления воздушными выключателями и контакторов включения электромагнитных приводов постоянного и переменного тока различают напряжение (ток) надежной работы и напряжение (ток) срабатывания.
Напряжением (током) надежной работы считается минимальное напряжение (ток), при подаче которого толчком электромагнит отключает или включает выключатель, отделитель, короткозамыкатель и т.п. с временными и скоростными характеристиками, гарантированными заводом-изготовителем для данной конструкции. При проверках определяется не абсолютное значение этого напряжения (тока), а только то, что оно не превышает нормативного значения.
Напряжением (током) срабатывания считается минимальное напряжение (ток), при котором электромагнит отключает или включает коммутационный аппарат с возможным отклонением временных и скоростных характеристик от гарантированных заводом-изготовителем. При проверках определяется либо абсолютное значение этого напряжения, либо то, что оно не превышает нормативного значения.
3.7.3.2. Электромагниты включения и отключения и контакторы включения постоянного тока проверяют по схемам, приведенным на рис. 5, а, в. Схема на рис. 5, а применяется для проверки электромагнитов малой мощности, а на рис. 5, б - большой.
Для проверки шунтовых электромагнитов переменного тока рекомендуется схема, приведенная на рис. 5,б, а для токовых электромагнитов, работающих в схемах дешунтирования, схема на рис. 5,в.
При подборе реостатов, потенциометров и автотрансформаторов необходимо учитывать следующее:
а) значение тока в обмотках токовых электромагнитов не должно изменяться при втягивании сердечника более чем на 5 - 10 %, поэтому реостат в схеме на рис. 5,в должен иметь достаточно большое значение сопротивления. Ориентировочное значение сопротивления реостата (R) может быть определено по формуле
R = /2 ÷ 3/XЭ - RЭ, (4)
где XЭ - индуктивное сопротивление обмотки электромагнита при втянутом положении сердечника, Ом;
RЭ - активное сопротивление обмотки электромагнита, Ом.
Проверять токовые электромагниты по схемам рис. 5,а и б недопустимо, так как они не обеспечивают соблюдения вышеуказанного условия;
б) значение напряжения на обмотке электромагнита переменного напряжения не должно изменяться при втягивании сердечника. Для выполнения этого условия сопротивление потенциометра в схеме на рис. 5,а должно быть очень мало. Поэтому рекомендуется проверку этих электромагнитов производить с помощью автотрансформатора по схеме на рис. 5,б;
в) во всех случаях при проверке электромагнитов постоянного тока сопротивление реостатов и части потенциометра, включенных последовательно с обмоткой электромагнита, должно быть минимальным. Чем больше значение этого сопротивления, тем быстрее будет нарастать ток в обмотке электромагнита при подаче на нее напряжения толчком. Напряжение надежной работы при этом снижается, что может вызвать ошибки в регулировке.
Для всех электромагнитов определение параметра срабатывания производится при плавном увеличении напряжения или тока.
Рис. 5. Схемы для проверки электрических характеристик электромагнитов приводов коммутационных аппаратов с помощью:
а - потенциометра; б - автотрансформатора; в - реостатом
Такой метод рекомендуется по следующим причинам:
при плавном нарастании тока или напряжения легче обнаруживаются различные неисправности деталей и ошибки в регулировке;
во многих конструкциях, особенно в пружинных и грузовых приводах, применены облегченные сердечники, скорость движения которых при токе или напряжении срабатывания невелика. Невелика и инерция, накопленная сердечником в момент соприкосновения с отключающей планкой, так как их масса и ход малы. Поэтому поворот планки происходит в основном за счет статического усилия, развиваемого сердечником. Заводы-изготовители регулируют приводы по статическому усилию на отключающей планке;
в некоторых конструкциях электромагнитных приводов начальное расстояние между головкой бойка и защелкой равно нулю, поэтому электромагнит начинает сразу, без свободного хода, поднимать защелку.
Напряжение надежной работы также подбирается при плавном увеличении напряжения. Затем значение напряжения надежной работы уточняется при подаче напряжения толчком.
Напряжение или ток срабатывания (возврата) является одним из основных показателей правильности сборки, регулировки и исправности привода. Если напряжение или ток срабатывания электромагнита оказываются чрезмерно велики (малы), то необходимо выяснить причину неисправности электромагнита или привода.
Основные причины, вызывающие отказ электромагнитов, следующие:
обрыв одной из секций двухсекционной обмотки;
междувитковое замыкание в обмотке;
неправильно выбранные номинальные напряжение и ток электромагнита;
неисправность механизма - грязь, заусенцы, перекосы, малое начальное расстояние между бойком и защелкой, неправильно установленное начальное расстояние между сердечником и контрполюсом. Неисправности обмоток постоянного тока определяют измерением их сопротивления. Неисправности обмоток переменного тока определяются при снятии их вольтамперных характеристик или при определении их сопротивления на переменном токе. Эти значения определяют при номинальном напряжении и втянутом якоре, чтобы можно было сравнить результаты измерений с данными заводов-изготовителей. Неисправности механизма определяют осмотром или измерением статического усилия на отключающей планке. Повышенное напряжение или ток срабатывания исправного электромагнита указывает на неисправность привода, обычно на чрезмерно глубокое зацепление.
3.7.3.3. Для электромагнитов включения и отключения воздушных выключателей проверить работоспособность при наибольшем рабочем давлении воздуха и снижении напряжения на зажимах электромагнитов до 65 % номинального значения. Этим проверяется, что напряжение срабатывания ниже нормируемого значения. Проверку производить со щита управления (релейного щита) подачей напряжения толчком. Напряжение, равное 69 % номинального значения, подается либо от мощного источника пониженного напряжения (например, от зарядного агрегата, отпайки от аккумуляторной батареи и т.п.), либо создается искусственно путем ввода дополнительных электромагнитов в цепь питания электромагнитов выключателя от источника оперативного напряжения. Для выключателей с последовательным включением электромагнитов трех фаз необходимо включить дополнительно два последовательно включенных электромагнита. Для выключателей с параллельным включением электромагнитов проверка производится пофазно (цепь электромагнитов двух других фаз разрывается) с включением дополнительно двух электромагнитов собранных параллельно. В данном случае в качестве дополнительных электромагнитов могут быть использованы электромагниты двух других фаз. При отсутствии вспомогательных электромагнитов снижение напряжения на зажимах электромагнитов до 65 % номинального значения можно произвести путем ввода добавочного активного сопротивления в цепь питания электромагнитов выключателя от источника оперативного напряжения по схеме рис. 5, в. В такой схеме за счет последовательно включенного активного сопротивления увеличивается скорость нарастания тока в обмотках электромагнитов. Поэтому при испытании они работают при более легких условиях, чем в действительности. Чтобы компенсировать это различие, рекомендуется проверку производить при понижении напряжения до (0,5 - 0,6)Uном в зависимости от схемы соединений электромагнитов вместо нормируемого значения 0,65Uном. Для выключателей с последовательным включением электромагнитов трех фаз значение этого сопротивления (R), в омах, должно быть:
R = 0,75RЭМ, (5)
где RЭМ - суммарное активное сопротивление трех электромагнитов.
Для выключателей с параллельным включением электромагнитов с форсировкой проверки производятся пофазно (цепь двух других фаз разрывается), а значение добавочного сопротивления (в омах) должно быть:
Rдоб = RЭМ, (6)
где RЭМ - активное сопротивление обмотки проверяемого электромагнита в режиме форсировки.
Сопротивление всех участков кабеля от источника питания до электромагнитов не учитывается и идет в запас. Подачей напряжения на электромагниты ключом управления или от выходного реле устройства защиты (АПВ) убедиться в отключении и включении всех фаз выключателя.
Для электромагнитов управления воздушных выключателей с внешними токоограничивающими резисторами (ВВД-330, ВВБ-500, ВВБ-750) работоспособность проверяется при снижении до 80 % номинального значения напряжения на шинках управления. Способы снижения напряжения такие же, как и указано выше. В случае снижения напряжения путем подключения добавочного резистора значение его сопротивления подбирается экспериментально.
Проверка производится непосредственно возле привода выключателя с использованием схемы рис. 5, в в следующем порядке:
а) быстро (чтобы нагрев обмотки электромагнита был минимальным) увеличить напряжение до 33 % номинального значения. Снять напряжение и подать его толчком. Выключатель не должен отключаться, в противном случае требуется регулировка;
б) продолжить увеличение напряжения с контролем по вольтметру до момента отключения выключателя, но не выше 65 % номинального значения. Зафиксировать напряжение на электромагните, которое было перед отключением выключателя, как напряжение срабатывания;
в) если при плавном увеличении напряжения до 65 % номинального значения выключатель не отключится, то опробовать действие электромагнита при подаче этого же значения напряжения толчком. Если и при этом он не отключится, то отрегулировать привод.
При проверке напряжения срабатывания после каждой неудавшейся попытки отключить выключатель (при подаче напряжения толчком) возвратить отключающую защелку в исходное положение. При предварительной проверке возврат допускается производить вручную, перед окончательной проверкой следует отключить и включить выключатель от схемы управления.
3.7.3.5. Для контактора включения масляного выключателя проверить напряжение срабатывания и возврата с использованием схемы рис. 5, в.
При снятом питании электромагнита включения и установленных на контакторе гасительных камер плавно увеличить напряжение на обмотке контактора включения и зафиксировать напряжение полного втягивания магнитной системы, которое должно быть не выше 65 % номинального значения. Плавно снижая напряжение, проверить напряжение возврата, которое не нормируется, но не должно существенно отличаться от данных предыдущих измерений (снижение напряжения отпадания свидетельствует о нарушении механической регулировки, затираниях и т.п.).
3.7.3.6. Проверить напряжение срабатывания электромагнитов включения короткозамыкателей, электромагнитов отключения отделителей, электромагнитов включения и отключения выключателей с пружинными и грузовыми приводами. Эти проверки осуществляют аналогично описанным в п. 3.7.3.4. В случае проверки привода на переменном оперативном напряжении регулирование напряжения осуществляется с помощью, автотрансформатора (рис. 5, б).
Напряжение срабатывания электромагнитов включения короткозамыкателей, отключения отделителей и масляных выключателей с грузовым и пружинным приводами на постоянном и переменном оперативном напряжении не должно превышать 65 % номинального значения.
Напряжение срабатывания электромагнитов включения выключателей с грузовым и пружинным приводами на постоянном и переменном оперативном напряжении должно быть не выше 80 % номинального значения.
3.7.3.7. Проверить ток срабатывания электромагнитов, питающихся переменным током по схеме дешунтирования. Нормы на значение тока срабатывания отсутствуют. На основании опыта эксплуатации рекомендуется обеспечивать ток срабатывания токовых электромагнитов не более 80 % тока срабатывания наиболее чувствительной защиты, действующей на этот электромагнит. Поскольку коэффициент чувствительности токовых защит в соответствии с ПУЭ должен быть не менее 1,2, то минимальное значение тока, проходящего по обмотке электромагнита при КЗ, будет в 1,2/(0,7 ÷ 0,8) = 1,5 - 1,7 раза больше значения его тока срабатывания. За счет этого обычно обеспечивается и необходимое время его работы.
3.7.3.8. Определить минимальное напряжение заряда блока конденсаторов для четкого срабатывания электромагнита. Проверку произвести при совместной работе блоков конденсаторов и зарядных устройств с действием на электромагнит включения (отключения) по схеме рис. 6 в следующем порядке:
а) зашунтировать контакты реле минимального напряжения зарядного устройства;
б) подать пониженное напряжение на зарядное устройство для заряда конденсаторных батарей и после заряда измерить напряжение на конденсаторной батарее кратковременным подключением вольтметра с внутренним сопротивлением не менее чем 2 кОм на 1 В;
Рис. 6. Схема измерения минимального напряжения заряда конденсатора, необходимого для четкой работы электромагнита
в) подключить к заряженному конденсатору обмотку электромагнита;
г) разрядить конденсаторы и увеличить напряжение на входе зарядного устройства, если электромагнит не работает или работает нечетко;
д) повторить операцию заряда конденсаторов и подключение к ним обмотки электромагнита. Подобные операции произвести несколько раз до четкого срабатывания электромагнита.
Значение напряжения на выходе зарядного устройства, при котором электромагнит четко срабатывает, должно быть не более 260 В (65 % номинального значения выпрямленного напряжения).
3.7.3.9. Проверить надежность работы приводов коммутационных аппаратов в полной схеме при значениях оперативного напряжения 0,9Uном на включение и 0,8Uном на отключение. Способы получения пониженного напряжения аналогичны указанным в п. 3.7.3.3.
3.7.4. Проверить время включения (отключения) выключателя, время включения короткозамыкателя и отключения отделителя, время готовности привода (для пружинных приводов с АПВ).
3.7.5. Работы, перечисленные в п. 3.7, выполняются персоналом, которому это вменено в обязанность положениями по разграничению зон обслуживания, по методикам, принятым для данного типа коммутационного аппарата.
3.8.1. Проверку взаимодействия элементов устройств РЗА следует производить в целях определения правильности выполнения монтажа, его соответствия принципиальной схем устройства РЗА (особенно важно при проверках тех типовых панелей устройств РЗА, для которых проверка правильности монтажа согласно п. 3.4.4 методом «прозвонки» не производится) и исправности отдельных элементов устройств РЗА.
3.8.2. Проверку взаимодействия производить при оперативном напряжении, равном 80 % номинального значения.
Во время проверки взаимодействия по мере срабатывания реле изменяется потребление проверяемого устройства. При недостаточно мощном источнике питания это может привести к изменению напряжения оперативного тока на панели особенно при питании через потенциометр. Поэтому в процессе проверки необходимо по возможности использовать низкоомные потенциометры, контролировать значение напряжения оперативного тока и. при необходимости его корректировать.
3.8.3. В объем проверки взаимодействия элементов устройств входит проверка взаимодействия всех элементов, изображенных на проектной принципиальной схеме, включая оперативные цепи, выходные цепи, цепи сигнализации, резервные выходные цепи. Проверяется надежность отсоединения элементов типовой схемы, отключенных в соответствии с проектной схемой.
Проверку взаимодействия сложных устройств РЗА, выполненных на базе ИМС, следует производить путем подачи входных воздействий (тока, напряжения, замыкания контактов) на ряды выводов устройства с помощью блоков тестового контроля, имеющихся в таких устройствах. В отдельных случаях, когда объем операций, выполняемых блоком тестового контроля, недостаточен для проведения имитируемых режимов, допускается вызывать требуемые воздействия путем подачи сигналов логического нуля (он часто оказывается связанным с корпусом панели) в контрольные точки схемы за исключением той точки, на которую подан положительный потенциал блока питания. Эту проверку нужно производить с особой осторожностью с тем, чтобы ошибочно не подать сигнал логической единицы, что может привести к повреждению микросхемы. Реакцию устройства следует определять по светодиодной сигнализации, срабатыванию указательных реле, действию промежуточных реле и с помощью омметра или вольтметра, подключенного на выводах устройства к выходным цепям. Для некоторых устройств целесообразно на время проверки устанавливать временную перемычку для подключения выходной группы реле, отключаемой во время тестового опробования.
3.8.5. При проверке взаимодействия устройств РЗА следует обращать внимание на:
а) правильную последовательность работы элементов схемы устройства от пусковых до выходных элементов. В устройствах РЗА, имеющих разделение цепей по отдельным фазам, - правильность работы и соответствие фаз входного и выходного воздействий, отсутствие связи между цепями отдельных фаз или предусмотренную схемой взаимосвязь;
б) отсутствие обходных связей, приводящих к ложному срабатыванию элементов схемы, которые не должны реагировать на подаваемые входные воздействия;
в) правильность работы схемы в зависимости от состояния реле направления мощности в устройствах РЗА, имеющих такие реле;
г) наличие замедления при срабатывании в устройствах РЗА, действующих с выдержкой времени;
д) правильность взаимодействия элементов устройства, относящихся к цепям каждой из ступени, в устройствах РЗА, имеющих несколько ступеней;
е) правильность действия различных блокировок, например, блокировки при качаниях, при неисправностях цепей напряжения и др.;
ж) правильность переключений в цепях тока и напряжения, достоверность маркирования фаз тока и напряжения;
з) правильность работы устройства РЗА во всех положениях переключающих устройств: ключей, переключателей, накладок, испытательных блоков, штеккерных разъемов, автоматических выключателей, контактных мостиков измерительных зажимов в случаях, когда с их помощью выставляется режим работы схемы. В последнем случае следует обратить внимание на надежность фиксации отключенного положения контактных мостиков;
и) правильность подключения выводов обмоток (соблюдение полярности) на промежуточных реле с несколькими обмотками, правильность работы реле по цепям основной и удерживающих обмоток;
к) правильность и полноту содержания надписей под переключающими устройствами, реле, блоками, комплектами в соответствии с обозначениями проектной схемы и диспетчерскими наименованиями первичного оборудования;
л) соответствие положения переключателя уставок выставленной метке;
м) надежность отстройки промежуточных реле, обмотки которых включены через добавочные резисторы, от срабатываний, не предусмотренных схемой (по цепям удерживания), надежность удерживания реле через добавочные резисторы;
н) четкость и стабильность срабатывания промежуточных реле, отсутствие «зависаний» якоря реле;
о) эффективность работы и правильность включения искрогасительных контуров;
п) правильность работы устройств сигнализации: табло, светодиодов, указательных реле;
р) правильность включения цепей, содержащих разделительные диоды в оперативных цепях, в цепях сигнализации и выходных цепях. Следует измерить с помощью омметра сопротивления резисторов (если они предусмотрены схемой) в цепях выходных контактов и в цепях сигнализации устройства. С помощью вольтметра следует проверить значение напряжений в цепях аналоговых выходных сигналов;
с) правильность работы схемы сигнализации при действии максимального количества сигналов, цепи которых включаются параллельно одна другой;
т) обеспечение однократности действий устройства и ориентировочную оценку времени повторной готовности;
у) отсутствие ложных срабатываний устройства при подаче и снятии оперативного напряжения, АПВ блока питания из-за помех, вызванных коммутациями отдельных элементов с большой индуктивностью проверяемого и других (расположенных вблизи проверяемого) устройства РЗА, а также из-за наводок на жилах контрольных кабелей при операциях с выключателями и разъединителями;
ф) обеспечение полноты имитируемых режимов для проверки всех элементов устройства, изображенных на принципиальной схеме;
х) снятие напряжения с группы выходных реле при переводе устройства РЗА в режимы ВЫВОД и ПРОВЕРКА.
3.8.6. Проверку взаимодействия элементов схемы управления, коммутационными аппаратами следует производить в следующем порядке:
3.8.6.1. Предварительно необходимо опробовать взаимодействие элементов схемы без воздействия на коммутационный аппарат. Для этого необходимо временно разомкнуть цепи электромагнитов управления (размыканием разъемов электромагнитов, отключением автоматического выключателя в цепи электромагнита включения масляного выключателя и т.п.) или ограничить токи, протекающие по обмоткам, путем ввода добавочного резистора в цепь, соединяющую общую точку обмоток электромагнитов с отрицательным полюсом источника оперативного напряжения (для схем управления воздушным выключателем это удобно выполнить путем размыкания контакта манометра, разрешающего управление выключателем).
При опробовании цепей управления коммутационными аппаратами следует обратить особое внимание на проверку следующих цепей:
а) действие защиты от непереключения фаз выключателя (для выключателей с пофазными приводами) на отключение выключателя и на размыкание цепи обмоток электромагнитов при имитации неполнофазного включения (отключения) выключателя;
б) правильность взаимного включения основной и удерживающих обмоток реле блокировки по давлению;
в) наличие подхвата импульса, подаваемого на электромагниты, необходимого для предотвращения повреждения контактов реле и ключей;
г) обеспечение завершения операции при снижении давления ниже уставки блокировки в процессе операции.
3.8.6.2. Восстановить цепи обмоток электромагнитов управления и проверить:
а) отключение и включение аппарата от устройств дистанционного управления (ключей, кнопок), а также от всех предусмотренных схемой реле защиты и автоматики;
б) действие блокировки по давлению воздуха при фактическом снижении давления на выключателе ниже уставок;
в) действие блокировки от многократных включений;
г) отсутствие воздействий на коммутационный аппарат при поочередном шунтировании обмотки реле в отключенном положении или добавочного резистора в ее цепи на отключенном аппарате, а также при поочередном шунтировании обмотки реле во включенном положении и добавочного резистора в ее цепи на включенном аппарате;
д) работу выключателей во всех режимах автоматического повторного включения (ТАПВ, БАПВ, УТАПВ, ОАПВ). Имитацию режимов ОАПВ удобно производить с помощью схемы, приведенной на рис. 7, если отсутствует установка ЭУ5001. В этой схеме к токовым цепям избирателей проверяемой фазы выключателя через размыкающий контакт реле KL (серии РП251) подводится ток, достаточный для срабатывания избирателя, затем нажатием кнопки SB на время, превышающее время цикла ОАПВ, производится кратковременный пуск схемы ОАПВ.
При недостаточной мощности регулировочного устройства, понижающего оперативное напряжение до значения, равного 0,80Uном, проверки взаимодействия при подключенных электромагнитах управления производятся при номинальном значении оперативного напряжения.
3.8.7. Отыскание неисправностей, выявленных при опробовании взаимодействия устройства, удобно производить, измеряя напряжение в различных точках проверяемой цепи высокоомным вольтметром по отношению к земле (рис. 8), если устройство подключено к сети с включенным устройством контроля изоляции, или по отношению к одному из полюсов источника напряжения оперативного тока, определяя при этом место обрыва или ложную цепь. В обоих случаях по полярности измеренного напряжения определяют, со стороны какого полюса источника оперативного тока имеет место разрыв или ложная цепь.
На практике вместо вольтметра используют иногда бытовые индикаторы напряжения, в которых установлена неоновая лампа с удлиненным газоразрядным промежутком, например ВМН-2. В этом случае знак измеряемого напряжения определяется по свечению одного из электродов. Предварительно индикатор маркируют, подключая его к источнику с известной полярностью.
Отыскание неисправностей в схеме может быть также выполнено при отключенном напряжении оперативного тока с помощью «прозвонки», подключаемой по схеме, приведенной на рис. 9.
В этом случае, временно устанавливая перемычки 1, шунтирующие обмотки аппаратуры или заземляющие перемычки 2 в различных местах устройства, например, начиная с середины цепи, и в необходимых случаях размыкая или замыкая контакты реле, включенных в проверяемую цепь, можно быстро определить место разрыва или ложную цепь.
3.9.1. Временные характеристики устройства РЗА определяются путем измерения времени действия устройства по каналам срабатывания отдельных функциональных узлов (отдельных видов и ступеней защит, устройств, блокировок и др.), входящих в состав устройства, при их взаимодействии между собой при подаче на вход устройства аварийных или пусковых параметров режима (тока, напряжения, замыкания (размыкания) контактов других устройств, воздействующих на вход проверяемого устройства РЗА и др.).
3.9.2. Следует измерять полное время действия устройств согласно п. 3.6.14.
3.9.3. Проверку временных характеристик следует производить от постороннего источника тока и напряжения при полностью собранных цепях устройств, закрытых кожухах реле, установленных и зафиксированных модулях, при отключенных кабельных связях, при номинальном оперативном напряжении.
Для этого удобно использовать комплектное устройство У5053 (ЭУ5001). В зависимости от измеряемого интервала времени следует пользоваться встроенным в устройство электросекундомером или выносным миллисекундомером.
Рис. 7. Схема для опробования ОАПВ
Рис. 8. Схема отыскания неисправности с помощью вольтметра
Рис. 9. Отыскание неисправности в схеме с помощью «прозвонки»
3.9.4. При проверке временных характеристик сложных устройств РЗА на проверяемое устройство РЗА, как правило, должно быть предварительно подано переменное симметричное напряжение, соответствующее нормальному режиму (ток, соответствующий току нагрузки, на устройство обычно предварительно не подается), а затем одновременно с запуском секундомера на устройство подаются сочетания токов и напряжений, имитирующие различные режимы КЗ (однофазные, двухфазные, трехфазные) различной удаленности в зоне действия устройства или его отдельных ступеней, вне зоны, в начале защищаемого участка, «за спиной» (для защит линий - на шинах подстанции), а также другие режимы, при которых может проявляться правильное или неправильное поведение устройства РЗА, например, при сбросе обратной мощности, снижении переменного напряжения до нуля при отсутствии тока и т.п.
3.9.5. При проверках временных характеристик устройств РЗА с зависимыми характеристиками времени действия от кратности подводимых параметров должны быть проверены две - три точки характеристик, а для устройств, от которых такая зависимость не требуется, эти проверки должны проводиться при подведении таких кратностей, которые бы обеспечивали работу устройств в независимой части характеристик или соответствовали расчетным значениям токов КЗ. Эти кратности должны соответствовать приведенным ниже:
а) для защит максимального действия - 0,9 и 1,1 уставки срабатывания для контроля несрабатывания защиты в первом и срабатывания во втором случаях; для контроля времени действия - ток или напряжение, равные 1,3 уставки срабатывания.
Для токовых направленных защит подается номинальное переменное напряжение с фазой, обеспечивающей срабатывание реле направления мощности. При этом поданная мощность должна превышать мощность срабатывания реле не менее чем в 2 - 3 раза.
Для дифференциальных защит ток подается поочередно в каждое из плеч защиты;
б) для защит минимального действия - 1,1 и 0,9 уставка срабатывания для контроля несрабатывания защиты в первом и срабатывания во втором случаях; для контроля времени действия - ток или напряжение, равные 0,8 уставки срабатывания;
в) для дистанционных защит временную характеристику следует снимать для сопротивлений, равных 0,5Z1; 0,9Z1; 1,1Z1; 0,9Z2; 1,1Z2; 0,9Z3; 1,1Z3. Регулировку выдержки второй и третьей ступеней производить при сопротивлениях, равных соответственно 1,1Z1 и 1,1Z2. Регулировку выдержки времени в первой ступени (при необходимости) производить при сопротивлениях 0,5Z1. Кроме времени срабатывания, измеряется длительность замкнутого состояния устройства по «памяти» при имитации близких КЗ в «мертвой зоне».
При проверках временных характеристик необходимо измерять время действия отдельных ступеней защиты по цепи ускорения. Эти измерения производятся при подведении к ней тех же кратностей тока и напряжения, что и при контроле (регулировке) времени действия.
3.9.6. Следует измерить время повторной готовности всех элементов схемы, невозврат которых может привести к отказу или излишней работе устройств РЗА.
3.9.7. Проверку и регулировку временных характеристик следует производить с учетом имеющего место разброса временных параметров (п. 3.6.12,б). После выставления временной уставки следует сделать метку, фиксирующую положение переключателя уставок (п. 3.6.12,е).
3.9.8. После проверки временных характеристик не следует производить работы, в результате которых может нарушиться целостность проверенных цепей и работоспособность устройства, например, изменять положение переключателей уставок, вынимать блоки из разъемов, отсоединять проводники и т.п.
3.10.1. Во всех случаях перед вводом устройства РЗА в работу (или перед проверкой под нагрузкой, если она будет производиться) при новом включении или после технического обслуживания, связанного с работами в оперативных цепях, при котором эти цепи могли оказаться нарушенными, для проверки работоспособности устройств РЗА, коммутационных аппаратов и правильности функционирования оперативных цепей, связывающих их между собой в единый комплекс, следует произвести проверку взаимодействия устройства РЗА с другими устройствами РЗА и коммутационными аппаратами во всех режимах, при которых проектом предусмотрено действие устройства РЗА на другие устройства и коммутационные аппараты, или проверить те цепи, которые могли оказаться нарушенными в процессе работы.
3.10.2. Проверку взаимодействия устройств РЗА следует производить, как правило, на выведенных из работы устройствах РЗА и разобранных разъединителями схемах первичных соединений коммутационных аппаратов. Проверку взаимодействия в этом случае следует производить в следующем порядке:
а) при снятом с устройств и коммутационных аппаратов оперативном токе подсоединить кабельные связи между устройствами РЗА и коммутационными аппаратами, предварительно проверив их изоляцию (или проверить изоляцию устройства РЗА в полностью собранной схеме) согласно п. 3.5;
б) подать на устройства РЗА номинальное напряжение оперативного тока;
в) провести проверку взаимодействия непосредственным воздействием одного устройства на другое для каждой цепи с учетом требований, изложенных в пп. 3.8.4 - 3.8.7. При проверке взаимодействия следует учитывать положение коммутационных аппаратов и реле, блок-контактов, фиксирующих это положение. Проверку в необходимых случаях следует производить при включенном и отключенном положении коммутационных аппаратов, а если такой возможности нет - размыканием или замыканием блок-контактов коммутационных аппаратов.
Для сложных устройств РЗА, выполненных на базе ИМС, в случаях, когда имитация проверяемых режимов затруднена, допускается проводить проверку взаимодействия, устанавливая перемычки в выходных цепях на рядах выводов устройств РЗА при условии, что предварительно на ряде выводов устройства были проверены выходные воздействия;
г) подать оперативный ток на коммутационные аппараты и опробовать действие устройства РЗА на отключение, включение, в том числе АПВ. Действие газовой защиты должно быть опробовано на отключение выключателей (или другие коммутационные аппараты) путем непосредственного воздействия на газовые реле.
При невозможности опробования действия устройства РЗА непосредственно на другие устройства РЗА и коммутационные аппараты следует произвести это опробование косвенным способом, например, на реле, вольтметр, лампочку и т.п. при соответствующем положении коммутационного аппарата.
3.10.3. Подключение кабельных связей проверяемого устройства и проверку его взаимодействия с включенными в работу устройствами РЗА следует производить при номинальном напряжении оперативного тока в следующей последовательности:
а) проверить отсутствие подсоединения на рядах выводов устройств РЗА цепей связи с проверяемым устройством;
б) проверить отсутствие (наличие) сигналов на соответствующих выводах проверяемого устройства;
в) подсоединить цепи связи с другими устройствами на рядах выводов проверяемого устройства, предварительно проверив «прозвонкой» правильность маркировки жил и их изоляцию (п. 3.5);
г) проверить запуск проверяемого устройства от воздействия других устройств по цепям связи с ними подачей сигналов на жилы кабелей со стороны других устройств;
д) проверить исправность цепей воздействия проверяемого устройства на другие устройства путем измерения сопротивления (напряжения) между жилами кабелей со стороны других устройств;
е) подготовить цепи управления коммутационными аппаратами, проверить отсутствие сигналов от проверяемого устройства на цепи отключения (включения) коммутационных аппаратов, подсоединить цепи связи проверяемого устройства с коммутационными аппаратами;
ж) проверить отсутствие (наличие) сигналов от проверяемого устройства на жилах остальных кабелей со стороны других устройств;
з) подсоединить цепи связи проверяемого устройства к выводам других устройств;
и) произвести с разрешения оперативного персонала опробование действия цепей отключения (включения) каждого вводимого в работу устройства РЗА на коммутационные аппараты и на другие устройства РЗА, посредством которых производится отключение (включение) коммутационных аппаратов, например, УРОВ, дифференциальной защиты шин, устройства АПВ.
При наличии разделения цепей отключения по фазам должны быть опробованы цепи отключения каждой фазы коммутационного аппарата.
3.10.4. Проверка взаимодействия устройств, реализация действия которых происходит на других энергообъектах, например, с использованием ВЧ каналов устройств релейной защиты и противоаварийной автоматики, должна выполняться по программам (п. 2.1) под контролем службы РЗА, в управлении которой находится ВЧ канал.
3.10.5. После проверки действия проверяемого устройства на коммутационные аппараты работы в оперативных цепях не должны производиться.
3.11.1. Перед проверкой устройств РЗА первичным током и напряжением в случаях, когда имеется сомнение в правильности сборки схемы подключения устройства РЗА к вторичным обмоткам трансформаторов тока и напряжения или есть необходимость в их предварительной проверке для ускорения последующих этапов работы, следует проверять правильность прохождения токов через все устройства РЗА и измерять на них напряжения при подключении посторонних источников к проверяемым вспомогательным цепям тока и напряжения.
3.11.2. Правильность сборки токовых цепей следует проверять, подключая поочередно однофазный источник тока к выводам сборки трансформаторов тока или к выводам ближайшего к трансформаторам тока устройства РЗА между каждым фазным и нулевым проводами (рис. 10) или между фазными проводами, в случае сборки вторичных обмоток трансформаторов тока в треугольник.
При этом прибором ВАФ-85 следует контролировать протекание тока через вторичную обмотку проверяемой фазы трансформатора тока и через каждое из устройств РЗА (на входных выводах устройств) по тем фазным и нулевым проводам, к которым подключен источник тока, и отсутствие тока (точнее весьма малое его значение) в остальных проводах и обмотках.
Рис. 10. Схема проверки правильности сборки токовых цепей однофазным вторичным током
Если используются нагрузочные устройства без разделительного (нагрузочного) трансформатора Тр, следует отключить проводник, заземляющий токовые цепи.
При проверке первичная обмотка трансформаторов тока не должна быть замкнута.
Поочередно проверяются цепи, подключенные к каждой из обмоток трансформаторов тока.
Подключив амперметр А и вольтметр V (см. рис. 10) при этой проверке, можно определить также сопротивление нагрузки на токовые цепи.
3.11.3. Правильность сборки цепей напряжения следует проверять путем подачи напряжения от источника симметричного трехфазного напряжения со значением подводимого линейного напряжения 100 В к одному из устройств РЗА в релейном зале (или в другом месте) с тем порядком чередования фаз, который предусмотрен схемой цепей напряжения и проверки. При этом проверяется сохранение этого порядка чередования фаз во всей схеме цепей напряжения. Источник напряжения не должен иметь гальванической, связи с землей. Автоматические выключатели и рубильники в цепях трансформатора напряжения должны быть отключены. Временно устанавливается дополнительное заземление цепей напряжения после коммутационных аппаратов за исключением случаев, когда заземление установлено на щите управления. Заземляется фаза В цепей напряжения. Поочередно подаются напряжения в цепи «звезды» и «разомкнутого треугольника» или одновременно, если позволяет схема источника, в обе схемы. При этом прибором ВАФ-85 измеряются значения напряжений на всех устройствах РЗА и на выводах автоматических выключателей трансформаторов напряжения и определяется чередование фаз. Чередование фаз напряжения на устройствах РЗА должно быть такое же, как и на источнике. При определении порядка чередования фаз напряжение в цепях «звезды» вывод В прибора ВАФ-85 присоединяется к земле, а выводы А и С - к цепям напряжения с одноименной маркировкой. При проверке схемы цепей «разомкнутого треугольника» от источника напряжения, собранного в схему «звезды» с нулевым проводом, следует установить соответствие между выводами источника напряжения, например, А, В, С, 0 и цепями «разомкнутого треугольника», например, Н, К, И, Ф. При заземлении вывода В прибора ВАФ-85 и подключении его выводов А и С к цепям с маркировкой «Н» и «И» прибор должен показать то же чередование, что и на источнике (А, В, С). Следует иметь в виду, что при наличии в цепях напряжения «разомкнутого треугольника» реле мощности РБМ-178, РБМ-278 с термически неустойчивыми обмотками напряжения, они должны быть на время проверки в вышеуказанном случае исключены из схемы цепей напряжения на испытательных блоках или рядах выводов устройства РЗА.
3.11.4. При проверках, указанных в пп. 3.11.2, 3.11.3, следует фиксировать работу измерительных щитовых приборов и избегать их зашкаливания.
3.12.1. Проверку устройств РЗА первичным током и напряжением следует производить для окончательной проверки исправности и правильности подключения устройств РЗА к цепям тока и напряжения и самих трансформаторов тока и напряжения.
3.12.2. Проверку следует производить при подаче тока и напряжения непосредственно в первичные обмотки трансформаторов тока и напряжения от постороннего источника или током нагрузки и рабочим напряжением.
3.12.3. Для простых дифференциальных и ненаправленных максимальных токовых защит проверка от постороннего источника тока может быть окончательной и после нее эти защиты могут вводиться в работу.
Для других устройств РЗА эта проверка может быть выполнена для предварительной проверки исправности цепей тока, устройств РЗА и измерительных трансформаторов тока.
3.12.4. Проверку устройств РЗА током нагрузки и рабочим напряжением следует производить в следующих случаях:
а) если в защитах есть реле, питающиеся одновременно от трансформаторов тока и от трансформаторов напряжения;
б) когда проверка устройства РЗА производится без отключения силового оборудования, на котором оно установлено;
в) когда проверка первичным током нагрузки и рабочим напряжением выполняется более просто и с меньшей затратой времени, чем проверка от постороннего источника;
г) при необходимости двусторонней проверки устройств РЗА линий.
3.12.5. Для того, чтобы во время проверки не нарушить токовые цепи, измерения токов следует производить с помощью специальных токоизмерительных клещей, например имеющихся в приборе ВАФ-85. При отсутствии токоизмерительных клещей измерение токов производится без отключения проводников с помощью измерительных выводов и испытательных блоков. Малые токи, например, токи небаланса, токи, дотекающие в нулевом проводе вторичных цепей трансформаторов тока при симметричной нагрузке, и прочие измеряются с помощью миллиамперметров, подключаемых к измерительным выводам или к выводам испытательных блоков. Векторные диаграммы токов при малых токах нагрузки снимаются способами, указанными в п. 3.12.14.
3.12.6. Во избежание коротких замыканий все переключения в цепях напряжения проверяемого устройства РЗА при проверке рабочим напряжением должны, как правило, производить с помощью контрольных штеккеров испытательных блоков либо при снятом напряжении с устройства РЗА.
3.12.7. Непосредственно перед проверкой устройств РЗА первичным током и напряжением следует произвести:
а) осмотр аппаратуры устройств РЗА и рядов выводов;
б) проверку целостности токовых цепей путем измерения их активного сопротивления;
в) проверку изоляции цепей тока и напряжения в соответствии с п. 3.5;
г) проверку наличия заземления в цепях тока, напряжения и т.п.;
д) установку накладок, переключателей, крышек испытательных блоков и других коммутационных элементов устройств в положения, при которых исключается воздействие проверяемого устройства на другие устройства и коммутационные аппараты. В отдельных случаях цепи воздействия на коммутационные аппараты могут не отключаться, если схема первичных соединений допускает одновременное опробование отключения коммутационных аппаратов и это предусмотрено программой.
3.12.8.1. От однофазных нагрузочных устройств. Схемы проверки для разных соединений трансформаторов тока приведены на рис. 11. Первичный ток от любого достаточно мощного нагрузочного устройства подают поочередно на каждый трансформатор тока или на два, или три последовательно включенных трансформатора тока в зависимости от схемы соединений трансформаторов тока и увеличивают до тех пор, пока ток во вторичных цепях трансформаторов тока не достигнет 10 - 20 % номинального значения тока трансформаторов тока. Измеряя токи во вторичных цепях, проверяют исправность токовых цепей, правильность их соединения и правильность установленного коэффициента трансформации трансформаторов тока.
При этом в схеме «полной звезды» (рис. 11,а) значения токов в фазном проводе проверяемого трансформатора тока и нулевом проводе должны быть практически равны между собой. В схеме «на разность токов» (рис. 11,б) значение тока, поступающего в защиту, должно быть в два раза больше токов, протекающих во вторичных обмотках трансформаторов тока. В схемах «неполной звезды» (рис. 11,в) и «полной звезды» (рис. 11,г) значения токов в фазных проводах должны быть одинаковыми, а значение тока в нулевом проводе должно быть равно сумме токов, протекающих в фазных проводах.
После проверки исправности токовых цепей, если позволяет мощность источника, значение тока следует увеличивать до момента срабатывания защиты.
От однофазного источника могут быть проверены также схемы дифференциальных защит крупных двигателей (рис. 12).
Проверку следует производить поочередно для каждой фазы двигателя. При проверке обмотка проверяемой фазы двигателя должна быть закорочена, а испытательное устройство подключено таким образом, чтобы обтекались током оба трансформатора тока проверяемой фазы (имитация КЗ вне зоны действия защиты). Значения токов, измеренных в фазном и нулевом проводах, должны быть одинаковы (при равных коэффициентах трансформации трансформаторов тока), а в дифференциальном проводе - равны нулю. Целостность проводов дифференциальной цепи следует проверять при подсоединении одного из приводов источника тока к точке К, расположенной в зоне действия защиты, или, если в токовых цепях установлены испытательные блоки, - снятием рабочей крышки блока в одном из плеч дифференциальной защиты (в режиме имитации КЗ вне зоны).
3.12.8.2. От трехфазного источника питания. Этот способ применяется для проверки продольных дифференциальных, максимальных токовых защит и других устройств РЗА трансформаторов, автотрансформаторов, двигателей, генераторов и блоков генератор-трансформатор. Этот метод следует применять для проверки мощных сетевых трехобмоточных трансформаторов (автотрансформаторов), когда от обмотки низкого напряжения питаются только собственные нужды подстанции, и в этом плече при включении под рабочее напряжение не будет достаточного значения тока для проверки дифференциальной защиты.
Рис. 11. Схемы проверки максимальных токовых защит первичным током от однофазного источника тока при соединении трансформаторов тока:
а - в «полную звезду» при подаче тока в одну фазу; б - «на разность токов»; в - в «неполную звезду»; г - в «полную звезду» при подаче тока в три фазы
Схема проверки защит трансформатора приведена на рис. 13.
Со стороны низкого напряжения трансформатора следует установить испытательную трехфазную закоротку, а со стороны высокого напряжения подать трехфазное напряжение от сети 0,4; 3 - 10 кВ или от другого трансформатора. Источник питания подключается обычно со стороны высокого напряжения трансформатора для того, чтобы можно было использовать источник меньшей мощности, чем при включении источника со стороны низкого напряжения трансформатора.
Значение испытательного тока (Iисп) в амперах, проходящего через трансформатор от источника пониженного напряжения, следует - определить по формуле
(7)
где Iном - номинальный ток проверяемого трансформатора, А;
Uисп - напряжение источника пониженного напряжения, кВ;
Uном - номинальное напряжение проверяемого трансформатора со стороны подключения источника пониженного напряжения, кВ;
Uк - напряжение короткого замыкания проверяемого трансформатора (той пары обмоток, которая участвует в проверке), %.
При использовании в качестве источника питания другого трансформатора его необходимая мощность Sисп, в кВА, может быть подсчитана по формуле
(8)
где Uисп - номинальное напряжение испытательного трансформатора со стороны обмотки, подключаемой / к проверяемому трансформатору, кВ;
Sном, Uк - номинальные мощность и напряжение короткого замыкания проверяемого трансформатора соответственно, кВ·А и %;
Uном - номинальное напряжение проверяемого трансформатора со стороны обмотки, к которой подключается испытательный трансформатор, кВ.
Проверку рекомендуется производить в следующем порядке:
а) подобрать источник питания (по мощности и напряжению), место его подключения (с какой стороны трансформатора) и рассчитать значения первичных и вторичных токов. По значению первичного тока выбрать сечение подводящего кабеля и закоротки, а также оценить, допустим ли режим испытания для источника питания. Рекомендуется в качестве источника питания применять трансформаторы, отключение которых не может вызвать нарушения электроснабжения;
б) при подключении к источнику питания необходимо обеспечить защиту от короткого замыкания в подводящем кабеле;
в) по значениям вторичных токов оценить возможность получения достоверных результатов проверки.
При достаточных значениях вторичных токов измерить токи и напряжения небалансов дифференциальных защит, фильтров тока - прямой, обратной и нулевой последовательностей, снять векторную диаграмму вторичных токов. При снятии векторной диаграммы опорное напряжение, подаваемое на прибор ВАФ-85, должно быть синхронным с напряжением сети пониженного напряжения. Это напряжение может быть взято от вторичных цепей трансформаторов напряжения или непосредственно от трехфазной сети с линейным напряжением 220 - 380 В. При питании от сети 360 В прибор ВАФ-85 должен быть подключен к трехфазной сети через три одинаковых резистора ПЭВ-25 сопротивлением 2,2 - 5,6 кОм или ПЭВ-10 сопротивлением 5,1 - 5,6 кОм (рис. 14,а) или через три одинаковых конденсатора емкостью 0,05 мкФ (рис. 14,б). Измерение углов между векторами токов в измеряемых цепях можно произвести также с помощью двухлучевого осциллографа, например, С1-64 и двух токоизмерительных клещей прибора ВАФ-85. В этом случае осциллографом измеряются углы между напряжением на выходах токоизмерительных клещей. Двое клещей первоначально подключают в цепь одного и того же провода одинаковой полярностью и соответствующим образом ко входам осциллографа, чтобы на экране две синусоиды совпадали по фазе, затем одни клещи поочередно переносятся в цепь двух других фаз токовых цепей, а другие клещи остаются на прежнем месте. При этом определяются углы сдвига фаз между векторами токов по отношению к вектору тока в цепях первой фазы.
Рис. 12. Схема проверки дифференциальной, защиты двигателя первичным током от однофазного источника
Рис. 13. Схема проверки защит трансформатора первичным током от трехфазного источника
Рис. 14. Схемы подключения прибора ВАФ-85 к сети 380 В через дополнительные:
а - резисторы; б - конденсаторы
При правильно собранных токовых цепях значения токов в фазных проводах должны быть равны:
(9)
(10)
где I2Y, I2∆ - токи, протекающие в фазных проводах вторичных цепей трансформаторов тока, соединенных соответственно в «звезду» и «треугольник», А;
I1Y, I1∆ - токи, протекающие в первичных обмотках трансформатора тока, А.
Токи небаланса, измеряемые миллиамперметром в дифференциальных и нулевом проводах, должны быть близки к нулю и не превышать расчетных токов небаланса более чем на 20 - 30 %. При поочередном снятии крышек испытательных блоков (при отсутствии токовых отсоединений и закорачиваний в сторону трансформаторов тока соответствующих цепей на рядах выводов устройства РЗА) измеряются токи в дифференциальных проводах, которые должны быть равны токам в фазных проводах того плеча защиты, вторичные цепи которого остаются в работе.
Защиты двигателей высокого напряжения могут быть проверены от трехфазного нагрузочного устройства при закороченных обмотках статора или при подключении обмотки статора к сети пониженного напряжения, например, 380 В при закороченных и заземленных обмотках ротора (для двигателей с фазным ротором).
Проверку защит генераторов и блоков генератор-трансформатор следует производить при отсоединенном от испытательной схемы статоре генератора. При этом токопровод генератора необходимо пофазно соединить перемычками.
От трехфазного источника может быть проверена также правильность сборки цепей напряжения. В этом случае закоротки не устанавливаются, к первичным обмоткам трансформаторов напряжения подводится пониженное трехфазное напряжение, а во вторичных цепях трансформаторов напряжение вольтметром (милливольтметром) снимается потенциальная диаграмма и затем методом засечек строится векторная диаграмма, по которой определяется правильность сборки схемы (п. 3.12.11). Направление вращения фаз в этом случае следует установить с помощью двухлучевого осциллографа.
Цепи напряжения возбужденного генератора могут быть проверены при его вращении на холостом ходу.
3.12.8.3. Первичным током короткого замыкания от специально выделенного генератора. Этот способ следует применять при проверках устройства РЗА генераторов, а также трансформаторов и линий электропередачи, когда имеется возможность выделить генератор для их проверки.
Трехфазная закоротка (должна быть рассчитана на номинальный ток генератора) устанавливается так, чтобы ток от выделенного генератора проходил через трансформаторы тока проверяемых устройств РЗА. При этом, если в цепи протекания первичного тока КЗ от генератора находятся выключатели, необходимо принять меры, предотвращающие их отключения во время проверки, а в цепях возбуждения генератора принять меры, предотвращающие повышение напряжения в статоре генератора при обрыве цепи протекания тока КЗ.
Постепенно повышая ток возбуждения генератора, увеличивают ток КЗ до значения, достаточного для проверки устройств РЗА. Проверки выполняются аналогично вышеуказанным в п. 3.12.8.2.
Устройства РЗА генератора могут быть также проверены при вращении невозбужденного генератора валоповоротным устройством при установленной трехфазной закоротке в цепях статора (или за блочным трансформатором) согласно «Методическим указаниям по проведению комплексных электрических испытаний блоков генератор-трансформатор и их устройств релейной защиты и автоматики» (М.: СПО Союзтехэнерго, 1980). В этом случае в связи с отсутствием опорного напряжения для прибора ВАФ-85 векторные диаграммы токов могут быть сняты с помощью двухлучевого осциллографа (п. 3.12.8.2), самописцев или включением миллиамперметров постоянного тока в измеряемые цепи. В последнем случае из-за большого периода изменения токов в фазах (2 - 18 с) можно определить угол между токами, протекающими в фазах, измеряя время между одними и теми же точками синусоид с помощью секундомера (например, при прохождении тока через нуль).
3.12.9. В случаях, когда проверка устройств РЗА от постороннего источника проводилась малыми токами, недостаточными для достоверной оценки правильности включения устройства РЗА, следует после включения оборудования под нагрузку произвести проверку устройств РЗА в полном объеме согласно п. 3.12.10. Если же токи были достаточны и проверка производилась от трехфазного источника питания, можно ограничиться проверкой векторной диаграммы только одной из групп трансформаторов тока и измерить токи небалансов в нулевых проводах, дифференциальных цепях, фильтрах.
При отсутствии нагрузки или источника питания на стороне низкого напряжения автотрансформатора с выносными регулировочными устройствами можно использовать ток регулировочного трансформатора при установке переключателя в крайние положения. При правильно собранных токовых цепях защиты при установке переключателя в положение 1, что соответствует минимальному коэффициенту трансформации между сторонами высокого и среднего напряжений автотрансформатора, вектор тока стороны низкого напряжения должен примерно совпадать с вектором тока стороны среднего напряжения. При установке же переключателя в другое крайнее положение, соответствующее максимальному коэффициенту трансформации, вектор тока стороны низкого напряжения должен примерно совпадать с вектором тока стороны высокого напряжения.
При новом включении проверку следует производить в полном объеме, указанном в п. 3.12.11.
Следует убедиться в исправности вновь вводимых трансформаторов напряжения путем измерения значений напряжений (фазных, линейных, 3U0, между выводами обмоток, собранных в «звезду» и «разомкнутый треугольник») во вторичных цепях проверяемого трансформатора напряжения и проверкой чередования фаз или снятием векторной диаграммы напряжений прибором ВАФ-85. Измерения производятся в шкафу трансформатора напряжения и на панели щита управления, куда приходят кабели из шкафа трансформатора напряжения. Удобно сначала измерить все напряжения относительно земли. По результатам этих измерений оценивается правильность соединений вторичных обмоток трансформаторов. Если фазные и линейные напряжения симметричны, а в цепи разомкнутого треугольника напряжение небаланса не превышает 1 - 3 В, то в схеме нет неправильно включенных (перевернутых по полярностям) обмоток. Правильность наименования фаз определяется при определении чередования фаз либо пофазным отключением трансформатора напряжения со стороны высокого напряжения, если там установлены однофазные разъединители или предохранители. При пользовании фазоуказателем или прибором ВАФ-85 вывод В прибора соединяется с землей (если в схеме трансформатора напряжения заземлен нуль, а не фаза В, то на время проверки заземление нужно перенести на фазу В).
Для трехобмоточных трансформаторов напряжения с номинальным первичным напряжением 35 кВ и выше с выведенными вершинами разомкнутого треугольника для проверки правильности сборки цепей разомкнутого треугольника можно произвести также построением потенциальной диаграммы напряжений. Диаграмма строится методом «засечек» по результатам измерений напряжения между каждым из выводов разомкнутого треугольника и всеми фазами и нулем «звезды». Для стандартной схемы вторичных цепей трансформатора напряжения с заземленными выводами В и К построение векторной диаграммы приведено на рис. 15, а значение измеренных напряжений - в табл. 4.
Следует обращать особое внимание на проверку правильности маркировки выводов Н и К цепей «разомкнутого треугольника», имеющих приблизительно одинаковые потенциалы по отношению ко всем другим выводам вторичных обмоток трансформатора напряжения. Необходимо проверить на сборке выводов, от какой фазы трансформатора напряжения приходит заземленный конец цепи 3U0. Следует иметь в виду, что ошибочная маркировка и установка заземления в цепи 3U0 приводят к неправильному включению направленных защит и к ее неправильным действиям при КЗ в защищаемой сети. Напряжение вывода К относительно «земли» должно быть равно нулю, а вывода Н - напряжению небаланса 1 - 3 В.
В некоторых случаях измеренные значения напряжения выводов Н и К по отношению к корпусу панели, установленной на щите управления, имеют незначительные отличия из-за наведенных напряжений между точкой заземления вторичных обмоток в шкафу трансформатора напряжения и корпусом панели, относительно которого производится измерение на щите управления. В этом случае проверку можно произвести указанным ниже способом.
На ряде выводов панели, на которую подведены кабели от трансформатора напряжения, временно отсоединяют жилу кабеля с маркой Н в сторону трансформатора напряжения (рис. 16). Между выводами И и К включают резистор R сопротивлением 50 - 100 Ом, при этом в цепях между выводами Н и И протекает ток 1 - 2 А. С помощью клещей прибором ВАФ-85 измеряют токи в цепях с маркировкой Н, К и И на ряде выводов панели и в шкафу трансформатора напряжения, где можно визуально определить заземленную жилу. При правильно выполненных обозначениях на жилах кабеля на панели в шкафу трансформатора напряжения в цепях с маркировкой К и И должен протекать ток 1 - 2 А, а в цепях с маркировкой Н ток должен отсутствовать.
Рис. 15. Проверка цепей напряжения:
а - принципиальная схема вторичных цепей напряжения сети 35 кВ и выше; б - векторная диаграмма напряжений для сети с заземленной нейтралью; в - то же для сети с изолированной нейтралью
Таблица 4
|
Значения напряжений между фазами вторичных цепей напряжения, В |
|||||||||||
|
АО |
ВО |
СО |
АВ |
ВС |
СА |
НИ |
ИФ |
ФК |
НК |
АН |
|
|
С заземленной нейтралью |
58 |
58 |
58 |
100 |
100 |
100 |
100 |
100 |
100 |
1 - 3 |
100 |
|
С изолированной нейтралью |
58 |
58 |
58 |
100 |
100 |
100 |
33 |
33 |
33 |
1 - 3 |
100 |
Окончание таблицы 4
|
Вид сети |
Значения напряжений между фазами вторичных цепей напряжения |
||||||||||
|
АИ |
АФ |
АК |
ВН |
ВИ |
ВФ |
ВК |
СН |
СИ |
СФ |
СК |
|
|
С заземленной нейтралью |
195 |
195 |
100 |
1 - 3 |
100 |
100 |
0 |
100 |
142 |
195 |
100 |
|
С изолированной нейтралью |
130 |
129 |
100 |
1 - 3 |
33 |
33 |
0 |
100 |
105 |
130 |
100 |
После этого следует произвести фазирование вторичных цепей проверяемого трансформатора напряжения с цепями другого, заведомо исправного трансформатора напряжения, измеряя вольтметром напряжения между всеми вторичными цепями проверяемого и заведомо исправного трансформаторов напряжений. При этом напряжение на первичные обмотки проверяемого и заведомо исправного трансформатора напряжения должно непосредственно подаваться от одного и того же источника напряжения. Фазировку следует считать правильной, если напряжения между цепями с одноименной маркировкой равны нулю (или близки к нулю для цепей с маркировкой В и К), а между другими цепями соответствуют значениям, приведенным в табл. 4.
Аналогично указанным выше способом следует проверить правильность подвода напряжений от проверяемого ТН к колонке синхронизации и к другим устройствам РЗА.
Рис. 16. Схема определения выводов Н и К «разомкнутого треугольника»
После этого первичные цепи проверяемого и действующего оборудования разделяются отключением коммутационных аппаратов и на проверяемое оборудование подается рабочее напряжение от вновь вводимого источника. Проверяется фазировка цепей между вторичными цепями вновь вводимого трансформатора напряжения и цепями одного из заведомо исправных трансформаторов напряжения. Этим проверяется фазировка первичных напряжений между проверяемым и действующим оборудованием.
Если на вводимом в работу первичном оборудовании отсутствуют трансформаторы напряжения, оно подключается к специально выделенной системе шин и фазировка производится аналогично при поданном на оборудование напряжении от противоположного источника между цепями трансформатора напряжения выделенной системы и исправными цепями другого трансформатора, питающегося от другого источника. Фазировка цепей считается правильной, если одноименные векторы напряжений совпадают или сдвинуты один относительно другого на небольшой угол, соответствующий углу нагрузки на шунтирующих связях. При правильной фазировке поступающих напряжений первичное оборудование может ставиться под нагрузку (замыкаться в транзит линии электропередачи, подключаться нагрузка к трансформаторам и т.д.).
3.12.12. Проверку исправности всех токовых цепей производить путем измерения токов в фазных и нулевом проводах (проверкой «обтекания» токовых цепей). Ток в нулевом проводе следует измерять с помощью миллиамперметра, включаемого в цепь нулевого провода через измерительный зажим или контрольный штеккер испытательного блока. Измерения производятся для проверки целостности токовых цепей, поэтому измеряются только значения токов. Токи измеряются во всех вторичных обмотках, в том числе и в неиспользуемых (измерения в этом случае должны быть проведены в месте их закорачивания в ящике выводов трансформаторов тока).
3.12.13. Проверка исправности и правильности подключения цепей напряжения.
Ниже приведен полный объем работ, который необходимо выполнить в процессе проверки (объем работ, выполненных при фазировании первичных источников, может не повторяться):
а) проверить исправность цепей напряжений на выходе панели автоматики трансформатора напряжения во всех положениях ключей, переводящих нагрузку с рабочего на резервный трансформатор напряжения путем снятия потенциальной диаграммы и проверки чередования фаз или снятием векторной диаграммы прибором ВАФ-85. При определении чередования фаз и снятии векторных диаграмм вывод В фазоуказателя (прибора ВАФ-85) должен быть подсоединен к земле. При этом также измеряются напряжения цепей всех фаз относительно земли. Измеренные значения должны соответствовать приведенным в табл. 4, напряжение небаланса на выходе «разомкнутого треугольника» не должно превышать 1 - 3 В;
б) измерить значения напряжений цепей «звезды» и «разомкнутого треугольника» на рядах выводов всех вводимых устройств РЗА, после чего сфазировать цепи этих напряжений с цепями напряжений на панели автоматики трансформатора напряжения или с другими панелями РЗА, на которых цепи напряжения заведомо исправны.
В отдельных случаях следует производить фазировку напряжений на выводах отдельных реле и аппаратов и на выводах ряда соединений устройств РЗА, если имеется сомнение в достаточности предыдущих проверок для определения правильности выполнения монтажа панели.
а) с помощью прибора ВАФ-85 снять векторные диаграммы токов на входе каждого устройства РЗА. Измерения следует производить на рядах выводов устройств. В отдельных случаях следует снять векторные диаграммы токов на выводах реле, комплектов, например, при съеме этих реле, комплектов, когда схема переменного тока этих реле, комплектов проверялась при подаче токов не на ряд выводов устройства, а на выводы реле, комплектов и т.п.
Для обеспечения возможности снятия векторных диаграмм при малых значениях токов нагрузки (меньше 50 - 100 мА во вторичных цепях трансформаторов тока) применяются следующие методы: в рассечку токовых цепей на контрольных штеккерах испытательных блоков или на контактных мостиках измерительных выводах ряда соединений включается катушки из нескольких витков изолированного провода и токоизмерительными клещами при измерении охватываются все витки катушки (значения токов, измеренных ВАФ в этом случае следует разделить на число витков катушки, охватываемых токоизмерительными клещами), между токоизмерительными клещами и прибором ВАФ-85 включаются приставки - усилители тока (схемы таких приставок разработаны в ряде энергосистем) для увеличения тока, поступающего к прибору.
Перед снятием векторных диаграмм в токовых цепях следует проверить соблюдение полярности подключаемых к прибору токоизмерительных клещей и установку нуля по току. (При подключении клещей обратной полярностью на провод, подходящий к выводу с опорного напряжения, ВАФ должен измерить угол 0°).
При снятии векторных диаграмм токов токоизмерительными клещами следует охватывать провод, в котором измеряется ток, таким образом, чтобы полярная сторона токоизмерительных клещей (отмечена звездочкой) была обращена в сторону фазных выводов трансформаторов тока. При измерениях должно быть обеспечено плотное прилегание плоскостей магнитопроводов токоизмерительных клещей без зазоров и перекосов, направление вращения лимба и направление движения стрелки к нулю должны обязательно совпадать;
б) установить точное направление и значения активной, реактивной мощностей и тока, протекающих по данному присоединению. Определение направления и значений мощностей и тока следует производить по соответствующим ваттметрам и амперметрам и уточнять у диспетчера энергосистемы (стабильность направления и значения активной и реактивной мощностей при проверке токовых цепей под нагрузкой следует периодически контролировать). Для повышения достоверности определения направления перетоков мощности следует, по возможности, снимать также векторные диаграммы на противоположных концах присоединения или создавать тупиковый режим нагрузки. В некоторых режимах направления мощностей заранее известны, например, при прогрузке защит током реактора или емкостным током ВЛ.
Положение вектора первичного тока, протекающего по присоединению, по отношению к вектору напряжения может быть определено из диаграммы мощностей Р, Q (рис. 17). На диаграмму следует нанести(с учетом направления) значения активной и реактивной мощностей, протекающих по присоединению, после чего по имеющимся двум проекциям следует построить вектор полной мощности Ś. Направление векторов тока и мощности совпадает. Угол между векторами напряжения и тока одноименных фаз равен углу между векторами оси +Р и Ś. Поэтому удобно по оси +Р направить вектор ŮАО, а в направлении вектора Ś - вектор İАО;
Рис. 17. Вектор первичного тока по значениям и направлению активной и реактивной мощностей, протекающих по присоединению
в) проверить соответствия коэффициентов трансформации трансформаторов тока по значениям первичных и вторичных токов и направления векторов одноименных фаз первичного и вторичного токов. Направления этих векторов должны совпадать. Исключения допускаются для дифференциальных защит шин, трансформаторов, генераторов и т.п., в которых токи в отдельных плечах защиты могут быть сдвинуты относительно первичного тока на 180°. Если вторичные обмотки трансформаторов тока собраны в «треугольник», сравнивать направления первичных и вторичных токов следует с учетом группы соединений вторичных обмоток трансформаторов тока.
Правильность сборки токовых цепей дифференциальных защит следует определять по минимальному значению тока небаланса в дифференциальных проводах при протекании по всем плечам защиты тока нагрузки (как правило, не менее 10 - 20 % значения номинального тока трансформаторов тока, используемых в защите) и увеличением небаланса при поочередном исключении вторичных токов, протекающих в плечах защиты, снятием крышек испытательных блоков. Порядок производства этой работы аналогичен описанному в п. 3.12.8.
Не следует делать заключение о правильности подключения токовых цепей только на основании проверки направления вторичных токов без учета соответствия направлению первичных токов.
3.12.15. Проверить поведение устройств блокировок при неисправностях цепей напряжения. Следует проверять поведение устройства при поочередной отключении на ряде выводов устройства всех проводов цепей напряжения «звезды» и «разомкнутого треугольника», поочередном снятии крышек испытательных блоков цепей «звезды» и «разомкнутого треугольника». В этих режимах следует измерять токи в цепях выходного реле устройства. Значения этих токов должны превышать значения токов срабатывания реле и устройство должно срабатывать при отсоединении любого из проводников цепей напряжения за исключением цепей с маркировкой К и 0. При восстановленных цепях напряжения следует измерить значения тока небаланса. Для устройств блокировки с отдельной обмоткой, подключенной к напряжению 3U0 (КРБ-12 и ее модернизированный вариант), следует произвести измерение небаланса при имитации однофазного короткого замыкания фазы А цепей напряжения (рис. 18). Значение тока небаланса должно быть меньше тока возврата реле. Конкретные значения кратности токов, протекающих в выходном реле, при обрывах отдельных цепей напряжения и небалансов при подводе исправных цепей напряжения должны соответствовать нормам, приведенным в заводской документации.
3.12.16. Проверить правильность работы и небалансы на выходах фильтров симметричных составляющих тока и напряжения прямой и обратной последовательностей.
Должна быть проверена правильность подключения к цепям тока или напряжения и правильность настройки фильтров симметричных составляющих тока и напряжения, содержащихся в измерительных и пусковых органах устройств РЗА, путем измерения значений тока или напряжения на выходах фильтров при поочередной подаче на вход устройств симметричной трехфазной системы тока или напряжения прямого и обратного чередований фаз. Проверку настройки фильтров тока желательно производить при токах нагрузки во вторичных токовых цепях не менее 20 % номинального значения вторичного тока трансформаторов тока, к которым подключены устройства. В некоторых случаях оценку правильности подключения к токовым цепям можно производить и при меньших значениях тока.
Для фильтров обратной последовательности измеряется значение небаланса при подаче прямого чередования фаз воздействующих величин и значение выходного параметра при подаче обратного чередования фаз (при этом фиксируется срабатывание выходного реле), а для фильтров прямой последовательности - наоборот. Значение небаланса измеряется амперметром с малым потреблением или вольтметром с большим внутренним сопротивлением и должно быть меньше значения параметра возврата выходного реле для фильтра напряжения и значения параметра возврата выходного реле, умноженного на отношение номинального тока к току нагрузки, для фильтра токов. Повышенные значения небалансов в выходных цепях фильтров могут быть вызваны следующими причинами: наличием в кривых подводимых напряжений и токов гармонических составляющих (третьей - в токах и напряжениях и пятой - в напряжениях), наличием несимметрии подводимых напряжений и токов, разницей в частотах сети при проверке рабочим напряжением и током нагрузки и при настройке фильтра от испытательного устройства. Учет влияния этих факторов достаточно сложен, поэтому проверки желательно производить при таком режиме, когда влияние этих факторов на значение небаланса незначительно.
Рис. 18. Схема проверки поведения блокировки при качаниях, при имитации однофазного КЗ на фазе А цепей напряжения:
а - для устройства КРБ-12; б - для модернизированного устройства КРБ-12
Значение выходного параметра при входных воздействиях той последовательности, при которой устройство должно срабатывать, составляет для ненагруженного пассивного активно-емкостного фильтра напряжения 1,5UЛ ≈ 150 В, а для нагруженного фильтра - несколько меньшее значение. Для фильтров тока это значение зависит от схемы фильтра и от значения тока нагрузки.
При проверке комбинированных фильтров тока İ1 + Кİ2 следует измерить напряжение на выходе фильтра (органа манипуляции) при подаче обратного и прямого чередований фаз тока. Отношение выходного напряжения при подаче обратного чередования к выходному напряжению при подаче прямого чередования фаз должно быть примерно равно коэффициенту К комбинированного фильтра. Аналогично, но при подаче соответствующей системы напряжений проверяются и комбинированные фильтры напряжений Ú1 + КÚ2, применяемые в некоторых схемах для компенсации емкостного тока в органе манипуляции ВЧ передатчиком.
После окончания проверок следует проконтролировать правильность восстановления цепей напряжения и тока измерением значения выходного параметра фильтра.
Это значение должно соответствовать выходному параметру при токе (напряжении) прямой последовательности при данной нагрузке (напряжении).
3.12.17. Проверить правильность работы устройств компенсации. Следует проверить правильность подключения вторичных обмоток устройств компенсации сопротивлений обратной и нулевой последовательностей İ2Z2К - в пусковых органах релейной защиты, К3İ0 - в дистанционных реле, включенных на фазные напряжения и токи, и емкостных токов - в измерительных органах устройств РЗА, включенных на ВЛ напряжением 330 кВ и выше.
3.12.17.1. Проверить устройство компенсации сопротивления обратной последовательности, для чего на проверяемое устройство подается обратное чередование фаз тока (перекрещиваются фазы В и С), поочередно отсоединяются фазы А, В, С цепей напряжения от проверяемого устройства с заменой отсоединенного провода нулевым (имитируются однофазные КЗ в цепях напряжения) и измеряются значения токов I2Р на выходе измерительного или пускового органа. Соотношения значений измеренных токов должны быть пропорциональны значениям U2Р, определенным графически из векторной диаграммы рис. 19:
I2Р(А):I2Р(В):I2Р(С) = U2Р(А):U2Р(В):U2Р(С) (11)
При построении векторной диаграммы следует учесть, что вектор тока İ2А равен и совпадает с вектором тока İА, значение вектора jİ2АZ2К подсчитывается по заданной уставке Z2К и измеренному значению тока IА, а по направлению опережает вектор этого тока на угол 90°.
Значение вектора напряжения Ú2А равно одной трети фазного напряжения, а его направление для каждой имитации, определенное по формуле
Ú2А = 1/3(ÚА +а2ÚВ + аÚС), (12)
совпадает с вектором минус ÚА при отключении фазы А, минус ÚС при отключении фазы В и минус ÚВ при отключении фазы С.
Четкость проверки правильности настройки устройств компенсации обеспечивается при соблюдении условий IФZ2К ≥ 0,05UФ. При малых значениях токов нагрузки следует на время проверки установить максимальное значение Z2К.
3.12.17.2. Проверить устройство компенсации сопротивления нулевой последовательности следующим образом: при проверке направленности характеристики реле сопротивления путем уменьшения с помощью потенциометра рабочего напряжения, подаваемого на устройство РЗА, определяют по два значения сопротивления срабатывания при подаче в устройство только фазного токе и только тока 3I0. В обоих случаях эти сопротивления, определяемые по соотношениям UФ/IФ и UФ/(К3I0) должны соответствовать углу между рабочим напряжением и током нагрузки, а также угловой характеристике срабатывания реле. Затем фазный ток и ток 3I0 подаются одновременно и по уменьшению сопротивления срабатывания до значения, рассчитанного по соотношению ÚФ/(İФ + К3İ0) определяется правильность включения фазной и компенсационной обмоток между собой. Этим подтверждается правильность суммирования токов İФ + К3İ0.
Рис. 19. Построение диаграмм для определения правильности включения компенсирующего устройства сопротивления обратной последовательности при подаче обратного чередования тока и имитации однофазных КЗ в цепях напряжения:
а - векторная диаграмма рабочих токов и напряжений; б - диаграмма рабочих токов и напряжений при имитации по цепям напряжения КЗ на фазе А; в - то же на фазе В; г - то же на фазе С
3.12.17.3. Проверить устройство компенсации емкостного тока. В случае, если проверка производится на ВЛ, включенной на холостой ход (реакторы на противоположном конце ВЛ должны быть отключены), условием правильного включения будет уменьшение напряжения на выходе устройства компенсации наполовину или до нуля (при компенсации соответственно половины значения емкостного тока ВЛ или полного его значения) при подаче одновременно тока и напряжения по сравнению с выходным напряжением только от поданного тока. Для устройств, где компенсируются другие части значения емкостного тока ВЛ, эти соотношения, характеризующие правильность включений компенсирующего устройства, могут быть иные. Например, в защите ПДЭ-2003 компенсируется 0,5 и 1,2 - 1,4 емкостного тока ВЛ. Изменением положения переключателя уставки следует при необходимости произвести корректировку уставки емкостного тока. В зависимости от вида устройства следует подавать соответствующие системы токов и напряжений (симметричные и несимметричные, прямое и обратное чередования фаз). Например, при проверке емкостной компенсации в комбинированных фильтрах органа манипуляции дифференциально-фазных защит ВЛ сначала подаются три комбинации симметричных токов и напряжений прямой, а затем обратной последовательности, а при проверке емкостной компенсации в токовых реле УРОВ (в устройстве ЦДЭ-2005) подаются фазные напряжения и токи.
В случае, если по ВЛ протекает ток нагрузки, правильность подключения устройства следует определять по соотношению величин, получаемых при измерениях, и из векторной диаграммы.
На устройство, подключенное через фильтры обратной последовательности, подается напряжение обратной последовательности (перекрещиваются фазы В и С) совместно с поочередной подачей одного из фазных токов и измеряются напряжения на выходе измерительных и пусковых органов Ú2Р. Соотношения значений измеренных напряжений должны быть пропорциональны значениям I2Р, определенным графически из векторной диаграммы рис. 20
Ú2Р(А):Ú2Р(В):Ú2Р(С) = I2Р(А):I2Р(В):I2Р(С) (13)
При построении векторной диаграммы следует учесть, что вектор напряжения Ú2А равен и совпадает с вектором напряжения ÚА, значение вектора jÚ2Аy2К подсчитывается по заданной уставке и опережает вектор ÚА на 90°. Значение вектора тока İ2А равно одной трети фазного тока, а его направление, определенное формулой
İ2А = 1/3(İА + а2İВ + аİС), (14)
совпадает с вектором İА при пропускании через устройство тока фазы А, IС при пропускании через устройство тока фазы В, IВ при пропускании через устройство тока фазы С.
Рис. 20. Построение диаграмм для определения правильности включения компенсирующего устройства емкостного тока ВЛ, включенного через фильтры обратной последовательности:
а - векторная диаграмма рабочих токов и напряжений; б - диаграмма при подведении к устройству тока фазы А; в - то же фазы В; г - то же фазы С
На устройство, включенное на фазное напряжение и фазный ток, подается сначала только ток, на который оно включено, затем только напряжение, а затем совместно напряжение и ток и измеряются напряжения UР(I), UР(U),UР(I + U) на выходе измерительного или пускового органа. Соотношения значений измеренных напряжений должны быть пропорциональны значениям векторов İА, İКА(С), İΣ, полученным из векторной диаграммы рис. 21:
UР(I):UР(U):UР(I+U) = IА:IКА(С):IΣ (15)
Рис. 21. Построение векторной диаграммы для определения правильности включения компенсирующего устройства емкостного тока ВЛ, включенного на фазное напряжение
3.12.18. Проверить правильность включения реле направления мощности. Эту проверку следует производить путем фиксации состояния контактов реле (выхода реле) при подведении к реле различных комбинаций тока и напряжения (достаточно трех комбинаций). Обычно следует подавать одно и то же напряжение и поочередно ток каждой фазы (рис. 22). Так как векторы токов разных фаз смещены один относительно другого на 120°, это всегда позволяет получить четкие действия реле, хотя бы для токов двух фаз.
Для реле, включенных на полные значения напряжений и токов, подаются полные значения напряжений и токов (рис. 22,б).
Для защиты от замыканий на землю к реле вместо цепей с маркировкой «Н» подаются цепи с маркировкой «И» от цепей напряжения «разомкнутого треугольника» (по цепям напряжения «разомкнутого треугольника» имитируется однофазное КЗ на фазе А), и поочередно токи каждой фазы пропускаются через токовую обмотку реле (рис. 22,в).
Для реле мощности обратной последовательности по цепям напряжения тактируются междуфазные или однофазные КЗ, а в токовые цепи реле поочередно подаются токи всех фаз (рис. 22,г, д). Эти реле можно проверить также и при подаче на них токов и напряжений обратной последовательности трех фаз. Для этого на реле путем перекрещивания двух фаз напряжения на крышке испытательного блока подается система напряжений обратной последовательности и затем поочередно три системы токов обратной последовательности (рис. 22,е).
Для облегчения анализа правильности поведения реле токи нагрузки разных фаз целесообразно подводить к одним и тем же цепям реле, например, при проверке реле мощности обратной последовательности однофазными токами можно через токовую обмотку фазы А реле или через последовательно соединенные токовые обмотки фаз В и С поочередно пропустить нагрузочный ток фаз А, В и С.

Рис. 22. Определение ожидаемого поведения реле мощности при подведении рабочих токов и напряжений:
а - векторная диаграмма рабочих токов и напряжений; б - проверка реле мощности, включенного на междуфазные КЗ по 90-градусной схеме; в - проверка реле мощности нулевой последовательности; г - проверка реле мощности обратной последовательности с построением диаграммы работы реле в системе напряжений и токов обратной последовательности; д - то же с построением диаграммы в системе полных величин; е - то же с подачей системы напряжений и трех систем токов обратной последовательности
Предварительно, зная векторные диаграммы токов нагрузки, следует определить ожидаемое поведение реле. Для этого нужно определить, какие из векторов рабочего напряжения будут подводиться при имитациях к обмотке напряжения реле, т.е. определить положение вектора ÚР. Относительно вектора UР, зная угол максимальной чувствительности, определить линию максимальных, а затем нулевых моментов, т.е. определить зону работы реле. Для реле мощности обратной последовательности зоны работы могут строиться для токов и напряжений обратной последовательности (рис. 22,г, е) или для полных значений токов и напряжений (рис. 22, д). Углы максимальной чувствительности при этом будут разные. После этого следует нанести на диаграмму положение трех векторов тока, которые будут подводиться к токовым обмоткам реле при имитациях (на основании положения векторов токов нагрузки и вида симметричных составляющих, на которые реагирует реле). По положению этих векторов относительно зоны работы определяют ожидаемое поведение реле. Кроме того, на диаграмму обычно наносят положение вектора тока КЗ, который протекал бы при КЗ на защищаемом элементе первичной сети в режиме, соответствующем имитируемому по цепям напряжения. Вектор тока КЗ должен попадать в зону работы реле, если оно должно срабатывать при КЗ на защищаемых элементах, или в зону блокировки, если оно в этом режиме должно блокироваться. При нанесении векторов тока и напряжения, подводимых к обмоткам реле на диаграмму, следует определять положения векторов ÚР, İР, начала (стрелки) которых подходят к однополярным выводам реле (отмечены *), так как относительно них задается угол максимальной чувствительности реле и строится зона работы реле. Кроме того, зону работы следует строить для определенного контакта реле с учетом назначения реле и схемы включения этого контакта в оперативных цепях.
На рис. 23 для примера построена зона работы реле мощности нулевой последовательности с φМ.Ч = 75°.
Рис. 23. Определение зоны работы реле мощности нулевой последовательности при подведении рабочих токов и напряжений:
а - схема подведения цепей тока и напряжения к реле; б - построение зоны работы реле
После этого следует произвести намеченные имитации режимов и сравнить фактическое поведение реле с ожидаемым. Если они совпадают, реле мощности включены правильно. При возникновении сомнений в правильности поведения следует снять векторные диаграммы токов и напряжений на выводах самого реле.
При проведении имитаций режимов к реле должны подводиться мощности, достаточные для срабатывания реле при различных углах между векторами тока и напряжения (превышающие мощность срабатывания реле не менее чем в 2 - 3 раза). При малых значениях токов нагрузки можно на время проверок уменьшать заданную уставку мощности срабатывания реле с помощью переключателей уставок, если таковые имеются, или искусственно увеличивать значение тока, подводимого к реле, с помощью трансформатора тока, например, И54 (рис. 24). В этом случае необходимо проверить, чтобы векторная диаграмма токов, подводимых к реле от повышающих трансформаторов тока соответствовала нагрузке.
Рис. 24. Схема увеличения значения тока, подводимого к реле, с помощью трансформатора тока
При проверках электромеханических реле мощности следует ориентировочно оценивать механический момент на траверсе подвижного контакта при различных имитациях.
Следует учитывать, что некоторые реле могут иметь ширину зоны работы, меньшую 180°, например, в реле мощности обратной последовательности защиты ПДЭ-2003 ширина этой зоны и на срабатывание, и на блокировку составляет 120 - 135°.
Для проверки таких реле следует подбирать такие сочетания токов и напряжений, при которых реле четко действует на срабатывание или на блокировку.
Устройства компенсации сопротивления обратной последовательности и емкостного тока изменяют зону работы реле, поэтому при имитациях они должны быть выведены из работы с помощью переключателей.
На рис. 22 приведены примеры построения векторных диаграмм и переключений в цепях тока и напряжения при имитациях для проверки различных типов реле мощности. На рис. 22,б приведена диаграмма для реле мощности, включенного на напряжение UВС и ток IА. На рис. 22,в - для реле мощности нулевой последовательности при имитации в цепях напряжения однофазного КЗ на фазе А и поочередной подаче в цепь тока фазных токов.
На рис. 22,г, д, е для реле мощности обратной последовательности: на рис. 22,г при имитации однофазного КЗ в цепях напряжения и построением диаграммы относительно составляющих тока и напряжения обратной последовательности, на рис. 22,д при имитации по цепям напряжения междуфазного КЗ на фазах В и С с подачей в последовательно соединенные токовые обмотки фаз В и С тока фазы А, на рис. 22,е при подаче трехфазной системы напряжений обратной последовательности АСВ и трех систем токов обратной последовательности АСВ, ВАС и СВА (при этом фильтр напряжений обратной последовательности будет выделять значения ÚА, а фильтры токов - поочередно значения, пропорциональные векторам İА, İВ, İС).
С учетом векторной диаграммы нагрузок (см. рис. 22,а) реле реагируют следующим образом:
на рис. 22,б реле срабатывает при подведении тока İА и не срабатывает при подведении токов İВ, İС;
на рис. 22, в реле срабатывает при подведении токов İА, İВ и не срабатывает при подведении тока İС;
на рис. 22,г реле срабатывает при подведении токов İА, İВ и не срабатывает при подведении тока İС;
на рис. 22,д реле срабатывает при подведении тока İВ и не срабатывает при подведении токов İА, İС;
на рис. 22,е реле срабатывает при подведении системы токов ВАС, СВА и не срабатывает при подведении системы токов АСВ.
3.12.19. Проверить правильность включения реле сопротивления.
Проверку реле сопротивления следует производить путем перевода реле сопротивления в режим реле направления мощности (в случае, если имеется контур подпитки, питающийся от неповрежденной фазы напряжения) или снижением значения рабочего напряжения, подводимого к реле (в случае, если контур памяти отсутствует или питается от линейных напряжений), и путем оценки поведения реле при подведении к нему токов нагрузки.
Правильность включения реле сопротивления дистанционных защит обычно проверяют только для одного реле сопротивления первой ступени, например, включенного на напряжение фаз А и В, считая при этом, что возможные ошибки в пределах устройства РЗА или в испытательном устройстве были выявлены на предыдущих этапах наладки.
При включении отдельных ступеней дистанционной защиты на разные группы вторичных обмоток трансформаторов тока (например, при раздельном включении I и II комплектов модернизированной панели ЭПЗ-1636 или основного и резервного комплекта защиты ЩДЭ-2802) следует производить проверку только для одного реле сопротивления, но для каждой группы. Для других устройств РЗА следует проверить правильность подключения каждого реле сопротивления.
Перевод реле сопротивления, в котором подпитка выполнена от неповрежденной фазы напряжения, в режим реле направления мощности следует производить путем его отсоединения от цепей напряжения, закорачивания в сторону панели цепей рабочего напряжения реле и подведения фазных напряжений от цепей напряжения в контур подпитки проверяемого реле. При этом цепи тока этого реле остаются подключенными к току нагрузки. Угол максимальной чувствительности реле в режиме реле направления мощности, отсчитываемый относительно напряжения, подаваемого в контур подпитки, равен углу максимальной чувствительности реле сопротивления плюс 90°.
Для электромеханических реле сопротивления (в настоящее время сняты с производства) перевод в режим реле направления мощности следует осуществлять переключением соответствующих накладок, при этом значение угла максимальной чувствительности реле в режиме реле направления мощности остается тем же, что и в режиме реле сопротивления или равном 90° (в зависимости от типа реле).
Реле, у которых отсутствует контур подпитки, питающийся от неповрежденной фазы цепей напряжения, следует проверять, подводя к реле ток нагрузки и пониженное напряжение от трансформатора напряжения. Для этого с помощью потенциометра или автотрансформатора понижают напряжения, поступающие от трансформаторов напряжения, и, подводя к реле напряжения разных фаз, измеряют напряжения срабатывания реле (рис. 25).
Для реле, имеющих характеристики срабатывания с охватом начала координат, для фиксации двух точек срабатывания измерения следует производить с изменением фазы подводимого напряжения на 180°.
При проверках ненаправленных реле сопротивления с характеристикой в виде окружности (или многоугольника) с центром в начале координат следует дополнительно снять векторные диаграммы напряжений и токов на выводах реле.
Рис. 25. Схемы проверки правильности подключения реле сопротивления путем подвода к реле пониженного значения рабочего напряжения с помощью:
а - реостата, включенного по схеме потенциометра; б - лабораторного автотрансформатора
Значения сопротивлений срабатывания (ZСР), в омах, на фазу для реле, включенных на линейные напряжения и токи, необходимо подсчитать по формуле
(16)
Для реле, включенных на фазные напряжения и токи:
(17)
если фазный ток не пропускается через компенсационную обмотку;
(18)
если фазный ток пропускается только через компенсационную обмотку;
(19)
если фазный ток пропускается через фазную и компенсационную обмотки,
где ZСР - сопротивление срабатывания реле, Ом/фаза;
UЛ.СР, UФ.СР - линейные и фазные значения напряжений срабатывания, В;
К - коэффициент компенсации тока нулевой последовательности;
IФ - фазный ток нагрузки, А.
По угловым характеристикам реле сопротивления, зная углы между напряжениями и токами, определяют расчетные значения сопротивлений срабатывания и сравнивают их с измеренными. Измерения выполняются для нескольких сочетаний подводимых напряжений (или токов).
Реле сопротивления следует считать включенными правильно, если ожидаемое поведение их совпадает с фактическим при проверках реле сопротивления в режиме реле направления мощности или расчетные значения сопротивлений срабатывания совпадают с измеренными при проверках снижением напряжения.
При сомнениях в результатах проверки следует проверить векторную диаграмму токов и напряжений на выводах самого реле.
Реле сопротивления следует проверять при токах нагрузки, близких или превышающих значение тока точной работы реле сопротивления. Увеличить значения токов, подводимых к реле, можно с помощью трансформаторов тока, включаемых по схеме, приведенной на рис. 24.
На рис. 26 построены векторные диаграммы и показаны переключения, проводимые в цепях напряжения при проверках реле сопротивления с переводом в режим направления мощности, а на рис. 27 - при подведении пониженного напряжения. На рис. 26,б, в, г диаграммы построены относительно напряжений, подводимых к контуру подпитки (ÚП), и нанесены векторы тока İАВ в соответствии с диаграммой на рис. 26, а. На рис. 26,д векторная диаграмма построена относительно условно неподвижного вектора тока. В этом случае знак значения угла максимальной чувствительности меняется на противоположное по отношению к знаку значение этого угла при неподвижном векторе напряжения. Как видно из рисунка, для определения ожидаемого поведения реле при построении диаграммы приведенным способом достаточно построить одну диаграмму вместо трех.
На рис. 27 показано определение расчетных значений ZСР по угловой характеристике реле в зависимости от фаз подведенного напряжения. Порядок подключения цепей от трансформатора напряжения к устройству РЗА для проверки ZСР в различных точках угловой характеристики приведен в табл. 5.
Таблица 5
|
Подключение зажимов реостата к фазам вторичных цепей напряжения |
||
|
Зажим 1 |
Зажим 2 |
|
|
1 |
А |
В |
|
1' |
В |
А |
|
2 |
В |
С |
|
2' |
С |
В |
|
3 |
С |
А |
|
3' |
А |
С |
3.12.20. Произвести двусторонние проверки устройств РЗА совместно с аппаратурой ВЧ каналов.
3.12.20.1. Следует проверить правильность совместной работы устройств РЗА, установленных на противоположных концах ВЛ (на многоконцевых ВЛ двусторонние проверки производятся поочередно) и связанных между собой с помощью ВЧ аппаратуры, например, высокочастотных дифференциально-фазных защит, направленных защит с ВЧ блокировкой, устройств отключения противоположного конца ВЛ, устройств ускорения резервных защит, устройств противоаварийной автоматики и т.п., путем снятия фазной характеристики и установкой заданного угла блокировки, проверки фазировки цепей тока и напряжения и правильности подключения органов манипуляции ВЧ передатчиками на противоположных концах ВЛ, обмена ВЧ сигналами для дифференциально-фазных защит ВЛ и проверки правильности прохождения сигналов от передающего к приемному устройству РЗА для других устройств РЗА. Перед этими проверками должна, быть полностью проверена аппаратура ВЧ канала.
3.12.20.2. Снять фазную характеристику. Эту работу возможно производить и при отключенной ВЛ при наличии источников синхронных напряжений на обоих концах ВЛ или после включения ВЛ под напряжение или под нагрузку. Ветви фазной характеристики могут оказаться несимметричными из-за наличия отраженного от неоднородностей ВЧ канала сигнала, мощность которого достаточна для дополнительного запирания ВЧ приемника. Считается допустимым такое влияние отраженного сигнала, при котором при переключении выхода приемопередатчика с 75 Ом на ВЛ ширина импульса тока на выходе приемника уменьшается (напряжение на выходе приемника увеличивается) не более чем на 10°.
Рис. 26. Определение ожидаемого поведения реле сопротивления при переводе реле в режим направления мощности:
а - векторная диаграмма рабочих токов; б - при подведении к контуру подпитки ÚСО; в - при подведении к контуру подпитки ÚАО; г - при подведении к контуру подпитки ÚВО; д - путем построения векторной диаграммы относительно условно-неподвижного вектора тока
Рис. 27. Определение ожидаемого поведения реле сопротивления путем снижения напряжения:
а - векторная диаграмма рабочих токов и напряжений; б - определение ZСР по угловой характеристике; в - схема подачи напряжений
При снятии фазной характеристики нуль отсчета целесообразно брать при совмещении начал «своего» и «чужого» пакетов ВЧ передатчиков за линейным фильтром (в сторону «своего» передатчика). Только в случае такого подхода к снятию фазной характеристики можно оценить несимметрию ее ветвей.
3.12.20.3. Проверить правильность фазировки цепей тока. Эту проверку следует производить при запущенных передатчиках на обоих концах ВЛ путем подачи в защиту на одном из концов ВЛ тока одной фазы, а на другом конце ВЛ - поочередно токов трех фаз (рис. 28).


Рис. 28. Проверка правильности фазировки цепей тока по концам ВЛ:
а - направление перетоков мощности по ВЛ; б - векторная диаграмма рабочих токов и напряжений по концам ВЛ; в - вид осциллограмм ВЧ сигнала на входе приемника на подстанции 1
Для удобства анализа правильности фазировки токи на обоих концах ВЛ следует подводить к идентичным цепям, обычно в фазу А токовых цепей защиты. Следует иметь в виду, что для уменьшения мешающего влияния короны на работу дифференциально-фазной защиты подвод цепей тока к защите осуществляется с циклической перестановкой фаз тока на рядах выводов панели со стороны подходящих кабелей с тем, чтобы комбинированный фильтр органа манипуляции выделял на выходе напряжение той фазы ВЛ, которая подвергнута ВЧ обработке, поэтому для упрощения терминологии при проверках пользуются маркировкой токовых цепей, указанной в заводской документации, т.е. панельной маркировкой, а не маркировкой на жилах кабеля. Проверку правильности фазировки следует осуществлять с помощью осциллографов, подключаемых на входе ВЧ приемников (за линейными фильтрами), а также по токам (напряжениям) на выходах приемников и в выходных цепях органа сравнения фаз. Фазировка токовых цепей считается выполненной правильно, если при подведении к защитам одноименных фаз тока на экране осциллографов отсутствуют перерывы между ВЧ пакетами передатчиков обоих концов ВЛ, т.е. ВЧ пакеты смещены один относительно другого на 180°, а показания приборов соответствуют заблокированному состоянию защит или между ВЧ пакетами имеются небольшие паузы (фиксируемые осциллографами и приборами), которые обусловлены запаздыванием распространения ВЧ сигнала (6° на каждые 100 км ВЛ) и сдвигом фаз между токами по концам ВЛ, вызванным емкостными токами. Могут иметь место случаи, когда ВЧ пакеты при подаче токов одноименных совмещены между собой и смещены один относительно другого на углы, близкие к 180°, при подведении к защитам разноименных фаз, например, на ВЛ 750 кВ при нулевых или малых перетоках активной мощности по ВЛ, когда по ВЛ могут протекать чисто емкостные токи, что соответствует направлению токов при внешнем КЗ. При значительных углах между ВЧ пакетами (20° и более) при подведении одноименных фаз тока этот сдвиг (ψ) в град., должен быть оценен по формуле
ψ = θ + α, (20)
где θ - угол между токами по концам ВЛ, эл. град.;
α - угол, вызванный запаздыванием ВЧ сигнала (6° на 100 км длины ВЛ), град.
Значение угла θ следует определить путем построения векторной диаграммы токов обоих концов ВЛ, получив векторную диаграмму токов противоположного конца ВЛ по телефону. Значение этого угла отсчитывается от вектора тока на рассматриваемом конце ВЛ (в направлении, противоположном вращению часовой стрелки) до вектора тока на противоположном конце ВЛ (см. рис. 28,б).
В связи с тем, что векторная диаграмма токов на противоположном конце ВЛ снимается относительно собственных напряжений, которые сдвинуты относительно напряжений на рассматриваемом конце на угол δН, при нанесении вектора тока противоположного конца ВЛ на диаграмму нужно учесть значение этого угла для ВЛ, по которым протекают значительные активные мощности. При построении диаграммы на питающем конце значение угла δН вычитывается, а на приемном - складывается со значением фазы вектора тока, полученным по телефону. Значение угла (δН), в градусах, если можно пренебречь емкостными токами, может быть подсчитано по формуле
(21)
где Р - активная мощность на рассматриваемом конце ВЛ, МВт;
ХЛ - индуктивное сопротивление ВЛ, Ом;
U1, U2 - напряжения на концах ВЛ, кВ.
Значение угла (θ), в градусах, может быть также подсчитано по приближенной формуле
(22)
где Р и Q - активная и реактивная мощности на рассматриваемом конце ВЛ, МВт, Мвар;
I - ток на данном конце ВЛ, кА;
ХC и ХL - емкостное и индуктивное сопротивления ВЛ, Ом.
На рис. 28,в показан примерный вид осциллограммы ВЧ импульсов, соответствующей векторной диаграмме, приведенной на рис. 28,б. Сдвиг между ВЧ импульсами (β), в градусах, определенный по осциллограмме, должен соответствовать расчетным, определяемым по одной из формул:
β = θ'1 + α - γПР - для опыта 1, (23)
где γПР - ширина ВЧ импульса передатчика противоположного конца ВЛ, град;
β = ΩС - θ"1 - α - для опыта 2, (24)
где ΩС - ширина паузы ВЧ сигнала собственного передатчика, град.
В остальных опытах значения углов β определяется по одной из вышеприведенных формул при подстановке соответствующих углов θ1. Аналогичные опыты выполняются и на подстанции 2, при этом углы определяются по соответствующим углам θ2.
3.12.20.4. Проверку правильности фазировки цепей напряжения произвести аналогично путем подачи на один из концов ВЛ одной фазы напряжения, а на другой конец ВЛ поочередно напряжений трех фаз. Фазировка цепей напряжения считается правильной, если при подведении к защитам одноименных фаз напряжения ВЧ импульсы передатчиков совпадают или сдвинуты на угол, обусловленный запаздыванием ВЧ сигнала противоположного конца (угол α), углом нагрузки δН и разностью ширины импульсов ВЧ передатчиков.
3.12.20.5. Для проверки правильности включения устройств компенсации емкостных токов произвести совместную проверку при подаче одновременно и цепей тока, и цепей напряжения. На обоих концах ВЛ к защитам одновременно подводится трехфазная система токов и напряжений с прямым, с обратным чередованиями фаз, а затем с поочередным исключением одноименных фаз тока и напряжения (поочередно для всех трех фаз). При этом пакеты ВЧ импульсов должны быть смещены один относительно другого на угол, близкий к 180°, или по крайней мере пауза между ВЧ импульсами должна быть меньше, чем при подведении к защитам одноименных фаз токов (последнее условие может иногда не выполняться для приемного конца длинной сильно нагруженной ВЛ сверхвысокого напряжения).
3.12.20.6. Произвести обмен ВЧ сигналами между комплектами дифференциально-фазных и направленных высокочастотных защит. Для этого сначала поочередно, а потом одновременно запускаются передатчики на концах ВЛ.
В дифференциально-фазных защитах при запуске передатчика только с одной стороны ток на выходе приемника уменьшается примерно наполовину в обоих приемниках (появляется напряжение на выходе приемников АВЗК-80 при работе с полупроводниковыми защитами значением, равным примерно половине максимального значения), что соответствует манипулированному ВЧ сигналу при односторонне запущенном передатчике, а при одновременном запуске обоих передатчиков ток приема падает до нуля (напряжение на выходе приемника АВЗК-80 при работе с полупроводниковыми защитами достигает максимального значения), что соответствует заблокированному состоянию защиты.
В направленных ВЧ защитах состояние защиты должно соответствовать заблокированному состоянию при хотя бы одном запущенном передатчике.
После окончания двусторонних проверок устройства РЗА могут вводиться в работу в соответствии с пп. 2.6.2 - 2.6.4.
4.1. Работы по техническому обслуживанию устройств РЗА и вспомогательных цепей в действующих электроустановках производятся по нарядам или распоряжениям в соответствии с требованиями «Правил техники безопасности при эксплуатации электроустановок» (М.: Энергоатомиздат, 1987), «Правил техники безопасности при эксплуатации электроустановок потребителей» (М.: Энергоатомиздат, 1987), действующих «Правил техники безопасности при производстве электромонтажных работ на объектах Минэнерго СССР», «Правил применения и испытания средств защиты, используемых в электроустановках» (М.: Энергоатомиздат, 1983).
Работы повышенной опасности, выполняемые на выделенном участке вне действующих электроустановок, также должны выполняться по наряду.
4.2. Каждый работник, принимающий непосредственное участие в работах, обязан пройти медицинское освидетельствование и проверку знаний правил техники безопасности (получить соответствующую группу по технике безопасности), получить вводный инструктаж и инструктаж на рабочем месте по технике безопасности, освоить методику проведения соответствующих работ с учетом требований правил техники безопасности, при необходимости пройти стажировку под руководством опытного работника.
4.3. При работах необходимо пользоваться специальным электротехническим инструментом с изолированными ручками; металлический стержень отверток должен быть изолирован от ручки до жала отвертки.
4.4. Работы в цепях и устройствах РЗА должны производиться по исполнительным схемам. Работа без схем, по памяти, запрещается.
4.6. При выполнении работ по техобслуживанию устройств РЗА следует обратить особое внимание на следующие указания:
а) временные схемы, собираемые для наладки оборудования (снятие характеристик, осциллографирование и т.п.), должны выполняться на специальных столах. Запрещается применять столы с металлической рабочей поверхностью или с металлическим обрамлением;
б) временные питающие линии должны быть выполнены изолированным проводом (кабелем), надежно закреплены, а в местах прохода людей должны быть подняты на высоту не менее 2,5 м;
в) питание временных схем для проверок и испытаний должно выполняться через автоматический выключатель с обозначением включенного и отключенного положений. Последовательно с выключателем в цепь питания устанавливается коммутационное устройство с видимым разрывом цепи (штепсельный разъем). При снятии напряжения со схемы первым выключается выключатель, а затем штепсельный разъем;
г) сборку временных схем для электрических испытаний, переключение проводов в схеме, перестановку приборов и аппаратов в ней запрещается производить без снятия напряжения и создания видимого разрыва питающей сети;
д) при перерывах и окончании работ по техническому обслуживанию персонал, производивший работы, должен отключить линию временного питания с созданием видимого разрыва;
е) металлические корпуса переносных приборов, аппаратов должны быть заземлены (заземлены и занулены);
ж) перед подачей оперативного тока для наладки и опробования схем коммутационных аппаратов, управление которыми производится из нескольких мест, должна быть устранена возможность управления ими с других мест (отключены цепи, вывешены плакаты «Не включать. Работают люди!»);
з) при работах в цепях вторичных обмоток трансформаторов напряжения с подачей напряжения от постороннего источника отключаются автоматические выключатели и рубильники, установленные в цепях вторичных обмоток трансформаторов напряжения;
и) все вторичные обмотки измерительных трансформаторов тока и напряжения должны иметь постоянное заземление;
к) запрещается снимать заземление вторичных обмоток трансформаторов тока и трансформаторов напряжения, если они находятся под рабочим напряжением. Запрещается снимать заземление металлических корпусов устройств РЗА находящихся в работе;
л) при необходимости переключений в цепях вторичных обмоток трансформаторов тока при протекании тока через его первичную обмотку вторичная обмотка должна быть предварительно закорочена на специальных выводах или на контрольных штеккерах испытательных блоков. Переключения должны производиться с диэлектрического коврика. Откручивание винтов, крепящих провода, следует производить медленно, одной рукой, не касаясь другой рукой ни вторичной коммутации, ни корпуса панели, при появлении малейшего искрения, треска винт следует немедленно закрутить обратно и еще раз тщательно проверить подготовительную схему. При раскорачивании токовых цепей измерительных трансформаторов тока должны быть немедленно прекращены все работы в устройствах РЗА и в аварийном порядке отключены коммутационные аппараты в цепях первичных обмоток этих трансформаторов тока;
м) при проверке полярности обмоток трансформаторов тока импульсами постоянного тока измерительный прибор должен быть предварительно надежно присоединен к выводам вторичной обмотки, только после этого в первичную обмотку можно подавать импульс тока;
н) вторичные токовые цепи измерений и защиты должны подсоединяться к выводам вторичных обмоток трансформаторов тока только после полного окончания монтажа всех цепей;
о) при производстве работ следует строго следить, чтобы левая и правая руки не прикасались одновременно к элементам или точкам схемы, находящимся год напряжением 36 В и более, и заземленным предметам и аппаратам (заземленным корпусам панелей, приборов, стендов, батареям центрального отопления и др.);
п) при наличии в схемах устройств РЗА конденсаторов сглаживающего фильтра в случае необходимости работы в этих цепях конденсаторы должны быть разряжены после отключения выпрямителя;
р) рабочее место должно быть удобным и достаточно освещенным (в соответствии с требованиями СНиП II-4-79 «Естественное и искусственное освещение» и инструкций, утвержденных Госстроем СССР).
Изоляция соединительных проводников не должна быть нарушенной. Измерения следует производить сухими руками в одежде с опущенными рукавами, кольца и металлические браслеты должны быть сняты.
4.7. При выполнении работ в цепях статора вращающегося невозбужденного генератора (измерение значения остаточного напряжения, чередования фаз и т.п.) принять меры по блокированию включения АГП, предварительно проверить отсутствие большого значения напряжения на вторичной обмотке измерительного трансформатора, напряжения. Работы следует производить в диэлектрических перчатках или диэлектрических калошах.
4.8. Настройка, проверка и измерение фильтров присоединения высокочастотной части дифференциально-фазных защит устройств ВЧТО, АНКА, отборов напряжения разрешается на действующем высокочастотном канале.
При этом нижняя обкладка конденсатора связи должна быть заземлена по нормальной схеме через линейную катушку фильтра присоединения или заземляющий дроссель с разрядником, включенным между нижней обкладкой конденсатора связи и землей.
Подключать и отключать приборы в цепи между конденсатором связи и фильтром присоединения и в шкафу отбора напряжения разрешается только при наглухо заземленной с помощью заземляющего ножа обкладки конденсатора связи.
4.9. При использовании в работе устройства У5053 необходимо:
а) при работе только с блоками К513 и К514 в колодку разъема Х5 блока К513 должна устанавливаться вставка (заглушка) Х6, предотвращающая доступ к выводам, находящимся под напряжением, и замыкающая цепь тока;
б) перед установкой ключа 519 в положение «1А» проверить отсутствие заземления в цепях, подключаемых к выходным выводам блока К515, поскольку в данном режиме образуется гальваническая связь между подключенным к входным выводам установки источником питания и подключенной к выходным выводам блока К514 нагрузкой (например панель защиты).
Рекомендуемое
При производстве ремонтных работ на печатных платах и, в частности, заменах интегральных микросхем (ИМС) и других полупроводниковых элементов следует руководствоваться указаниями, приведенными ниже.
1. Во избежание повреждения микросхем от статического электричества поверхность стола, на котором производятся работы, должна быть покрыта металлическим листом, который заземляется через резистор сопротивлением 1 МОм. Лист изготавливается из нержавеющей стали или латуни. Оборудование, оснастка и инструмент, необходимые для работы с ИМС, не имеющие цепей питания от сети, должны подключаться к заземляющему зажиму через резистор сопротивлением 1 МОм или находиться на металлическом листе.
2. Лицу, производящему работы, рекомендуется надевать одежду из малоэлектризующихся материалов (например, халаты из хлопчатобумажной ткани, обувь на кожаной подошве и пр.); не рекомендуется одежда из шелка, капрона, нейлона и других подобных материалов.
4. Выпаивать микросхему следует с помощью обыкновенного электропаяльника напряжением 220, 36 и 12 В, мощностью до 40 Вт, обеспечивавшим нагрев жала паяльника до 270 °С. Электропаяльник следует включить через разделительный трансформатор или его жало подключить к заземляющей шине.
Можно также воспользоваться выпускаемым серийно электропаяльным набором, в котором предусмотрена двухступенчатая регулировка температуры, гальваническая развязка с напряжением сети и заземление стержня паяльника.
Перед выпаиванием необходимо откусить бокорезами выводы микросхемы или другого элемента со стороны его установки на высоте 1,5 - 2 мм от поверхности платы. Затем поочередным расплавлением припоя в монтажном отверстии удалить оставшиеся выводы из отверстия с помощью пинцета со стороны, противоположной установке навесных элементов.
Удалить электропаяльником, вращая в отверстии заостренную деревянную палочку или спичку, излишки припоя из монтажного отверстия.
Проверить металлизацию монтажных отверстий и контактных площадок на отсутствие повреждений, прочистить их спичкой и промыть спиртом или спирто-бензиновой смесью.
При нарушении металлизации монтажного отверстия без повреждения контактной площадки в монтажное отверстие впаять проволоку ММ-0,9 длиной 5 - 8 мм или специальный пистон с последующей развальцовкой и пайкой.
При нарушении контактной площадки допускается установка лепестка с развальцовкой и последующей пайкой.
5. Перед началом пайки необходимо произвести лужение выводов элемента. Эту операцию следует выполнять теми же флюсами и припоями, что и последующую пайку. Микросхему с подготовленными выводами установить на печатную плату и ориентировать по ключу. Ключом (первым выводом) является вывод, отмеченный специальным знаком (точкой).
Пайку осуществлять припоями ПОС-60, ПОС-61, ПОС-61М, ПОСК-50 или ПОСВ-33 кратковременным однократным прикосновением жала паяльника к контактной площадке и выступающему концу вывода со стороны, противоположной стороне установки навесных элементов и штырьковых микросхем. Продолжительность пайки не должна превышать 3 с, интервал между пайками соседних выводов - не менее 10 с. Пайку проводить с обязательным применением теплоотвода от запаиваемой ножки. В качестве теплоотводов допускается использовать пинцеты, плоскогубцы и т.п. Теплоотвод следует снимать не ранее чем через 5 ч после пайки.
Процесс пайки начинать с нанесения жидкого флюса с помощью волосяной кисти или кусочков твердой канифоли. Пайку микросхем начать с крайних выводов, чтобы закрепить микросхему. При пайке диаметр проволоки или трубчатого припоя должен быть на 50 - 60 % меньше диаметра стержня паяльника. Если такой проволоки нет, то следует использовать припой в виде крошки. Расстояние по длине вывода от места пайки до корпуса должно составлять не менее 1 мм. В процессе монтажа допускается подрезка выводов при условии обеспечения выступающей части выводов над поверхностью печатной платы в местах пайки не менее 0,5 мм.
После пайки с места соединения следует удалить флюс с помощью спирта или спирто-бензиновой смеси, покрыть лаком УР-231, ЭП-730 или Э-4100.
6. При отслоении или повреждении печатного проводника его следует дублировать внешним проводником. Дублирующий проводник допускается располагать с обеих сторон платы; проводник разрешается припаивать только к контактной площадке. При отслоении печатного проводника по всей длине или на длине 40 % его протяженности поврежденный проводник удалить. Сечение внешнего проводника должно быть 0,20 или 0,35 мм. Допускается применение проволоки ММ-0,5 в изоляционной трубке.
Справочное
1. Точность измерений должна соответствовать требованиям технической документации на конкретные устройства РЗА (классу точности устройств РЗА, если он установлен для устройства) и быть не ниже данных, приведенных в табл. 3.
2. Точность стрелочных измерительных приборов и преобразователей характеризуется классом точности прибора γmax, который определяется как максимальная абсолютная погрешность измерения ∆max, произведенного прибором в пределах рабочей части шкалы в нормальных условиях (п. 3 данного приложения). Максимальная абсолютная погрешность выражена в процентах от верхнего предела шкалы прибора АШ
(25)
Исходя из понятия класса точности прибора, основная погрешность прибора (относительная погрешность прибора при измерении при нормальных условиях величины АИ) может быть подсчитана по формуле
Иногда класс точности прибора определяется как предел основной погрешности, т.е.

Как следует из формулы (26), для уменьшения погрешности измерения его следует производить таким образом, чтобы стрелка измерительного прибора находилась как можно ближе к верхней границе шкалы (рекомендуется в последней ее четверти или трети).
Например, при измерении амперметром класса точности 1,0 (со шкалой 10 А) тока 4 А относительная погрешность измерения составит δ = 1,0·(1,0/4) = 2,5 %, а при измерениях этого же тока аналогичным прибором, но со шкалой 5 А относительная погрешность составит δ = 1,0·(5/4) = 1,25 %, т.е. значение, близкое к классу точности прибора.
Для обеспечения указанных условий измерения в ряде случаев необходимо применять многопредельные приборы, трансформаторы тока, добавочные резисторы и шунты.
Точность цифровых измерительных приборов характеризуется непосредственно погрешностями измерения. Абсолютная погрешность цифровых измерительных приборов задается в виде одной из формул
∆ = ±(аАИ + b·10ρ-1), (27)
где АИ - показания прибора, соответствующее измеряемой величине;
а - относительная погрешность (часто выражается в единицах младшего разряда);
b - показатель пределов, имеющих декадное отношение (например, для пределов 1:1, 10:1 и 100:1 показатель ρ равен 1, 2 и 3 соответственно),
или
∆ = ±(аАИ + b'АК), (28)
где АК - конечное значение установленного предела измерения;
b' - относительная величина (произведение b'АК соответствует значению абсолютной погрешности).
3. Под нормальными условиями понимается следующее:
температура окружающего воздуха 20 °С;
нормальная частота переменного тока 50 Гц;
определенное (горизонтальное, вертикальное) положение прибора;
отсутствие внешних электрических полей;
другие условия, оговоренные в паспорте на измерительный прибор.
4. Точность измерения характеризуется как погрешностями самого измерительного прибора, так и метода измерения. Различают следующие погрешности измерительных приборов:
4.1. Абсолютную погрешность ∆, определяемую как разницу между показанием прибора АИ и действительным значением измеряемой величины А
∆ = АИ - А. (29)
4.2. Относительную погрешность δ - абсолютная погрешность, выраженная в процентах от действительного значения измеряемой величины
δ = (∆/А)·100, (30)
на практике принимают
δ = (∆/АИ)·100. (31)
4.3. Дополнительные (относительные) погрешности измерительных приборов, вызванные отличием условий проведения измерений от нормальных и применением дополнительной аппаратуры:
а) δt - погрешность от изменения температуры окружающего воздуха от нормальных значений до любой температуры в пределах рабочих температур. Область рабочих температур и предельное значение этой погрешности для различных групп измерительных приборов на каждые 10 °С изменения температуры указаны в табл. 6;
б) δf - погрешность, вызванная отклонением частоты от нормальной. Предельное значение этой погрешности при отклонении частоты на ±10 % от нормальной частоты (нормальной области частот), как правило, равно классу точности прибора;
в) δФ - погрешность от влияния внешнего магнитного и электрического поля. Предельное значение этой погрешности для приборов, не имеющих символа F30, за исключением электростатических приборов, под влиянием однородного магнитного поля с индукцией 0,5 мТл равно значениям, указанным в табл. 7.
Предельное значение дополнительной погрешности приборов, имеющих символ F30, за исключением электростатических приборов, под влиянием внешнего однородного магнитного поля с индукцией, равной указанной в символе в миллитеслах, равно классу прибора.
Предельное значение допустимой дополнительной погрешности для электростатических вольтметров, не имеющих символа F34, под влиянием внешнего электрического поля частоты 50 Гц напряженностью 20 кВ/м равно ±0,5 % для приборов классов точности 0,05 - 0,5 и классу точности - для приборов классов точности 1 - 5, а для приборов, имеющих символ F34, под влиянием внешнего электрического поля частоты 50 Гц напряженностью, равной указанной в символе в киловольтах на метр, равна классу точности прибора;
Таблица 6
|
Значение влияющей величины для различных групп |
|||||||
|
1 |
2 |
3 |
4 |
5 |
6 |
7 |
|
|
Область рабочих температур окружающего воздуха. °С |
|
|
|
|
|
|
|
|
нижнее значение |
10 |
10 |
5 |
-10 |
-30 |
-50 |
-30 |
|
верхнее значение |
25 |
35 |
40 |
40 |
50 |
60 |
70 |
|
Предельное значение дополнительной погрешности для амперметров, вольтметров и ваттметров, доля от класса точности прибора |
- |
1 |
1 |
1 |
0,8 |
0,6* 0,5** |
0,5* 0,5** |
|
То же, для фазометров, доля от класса точности прибора |
- |
1 |
1 |
1 |
0,8 |
0,5 |
0,5 |
|
То же для частотомеров, доля от класса точности прибора |
|
|
|
|
|
|
|
|
* Для приборов класса точности 0,2 и 0,5. ** Для приборов класса точности 1; 1,5; 2,5; 4; 5. |
|||||||
Таблица 7
|
Вид прибора |
Предел допустимой дополнительной погрешности, %, для классов точности |
|
|
0,05; 0,1; 0,2 |
0,5; 1,0; 1,5; 2,5; 4; 5 |
|
|
Астатический с магнитным экраном Магнитоэлектрический |
±0,75 |
±1,5 |
|
Ферродинамический |
±1,5 |
±3 |
|
Прочие приборы |
±3 |
±6 |
г) δL - погрешность, вызванная изменением положения прибора от нормального положения в любом направлении. Предельное значение этой погрешности при отклонении на ±5°* должно быть равно классу точности прибора. Если на приборе отсутствует символ положения, предельное значение этой погрешности, вызванное изменением положения от 0 до 90° для переносных и от 90 до 0° для щитовых приборов равно половине класса точности прибора;
* Допускается изготовление приборов с измерением положения от нормального более чем на 5°. При этом предельное значение дополнительной погрешности также равно классу точности прибора.
д) δпр - другие виды погрешностей, вызванных различными факторами, например, работой в условиях вибрации или ударов (для вибро- и удароустойчивых приборов), действием других однотипных приборов, помещенных рядом, от изменения напряжения (для фазометров, ваттметров предельное значение дополнительной погрешности, вызванное отклонением напряжения на ±10 % номинального, равно классу точности прибора), отклонением формы кривой тока и напряжения от синусоидальной и т.п. Указанные погрешности учитывают в редких случаях, когда воздействующий фактор сильно выражен, обычно же ими пренебрегают;
е) δТТ - погрешность, вызванная применением измерительных трансформаторов тока. Токовая δТТТ и угловая δуТТ погрешности для трансформаторов тока класса точности 0,1 - 0,2 при протекании первичного тока I в диапазоне от 0 до 120 % номинального значения Iном и нагрузке в пределах 25 - 100 % номинального значения могут быть подсчитаны по формулам:
(32)
(33)
В зависимости от вида измерения учитывается одна или другая погрешность.
4.4. В общем случае результирующая относительная погрешность измерительного прибора δП может достигнуть суммы погрешности прибора от всех влияющих факторов. В действительных условиях маловероятно совпадение всех неблагоприятно влияющих факторов и одинакового знака всех погрешностей. Поэтому эту погрешность более правильно подсчитывать по формуле
(34)
4.5. В случаях, когда результирующее значение регистрируемой величины получается в результате арифметических преобразований показаний отдельных приборов, полная относительная погрешность определения регистрируемой величины δΣ может быть определена по формулам:
а) при суммировании двух измеренных значений А1 и А2
δΣ = ±(А1|δП1| + А2|δП2|)/(A1 + A2); (35)
б) при вычитании двух измеренных значений А1 и А2
δΣ = ±(А1|δП1| + А2|δП2|)/(A1 - A2); (36)
в) при умножении или делении двух измеренных величин
δΣ = ±(|δП1| + |δП2|); (37)
г) в общем случае, когда измерение производится m приборами, а регистрируемая величина А получается в результате преобразования
A = f(A1, A2, …, Am), (38)
(39)
В вышеперечисленных формулах:
δП1, δП2, …, δПm - относительные погрешности приборов при измерении величин А1, А2, …, Аm.
5. При определении погрешности измерения сначала определяются основные, дополнительные и результирующие погрешности каждого измерительного прибора, а затем - полная относительная погрешность определения регистрируемой величины.
Пример. Определить возможную погрешность при измерении сопротивления срабатывания реле сопротивления при следующих условиях: измерение производится при токе 40 А, напряжении 50 В; используются вольтметр 3515/3 с пределом измерений 75 - 600 В класса точности 0,5 и амперметр 3514/3 на 5 - 10 А класса точности 0,5, включенный через трансформатор тока И-54. Измерение производится при температуре окружающего воздуха +10 °С, угол наклона плоскости стола, на котором установлены приборы 10°, частота сети 49,8 Гц.
Установим коэффициент трансформации трансформатора тока равным 50/5, предел амперметра - 5 А, предел вольтметра - 75 В. Такой выбор пределов обеспечивает измерение с наименьшей погрешностью.
Основная погрешность амперметра δ0А и вольтметра δ0В составит
δ0А = γmaxAШ/АИ = 0,5·5/4 = 0,625 %;
δ0В = γmaxAШ/АИ = 0,5·75/50 = 0,75 %.
Дополнительные погрешности от отклонения температуры окружающего воздуха на 20 - 10 = 10 °С для обоих приборов одинаковы (приборы принадлежат ко II - IV группе по климатическим условиям) и равны классу точности прибора δtA = δtB = 0,5 %.
Определим дополнительную погрешность от магнитного поля, вызванного протеканием тока 40 А (примем расстояние этого провода до измерительных приборов l = 0,1 м). Индукция внешнего магнитного поля вокруг проводника с током определяется по формуле
β = μ0H = μ0(I/(2πl)) = 4π·10-7(40/(2π·0,1)) = 0,08 мТл.
Дополнительная погрешность от магнитного поля для амперметра δФА и вольтметра δФВ согласно табл. 7 составляет
δФА = δФВ = 0,08·6/0,5 = 0,96 %.
Дополнительная погрешность от наклона прибора для амперметра δLA и вольтметра δLB одинакова и равна классу точности
δLA = δLB = 0,5 %.
Погрешностью от изменения частоты можно пренебречь.
Дополнительная погрешность, вызванная применением трансформатора тока, составит
δTTT = 0,2 + 0,2·0,2(50/45 - 1) = 0,204 %.
Результирующая относительная погрешность амперметра δПА и вольтметра δПВ составит:


Полная относительная погрешность определения сопротивления δΣZ (как частного от деления) составит
δΣZ = δПА + δПВ = 1,63 + 1,94 = 3,57 % ≈ 3,6 %.
6. Кроме факторов, влияющих на перечисленные выше погрешности (регламентированные ГОСТ), имеются также другие факторы, которые существенно влияют на точность измерения. Как и вышеперечисленные факторы, их влияние в ряде случаев можно полностью или частично устранить введением соответствующих поправок, изменением метода измерения и другим или учесть количественно в виде дополнительной погрешности. Такими существенными факторами при проверках устройств РЗА являются:
а) внутреннее сопротивление приборов. Подбор приборов следует осуществлять таким образом, чтобы не было взаимного влияния измерительных приборов и их влияния на схему проверяемого устройства РЗА. Ниже для примера на рис. 29 приведены две схемы включения амперметра и вольтметра для снятия вольт-амперных характеристик. Из схемы видно, что при несоблюдении условий, указанных в подрисуночных надписях, появится дополнительная погрешность измерения, вызванная для схемы на рис. 29,а сравнительно малым внутренним сопротивлением вольтметра RPV, а для схемы на рис. 29,б - сравнительно большим внутренним сопротивлением амперметра RPА. Поэтому схема рис. 29,а обычно применяется при малых ZН, а рис. 29,б - при больших.
Рис. 29. Схемы включения амперметра и вольтметра для снятия вольтамперных характеристик:
а - для ZН << RPV; б - для ZН >> RPА
Из схемы, приведенной на рис. 30, видно, что в случае, когда внутреннее сопротивление вольтметра соизмеримо с сопротивлениями резисторов R1 - R3, может произойти существенное изменение режима работы схемы проверяемого устройства;
б) система измерительного прибора при измерении несинусоидальных токов и напряжений, например, в цепях выпрямленного тока, токов и напряжений на выходе насыщающихся трансформаторов, стабилизаторов и т.п.
Рис. 30. Изменение токов при подключении в схему вольтметра с недостаточно большим внутренним сопротивлением
Все измерительные приборы переменного тока и напряжения реагируют на действующее значение (электромагнитная, электродинамическая, ферродинамическая, электростатическая, термоэлектрическая системы приборов, а также электронные вольтметры с двухполупериодным выпрямлением и квадратичной характеристикой), среднее по модулю значение (магнитоэлектрическая система приборов с выпрямителем, электронные вольтметры с однополупериодным выпрямлением и линейной или квадратичной характеристикой), максимальное значение (электронные вольтметры с амплитудой характеристикой) или постоянную составляющую (магнитоэлектрические системы приборов без выпрямителя) Градуировка этих приборов производится в действующих значениях тока или напряжения при правильной синусоидальной форме кривой измеряемой величины.
Соотношения между амплитудным значением Аа, действующим Ад и средним значением Аср измеряемой величины А определяется выражениями:
при действии синусоидально изменяющейся величины
(40)
(41)
при действии несинусоидально изменяющихся величин (путем разложения в ряд Фурье на n гармонических составляющих) эти величины могут быть представлены в виде:
а = А0 + А1аsinωt + А2аsin(2ωt + ψ2) + … + Аnаsin(nωt + ψn); (42)
(43)
ACP = A0 + 2/π(A1a + 1/2A2acosψ2 + … +1/nAnacosψn). (44)
При измерении несинусоидальных величин приборы разных типов могут давать различные показания. Как видно из вышеприведенных формул, показания приборов, реагирующих на действующее значение, не будут зависеть от угла сдвига фаз между гармоническими составляющими, а показания приборов, реагирующих на среднее по модулю значение, будут зависеть от угла сдвига фаз отдельных гармонических составляющих относительно основной гармонической составляющей и от схемы выпрямления (в схемах с однополупериодным выпрямлением будут суммироваться основная и нечетная гармонические составляющие, а в схемах с двухполупериодным выпрямлением - все гармонические составляющие). Для получения результата в средних значениях необходимо выполнить пересчет согласно формуле
АСР = (2√2/π)Ад ≈ 0,9Ад. (45)
Амплитудные электронные вольтметры измерят значение напряжения, равное 0,707 амплитудного значения напряжения любой формы, симметричного относительно оси времени, а при несимметричной кривой их показания зависят от того, к каким выводам прибора подведено измеряемое напряжение. При синусоидальном напряжении они измерят действующее значение напряжения.
Производить каждый раз анализ формы кривой и вводить какие-либо поправки в показания приборов затруднительно. Поэтому при измерениях в цепях с несинусоидальной формой кривой и в цепях выпрямленного тока следует применять измерительные приборы такой же системы, как и работающая в этих цепях аппаратура. Так, если в несинусоидальных цепях работает электромагнитное реле, то измерение следует производить также электромагнитным прибором. Если в цепях выпрямленного тока работает поляризованное реле или от этих цепей заряжаются конденсаторы (УЗ-400), то измерения следует производить магнитоэлектрическим прибором.
Особо следует отметить случаи работы электромагнитного реле постоянного тока на выпрямленном напряжении. Такое реле теоретически реагирует на действующее значение выпрямленного тока и в принципе измерения следовало бы производить электромагнитным прибором. Учитывая, что индуктивное сопротивление обмотки реле велико, а для высших гармонических составляющих оно еще больше, ток через его обмотку почти не содержит высших гармонических составляющих и с достаточной для практики точностью может считаться постоянным током. Поэтому измерения в таких цепях правильнее производить магнитоэлектрическим прибором.
7. Для уменьшения вышеперечисленных и других погрешностей измерения следует руководствоваться следующим:
а) испытательное устройство должно давать практически синусоидальный ток и напряжение. Для этого испытательные устройства запитываются от линейных напряжений, во вторичную цепь нагрузочного трансформатора включается добавочный резистор, сопротивление (Rд, в омах) которого определяется по формуле
Rд ≈ 10ZР, (46)
где ZР - сопротивление обмотки реле, Ом.
Кроме того, выполняются другие мероприятия;
б) выбирать систему измерительного прибора таким образом, чтобы прибор и проверяемое реле реагировали на одни и те же значения (действующее, среднее и др.). Детекторные и электронные измерительные приборы в цепях с несинусоидальными током или напряжением можно применять лишь для измерений, не требующих высокой точности, или для определения максимальных и минимальных значений;
в) подбирать пределы измерительных приборов таким образом, чтобы их показания составляли не менее двух третей шкалы прибора;
г) при измерении тока (мощности) через промежуточный трансформатор тока предел амперметра (ваттметра) желательно выбирать равным номинальному вторичному току трансформаторов тока.
Класс точности этого трансформатора тока должен быть по крайней мере на одну ступень выше класса точности амперметра (ваттметра). Коэффициент трансформации подбирается таким образом, чтобы значение измеряемого тока было как можно ближе к номинальному первичному току трансформатора тока. Значение сопротивления нагрузки должно быть в пределах 25 - 100 % номинального значения трансформатора тока. При использовании трансформаторов тока температура окружающего воздуха должна быть в пределах 10 - 35 °С;
д) следует применять приборы группы, соответствующей температуре окружающего воздуха. При значительных отклонениях температуры окружающего воздуха от нормальной следует выбирать приборы тех групп, которые имеют меньшую дополнительную погрешность по температуре. При этом результирующая погрешность в ряде случаев может оказаться меньшей, чем при применении приборов других групп с более высоким классом точности;
е) следует правильно устанавливать прибор, по возможности не допуская отклонений от его нормального положения;
ж) во всех случаях, особенно при измерении малых значений токов и напряжений, следует включать амперметр и вольтметр так, чтобы собственное потребление прибора вносило минимальные ошибки в измерения. При измерениях напряжений в цепях маломощных источников (на выходах фильтров, в полупроводниковых схемах и др.) следует применять высокоомные вольтметры. Сопротивление вольтметров переменного тока должно быть не менее 1 - 2 кОм/В, сопротивление вольтметров для измерения в цепях постоянного тока (полупроводниковые устройства РЗА, цепи приемопередатчиков ВЧ защит) должны быть не менее 10 - 20 кОм/В. Сопротивление милли- и микроамперметров для измерений токов на выходе фильтров, в дифференциальных схемах, в схемах сравнения и т.п. должно быть минимальным, около десятых долей Ома при шкалах 25 - 50 мА;
з) для устранения влияния внешних полей следует скручивать вместе прямой и обратный провода, по которым протекает значительные токи;
и) при измерении одной и той же величины двумя приборами и определении ее по сумме показаний этих приборов следует большую долю измеряемой величины измерять прибором с более высоким классом точности;
к) при измерении электрической мощности целесообразнее производить измерение с помощью ваттметров, а не по показаниям трех приборов того же класса точности: вольтметра, амперметра, фазометра (так как их погрешности при измерении складываются);
л) при применении электронных средств измерения (ламповых вольтметров, осциллографов, частотомеров и др.) следует учитывать наличие возможного заземления отдельных точек схемы (в токовых цепях и цепях напряжения, в блоках питания и др.). При неправильном подключении заземленного вывода измерительного прибора возможно возникновение КЗ (см. рис. 30) или значительная ошибка в измерении из-за нарушения режимов работы проверяемой схемы (шунтирование резистора R3 или R2, R3 в схеме рис. 30). Поэтому указанными приборами следует производить измерения только относительно заземленных точек схемы. При измерении напряжения в схеме по рис. 30 ламповым вольтметром с незаземленным корпусом появится дополнительная ошибка в измерении из-за наличия емкостных связей между корпусом прибора и землей;
м) для стабилизации характеристик проверяемого устройства РЗА и измерительных приборов измерения следует производить после их предварительного прогрева током и напряжением;
н) для уменьшения погрешностей, носящих случайный характер, следует производить несколько измерений и определять среднее значение, отбросив единичные результаты, значительно отличающиеся от остальных (промахи). Для уменьшения влияния вариации прибора в отдельных случаях, требующих особо точных измерений, следует производить измерение при плавном увеличении, а затем при плавном снижении измеряемой величины;
о) при проверках устройств РЗА следует производить измерения с необходимой степенью точности. Необходимо заранее определить, какая точность измерения нужна согласно табл. 3, и необходимые классы точности измерительных приборов путем расчета или согласно рекомендациям, приведенным в табл. 8, для проверки устройств РЗА различных типов.
Таблица 8
|
Класс точности приборов |
|
|
1. Дистанционное реле, реле мощности с регулированием уставки срабатывания |
Не менее 0,5 |
|
2. Токовые реле защит, согласовывающиеся друг с другом с запасом 1,1 - 1,2 |
Не ниже 0,5 - 1,0 |
|
3. Второстепенные измерения: напряжения срабатывания реле, характеристики намагничивания трансформаторов тока и т.п. |
До 1,5 |
|
4. Измерение небалансов, настройка фильтров, проверка схем включения трансформаторов тока и напряжения, фазировка трансформаторов напряжения, проверка исправности цепей и т.п. |
До 4 |
До выпуска промышленностью модернизированных проверочных устройств, точность измерительных приборов которых полностью удовлетворяет предъявляемым требованиям, допускается применение серийно выпускаемых устройств.
Рекомендуемое
1.1. Комплектное устройство У5053 (рис. 31), состоящее из трех блоков (К513, К514, К515), предназначено для проверок электрических и временных характеристик отдельных реле и устройств РЗА. Предусмотрено также использование только двух блоков К513, К514 (устройство У5052) для проверки простых устройств РЗА, использование отдельно блока К513 для регулирования тока и напряжения (переменного и выпрямленного) и измерения временных параметров и использование отдельно блока К514 для ступенчатого регулирования тока. Автономное использование блока К515 в режиме регулирования напряжения невозможно из-за того, что блок питания вспомогательными промежуточными реле управления находится в блоке К513. Поэтому отдельно блок К515 может быть использован только как источник симметричного трехфазного напряжения 110 В с возможностью изменения фазы этого напряжения с помощью фазорегулятора. При работе с устройством У5052 должна быть установлена специальная заглушка в штеккерный разъем Х5 блока К513, а при работе только с блоком К514 заглушка устанавливается в штеккерный разъем Х3.
1.2. Устройство У5053 обеспечивает получение на выходных выводах электрических величин в пределах, указанных в табл. 9.
а) измерение времени срабатывания, возврата и длительности замкнутого состояния контактов реле проверяемого устройства встроенным секундомером и внешним миллисекундомером;
б) проверку однополярных выводов последовательной и параллельной обмоток реле постоянного тока;
в) регулировку и измерение угла сдвига фаз от 0° до 360° между «аварийным» напряжением и током (для проверок устройства РЗА с фазозависимыми характеристиками), между двумя токами (для проверок дифференциальных защит с торможением*), между двумя напряжениями (для проверок реле контроля синхронизма, устройств блокировок при неисправностях в цепях напряжения);
* В данном случае изменение угла между двумя токами производится ступенями через 30° путем подключения соответствующей фазы напряжения питающей сети к блоку К514.
г) снятие фазных характеристик полукомплектов дифференциально-фазных защит линий электропередачи;
д) имитацию двухфазных и трехфазных коротких замыканий с возможностью одновременной подачи напряжения неповрежденной фазы и измерением параметров аварийного режима. Возможна также имитация других аварийных режимов (с использованием реле К4, К3 блока К515, последовательно включаемых в цепи тока и напряжения проверяемого устройства РЗА);
е) подачу выпрямленного нерегулируемого напряжения 220 В (как источника оперативного напряжения) с возможностью проведения имитаций режимов по переменному току и напряжению и измерений электрических и временных параметров. Возможна также подача к устройству РЗА постоянного оперативного напряжения аккумуляторной батареи или внешнего блока питания через блок К514 (с использованием переключателя, предохранителей и сигнализации о поданном напряжении);
ж) измерение с помощью фазометра блока К515 угла между внешним напряжением значением от 3 до 150 В и током, получаемым от блока К514. Например, для измерения угла сдвига фаз между током на входе и напряжением на выходе органа манипуляции дифференциально-фазных защит, для измерения угла сдвига фаз между напряжениями первичной и вторичных обмоток трансформаторов подпитки в дистанционных защитах, при проверках реле контроля синхронизма (в последних двух случаях поочередно измеряются углы сдвига фаз между напряжениями и опорным током блока К514) и т.п.
Таблица 9
|
Режим нагрузки |
Длительность включения, мин |
Подключение нагрузки |
||
|
Напряжение, В |
Ток, А |
|||
|
1. Плавноступенчатое регулирование переменного однофазного тока и напряжения |
380 |
3 |
30 |
«~U» блока К513 |
|
380 |
5 |
1 |
||
|
330 |
10 |
0,5 |
||
|
|
|
|
||
|
2. Плавноступенчатое регулирование постоянного (выпрямленного со сглаживанием) напряжения и тока |
240 |
0,06 |
30 |
«~U» блока К513 |
|
220 |
0,6 |
5 |
||
|
110 |
1,0 |
5 |
||
|
- |
4,5 |
1 |
||
|
3. Нерегулируемое постоянное выпрямленное напряжение со сглаживанием (как источник оперативного тока) |
210 |
1,0 |
5 |
«~U» блока К513 |
|
220 |
0,65 |
|
||
|
4. Плавно регулируемый выпрямленный ток без сглаживания |
- |
4,5 |
5 |
«-Iд» блока К513 |
|
5. Плавноступенчатое регулирование переменного однофазного тока |
112 |
35 |
0,5 |
I ≤ 50 А" или I > 50 А" блока К514 в зависимости от значения тока |
|
54 |
67,5 |
|||
|
30 |
150 |
|||
|
12 |
240 |
|||
|
250 |
10 |
|||
|
6. Нерегулируемое трехфазное симметричное напряжение |
110 |
До 2 |
60 |
«Нагрузка А, В, С, 0» блока К515 |
|
7. Регулируемое напряжение между отдельными фазами |
0 - 110 |
До 2 |
60 |
«Нагрузка А, В, С, 0» блока К515 |
1.4. Точность встроенных в устройство измерительных приборов характеризуется данными табл. 10, 11.
Погрешность электросекундомера ПВ-53Щ, встроенного в блок К513, при номинальной частоте составляет:
±0,03 с - при изменениях до 3 с;
±0,05 с - при измерениях от 3 до 10 с.
Класс точности измерительного трансформатора тока 0,5.
1.5. Упрощенная структурная схема устройства приведена на рис. 32. В состав устройства входят:
а) блок плавноступенчатого регулирования напряжения, включающий в себя фазорегулятор и регулировочные трансформаторы Т5, Т6, коммутационные ключи, вольтметр и фазометр (эти элементы размещены в блоке К515, трансформатор Т6 в упрощенной структурной схеме не показан);
б) блок плавноступенчатого регулирования тока и напряжения, включающий трансформаторы Т1, Т2, цепи выпрямления и сглаживания тока и напряжения, коммутационные ключи, ампервольтметр (эти элементы размещены в блоке К513), нагрузочный трансформатор Т3, коммутационные ключи и измерительный трансформатор тока Т4 в блоке К514;
в) цепи управления устройством и измерения временных параметров.
1.6. К выводам, расположенным на задних панелях блоков (рис. 31,б), могут быть подключены следующие цепи:
а) СЕТЬ А, В, С - трехфазное напряжение 380 и 220 В (в зависимости от положения переключателя S32) для питания устройства при одновременном использовании трех блоков или при отдельном использовании блока К515 для получения трехфазного нерегулируемого напряжения 110 В с возможностью измерения его фазы;
Таблица 10
|
Значение погрешности, % |
||
|
Измеритель тока и напряжения блока К513 |
Измеритель напряжения блока К515 |
|
|
Предел допустимой основной погрешности на всех отметках рабочей части шкалы в диапазоне частот 50 ÷ 0,5 Гц и на постоянном токе, от конечного значения рабочей части шкалы (класс точности) |
±2,5 |
±1,5 |
|
Вариация показаний, не более |
±2,5 |
±1,5 |
|
Предел допустимой дополнительной погрешности, вызванной отклонением от вертикального положения на 5° в любом направлении, не более |
±2,5 |
±1,5 |
Таблица 11
|
Значение погрешности (град.) измерителя угла сдвига фаз блока К515 со шкалой |
||
|
90° |
360° |
|
|
Предел допустимой основной погрешности на всех отметках рабочей части шкалы в диапазоне токов 0,3 - 30 А, напряжений 3 - 150 В, частоте 50 Гц при синусоидальной форме кривой тока и напряжения |
±5 |
±10 |
|
Вариация показаний, не более |
5 |
10 |
|
Предел допустимой дополнительной погрешности, вызванной отклонением от вертикального положения на 5° в любом направлении, не более |
±5 |
+10 |
б) НАГРУЗКА А, В, С, 0* - цепи напряжения проверяемого устройства РЗА;
* Для исключения ошибок при измерении напряжения, подводимого к устройству РЗА, рукоятки резисторов R39 - R41, имитирующих сопротивление соединительных кабелей цепей напряжения, должны быть установлены в крайнее левое положение против часовой стрелки, если указанная имитация не требуется. При имитациях «напряжения влияния» резисторы R39 - R41 должны быть введены.
в) ВОЛЬТМЕТР И ФАЗОМЕТР - для подключения выносных приборов, измеряющих параметры «аварийного» режима;
г) Uφ - внешнее напряжение, подаваемое на фазоизмеритель;
д) КЧР и КЧЗ - используются для управления цепями (тока, напряжения и оперативными), подводимыми к проверяемому устройству РЗА;
е) КОНТАКТЫ РЕЛЕ - контакты проверяемого реле для фиксации его положения с помощью светодиода блока К515;
ж) ~220 ~380 - использование только в устройстве У5052 для запитки устройства;
з) -220/110 - цепи оперативного напряжения (п. 1.3,е данного приложения);
и) ~U - используются для съема регулируемого переменного напряжения от 0 до 380 В, выпрямленного напряжения от 0 до 240 В, выпрямленного тока до 4,5 А, нерегулируемого выпрямленного напряжения 220 В для питания оперативных цепей защиты, переменного тока до 10 А, для подачи внешнего напряжения на ампервольтметр (например при проверках реле контроля синхронизма);
к) Iд - последовательные обмотки промежуточного реле постоянного тока;
Рис. 32. Упрощенная структурная схема электрических соединений устройства У5053
л) ПУСК МС - пусковые цепи миллисекундомера (замыкающий контакт устройства, действующий на пуск миллисекундомера). При этом перемычка S14 должна быть снята;
м) КОНТАКТЫ РЕЛЕ - контакты проверяемого реле для фиксации его состояния (светодиодом блока К513) или измерения времени действия электросекундомером (перемычка S14 - установлена);
н) ОПЕРАТИВНЫЕ ЦЕПИ ЗАЩИТЫ:
± - для подачи к цепям защиты напряжения, поданного на выводы -220/110;
ЦО, + вывода ОПЕРАТИВНЫЕ ЦЕПИ ЗАЩИТЫ или ЦО, + вывода - контакт выходного реле проверяемого устройства, который замыкается кратковременно, для возможности снятия показаний с электросекундомера;
о) 220 V 50 Гц - внешние приборы (осциллограф, ламповый вольтметр, паяльник и т.п.); напряжение на этих розетках появляется только при включении переключателя S10 при запитке устройства от напряжения 380 В и независимо от положения этого переключателя при питающем напряжении 220 В;
п) СЕТЬ 380/220 V - используется для подачи питающего напряжения при самостоятельном использовании блока К514 в качестве источника однофазного тока и для снятия выходного напряжения блока К513, например, при проверках реле контроля синхронизма и др.;
р) АМПЕРМЕТР:
Iперв - для подключения выносного амперметра в первичную цепь тока, подводимого к проверяемому устройству РЗА, в остальных случаях перемычка S22 должна быть замкнута;
Iвтор - выносной амперметр, подключаемой во вторичную цепь измерительного трансформатора тока (в этом случае переключатель S6 следует установить в одно из положений) «-~I» или « -U»;
с) I > 50* - токовая цепь проверяемого устройства РЗА с потребляемым током от 0 до 240 А;
т) I ≤ 50* - токовые цепи проверяемого устройства РЗА с потребляемым током от 0 до 50 А.
* К этим зажимам может быть подключен также низкоомный реостат для получения дополнительного источника напряжения.
1.7. Управление устройством осуществляется с помощью выведенных на лицевые панели блоков переключателей и регулировочных и сигнальных элементов рис. 31,а, имеющих следующее назначение:
а) S28 - сетевой выключатель, подающий напряжение на первичную обмотку фазорегулятора блока К515;
б) СЕТЬ блока К515 - лампа сигнализации наличия напряжения на вторичной обмотке фазорегулятора (между фазами А и В);
в) S26 - переключатель выбора фаз, к которым подводится «аварийное» напряжение с одновременным закорачиванием «отстающей» «поврежденной» фазы с «неповрежденной» фазой, при имитации междуфазных КЗ и неподанном напряжении «неповрежденной» фазы (S29 - в положении Отк), например при подаче напряжения UАВ закорачиваются цепи фаз В и С;
г) S29, ФАЗА СО - переключатель подачи нерегулируемого напряжения «неповрежденной» фазы при имитации междуфазных КЗ. В положении Отк производится закорачивание цепей нагрузки (см. выше);
д) S30, НАПРЯЖЕНИЕ ВЛИЯНИЯ - переключатель подачи в цепи напряжения проверяемого устройства при имитации трехфазных КЗ напряжения влияния, при этом резисторы R39 - R41 должны быть введены;
е) S31, РЕЖИМ РАБОТЫ - переключатель, используемый для запуска секундомера и имитации режимов двухфазного КЗ (подано напряжение двух «поврежденных» фаз с возможностью подачи напряжения «здоровой» фазы и токов поврежденных фаз), трехфазного КЗ (цепи напряжения проверяемого устройства закорочены и отделены от блока К515, ток подан в выбранные фазы), нормального режима (подано симметричное трехфазное напряжение 110 В или только две фазы - при отключении S29);
ё) S27, < Робр - переключатель отключения тока и напряжения «поврежденных» фаз, подводимых к проверяемому устройству для проверки реле мощности в режиме сброса обратной мощности;
ж) S25 - переключатель подключения фазоизмерителя к внешнему или внутреннему источнику напряжения;
з) S24 и Т5 - элементы плавноступенчатого регулирования напряжения и пределов вольтметра блока К515;
и) S23 - переключатель режимов и шкал фазоизмерителя;
к) φ - рукоятка вращения фазорегулятора;
л) S10 - главный выключатель подачи питающего напряжения на блок К513;
м) ~ СЕТЬ блока К513 - лампа сигнализации наличия напряжения на входе автотрансформатора Т1 блока К513;
н) S8 - переключатель управления режимами работы устройства У5052, осуществляющий подачу регулируемых параметров на выводы ~U, на выход блока К514 и на запуск секундомера;
о) S7 РЕЖИМ РАБОТЫ - переключатель режимов блока К514:
~IT - получение регулируемого переменного тока с выходных выводов блока К514 с возможностью одновременного получения нерегулируемого выпрямленного напряжения оперативного тока с выводов ~U (S11 - в положение UНР1 или UНР2);
~U - получение регулируемого переменного напряжения и тока с выводов ~U;
-U - получение регулируемых выпрямленных значений напряжения и тока с выводов ~U;
п) АМПЕРВОЛЬТМЕТР, S6 - переключатель режимов работы ампервольтметра;
~IT - подключение ампервольтметра к измерительному трансформатору тока блока К514;
~U - измерение переменного и выпрямленного тока, снимаемого с выводов ~U, и отключение ампервольтметра от вторичной обмотки измерительного трансформатора тока блока К514;
~U - измерение переменного и выпрямленного напряжения, снимаемого с выводов ~U, и отключение ампервольтметра от вторичной обмотки измерительного трансформатора тока блока К514;
р) S4, S5 - переключатели пределов шкалы ампервольтметра соответственно по току и напряжению, причем при подключении токовых цепей проверяемого устройства РЗА к выходным выводам блока К514 должен быть дополнительно учтен коэффициент трансформации измерительного трансформатора тока в блоке К514;
с) S3 - переключатель подачи выпрямленного тока в последовательную обмотку проверяемого промежуточного реле;
т) S2 - ключ выбора режима работы секундомера;
у) S1 - кнопка съема фиксации срабатывания выходного реле проверяемого устройства;
ф) S9, U, I, TI - элементы плавноступенчатого регулирования блока К513;
х) S11 - переключатель режима работы блока К513 по выпрямленному току и напряжению:
UНР1, UНР2 - с выходных выводов блока К513 снимается нерегулируемое выпрямленное напряжение для питания оперативных цепей проверяемого устройства РЗА с током потребления соответственно около 1 А или значительно меньше 1 А;
ОТКЛ - блок в режиме выпрямленного напряжения и тока не используется;
UР - блок используется для получения выпрямленного регулируемого напряжения;
ц) S12, μF - переключатель выбора емкостей сглаживающих конденсаторов;
ч) S13 - переключатель подачи внешнего оперативного напряжения к цепям проверяемого устройства;
ш) СЕТЬ - лампа фиксации подачи внешнего оперативного напряжения к цепям проверяемого устройства;
щ) S18 - переключатель выбора фаз проверяемого устройства, к которым подводится ток;
э) Ω, S16, S17, S19 - переключатели ступенчатого регулирования тока, при этом в положении 5 А переключателя происходит гальваническое разделение цепей нагрузки проверяемого устройства РЗА и напряжения сети, питающего устройство У5053;
ю) S20 - переключатель, осуществляющий реверс тока, подводимого к проверяемому устройству РЗА;
я) S15 - выбор коэффициента трансформации измерительного трансформатора тока.
1.8. При работе с устройством У5053 следует соблюдать меры предосторожности, связанные с особенностями схемы и конструкции устройства:
а) в связи с тем, что питание реле, управляющих режимами работы блока К515, осуществляется от блока К514 (см. рис. 32), следует строго соблюдать порядок включения и отключения устройства. При включении сначала включать переключатель S10, а затем S18, а отключение производить в обратном порядке (в противном случае возможно скачкообразное изменение напряжения на выводах НАГРУЗКА А, В, С, 0 до 110 В);
б) во избежание КЗ в питающей устройство У5053 сети переменного напряжения необходимо снять заземление в цепях тока проверяемого устройства перед установкой переключателя S19 в положение 1 А.
Кроме всех функций, выполняемых устройством У5053, в устройстве ЭУ5001 дополнительно предусмотрена возможность проверки временных характеристик и создания режимов опробования существующих панелей АПВ в полной схеме, в том числе:
а) плавное регулирование напряжения одной фазы в аварийном режиме (имитация однофазного КЗ) с сохранением симметричности регулируемого «аварийного» напряжения по отношению к двум другим «неповрежденным» фазам;
б) создание режимов, имитирующих успешное ОАПВ (прекращение подачи аварийных параметров через заданное время), КЗ в цикле ОАПВ и неуспешное ОАПВ), обеспечивается двукратной подачей аварийных параметров);
в) возможность дистанционного управления второй установкой ЭУ5001, например для одновременного управления дифференциально-фазной защитой и устройством АПВ;
г) возможность дистанционного управления второй установкой с помощью замыкающих контактов какого-либо устройства РЗА.
Для реализации возможностей, указанных в п. 2.1,а настоящего приложения, при имитации однофазных КЗ выполнено переключение первичных обмоток автотрансформатора TV4 и измерительных приборов с напряжения фаз АВ на напряжение фаз А0 цепей ротора фазорегулятора.
Для реализации возможностей, предусмотренных в пп. 2.1,б - г настоящего приложения, выполнены изменения в схемах устройствах, показанные на рис. 33.
Рис. 33. Схема имитации режимов ОАПВ установки ЭУ5001:
а - схема дистанционного управления ЭУ5001; б - схема управления реле времени КТ1 блока ФМ5000
2.2. На рис. 34 приведены лицевая и задняя стороны устройства ЭУ5001. К выводам, расположенным на задних панелях блоков (рис. 34,б), могут быть подключены следующие цепи (приводятся только измененные или отсутствующие выводы в устройстве У5053):
а) ФАЗОМЕТР а, в, п - для подключения выносного фазометра. При имитации двухфазных КЗ цепи напряжения фазометра подключаются к выводам а, в, а при имитации однофазных КЗ - к выводам а, п;
б) KV43- /-- соответствует выводам K43 устройства У5053;
в)
- для возможности
размыкания и замыкания цепей проверяемой защиты,
например, для размыкания цепи обмотки пусковых реле дифференциально-фазных защит при имитации
трехфазных коротких замыканий с обеспечением кратковременного (7 - 9 мс) режима асимметрии;
г) KV3- /-- для дистанционного управления второй установкой ЭУ5001. В этом случае эти выводы соединяются с выводами ВНЕШНИЙ ПУСК управляемой установки для имитации КЗ на заданное время (в пределах 0,1 - 9,9 с). Указанные выводы подключаются к выводам-220 и КТ1 при снятой перемычке QS3, установленной перемычке QS1 и установке переключателя SAI4 в положение КТ1;
д) ВНЕШНИЙ ПУСК - для дистанционного управления установкой с помощью замыкающих контактов какого-либо устройства (защиты, электроавтоматики, контактов KV33 другой установки Э5001);
е) ВКЛ. HL5 - соответствует выводам КОНТАКТЫ РЕЛЕ УСТРОЙСТВА У5053;
ж) ПОДХВАТ KV1, ![]()
для автоматической имитации аварийного режима «Неуспешное ОАПВ». Для этого при снятой перемычке QS1 на зажимы KV1:b и ПОДХВАТ KV1 подключается размыкающий контакт включающего реле ОАПВ;
для автоматического прекращения аварийного режима, например при имитации успешного ОАПВ. Для этого замыкающий контакт проверяемой защиты подключается на зажимы ОТКЛ I, U (KV1:b и -) при установленной перемычке QS1;
для имитации КЗ на заданное время (см. п. 2.2,г). Для этого устанавливается перемычка QS1;
для имитации режима «Повреждение
в цикле ОАПВ». Для этого при снятой перемычке QS1 и
установленной перемычке между выводами KV1:b и
на выводы - и ПОДХВАТ KV1 подключить
контакты выходного реле ОАПВ, действующего на
отключение поврежденной фазы (переключатель SA14 в
положении КTI);
з) SA8, КTI - для автоматического прекращения или повторной подачи аварийных параметров тока и напряжения по истечении заданного времени, устанавливаемого с помощью реле КTI. Для этого перед включением переключателя SА8 устанавливается перемычка QS3, переключатель SA14 переводится в положение КТ1. Во всех остальных случаях перемычка QS3 остается разомкнутой;
и)
- см. п. 2.2, ж.
2.3. Управление устройством осуществляется с помощью выведенных на лицевые панели блоков переключателей, регулировочных и сигнальных элементов (рис. 34,а) имеющих следующие назначения (приводятся только измененные или отсутствующие элементы в устройстве У5053):
а) SА32 РЕЖИМ РАБОТЫ 1ФКЗ - для подачи регулируемого фазного напряжения, симметричного относительно неповрежденных фаз.
При этом:
SА32 устанавливается в положение 1ФКЗ;
SА31 - в положение 2ФКЗ (1ФКЗ);
SA29 - в положение ФАЗА С, N;
SА26 - в зависимости от выбранной фазы нагрузки, к которой подводится регулируемое напряжение;
б) SA14 - для организации работы схемы подачи аварийных параметров тока и напряжения к устройству при проверке режимов ОАПВ. При этом в различных режимах обеспечивается:
КТ1 - подача или снятие аварийных параметров через выдержку времени на срабатывание реле КТ1;
ВОЗВРАТ - схема выведена из работы;
ПОДХВАТ KV1 - аварийные параметры снимаются после срабатывания защиты на отключение. Реле КТ1 не используется;
в) реле времени ВЛ-69УЗ с диапазоном регулировки времени срабатывания 0,1 - 9,9 с - для ограничения продолжительности подачи аварийных параметров тока и напряжения и для повторной подачи аварийных параметров через заданное время.
СОДЕРЖАНИЕ