СТРОИТЕЛЬНЫЕ НОРМЫ И ПРАВИЛА
БЕТОННЫЕ И ЖЕЛЕЗОБЕТОННЫЕ КОНСТРУКЦИИ, ПРЕДНАЗНАЧЕННЫЕ ДЛЯ РАБОТЫ В УСЛОВИЯХ ВОЗДЕЙСТВИЯ ПОВЫШЕННЫХ И ВЫСОКИХ ТЕМПЕРАТУР
СНиП 2.03.04-84
ГОССТРОЙ СССР
МОСКВА 1988
РАЗРАБОТАНЫ НИИЖБ Госстроя СССР (д-р техн. наук, проф. А. Ф. Милованов - руководитель темы; кандидаты техн. наук В. Н. Горячев, В. М. Милонов, В. Н. Самойленко) с участием ВНИПИ Теплопроект Минмонтажспецстроя СССР (В. А. Тарасова), Макеевского ИСИ Минвуза Украинской ССР (канд. техн. наук А. П. Кричевский), Харьковского Промстройннипроекта Госстроя СССР (кандидаты техн. наук И. Н. Заславский, С. Л. Фомин).
ВНЕСЕНЫ НИИЖБ Госстроя СССР.
ПОДГОТОВЛЕНЫ К УТВЕРЖДЕНИЮ Главтехнормированием Госстроя СССР (В.М. Скубко).
С введением в действие СНиП 2.03.04-84 «Бетонные и железобетонные конструкции, предназначенные для работы в условиях воздействия повышенных и высоких температур» с 1 января 1986 г. утрачивает силу «Инструкция по проектированию бетонных и железобетонных конструкций, предназначенных для работы в условиях воздействия повышенных и высоких температур» (СН 482-76).
При пользовании нормативным документом следует учитывать утвержденные изменения строительных норм и правил и государственных стандартов, публикуемые в журнале «Бюллетень строительной техники» Госстроя СССР и информационном указателе «Государственные стандарты СССР» Госстандарта.
|
Госстрой СССР |
Строительные нормы и правила |
СНиП 2.03.04-84 |
|
Бетонные и железобетонные конструкции, предназначенные для работы в условиях воздействия повышенных и высоких температур |
Взамен |
Настоящие нормы и правила распространяются на проектирование бетонных и железобетонных конструкций, предназначенных для работы в условиях систематического воздействия повышенных (от 50 до 200 °С включительно) и высоких (свыше 200 °С) технологических температур (далее - воздействия температур).
Нормы устанавливают требования по проектированию указанных конструкций, изготовляемых из конструкционного тяжелого бетона средней плотности от 2200 до 2500 кг/м3 включительно (далее - обычный бетон) и из жаростойкого бетона плотной структуры средней плотности 900 кг/м3 и более.
Требования настоящих норм не распространяются на конструкции из жаростойкого бетона ячеистой структуры.
Проектировать железобетонные дымовые трубы, резервуары и фундаменты доменных печей, работающие при воздействии температуры свыше 50 °С, следует с учетом дополнительных требований, предъявляемых к этим сооружениям соответствующими нормативными документами.
Основные буквенные обозначения, принятые в настоящих нормах согласно СТ СЭВ 1565-79, приведены в справочном приложении 1.
1.1. Бетонные и железобетонные конструкции, предназначенные для работы в условиях воздействия повышенных температур, следует предусматривать, как правило, из обычного бетона.
Фундаменты, которые при эксплуатации постоянно подвергаются воздействию температуры до 250 °С включительно, допускается принимать из обычного бетона.
Бетонные и железобетонные конструкции, предназначенные для работы в условиях воздействия высоких температур, следует предусматривать из жаростойкого бетона.
Несущие элементы конструкций тепловых агрегатов, выполняемые из жаростойкого бетона, сечение которых может нагреваться до температуры выше 1000 °С, допускается принимать только после их опытной проверки.
Жаростойкие бетоны в элементах конструкций тепловых агрегатов следует применять в соответствии с рекомендуемым приложением 2.
Классы жаростойкого бетона по предельно допустимой температуре применения в соответствии с ГОСТ 20910-82 в зависимости от вида вяжущего, заполнителей, тонкомолотых добавок и отвердителя приведены в табл. 9.
1.2. Для конструкций, работающих под воздействием температуры выше 50 °С в условиях периодического увлажнения паром, технической водой и конденсатом, необходимо соблюдать требования пп. 1.8, 2.4, 2.6 - 2.8, 2.11 и 5.7. При невозможности обеспечения указанных требований расчет таких конструкций допускается производить только на воздействие температуры и нагрузки без учета периодического увлажнения. При этом в расчете сечения не должны учитываться крайние слои бетона толщиной 20 мм с каждой стороны, подвергающиеся замачиванию в течение 7 ч, и толщиной 50 мм при длительности замачивания бетона более 7 ч или должна предусматриваться защита поверхности бетона от периодического замачивания.
Окрашенная поверхность бетона или гидроизоляционные покрытия этих конструкций должны быть светлых тонов.
1.3. Циклический нагрев - длительный температурный режим, при котором в процессе эксплуатации конструкция периодически подвергается повторяющемуся нагреву с колебаниями температуры более 30 % расчетной величины при длительности циклов от 3 ч до 30 дней.
Постоянный нагрев - длительный температурный режим, при котором в процессе эксплуатации конструкция подвергается нагреву с колебаниями температуры до 30 % расчетной величины.
1.4. При проектировании конструкций из жаростойких бетонов по ГОСТ 20910-82 необходимо учитывать дополнительные требования к исходным материалам для жаростойких бетонов, подбору их состава и технологии приготовления, а также особенности производства работ по требованиям СН 156-79.
|
Внесены |
Утверждены |
Срок |
1.5. Бетонные и железобетонные конструкции, работающие в условиях воздействия повышенных и высоких температур, следует рассчитывать на основе положений СНиП 2.03.01-84 с учетом дополнительных требований, изложенных в настоящих нормах и правилах.
При расчете бетонных и железобетонных конструкции необходимо учитывать изменения механических и упругопластических свойств бетона и арматуры в зависимости от температуры воздействия. При этом усилия, деформации, образование, раскрытие и закрытие трещин определяют от воздействия нагрузки (включая собственный вес) и температуры.
Расчетные схемы и основные предпосылки для расчете бетонных и железобетонных конструкций должны устанавливаться в соответствии с условиями их действительной работы в предельном состоянии с учетом в необходимых случаях пластических свойств бетона и арматуры, наличия трещин в растянутом бетоне, а также влияния усадки и ползучести бетона как при нормальной температуре, так и при воздействии повышенных и высоких температур.
1.6. Расчет конструкций, работающих в условиях воздействия повышенных и высоких температур, должен производиться на все возможные неблагоприятные сочетания нагрузок от собственного веса, внешней нагрузки и температуры с учетом длительности их действия и в случае необходимости - остывания.
Расчет конструкций с учетом воздействия повышенных и высоких температур необходимо производить для следующих основных расчетных стадий работы:
кратковременный нагрев - первый разогрев конструкции до расчетной температуры;
длительный нагрев - воздействие расчетной температуры в период эксплуатации.
Расчет статически определимых конструкций по предельным состояниям первой и второй групп (за исключением расчета по образованию трещин) следует вести только для стадии длительного нагрева. Расчет по образованию трещин необходимо производить для стадий кратковременного и длительного нагрева с учетом усилий, возникающих от нелинейного распределения температуры бетона по высоте сечения элемента.
Расчет статически неопределимых конструкций и их элементов по предельным состояниям первой и второй групп должен производиться:
а) на кратковременный нагрев конструкции по режиму согласно СНиП III-15-76, когда возникают наибольшие усилия от воздействия темпера туры (см. п. 1.10). При этом жесткость элементов в конструкции определяется по указаниям пп. 4.17 и 4.18 как от кратковременного действия всех нагрузок и в зависимости от скорости нагрева;
б) на длительный нагрев - воздействие на конструкцию расчетной температуры в период эксплуатации, когда происходит снижение прочности и жесткости элементов в результате воздействия длительного нагрева и нагрузки.
При этом жесткость элементов определяется по указаниям пп. 4.17 и 4.18 как от длительного воздействия всех нагрузок.
Расчетная технологическая температура принимается равной температуре среды цеха или рабочего пространства теплового агрегата, указанной в задании на проектирование.
Расчетные усилия и деформации от кратковременного и длительного нагревов определяются с учетом коэффициента надежности по температуре по указаниям п. 1.27.
1.7. Величины нагрузок и воздействий, значения коэффициентов надежности, коэффициентов сочетаний, а также подразделение нагрузок на постоянные и временные длительные, кратковременные, особые следует принимать в соответствии с требованиями СНиП II-6-74 с учетом дополнительных указаний СНиП 2.03.01-84.
Нагрузки и воздействия температуры, учитываемые при расчете конструкции по предельным состояниям первой и второй групп, следует принимать по табл. 1 и 2.
При расчете по прочности в необходимых случаях должны учитываться особые нагрузки с коэффициентами надежности по нагрузке gf, принимаемыми по соответствующим нормативным документам. При этом усилия, вызванные действием температуры, не учитываются.
1.8. К трещиностойкости конструкций (или их частей) должны предъявляться требования СНиП 2.03.01-84 с учетом дополнительных указаний настоящего пункта.
Категории требований к трещиностойкости железобетонных конструкций в зависимости от условий их работы, вида арматуры, а также величины предельно допустимой ширины раскрытия трещин с учетом воздействия температуры на элементы, эксплуатируемые в условиях неагрессивной среды, для обеспечения сохранности арматуры приведены в табл. 3.
1.9. Определение усилий в статически неопределимых конструкциях от внешней нагрузки, собственного веса и воздействия повышенных и высоких температур производят по правилам строительной механики методом последовательных приближений. При этом жесткость элементов определяют с учетом неупругих деформаций и наличия трещин в бетоне от одновременного действия внешней нагрузки, собственного веса и температуры.
1.10. При кратковременном нагреве усилия от воздействия температуры в элементах статически неопределимых конструкций должны определяться в зависимости от состава бетона (см. табл. 9) и температуры нагрева, вызывающей наибольшие усилия:
а) при нагреве бетона № 1 свыше 50 до 250 °С - по расчетной температуре;
б) при нагреве бетонов № 2-11, 23 и 24 свыше 200 до 500 °С - по расчетной температуре; при нагреве свыше 500 °С - при 500 °С;
в) при нагреве бетонов № 12-21, 29 и 30 свыше 200 до 400 °С - по расчетной температуре, при нагреве свыше 400 °С - при 400 °С.
Для конструкций, находящихся на наружном воздухе, расчет наибольших усилий от воздействия температур выполняют по расчетной температуре воздуха по требованию п. 1.40.
Таблица 1
|
Нагрузки и коэффициенты надежности по нагрузке gf, температурные воздействия и коэффициенты надежности по температуре gt, принимаемые при расчете |
|||
|
по прочности |
по выносливости |
по деформациям |
|
|
Статически определимые конструкции при длительном нагреве |
Постоянные, длительные и кратковременные нагрузки при gf > 1 |
Постоянные, длительные и кратковременные нагрузки при gf = 1 |
Постоянные, длительные и кратковременные нагрузки при gf = 1 и температурные деформации при gt = 1 |
|
Статически неопределимые конструкции при кратковременном нагреве |
Постоянные, длительные и кратковременные нагрузки при gf > 1 и наибольшие усилия от воздействия температуры при gt = 1,1 |
Постоянные, длительные и кратковременные нагрузки при gf = 1 и наибольшие усилия от воздействия температуры при gt = 1 |
Постоянные, длительные и кратковременные нагрузки при gf = 1 и наибольшие усилия от воздействия температуры и температурные деформации при gt = 1 |
|
Статически неопределимые конструкции при длительном нагреве |
Постоянные, длительные и кратковременные нагрузки при gf > 1 и усилия от воздействия температуры при gt = 1,1 |
Постоянные, длительные и кратковременные нагрузки при gf = 1 и усилия от воздействия температуры при gt = 1 |
Постоянные, длительные и кратковременные нагрузки при gf = 1 и усилия от воздействия температуры и температурные деформации при gt = 1 |
Примечания: 1. Бетонные конструкции рассчитываются только по прочности.
2. При расчете статически неопределимых конструкций кроме сочетаний воздействий температуры и нагрузок, указанных в настоящей таблице, в необходимых случаях следует проверить другие возможные неблагоприятные сочетания воздействий, в том числе и при остывании.
3. В статически неопределимых конструкциях допускается производить расчет:
а) при кратковременном нагреве только на наибольшие усилия от воздействия температуры, если усилия от постоянных, длительных и кратковременных нагрузок вызывают напряжения сжатия в бетоне sb £ 0,1 МПа;
б) при длительном нагреве выше 700 °С - на совместное воздействие постоянных, длительных и кратковременных нагрузок без учета усилий от длительного нагрева.
4. При расчете на кратковременный нагрев длительная нагрузка учитывается как кратковременная.
5. Коэффициент надежности по температуре gt должен приниматься по указаниям п. 1.27.
6. При расчете прогибов следует учитывать указания п. 1.16.
Таблица 2
|
Категория требований к трещиностойкости железобетонных конструкций |
Нагрузки и коэффициент надежности по нагрузке gf, воздействия температуры и коэффициент надежности по температуре gt, принимаемые при расчете |
|||
|
по образованию трещин |
по раскрытию трещин |
по закрытию трещин |
||
|
непродолжительному |
продолжительному |
|||
|
1-я |
Постоянные, длительные и кратковременные нагрузки при gf > 1* и температурные воздействия от кратковременного и длительного нагрева при gt = 1,1* |
- |
- |
- |
|
2-я |
Постоянные, длительные и кратковременные нагрузки при gf > 1* и температурные воздействия от кратковременного и дли тельного нагрева при gt = 1,1* (расчет производится для выяснения необходимости проверки по непродолжительному раскрытию трещин и их закрытию) |
Постоянные, длительные и кратковременные нагрузки при gf = 1 и температурные воздействия от кратковременного и дли тельного нагрева при gt = 1 |
- |
Постоянные и длительные нагрузки при gf = 1 и температурные воздействия от длительного нагрева при gt = 1 |
|
3-я |
Постоянные, длительные и кратковременные нагрузки при gf = 1 и температурные воздействия от кратковременного и длительного нагрева при gt = 1 (расчет производится для выяснения необходимости проверки по раскрытию трещин) |
Постоянные, длительные и кратковременные нагрузки при gf = 1 и температурные воздействия от кратковременного и длительного нагрева при gt = 1 |
Постоянные и длительные нагрузки при gf = 1 и температурные воздействия от длительного нагрева при gt = 1 |
- |
_____________
* Коэффициент надежности по нагрузке gf и коэффициент надежности по температуре gt принимаются такими же как при расчете по прочности.
Примечания: 1. Длительные и кратковременные нагрузки принимаются с учетом требований СНиП 2.03.01-84.
2. При расчете по образованию трещин от температурных воздействий необходимо учитывать требования п. 4.2.
3. При расчете по раскрытию трещин от температурных воздействий необходимо учитывать различие температурных деформаций бетона и арматуры по указаниям п. 4.8.
4. Коэффициент надежности по температуре gt должен приниматься по указаниям п. 1.27.
5. Особые нагрузки учитываются в расчете по образованию трещин в тех случаях, когда наличие трещин приводит к катастрофе (взрыв, пожар и т.п.).
Таблица 3
|
Температура арматуры, °С |
Категория требований к трещиностойкости железобетонных конструкций и предельно допустимая ширина acrc1 и acrc2, мм, раскрытия трещин, обеспечивающие сохранность арматуры |
|||
|
стержневой классов A-I, А-II, А-III, А-IIIв и А-IV; проволочной классов B-I и Вр-I |
стержневой классов А-V и А-VI, проволочной классов В-II, Вр-II, К-7 и К-19 при диаметре проволоки 3,5 мм и более |
проволочной классов В-II, Вр-II и К-7 при диаметре проволоки 3 мм и менее |
||
|
1. В закрытом помещении |
До 100 |
3-я категория; acrc1 = 0,4; acrc2 = 0,3 |
3-я категория; acrc1 = 0,3; acrc2 = 0,2 |
3-я категория; acrc1 = 0,2; acrc2 = 0,1 |
|
100 и выше |
3-я категория; acrc1 = 0,6; acrc2 = 0,5 |
3-я категория; acrc1 = 0,5; acrc2 = 0,4 |
3-я категория; acrc1 = 0,3; acrc2 = 0,2 |
|
|
2. На открытом воздухе, а также в грунте выше уровня грунтовых вод |
До 100 |
3-я категория; acrc1 = 0,4; acrc2 = 0,3 |
3-я категория; acrc1 = 0,2; acrc2 = 0,1 |
2-я категория; acrc1 = 0,2 |
|
100 и выше |
3-я категория; acrc1 = 0,6; acrc2 = 0,5 |
3-я категория; acrc1 = 0,5; acrc2 = 0,4 |
2-я категория; acrc1 = 0,3 |
|
|
3. В грунте при переменном уровне грунтовых вод и в закрытом помещении при попеременном увлажнении |
До 100 |
3-я категория; acrc1 = 0,3; acrc2 = 0,2 |
2-я категория; acrc1 = 0,2 |
2-я категория; acrc1 = 0,1 |
Примечание. В канатах подразумевается проволока наружного слоя.
При длительном нагреве усилия от воздействия температуры следует определять в зависимости от расчетной температуры согласно указаниям п. 1.6.
1.11. При расчете по прочности, деформациям, а также раскрытию и закрытию трещин распределение температуры в сечениях конструкций определяют теплотехническим расчетом для установившегося режима теплового потока. При расчете по образованию трещин распределение температур в сечениях конструкций, нагреваемых со скоростью более 10 °С/ч, определяют для неустановившегося теплового потока по пп. 1.34-1.40.
1.12. При расчете усилий, вызванных воздействием температуры, в сборных элементах конструкций жесткость сечений следует уменьшить на 20 %, если прочность на сжатие раствора в стыке минимум на 10 МПа меньше прочности бетона сборного элемента.
1.13. Расчет элементов бетонных и железобетонных конструкций по прочности, схемы предельных состояний которых при расчете на воздействие температуры еще не установлены или условия наступления предельного состояния пока не могут быть выражены через усилия, может производиться через напряжения с учетом наличия трещин и развития неупругих деформаций бетона. При этом напряжения в бетоне и арматуре не должны превышать соответствующих расчетных сопротивлений.
1.14. При расчете несущих конструкций, бетой которых неравномерно нагрет по высоте сечения элемента, часть сечения, нагретую выше 1000 °С, допускается не учитывать.
1.15. При расчете элементов, подвергающихся нагреву, положение центра тяжести всего сечения бетона или его сжатой зоны, а также статический момент и момент инерции всего сечения следует определять, приводя все сечение к ненагретому, более прочному бетону. Для этой цели при расчете с использованием ЭВМ сечение по высоте разбивается не менее чем на четыре части.
При расчете по прочности, деформациям и раскрытию или закрытию трещин без использования ЭВМ при прямолинейном распределении температуры бетона по высоте сечения элемента допускается разбивать сечения согласно следующим указаниям:
для элемента, выполненного из одного вида бетона, если температура бетона наиболее нагретой грани не превышает 400 °С, сечение не разбивается на части и момент инерции приведенного сечения Ired относительно центра тяжести сечения принимается равным:
где bb - коэффициент, принимаемый в зависимости от температуры бетона в центре тяжести сечения по табл. 10;
- коэффициент, принимаемый в
зависимости от температуры бетона в центре тяжести сечения по табл. 12
для кратковременного нагрева;
jb1 - коэффициент, учитывающий влияние кратковременной ползучести бетона и принимаемый для бетона составов (см. табл. 9):
№ 1-3, 6, 7, 10, 11, 19-21 - 0,85
№ 4, 5, 8, 9, 23, 24- 0,80
№ 12-18, 29, 30 - 0,70
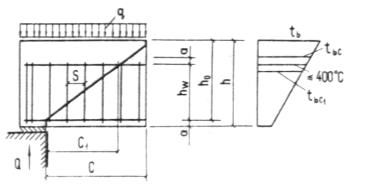
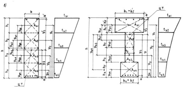
для элемента, сечение которого по высоте состоит из двух видов бетона, а также прямоугольного и таврового сечений, выполненных из одного вида бетона, если температура бетона наиболее нагретой грани превышает 400 °С, сечение разбивается по высоте на две чести (черт. 1, а);
для элемента, сечение которого по высоте состоит из трех видов бетона или двутаврового сечения, выполненного из одного вида бетона, если температуре бетона наиболее нагретой грани превышает 400 °С, сечение разбивается на три части (черт. 1, б).
При расчете по образованию трещин определение напряжении от воздействия температуры производится разбивкой сечения не менее чем на четыре части независимо от температуры бетона (черт. 1, в).
В прямоугольном сечении элемента, выполненном из одного вида бетона, когда сечение по высоте разбивается на две части, линия раздела должна проходить по бетону, имеющему температуру, ревную 400 °С. В двутавровых и тавровых сечениях элементов, выполненных из одного вида бетона, линия раздела должна проходить по границе между ребром и полкой. В элементе, сечение которого по высоте состоит из различных видов бетонов, линия раздела должна проходить по граница бетонов.
Во всех случаях расчета арматура рассматривается как самостоятельная часть сечения.
Приведенная площадь Ared,i i-той части сечения, на которые разбивается все сечение элемента, определяется по формуле
где Аi - площадь i-той части сечения;
jb1, bbi и
- коэффициенты,
принимаемые в зависимости от состава и температуры бетона в центре тяжести
площади i-той части сечения, как в формуле (1).
Для элементов, состоящих по высоте из двух и более видов бетона, приведенная площадь Ared,i i-той части сечения, на которые разбивается все сечение элемента, определяется по формуле (2). Если сечение элемента состоит из разных видов бетона, то в этой формуле правая часть умножается на отношение модуля упругости каждого вида бетона в нагретом состоянии к модулю упругости бетона, к которому приводится все сечение Eb.
При расчете без
использования ЭВМ коэффициенты bbi и
допускается определять в зависимости
от средней температуры бетона i-той
части сечения.

Черт. 1. Схемы разбивки на части высоты прямоугольного, таврового и двутаврового сечений элементов
а - на 2 части; б - на 3 части; в - на 4 части; t1, t2 ... ti - наибольшая температура 1-, 2-, ... i-той части сечения; ц.т. - центр тяжести сечения
Площадь ненапрягаемой нагретой растянутой As и сжатой As арматуры приводится к ненагретому, более прочному бетону:
(3)
(4)
где As,red, As,red - соответственно приведенная площадь растянутой и сжатой арматуры;
Еs - модуль упругости арматуры, принимаемый для основных видов по табл. 29 СНиП 2.03.01-84 и жаростойкой - по табл. 18;
bs - коэффициент, принимаемый в зависимости от температуры арматуры по табл. 20.
Расстояние от центра тяжести приведенного сечения у до наименее нагретой грани определяют по формуле
Площадь приведенного сечения элемента Ared находят по формуле
Статический момент площадей приведенного сечения элемента Sred относительно грани, растянутой внешней нагрузкой и воздействием температуры, определяют по формуле
(7)
где yi - расстояние от центра тяжести i-той части сечения бетона до наименее нагретой грани элемента, принимаемое равным
(8)
hi - высота i-той части сечения.
Здесь
(9)
При расчете без использования ЭВМ допускается принимать
(10)
Момент инерции приведенного сечения элемента Ired относительно его центра тяжести определяют по формуле
(11)
где Ired,i - момент инерции i-той части сечения бетона, определяемый по формуле
(12)
ybi - расстояние от центра тяжести i-той части сечения бетона до центра тяжести всего приведенного сечения, определяемое по формулам:
1.16. Расчет прогибов элементов железобетонных конструкций должен производиться по требованиям СНиП 2.03.01-84. Кроме прогиба от нагрузки должен учитываться прогиб от неравномерного нагрева бетона по высоте сечения элемента по указаниям пп. 4.14 - 4.16.
Расчет прогибов должен производиться при:
ограничении технологическими или конструктивными требованиями с учетом прогиба от кратковременного и длительного нагрева;
ограничении эстетическими требованиями с учетом прогиба от длительного нагрева.
Прогибы от нагрузки и воздействия температуры не должны превышать предельно допустимых величин, указанных в СНиП 2.03.01-84.
При этом коэффициент надежности по температуре по указаниям п. 1.27 принимают равным единице.
Предельно допустимые деформации от воздействия температуры в элементах конструкций, в которых требуется их ограничение при нагревании и охлаждении, должны устанавливаться нормативными документами по проектированию соответствующих конструкций, а при их отсутствии должны указываться в задании на проектирование.
1.17. Расстояния между температурно-усадочными швами в бетонных и железобетонных конструкциях из обычного и жаростойкого бетонов должны устанавливаться расчетом. Указанный расчет допускается не выполнять для конструкций из обычного и жаростойкого бетонов, если принятое расстояние между температурно-усадочными швами не превышает величин, указанных в табл. 4, в которой наибольшие расстояния между температурно-усадочными швами даны для бетонных и железобетонных конструкций с ненапрягаемой и с предварительно напряженной арматурой, к конструкциям которых предъявляются требования 3-й категории трещиностойкости, при расчетной зимней температуре наружного воздуха минус 40 °С, относительной влажности воздуха 60 % и выше и высоте колонн 3 м.
Таблица 4
|
Наибольшие расстояния между температурно-усадочными швами, м, допускаемые без расчете для конструкций, находящихся |
|||
|
внутри отапливаемых зданий или в грунте |
внутри неотапливаемых зданий |
на наружном воздухе |
|
|
1. Бетонные: |
|
|
|
|
а) сборные |
40 |
35 |
30 |
|
б) монолитные при конструктивном армировании |
30 |
25 |
20 |
|
в) монолитные без конструктивного армирования |
20 |
15 |
10 |
|
|
|
|
|
|
а) сборные и сборно-каркасные одноэтажные |
72 |
60 |
48 |
|
б) сборные и сборно-каркасные многоэтажные |
60 |
50 |
40 |
|
в) сборно-блочные, сборно-панельные |
55 |
45 |
35 |
|
г) сборно-монолитные и монолитные каркасные |
50 |
40 |
30 |
|
д) сборно-монолитные и монолитные сплошные |
40 |
30 |
25 |
Примечания: 1. Для железобетонных конструкций (поз. 2), расчетная температура внутри которых не превышает 50 °С, расстояния между температурно-усадочными швами при расчетной зимней температуре наружного воздуха минус 30, 20, 10 и 1 °С увеличивают соответственно на 10, 20, 40 и 60 % и при влажности наружного воздуха в наиболее жаркий месяц года ниже 40, 20 и 10 % - уменьшают соответственно на 20, 40 и 60 %. Для промежуточных значений температуры и влажности наружного воздуха указанные выше увеличения и уменьшения расстояний между температурно-усадочными швами определяют по интерполяции.
2. Для железобетонных каркасных зданий (поз. 2 а, б, г) расстояния между температурно-усадочными швами увеличивают при высоте колонн 5 м - на 20 %, 7 м - на 60 % и 9 м - на 100 %. Для промежуточных значений высот увеличение расстояний между температурно-усадочными швами определяют по интерполяции. Высоту колонн определяют: для одноэтажных зданий - от верха фундамента до низа подкрановых балок, а при их отсутствии - до низа ферм или балок покрытия; для многоэтажных зданий - от верха фундамента до низа балок первого этажа.
3. Для железобетонных каркасных зданий (поз. 2 а, б, г) расстояния между температурно-усадочными швами определены при отсутствии связей либо при расположении связей в середине температурного блока.
4. Расстояния между температурно-усадочными швами в сооружениях и тепловых агрегатах с расчетной температурой внутри 70, 120, 300, 500 и 1000 °С уменьшают соответственно на 20, 40, 60, 70 и 90 %. Для промежуточных значений температуры указанное уменьшение следует определять интерполяцией.
1.18. Расчет предварительно напряженных конструкций, работающих в условиях воздействия повышенных и высоких температур, должен производиться в соответствии с требованиями СНиП 2.03.01-84 и с учетом дополнительных указаний пп. 1.19-1.25 настоящих норм и правил
1.19. Температура нагрева предварительно напряженной арматуры не должна превышать предельно допустимой температуры ее применения, указанной в табл. 17.
1.20. Сжимающие напряжения в бетоне sbp в стадии предварительного обжатия в долях от передаточной прочности бетона Rbp не должны превышать при температуре нагрева (°С) предварительно напряженной арматуры
50 0,70 Rbp
100 0,60 Rbp
150 0,50 Rbp
250 0,40 Rbp
В случае необходимости величина сжимающих напряжений в бетоне может быть повышена при обеспечении надежной работы конструкции от воздействия предварительного напряжения, нагрузки и температурных усилий.
1.21. Полная величина потерь предварительного напряжения арматуры, учитываемая при расчете конструкций, работающих в условиях воздействия температуры выше 50 °С, определяется как сумма потерь:
основных - при нормальной температуре;
дополнительных - от воздействия температуры выше 50 °С.
Основные потери предварительного напряжения арматуры для конструкций из обычного бетона состава № 1 и жаростойкого бетона составов № 2, 3, 6, 7, 10 и 11 по табл. 9 следует определять как для тяжелого бетона по требованиям СНиП 2.03.01-84. Величину потерь от усадки жаростойкого бетона следует принимать на 10 МПа больше указанных в табл. 5 поз. 8 а, б, в по СНиП 2.03.01-84.
При вычислении коэффициента jl по формуле (5) СНиП 2.03.01-84 время в сутках следует принимать: при определении потерь от ползучести - со дня обжатия бетона и от усадки - со дня окончания бетонирования до нагрева конструкции.
Дополнительные потери предварительного напряжения арматуры следует принимать по табл. 5.
Таблица 5
|
Фактор, вызывающий дополнительные потери предварительного напряжения в арматуре при ее нагреве |
Величина дополни тельных потерь предварительного напряжения, МПа |
|
Усадка бетона обычного состава № 1 и жаростойкого составов № 2, 3, 6, 7, 10 и 11 по табл. 9 при нагреве: |
|
|
кратковременном |
40 |
|
длительном постоянном |
80 |
|
длительном циклическом |
60 |
|
Ползучесть бетона обычного состава № 1 и жаростойкого составов № 2, 3, 6, 7, 10 и 11 по табл. 9: |
|
|
естественной влажности при нагреве: |
|
|
кратковременном |
10 sbp |
|
длительном постоянном |
15 sbp |
|
длительном циклическом |
18 sbp |
|
сухого при нагреве: |
|
|
кратковременном |
4 sbp |
|
длительном постоянном |
6 sbp |
|
длительном циклическом |
8 sbp |
|
Релаксация напряжений арматуры: |
|
|
проволочной классов В-II, Вр-II и К-7, К-19 |
0,0012 Dts ssp |
|
стержневой классов А-IV, А-V, А-VI, Ат-IV, Ат-V, Ат-VI |
0,001 Dts ssp |
|
Разность деформаций бетона и арматуры от воздействия температуры |
(ast - abt) DtsEsbs |
Обозначения, принятые в табл. 5:
Dts - разность между температурой арматуры при эксплуатации, определяемой теплотехническим расчетом по указаниям пп. 1.34-1.40, и температурой арматуры при натяжении, которую допускается принимать равной 20 °С;
abt - коэффициент, принимаемый по табл. 14 в зависимости от температуры бетона на уровне напрягаемой арматуры и длительности нагрева;
Еs - модуль упругости арматуры, принимаемый по табл. 29 СНиП 2.03.01-84;
ast и bs - коэффициенты, принимаемые по табл. 20 в зависимости от температуры арматуры.
Примечания: 1. Потери предварительного напряжения от релаксации напряжений арматуры принимаются для кратковременного и длительного нагрева одинаковыми и учитываются при температуре арматуры выше 40 °С.
2. Потери предварительного напряжения арматуры от разности деформаций бетона и арматуры учитываются в элементах, выполненных из обычного бетона при нагреве арматуры выше 100 °С и в элементах из жаростойкого бетона при нагреве арматуры выше 70 °С.
3. Если от усилий, вызванных совместным действием нагрузки, температуры и предварительного обжатия, в бетоне не уровне арматуры в стадии эксплуатации возникают растягивающие напряжения, то дополнительные потери от ползучести бетона не учитываются.
4. Потери от ползучести бетона при натяжении в двухосном направлении следует уменьшить на 15 %.
1.22. Величины установившихся напряжений в бетоне sbp на уровне центра тяжести напрягаемой арматуры наиболее обжимаемой зоны после проявления всех основных потерь необходимо определять по формуле
где М - момент от собственного веса элемента.
1.23. Геометрические характеристики приведенного сечения предварительно напряженного железобетонного элемента (Ared, Sred, Ired) определяют по указаниям п. 1.15 с учетом продольной предварительно напряженной арматуры S и S и влияния температуры на снижение модулей упругости арматуры и бетона.
1.24. Усилия от воздействия температуры в статически неопределимых предварительно напряженных железобетонных конструкциях находят по указаниям пп. 1.32 и 1.33.
При определении усилий от воздействия температуры жесткость элемента вычисляют по указаниям пп. 4.17 и 4.18.
1.25. При определении общего прогиба предварительно напряженного железобетонного элемента необходимо учитывать прогиб, вызванный неравномерным нагревом бетона по высоте сечения элемента, по указаниям п. 4.16.
1.26. Расчет деформаций, вызванных нагреванием и охлаждением бетонных и железобетонных элементов, должен производиться в зависимости от наличия трещин в растянутой зоне бетона и распределения температуры бетона по высоте сечения элемента.
1.27. Для участков бетонного и железобетонного элемента, где в растянутой зоне не образуются трещины, нормальные к продольной оси элемента, деформации от нагрева следует рассчитывать согласно следующим указаниям:
а) сечение элемента
приводится к более прочному бетону по указаниям п. 1.15, удлинение et оси элемента и ее кривизну
определяют по
формулам:
где ![]()
Удлинение eti оси i-той части бетонного сечения
и ее кривизну
(черт. 2)
определяют по формулам:
(19)
(20)
Черт. 2. Схемы распределения
а - температуры бетона; б - деформации удлинения от нагрева; в - напряжения в бетоне от нагрева; г - деформации укорочения от остывания; д - напряжения в бетоне от остывания при нелинейном изменении температуры по высоте бетонного сечения элемента
Удлинение es и es соответственно арматуры S и S находят из формул:
(21)
В формулах (17) - (22): Ared, Ared,i, As,red, As,red, ybi, ys, ys, Ired, Ired,i, yyi принимают по указаниям п. 1.15;
abti и abti+1 - коэффициенты, принимаемые по табл. 14 в зависимости от температуры бетона более и менее нагретой грани i-той части сечения;
ast - коэффициент, принимаемый по табл. 20 в зависимости от температуры арматуры S и S;
gt - коэффициент надежности по температуре, принимаемый при расчете по предельным состояниям: первой группы - 1,1; второй группы - 1.
При расчете бетонного сечения в формулах (17) и (18) удлинение арматуры es и es не учитывается;
б) при неравномерном нагреве
бетона с прямолинейным распределением температуры по высоте сечения элемента (черт. 3, а) удлинение оси элемента eе и
ее кривизну
допускается
определять по формулам:
где tb и tb1 - температура бетона менее и более нагретой грани сечения, определяемая теплотехническим расчетом по указаниям пп. 1.34 -1.40;
abt и abt1 - коэффициенты, принимаемые в зависимости от температуры бетона менее и более нагретой грани сечения по табл. 14.
Черт. 3. Схемы распределения температур (1) и деформаций от неравномерного нагрева (2) и остывания (3) при прямолинейном изменении температур по высоте сечения элемента
а - бетонного и железобетонного без трещин; б - железобетонного с трещинами в растянутой зоне, расположенной у менее нагретой грани; в - то же, у более нагретой грани; г - железобетонного с трещинами по всей высоте сечения
1.28. Для участков бетонного или железобетонного элемента, где в растянутой зоне бетона не образуются трещины, нормальные к продольной оси элемента, деформации от остывания следует рассчитывать согласно следующим указаниям:
а) сечение элемента
приводится к более прочному бетону по указаниям п. 1.15; от усадки и ползучести
бетона укорочение ecsc оси элемента и ее кривизну
определяют по
формулам:
Укорочение ecsc,i оси i-той части бетонного сечения
и ее кривизну
находят по формулам:
(27)
(28)
где Ared,i, Ared, ybi, Ired,i, Ired, hi, yyi - принимают по указаниям п. 1.15;
gt - см. п. 1.27;
tbi и tbi+1 - см. черт. 2;
acsi и acsi+1 - коэффициенты, принимаемые по табл. 15 в зависимости от температуры более и менее нагретой грани i-той части сечения;
eci - деформации ползучести бетона в i-той части сечения, определяемые по формуле (29) со знаком «минус»:
где sb,tem,i, sbi - напряжения сжатия в
бетоне i-той части сечения от
усилий, вызванных температурой и нагрузкой при нагреве, определяемые по формулам (32)
и (33), в которых коэффициент
принимается по табл. 12 для
кратковременного нагрева с подъемом температуры 10 °С/ч;
bbi - коэффициент, принимаемый по табл. 10 в зависимости от температуры i-той грани сечения;
- коэффициент, принимаемый по табл. 12 в зависимости от
температуры i-той грани сечения для
длительного нагрева;
б) при остывании
неравномерно нагретого бетона с прямолинейным распределением температуры по
высоте сечения элемента от усадки бетона укорочение ecs оси элемента и ее кривизну
допускается
определять по формулам:
где acs и acs1 - коэффициенты, принимаемые по табл. 15 в зависимости от температуры бетона менее и более нагретой грани сечения;
gt, tb, tb1 - принимают по указаниям п. 1.27.
1.29. Для участков бетонного и железобетонного элемента, где в растянутой зоне бетона не образуются трещины, нормальные к продольной оси элемента напряжения в бетоне грани i-той части сечения, следует определять:
растяжения при нагревании от нелинейного распределения температуры по формуле
сжатия при нагревании от кратковременных усилий по формуле
растяжения при остывании от усадки и ползучести бетона по формуле
где ybi, et,
- определяются
соответственно по формулам (13), (17)
и (18);
abti, tbi - принимают по указаниям п. 1.27;
Еb - принимают по табл. 11;
acsi, bbi и
- коэффициенты, принимаемые по табл. 10,
12 и 15
в зависимости от температуры бетона грани i-той части сечения;
M и N - момент и продольная сила, приложенная к центру тяжести сечения от воздействия нагрузки и температуры;
Аred и В - принимают соответственно указаниям пп. 1.15 и 4.17;
eci, ecsc и
- определяют соответственно по формулам (29),
(25) и (26).
Если в формуле (32) напряжения имеют знак «минус», то в бетоне возникают напряжения сжатия и sbtt,i заменяется sb,tem,i.
1.30. Для участков железобетонного элемента, где в растянутой зоне образуются трещины, нормальные к продольной оси элемента, деформации от нагрева следует рассчитывать согласно следующим указаниям:
а) для железобетонного
элемента с трещинами в растянутой зоне, расположенной у менее нагретой грани
сечения (черт.
3, б), удлинение et оси элемента и ее кривизну
определяют по
формулам:
(36)
б) для участков
железобетонного элемента с трещинами в растянутой зоне бетона, расположенной у
более нагретой грани сечения (черт. 3, в),
удлинение et оси элемента определяют по формуле (35)
и ее кривизну
- по формуле
(37)
в) для участков
железобетонного элемента с трещинами по всей высоте сечения (черт. 3, г) удлинение et оси элемента и ее кривизну
определяют по
формулам:
(38)
(39)
где ts, ts - температура арматуры S и S;
tb - температура бетона сжатой грани сечения;
astm, astm - коэффициенты, определяемые по формуле (49) для арматуры S и S;
abt - коэффициент, принимаемый по табл. 14 в зависимости от температуры бетона более или менее нагретой грани сечения;
gt - принимается по указаниям п. 1.27;
a - толщина защитного слоя более нагретой грани;
г) при равномерном нагреве
железобетонного элемента кривизну
оси элемента
допускается принимать равной нулю. В железобетонных элементах из обычного
бетона при температуре арматуры до 100 °С и из жаростойкого бетона
при температуре арматуры до 70 °С для участков с трещинами в
растянутой зоне бетона допускается определять удлинение оси элемента et и ее кривизну
по формулам (23)
и (24) как для бетонных элементов без трещин.
1.31.
Для участков железобетонных элементов, где в растянутой зоне образуются
трещины, нормальные к продольной оси элемента от усадки бетона, при остывании
укорочение ecs оси элемента и ее кривизну
допускается находить
по формулам
(30) и (31).
1.32. Определение усилий в статически неопределимых конструкциях от воздействия температуры должно производиться по формулам строительной механики с принятием действительной жесткости сечений. При переменной эпюре моментов по длине пролета жесткость сечений вычисляют в зависимости от действующих усилий для достаточного числа участков, на которые разбивают пролет элемента, принимая на каждом участке жесткости сечения по указаниям пп. 4.17 и 4.18. При определении жесткости следует учитывать усилия от нагрузки и воздействия температуры согласно табл. 1 и 2.
Удлинение оси каждого участка длины элемента и ее кривизна от воздействия температуры должны вычисляться по указаниям пп. 1.26 - 1.30.
Расчет статически неопределимых железобетонных конструкций на воздействие температуры необходимо выполнять методом последовательных приближении до тех пор, пока величина усилия, полученная в последнем приближении, будет отличаться от усилий предыдущего приближения не более, чем на 5 %.
Расчет усилий в статически
неопределимых конструкциях, как правило, следует выполнять с применением ЭВМ.
При использовании малых вычислительных машин и ручном счете допускается
принимать приведенные постоянные по длине элемента: жесткость сечений Bred, удлинение оси ered,t и ее кривизну ![]()
Приведенная жесткость сечения определяется по формуле
(40)
где В - жесткость сечения элемента с трещинами в растянутой зоне в месте действия наибольшего изгибающего момента М, определяемая по указаниям п. 4.18;
В1 - жесткость сечения элемента без трещин, определяемая по указаниям п. 4.17.
Приведенное удлинение ered,t оси элемента и ее кривизну
от нагрева определяют
по формулам:
(41)
(42)
(43)
при ![]()
М и Мcrc - наибольший изгибающий момент и момент, воспринимаемый сечением, нормальным к продольной оси элемента при образовании трещин, определяемый по указаниям п. 4.3;
е - основание натуральных логарифмов;
- удлинение оси и ее кривизна элемента без трещин от воздействия температуры,
определяемые по указаниям п. 1.27;
- удлинение оси и ее кривизна
элемента с трещинами в растянутой зоне, определяемые по указаниям п. 1.30.
1.33. Изгибающий момент от неравномерного нагрева бетона по высоте сечения при равномерном нагреве бетона по длине элементе, заделанного на опоре от поворота, а также в замкнутых рамах кольцевого, квадратного и прямоугольного очертания, имеющих одинаковые сечения, определяют по формуле
а изгибающий момент при остывании от усадки и ползучести бетона
где
- температурная
кривизна оси элемента от кратковременного или длительного нагрева, определяемая
по указаниям пп.
1.27 и 1.30;
- кривизна оси элемента при
остывании от усадки и ползучести бетона, определяемая по формуле (26).
Допускается кривизну
определять по формуле
(46)
где
- кривизна оси
элемента при остывании от усадки бетона, определяемая по формуле (31);
- кривизна оси элемента при
остывании от ползучести бетона определяется по формуле (47) со знаком «минус»
здесь Мt и Мt - температурные моменты соответственно для кратковременного и длительного нагрева определяются по формуле (44), принимая температурную кривизну для кратковременного нагрева при значении abt по табл. 14 для подъема температуры на 10 °С/ч и более независимо от длительности нагрева;
В - жесткость сечения, определяемая по указаниям пп. 4.17 и 4.18; в формуле (44) вычисляется для кратковременного или длительного нагрева, а в формулах (45) и (47) - для кратковременного нагрева со скоростью 10 °С/ч и более независимо от длительности нагрева.
1.34. Расчет распределения температур в бетонных и железобетонных конструкциях для установившегося теплового потока следует проводить, пользуясь методами расчета температур ограждающих конструкций согласно СНиП 2.01.01-82.
Расчет распределения температур в ограждающих конструкциях сложной конфигурации сечений элементов, в массивных конструкциях, в конструкциях, находящихся ниже уровня земли, а также при неустановившемся тепловом потоке .с учетом переменной влажности бетона по сечению должен производиться методами расчета температурных полей или теории теплопроводности либо по соответствующим нормативным документам.
Расчет распределения температур в стенках боровов и каналов, расположенных под землей, допускается производить:
для кратковременного нагрева, принимая сечение по высоте стен неравномерно нагретым с прямолинейным распределением температур бетона и величину коэффициента теплоотдачи наружной поверхности стенки aе - по табл. 6;
Таблица 6
|
Вт/(м2 × °С) |
Температура наружной поверхности и воздуха, °С |
||||||||||
|
0 |
50 |
100 |
200 |
300 |
400 |
500 |
700 |
900 |
1100 |
1200 |
|
|
aе |
8 |
12 |
14 |
20 |
26 |
- |
- |
- |
- |
- |
- |
|
ai |
- |
12 |
12 |
12 |
14 |
18 |
23 |
47 |
82 |
140 |
175 |
Примечание. Коэффициенты aе и ai для промежуточных значений температур определяют по интерполяции.
для длительного нагрева, принимая сечение по высоте стен равномерно нагретым.
Температуру арматуры в сечениях железобетонных элементов допускается принимать равной температуре бетона в месте ее расположения.
1.35. Для конструкций, находящихся на наружном воздухе, коэффициент теплоотдачи наружной поверхности aе, Вт/(м2×°С), в зависимости от скорости ветра следует определять по формуле
, (48)
где v - скорость ветра, м/с.
При расчете наибольших усилий в конструкциях от воздействия температуры принимают максимальную из средних скоростей ветра по румбам за январь, повторяемость которых составляет 16 % и более, а при определении максимальной температуры нагрева бетона и арматуры принимают минимальную из средних скоростей ветра по румбам за июль, повторяемость которых составляет 16 % и более согласно СНиП 2.01.01-82, но не менее 1 м/с.
Для конструкций, находящихся в помещении или на наружном воздухе, но защищенных от воздействия ветра, коэффициент теплоотдачи наружной поверхности aе принимают по табл. 6.
Коэффициент теплоотдачи внутренней поверхности конструкции ai следует определять, как правило, методом расчета теплопередачи как для случая сложного теплообмена. При определении распределения температуры бетона по сечению элемента допускается коэффициент ai принимать по табл. 6 в зависимости от температуры воздуха производственного помещения или рабочего пространства теплового агрегата.
1.36. Коэффициент теплопроводности l бетона в сухом состоянии должен приниматься по табл. 7 в зависимости от средней температуры бетона в сечении элемента. Коэффициент теплопроводности l огнеупорных и теплоизоляционных материалов должен приниматься по табл. 8.
Термическое сопротивление невентилируемой воздушной прослойки независимо от ее толщины и направления следует принимать равным, м2×°С/Вт:
0,140 при 50 °С
0,095 « 100 «
0,035 « 300 «
0,013 « 500 «
Для промежуточных температур термическое сопротивление воздушной прослойки принимается по интерполяции.
Таблица 7
|
Коэффициент теплопроводности l, Вт/(м × °С) обычного и жаростойкого батонов в сухом состоянии при средней температуре бетона в сечении элемента, °С |
||||||
|
50 |
100 |
300 |
500 |
700 |
900 |
|
|
1 |
1,51 |
1,37 |
1,09 |
- |
- |
- |
|
20 |
2,68 |
2,43 |
1,94 |
1,39 |
1,22 |
1,19 |
|
21 |
1,49 |
1,35 |
1,37 |
1,47 |
1,57 |
1,63 |
|
2, 3, 6, 7, 13 |
1,51 |
1,37 |
1,39 |
1,51 |
1,62 |
- |
|
10, 11 |
0,93 |
0,89 |
0,84 |
0,87 |
0,93 |
1,05 |
|
14, 15, 16, 17, 18 |
0,99 |
0,95 |
0,93 |
1,01 |
1,04 |
1,28 |
|
19 |
0,87 |
0,83 |
0,78 |
0,81 |
0,87 |
0,99 |
|
4, 5, 8, 9 |
0,81 |
0,75 |
0,63 |
0,67 |
0,70 |
- |
|
12 |
0,93 |
0,88 |
0,81 |
0,90 |
- |
- |
|
23 |
0,37 0,43 |
0,39 0,45 |
0,46 0,52 |
0,52 0,58 |
0,58 0,64 |
- |
|
29 |
0,44 0,60 |
0,46 0,52 |
0,52 0,58 |
0,58 0,64 |
0,64 0,70 |
0,70 0,76 |
|
24 |
0,27 0,38 |
0,29 0,41 |
0,34 0,45 |
0,40 0,50 |
0,45 0,55 |
0,51 0,59 |
|
30 |
0,31 0,44 |
0,34 0,46 |
0,37 0,51 |
0,43 0,56 |
0,49 0,60 |
- |
|
26, 28 |
0,21 |
0,23 |
0,28 |
0,33 |
0,37 |
0,42 |
|
22, 25, 27, |
0,29 |
0,31 |
0,36 |
0,42 |
0,48 |
0,53 |
|
31, 32, 36 |
|
|
|
|
|
|
|
33 |
0,21 |
0,22 |
0,25 |
0,29 |
0,33 |
0,37 |
|
34, 35, 37 |
0,24 |
0,27 |
0,31 |
0,37 |
0,43 |
0,49 |
Примечания: 1. Коэффициенты теплопроводности батонов составов 23 и 29 приведены: над чертой для бетонов со средней плотностью 1350, под чертой 1550; для бетонов составов 24 и 30 соответственно 950 и 1250 кг/м3. Если средняя плотность бетона отличается от указанных величин, то в этом случае коэффициент теплопроводности принимают интерполяцией.
2. Коэффициент теплопроводности l обычного и жаростойкого бетонов с естественной влажностью после нормального твердения или тепловой обработки при атмосферном давлении при средней температуре бетона в сечении элемента до 100 °С следует принимать по данным таблицы, увеличенным на 30 %.
3. Для промежуточных значений температур величину коэффициента теплопроводности l определяют интерполяцией.
Таблица 8
|
Средняя плотность в сухом состоянии, кг/м3 |
Предельно допустимая температура применения, °С |
Коэффициент теплопроводности l, Вт/(м × °С) огнеупорных и теплоизоляционных материалов в сухом состоянии при средней температуре материала в сечении элемента, °С |
|
||||||
|
50 |
100 |
300 |
500 |
700 |
900 |
||||
|
1. Изделия огнеупорные шамотные, ГОСТ 390-83 |
1900 |
- |
0,63 |
0,77 |
0,88 |
1,01 |
1,14 |
1,27 |
|
|
2. Изделия шамотные легковесные, ГОСТ 5040-78 |
400 |
1150 |
0,13 |
0,14 |
0,17 |
0,20 |
0,23 |
0,27 |
|
|
3. То же |
800 |
1270 |
0,23 |
0,24 |
0,29 |
0,34 |
0,38 |
0,43 |
|
|
4. « |
1000 |
1300 |
0,34 |
0,35 |
0,42 |
0,49 |
0,56 |
0,63 |
|
|
5. « |
1300 |
1400 |
0,49 |
0,56 |
0,58 |
0,65 |
0,73 |
0,81 |
|
|
6. Изделия огнеупорные динасовые, ГОСТ 4157-79 |
1900 |
- |
1,60 |
1,62 |
1,70 |
1,78 |
1,85 |
1,93 |
|
|
7. Изделия динасовые легковесные, ГОСТ 5040-78 |
1200 - 1400 |
1550 |
0,57 |
0,58 |
0,64 |
0,70 |
0,75 |
0,81 |
|
|
8. Изделия каолиновые, ГОСТ 20901-75 |
2000 |
- |
1,79 |
1,80 |
1,86 |
1,90 |
1,95 |
2,01 |
|
|
9. Изделия высокоглиноземистые, ГОСТ 24704-81 |
2600 |
- |
1,76 |
1,74 |
1,68 |
1,65 |
1,60 |
1,55 |
|
|
10. Изделия огнеупорные магнезитовые, ГОСТ 4689-74 |
2700 |
- |
6,00 |
5,90 |
5,36 |
4,82 |
4,30 |
3,75 |
|
|
11. Изделия высокоогнеупорные периклазохромитовые, ГОСТ 10888-76 |
2800 |
- |
4,02 |
3,94 |
3,60 |
3,28 |
2,94 |
2,60 |
|
|
12. Изделия высокоогнеупорные хромомагнезитовые, ГОСТ 5381-72 |
2950 |
- |
2,74 |
2,71 |
2,54 |
2,36 |
2,18 |
2,01 |
|
|
1700 |
- |
0,56 |
0,59 |
0,70 |
0,81 |
- |
- |
||
|
14. Изделия пенодиатомитовые теплоизоляционные, ГОСТ 2694-78 |
350 |
900 |
0,09 |
0,10 |
0,13 |
0,15 |
0,18 |
- |
|
|
15. То же |
400 |
900 |
0,10 |
0,11 |
0,14 |
0,16 |
0,19 |
- |
|
|
16. Изделия диатомитовые теплоизоляционные, ГОСТ 2694-78 |
500 |
900 |
0,12 |
0,13 |
0,19 |
0,23 |
0,28 |
- |
|
|
17. То же |
600 |
900 |
0,14 |
0,15 |
0,21 |
0,25 |
0,30 |
- |
|
|
18. Маты минераловатные прошивные на металлической сетке, ГОСТ 21880-76 |
75 - 100 |
600 |
0,05 |
0,06 |
0,11 |
0,15 |
- |
- |
|
|
19. Маты минераловатные прошивные, ГОСТ 21880-76 |
125 |
600 |
0,05 |
0,06 |
0,11 |
0,16 |
- |
- |
|
|
20. То же |
150 |
600 |
0,05 |
0,06 |
0,11 |
0,16 |
- |
- |
|
|
21. Плиты и маты теплоизоляционные из минеральной ваты на синтетическом связующем, ГОСТ 9573-82 |
50 - 75 |
400 |
0,05 |
0,07 |
0,13 |
- |
- |
- |
|
|
22. То же |
125 |
400 |
0,05 |
0,07 |
0,11 |
- |
- |
- |
|
|
23. « |
175 |
400 |
0,05 |
0,07 |
0,11 |
- |
- |
- |
|
|
24. Маты теплоизоляционные из ваты каолинового состава, ТУ 14-8-78-73 |
150 |
1100 |
0,05 |
0,06 |
0,12 |
0,18 |
0,24 |
0,31 |
|
|
25. То же |
300 |
1100 |
0,06 |
0,07 |
0,13 |
0,19 |
0,25 |
0,35 |
|
|
26. Изделия из стеклянного штапельного волокна, ГОСТ 10499-78 |
170 |
450 |
0,06 |
0,07 |
0,14 |
- |
- |
- |
|
|
27. Перлито-фосфогелевые изделия без гидроизоляционно-упрочняющего покрытия, ГОСТ 21500-76 |
200 |
600 |
0,07 |
0,08 |
0,10 |
0,12 |
- |
- |
|
|
28. То же |
250 |
600 |
0,08 |
0,09 |
0,11 |
0,14 |
- |
- |
|
|
29. « |
300 |
600 |
0,08 |
0,09 |
0,14 |
0,16 |
- |
- |
|
|
30. Перлитоцементные изделия, ГОСТ 18109-80 |
250 |
600 |
0,07 |
0,09 |
0,13 |
0,16 |
- |
- |
|
|
31. То же |
300 |
600 |
0,08 |
0,10 |
0,14 |
0,17 |
- |
- |
|
|
32. « |
350 |
600 |
0,09 |
0,11 |
0,15 |
0,18 |
- |
- |
|
|
33. Перлитокерамические изделия, ГОСТ 21521-76 |
250 |
875 |
0,08 |
0,09 |
0,12 |
0,16 |
0,19 |
- |
|
|
34. То же |
300 |
875 |
0,09 |
0,10 |
0,13 |
0,17 |
0,20 |
- |
|
|
35. « |
350 |
875 |
0,10 |
0,11 |
0,14 |
0,18 |
0,21 |
- |
|
|
36. « |
400 |
875 |
0,11 |
0,12 |
0,15 |
0,19 |
0,22 |
- |
|
|
37. Известково-кремнеземистые изделия, ГОСТ 24748-81 |
200 |
600 |
0,07 |
0,08 |
0,10 |
0,12 |
- |
- |
|
|
38. Изделия на основе кремнеземного волокна, ТУ 207-67 |
120 |
1200 |
0,06 |
0,07 |
0,10 |
0,14 |
0,17 |
0,21 |
|
|
39. Савелитовые изделия, ГОСТ 6788-74 |
350 |
500 |
0,08 |
0,09 |
0,11 |
- |
- |
- |
|
|
40. То же |
400 |
500 |
0,09 |
0,10 |
0,12 |
- |
- |
- |
|
|
41. Вулканитовые изделия, ГОСТ 10179-74 |
300 |
600 |
0,08 |
0,09 |
0,11 |
0,13 |
- |
- |
|
|
42. То же |
350 |
600 |
0,08 |
0,09 |
0,11 |
0,14 |
- |
- |
|
|
43. « |
400 |
600 |
0,09 |
0,10 |
0,12 |
0,14 |
- |
- |
|
|
44. Пеностекло, СТУ 85-497-64 |
200 |
500 |
0,08 |
0,09 |
0,13 |
- |
- |
- |
|
|
45. Асбестовермикулитовые плиты, ГОСТ 13450-68 |
250 |
600 |
0,09 |
0,11 |
0,16 |
0,21 |
- |
- |
|
|
46. То же |
300 |
600 |
0,10 |
0,11 |
0,16 |
0,21 |
- |
- |
|
|
47. « |
350 |
600 |
0,10 |
0,12 |
0,17 |
0,22 |
- |
- |
|
|
48. Изделия муллитокремнеземистые огнеупорные волокнистые теплоизоляционные марки МКРВ-350, ТУ 14-8-159-75 |
350 |
1160 |
0,11 |
0,12 |
0,15 |
0,19 |
0,22 |
0,29 |
|
|
49. Диатомитовая крошка обожженная, ТУ 36-888-67 |
500 600 |
900 900 |
0,01 0,03 |
0,03 0,04 |
0,06 0,09 |
0,10 0,15 |
0,13 0,20 |
0,17 0,25 |
|
|
50. Вермикулит вспученный, ГОСТ 12865-67 |
100 |
1100 |
0,07 |
0,09 |
0,14 |
0,20 |
0,26 |
0,31 |
|
|
51. То же |
150 |
1100 |
0,08 |
0,09 |
0,15 |
0,21 |
0,27 |
0,32 |
|
|
52. « |
200 |
1100 |
0,08 |
0,10 |
0,15 |
0,21 |
0,27 |
0,33 |
|
|
53. Асбозурит |
600 |
900 |
0,17 |
0,18 |
0,21 |
0,24 |
- |
- |
|
|
1000 - 1300 |
600 |
0,16 |
0,18 |
0,20 |
0,22 |
- |
- |
||
Примечания: 1. Коэффициент теплопроводности l огнеупорных (поз. 1-13) и теплоизоляционных (поз. 14-54) материалов с естественной влажностью при средней температуре нагрева материала в сечении элемента до 100 °С следует принимать по табличным данным, увеличенным соответственно на 30 м 10 %.
2. Коэффициент теплопроводности l для промежуточных значений температур определяется интерполяцией.
1.37. При расчете распределения температуры по толщине конструкции необходимо учитывать различие площадей теплоотдающей и тепловоспринимающей поверхностей:
при круговом очертании, если толщина стенки более 0,1 наружного диаметра;
при квадратном или прямоугольном очертании, если толщина стенки более 0,1 длины большей стороны;
при произвольном очертании, если разница в площадях теплоотдающей и тепловоспринимающей поверхностей более 10 %.
1.38. В ребристых конструкциях, когда наружные поверхности бетонных ребер и тепловой изоляции совпадают, расчет температуры в бетоне должен производиться по сечению ребра. Если бетонные ребра выступают за наружную поверхность тепловой изоляции, расчет температуры в бетоне ребра должен выполняться по методам расчета температурных полей или по соответствующим нормативным документам.
1.39. Температура бетона в сечениях конструкций от нагрева при эксплуатации должна определяться теплотехническим расчетом установившегося теплового потока при заданной по проекту расчетной температуре рабочего пространства или воздуха производственного помещения.
Для конструкций, находящихся на наружном воздухе, наибольшие температуры нагрева бетона и арматуры определяются по расчетной летней температуре наружного воздуха, принимаемой по средней максимальной температуре наружного воздуха наиболее жаркого месяца в районе строительства по СНиП 2.01.01-82. Вычисленные температуры не должны превышать предельно допустимые температуры применения бетона по ГОСТ 20910-82 и арматуры по табл. 17.
1.40. При расчете статически неопределимых конструкций, работающих в условиях воздействия температур, теплотехнический расчет должен производиться на расчетную температуру рабочего пространства и на температуру, вызывающую наибольшие усилия, определяемые по указаниям п. 1.10.
При расчете наибольших усилий от воздействия температуры в конструкциях, находящихся на наружном воздухе, температуру бетона и арматуры вычисляют по расчетной зимней температуре наружного воздуха, принимаемой по температуре наружного воздуха наиболее холодной пятидневки с обеспеченностью 0,92 по СНиП 2.01.01-82.
2.1. Дли бетонных и железобетонных конструкций, предназначенных для работы в условиях воздействия повышенных и высоких температур, следует предусматривать:
обычный бетон - конструкционный тяжелый бетон средней плотности свыше 2200 до 2500 кг/м3 включительно по ГОСТ 25192-82;
жаростойкий бетон конструкционный и теплоизоляционный плотной структуры средней плотности 900 кг/м3 и более по ГОСТ 20910-82, составы которых приведены в табл. 9.
Жаростойкий бетон средней плотности до 1100 кг/м3 включительно следует предусматривать преимущественно для ненесущих ограждающих конструкций и в качестве теплоизоляционных материалов.
Жаростойкий бетон средней плотности более 1100 кг/м3 надлежит предусматривать для несущих конструкций.
2.2. При проектировании бетонных и железобетонных конструкций, работающих в условиях воздействия повышенных и высоких температур в зависимости от их назначения и условий работы, должны устанавливаться показатели качества бетона, основными из которых являются:
а) класс бетона по прочности на сжатие В;
б) класс обычного бетона по прочности на осевое растяжение Вt (назначается в случаях, когда эта характеристика имеет главенствующее значение и контролируется на производстве);
в) класс жаростойкого бетона по предельно допустимой температуре применения согласно ГОСТ 20910-82 (должен указываться в проекте во всех случаях);
г) марка жаростойкого бетона по термической стойкости в водных Т1 и воздушных Т2 теплосменах (должна назначаться для конструкций, к которым предъявляются требования по термической стойкости);
д) марка по водонепроницаемости W (должна назначаться для конструкций, к которым предъявляются требования по ограничению водопроницаемости);
е) марка по морозостойкости F (должна назначаться для конструкций, которые в период строительства или при остановке теплового агрегата могут подвергаться эпизодическому воздействию температуры ниже 0 °С);
ж) марка по средней плотности D (назначается для конструкций, к которым кроме конструктивных предъявляются требования теплоизоляции и контролируется при их изготовлении).
2.3. Для бетонных и железобетонных конструкций, предназначенных для работы в условиях систематического воздействия повышенных и высоких температур, предусматривают батоны:
а) классов по прочности на сжатие:
обычный бетон (состав № 1 по табл. 9) - по СНиП 2.03.01-84 до В50 включ.;
жаростойкий бетон (составов по табл. 9):
№ 2, 3, 6, 7 - В3,5; В5; В7,5; В10; В12,5; В15; В20; В25; В30; В35; В40;
№ 10, 11, 21 - В3,5; В5; В7,5; В10; В12,5; В15; В20; В25; В30 и В35;
№ 19, 20 - В2,5; В3,5; В5; В7,5; В10; В12,5; В15; В20; В25; В30;
№ 12, 13, 14, 15 - В2; В2,5; В5; В7,5; В10; В12,5; В15; В20;
№ 4, 5, 8, 9, 16, 17, 18, 23, 29 - В2; В2,5; В3,5; В5; В7,5; В10; В12,5; В15;
№ 24, 27, 30 - В2; В2,5; В3,5; В5; В7,5; В10;
№ 22, 24, 30, 32, 35, 36, 37 - В1; В1,5; В2; В2,5; В3,5; В5;
№ 25, 28, 31, 32, 34 - В1; В1,5; В2; В2,5; В3,5;
№ 26, 33 - В1; В1,5; В2; В2,5;
б) обычный бетон классов по прочности на осевое растяжение: (состав № 1 по табл. 9) - Вt0,8; Вt1,2; Вt1,6; Вt2; Вt2,4;
в) жаростойкий бетон марок по термической стойкости в водных теплосменах (составов № 2 - 21, 23 и 29 по табл. 9) - Т15; Т110; Т115 и Т125;
в воздушных теплосменах (составов № 22, 24, 27, 30, 32, 35-37 по табл. 9) - Т210; Т215; Т220 и Т225.
Для бетона других составов марка по термической стойкости в водных и воздушных теплосменах не нормируется;
г) марок по водонепроницаемости:
обычный бетон (состав № 1) и жаростойкий бетон (составов № 2-21, 23 и 29 по табл. 9) - W2, W4, W6 и W8.
Для бетона других составов марка по водонепроницаемости не нормируется;
д) марок по морозостойкости:
обычный бетон (состав № 1) и жаростойкий бетой (составов № 2-21, 23 и 29 по табл. 9) - F15, F25, F35, F50 и F75.
Для бетона других составов марка по морозостойкости не нормируется;
е) жаростойкий бетон марок по средней плотности (составов по табл. 9):
№ 4 и 8 - D1800;
№ 23 и 29 - D1700, D1600, D1500;
№ 24, 30 - D1400, D1300, D1200;
№ 22, 24, 26, 28, 30, 32, 33 и 36 - D1100;
№ 25, 27, 32, 34, 35 и 37 - D1000;
№ 31 и 32 - D900.
Для бетона других составов марка по средней плотности не нормируется.
Возраст бетона, отвечающий его классу и марке, назначается при проектировании исходя из реальных сроков фактического загружения проектными нагрузками и нагрева конструкции, способов их возведения и условий твердения. При отсутствии этих данных класс и марка бетона устанавливаются в возрасте 28 сут.
Значение отпускной прочности бетона в элементах сборных конструкций, выполненных из обычного тяжелого бетона, устанавливается по ГОСТ 13015.0-83 и жаростойкого бетона по ГОСТ 23521-79.
2.4. Для бетонных и железобетонных конструкций, предназначенных для работы в условиях воздействия повышенных и высоких температур, необходимо предусматривать характеристики бетона с учетом следующих требований:
а) для железобетонных конструкций из обычного бетона, работающих в условиях воздействия повышенных температур, класс бетона по прочности на сжатие и на осевое растяжение следует принимать по СНиП 2.03.01-84.
Для железобетонных конструкций из жаростойкого бетона, работающих в условиях воздействия высоких температур, рекомендуется принимать класс бетона по прочности на сжатие:
для сборных несущих элементов не ниже В7,5
для монолитных конструкций при
постоянном нагреве, °С (см. п. 1.3):
до 500 не ниже В5
св. 500 « В7,5
при ударных и истирающих
воздействиях, а также при
циклическом
нагреве, °С:
до 500 не ниже В7,5
св. 500 « В10
Для предварительно напряженных железобетонных конструкций из обычного и жаростойкого бетонов, работающих в условиях воздействия повышенных и высоких температур, класс бетона по прочности на сжатие должен приниматься в зависимости от вида и класса напрягаемой арматуры, ее диаметра и наличия анкерных устройств по СНиП 2.03.01-84;
б) для бетонных и железобетонных конструкций, работающих в условиях воздействия высоких температур:
жаростойкие батоны (состава № 2-21, 23 и 29 по табл. 9) должны иметь марку по термической стойкости в водных теплосменах, не менее, при нагреве:
постоянном Т15
циклическом Т115
циклическом с резким охлаждением
воздухом или водой Т125
жаростойкие бетоны (состава № 22, 24, 27, 30, 32, 35-37 по табл. 9) должны иметь марку по термической стойкости в воздушных теплосменах, не менее, при нагреве:
постоянном Т210
циклическом Т220
в) для железобетонных конструкций из обычного (состав № 1) и жаростойкого бетона (составов № 2-21, 23 и 29 по табл. 9) марки по водонепроницаемости должны быть, не менее, для:
фундаментов, боровов и других сооружений,
находящихся под землей
ниже уровня грунтовых вод W4
тепловых агрегатов и других сооружений,
находящихся над землей и
подвергающихся атмосферным осадкам W8
г) для бетонных и железобетонных конструкций, работающих в условиях воздействия повышенных и высоких температур, которые в период строительства или при остановке теплового агрегата могут подвергаться эпизодическому воздействию температуры ниже 0 °С в условиях воздушно-влажного состояния, обычный бетон (состава № 1) и жаростойкий (составов № 2, 3, 6, 7, 13, 20 и 21 по табл. 9) должны иметь марку по морозостойкости согласно СНиП 2.03.01-84.
Таблица 9
|
Класс бетона по предельно допустимой температуре применения |
Исходные материалы |
Наибольший класс бетона по прочности на сжатие |
Средняя плотность бетона естественной влажности кг/м3 |
||||
|
вяжущее |
отвердитель |
тонкомолотая добавка |
заполнители |
||||
|
|
Обычный бетон |
||||||
|
1 |
|
Портландцемент, быстротвердеющий портландцемент, шлакопортландцемент |
Не применяется |
Не применяется |
Гранитовые, доломитовые, плотные известняковые, сиенитовые, плотные пески |
В50 |
2200 - 2500 |
|
|
Жаростойкий бетон |
||||||
|
2 |
3 |
То же |
То же |
То же |
Андезитовые, базальтовые, диабазовые, диоритовые |
В40 |
2400 |
|
3 |
3 |
« |
« |
« |
Из доменных отвальных шлаков |
В40 |
2400 |
|
4 |
9 |
« |
« |
Из золы уноса |
Аглопоритовые Из боя глиняного кирпича |
В15 В15 |
1800 1900 |
|
5 |
8 |
« |
« |
Из литого шлака, золы уноса, боя глиняного кирпича |
Из шлаков металлургических пористых (шлаковая пемза) |
В15 |
2000 |
|
6 |
7 |
« |
« |
Шамотная, из золы уноса, боя глиняного кирпича, из отвального и гранулированного доменного шлака |
Андезитовые, базальтовые, диабазовые, диоритовые |
В40 |
2400 |
|
7 |
7 |
« |
« |
То же |
Из доменных отвальных шлаков |
В40 |
2400 |
|
8 |
8 |
« |
« |
Из отвального и гранулированного доменного шлака, боя глиняного кирпича, золы уноса |
Из шлаков топливных, туфовые |
В15 |
1800 |
|
9 |
9 |
« |
« |
Из боя глиняного кирпича |
Из боя глиняного кирпича |
В15 |
1900 |
|
10 |
11 |
Портландцемент, быстротвердеющий портландцемент |
« |
То же, и их золы уноса |
Шамотные кусковые и из боя изделий |
В35 |
2000 |
|
11 |
12 |
Портландцемент, быстротвердеющий портландцемент |
Не применяется |
Шамотная |
Шамотные кусковые и их боя изделий |
В35 |
2000 |
|
12 |
8 |
Жидкое стекло |
Саморассыпающиеся шлаки |
Из шлаков ферромарганца, силикомарганца |
Из шлаков ферромарганца, силикомарганца |
В20 |
2100 |
|
13 |
6 |
То же |
Кремнефтористый натрий, нефелиновый шлам, саморассыпающиеся шлаки |
Шамотная |
Андезитовые, безальтовые, диабазовые |
В20 |
2500 |
|
14 |
10 |
« |
Кремнефтористый натрий |
Шамотные, из катализатора ИМ-2201 отработанного |
Шамотные кусковые и из боя изделий |
В20 |
2100 |
|
15 |
11 |
« |
Нефелиновый шлам, саморассыпающиеся шлаки |
То же |
Из смеси шамотных кусковых или из боя изделий и карборунда |
В20 |
2300 |
|
16 |
13 |
« |
Кремнефтористый натрий |
Магнезитовая |
Шамотные кусковые и из боя изделий |
В15 |
2100 |
|
17 |
12 |
« |
Нефелиновый шлам, саморассыпающиеся шлаки |
Шамотная, из катализатора ИМ-2201 отработанного |
То же |
В15 |
2100 |
|
18 |
13 |
« |
То же |
Магнезитовая |
« |
В15 |
2100 |
|
19 |
13 |
Глиноземистый цемент |
Не применяется |
Не применяется |
« |
В30 |
2100 |
|
20 |
12 |
То же |
То же |
То же |
Из передельного феррохрома |
В30 |
2800 |
|
21 |
14 |
« |
« |
« |
Муллитокорундовые кусковые и из боя изделий |
В35 |
2800 |
|
22 |
6 |
Портландцемент |
Не применяется |
Шамотная, из боя глиняного кирпича, золы уноса, из отвального и гранулированного доменного шлака, катализатора ИМ-2201 отработанного |
Вспученный перлит |
В5 |
1100 |
|
23 |
11 |
То же |
То же |
Шамотная, из катализатора ИМ-2201 отработанного |
Керамзитовые с насыпной плотностью 550-650 кг/м3 |
В15 |
1500 - 1700 |
|
24 |
10 |
« |
« |
То же |
Керамзитовые с насыпной плотностью 350-500 кг/м3 |
В5 - В10 |
1100 - 1400 |
|
25 |
10 |
« |
« |
Шамотная, из боя глиняного кирпича, из золы уноса керамзитовая, аглопоритовая, из вулканического пепла |
Из смеси керамзита и вспученного вермикулита |
В3,5 |
1000 |
|
26 |
10 |
« |
« |
То же |
Вспученный вермикулит |
В2,5 |
1100 |
|
27 |
8 |
Жидкое стекло |
Кремнефтористый натрий |
Шамотная, из катализатора ИМ-2201 отработанного |
Из смеси керамзита и вспученного вермикулита |
В10 |
1000 |
|
28 |
8 |
То же |
То же |
То же |
Вспученный вермикулит |
В3,5 |
1100 |
|
29 |
8 |
« |
« |
« |
Керамзитовые с насыпной плотностью 550-650 кг/м3 |
В15 |
1500 - 1700 |
|
30 |
8 |
Жидкое стекло |
Кремнефтористый натрий |
Шамотная, из катализатора ИМ-2201 отработанного |
Керамзитовые с насыпной плотностью 350-500 кг/м3 |
В5 - В10 |
1100 - 1400 |
|
31 |
8 |
То же |
То же |
То же |
Ив смеси зольного гравия и вспученного перлита |
В3,5 |
900 |
|
32 |
8 |
« |
« |
« |
Вспученный перлит |
В3,5 - В5 |
900 - 1100 |
|
33 |
11 |
Глиноземистый цемент |
Не применяется |
Не применяются |
Вспученный вермикулит |
В2,5 |
1100 |
|
34 |
11 |
То же |
То же |
То же |
Из смеси керамзита и вспученного вермикулита |
В3,5 |
1000 |
|
35 |
11 |
« |
« |
« |
Керамзитовая |
В5 |
1000 |
|
36 |
11 |
« |
« |
« |
Из смеси зольного гравия и вспученного перлита |
В5 |
1100 |
|
37 |
11 |
« |
« |
« |
Вспученный перлит |
В5 |
1000 |
Примечание. Для бетонов классов 8-14 по предельно допустимой температуре применения с отвердителем из кремнефтористого натрия не допускается воздействие пара и воды без предварительного нагрева до 800 °С; бетоны класса 6 по предельно допустимой температуре применения подвергать воздействию пара не следует.
д) требования к конструкциям и изделиям из жаростойкого бетона, предназначенным для эксплуатации в условиях воздействия агрессивной среды и высокой температуры, должны устанавливаться в соответствии с требованиями СНиП II-28-73 в зависимости от степени агрессивности среды и условий эксплуатации.
В конструкциях и изделиях, предназначенных для работы в условиях воздействия высокой температуры и агрессивной среды, должен применяться жаростойкий бетон, наиболее стойкий в данной агрессивной среде:
нейтральной и щелочной газовой - жаростойкий бетон на портландцементе и шлакопортландцементе;
кислой газовой и в расплавах щелочных металлов - жаростойкий бетон на жидком стекле;
е) для конструкций, работающих в условиях воздействия повышенных температур и попеременного увлажнения, рекомендуется применять обычный бетон класса по прочности на сжатие не менее В7,5 и марки по водонепроницаемости не менее W6 при нагреве до 120 °С включительно и не менее W8 при нагреве свыше 120 °С.
2.5. При неравномерном нагреве бетона по высоте сечения элементов конструкций, в которых напряжения сжатия в бетоне от собственного веса и нагрузки составляют до 0,1 МПа, а также элементов конструкций, в которых усилия возникают только от воздействия температуры, предельно допустимая температура применения бетона устанавливается по ГОСТ 20910-82.
При воздействии температур, превышающих указанные в ГОСТ 20910-82, необходимо предусматривать устройство защитных слоев (футеровок).
2.6. Расчетные сопротивления бетона Rb и Rbt для предельных состояний первой и второй групп в зависимости от его класса по прочности на сжатие принимают по СНиП 2.03.01-84 для составов (см. табл. 9):
№ 1 - 3, 6, 7, 10 - 15, 19 - 21 - как для тяжелого бетона;
№ 4, 5, 8, 9, 16 - 18, 23, 24, 29 и 30 - как для легкого бетона на пористом мелком заполнителе.
Расчетные сопротивления обычного бетона Rbt для предельных состояний первой группы в зависимости от класса бетона по прочности на осевое растяжение (состава № 1 по табл. 9) принимают по СНиП 2.03.01-84.
Расчетные сопротивления бетона в соответствующих случаях следует умножать на коэффициент условий работы по СНиП 2.03.01-84.
При расчете элементов конструкций, предназначенных для работы в условиях воздействия повышенных и высоких температур, расчетные сопротивления бетона Rb и Rb,ser необходимо дополнительно умножать на коэффициент условий работы бетона при сжатии gbt, а расчетные сопротивления бетона Rbt и Rbt,ser - на коэффициент условий работы бетона при растяжении gtt. Коэффициенты условий работы бетона при сжатии gbt и растяжении gtt принимают по табл. 10 в зависимости от температуры бетона и длительности ее действия.
Таблица 10
|
Коэффициент |
Расчет на нагрев |
Коэффициенты условий работы бетона при сжатии gbt и растяжении gtt, коэффициент bb при температуре бетона, °С |
||||||||||
|
50 |
70 |
100 |
200 |
300 |
500 |
700 |
900 |
1000 |
1100 |
|||
|
1, 2 |
gbt |
Кратковременный |
1,00 |
0,85 |
0,90 |
0,80 |
0,65 |
- |
- |
- |
- |
- |
|
Длительный |
1,00 |
0,85 |
0,90 |
0,80 |
0,50 |
- |
- |
- |
- |
- |
||
|
Длительный с увлажнением |
1,00 |
0,65 |
0,40 |
0,60 |
- |
- |
- |
- |
- |
- |
||
|
gtt |
Кратковременный |
1,00 |
0,70 |
0,70 |
0,60 |
0,40 |
- |
- |
- |
- |
- |
|
|
Длительный |
1,00 |
0,70 |
0,70 |
0,50 |
0,20 |
- |
- |
- |
- |
- |
||
|
Длительный с увлажнением |
1,00 |
0,50 |
0,30 |
0,40 |
- |
- |
- |
- |
- |
- |
||
|
bb |
Кратковременный и длительный |
1,00 |
0,90 |
0,80 |
0,60 |
0,40 |
- |
- |
- |
- |
- |
|
|
Длительный с увлажнением |
1,00 |
0,50 |
0,20 |
0,40 |
- |
- |
- |
- |
- |
- |
||
|
3 |
gbt |
Кратковременный |
1,00 |
1,00 |
1,00 |
0,90 |
0,80 |
- |
- |
- |
- |
- |
|
Длительный |
1,00 |
1,00 |
1,00 |
0,90 |
0,65 |
- |
- |
- |
- |
- |
||
|
gtt |
Кратковременный |
1,00 |
0,80 |
0,75 |
0,65 |
0,50 |
- |
- |
- |
- |
- |
|
|
Длительный |
1,00 |
0,80 |
0,75 |
0,60 |
0,35 |
- |
- |
- |
- |
- |
||
|
bb |
Кратковременный и длительный |
1,00 |
1,00 |
0,90 |
0,80 |
0,60 |
- |
- |
- |
- |
- |
|
|
4-11, 23, 24 |
gbt |
Кратковременный |
1,00 |
1,00 |
1,00 |
1,10 |
1,00 |
0,90 |
0,60 |
0,30 |
0,20 |
0,10 |
|
Длительный |
1,00 |
1,00 |
1,00 |
1,00 |
0,70 |
0,40 |
0,20 |
0,06 |
0,01 |
- |
||
|
gtt |
Кратковременный |
1,00 |
0,85 |
0,80 |
0,65 |
0,60 |
0,50 |
0,40 |
0,20 |
- |
- |
|
|
Длительный |
1,00 |
0,85 |
0,80 |
0,65 |
0,40 |
0,20 |
0,06 |
- |
- |
- |
||
|
bb |
Кратковременный и длительный |
1,00 |
1,00 |
1,00 |
0,90 |
0,75 |
0,50 |
0,32 |
0,22 |
0,18 |
0,15 |
|
|
12-15, 17, 29, 30 |
gbt |
Кратковременный |
1,00 |
1,00 |
1,10 |
1,20 |
1,20 |
1,00 |
0,75 |
0,40 |
0,20 |
- |
|
Длительный |
1,00 |
0,80 |
0,80 |
0,55 |
0,35 |
0,15 |
0,05 |
0,01 |
- |
- |
||
|
gtt |
Кратковременный |
1,00 |
0,95 |
0,95 |
0,80 |
0,70 |
0,55 |
0,45 |
0,15 |
- |
- |
|
|
Длительный |
1,00 |
0,70 |
0,70 |
0,45 |
0,25 |
0,06 |
- |
- |
- |
- |
||
|
bb |
Кратковременный и длительный |
1,00 |
1,10 |
1,10 |
1,10 |
1,00 |
0,70 |
0,30 |
0,10 |
0,05 |
- |
|
|
16, 18 |
gbt |
Кратковременный |
1,00 |
1,00 |
1,00 |
1,00 |
1,00 |
0,95 |
0,85 |
0,65 |
0,50 |
0,35 |
|
Длительный |
1,00 |
0,90 |
0,90 |
0,80 |
0,50 |
0,25 |
0,07 |
0,02 |
0,01 |
- |
||
|
gtt |
Кратковременный |
1,00 |
0,95 |
0,95 |
0,80 |
0,70 |
0,55 |
0,45 |
0,35 |
- |
- |
|
|
Длительный |
1,00 |
0,80 |
0,80 |
0,70 |
0,40 |
0,12 |
0,02 |
- |
- |
- |
||
|
bb |
Кратковременный и длительный |
1,00 |
1,10 |
1,10 |
1,10 |
1,10 |
1,00 |
0,70 |
0,35 |
0,27 |
0,20 |
|
|
19, 20, 21 |
gbt |
Кратковременный |
1,00 |
0,90 |
0,80 |
0,70 |
0,55 |
0,45 |
0,35 |
0,30 |
0,25 |
0,20 |
|
Длительный |
1,00 |
0,90 |
0,80 |
0,70 |
0,50 |
0,25 |
0,10 |
0,05 |
0,02 |
- |
||
|
gtt |
Кратковременный |
1,00 |
0,65 |
0,55 |
0,50 |
0,45 |
0,35 |
0,25 |
0,10 |
- |
- |
|
|
Длительный |
1,00 |
0,65 |
0,55 |
0,50 |
0,30 |
0,12 |
0,02 |
- |
- |
- |
||
|
bb |
Кратковременный и длительный |
1,00 |
0,90 |
0,85 |
0,70 |
0,55 |
0,40 |
0,33 |
0,30 |
0,27 |
0,20 |
|
Примечания: 1. При расчете на длительный нагрев несущих конструкций, срок службы которых не превышает 5 лет, коэффициент gbt следует увеличить на 15 %, но он не должен превышать величины gbt при расчете на кратковременный нагрев.
2. Для конструкций, которые во время эксплуатации подвергаются циклическому нагреву, коэффициенты gbt и bb следует снизить на 15 % и коэффициент gtt - на 20 %.
3. Коэффициенты gbt, gtt и bb для промежуточных значений температур определяются интерполяцией.
2.7. Начальный модуль упругости бетона при сжатии и растяжении Еb принимают по табл. 11.
Коэффициент bb, учитывающий снижение модуля упругости обычного и жаростойкого бетонов при нагреве, следует принимать по табл. 10 в зависимости от температуры бетона.
2.8. Коэффициент упругости
, характеризующий упруго-пластическое состояние сжатого бетона, при
определении приведенного сечения бетона, а также при расчете сводов и куполов
из жаростойкого бетона принимают по табл. 12 в зависимости от
температуры и длительности его воздействия.
Коэффициент упругости v, характеризующий упруго-пластическое состояние бетона сжатой зоны при расчете деформаций и закладных деталей, - по табл. 13 в зависимости от температуры и длительности ее воздействия.
Таблица 11
|
Начальные модули упругости бетона при сжатии и растяжении принимают равными Eb × 103 при классе бетона по прочности на сжатие |
|||||||||||||||||
|
В1 |
В1,5 |
В2 |
В2,5 |
В3,5 |
В5 |
В7,5 |
В10 |
В12,5 |
В15 |
В20 |
В25 |
В30 |
В35 |
В40 |
В45 |
В50 |
|
|
1-3, 6, 7, 13, 20, 21 естественного твердения |
- |
- |
- |
8,5 86,5 |
9,5 96,9 |
13,0 133 |
16,0 163 |
19,0 194 |
21,0 214 |
23,0 235 |
27,0 275 |
30,0 306 |
32,5 331 |
34,5 352 |
36 367 |
37,5 382 |
39 398 |
|
1-3, 6, 7, 20, 21, подвергнутого тепловой обработке при атмосферном давлении |
- |
- |
- |
8,0 82 |
8,5 86,7 |
11,5 117 |
14,5 148 |
16,0 163 |
19,0 194 |
20,5 209 |
24,0 245 |
27,0 275 |
29,0 296 |
31,0 316 |
32,5 332 |
34,0 347 |
35,0 357 |
|
31, 32* |
3,7 38 |
4,0 40,8 |
4,3 44,0 |
4,5 45,9 |
5,0 51,0 |
- |
- |
- |
- |
- |
- |
- |
- |
- |
- |
- |
- |
|
25, 27, 32, 34, 35, 37** |
4,2 43,0 |
4,5 45,9 |
4,8 49,0 |
5,0 51,0 |
5,5 56,1 |
6,3 64,2 |
- |
- |
- |
- |
- |
- |
- |
- |
- |
- |
- |
|
22, 24, 26, 28, 30, 32, 33, 36*** |
4,3 44,0 |
4,6 47,0 |
4,9 49,7 |
5,5 56,1 |
6,1 62,3 |
6,9 70,7 |
7,9 81,1 |
8,7 88,7 |
- |
- |
- |
- |
- |
- |
- |
- |
- |
|
24, 30**** |
- |
- |
5,8 59 |
6,5 66,3 |
7,2 73,4 |
8,2 83,8 |
9,4 95,4 |
10,3 100,5 |
- |
- |
- |
- |
- |
- |
- |
- |
- |
|
23, 29 |
- |
- |
7,3 75 |
8,0 81,6 |
9,0 91,8 |
10,0 102 |
11,5 117 |
12,5 127 |
13,2 135 |
14,0 143 |
- |
- |
- |
- |
- |
- |
- |
|
4, 8, 9 |
- |
- |
8,0 81,6 |
8,6 88 |
9,8 100 |
11,2 114 |
13,0 133 |
14,0 143 |
14,7 150 |
15,5 158 |
- |
- |
- |
- |
- |
- |
- |
|
5, 10-12, 14-19 |
- |
- |
10,0 102 |
10,5 107 |
11,5 118 |
13,0 133 |
14,5 148 |
16,0 163 |
17,0 173 |
18,0 184 |
19,5 199 |
21,0 214 |
22,0 224 |
23,0 235 |
- |
- |
- |
Примечание. Над чертой указаны значения в МПа, а под чертой - кгс/см2.
* D900; ** D1000; *** D1100; **** D1200 - 1400.
Таблица 12
|
Расчет на нагрев |
Коэффициент упругости |
|||||||||
|
50 |
70 |
100 |
200 |
300 |
600 |
700 |
900 |
1000 |
||
|
1 - 3 |
Кратковременный Длительный |
0,85 0,30 |
0,65 0,25 |
0,70 0,25 |
0,70 0,25 |
0,65 0,20 |
- |
- |
- |
- |
|
6, 10, 11, 24 |
Длительный |
0,85 0,28 |
0,80 0,24 |
0,80 0,24 |
0,75 0,22 |
0,70 0,21 |
0,53 0,07 |
0,32 0,03 |
0,15 0,01 |
0,05 - |
|
4, 5, 7, 8, 9, 23 |
Кратковременный Длительный |
0,80 0,26 |
0,70 0,22 |
0,80 0,22 |
0,70 0,21 |
0,65 0,20 |
0,50 0,06 |
- |
- |
- |
|
12 - 18, 29, 30 |
Кратковременный Длительный |
0,70 0,24 |
0,70 0,20 |
0,70 0,20 |
0,65 0,20 |
0,50 0,06 |
0,35 0,02 |
0,30 - |
0,10 - |
- |
|
19 - 21 |
Кратковременный Длительный |
0,85 0,35 |
0,80 0,30 |
0,75 0,27 |
0,60 0,25 |
0,55 0,23 |
0,45 0,03 |
0,35 0,02 |
0,20 0,01 |
0,15 - |
Примечания: 1.
Над чертой приведен коэффициент упругости
обычного и
жаростойкого бетонов для кратковременного нагрева, под чертой - для длительного
нагрева.
2. В таблице
даны значения
для кратковременного
нагрева при подъеме температуры на 10 °С/ч и более. При подъеме
температуры менее чем на 10 °С/ч значения
= а
- 0,075 (а - b) (10 - v), где a и b - значения коэффициента
при кратковременном и
длительном нагреве; v - скорость подъема температуры, °С/ч.
3.
Коэффициент
для промежуточных
значений температур определяется по интерполяции.
4. При
длительном нагреве 50 - 200 °С и средней относительной влажности воздуха до 40 %
значение коэффициента
= 0,2.
5. При
длительном нагреве и увлажнении бетона составов № 1 - 3 значения коэффициента
умножают на 0,5.
6. При
двухосном напряженном состоянии значение коэффициента
умножается на 1,2, но
оно не должно превышать 0,85.
7. При
наличии в элементе сжатой арматуры с m ³ 0,7 % значение
коэффициента
умножается на (1 -
0,11 m),
но принимается не менее 0,5.
Таблица 13
|
Расчет на нагрев |
Коэффициент v при температура бетона, °С |
||||||||
|
50 |
70 |
100 |
200 |
300 |
500 |
700 |
900 |
||
|
1 - 3 |
Кратковременный Длительный |
0,45 0,15 |
0,40 0,15 |
0,45 0,15 |
0,45 0,15 |
0,35 0,10 |
- |
- |
- |
|
4 - 11, 23, 24 |
Кратковременный Длительный |
0,45 0,15 |
0,43 0,15 |
0,43 0,15 |
0,40 0,10 |
0,37 0,09 |
0,28 0,07 |
0,20 0,05 |
0,10 0,04 |
|
12 - 18, 29, 30 |
Кратковременный Длительный |
0,45 0,13 |
0,43 0,13 |
0,38 0,13 |
0,35 0,10 |
0,28 0,03 |
0,20 0,02 |
0,17 - |
0,07 - |
|
19 - 21 |
Кратковременный Длительный |
0,45 0,15 |
0,43 0,15 |
0,40 0,13 |
0,33 0,13 |
0,30 0,10 |
0,25 0,03 |
0,20 0,03 |
0,15 0,02 |
Примечания: 1. Над чертой приведен коэффициент v для кратковременного нагрева, под чертой - для длительного нагрева.
2. В таблице даны значения v для кратковременного нагрева при подъеме температуры на 10 °С/ч и более. При подъеме температуры менее чем на 10 °С/ч значение v = a - 0,075 (a - b) (10 - v); где a и b - значения коэффициента v при кратковременном и длительном нагреве; v - скорость подъема температуры, °С/ч.
3. Коэффициент v для промежуточных значений температур определяется по интерполяции.
4. При длительном нагреве 50 - 200 °С и средней относительной влажности воздуха до 40 % значение коэффициента v = 0,1.
5. При длительном нагреве и увлажнении бетона составов № 1 - 3 значения коэффициента v умножают на 0,5.
2.9. Коэффициент линейной температурной деформации бетона abt в зависимости от температуры и скорости подъема температуры следует принимать по табл. 14. Коэффициент abt определен с учетом температурной усадки бетона при кратковременном и длительном его нагреве. При необходимости определения температурного расширения бетона при повторном воздействии температуры после кратковременного или длительного нагрева к коэффициенту линейной температурной деформации abt следует прибавить абсолютное значение коэффициента температурной усадки бетона acs соответственно для кратковременного или длительного нагрева.
Коэффициент температурной усадки бетона acs принимают по табл. 15.
Таблица 14
|
Расчет не нагрев |
Коэффициент линейной температурной деформации бетона abt × 10-6 × град-1 при температуре, °С |
||||||||
|
50 |
100 |
200 |
300 |
500 |
700 |
900 |
1100 |
||
|
|
Кратковременный Длительный |
10,0 4,0 |
10,0 4,5 |
9,5 7,2 |
9,0 7,5 |
- |
- |
- |
- |
|
2, 6 |
Кратковременный Длительный |
9,0 3,0 |
9,0 3,5 |
8,0 5,7 |
7,0 5,5 |
6,0 - |
5,0 - |
- |
- |
|
3, 7 |
Кратковременный Длительный |
8,5 2,5 |
8,5 3,0 |
7,5 5,2 |
7,0 5,5 |
5,5 - |
4,5 - |
4,0 - |
3,0 - |
|
8 |
Кратковременный Длительный |
9,0 2,0 |
9,0 3,0 |
8,0 5,4 |
7,0 5,3 |
6,0 5,0 |
6,0 5,0 |
- |
- |
|
4, 5, 9 - 11, 23, 24, 25 |
Кратковременный Длительный |
8,5 1,5 |
8,5 2,5 |
7,5 4,9 |
7,0 5,3 |
5,5 4,5 |
4,5 3,5 |
4,0 3,1 |
3,0 2,0 |
|
12 - 18, 27, 29, 30 |
Кратковременный Длительный |
5,0 -4,0 |
5,0 0 |
5,5 3,0 |
6,0 4,3 |
7,0 6,0 |
6,5 5,8 |
6,0 5,4 |
5,0 4,5 |
|
19 - 21 |
Кратковременный Длительный |
8,0 3,0 |
8,0 4,5 |
7,0 5,3 |
6,5 5,2 |
5,5 4,7 |
4,5 3,6 |
4,0 3,1 |
3,5 2,6 |
|
22 |
Кратковременный Длительный |
4,0 -3,0 |
4,0 0 |
3,5 1,5 |
3,0 1,5 |
2,0 1,0 |
1,0 0 |
- |
- |
|
26 |
Кратковременный Длительный |
4,3 -0,7 |
4,3 0,3 |
3,8 1,8 |
3,3 2,0 |
3,2 2,2 |
2,4 1,4 |
1,6 0,6 |
0,8 -0,7 |
|
28 |
Кратковременный Длительный |
5,0 -4,0 |
5,0 0 |
,5 3,1 |
5,0 3,3 |
7,0 6,0 |
6,8 6,1 |
6,6 5,9 |
- |
|
31, 32 |
Кратковременный Длительный |
1,2 -7,8 |
1,2 -3,8 |
1,3 -1,1 |
1,0 0,7 |
-1,2 -0,2 |
0,7 0 |
0,8 0,1 |
- |
|
33 |
Кратковременный Длительный |
-3,0 -8,0 |
-3,0 -6,5 |
-3,5 -5,3 |
-4,5 -5,8 |
-3,0 -4,5 |
-2,8 -3,7 |
-3,5 -4,5 |
-4,7 -5,7 |
|
34, 35 |
Кратковременный Длительный |
5,5 0,5 |
5,5 2,5 |
4,5 1,5 |
3,3 2,0 |
3,2 2,6 |
2,4 1,5 |
1,6 0,6 |
0,8 -0,2 |
|
36, 37 |
Кратковременный Длительный |
2,0 -3,0 |
2,0 -1,5 |
1,5 -0,8 |
1,0 -0,7 |
0,6 -1,2 |
0,4 -0,5 |
-3,7 -4,6 |
-8,6 -9,5 |
Примечания: 1. Над чертой приведен коэффициент линейной температурной деформации бетона abt × 10-6 × град-1 для кратковременного нагрева, под чертой - для длительного нагрева.
2. Значение коэффициента abt для кратковременного нагрева дано при подъеме температуры на 10 °С/ч и более. Для кратковременного нагрева при подъеме температуры менее чем на 10 °С/ч от значения abt следует отнять 0,075 (a - b) (10 - v), где а и b значения коэффициентов abt при кратковременном и длительном нагреве; v - скорость подъема температуры, °С/ч.
3. Коэффициент abt для промежуточных значений температуры определяется интерполяцией.
4. Для бетонов состава № 1 с карбонатным щебнем (доломит, известняк) коэффициент abt увеличивается на 1 × 10-6 × град-1.
Таблица 15
|
Расчет на нагрев |
Коэффициент температурной усадки бетона - acs × 10-6 × град-1 при температуре, °С |
||||||||
|
50 |
100 |
200 |
300 |
500 |
700 |
900 |
1100 |
||
|
1 - 4 |
Кратковременный Длительный |
0,0 6,0 |
0,0 5,5 |
0,7 3,0 |
1,0 2,5 |
- |
- |
- |
- |
|
5 - 11, 23, 24, 26 |
Кратковременный Длительный |
0,0 7,0 |
0,5 6,5 |
0,9 3,5 |
1,1 2,8 |
1,5 2,5 |
1,4 2,4 |
2,3 3,2 |
3,2 4,2 |
|
12 - 18, 27, 29, 30 |
Кратковременный Длительный |
2,0 11,0 |
3,0 8,0 |
2,5 5,0 |
2,0 3,7 |
1,3 2,3 |
1,0 1,7 |
0,8 1,4 |
0,7 1,2 |
|
19 - 21 |
Кратковременный Длительный |
0,5 5,5 |
2,0 5,5 |
1,5 3,2 |
1,3 2,6 |
1,4 2,2 |
1,6 2,5 |
2,1 3,0 |
2,3 3,2 |
|
22 |
Кратковременный Длительный |
4,0 11,0 |
5,0 9,0 |
4,7 6,7 |
4,2 5,7 |
3,7 4,7 |
3,6 4,6 |
- |
- |
|
26 |
Кратковременный Длительный |
6,6 11,6 |
7,6 11,6 |
7,1 9,1 |
7,1 8,4 |
5,5 6,5 |
4,3 5,3 |
5,0 6,0 |
6,0 7,0 |
|
28 |
Кратковременный Длительный |
4,0 13,0 |
5,0 10,0 |
4,6 7,0 |
4,1 5,8 |
1,3 2,3 |
1,2 1,9 |
1,0 1,7 |
- |
|
31, 32 |
Кратковременный Длительный |
3,0 12,0 |
4,0 9,0 |
3,6 6,0 |
3,1 4,8 |
0,3 1,3 |
0,2 0,9 |
0,0 0,7 |
- |
|
33 |
Кратковременный Длительный |
10,5 15,5 |
12,0 15,5 |
11,5 13,3 |
11,3 12,6 |
10,7 12,2 |
9,9 10,8 |
10,4 11,4 |
10,7 11,7 |
|
34, 35 |
Кратковременный Длительный |
6,3 11,3 |
7,8 10,8 |
7,3 10,3 |
7,1 8,4 |
5,5 6,1 |
4,3 5,2 |
5,0 6,0 |
5,2 6,2 |
|
36, 37 |
Кратковременный Длительный |
1,7 6,7 |
3,2 6,7 |
3,0 5,3 |
4,8 5,1 |
5,0 6,8 |
5,1 6,0 |
9,3 10,2 |
14,3 15,2 |
Примечания: 1. Над чертой приведен коэффициент температурной усадки бетона acs × 10-6 × град-1 для кратковременного нагрева, под чертой - для длительного нагрева.
2. Значение коэффициента acs для кратковременного нагрева дано при подъеме температуры на 10 °С/ч и более. Для кратковременного нагрева при подъеме температуры менее чем на 10 °С/ч к значению acs следует прибавить 0,075 (b - a) (10 - v), где a и b - значения коэффициентов acs для кратковременного и длительного нагрева; v - скорость подъема температуры, °С.
3. Коэффициент acs для промежуточных значений температур определяется интерполяцией.
4. Значения коэффициента acs принимают со знаком минус.
Коэффициент температурной усадки бетона принят:
при кратковременном нагреве для подъема температуры на 10 °С/ч и более;
при длительном нагреве - в зависимости от воздействия температуры во время эксплуатации.
2.10. Марку по средней плотности бетона естественной влажности принимают по табл. 9. Среднюю плотность бетона а сухом состоянии при его нагреве выше 100 °С уменьшают на 150 кгс/м3.
Среднюю плотность железобетона (при m £ 3 %) принимают на 100 кгс/м3 больше средней плотности соответствующего состояния бетона.
2.11. При расчете железобетонных конструкций на выносливость, а также по образованию трещин при многократно повторяющейся нагрузке в условиях воздействия температур выше 50 °С расчетные сопротивления обычного бетона должны дополнительно умножаться на коэффициент условий его работы gb1t, принимаемый по табл. 16.
При применении жаростойкого бетона в железобетонных конструкциях, подвергающихся воздействию высоких температур и многократно повторяющейся нагрузки, расчетные сопротивления бетона должны быть специально обоснованы.
Таблица 16
|
Коэффициент условий работы обычного бетона gb1t при многократно повторяющейся нагрузке |
||
|
без увлажнений |
с переменным увлажнением и высыханием |
|
|
50 |
0,8 |
0,7 |
|
70 |
0,6 |
0,5 |
|
90 |
0,4 |
0,3 |
|
110 |
0,3 |
0,2 |
Примечание. Величины gb1t для промежуточных значений температур определяются по интерполяции.
2.12. Для армирования железобетонных конструкций, работающих при воздействии повышенной и высокой температур, арматура должна приниматься по СНиП 2.03.01-84.
Для железобетонных конструкций из жаростойкого бетона при нагреве арматуры выше 400 °С рекомендуется предусматривать стержневую арматуру и прокат из:
легированной стали марки 30ХМ по ГОСТ 4543-71;
коррозионно-стойких, жаростойких и жаропрочных сталей марок 12Х13, 20Х13, 08Х17Т, 12Х18Н9Т, 20Х23Н18 и 45Х14Н14В2М по ГОСТ 5632-72 и ГОСТ 5949-75.
Предельно допустимую температуру применения арматуры и проката в железобетонных конструкциях следует принимать по табл. 17.
Таблица 17
|
Предельно допустимая температура, °С, применения арматуры и проката, установленных в железобетонных конструкциях |
||
|
по расчету |
по конструктивным соображениям |
|
|
Стержневая арматура классов: |
|
|
|
А-I и А-II |
400 |
450 |
|
А-III, Ат-III, А-IIIв, А-IV, Ат-IV, А-V, Ат-V, А-VI, Ат-VI |
450 |
500 |
|
ненапрягаемая |
450 |
- |
|
напрягаемая |
250 |
- |
|
Проволочная арматура классов: |
|
|
|
Вр-I |
400 |
450 |
|
В-II, Вр-II, К-7, К-19 |
150 |
- |
|
В-I |
- |
450 |
|
Прокат из стали марок ВСт3кп2, ВСт3Гпс5, ВСт3сп5 и ВСт3пс6 |
400 |
450 |
|
Стержневая арматура и прокат из стали марок: |
|
|
|
30ХМ, 12Х13 и 20Х13 |
500 |
700 |
|
20Х23Н18 |
550 |
1000 |
|
12Х18Н9Т и 45Х14Н14В2М и 08Х17Т |
600 |
800 |
Примечания: 1. При циклическом нагреве предельно допустимая температура применения напрягаемой арматуры должна приниматься на 50 °С ниже указанной в таблице.
2. При многократно повторяющейся нагрузке предельно допустимая температура применения напрягаемой арматуры не должна превышать 100 °С и ненапрягаемой - 200 °С.
3. При нагреве проволоки классов В-I и Вр-I выше 250 °С расчетные сопротивления следует принимать как для арматуры класса А-I по СНиП 2.03.01-84.
2.13. Расчетные сопротивления основных видов стержневой и проволочной арматуры для предельных состояний первой и второй групп в зависимости от вида и класса арматуры принимают по СНиП 2.03.01-84.
Расчетные сопротивления арматуры и жаростойкой стали для предельных состояний первой и второй групп принимают по табл. 18 и 19, которые определены путем деления соответствующих нормативных сопротивлении на коэффициент надежности по арматуре gs, принимаемый для предельных состояний по группам:
первая 1,3
вторая 1,0
Расчетное сопротивление арматуры в соответствующих случаях следует умножать на коэффициент условий работы арматуры по СНиП 2.03.01-84.
При расчете элементов конструкций, предназначенных для работы в условиях воздействия повышенных и высоких температур, расчетные сопротивления арматуры необходимо дополнительно умножать на коэффициент условий работы арматуры gst, принимаемый по табл. 20 в зависимости от величины температуры арматуры и длительности ее нагрева.
Таблица 18
|
Нормативные сопротивления растяжению Rsn и расчетные сопротивления растяжению для предельных состояний второй группы Rs,ser, МПа (кгс/см2) |
Модуль упругости принимают равным Es × 104 МПа (кгс/см2) |
|
|
30ХМ |
590 (6000) |
21 (210) |
|
12Х13 |
410 (4200) |
22 (220) |
|
20Х13 |
440 (4500) |
22 (220) |
|
20Х23Н18 |
195 (2000) |
20 (200) |
|
12Х18Н9Т и 08Х17Т |
195 (2000) |
20 (200) |
|
45Х14Н14В2М |
315 (3200) |
20 (200) |
Таблица 19
|
Расчетные сопротивления арматуры для предельных состояний первой группы, МПа (кгс/см2) |
|||
|
растяжению |
сжатию Rsc |
||
|
продольной Rs |
поперечной (хомутов и отогнутых стержней) Rsw |
||
|
30ХМ |
450 (4600) |
- |
400 (4000) |
|
12Х13 |
325 (3300) |
260 (2650) |
325 (3300) |
|
20Х13 |
345 (3500) |
275 (2800) |
345 (3500) |
|
20Х23Н18 |
150 (1550) |
120 (1250) |
150 (1550) |
|
12Х18Н9Т и 08Х17Т |
150 (1550) |
120 (1250) |
150 (1550) |
|
45Х14Н14В2М |
245 (2500) |
195 (2000) |
245 (2500) |
Таблица 20
|
Коэффициент |
Расчет на нагрев |
Коэффициенты условий работы арматуры gst, линейного температурного расширения арматуры ast иbs при температуре ее нагрева, °С |
||||||||
|
50 - 100 |
200 |
300 |
400 |
450 |
500 |
550 |
600 |
|||
|
А-I, А-II, ВСт3кп2, ВСт3Гпс5, ВСт3сп5, ВСт3пс6 |
gst |
Кратковременный Длительный |
1,00 1,00 |
0,95 0,85 |
0,90 0,65 |
0,85 0,35 |
0,75 0,15 |
0,60 - |
0,45 - |
0,30 - |
|
Вр-I |
Кратковременный Длительный |
1,00 1,00 |
0,90 0,80 |
0,85 0,60 |
0,60 0,30 |
0,45 0,10 |
0,25 - |
0,12 - |
0,05 - |
|
|
В-II, Вр-II, К-7, K-19 |
Кратковременный Длительный |
1,00 1,00 |
0,85 0,75 |
0,70 0,55 |
0,50 0,25 |
0,35 0,05 |
0,25 - |
0,15 - |
0,10 - |
|
|
А-I, А-II, Вр-I, В-II, Вр-II, К-7, К-19, ВСт3сп2, ВСт3Гпс5, ВСт3сп5, ВСт3пс6 |
ast |
Кратковременный и длительный |
11,5 |
12,5 |
13,0 |
13,5 |
13,6 |
13,7 |
13,8 |
13,9 |
|
А-III, А-IIIв, А-IV, А-V |
gst |
Кратковременный Длительный |
1,00 1,00 |
1,00 0,90 |
0,95 0,75 |
0,85 0,40 |
0,75 0,20 |
0,60 - |
0,40 - |
0,30 - |
|
Ат-III, Ат-IV, Ат-V |
Кратковременный Длительный |
1,00 1,00 |
1,00 0,85 |
0,90 0,70 |
0,80 0,35 |
0,65 0,15 |
0,45 - |
0,30 - |
0,20 - |
|
|
А-VI |
Кратковременный Длительный |
1,00 1,00 |
0,85 0,80 |
0,75 0,65 |
0,65 0,30 |
0,55 0,10 |
0,45 - |
0,30 - |
0,20 - |
|
|
Ат-VI |
Кратковременный Длительный |
1,00 1,00 |
0,95 0,85 |
0,85 0,70 |
0,75 0,35 |
0,50 0,10 |
0,35 - |
0,22 - |
0,10 - |
|
|
А-III, А-IIIв, А-IV, А-V, А-VI, Ат-III, Ат-IV, Ат-V, Ат-VI 30ХМ |
ast |
Кратковременный и длительный |
12,0 |
13,0 |
13,5 |
14,0 |
14,2 |
14,4 |
14,6 |
14,8 |
|
gst |
Кратковременный Длительный |
1,00 1,00 |
0,90 0,85 |
0,85 0,80 |
0,78 0,25 |
0,76 0,15 |
0,74 0,08 |
0,72 - |
0,70 - |
|
|
ast |
Кратковременный и длительный |
9,5 |
10,2 |
10,7 |
11,2 |
11,5 |
11,8 |
12,1 |
12,4 |
|
|
12Х13, 20Х13 |
gst |
Кратковременный Длительный |
1,00 1,00 |
0,95 0,93 |
0,86 0,83 |
0,80 0,70 |
0,73 0,45 |
0,65 0,13 |
0,53 - |
0,40 - |
|
ast |
Кратковременный и длительный |
12,0 |
12,6 |
13,3 |
14,0 |
14,3 |
14,7 |
15,0 |
15,3 |
|
|
20Х23Н18 |
gst |
Кратковременный Длительный |
1,00 1,00 |
0,97 0,97 |
0,95 0,93 |
0,92 0,77 |
0,88 0,50 |
0,85 0,30 |
0,81 0,18 |
0,75 0,08 |
|
ast |
Кратковременный и длительный |
10,3 |
11,3 |
12,4 |
13,6 |
14,1 |
14,7 |
15,2 |
15,7 |
|
|
12Х18Н9Т, 08Х17Т |
gst |
Кратковременный Длительный |
1,00 1,00 |
0,72 0,72 |
0,65 0,65 |
0,62 0,60 |
0,58 0,58 |
0,60 0,55 |
0,57 0,50 |
0,56 0,40 |
|
ast |
Кратковременный и длительный |
10,5 |
11,1 |
11,4 |
11,6 |
11,8 |
12,0 |
12,2 |
12,4 |
|
|
45Х14Н14В2М |
gst |
Кратковременный Длительный |
1,00 1,00 |
0,86 0,86 |
0,78 0,78 |
0,72 0,70 |
0,68 0,63 |
0,64 0,55 |
0,60 0,43 |
0,56 0,30 |
|
ast |
Кратковременный и длительный |
10,5 |
11,1 |
11,4 |
11,6 |
11,8 |
12,0 |
12,2 |
12,4 |
|
|
А-I, А-II, А-III, А-IV, А-V, А-VI, Вр-I, Вр-II, В-II, К-7, К-19, ВСт3кп2, ВСт3Гпс5, ВСт3сп5, ВСт3пс6, 30ХМ, 12Х13, 20Х13, 20Х23H18, 12Х18Н9Т, 08Х17Т, 45Х14Н14В2М |
bs |
Кратковременный и длительный |
1,00 |
0,90 |
0,88 |
0,83 |
0,80 |
0,78 |
0,75 |
0,73 |
|
Ат-III, Ат-IIIв, Ат-IV, Ат-V |
bs |
Кратковременный и длительный |
1,00 |
0,96 |
0,92 |
0,85 |
0,78 |
0,71 |
0,55 |
0,40 |
Примечания: 1. Коэффициент линейного температурного расширения арматуры равен числовому значению, умноженному на 10-6 град-1.
2. При расчете на длительный нагрев несущих конструкций, срок службы которым не превышает 5 лет, коэффициент gst следует увеличить на 20 %, при этом его значение должно быть не более, чем при кратковременном нагреве.
3. Коэффициенты gst, ast и bs для промежуточных значений температур определяются по интерполяции.
2.14. Модуль упругости арматуры Es для основных видов стержневой и проволочной арматуры принимается по СНиП 2.03.01-84 и для арматуры и проката из жаростойкой стали - по табл. 18. Коэффициент bs, учитывающий снижение модуля упругости арматуры при нагреве, должен приниматься по табл. 20 в зависимости от температуры арматуры и проката.
2.15. Коэффициент линейного температурного расширения арматуры ast следует принимать по табл. 20.
В железобетонных элементах, имеющих трещины в растянутой зоне сечения, коэффициент температурного расширения арматуры в бетоне astm определяют по формуле
где abt, ast - коэффициенты, принимаемые по табл. 14 и 20 в зависимости от температуры нагрева бетона на уровне арматуры и нагрева арматуры;
ja - коэффициент, принимаемый по табл. 21 в зависимости от процента армирования сечения продольной растянутой арматурой.
Таблица 21
|
Коэффициент ja при проценте армирования сечения продольной арматурой |
|||||
|
0,2 |
0,4 |
0,7 |
1,0 |
2,0 и более |
|
|
1,0 |
0,90 |
0,95 |
1,00 |
1,00 |
1,00 |
|
0,7 |
0,75 |
0,90 |
0,95 |
1,00 |
1,00 |
|
0,5 |
0,55 |
0,80 |
0,90 |
0,95 |
1,00 |
|
0,2 |
0,20 |
0,55 |
0,70 |
0,80 |
0,95 |
Примечание. Коэффициент ja для
промежуточных значений отношения
определяется по
интерполяции.
2.16. При расчете на выносливость железобетонных конструкций, работающих в условиях воздействия температур выше 50 °С, следует дополнительно вводить коэффициент условий работы арматуры gs3t, принимаемый при температуре нагрева арматуры, °С:
до 100 1,00
150 0,80
200 0,65
Для промежуточных значений температур коэффициент gs3t определяется по интерполяции.
2.17. При расчете кривизны железобетонных элементов на участках с трещинами в растянутой зоне бетона, работающих в условиях воздействия высоких температур, необходимо учитывать упругопластические свойства арматуры. Коэффициент упругости арматуры vs, характеризующий упруго-пластические свойства растянутой арматуры, следует принимать по табл. 22 в зависимости от температуры арматуры и длительности нагрева.
Таблица 22
|
Коэффициент vs при расчете на нагрев |
||
|
кратковременный |
длительный |
|
|
50 - 200 |
1,0 |
1,0 |
|
300 |
0,9 |
0,6 |
|
400 |
0,7 |
0,3 |
Примечание. Коэффициент vs для промежуточных значений температур принимается по интерполяции.
3.1. Расчет по прочности элементов бетонных конструкций, подвергающихся воздействию повышенных и высоких температур, должен производиться для сечений, нормальных к их продольной оси, по СНиП 2.03.01-84 с учетом дополнительных требований настоящих норм и правил.
При расчете бетонных элементов на действие сжимающей силы следует учитывать деформации от неравномерного нагрева бетона по высоте сечения, определяемые по указаниям пп. 1.27-1.31 и 4.16, суммируя их с эксцентриситетом продольной силы. Если деформации от нагрева уменьшают эксцентриситет продольной сипы, то их не учитывают.
Внецентренно сжатые элементы
3.2. Растет внецентренно сжатых бетонных элементов, подвергающихся равномерному и неравномерному нагреву по высоте сечения с температурой бетона наиболее нагретой грани до 400 °С, необходимо выполнять из условия формулы (12) СНиП 2.03.01-84, в котором расчетное сопротивление бетона Rb следует дополнительно умножать на коэффициент условий работы бетона gbt, приведенный в табл. 10, в зависимости от средней температуры бетона сжатой зоны сечения. Коэффициент a принимают равным 1.
Для элементов прямоугольного сечения площадь сечения сжатой зоны бетона Ab следует определять по формуле (13) СНиП 2.03.01-84.
При неравномерном нагреве по высоте сечения с температурой бетона наиболее нагретой грани более 400 °С расчет внецентренно сжатых элементов следует производить с учетом различия прочности бетона по высоте сечения. Сечение по высоте разделяют на две части, нагретых до температуры менее и более 400 °С.
Проверка прочности внецентренно сжатых бетонных элементов с учетом сопротивления бетона растянутой зоны должна производиться из условия формулы (14) СНиП 2.03.01-84, в котором расчетное сопротивление бетона Rbt следует дополнительно умножать на коэффициент условий работы бетона gtt, принимаемый по табл. 10:
при нагреве со стороны сжатой зоны - в зависимости от средней температуры бетона растянутой зоны;
при нагреве со стороны растянутой зоны - в зависимости от температуры бетона растянутой грани.
При проверке прочности сечений необходимо учитывать напряжения растяжения в бетоне sbtt, определяемые по формуле (32), вызванные нелинейным распределением температур бетона по высоте сечения элемента.
Наибольшая температура бетона сжатой зоны сечения элементов не должна превышать предельно допустимую температуру применения бетона, указанную в ГОСТ 20910-82.
Коэффициент h, входящий в формулы (13) и (14) СНиП 2.03.01-84, находят по формулам (19) и (20) тех же норм и правил, принимая момент инерции сечения I равным Ired, который определяют согласно требованиям п. 1.15.
В формуле (22) СНиП 2.03.01-84 расчетное сопротивление бетона Rb следует дополнительно умножать на коэффициент условий работы бетона gbt, принимаемый по табл. 10, в зависимости от температуры бетона в центре тяжести сечения.
Коэффициент b в формуле (21) СНиП 2.03.01-84 следует определять в зависимости от температуры бетона в центре тяжести сечения по табл. 23.
Таблица 23
|
Коэффициент b при температуре бетона, °С, в центре тяжести сечения |
|||||||
|
50 |
100 |
200 |
300 |
500 |
700 |
900 |
|
|
1 - 3 |
1,2 |
1,4 |
1,5 |
2,0 |
- |
- |
- |
|
4 - 11, 23, 24 |
1,6 |
1,6 |
1,8 |
1,9 |
6,7 |
16,0 |
- |
|
12 - 18, 29, 30 |
1,5 |
1,5 |
2,0 |
8,0 |
33,0 |
- |
- |
|
19 - 21 |
1,2 |
1,4 |
1,5 |
2,0 |
16,0 |
25,0 |
50,0 |
Примечания: 1. Коэффициент b для промежуточных значений температур определяется по интерполяции.
2. Если температура бетона в центре тяжести внецентренно сжатого сечения превышает наибольшую температуру, для которой даны числовые значения b, то допускается расчетное сечение принимать с неполной высотой, в центре тяжести которого температура бетона не превышает наибольшую величину, указанную в таблице.
Изгибаемые элементы
3.3. Изгибаемые бетонные элементы, подвергающиеся воздействию температуры, допускается применять только в случае, если они лежат на грунте или специальной подготовке, и, в виде исключения в других случаях при условии, что они рассчитываются на нагрузку от собственного веса и под ними исключается возможность нахождения людей и оборудования.
Расчет изгибаемых бетонных элементов должен производиться из условия (23) СНиП 2.03.01-84, в котором коэффициент a для бетона составов № 1-21, 23, 29 (см. табл. 9) принимается равным 1; расчетное сопротивление бетона Rbt следует дополнительно умножать на коэффициент условия работы бетона gtt, принимаемый согласно указаниям п. 3.2.
При этом необходимо учитывать напряжения растяжения sbtt в бетоне по указаниям п. 3.2.
При неравномерном нагреве по высоте сечения с температурой бетона наиболее нагретой грани выше 400 °С момент сопротивления сечения Wpl следует определять по формуле (16) СНиП 2.03.01-84, принимая площадь, статический момент и момент инерции приведенного сечения по указаниям п. 1.15.
3.4. Расчет элементов бетонных конструкций на местное сжатие (смятие) должны производить по СНиП 2.03.01-84 и дополнительным указаниям п. 3.16.
Расчет по прочности сечений, нормальных к продольной оси элемента
3.5. Расчет по прочности сечений, нормальных к продольной оси элемента, при воздействии повышенных и высоких температур должны выполнять по СНиП 2.03.01-84 с учетом дополнительных требований пп. 3.6-3.9.
3.6. Расчетные сопротивления бетона Rb следует принимать с учетом коэффициента условий работы бетона gbt, определяемого по табл. 10:
для элементов прямоугольного и кольцевого сечений, а также тавровых сечений с полкой в растянутой зоне - в зависимости от средней температуры бетона сжатой зоны сечения;
для двутавровых и тавровых сечений с полкой в сжатой зоне - в зависимости от средней температуры бетона отдельно сжатой зоны ребра и сжатых свесов полки.
Среднюю температуру бетона сжатой зоны прямоугольных сечений при x < xR допускается принимать по температуре бетона, расположенного на расстоянии 0,2h0 от сжатой грани сечения. Если x = xR h0 или сечение полностью сжато (x = h), коэффициент условий работы бетона gbt допускается принимать в зависимости от температуры бетона, расположенного на расстоянии 0,5х от сжатой грани сечения.
При расчете на нагрузку наибольшая температура бетона сжатой зоны сечения элемента не должна превышать предельно допустимой температуры применения бетона, указанной в ГОСТ 20910-82. Полка, расположенная в растянутой зоне, в расчете не учитывается.
Расчетные сопротивления арматуры Rs и Rsc следует принимать с учетом коэффициента условий работы арматуры gst, определяемого по табл. 20 в зависимости от температуры соответствующей арматуры. При этом температура арматуры не должна превышать предельно допустимой температуры применения арматуры, устанавливаемой по расчету (см. табл. 17).
3.7. При определении граничного значения относительной высоты сжатой зоны бетона xR по формуле (25) СНиП 2.03.01-84 величину w следует вычислять по формуле (26) тех же норм и правил, принимая коэффициент a равным для бетона составов (см. табл. 9):
№ 1 - 3, 6, 7, 10 - 15, 19 и 21 - 0,85;
№ 4, 5, 8, 9, 16 - 18, 23 и 29 - 0,80.
В формуле (25) СНиП 2.03.01-84 для жаростойкой арматуры, указанной в табл. 19, следует принимать ssc,u = Rs. Для всех классов арматуры коэффициент условий ее работы gst принимают по табл. 20 в зависимости от температуры арматуры.
3.8. При определении условной критической силы Ncr по формуле (58) СНиП 2.03.01-84 следует учитывать указания пп. 3.2 и 4.4.
При расположении арматуры только у одной из граней сечения, вычисляя Ncr по формуле (58) СНиП 2.03.01-84, принимают Is = 0.
3.9. При расчете центрально растянутых железобетонных элементов, неравномерно нагретых по высоте сечения, правая часть условия (60) СНиП 2.03.01-84 заменяется суммой произведений площади арматуры, расположенной по каждой из сторон сечения, на расчетное сопротивление арматуры Rs и коэффициент условий работы арматуры gst, принимаемый по табл. 20 в зависимости от температуры соответствующей арматуры.
Расчет по прочности сечений, наклонных к продольной оси элемента
3.10. Расчет по прочности сечений, наклонных к продольной оси элемента, при воздействии повышенных и высоких температур должен производиться на действие поперечной силы и изгибающего момента по СНиП 2.03.01-84 с учетом дополнительных требований пп. 3.11-3.15.
Расчет сечений, наклонных к продольной оси элемента, на действие поперечной силы
3.11. При расчете железобетонных элементов с поперечной арматурой на действие поперечной силы должно соблюдаться условие формулы (72) СНиП 2.03.01-84, обеспечивающее прочность по наклонной полоса между наклонными трещинами. В формулах (72) и (74) СНиП 2.03.01-84 расчетное сопротивление бетона Rb должно дополнительно умножаться на коэффициент условий работы бетона gbt, принимаемый по табл. 10 в зависимости от температуры бетона в центре тяжести сечения. При вычислении коэффициента jw1 по формуле (73) СНиП 2.03.01-84 коэффициент a вычисляют по формуле (57), в которой коэффициенты bb и bs принимают по табл. 10 и 20 в зависимости от максимальной температуры хомутов. В формуле (74) СНиП 2.03.01-84 коэффициент b для составов бетона (см. табл. 9) принимается:
№ 1 - 3, 6, 7, 10 - 15, 19 - 21 - 0,01
№ 4, 5, 8, 9, 16 - 18, 23 и 29 - 0,02
3.12. Расчет железобетонных элементов с поперечной арматурой на действие поперечной силы должен производиться из условия формулы (76) СНиП 2.03.01-84, обеспечивающее прочность по наклонной трещине по наиболее опасному наклонному сечению.
3.13. При расчете на действие поперечной силы элементов с поперечной арматурой:
расчетное сопротивление арматуры Rsw дополнительно умножают на коэффициент условий работы арматуры gst, принимаемый по табл. 20 в зависимости от наибольшей температуры поперечной арматуры в рассматриваемом сечении;
расчетное сопротивление бетона Rbt дополнительно умножают на коэффициент условий работы бетона gtt, принимаемый по табл. 10 в зависимости от средней температуры бетона сжатой зоны. Среднюю температуру бетона сжатой зоны прямоугольного сечения допускается определять по температуре бетона, расположенного на расстоянии 0,2h0 от сжатой грани сечения.
Коэффициент jb2 при средней температуре бетона сжатой зоны сечения следует устанавливать равным для бетона составов (см. табл. 9):
№ 1 - 3, 6, 7, 10 - 15, 19 - 21:
50 - 200 °С 2,0
800 °С и выше 5,0
№ 4, 5, 8, 9, 16 - 18, 23 и 29:
50 - 200 °С 1,5
800 °С и выше 4,5
Для температур между 200 и 800 °С коэффициент jb2, определяют интерполяцией.
При воздействии температуры, превышающей предельно допустимую температуру применения арматуры, установленной по расчету (см. табл. 17), допускается ставить поперечную арматуру, укороченную по высоте сечения элемента. Минимально допустимая длина хомутов должна быть не менее 2/3h0 (черт. 4).
Черт. 4. Схема наклонного сечения железобетонного элемента с укороченными по высоте сечения хомутами
с - проекция расчетного наклонного сечения элемента высотой h0; с1 - проекция расчетного наклонного сечения элемента с условно укороченной высотой hu = hw + а
Величина поперечной силы, воспринимаемая укороченными хомутами и бетоном в наклонном сечении, вычисляется по формуле
(51)
где qsw - находят по формуле (81) СНиП 2.03.01-84, в которой Rsw умножается на коэффициент gst, принимаемый по табл. 20 в зависимости от максимальной температуры хомутов.
Сечение элемента с укороченной поперечной арматурой необходимо проверить по формуле (50) без второго члена правой части, в которой вместо h0 принимается условная рабочая высота сечения изгибаемого элемента hu, равная длине хомутов и толщине защитного слоя бетона у менее нагретой грани hu = hw + a (см. черт. 4). При этой проверке расчетное сопротивление бетона Rbt следует дополнительно умножать на коэффициент условий работы бетона gtt, принимаемый по табл. 10 в зависимости от средней температуры бетона условно сжатой зоны сечения элемента укороченной высоты, а температура бетона сжатой зоны определяется из теплотехнического расчета элемента действительной высоты. За расчетную поперечную силу принимается наименьшая величина, полученная из расчета по формуле (50) для элемента с обычной и условной высотой.
3.14. При расчете на действие поперечной силы изгибаемых элементов без поперечной арматуры из условия формулы (84) и коротких консолей из условия (85) СНиП 2.03.01-84 расчетные сопротивления бетона Rbt и Rb следует дополнительно умножать на коэффициент условий работы бетона соответственно gtt и gbt, определяемые по табл. 10 в зависимости от средней температуры бетона сжатой зоны сечения. Коэффициент jb4 при средней температуре бетона сжатой зоны сечения принимается равным для бетона составов (см. табл. 9):
№ 1, 3, 6, 7, 10 - 15, 19 - 21:
50 - 200 °С 1,5
800 °С и выше 3,3
№ 4, 5, 8, 9, 16 - 18, 23 и 29:
50 - 200 °С 1,0
800 °С и выше 2,2
Коэффициент jb3 при средней температуре бетона сжатой зоны сечения устанавливают равным для бетонов составов (см. табл. 9):
№ 1, 3, 6, 7, 10 - 15, 19 - 21:
50 - 200 °С 0,6
800 °С и выше 1,3
№ 4, 5, 8, 9, 16 - 18, 23 и 29:
50 - 200 °С 0,4
800 °С и выше 0,9
Для температур между 200 и 800 °С коэффициенты jb3 и jb4 принимают интерполяцией.
Расчет сечений, наклонных к продольной оси элемента, на действие изгибающего момента
3.15. Расчет на действие изгибающего момента должен производиться из условий (88-90) СНиП 2.03.01-84, в которых расчетные сопротивления арматуры Rs и Rsw следует дополнительно умножать на коэффициент условий работы арматуры gst, принимаемый по табл. 20 в зависимости от наибольшей температуры продольной арматуры хомутов и отогнутых стержней.
Расчет на местное действие нагрузок
3.16. Расчет на местное сжатие (смятие) элементов без косвенного армирования должен производиться из условия (101) СНиП 2.03.01-84. Коэффициент y при неравномерном распределении местной нагрузки под концами балок, прогонов, перемычек для бетона составов № 1 - 21, 23 и 29 (см. табл. 9) принимается равным 0,75. При определении расчетного сопротивления бетона смятию Rb,loc по формуле (102) СНиП 2.03.01-84 расчетные сопротивления бетона Rb и Rbt следует дополнительно умножать соответственно на коэффициенты условий работы бетона gbt и gtt, принимаемые по табл. 10 В зависимости от средней температуры бетона площади смятия.
3.17. При расчете на продавливание по формулам (107) - (109) СНиП 2.03.01-84:
расчетное сопротивление бетона Rbt следует дополнительно умножать на коэффициент условий работы бетона gtt, принимаемый по табл. 10 в зависимости от средней температуры бетона на проверяемом участке;
расчетное сопротивление арматуры Rsw следует принимать по указаниям п. 3.13.
Коэффициент a должен приниматься для бетона составов (см. табл. 9):
№ 1 - 3, 6, 7, 10 - 15, 19 - 21 - 1,0
№ 4, 5, 8, 9, 16 - 18, 23 и 29 - 0,8
3.18. При расчете на отрыв растянутой зоны элемента из условия (110) СНиП 2.03.01-84 расчетное сопротивление арматуры Rsw следует дополнительно умножать на коэффициент условий работы арматуры gst, принимаемый по табл. 20 в зависимости от наибольшей температуры дополнительной арматуры Asw.
3.19. Расчет железобетонных элементов на выносливость при воздействии температур свыше 50 °С должен производиться по формулам (120) и (121) СНиП 2.03.01-84 с учетом дополнительных требований:
расчетные сопротивления бетона Rb и арматуры Rs дополнительно умножаются на коэффициенты условий работы бетона gb1t и арматуры gs3t, принимаемые по указаниям пп. 2.11 и 2.16;
коэффициент приведения
арматуры к бетону a умножают на отношение
. Коэффициент bs принимают по табл. 20
в зависимости от температуры арматуры;
коэффициент bb - по табл. 10 в зависимости от средней температуры бетона сжатой зоны сечения.
Расчет по образованию трещин, нормальных к продольной оси элемента
4.1. Для изгибаемых, растянутых и внецентренно сжатых железобетонных элементов, подвергающихся воздействию повышенной и высокой температуры, усилия, воспринимаемые сечениями, нормальными к продольной оси, при образовании трещин следует определять по СНиП 2.03.01-84. При этом расчетное сопротивление бетона Rbt,ser следует дополнительно умножать на коэффициент условий работы бетона gtt, а модуль упругости бетона Еb - на коэффициент bb. Коэффициенты gtt и bb принимаются по табл. 10 в зависимости от температуры бетона на уровне растянутой арматуры.
4.2. Расчет железобетонных элементов по образованию трещин на усилия, вызванные воздействием температуры, следует проводить при нагреве:
когда температура бетона по высоте элемента между гранями сечения отличается более чем на 30 °С в элементах статически неопределимых конструкций и более чем на 50 °С в элементах статически определимых конструкций при криволинейном распределении температуры;
когда температура растянутой арматуры превышает 100 °С в конструкциях из обычного бетона и 70 °С в конструкциях из жаростойкого бетона;
при остывании после нагрева, когда температура арматуры превышала 70 °С в элементах статически неопределимых конструкций.
Расчет образования трещин в элементах конструкций производится из условия, что растягивающие напряжения бетона, вызванные распределением температуры, определяемые по формуле (32), равны или меньше величины расчетного сопротивления бетона Rbt,ser, умноженного дополнительно на коэффициент условий работы бетона gtt, принимаемый по табл. 10 в зависимости от температуры волокна бетона, для которого определяются напряжения.
4.3. Расчет железобетонных элементов, подвергающихся совместному воздействию нагрузки и температуры, по образованию трещин должен производиться по СНиП 2.03.01-84 с учетом следующих указаний настоящего пункта.
В формулах (123) и (125) СНиП 2.03.01-84 вместо Rbt,ser вводится выражение (Rbt,ser gtt - sbtt), а коэффициент a определяется по формуле (57). Коэффициенты условий работы gtt, bb и bs принимают по табл. 10 и 20 в зависимости от температуры бетона на уровне растянутой арматуры.
Напряжения в бетоне при нагреве от нелинейного распределения температуры и при остывании определяют по формулам (32) и (34).
При расчете элементов статически неопределимых конструкций по формуле (124) СНиП 2.03.01-84 вместо Мr вводится выражение Мr ± Мt. Значение момента Мt вызванного воздействием температуры, определяют по указаниям п. 1.32.
Допускается напряжения, вызванные воздействием температуры, не учитывать, если их учет увеличивает трещиностойкость сечения.
Усилие предварительного обжатия Р следует определять с учетом основных и дополнительных потерь предварительного напряжения в арматуре по указаниям п. 1.21.
Приведенная площадь сечения нагретого элемента Аred в формулах (132) и (134) СНиП 2.03.01-84 определяется по формуле (6).
4.4. Момент сопротивления приведенного сечения для крайнего растянутого волокна с учетом неупругих деформаций бетона при воздействии температуры определяется по формуле
(52)
где
(53)
(54)
(56)
здесь bs - определяют по табл. 20 в зависимости от температуры растянутой и сжатой арматуры;
bb - принимают по табл. 10 в зависимости от температуры бетона на уровне растянутой и сжатой арматуры.
При расчете элементов с
повышенной толщиной защитного слоя растянутой арматуры (d =
> 0,1) коэффициент m1 в формуле (55) уменьшается на
величину 1 - 2d.
4.5. Расчет железобетонных элементов по образованию трещин при воздействии температуры и многократно повторяющейся нагрузки следует производить по СНиП 2.03.01-84, при этом расчетное сопротивление бетона Rb.ser следует дополнительно умножать на коэффициент условий работы бетона gb1t, принимаемый по табл. 16 в зависимости от температуры бетона на уровне растянутой арматуры. Максимальное нормальное растягивающее напряжение в бетоне, вызванное нагрузкой, должно суммироваться с растягивающим напряжением от воздействия температуры, определяемым по формуле (32).
Расчет по образованию трещин, наклонных к продольной оси элемента
4.6. При расчете по образованию трещин, наклонных к продольной оси элемента, в условиях воздействия температуры производится по формулам (141) и (142) СНиП 2.03.01-84, при этом расчетные сопротивления бетона Rb,ser и Rbt,ser должны дополнительно умножаться на коэффициенты условий работы бетона соответственно gbt и gtt, принимаемые по табл. 10:
для прямоугольных элементов в зависимости от температуры бетона в центре тяжести приведенного сечения;
для элементов двутаврового и таврового сечений в зависимости от температуры бетона в плоскости примыкания сжатых полок к стенке.
Коэффициент a следует принимать для бетона составов (см. табл. 9):
№ 1 - 3, 6, 7, 10 - 15, 19 - 21 - 0,01
№ 4, 5, 8, 9, 16 - 18, 23 и 29 - 0,02
4.7. Расчет элементов по образованию трещин, наклонных к их продольной оси, на действие многократно повторяющейся нагрузки в условиях воздействия температуры следует производить по СНиП 2.03.01-84 с учетом дополнительных указаний пп. 4.5 и 4.6.
Расчет по раскрытию трещин, нормальных к продольной оси элемента
4.8. Для железобетонных элементов из обычного бетона при температуре арматуры до 100 °С и из жаростойкого бетона при температуре арматуры до 70 °С ширина раскрытия трещин, нормальных к продольной оси элемента acrc, должна определяться по формуле (144) главы СНиП 2.03.01-84.
При более высоких температурах
арматуры необходимо учитывать дополнительное раскрытие трещин, вызванное
разностью деформаций бетона и арматуры от воздействия температуры. В этом
случае в формулу (144) главы СНиП 2.03.01-84 вместо
вводится:
при нагреве
![]()
при остывании после нагрева
![]()
где astm - определяют по формула (49);
abt, acs - принимают по табл. 14 и 15 в зависимости от температуры арматуры и длительности нагрева;
bs и vs - определяют по табл. 20 и 22 в зависимости от температуры арматуры;
jl - принимают по указаниям п. 4.9.
Величина ss не должна превышать величины Rs,ser для стержневой арматуры и 0,8Rs,ser для проволочной арматуры; при этом Rs,ser дополнительно умножают на коэффициент условий работы арматуры gst, принимаемый по табл. 20 в зависимости от температуры арматуры. При внецентренном растяжении с е0 < 0,8h0 возможно появление трещин на всю высоту сечения.
Расчет по раскрытию трещин, наклонных к продольной оси элемента
4.9. Ширина раскрытия трещин, наклонных к продольной оси acrc, в изгибаемых элементах с поперечной арматурой при воздействии температуры должна определяться по формуле (152) главы СНиП 2.03.01-84, в которой модуль упругости бетона Еb и арматуры Еs следует умножать соответственно на коэффициенты bb и bs, принимаемые по табл. 10 и 20 в зависимости от средней температуры поперечной арматуры.
Коэффициент jl принимается равным при нагреве: кратковременном - 1,0; длительном - 1,5.
При температуре хомутов в середине высоты сечения более 100 °С в элементах из обычного бетона и болев 70 °С из жаростойкого бетона необходимо учитывать дополнительное раскрытие наклонных трещин, вызванное разностью температурных деформаций бетона и арматуры, равное
![]()
где abt и ast - коэффициенты температурных деформаций бетона и арматуры при температуре хомута;
tw - в середине высоты сечения;
s - расстояние между хомутами.
4.10. Расчет железобетонных элементов по закрытию трещин при воздействии температуры производят по СНиП 2.03.01-84, при этом:
расчетное сопротивление арматуры Rs,ser следует дополнительно умножать на коэффициент условий работы арматуры gst, принимаемый по табл. 20 в зависимости от температуры арматуры;
усилие предварительного обжатия Р должно приниматься с учетом основных и дополнительных потерь предварительного напряжения в арматуре по указаниям п. 1.21.
Напряжения растяжения в арматуре и сжатия в бетоне должны определяться от действия постоянных, длительных и кратковременных нагрузок и усилий от длительного и кратковременного нагрева.
4.11. Деформации (прогибы, углы поворота) элементов железобетонных конструкций, подвергающихся воздействию повышенных и высоких температур, должны вычислять по СНиП 2.03.01-84 с учетом дополнительных требований пп. 4.12 - 4.16.
Определение кривизны железобетонных элементов на участках без трещин в растянутой зоне
4.12. Определение величины кривизны изгибаемых, внецентренно сжатых и внецентренно растянутых элементов по формулам (155) - (159) СНиП 2.03.01-84 на участках, где не образуются трещины, нормальные к продольной оси элемента, следует производить с учетом следующих указаний.
При определении кривизны
и
по формуле (156) СНиП 2.03.01-84:
коэффициент jb2, учитывающий влияние длительной ползучести бетона, при расчете на длительный нагрев принимают по табл. 24 в зависимости от вида бетона и средней температуры бетона сжатой зоны сечения (см. п. 4.13);
коэффициент jb1 принимают по указаниям п. 1.15;
момент инерции приведенного
сечения Ired определяют по указаниям п. 1.15,
принимая в формуле
(1) значения
для кратковременного
нагрева в зависимости от скорости подъема температуры и для длительного нагрева
как при кратковременном нагреве с подъемом температуры на 10 °С/ч и более.
В формуле (159) СНиП 2.03.01-84 модуль упругости арматуры Еs следует умножать на коэффициент bs, принимаемый по табл. 20 в зависимости от температуры арматуры.
Таблица 24
|
Коэффициент jb2, учитывающий влияние длительной ползучести бетона на деформации элемента без трещин, при средней температуре бетона сжатой зоны сечения, °С |
||||||||||
|
50 |
70 |
100 |
200 |
300 |
400 |
500 |
600 |
700 |
800 |
|
|
1-3 |
3,0 |
4,0 |
3,5 |
4,0 |
- |
- |
- |
- |
- |
- |
|
4-11, 23, 24 |
3,0 |
4,0 |
3,5 |
3,5 |
3,5 |
5,0 |
7,0 |
8,0 |
10,0 |
- |
|
12-18, 29, 30 |
3,5 |
4,5 |
4,0 |
4,0 |
8,0 |
11,0 |
15,0 |
20,0 |
- |
- |
|
19-21 |
3,0 |
3,0 |
3,0 |
3,0 |
3,5 |
7,0 |
10,0 |
13,0 |
16,0 |
20,0 |
Примечания: 1. В таблице даны значения коэффициента jb2 для длительного нагрева.
2. Для кратковременного нагрева и непродолжительного действия нагрузки коэффициент jb2 = 1.
3. Значение коэффициента jb2 для промежуточных температур принимают интерполяцией.
4. При наличии в элементе сжатой арматуры с m ³ 0,7 % значение коэффициента jb2 умножается на (1 - 0,11 m), но принимается не менее 0,6.
5. При двухосном напряженном состоянии значение коэффициента jb2 умножается на 0,8.
6. При попеременном увлажнении значения jb2 следует умножать на 1,2.
Определение кривизны железобетонных элементов на участках с трещинами в растянутой зоне
4.13. На участках, где в растянутой зоне образуются нормальные к продольной оси элемента трещины, кривизны изгибаемых, внецентренно сжатых, а также внецентренно растянутых при е0 ³ 0,8h0 элементов прямоугольного, таврового и двутаврового (коробчатого) сечений при воздействии температуры определяют по формуле (160) СНиП 2.03.01-84 с учетом следующих указаний:
модуль упругости бетона Еb следует умножать на коэффициент bb, принимаемый по табл. 10 в зависимости от средней температуры бетона сжатой зоны;
расчетное сопротивление бетона Rb,ser должно дополнительно умножаться на коэффициент условий работы бетона gbt, принимаемый по табл. 10 в зависимости от средней температуры бетона сжатой зоны;
коэффициент v следует принимать по табл. 13 в зависимости от средней температуры бетона сжатой зоны сечения.
Среднюю температуру бетона сжатой зоны сечения допускается принимать:
для прямоугольных сечений по температуре бетона на расстоянии 0,2h0 от края сжатой грани сечения;
для тавровых и двутавровых сечений по средней температуре бетона сжатой полки.
Модуль упругости арматуры Еs следует умножать на коэффициент bs и коэффициент vs, принимаемые по табл. 20 и 22 в зависимости от температуры растянутой арматуры.
Расчетное сопротивление бетона Rbt,ser должны дополнительно умножать на коэффициент условий работы бетона gtt, принимаемый по табл. 10 в зависимости от температуры бетона на уровне растянутой арматуры.
Коэффициент ys определяют по формуле (167) СНиП 2.03.01-84, принимая коэффициент jls по табл. 36 СНиП 2.03.01-84:
при расчете на кратковременный нагрев - как для непродолжительного действия нагрузки;
при расчете на длительный нагрев - как для продолжительного действия нагрузки.
Wpl вычисляют согласно указаниям п. 4.4.
Коэффициент yb принимается равным:
для жаростойких бетонов классов выше В7,5 0,9
для жаростойких бетонов классов В7,5 и ниже 0,7
для конструкций из жаростойких бетонов, рассчитываемых на
действие многократно повторяющихся нагрузок при
воздействии температуры, независимо от вида и класса бетона 1
В формулах (161) и (164) СНиП 2.03.01-84 коэффициент a следует определять по формуле (57), в которой коэффициент bs принимается по табл. 20 в зависимости от температуры растянутой арматуры, а коэффициент bb - по табл. 10 в зависимости от средней температуры бетона сжатой зоны, а в формуле (161) коэффициент b равен 1,8.
Определение прогибов
4.14. Полный прогиб элементов равен сумме прогибов, обусловленных:
деформацией изгиба fm, который определяют по формуле (171) СНиП 2.03.01-84;
деформацией от воздействия температуры ft, который принимается по п. 4.16;
деформацией сдвига fq, который учитывается для
изгибаемых элементов при
< 10 по указаниям п. 4.15.
Прогиб ft допускается не учитывать, если он приводит к уменьшению полного прогиба элемента.
4.15. Прогиб fq, обусловленный деформацией сдвига от нагрузки и воздействия температуры определяют по формуле (172) СНиП 2.03.01-84 с учетом следующих дополнительных требований.
Коэффициент jb2 принимают по табл. 24.
При определении модуля сдвига G модуль упругости бетона Еb, принимаемый по табл. 11, умножается на коэффициент bb, определяемый по табл. 10 в зависимости от температуры бетона в центре тяжести сечения.
В формуле (174) СНиП 2.03.01-84 момент инерции приведенного сечения Ired определяется по указаниям п. 1.15.
4.16. Прогиб ft, обусловленный деформациями от неравномерного нагрева бетона по высоте сечения элемента, определяют по формуле
(58)
где
- кривизна элемента в сечении x от воздействия температуры с учетом
наличия в данном сечении трещин, вызванных усилиями от действия нагрузки или
температуры, определяется по указаниям пп. 1.27 - 1.31;
- изгибающий момент в сечении х
от действия единичной силы, приложенной по направлению искомого
перемещения элемента в сечении х по длине пролета, для которого
находится прогиб.
Прогибы сборных элементов конструкций, имеющих одностороннее армирование и сварные стыки арматуры в растянутой зоне сечения, определяют с учетом повышенной деформативности шва в стыке. При этом кривизна сборного элемента в пределах стыка, определенная как для целого элемента, увеличивается в 5 раз при заполнении шва раствором после сварки стыковых накладок и в 50 раз при заполнении шва до сварки, осуществляемой с учетом заданной последовательности сварки, указанной в п. 5.11.
При расчете свободно опертой или консольной балки постоянной высоты с одинаковым распределением температуры бетона по высоте сечения на всей длине балки прогиб, вызванный воздействием температуры, определяют по формуле
(59)
где
- кривизна от воздействия
температуры определяется по указаниям пп. 1.27 - 1.31;
s2 - коэффициент, принимаемый равным для свободно опертых балок - 1/8 и для консольных - 1/2.
Определение жесткости элементов
4.17. На участках, где не образуются нормальные к продольной оси элемента трещины, жесткость изгибаемых, внецентренно сжатых и внецентренно растянутых элементов определяется по формуле
(60)
Величины Ired, jb1 и jb2 принимают по указаниям пп. 1.15 и 4.12.
4.18. На участках, где образуются нормальные к продольной оси элемента трещины в растянутой зоне, жесткость определяется по следующим формулам:
для изгибаемых элементов
для внецентренно сжатых и внецентренно растянутых элементов и приложении продольной силы в центре тяжести сечения элемента
Перед z знак «-» при внецентренном сжатии, знак «+» при внецентренном растяжении
(63)
при внецентренном растяжении и e0 < 0,8h0, принимают e0 = 0,8h0;
М и N - усилия, вызванные воздействием температуры и нагрузки.
Все остальные величины, входящие в формулы (61) и (62), определяются по указаниям п. 4.13.
5.1. При проектировании бетонных и железобетонных конструкций, работающих в условиях воздействия повышенных и высоких температур, следует выполнять конструктивные требования СНиП 2.03.01-84, а также указания пп. 5.2 - 5.22.
5.2. Минимальные размеры сечений ограждающих элементов конструкций устанавливаются теплотехническим расчетом.
Толщина монолитных сводов, куполов, плит покрытий и перекрытий из тяжелого жаростойкого бетона должна приниматься не менее 60 мм, плит из легкого жаростойкого бетона - не менее 70 мм. Минимальная толщина сборных плит должна определяться из условия обеспечения требуемой тол шины защитного споя бетона и условий расположения арматуры по толщине плиты.
Размеры сечений внецентренно
сжатых бетонных и железобетонных элементов при воздействии повышенных и высоких
температур должны приниматься такими, чтобы их гибкость
не превышала
предельной величины, указанной в табл. 25.
Таблица 25
|
Предельная гибкость |
|||||
|
50 - 100 |
300 |
500 |
700 |
900 |
|
|
Бетонные |
85 |
60 |
50 |
45 |
35 |
|
Железобетонные |
125 |
90 |
55 |
- |
- |
Примечания: 1. Для железобетонных элементов с односторонним армированием предельные гибкости принимаются как для бетонных элементов.
2. Для промежуточных значений температур предельные гибкости определяются по интерполяции.
5.3. Толщина защитного слоя бетона в конструкциях из обычного бетона должна приниматься:
при температуре арматуры до 100 °С:
для продольной рабочей арматуры, ненапрягаемой и напрягаемой при натяжении на упоры;
для поперечной, распределительной и конструктивной арматуры - по СНиП 2.03.01-84;
при температуре арматуры до 100 °С с попеременным увлажнением бетона и выше 100 °С - увеличенной на 5 мм и быть не менее 1,5 диаметра арматуры.
В конструкциях из жаростойкого бетона толщину защитного слоя бетона для арматуры независимо от ее вида необходимо предусматривать более указанной в СНиП 2.03.01-84:
при температуре арматуры, °С:
До 200 на 5 мм
Св. 200 на 10 мм
при этом минимальная толщина защитного слоя бетона должна быть при температуре арматуры, °С:
До 100 1,5d
Св. 100 до 300 2d
« 300 2,5d
5.4. Толщина защитного слоя бетона у концов предварительно напряженных элементов из обычного и жаростойкого бетонов на длине зоны передачи напряжений при температуре арматуры до 100 °С должна составлять, не менее: для стержневой арматуры классов А-IV и А-IIIв, а также для арматурных канатов - 2d, для стержневой арматуры классов А-V и А-VI - 3d, а при более высокой температуре ее следует увеличивать на 0,5 диаметра анкеруемой арматуры.
5.5. В элементах из обычного и жаростойкого бетона с напрягаемой продольной арматурой, натягиваемой на бетон, при температуре арматуры до 100 °С расстояние от поверхности элемента до поверхности канала или толщину защитного слоя бетона при расположении напрягаемой арматуры в пазах или снаружи сечения элемента следует принимать по СНиП 2.03.01-84, а при более высокой температуре арматуры - увеличивать на 10 мм.
5.6. В полых элементах кольцевого или коробчатого сечения при воздействии повышенной и высокой температуры расстояние от стержней продольной арматуры до внутренней поверхности бетона должно удовлетворять требованиям п. 5.3.
5.7. При определении длины анкеровки арматуры lan по формуле (186) СНиП 2.03.01-84 при воздействии повышенной и высокой температуры Rs следует дополнительно умножать на коэффициент условий работы арматуры gst, принимаемый по табл. 20 в зависимости от температуры арматуры; Rb следует дополнительно умножать на коэффициент условий работы бетона gbt, принимаемый по табл. 10 в зависимости от температуры бетона на уровне арматуры.
При попеременном увлажнении бетона и при температуре арматуры свыше 200 °С величину lan следует увеличивать на 20 %; к каждому растянутому продольному стержню необходимо предусматривать приварку не менее двух поперечных стержней.
5.8. Продольное армирование и минимальная площадь сечения продольной арматуры в железобетонных элементах из жаростойкого бетона должны приниматься по СНиП 2.03.01-84.
Диаметр продольной рабочей арматуры не должен превышать при температуре арматуры, °С:
До 100 включ. 28 мм
Св. 100 до 200 25 »
» 200 » 300 20 »
» 300 » 400 16 »
» 400 12 »
5.9. Поперечное армирование железобетонных элементов из жаростойкого бетона должно приниматься по СНиП 2.03.01-84.
Диаметр отогнутых стержней в зависимости от температуры арматуры следует принимать по указаниям п. 5.8.
5.10. Сварные соединения арматуры и закладных деталей, а также стыки ненапрягаемой арматуры внахлестку (без сварки) в конструкциях из жаростойкого бетона должны выполнять по СНиП 2.03.01-84. Длина перепуска (нахлестки) l арматуры в рабочем направлении должна быть не менее величины lan, определяемой с учетом требований п. 5.7. Диаметр стыкуемых стержней из арматуры периодического профиля не должен превышать 28 мм, а из гладкой арматуры - 20 мм. Стыки внахлестку без сварки не допускаются при циклическом нагреве и при постоянном нагреве растянутой арматуры выше 100 °С.
5.11. Стыки элементов сборных конструкций из жаростойкого бетона должны выполнять по СНиП 2.03.01-84. Сварные соединения арматуры необходимо предусматривать с учетом последовательности приварки стержней к накладкам. Сначала должны привариваться стержни с одной стороны стыка, а после остывания накладки - с другой.
Стыки между стеновыми панелями из жаростойкого бетона следует предусматривать на растворе с установкой бетонного бруса размером 5´5 см (черт. 5, а). В стыках панелей, перекрывающих рабочее пространство теплового агрегата, бетонный брус должен устанавливаться на растворе с менее нагретой стороны ребер (черт. 5, б). Пространство между ребрами стыкуемых подвесных панелей с консольными выступами плиты следует заполнять теплоизоляционным материалом (черт. 5, в).
Стыки между панелями из легкого жаростойкого бетона следует заполнять раствором прочностью на сжатие, меньшей прочности бетона футеровки. Марка раствора принимается не ниже М15. Продольные торцевые поверхности панелей должны иметь пазы или скосы, удерживающие раствор от вы падания (черт. 6, г, д, е, ж).
Толщина шва стыка между сборными элементами тепловых агрегатов должна приниматься не менее 20 мм.
5.12. Соединение арматуры в сборных элементах из жаростойкого бетона допускается выполнять через окаймляющие уголки, стыковые накладки или путем стыкования арматуры внахлестку (черт. 6).
В стыках панелей, передающих усилия от арматуры через косынку на стыковую накладку с эксцентриситетом, обязательно должны предусматриваться анкеры из арматуры периодического профиля. Длина анкерных стержней, приваренных к пластине втавр или внахлестку, должна быть не менее lan, определяемой по указаниям п. 5.7.
Если необходимую расчетную длину анкеров трудно выдержать из-за температуры, превышающей предельно допустимую температуру применения арматуры, устанавливаемой по расчету (см. табл. 17), то допускается уменьшать длину анкеров с обязательной приваркой к их концам дополнительных пластин (черт. 7).
Черт. 5. Стыки элементов сборных конструкций из жаростойкого бетона
а - стык ребристых панелей в стенах; б - стык ребристых панелей в покрытиях; в - стык ребристых панелей с консольными выступами; г - стык двухслойных панелей; д - стык панелей с окаймляющим арматурным каркасом; е - стык панелей с окаймляющим каркасом из тяжелого жаростойкого бетона; ж - стык панелей из легкого жаростойкого бетона; 1 - тяжелый жаростойкий бетон; 2 - арматурный каркас; 3 - легкий жаростойкий бетой с D 1100 и менее; 4 - брусок сечением 5´5 см из тяжелого жаростойкого бетона; 5 - стержень диаметром 6 мм; 6 - жаростойкий раствор; 7 - уголок жесткости панели; 8 - жаростойкий легкий бетон с D 1200 и более; 9 - анкер; 10 - теплоизоляционная прослойка толщиной 10-20 мм; 11 - металлический лист; 12 - стыковая накладка
Черт. 6. Соединения арматуры в стыках элементов сборных конструкций из жаростойкого бетона
а - нахлесточное соединение с металлической накладкой из листовой стали; б - стыковое соединение по ГОСТ 19292-75; в - стыковое соединение по ГОСТ 14098-68; г - нахлесточное соединение
Черт. 7. Деталь стыка арматуры четырех панелей из жаростойкого железобетона
1 - арматура; 2 - косынка; 3 - стыковая накладка; 4 - сварка; 5 - анкер арматуры;
6 - анкер косынки; 7 - анкерующая пластинка
5.13. Ширина температурно-усадочного шва b в зависимости от расстояния между швами l должна определяться по формуле
Относительное удлинение оси элемента et следует вычислять в зависимости от вида конструкции и характера нагрева по указаниям пп. 1.27-1.30.
Ширину температурно-усадочного шва, вычисленную по формуле (64), следует увеличивать на 30 %, если шов заполняется асбестовермикулитовым раствором, каолиновой ватой или шнуровым асбестом, смоченным в глиняном растворе (черт. 8, а).
Температурно-усадочные швы в бетонных и железобетонных конструкциях следует принимать шириной не менее 20 мм.
Когда давление в рабочем пространстве теплового агрегата не равно атмосферному, температурно-усадочный шов должен иметь уширение для установки бетонного бруса (черт. 8, б). Брус должен устанавливаться насухо без раствора. Между брусом и менее нагретой поверхностью шов следует заполнять легко деформируемым теплоизоляционным материалом (черт. 8, б).
В печах, где требуется герметичность рабочего пространства, с наружной поверхности в температурно-усадочном шве должен предусматриваться компенсатор (черт. 8, в).
Черт. 8. Температурные швы в конструкциях из жаростойкого бетона
а - шов, заполненный шнуровым асбестом; б - то же, с бетонным бруском; в - то же, с металлическим компенсатором; 1 - шнуровый асбест, смоченный в глиняном растворе; 2 - бетонный брусок; 3 - компенсатор; 4 - стальной стержень диаметром 6 мм
5.14. Для организованного развития усадочных трещин в бетоне со стороны рабочего пространства теплового агрегата должны предусматриваться усадочные швы. Швы шириной 2-3 мм и глубиной, равной 1/10 высоты сечения, но не менее 20 мм, следует располагать через 60-90 см в двух взаимно перпендикулярных направлениях (черт. 9, б).
5.15. Усилия от неравномерного нагрева бетона по высоте сечения элемента допускается уменьшать:
устройством компенсационных швов в более нагретой сжатой зоне бетона (черт. 9, а). Компенсационные швы шириной 2-5 мм следует располагать через 60-90 см на глубину не более 0,5 высоты сечения элемента в направлении, перпендикулярном к действию сжимающих усилий от воздействия температуры;
повышением температуры растянутой арматуры, расположенной у менее нагретой грани бетона, посредством увеличения толщины защитного слоя бетона или устройством наружное теплоизоляции.
Черт. 9. Швы со стороны нагреваемой поверхности в конструкциях из жаростойкого бетона
а - компенсационные; б - усадочные; 1 - компенсационный шов шириной 2 - 5 мм; 2 - усадочный шов глубиной 0,1 hf и шириной 2 - 3 мм
5.16. В железобетонных конструкциях из жаростойкого бетона для восприятия растягивающих усилий, как правило, следует устанавливать арматуру у менее нагретой грани сечения элемента.
Если в конструкциях от нагрузки растягивающие усилия возникают со стороны более нагретой грани сечения элемента, то арматура может воспринимать растягивающие усилия при температуре, не превышающей предельно допустимую температуру применения арматуры, устанавливаемой по расчету (см. табл. 17).
Для снижения температуры арматуры допускается увеличивать толщину защитного слоя бетона у более нагретой грани сечения элемента до 6 диаметров продольной арматуры или предусматривать теплоизоляцию из легкого жаростойкого бетона.
На границе бетонов разных видов следует устанавливать конструктивную арматуру из жаростойкой стали диаметром не более 4 мм, которая должна быть приварена к хомутам (черт. 10).
Температура нагрева конструктивной арматуры не должна превышать предельно допустимую температуру применения конструктивной арматуры, указанную в табл. 17.

Черт. 10. Конструкция нагибаемого железобетонного элемента. нагреваемого до температуры более 400 °С со стороны растянутой зоны
1 - тяжелый жаростойкий бетон; 2 - теплоизоляционный слой из легкого жаростойкого бетона; 3 - сетка из жаростойкой стали диаметром 4 мм; 4 - продольная рабочая арматура
5.17. Несущие и ненесущие конструкции тепловых агрегатов следует выполнять из сборных однослойных или многослойных элементов. Сборные ограждающие конструкции, как правило, предусматриваются из блоков, плит и панелей.
В двухслойных панелях, проектируемых из разных видов жаростойкого бетона, теплоизоляционный легкий жаростойкий бетон мажет предусматриваться как со стороны рабочего пространства, так и с наружной стороны теплового агрегата.
Для улучшения совместной работы отдельных слоев бетона допускается предусматривать установку конструктивной арматуры или анкеров. Арматура должна заходить в каждый спой бетона на глубину не менее 50 мм. Если в зоне сопряжения отдельных слоев бетона температура превышает предельно допустимую температуру применения конструктивной арматуры, указанную в табл. 17, то для усиления связи между споями допускается устраивать выступы или бетонные шпонки.
В ребристых панелях плиту и ребра следует выполнять из тяжелого или легкого конструкционного жаростойкого бетона (см. черт. 9, б). В местах сопряжения ребер с плитой необходимо устраивать вуты. Между ребрами с менее нагретой стороны следует располагать тепловую изоляцию из легкого жаростойкого бетона или из теплоизоляционных материалов. В ребрах панели следует предусматривать арматурные каркасы, которые должны быть заведены в бетон плиты не менее чем на 50 мм. При необходимости снижения температуры рабочей арматуры, устанавливаемой в ребрах, ребра могут выступать за наружную поверхность тепловой изоляции. Плиту панели следует армировать конструктивной сварной сеткой из арматуры диаметром не более 4 мм с расстояниями между стержнями не менее 100 мм.
Температура нагрева сварной сетки не должна превышать предельно допустимую температуру применения конструктивной арматуры, указанную в табл. 17. Если температура нагрева плиты панели превышает предельно допустимую температуру применения конструктивной арматуры, допускается плиту не армировать.
Для ненесущих облегченных ограждающих конструкций тепловых агрегатов следует предусматривать легкие жаростойкие бетоны и эффективные теплоизоляционные материалы.
В двухслойных панелях на металлическом листе легкий жаростойкий бетон следует крепить анкерами, приваренными к листу (черт. 11, а). Анкеры должны приниматься из стержней диаметром 6 - 10 мм или полосы 3´20 мм. Длина анкера должна быть не менее половины толщины футеровки, а расстояния между ними - не более 250 мм. Металлический лист толщиной не менее 3 мм должен иметь отогнутые края или приваренные «на перо» по контуру уголки.
В панелях с окаймляющим каркасом прямоугольного или трапециевидного сечения ребра должны предусматриваться из тяжелого или легкого конструкционного жаростойкого бетона, а пространство между ребрами на всю толщину следует заполнять теплоизоляционным легким жаростойким бетоном. Ребра следует армировать плоскими каркасами, расположенными с менее нагретой стороны (черт. 11, б).
В панелях с окаймляющим арматурным каркасом сварной каркас следует располагать по периметру панели у менее нагретой стороны (черт. 11, в).
Крепление панелей к каркасу должно осуществляться на болтах или на сварке так, чтобы панели могли свободно перемещаться при нагреве.
В конструкциях тепловых агрегатов из монолитного железобетона со стороны рабочего пространства в углах сопряжения стен, а также стен с покрытием и перекрытием следует предусматривать вуты.
При температуре рабочего пространства тепловых агрегатов свыше 800 °С ограждающую конструкцию с целью увеличения ее термического сопротивления следует решать многослойной с включением в ее состав слоев из эффективной теплоизоляции (черт. 11, г).
Многослойная несущая или самонесущая конструкция со стороны рабочего пространства должна иметь футеровочную плиту из жаростойкого бетона, с ненагреваемой стороны - несущее основание в виде железобетонной плиты или металлического листа с окаймляющими уголками, а между ними слой теплоизоляции, причем волокнистые огнеупорные материалы следует применять в температурных зонах сечения конструкции, где нельзя применять более дешевые и менее дефицитные материалы, например, плиты или маты из минеральной ваты.
Для обеспечения надежного соединения несущего и футеровочного слоев многослойной футеровки рекомендуется применять пространственные анкеры в виде соединенных между собой крестообразно установленных гнутых стержней, расположенных перпендикулярно к арматурной сетке (черт. 12).
Черт. 11. Конструкция панелей из легкого жаростойкого бетона
а - двухслойная панель на металлическом листе; б - панель с окаймляющим каркасом из тяжелого жаростойкого бетона; в - панель с окаймляющим арматурным каркасом; г - панель со стальными анкерами и эффективной теплоизоляцией; 1 - уголок жесткости панели; 2 - металлический лист; 3 - анкер; 4 - легкий жаростойкий бетон с D 1100 и менее; 5 - легкий жаростойкий бетон с D 1200 и более; 6 - окаймляющий каркас из тяжелого жаростойкого бетона; 7 - арматурный каркас; 8 - эффективная теплоизоляция; 9 - усадочный шов; 10 - шайба
Черт. 12. Пространственный анкер в многослойной конструкции панели с железобетонной несущей плитой
1 - пространственный анкер; 2 - железобетонная несущая плита; 3 - минераловатная изоляция; 4 - плитная изоляция; 5 - арматурная сетка; 6 - футеровочная плита из жаростойкого бетона
Пространственные анкеры устанавливают в швах плитной и минераловатной изоляции.
Расстояние между анкерами рекомендуется принимать в пределах 0,7 - 1 м, а расстояние от краев панели до центра пространственного анкера - кратным размеру плит теплоизоляции и равным половине расстояния между анкерами. Плита из жаростойкого бетона, закрепленная с помощью анкеров, от действия собственного веса в горизонтальном положении панели будет работать как двухконсольная система с максимальными значениями растягивающих усилий в сечениях под пространственными анкерами, где имеются местные арматурные сетки, включенные в пространственный анкер для увеличения площади анкеровки.
Футеровочная плита из жаростойкого бетона в укрупненных монтажных элементах разрезается швами шириной 2 мм на отдельные части таким образом, чтобы каждый отдельный монолитный участок бетонной футеровки крепился к основанию панели четырьмя или двумя анкерами.
5.18. Конструкции, перекрывающие рабочее пространство теплового агрегата, могут быть свободно опертыми на стены, подвесными или монолитно связанными со стенами. Для покрытий при пролетах более 4 м должны преимущественно предусматриваться подвесные балки, плиты и панели. Расчетную схему работы подвесной конструкции следует принимать как для двухконсольной балки, при этом не должно допускаться возникновения растягивающих напряжений в бетоне со стороны более нагретой поверхности. Подвесные конструкции не должны воспринимать никаких внешних нагрузок, кроме собственного веса, и на них не должны устраиваться мостики или настилы для хождения обслуживающего персонала.
Купола и своды должны иметь стрелу подъема не менее 1/12 пролета в свету.
Купола и своды с плоской верхней поверхностью у пяты должны иметь компенсационный шов шириной 20 - 40 мм на глубину, равную высоте сечения в замке (черт. 13). Следует предусматривать заполнение шва легко деформируемым материалом и покраску пят тонким слоем битумного лака. За осевую линию в таких куполах и сводах допускается принимать дугу окружности, проведенную через центр пяты и середину высоты сечения в центре пролета.
Черт. 13. Конструкция купола перекрытия с технологическими отверстиями из жаростойкого бетоне для крутого теплового агрегата
1 - бетонный купол; 2 - компенсационный шов толщиной 20 - 40 мм, заполненный легко деформируемым материалом; 3 - сетка из проволоки диаметром до 6 мм, приваренная к кожуху; 4 - кожух; 5 - пята купола; 6 - шов бетонирования
В куполах и сводах с плоской верхней поверхностью при высоте сечения в замке более 250 мм кроме основной рабочей арматуры, установленной со стороны менее нагретой поверхности, необходимо предусматривать конструктивную сетку из проволоки диаметром не более 6 мм с ячейкой не менее 100´100 мм, которую следует располагать в бетоне с температурой, не превышающей предельно допустимую температуру применения конструктивной арматуры (см. табл. 17). Эта сетка должна соединяться хомутами с основной арматурой (черт. 14).
5.19. Рабочую арматуру в железобетонных конструкциях, перерезаемую различными технологическими отверстиями, следует приваривать к рамкам из арматуры или проката, устанавливаемым вокруг отверстий. Размеры рамки должны приниматься такими, чтобы толщина бетона со стороны отверстия была достаточной для обеспечения температуры рамки, не превышающей предельно допустимую температуру применения арматуры, устанавливаемой по расчету по табл. 17.
Черт. 14. Конструкция железобетонного купола покрытия с плоской верхней поверхностью из жаростойкого бетона для круглого теплового агрегата
1 - купол; 2 - пята купола; 3 - опорное кольцо; 4 - шов бетонирования; 5 - кожух; 6 - теплоизоляционная прослойка толщиной 20-40 мм; 7 - рабочая арматура опорного кольца; 8 - компенсационный шов шириной 20-40 мм, заполненный легко деформируемым материалом; 9 - рабочая арматура купола; 10 - хомут из проволоки диаметром 6 мм; II - сетка из проволоки диаметром до 6 мм
Площадь сечения рамки в каждом направлении должна быть достаточной для восприятия усилий в перерезанных стержнях.
Отверстия большого размера следует окаймлять армированными бортовыми замкнутыми рамами. Сечение стенок бортовых рам определяют из расчета на усилия от воздействия температуры и нагрузки.
5.20. Фундаменты, борова и другие сооружения. расположенные под землей и подвергающиеся нагреву, должны находиться выше наиболее возможного уровня грунтовых вод. При наличии воды следует предусматривать гидроизоляцию.
5.21. Кожухи тепловых агрегатов из листовой стали допускается предусматривать, когда необходимо обеспечить газонепроницаемость конструкции и когда имеется большое количество отверстий или точек крепления оборудования.
Соединение кожуха с бетоном следует осуществлять арматурными сетками или анкерами, приваренными к кожуху (см. черт. 13).
5.22. Если жаростойкий бетон подвержен сильному истирающему воздействию со стороны рабочего пространства, то его следует защищать металлической панцирной сеткой, по которой наносится слой торкретбетона, или блоками из наиболее стойкого в этих условиях жаростойкого бетона или огнеупора.
5.23. В рабочих чертежах конструкций или в пояснительной записке к проекту должны быть дополнительно указаны:
а) наибольшая температура нагрева конструкции при эксплуатации, принятая в расчете;
б) вид и класс бетона по предельно допустимой температуре применения;
в) класс бетона по прочности на сжатие и требуемая прочность бетона при температуре во время эксплуатации;
г) виды (классы) арматуры и марка жаростойкой стали;
д) вид увлажнения бетона и его периодичность при эксплуатации;
е) прочность бетона при отпуске сборных элементов предприятием-изготовителем;
ж) способы обетонирования стыков и узлов, марка и состав раствора для заполнения швов в стыках элементов.
ОТ ВОЗДЕЙСТВИЯ ТЕМПЕРАТУРЫ В ПОПЕРЕЧНОМ СЕЧЕНИИ ЭЛЕМЕНТА
Mt - изгибающий момент;
Nt - продольная сила;
Qt - поперечная сила.
ХАРАКТЕРИСТИКА ПРЕДВАРИТЕЛЬНО НАПРЯЖЕННОГО ЭЛЕМЕНТА
P - усилие предварительного обжатия, определяемое по СНиП 2.03.01-84 с учетом потерь предварительного напряжения в арматуре, соответствующих рассматриваемой стадии работы элемента;
ssp и ssp - предварительные напряжения соответственно в напрягаемой арматуре S и S, которые принимаются по СНиП 2.03.01-84 с учетом потерь предварительного напряжения в арматуре, соответствующих рассматриваемой стадии работы элемента;
e0p - эксцентриситет усилия предварительного обжатия P относительно центра тяжести приведенного сечения, определяемого по СНиП 2.03.01-84, при величинах ssp и ssp с учетом первых и вторых основных потерь;
sbp - сжимающие напряжения в бетоне на уровне центров тяжести продольной арматуры S и S после проявления всех основных потерь, которое определяется по формуле (16).
ХАРАКТЕРИСТИКА МАТЕРИАЛОВ ПРИ ВОЗДЕЙСТВИИ ТЕМПЕРАТУРЫ
Rb,tem и Rbtt - расчетные сопротивления бетона сжатию и растяжению для предельных состояний первой группы;
Rb,tem,ser и Rbtt,ser - расчетные сопротивления бетона сжатию и растяжению для предельных состояний второй группы;
Rst и Rst,ser - расчетные сопротивления арматуры растяжению для предельных состояний соответственно первой и второй групп;
Rswt и Rsct - расчетные сопротивления поперечной арматуры растяжению при расчете сечений, наклонных к продольной оси элемента на действие поперечной силы и арматуры сжатию для предельных состояний первой группы;
Еbt - модуль упругости бетона;
Еst - модуль упругости арматуры;
sst, sbtt и sb,tem - напряжения в растянутой арматуре, в растянутом и сжатом бетоне, в сечении с трещиной от воздействия температуры;
ss, sbt и sb - то же, от нагрузки;
ss,tot, sbt,tot и sb,tot - то же, от суммарного воздействия температуры и нагрузки;
att, acs и abt - коэффициенты линейного температурного расширения, температурной усадки и температурной деформации бетона;
ast - коэффициент линейного температурного расширения арматуры;
astm - коэффициент температурного расширения растянутой арматуры в бетоне с учетом влияния работы бетона между трещинами, определяемый по формуле (49).
ГЕОМЕТРИЧЕСКИЕ ХАРАКТЕРИСТИКИ
b - ширина прямоугольного сечения и ширина ребра таврового и двутаврового сечения;
bf, bf - ширина полки таврового и двутаврового сечения соответственно в растянутой и сжатой зоне;
h - высота прямоугольного таврового и двутаврового сечений;
hf, hf - высота полки таврового и дву. таврового сечения соответственно в растянутой и сжатой зонах;
a, а - расстояния от равнодействующего усилия в арматуре соответственно S и S до ближайшей грани сечения;
h0 - рабочая высота сечения;
hu - рабочая высота сечения над швом;
hf - высота полки таврового сечения;
hw - высота ребра таврового сечения;
- кривизна оси элемента от воздействия температуры при нагреве, при
остывании от усадки бетона и при остывании от усадки и ползучести бетона;
у - расстояние от центра тяжести приведенного сечения до растянутой грани в формулах (5), (14) и (15) и до менее нагретой грани в формулах (23) и (30);
ys и ys - расстояние от центра тяжести приведенного сечения элемента до равнодействующей усилий в арматуре S и S;
I - момент инерции сечения бетона относительно центра тяжести сечения элемента, вычисляемый без учета температуры как для ненагретого бетона (формула 1);
Ired - момент инерции приведенного сечения элемента относительно его центра тяжести, определяемый по указаниям п. 1.15;
ft, et - прогиб и удлинение элемента от нагрева;
ecs и ecsc - укорочение элемента от усадки и от усадки и ползучести бетона при остывании.
ТЕМПЕРАТУРЫ
tb - температура бетона;
ts и ts - температура арматуры S и S;
ti - температура среды со стороны источника тепла;
te - температура воздуха с наружной стороны элемента;
tbw - температура бетона в центре тяжести приведенного сечения;
tbc - средняя температура бетона сжатой зоны;
tbu - температура бетона в сечении над швом.
|
Наименование теплового агрегата |
Элементы из жаростойкого бетона |
Температура рабочего пространства печи, °С |
Рекомендуемый состав бетона по табл. 9, № |
|
I. В черной металлургии |
|||
|
Доменная печь |
Фурменные приборы |
1300 |
16, 19 |
|
Шахта, пень лещади |
1200 |
11 |
|
|
Газоотводы и наклонный газопровод |
800 |
23, 24 |
|
|
Пылеуловитель |
800 |
23, 24 |
|
|
Вагранки для плавки чугуна |
Стены колосника и плавильного пояса |
1300 |
19 |
|
Воздухонагреватели доменной печи |
Стены (нижняя часть), днище |
1200 |
11 |
|
Борова |
800 |
23, 24 |
|
|
Обжиговые машины агломерационного производства |
Нижний коллектор и газоотводы |
800 |
23, 24 |
|
Верхний коллектор |
800 |
23, 24 |
|
|
Нагревательные колодцы |
Стенды рабочих ячеек, под, крышка |
1300 |
19, 21 |
|
Методические нагревательные печи |
Изоляция глиссажных труб и стены на высоту 1 м |
1200 |
19 |
|
Ямные печи для замедленного охлаждения |
Стены |
800 |
23, 24 |
|
Коксовые батареи |
Фундаменты и борова |
600 |
23, 24 |
|
II. В цветной металлургии |
|||
|
Графитировочные печи |
Стены |
1200 |
11 |
|
Печи кипящего слоя |
Своды и решетка |
1100 |
11, 15 |
|
Алюминиевые и магниевые электролизеры |
Днища |
1000 |
10, 11 |
|
Электролизеры сверхчистого алюминия |
« |
1000 |
10, 11 |
|
Термические, нагревательные, отжиговые печи |
Стены, свод и под |
1200 |
11, 19 |
|
Пылевые камеры |
Стены и покрытие |
800 |
15 |
|
Печи для плавления лома алюминия |
Стены и свод |
1000 |
15 |
|
Надземные и подземные газоходы |
Днище, стены и свод |
1100 |
11, 15 |
|
Фосфорные электропечи |
Свод |
1100 |
15 |
|
Ферросплавные печи |
Днище и стены |
1000 |
10, 11 |
|
Камерные печи |
Свод, стены, под |
1200 |
19 |
|
Электролитические ванны цветной металлургии |
Стены |
1000 |
10, 11 |
|
III. В нефтеперерабатывающей и нефтехимической промышленности |
|||
|
Трубчатые печи |
Стены камеры радиации |
1000 |
33-37 |
|
Своды камеры радиации |
1000 |
33-37 |
|
|
Стены камеры конвекции |
1000 |
23, 24, 25, 26 |
|
|
Своды камеры конвекции |
1000 |
23, 24, 25, 26 |
|
|
Вертикально-секционные печи |
Стены камеры радиации |
900 |
33-37 |
|
Трубчатые печи беспламенного горения типа Б |
Фундаменты, стены, свод, под, перевальные стенки |
800 |
10, 11 |
|
Трубчатые печи беспламенного горения типа 3Р |
Стены, свод, под |
850-1100 |
23-26, 33-37 |
|
Трубчатые печи настильные типа 3Д |
То же |
900-1100 |
23-26, 33-37 |
|
Трубчатые печи настильные типа В |
Стены, свод, под |
800 |
22 |
|
Вертикально-факельные печи типа ГС |
Стены камер конвекции и радиации, свод, подовая часть |
900 |
23-26, 33-37 |
|
Объемно-настильные печи с разделитель ной стенкой типа ГН |
То же |
900-1100 |
23-26, 33-37 |
|
Цилиндрические, факельные, типа ЦС |
Стены камер конвекции и радиации, свод, подовая часть |
800-1100 |
23-37 |
|
Цилиндрические печи типа ЦД настильные с дифференцированным подводом воздуха |
То же |
800-1100 |
23-37 |
|
Каталитического риформинга и гидроочистки типа Р многокамерные |
Стены, свод, подовая часть |
1250 |
19-21 |
|
Надземные газоходы трубчатых печей |
Все элементы |
600 |
22-32 |
|
Подземные газоходы трубчатых печей |
То же |
800 |
10, 11 |
|
IV. В промышленности строительных материалов |
|||
|
Туннельные печи для обжига обыкновенного глиняного кирпича |
Стены и своды зон подогрева и охлаждения |
800 |
10, 11 |
|
Стены и свод зоны обжига |
1100 |
19 |
|
|
Вращающиеся печи для обжига цемента |
Зона цепной завесы и откатная головка |
1000 |
10, 11 |
|
Кольцевые печи для обжига кирпича |
Покрытие, стены, под |
1000 |
10, 11 |
|
V. В различных отраслях промышленности |
|||
|
Борова и газоходы для температур до 350 °С |
Стены, свод |
350 |
2-4 |
|
Борова и газоходы для температур до 800 °С |
То же |
800 |
6-9 |
|
Паровые котлы, экономайзеры, котлы-утилизаторы |
Футеровка стен |
800 |
10, 11 |
|
Фундаменты тепловых агрегатов |
Элементы, нагревающиеся до температур выше 200 °С, но не более 800 °С |
800 |
6-9 |
|
Полы горячих цехов |
- |
- |
7, 8 |
|
Колпаковые печи для обжига металла |
- |
800 |
10, 11 |
|
Обжиговые печи электродной промышленности |
- |
1400 |
20, 21 |
|
Сушильные печи |
Покрытие, станы, под |
1000 |
10, 11 |
|
Котлы различного назначения |
Футеровка экранированных стен |
800 |
23-37 |
|
Нагревательные, прокатные, кузнечные и конвейерные печи |
Стены, под, глиссажные и опорные трубы |
1200 |
19, 21 |
|
Печи для обжига сернистых материалов |
Стены, свод, под |
1000 |
15-18 |
|
Печи для обжига санитарно-технического оборудования |
Свод |
1100 |
19 |
СОДЕРЖАНИЕ