
ГОСУДАРСТВЕННЫЙ СТАНДАРТ СОЮЗА ССР
ТОПЛИВО ДИЗЕЛЬНОЕ
МЕТОД ОПРЕДЕЛЕНИЯ ПРЕДЕЛЬНОЙ
ТЕМПЕРАТУРЫ
ФИЛЬТРУЕМОСТИ НА ХОЛОДНОМ ФИЛЬТРЕ
КОМИТЕТ ПО СТАНДАРТИЗАЦИИ И
МЕТРОЛОГИИ СССР
Москва
ГОСУДАРСТВЕННЫЙ СТАНДАРТ СОЮЗА ССР
|
ТОПЛИВО ДИЗЕЛЬНОЕ Метод определения предельной температуры фильтруемости на холодном фильтре Diesel
fuels. Cold filter method |
ГОСТ |
Дата введеня 01.01.93
Настоящий стандарт устанавливает метод определения предельной температуры фильтруемости на холодном фильтре дизельных и бытовых печных топлив, предназначенных для народного хозяйства и для экспорта.
Дополнения, отражающие потребности народного хозяйства, выделены курсивом.
Метод распространяется на дизельные топлива без присадок и с присадками, а также на топлива, применяемые в домашних отопительных системах.
Предельная температура фильтруемости (на холодном фильтре) - самая высокая температура, при которой данный объем топлива не протекает через стандартизованную фильтрующую установку в течение определенного времени, во время охлаждения в стандартизованных условиях.
Метод заключается в постепенном охлаждении испытуемого топлива с интервалами в 1 °С и стенании его через проволочную фильтрационную сетку при вакууме 1961 Па (200 мм вод. ст.) [20 мбар].
Определение ведут до температуры, при которой кристаллы парафина, выделенного из раствора на фильтр, вызывают прекращение или замедление протекания в такой степени, что время наполнения пипетки превышает 60 с, или топливо не стекает полностью обратно в измерительный сосуд.
5.1. Уайт-спирит, кипящий в пределах 60 - 80 °С.
5.2. Ацетон.
5.3. Фильтровальная бумага не волокнистая.
Растворители: нефрас С 50/170 по ГОСТ 8505 или петролейный эфир по ТУ 6-021244;
Ацетон по ГОСТ 2603;
Фильтры бумажные «Белая лента».
Для испытания применяют аппаратуру по черт. 1, в состав которой входят:
толщиной стенки (1,25 ± 0,25) мм и высотой (120 ± 5) мм, с ограничительной кольцевой меткой на высоте, соответствующей объему 45 см3.
Измерительные сосуды необходимых размеров можно выбрать из сосудов, удовлетворяющих требованиям метода ГОСТ 20287.
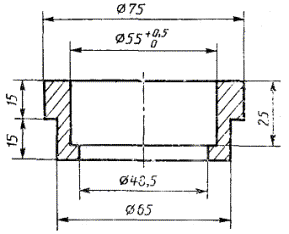
6.2. Металлический кожух (черт. 2) - латунный, цилиндрический, водонепроницаемый, плоскодонный внутренним диаметром (45 ± 0,25) мм, наружным диаметром (48 ± 0,25) мм и высотой 115 мм. Используют в качестве водяной бани.
6.3.
Изоляционное кольцо (черт. 3) - изготовленное из маслостойкого материала, которое помещают на дно
кожуха (п. 6.2) для изоляции измерительного сосуда от дна. Оно должно быть точно
подогнано к кожуху и должно иметь толщину (6
) мм.
6.4. Две прокладки (3 и 6) толщиной 5 мм, из маслостойкого материала. Прокладки должны быть точно подогнаны к измерительному сосуду и свободно - к кожуху. Применение неполных колец, каждое с радиальной щелью 2 мм, позволяет приспособить прокладки к изменениям диаметра измерительного сосуда. Прокладки и изоляционное кольцо могут быть изготовлены как одно целое (см. черт. 3).
6.5. Поддерживающее кольцо (черт. 4) из маслостойкого материала для закрепления кожуха (п. 6.2) в стабильном вертикальном положении в охлаждающей бане, а также для поддержания пробки (п. 6.6) в центрированном положении. Кольцо может быть модифицировано для приспособления в охлаждающей бане.
6.6. Пробка (черт. 5) из маслостойкого материала, подогнанная к измерительному сосуду и поддерживающему кольцу. Пробка должна иметь три отверстия: для пипетки (п. 6.7), термометра (п. 6.8) и выхода в атмосферу. Если используют термометр с более широкими пределами температур, верхняя часть пробки может иметь вырезанную щель, которая дает возможность отсчета температуры по термометру (6.8) до минус 30 °С. К верхней поверхности пробки должен быть прикреплен указатель для соответствующего помещения термометра по отношению ко дну измерительного сосуда. Для поддерживания термометра в правильном положении надо использовать зажим из пружинной проволоки,
6.7.1. Пипетка (черт. 6) из прозрачного стекла с калибровочной меткой на высоте (149±0,5) мм от основания пипетки, соответствующей объему (20,0 ± 0,2) см3. Пипетка соединяется с фильтром.
6.7.2. Фильтр (черт. 7) состоит из следующих деталей:
латунного корпуса с резьбовым отверстием, в котором помещена фильтрационная сетка в оправке. Отверстие должно быть снабжено прокладкой из маслостойкой пластмассы. Внутренний диаметр центральной трубки (4,0 ± 0,1) мм;
латунной гайки для соединения верхней части корпуса фильтра с нижней частью пипетки для обеспечения плотного соединения. Пример правильного соединения представлен на черт. 7;
фильтрационной сетки диаметром 15 мм, изготовленной из проволоки из бронзы или нержавеющей стали, с номинальным размером отверстия 45 мкм. Номинальный диаметр проволоки должен быть 32 мкм, а погрешность размеров отдельных ячеек должна быть следующая:
Каждая ячейка не должна превышать номинального размера больше чем на 22 мкм.
Средний размер ячейки не должен превышать номинальный размер на ±3,1 мкм.
Не больше 6 % ячеек могут превышать номинальный размер больше чем на 13 мкм;
латунной оправки (черт. 8), в
которой зажата фильтрационная сетка (п. 6.7.2) укрепляющим кольцом,
втиснутым в державку. Диаметр рабочей части сетки должен равняться (12
) мм;
латунного цилиндра с наружной резьбой, который можно ввернуть в отверстие корпуса (п. 6.7.2) для дожатия оправки сетки (п. 6.7.2) через прокладку (п. 6.7.2). В нижней части должны находиться четыре канавки, обеспечивающие стенание пробы в фильтрационный аппарат.
6.8. Термометры с пределами измерения от минус 30 до плюс 50 °С - для определения предельной температуры фильтруемости до минус 30 °С, от минус 80 до плюс 20 °С - для определения предельной температуры фильтруемости ниже минус 30 °С, термометр для охлаждающей бани с пределами измерения температур от минус 80 до плюс 20 °С.
Применяют термометры, соответствующие требованиям, приведенным в приложении.
Примечание. Для испытания пригодны термометры IP IС и 2С пли ASTM 5С и 6С.
6.9. Охлаждающая баня любого типа, имеющая форму и размеры, подходящие для помещения в ней кожуха (п. 6.2) в стабильном вертикальном положении на необходимую глубину. Баня должна быть снабжена крышкой с отверстиями для укрепления поддерживающего кольца с кожухом и термометра (п. 6.8).
Кожух может быть прочно прикреплен к крышке.
Температуру охлаждающей бани надо поддерживать на требуемом уровне при помощи холодильника или применяя соответствующую охлаждающую смесь (разд. 6).
Для разных предельных температур фильтруемости надо поддерживать температуры охлаждающей бани, приведенные в таблице 1. Они достигаются или при помощи отдельных охлаждающих бань, или путем регулирования холодильника. Применение холодильника дает возможность быстро менять температуру бани.
|
Требуемая температура охлаждающей бани, °С |
|
|
До -20 |
-34 ± 0,5 |
|
От -20 до -35 |
-34 ± 0,5; |
|
|
-51 ± 1,0; |
|
Ниже -35 |
-34 ± 0,5; |
|
|
-51 ± 1,0; |
|
|
-67±2 |
Если несколько анализируемых проб помещают в одну большую охлаждающую баню, то расстояние между ними должно быть не менее 50 мм.
6.10. Запорный кран стеклянный, трехходовой, наклонный, диаметром отверстия 3 мм.
6.11. Вакуумный насос или водяной насос мощностью, достаточной для обеспечения скорости течения от 3 до 4 дм3/ч в регуляторе вакуума (п. 6.12) во время испытания.
6.12. Регулятор вакуума (17) (черт. 1) - стеклянная бутыль высотой 350 - 400 мм, вместимостью 5 дм3, наполненная на 3/4 водой, закупоренная пробкой с тремя отверстиями для стеклянных трубок. Две трубки должны быть короткими и не должны погружаться в воду. Третья трубка внутренним диаметром около (6 ± 1) мм должна быть достаточно длинной, чтобы один ее конец был погружен в воду на 200 мм, а другой выступал над пробкой.
Глубина погруженной части должна быть установлена таким образом, чтобы получить перепад давления на манометре, содержащем воду, точно на 200 мм водяного столба.
Установка представлена на черт. 1.
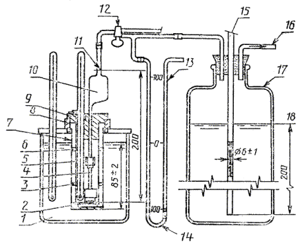
Полный набор аппаратуры
1 - охлаждающая баня; 2 - изоляционное кольцо; 3 - прокладка; 4 - фильтр; 5 - измерительный сосуд; 6 - прокладка; 7 - кожух; 8 - поддерживающее кольцо; 9 - пробка; 10 - пипетка; 11 - калибровочная метка (20 см3); 12 - трехходовый закупорный кран; 13 - U-образный манометр; 14 - вода; 15 - соединение с атмосферой; 16 - соединение с вакуумным насосом; 17 - стеклянная бутыль (буферная емкость); 18 - уровень воды
Черт. 1
6.13. Секундомер с погрешностью 0,2
6.14. Аппарат полуавтоматический для определения предельной температуры фильтруемости дизельных топлив ПАФ по ТУ 38.44710263-90, а также другие аппараты, обеспечивающие требуемую точность испытания.
6.15. Измерительные сосуды необходимых размеров можно выбрать из сосудов, удовлетворяющих требованиям метода по ГОСТ 20287.
6.16. Сетка фильтровальная из нержавеющей стали или из медного сплава из проволоки диаметром от 0,028 до 0,032 мм и количеством ячеек от 17000 до 20500 на 1 см2 или № 0045 Н по ГОСТ 6613.
6.17. Смесь охлаждающая, состоящая из твердой углекислоты по ГОСТ 12162 или твердой углекислоты, полученной дросселированием жидкой углекислоты в плотный мешок и спирта этилового ректификованного по ГОСТ 18300 или спирта-сырца по ГОСТ 131, или спирта регенерированного.
6.18. Термометры типа ТИНЗ-1, ТИНЗ-3, ТН-8, ГОСТ 400-80.
6.19. Секундомер механический.
Кожух из латуни
1 - серебряный припой
Черт. 2
Изоляционное кольцо и прокладки
1 - изоляционное кольцо; 2 - прокладки; 3а - проволоки из нержавеющей стали диаметром 2 мм
Черт. 3
Поддерживающее кольцо
Черт. 4
Пробка
1 - щель, позволяющая отсчитывать температуру вплоть до минус 30 °С; 2 - соединение с атмосферой; 3 - зажим из нержавеющей стали для закрепления термометра
Черт. 5
Пипетка
1 - калибровочная метка
Черт. 6
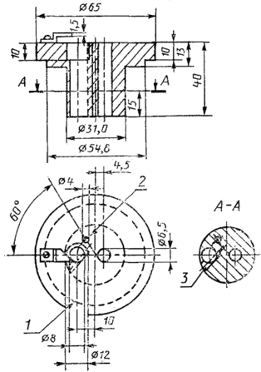
Фильтр
ж - обозначение резьбы по ГОСТ 9150-81 1/ - накатка; 2 - трубка пипетки; 3 - латунная гайка; 4 - прокладка из маслостойкой пластмассы, кольцевые, диаметром 5,28×1,78; 5 - латунный корпус; 6 - прокладка из маслостойкой пластмассы, кольцевая, диаметром 12,42×1,78; 7 - оправка фильтрующей сетки; 8 - латунный цилиндр с наружной резьбой
Черт. 7
Оправка фильтрующей сетки
1 - корпус оправки; 2 - укрепляющее кольцо; 3 - фильтрационная сетка
Черт. 8
Пробу испытуемого топлива фильтруют через сухую фильтровальную бумагу (п. 5.3) при температуре не менее 15 °С.
Пробу топлива отбирают по ТОСТ 2517. Для удаления механических примесей и воды топливо фильтруют через фильтр «белая лента» при температуре не менее чем на 15 °С выше температуры помутнения.
Перед каждым испытанием разбирают фильтр (п. 6.7.2) и промывают его детали, а также измерительный сосуд (п. 6.1), пипетку (п. 6.7.1) и термометр (п. 6.8) растворителем, потом ополаскивают ацетоном и сушат чистым сухим воздухом. Проверяют чистоту и сухость всех деталей и кожуха. Проверяют, не повреждены ли фильтрационная сетка и соединения, при необходимости заменяют их новыми. Затем собирают аппаратуру, как указано на черт. 1. Проверяют плотность резьбовой гайки (п. 6.7.2), нет ли утечки.
9.1. Изоляционное кольцо (п. 6.3) помещают на дно кожуха {п. 6.2).
9.2. Если прокладки (п. 6.4) не изготовлены как одно целое с изоляционным кольцом (п. 6.3), их помещают на расстоянии около 15 и 75 мм от дна измерительного сосуда (п. 6.1).
9.3. Измерительный сосуд наполняют испытуемым топливом до метки, соответствующей 45 см3.
9.4. Измерительный сосуд закрывают пробкой с находящимися в ней пипеткой с фильтром (п. 6.7) и соответствующим термометром (п. 6.8). При ожидаемой предельной температуре фильтруемости ниже минус 30 °С применяют термометр с низшими пределами температур. Во время испытания термометр нельзя менять.
Аппаратуру устанавливают таким образом, чтобы нижняя часть фильтра (п. 6.7.2) находилась на дне измерительного сосуда; термометр устанавливают параллельно пипетке и таким образом, чтобы его нижний конец находился на (1,5 ± 0,2) мм от дна измерительного сосуда. Шарик термометра не должен соприкасаться ни со стенкой измерительного сосуда, ни с фильтром.
9.5. Кожух помещают вертикально на глубине (85 ± 2) мм в охлаждающей бане, в которой поддерживают температуру минус (34 ± 0,5) °С.
9.6. Измерительный сосуд помещают в кожух в стабильном вертикальном положении.
9.7. При открытом запорном кране (п. 6.10) соединяют пипетку с вакуумной установкой (пп. 6.11, 6.12) при помощи гибких шлангов, присоединенных к крану (черт. 1). Включают вакуум и устанавливают воздушный поток так, чтобы U-образный манометр показывал падение давления 200 мм водяного столба во время всего испытания.
Когда температура пробы достигнет соответствующей величины, устанавливают запорный кран (п. 6.10), так чтобы фильтр был соединен с вакуумом, вызывая всасывание пробы топлива через фильтрационную сетку в пипетку, одновременно включают секундомер. Когда топливо дойдет до метки на пипетке, останавливают секундомер и устанавливают кран в начальном положении, чтобы проба могла стечь в измерительный сосуд.
Если время для засоса топлива до метки превышает 60 с, то определение прекращают и повторяют со свежей массой для испытания, начиная с более высокой температуры.
9.9. Операцию (п. 9.8) повторяют после каждого снижения температуры пробы на 1 °С до достижения температуры, при которой течение через фильтр прекращается, или пипетка не наполняется до метки в течение 60 с.
Записывают температуру начала последней фильтрации.
9.10. Если после охлаждения согласно п. 9.9 и 9.11 или 9.12 проба заполняет пипетку до метки не дольше 60 с, но не стекает обратно в измерительный сосуд после установления крана (п. 6.10) в первоначальном положении, то надо записать температуру начала фильтрации.
9.11. Если при температуре минус 20 °С не прекращается течение топлива через фильтр, дальнейшее охлаждение ведут в охлаждающей бане с температурой минус (51 ± 1) °С или в соответственно переключенном холодильнике и повторяют операцию (п. 9.8) после каждого снижения температуры на 1 °С.
Изменяя баню, быстро переносят измерительный сосуд в новый кожух, помещенный во второй охлаждающей бане, или регулируя холодильник,
Переносят комплект, как указано в п. 9.11.
Регистрируют температуру в начале последнего фильтрования с точностью до 1 °С (пп. 9.9 - 9.10) как предельную температуру фильтруемости на холодном фильтре и делают ссылку на данный стандарт.
Обработка результатов.
За результат определения принимают среднее арифметическое результатов двух последовательных определений, округленное до целого числа.
Точность метода получена статистическим исследованием межлабораторных результатов испытаний и указана в пп. 11.1 - 11.2 (см. примечание).
Расхождение между последовательными результатами испытания, полученное одним и тем же оператором на одной и той же аппаратуре в одинаковых условиях на идентичном исследуемом материале при правильном выполнении испытания, превышает значения, указанные на черт. 9, в одном случае из двадцати.
Два результата определений, полученные одним исполнителем в одной лаборатории, признаются достоверными (при доверительной вероятности 95 %), если расхождение между ними не превышает 1 °С.
Расхождение между двумя независимыми результатами, полученными равными операторами, работающими в разных лабораториях на идентичном исследуемом материале, при правильном выполнении испытания, превышает значения, представленные на черт. 9, в одном случае из двадцати.
Примечание Данные точности, представленные на черт 9, получены по программе, по которой применялись способы как автоматический, так и ручной.
Два результата испытаний, полученные в двух разных лабораториях, признаются достоверными (при доверительной вероятности 95 %), если расхождение между ними не превышает 2 °С.
Погрешность определения предельной температуры фильтруемости на холодном фильтре
Примечание. Ниже минус 35 °С погрешность не установлена.
Черт. 9

|
Пределы температур, °С |
Высший предел от -38 до +50 |
Низший предел от -80 до +20 |
|
A. Погружение, мм |
108 |
76 |
|
Метки шкалы: |
|
|
|
Цена деления, °С |
1 |
1 |
|
Длинная метка, °С |
5 |
5 |
|
Цифровое обозначение, °С |
10 |
10 |
|
Максимальная ширина, мм |
0,15 |
0,15 |
|
Максимальная погрешность шкалы, °С |
0,5 |
1,0 до -33 2,0 ниже -33 |
|
Предел нагревания, °С |
100 |
60 |
|
B. Общая длина, мм |
225 - 235 |
226 - 235 |
|
C. Диаметр стержня, мм |
6,0 - 8,0 |
6,0 - 8,0 |
|
Д. Длина шарика, мм |
7,0 - 10,0 |
7,0 - 10,0 |
|
E. Диаметр шарика, мм |
5,5 минимум |
5,0 минимум |
|
|
но не больше стержней |
|
|
Расположение шкалы |
|
|
|
Расстояние от основания шарика до метки при, °С |
-38 |
-70 |
|
F. Расстояние, мм |
120 - 130 |
100 - 120
|
|
G. Длина шкалы, мм |
65 - 85 |
70 - 100 |
|
Термометрическая жидкость |
Ртуть |
Толуол или другая жидкость, окрашенная прочным красителем |
|
Средняя температура выступающего столбика ртути по всему диапазону, °С |
21 |
21 |
|
Поправка на выступающий столбик ртути |
При отклонении средней температуры среды, окружающей выступающий столбик ртути, от средней температуры указанного столбика ртути необходимо внести соответствующие поправки. |
|
ИНФОРМАЦИОННЫЕ ДАННЫЕ
1. ПОДГОТОВЛЕН И ВНЕСЕН Всесоюзным научно-исследовательским институтом по переработке нефти (ВНИИ НП)
2. УТВЕРЖДЕН И ВВЕДЕН В ДЕЙСТВИЕ Постановлением Комитета стандартизации и метрологии СССР от 03.02.92 № 101
При разработке настоящего стандарта использовались некоторые положения Европейского стандарта EN-116 «Стандартный метод определения предельной температуры фильтруемости топлив на холодном фильтре»
3. ВЗАМЕН ГОСТ 22254-76
4. ССЫЛОЧНЫЕ НОРМАТИВНО-ТЕХНИЧЕСКИЕ ДОКУМЕНТЫ
|
Раздел |
Обозначение отечественного нормативно-технического документа, на который дана ссылка |
Обозначение соответствующего документа |
|
ГОСТ 131-67 |
- |
|
|
ГОСТ 400-80 |
- |
|
|
- |
||
|
- |
||
|
ГОСТ 8505-80 |
- |
|
|
ГОСТ 12162-77 |
- |
|
|
ГОСТ 18300-87 |
- |
|
|
ИСО 3016-71 |
||
|
ИСО 261-73 |
||
|
ТУ 6-0121244-88 |
- |
|
|
ТУ 38.44710263-90 |
- |
|
|
- |
СОДЕРЖАНИЕ