УТВЕРЖДЕНЫ
Госгортехнадзором
России 21 апреля 1992 г.
ПРАВИЛА
УСТРОЙСТВА И БЕЗОПАСНОЙ ЭКСПЛУАТАЦИИ
ФАКЕЛЬНЫХ СИСТЕМ
ПБ 09-12-92
Редакционная коллегия: Е. А. Малов, Э. С. Стародубцев, А. А. Шаталов, Р. А. Стандрик, А. И. Эльнатанов, А. В. Куликов
Настоящие Правила подготовлены на основе Правил устройства и безопасной эксплуатации факельных систем, утвержденных Госпроматомнадзором СССР 3 декабря 1991 г., с внесением ряда дополнений и изменений.
При подготовке Правил учтен передовой опыт работы отечественных предприятий и зарубежных фирм в области обеспечения безопасной эксплуатации факельных систем.
Правила распространяются на предприятия и организации химической, нефтехимической, нефтеперерабатывающей отраслей промышленности независимо от форм собственности.
С введением в действие настоящих Правил считать утратившими силу Правила устройства и безопасной эксплуатации факельных систем, утвержденные в 1984 г. (ПУ и БЭФ-84).
1.1. Факельная система предназначена для сброса и последующего сжигания горючих газов и паров в случаях:
срабатывания устройств аварийного сброса, предохранительных клапанов, гидрозатворов, ручного стравливания, а также освобождения технологических блоков от газов и паров в аварийных ситуациях автоматически или с применением дистанционно управляемой запорной арматуры и др.;
постоянных, предусмотренных технологическим регламентом сдувках;
периодических сбросов газов и паров, пуска, наладки и остановки технологических объектов.
Термины, употребляемые в настоящих Правилах, и их определения приведены в прил. 1.
1.2. Проектирование, строительство, реконструкция и эксплуатация факельных систем взрывопожароопасных и взрывоопасных производств, подконтрольных Госгортехнадзору России, должны проводиться в соответствии с требованиями строительных норм и правил, Общих правил взрывобезопасности для взрывопожароопасных химических, нефтехимических и нефтеперерабатывающих производств, Правил устройства и безопасной эксплуатации сосудов, работающих под давлением, Правил устройства и безопасной эксплуатации трубопроводов для горючих, токсичных и сжиженных газов, Инструкции по устройству молниезащиты зданий и сооружений и настоящих Правил.
Порядок и сроки приведения действующих факельных систем в соответствие с требованиями настоящих Правил определяются руководителями предприятий по согласованию с органами Госгортехнадзора России.
1.3. До приведения факельных систем в соответствие с требованиями настоящих Правил предприятиями совместно с проектными организациями должны быть разработаны и утверждены в установленном порядке мероприятия по повышению безопасности действующих факельных систем, согласованные с органами Госгортехнадзора России.
1.4. На предприятиях, эксплуатирующих факельные системы, должны быть составлены и утверждены в установленном порядке инструкции по их безопасной эксплуатации.
Указанные инструкции подлежат пересмотру раз в пять лет. При необходимости внесения дополнений в инструкции, а также в случае изменений в схеме или режиме работы они должны быть пересмотрены до истечения срока их действия.
1.5. Ввод в эксплуатацию вновь сооружаемых факельных систем с отступлением от настоящих Правил, а также без инструкций по безопасной эксплуатации запрещается.
В обоснованных случаях отступления от Правил согласовываются с Госгортехнадзором России в установленном порядке.
1.6. Для контроля за работой факельных систем приказом (распоряжением) по предприятию, производству, цеху, где эксплуатируются эти системы, из числа инженерно-технических работников назначаются ответственные лица, прошедшие проверку знаний настоящих Правил.
1.7. Электроприемники факельных систем (устройства контроля пламени, запальные устройства и средства КИП) по надежности электроснабжения относятся к потребителям первой категории.
2.1. При проектировании технологических процессов в необходимых случаях следует предусматривать поблочное освобождение аппаратуры и трубопроводов от взрывоопасных газов и паров с соответствующим автоматическим по заданной программе или дистанционным управлением отсекающими устройствами, прекращающими поступление газов и паров в аварийный блок.
2.2. Сбросы горючих газов и паров, разделяющиеся на постоянные, периодические и аварийные, для сжигания или сбора и последующего использования следует направлять в факельные системы:
общую (при условии совместимости сбросов);
отдельную;
специальную.
Принципиальные схемы сброса газов и паров приведены в прил. 2 и 3.
2.3. По каждому источнику сброса газов и паров, направляемых в факельные системы, должны быть определены возможные их составы и параметры (температура, давление, плотность, расход, продолжительность сброса, а также параметры максимального, среднего и минимального суммарного сбросов с объекта).
2.4. Для предупреждения образования в факельной системе взрывоопасной смеси следует использовать продувочный газ - топливный или природный, инертные газы, в том числе газы, получаемые на технологических установках и используемые в качестве инертных газов.
Принципиальная схема подачи продувочного газа приведена в прил. 4.
2.5. Содержание кислорода в продувочных и сбрасываемых газах и парах, в том числе в газах сложного состава, не должно превышать 50 % минимального взрывоопасного содержания кислорода в возможной смеси с горючим.
2.6. При сбросах водорода, ацетилена, этилена и окиси углерода и смесей этих быстрогорящих газов содержание кислорода в них должно составлять не более 2 % объемных.
2.7. Запрещается направлять в факельную систему вещества, взаимодействие которых может привести к взрыву (например, окислитель и восстановитель).
2.8. В газах и парах, сбрасываемых в общую и отдельную факельные системы, не должно быть капельной жидкости и твердых частиц. Для этих целей в границах технологической установки необходимо устанавливать сепараторы.
В факельном коллекторе и подводящих трубопроводах температура газов и паров должна быть такой, при которой исключена возможность кристаллизации продуктов сброса.
2.9. Для факельной системы с установкой сбора углеводородных газов и паров температура сбрасываемых газов и паров на выходе из технологической установки должна быть не выше 200 и не ниже –30 °С, а на расстоянии 150-200 м перед входом в газгольдер - не более 60 °С.
2.10. Запрещается использовать в качестве топлива сбрасываемые углеводородные газы и пары с объемным содержанием в них инертных газов более 5 %, веществ I и II классов опасности (кроме бензола) - более 1 %, сероводорода - более 8 %.
Сбросы, при сжигании которых в продуктах сгорания образуются или сохраняются вредные вещества I и II классов опасности, следует направлять в специальные емкости для дальнейшей утилизации и переработки.
Отступления от требований настоящего пункта могут допускаться только при соответствующем обосновании и по согласованию с органами Госгортехнадзора России.
2.11. Не допускаются постоянные и периодические сбросы газов и паров в общие факельные системы, в которые направляются аварийные сбросы, если совмещение указанных сбросов может привести к повышению давления в системе до величины, препятствующей нормальной работе предохранительных клапанов и других противоаварийных устройств.
2.12. Потери давления в факельных системах при максимальном сбросе не должны превышать:
для систем, в которые направляются аварийные сбросы газов и паров, - 0,02 МПа на технологической установке и 0,08 МПа на участке от технологической установки до выхода из оголовка факельного ствола;
для систем с установкой сбора углеводородных газов и паров - 0,05 МПа от технологической установки до выхода из оголовка факельного ствола.
Для отдельных и специальных факельных систем потери давления не ограничиваются и определяются условиями безопасной работы подключенных к ним аппаратов.
2.13. Горючие газы и пары, сбрасываемые с технологических аппаратов через гидрозатворы, рассчитанные на давление меньшее, чем давление в факельном коллекторе, следует направлять в специальную факельную систему или по специальному факельному трубопроводу, не связанному с коллектором от других предохранительных устройств аварийного сброса, постоянных и периодических сбросов.
Специальный трубопровод через отдельный сепаратор необходимо подключать непосредственно к стволу факельной установки.
2.14. В обоснованных случаях допускается установка запорной арматуры после гидрозатворов на месте врезки в общую факельную систему (при исключении возможности случайного ее закрытия). Одновременно предусматриваются дополнительные меры безопасности, в том числе снятие штурвала запорной арматуры, опломбирование ее в открытом состоянии, установка на ней специальных кожухов, вывод сигнала о положении арматуры на пульт управления.
Тип запорной арматуры определяется проектной организацией.
3.1. Сбросы от предохранительных клапанов направляются в факельные системы.
3.2. Сбросы газов и паров от предохранительных клапанов, установленных на сосудах и аппаратах, работающих со средами, не относящимися к взрывоопасным и вредным веществам, а также сброс легких газов разрешается направлять через сбросную трубу в атмосферу.
Устройство сбросных труб и условия сброса должны обеспечивать эффективное рассеивание сбрасываемых газов и паров, исключающее образование взрывоопасных концентраций в зоне размещения технологического оборудования, зданий и сооружений. Расчет концентраций горючего газа при сбросе через сбросную трубу приведен в прил. 5. При этом следует предусматривать устройства, предотвращающие попадание жидкости в сбросные трубы и ее скопление.
Примечания.
1. К легким газам относятся метан, природный газ и водородсодержащий газ с плотностью не более 0,8 по отношению к плотности воздуха.
2. В случае возможности изменения состава сбрасываемого газа, приводящего к увеличению его плотности более 0,8 по отношению к плотности воздуха, сброс газа в атмосферу не допускается.
3. При организации сбросов в атмосферу следует руководствоваться Методикой расчета концентрации в атмосферном воздухе вредных веществ, содержащихся в выбросах предприятий, и санитарными нормами.
3.3. Сбросы от предохранительных клапанов горючих газов и паров, содержащих вещества I и II классов опасности в количествах не более 1 % объемных (сероводород - до 8 % объемных), допускается направлять в общую факельную систему.
3.4. Сбросы от предохранительных клапанов газов и паров, содержащих вещества I и II классов опасности в количествах более 1 % объемных, должны подвергаться очистке и обезвреживанию (нейтрализация, поглощение, разложение, сжигание и т.п.). Для сжигания такие сбросы направляются в отдельную или специальную факельную систему.
3.5. Горючие газы и пары от предохранительных клапанов, установленных на складских емкостях, предназначенных для хранения сжиженных углеводородных газов и легковоспламеняющихся жидкостей, должны сбрасываться в отдельную или специальную факельную систему.
В обоснованных случаях такие сбросы допускается направлять для сжигания в факельный ствол общей факельной системы.
4.1. Для отдельных и специальных факельных систем следует предусматривать один факельный коллектор и одну факельную установку.
Общие факельные системы должны иметь два факельных коллектора и две факельные установки для обеспечения безостановочной работы.
При сбросах в общую факельную систему газов, паров и их смесей, не вызывающих коррозии более 0,1 мм в год, допускается обеспечивать факельные установки одним коллектором.
4.2. На общих факельных системах в местах разветвления трубопроводов с целью отключения от факельных систем технологических установок, складов, переключения сепараторов, коллекторов и факельных стволов возможно размещение в горизонтальном положении запорных устройств, опломбированных в открытом состоянии.
4.3. Факельные коллекторы и трубопроводы должны быть минимальной длины и иметь минимальное число поворотов, их необходимо прокладывать над землей (на опорах и эстакадах).
4.4. На факельных коллекторах и трубопроводах запрещается устанавливать сальниковые компенсаторы.
4.5. Тепловая компенсация факельных коллекторов и трубопроводов должна рассчитываться с учетом максимальной и минимальной температур сбрасываемых газов и паров, максимальной температуры пара для пропарки, а также температуры обогревающей среды для обогреваемых коллекторов и средней температуры наиболее холодной пятидневки.
4.6. Коллекторы и трубопроводы факельных систем должны иметь, при необходимости, тепловую изоляцию и (или) на них должны быть установлены обогревающие спутники для предотвращения конденсации и кристаллизации веществ в факельных системах.
4.7. На факельных установках, предназначенных для сжигания горячих газов и паров, следует применять сепаратор с постоянным отводом жидкости.
4.8. Факельные коллекторы и трубопроводы необходимо прокладывать с уклоном в сторону сепараторов не менее 0,003. Если невозможно выдерживать указанный уклон, в низших точках факельных коллекторов и трубопроводов размещают устройства для отвода конденсата. Конструкция сборников конденсата должна исключать унос жидкости и предусматривать их тепловую изоляцию и наружный обогрев. Сборники конденсата должны опорожняться автоматически, а в обоснованных случаях - дистанционно из операторной. Для откачки конденсата из сепараторов и сборников применяются центробежные насосы.
4.9. Врезка цеховых трубопроводов в факельный коллектор должна производиться сверху в целях исключения заполнения их жидкостью.
4.10. При незначительном содержании конденсата в сепараторах на факельных установках, предназначенных для сжигания паров низкокипящих жидкостей (включая пропан, пропилен, аммиак и аммиаксодержащие газы), удалять жидкость из сепаратора разрешается за счет подачи пара или горячей воды в наружный змеевик, обогревающий сепаратор, при этом необходимо исключить возможность повышения давления в емкости выше расчетного.
4.11. При наличии в сбросных газах твердых или смолистых осадков следует устанавливать два параллельных сепаратора. При малом содержании примесей сепаратор допускается оснащать байпасной линией с системой сблокированных задвижек «закрыто-открыто» и быстросъемными заглушками, обеспечивающими постоянный проток газа и возможность чистки сепаратора.
4.12. В зависимости от места установки необходимо применять насосы, изготовленные по 1 или 2 категориям размещения в соответствии с ГОСТ 15150-69.
4.13. Установка факельного сепаратора и насоса по отношению друг к другу осуществляется исходя из условия обеспечения заполнения насоса конденсатом при его поступлении в сепаратор и исключения возникновения кавитации при работе насоса.
4.14. Всасывающий трубопровод должен иметь минимальную длину и уклон в сторону насоса, в нем не должно быть застойных зон.
Горизонтальные участки всасывающих трубопроводов следует располагать внизу (у насосов). Необходимо избегать горизонтальных участков непосредственно после сепаратора, для чего выход всасывающего трубопровода из нижнего штуцера сепаратора к насосу следует размещать вертикально вниз.
4.15. Диаметр всасывающего трубопровода определяется по максимальной производительности насоса, принимаемой по графической характеристике.
4.16. Все трубопроводы и арматура обвязки насосов во избежание замерзания в холодное время года должны обогреваться и иметь тепловую изоляцию.
4.17. Включение и выключение насосов для откачки конденсата из сборников и сепараторов должны быть как автоматическими, так и с места их установки (выполняется в соответствии со схемой прил. 6).
Рекомендуемый порядок работы насосов приведен в указанном приложении.
при постоянных и периодических сбросах - на сумму периодических (с коэффициентом 0,2) и постоянных сбросов от всех подключенных технологических установок, но не менее чем на сумму постоянных сбросов и максимального периодического сброса (с коэффициентом 1,2) от установки с наибольшей величиной этого сброса;
при аварийных сбросах - на сумму аварийных сбросов (с коэффициентом 0,25) от всех подключенных установок, но не менее чем на величину аварийного сброса (с коэффициентом 1,5) от установки с наибольшей величиной этого сброса.
Примечание.
Допускается рассчитывать пропускную способность на сумму аварийных сбросов от всех подключенных технологических установок; при аварийных, постоянных и периодических сбросах - на сумму всех видов сбросов, рассчитанных в порядке, установленном настоящим пунктом.
4.20. Площадь проходного сечения задвижек для аварийного сброса с ручным или дистанционным включением привода должна соответствовать пропускной способности факельного коллектора на выходе с установки.
4.21. На трубопроводах сбрасываемых газов и паров фланцевые соединения устанавливаются только в местах присоединения арматуры, контрольно-измерительных приборов, а для монтажных соединений - в местах, где сварка невыполнима.
Каждый сварной шов факельного коллектора (трубопровода) и факельного ствола проверяют неразрушающим методом, обеспечивающим эффективный контроль качества сварного шва.
4.22. На коллекторе перед факельным стволом или на факельном стволе должно быть фланцевое соединение для установки заглушки при проведении испытаний на прочность.
4.23. Для продувки технологических установок и цеховых факельных трубопроводов азотом или воздухом при пуске или остановке на ремонт в обоснованных случаях на выходе с технологической установки устанавливается свеча с отключающей арматурой.
4.24. Во избежание образования взрывоопасной смеси необходимо предусматривать непрерывную подачу продувочного (топливного или инертного) газа в начало факельного коллектора. В случае прекращения подачи топливного газа должна быть обеспечена автоматическая подача инертного газа. Количество продувочного газа определяется в соответствии с п. 10.2 настоящих Правил.
5.1. При работе факельной установки необходимо обеспечивать стабильное горение в широком интервале расходов газов и паров, бездымное сжигание постоянных и периодических сбросов, а также безопасную плотность теплового потока и предотвращение попадания воздуха через верхний срез факельного ствола.
5.2. Конструкция факельной установки должна предусматривать наличие факельного ствола, оснащенного оголовком и газовым затвором, средств контроля и автоматизации, дистанционного электрозапального устройства, подводящих трубопроводов топливного газа и горючей смеси, дежурных горелок с запальниками.
При необходимости факельная установка оснащается сепаратором, гидрозатвором, огнепреградителем (при сбросе ацетилена), насосами и устройством для отвода конденсата.
Примечания.
1. В обоснованных случаях для сжигания газов и паров допускается применение специальных наземных факельных установок без факельного ствола.
2. При наличии в сбросных газах и парах твердых и смолистых веществ, которые, отлагаясь, уменьшают площадь проходного сечения газового затвора, последний не устанавливается.
5.3. Диаметр верхнего среза факельного оголовка для обеспечения стабильного (без срыва) горения следует рассчитывать по максимальной скорости газов и паров, которая не должна превышать 0,5 скорости звука в сбросном газе. При сжигании газов и паров с плотностью более 0,8 относительно плотности воздуха скорость сброса не должна превышать 120 м/с.
5.4. Для полноты сжигания сбрасываемых углеводородных газов и паров (за исключением природного и некоптящих газов) следует предусматривать подачу водяного пара, воздуха или воды. Количество пара определяется расчетом исходя из условия обеспечения бездымного сжигания постоянных сбросов.
Если отношение скорости сброса к скорости звука составляет более 0,2, то подача пара не требуется.
5.5. Дежурные горелки с запальниками следует устанавливать на факельном оголовке. Число горелок определяется в зависимости от диаметра факельного оголовка в соответствии с данными, приведенными ниже
|
Диаметр факельного оголовка, мм |
10-250 |
300-550 |
600-1000 |
1100-1600 |
Более 1600 |
|
Число горелок, шт. |
1 и более |
Не менее 2 |
Не менее 3 |
Не менее 4 |
Не менее 5 |
5.6. К факельному стволу должен быть обеспечен подвод топливного газа для дежурных горелок, а к устройству зажигания пламени - топливного газа и воздуха для приготовления запальной смеси. Для исключения конденсации паров воды и ее замерзания в трубопроводах в холодное время года топливный газ необходимо осушать или подавать по обогреваемому трубопроводу. Топливный газ не должен содержать механических примесей.
5.7. Высота факельного ствола определяется расчетом по плотности теплового потока. Методика расчета приведена в прил. 7.
5.8. При определении высоты факельного ствола, кроме плотности теплового потока, следует также учитывать возможное загрязнение окружающей территории вредными продуктами сгорания, определяемой по Методике расчета концентрации в атмосферном воздухе вредных веществ, содержащихся в выбросах предприятий (ОНД-86. Госкомгидромет, 1987).
5.9. В целях предупреждения подсоса воздуха в факельный коллектор (трубопровод) перед факельным стволом должен устанавливаться гидрозатвор с постоянным протоком затворной жидкости.
Для предотвращения возможности замерзания затворной жидкости гидрозатворы следует оборудовать обогревающим устройством или размещать в отапливаемом помещении.
Примечание.
Допускается гидрозатвор не устанавливать, если:
температуры сбросных газов и паров близки к температурам замерзания или кипения затворной жидкости;
разрежение у основания факельного ствола не более 500 Па.
5.10. Устройство лестниц и площадок должно обеспечивать удобство и безопасность при монтаже и ремонте факельного оголовка и другого оборудования, расположенного на разной высоте факельного ствола.
5.11. Материал факельного оголовка, дежурных горелок, обвязочных трубопроводов, а также деталей крепления следует выбирать с учетом температуры возможного их нагрева от теплового излучения факела.
Обвязочные трубопроводы на участке факельного оголовка необходимо выполнять из бесшовных труб.
5.12. Факельный ствол, сепараторы и гидрозатворы должны оснащаться устройствами для отбора проб.
5.13. Сепаратор, устанавливаемый перед факельным стволом, должен иметь наружный обогрев и быть оборудован системой непрерывного удаления конденсата, исключающей возможность попадания сбросного газа в сборник конденсата и конденсата в факельный коллектор.
5.14. На факельных стволах устанавливаются дежурные горелки, выполняющие роль пилотных огней при работающей факельной системе; на случай остановки факельной системы должно быть предусмотрено световое ограждение верха факельного ствола переносными светильниками в соответствии с Правилами маркировки и светоограждения высотных препятствий.
6.1. При соответствующем обосновании в составе факельной системы допускается предусматривать специальные установки для сбора, кратковременного хранения и возврата с целью дальнейшего использования сбрасываемых углеводородных газов и паров.
6.2. В процессе сбора углеводородных газов и паров должны учитываться следующие требования:
газгольдеры переменного или постоянного объема должны обеспечивать прием сбросных газов и паров в течение 5-10 мин в количестве, определенном согласно пп. 4.18, 4.19;
скорость подъема колокола (газгольдера переменного объема) должна соответствовать требованиям Руководства по безопасной эксплуатации, техническому надзору и ремонту мокрых газгольдеров, предназначенных для горючих газов;
газовый конденсат, собирающийся в верхнем слое бассейна мокрых газгольдеров, должен отводиться в отстойники конденсата;
вода из отстойников должна отводиться в соответствующую систему промышленных стоков предприятия для последующей очистки;
сепарационная аппаратура в нижней части должна иметь наружный обогрев и тепловую изоляцию;
установка сбора углеводородных газов и паров должна иметь резерв оборудования для обеспечения устойчивой и безаварийной работы.
7.1. Факельную установку следует размещать с учетом розы ветров, минимальной длины факельных коллекторов (трубопроводов) преимущественно в местах, граничащих с ограждением предприятия. Отдельную или специальную факельную установку допускается размещать на территории технологической установки с учетом требования п. 5.7.
7.2. Расстояния между факельным стволом и складами, зданиями, сооружениями, трансформаторными подстанциями и другими объектами технологической установки следует определять с учетом допустимой плотности теплового потока и противопожарных норм. Расстояние между указанными объектами и факельным стволом при расположении его непосредственно на территории технологической установки необходимо рассчитывать исходя только из допустимой плотности теплового потока.
7.3. Для обеспечения безопасности ремонта или обслуживания факельных оголовков расстояние между факельными стволами должно быть таким, чтобы плотность теплового потока от работающего факела на ремонтируемом факельном оголовке не превышала допустимую.
7.4. В целях уменьшения теплового воздействия на персонал лестницы на факельных стволах следует располагать на стороне, противоположной соседним факельным стволам.
7.5. Материалы оборудования и сооружений, находящихся в зоне теплового воздействия, должны быть огнестойкими.
7.6. Территория вокруг факельного ствола, а также вокруг зданий, сооружений, оборудования, относящаяся к факельной установке, должна быть спланирована, на ней должны быть проложены дороги для транспорта и пешеходов.
7.7. Территория вокруг факельного ствола, за исключением случаев расположения его на территории технологической установки, ограждается и обозначается предупреждающими знаками. В ограждении должны быть оборудованы проходы для персонала и ворота для проезда транспортных средств.
7.8. Число проходов в ограждении должно равняться числу факельных стволов, причем путь к каждому стволу должен быть кратчайшим.
7.9. Размещать насосы и отдельно стоящие сепараторы в зоне ограждения факельного ствола, кроме сепараторов, совмещенных с факельным стволом, запрещается.
8.1. Контроль за работой факельных систем и дистанционное управление ими должны осуществляться:
для общей факельной системы - из собственного помещения управления (операторной, центрального пульта управления) или из помещения управления одной из технологических установок, сбрасывающих газ в факельную систему;
для отдельной и специальной факельных систем - из помещений управления одной из технологических установок, сбрасывающих газ.
8.2. Факельные системы должны быть оборудованы техническими средствами, обеспечивающими постоянную регистрацию (с выводом показаний в помещение управления) следующих данных:
расхода продувочного газа в факельный коллектор и газовый затвор;
уровня жидкости в сепараторах, сборниках конденсата;
уровня жидкости в факельном гидрозатворе;
количества сбросных газов и паров, а также конденсата, возвращаемых с установки сбора углеводородных газов и паров;
температуры газов и паров, поступающих в газгольдер;
температуры жидкости в факельном гидрозатворе.
Примечание.
На факельных системах, расположенных непосредственно на территории технологической установки, допускается устанавливать приборы регистрации по месту.
8.3. Факельные системы должны быть оснащены средствами сигнализации (с выводом сигналов в помещение управления), срабатывающими при достижении следующих параметров:
минимально допустимом расходе продувочного газа в коллектор и газовый затвор;
минимально допустимом давлении или расходе топливного газа на дежурные горелки;
погасании пламени дежурных горелок;
образовании разрежения у основания факельного ствола, равного или более 1000 Па;
минимально и максимально допустимых уровнях жидкости в сепараторах, сборниках конденсата;
минимально допустимом уровне жидкости в факельных гидрозатворах;
максимально допустимой температуре газов, поступающих в газгольдер;
минимально допустимой температуре в факельных гидрозатворах;
включении насосов по откачке конденсата;
включении компрессоров;
наличии горючих газов и паров в количестве 20 % нижнего концентрационного предела распространения пламени в помещениях компрессорной, гидрозатвора с дублированием звукового и светового сигналов и расположением указанных средств сигнализации над входной дверью, а также на наружных установках в местах размещения газгольдеров, сепараторов, насосов.
Примечание.
Средства сигнализации разрежения не требуются, если произведение разности плотностей воздуха (в кг/м3) и продувочного газа на высоту факельного ствола (в м) не превышает 100.
8.4. Для контроля давления топливного газа и воздуха в системе зажигания и в линиях до регулирующих клапанов или вентилей, давления пара, уровня жидкости и температуры в сепараторах и сборниках конденсата следует устанавливать дублирующие приборы по месту.
8.5. В конструкции факельной установки должно быть предусмотрено автоматическое регулирование давления топливного газа, подаваемого на дежурные горелки, и количества продувочного газа, подаваемого в начало факельного коллектора.
8.6. Факельные системы необходимо оснащать блокировками (с учетом инерционности срабатывания контрольно-измерительных приборов и средств автоматики и времени открытия электрозадвижки), обеспечивающими:
подачу инертного газа в газовый затвор при разрежении в факельном коллекторе, равном или более 1000 Па;
подачу инертного газа в начало факельного коллектора при прекращении подачи продувочного (топливного) газа (допускается вариант работы с постоянной подачей азота);
удаление конденсата из сепараторов и сборников конденсата, кроме имеющих постоянный слив через гидрозатвор, по достижении максимального уровня;
открытие электрозадвижки на линии сброса газов в факельную установку при заполнении газгольдера на 85 % с одновременным закрытием электрозадвижки на линии поступления газа в газгольдер;
открытие электрозадвижки на линии поступления газа в газгольдер при заполнении его на 70 % с последующим закрытием электрозадвижки на линии сброса газов и паров в факельный ствол;
остановку компрессоров при уменьшении объема газа в газгольдере до 10 %;
пуск компрессоров, схема управления которых допускает проведение этой операции автоматически, или подачу сигнала, разрешающего ручной пуск при заполнении газгольдера не менее чем на 25 %.
8.7. Насосы для перекачки горючих жидкостей должны быть оснащены блокировками для обеспечения надежной и безаварийной работы, а также средствами предупредительной сигнализации о нарушении параметров работы, влияющих на безопасность.
8.8. В обоснованных случаях в факельных системах складов жидкого аммиака для сельского хозяйства, находящихся на значительном расстоянии от населенных пунктов, помещения управления следует обеспечивать средствами дистанционного контроля и сигнализации достижения следующих значений параметров:
минимально допустимого давления инертного или топливного газа, подаваемого в газовый затвор;
максимально и минимально допустимых уровней жидкости в сепараторе при удалении ее насосом;
минимально допустимого уровня жидкости в гидрозатворе и максимально допустимого уровня в сборниках конденсата;
разрежения у основания факельного ствола, равного или более 1000 Па.
Предусматривается также контроль давления по месту:
топливного газа и воздуха - в системе зажигания и в линиях до регулирующих клапанов или вентилей;
продувочного газа, пара и воздуха - в сетях, подходящих к факельной установке.
8.9. На факельных системах нефтеперерабатывающих и нефтехимических предприятий в помещении управления должны устанавливаться средства сигнализации и регистрации сбросов газа технологическими установками (секциями).
9.1. На факельных стволах не устанавливают сепараторы, гидрозатворы и газовые затворы. Подача водяного пара (воды) в факельную установку запрещается.
9.2. Необходимость и порядок подачи азота в факельный ствол при отсутствии сброса определяются в соответствии со специальной инструкцией, утвержденной главным инженером предприятия.
9.3. Допускается эксплуатация факельных установок рудно-термических печей без запальных устройств и дежурных горелок.
9.4. Сбрасываемые смеси после реакторов окислительного пиролиза природного газа должны направляться в отдельную факельную систему. Содержание кислорода в смеси в пусковой период должно быть в пределах, установленных технологическим регламентом данного производства. Контроль за объемным содержанием кислорода обеспечивается автоматическими газоанализаторами.
9.5. При размещении факельного ствола на аппарате или на перекрытии производственного здания (этажерки) гидрозатвор не устанавливают.
9.6. На сбросах ацетилена перед вводом в факельный ствол следует устанавливать огнепреградитель, оборудованный обогревающим устройством.
10.1. Перед каждым пуском факельная система должна быть продута азотом, чтобы содержание кислорода у основания факельного ствола было не более 50 % минимально взрывоопасного.
При сбросах водорода, ацетилена, этилена и окиси углерода объемное содержание кислорода не должно превышать 2 %.
Для предотвращения попадания воздуха в факельную систему при продувке технологических установок азотом продувочные газы следует сбрасывать через свечу в атмосферу.
В случае одновременной продувки азотом всех технологических аппаратов, подсоединенных к факельной системе, для удаления воздуха допускается сбрасывание продувочных газов в факельный ствол при погашенных горелках. Периодичность проведения анализов определяется технологическим регламентом.
Запрещается сбрасывать продувочные газы в общую факельную систему.
не менее 0,05 м/с - с газовым затвором;
не менее 0,9 м/с - без газового затвора при плотности продувочного (топливного) газа 0,7 кг/м3 и более;
не менее 0,7 м/с - без газового затвора при инертном продувочном газе (азоте).
Примечание.
В факельных системах, не оборудованных газовыми затворами, запрещается использовать в качестве продувочного газа топливный газ, плотность которого менее 0,7 кг/м3.
10.3. Перед прекращением сброса горючих газов и паров, нагретых до высокой температуры, необходимо обеспечить дополнительную подачу продувочного газа с целью предотвращения образования вакуума в факельной системе при охлаждении или конденсации.
10.4. Перед проведением ремонтных работ факельная система должна быть отсоединена стандартными заглушками от технологических установок и продута азотом (при необходимости пропарена) до полного удаления горючих веществ с последующей продувкой воздухом до объемного содержания кислорода не менее 18 % и содержания вредных веществ не более ПДК.
Конкретные мероприятия по обеспечению безопасности ремонтных работ должны разрабатываться в соответствии с руководящими материалами.
10.5. Ремонт факельных оголовков при расположении в общей зоне ограждения нескольких факельных стволов следует проводить в теплозащитном костюме.
10.6. Запрещается во время грозы находиться на площадке факельной установки и прикасаться к металлическим частям и трубам.
10.7. В зоне ограждения факельного ствола запрещается находиться лицам, не связанным с эксплуатацией факельных систем.
10.8. Факельные установки должны быть обеспечены первичными средствами пожаротушения в соответствии с действующими нормами.
АВАРИЙНЫЕ СБРОСЫ - горючие газы и пары, поступающие в факельную систему при срабатывании рабочих предохранительных клапанов и других устройств аварийного сброса. Величина аварийного сброса принимается равной максимально возможному сбросу из технологической установки.
ГАЗОВЫЙ ЗАТВОР - устройство для предотвращения попадания воздуха в факельную систему через верхний срез факельного ствола и снижения расхода продувочного газа.
МИНИМАЛЬНОЕ ВЗРЫВООПАСНОЕ СОДЕРЖАНИЕ КИСЛОРОДА - концентрация кислорода в горючей смеси, ниже которой воспламенение и горение смеси становятся невозможными при любой концентрации горючего в смеси.
НАЧАЛО ФАКЕЛЬНОЙ СИСТЕМЫ - участки факельных трубопроводов (коллекторов), непосредственно примыкающие к границе технологической установки.
ОБЩАЯ ФАКЕЛЬНАЯ СИСТЕМА - факельная система, которая обслуживает группу технологически не связанных производств (установок).
ОТДЕЛЬНАЯ ФАКЕЛЬНАЯ СИСТЕМА - система, обслуживающая одно производство, один цех, одну технологическую установку, один склад или несколько технологических блоков, которые связаны единой технологией в одну технологическую нитку и могут останавливаться одновременно (один источник сброса).
ПЕРИОДИЧЕСКИЕ СБРОСЫ - горючие газы и пары, направляемые в факельную систему при пуске, остановке оборудования, отклонениях от технологического режима.
ПОСТОЯННЫЕ СБРОСЫ - горючие газы и пары, поступающие непрерывно от технологического оборудования и коммуникаций при нормальной их эксплуатации.
ПОСТОЯННЫЙ ОТВОД ЖИДКОСТИ - непрерывное ее удаление из сепаратора самотеком без использования насосов.
РАБОЧИЙ ПРЕДОХРАНИТЕЛЬНЫЙ КЛАПАН - клапан, установленный в соответствии с Правилами устройства и безопасной эксплуатации сосудов, работающих под давлением, для предотвращения роста давления в аппарате.
РЕЗЕРВНЫЙ РАБОЧИЙ КЛАПАН - предохранительный клапан, установленный параллельно рабочему и включаемый в работу блокировочным устройством «закрыто-открыто».
СБРОСНАЯ ТРУБА - вертикальная труба для сброса газов и паров в атмосферу без сжигания.
СБРОСЫ (СБРОСНЫЕ ГАЗЫ И ПАРЫ) - отходящие от производства, цеха, технологической установки, склада или иного источника горючие газы и пары, которые не могут быть непосредственно использованы в данной технологии.
СВЕЧА - устройство для выпуска продувочного газа в атмосферу.
СПЕЦИАЛЬНАЯ ФАКЕЛЬНАЯ СИСТЕМА - система для сжигания газов и паров, которые по своим свойствам и параметрам не могут быть направлены в общую или отдельную факельную систему. Сбросы в этом случае имеют следующие особенности: сбрасываемые газы содержат вещества, склонные к разложению с выделением тепла; полимеризующиеся продукты, агрессивные вещества, механические примеси, уменьшающие пропускную способность трубопроводов; продукты, способные вступать в реакцию с другими веществами, направляемыми в факельную систему; сероводород в концентрациях более 8 %. Используется также, если давление в технологической установке не обеспечивает сброс в общую факельную систему и т.д.
СПЕЦИАЛЬНЫЙ ФАКЕЛЬНЫЙ ТРУБОПРОВОД - трубопровод для подачи сбросного газа к факельной установке (факельному оголовку) при особых условиях, не совпадающих с условиями в факельном коллекторе.
УСТАНОВКА СБОРА УГЛЕВОДОРОДНЫХ ГАЗОВ И ПАРОВ - совокупность устройств и сооружений, предназначенных для сбора и кратковременного хранения сбрасываемых газов общей факельной системы, возврата газа и конденсата на предприятие для дальнейшего использования.
ФАКЕЛЬНЫЙ КОЛЛЕКТОР - трубопровод для сбора и транспортировки сбросных газов и паров от нескольких источников сброса.
ФАКЕЛЬНЫЙ ОГОЛОВОК - устройство из жаропрочной стали с дежурными горелками и запальниками, оснащенное приспособлениями для подачи водяного пара, распыленной воды и воздуха.
ФАКЕЛЬНЫЙ СТВОЛ - вертикальная труба с оголовком и газовым затвором.
ФАКЕЛЬНЫЙ ТРУБОПРОВОД - трубопровод для подачи сбросных газов и паров от одного источника сброса.
ФАКЕЛЬНАЯ УСТАНОВКА - совокупность устройств, аппаратов, трубопроводов и сооружений для сжигания сбрасываемых газов и паров.

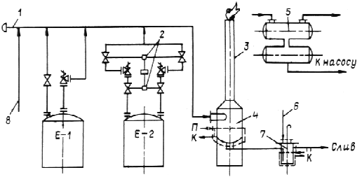
1 - защищаемый аппарат; 2 - цеховой сепаратор; 3 - факельный сепаратор; 4 - факельный ствол; 5 - газовый затвор; 6 - блокировочное устройство «закрыто-открыто»; 7 - цеховой коллектор; 8 - факельный коллектор; 9 - продувочный газ; 10 - линия ручного сброса; 11 - граница цеха; 12 - сброс газов от ПК на др. аппаратах цеха; 13 - сброс газов от др. цехов производства

1 - факельный коллектор; 2 - блокировочное устройство; 3 - факельный ствол; 4 - сепаратор (вариант А); 5 - сепаратор (вариант В); 6 - подача затворной жидкости; 7 - гидрозатвор; 8 - продувочный газ

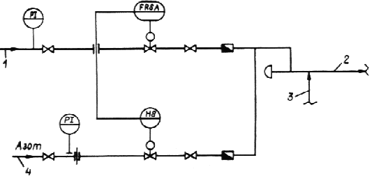
1 - подача продувочного (топливного) газа; 2 - факельный коллектор; 3 - источник сброса, наиболее удаленный от факельной установки; 4 - подача азота
Расчет проведен для условий, когда выброс осуществляется горизонтально в течение длительного времени при наихудших метеоусловиях (штиль), а максимальная приземная концентрация газа не превышает 50 % нижнего предела распространения пламени (воспламенения). Для уменьшения приземной концентрации рекомендуется сбросной патрубок направлять вертикально вверх.
1. Величина приземной концентрации газа на различных расстояниях от предохранительного клапана определяется по формуле:
г/м3,
где М - количество сбрасываемого газа, г/с;
V - секундный объем сбрасываемого газа при нормальном давлении, м3/с;
d - диаметр сбросного патрубка, м;
Х - горизонтальное расстояние от сбросного патрубка до места, в котором определяется концентрация, м;
r, rв - плотность сбрасываемого газа и окружающего воздуха, кг/м3;
h - высота сбросного патрубка, м.
2. Величина максимальной приземной концентрации газа определяется по формуле:
г/м3.
3. Расстояние, на котором наблюдается максимальная приземная концентрация, составляет:
м.
4. Минимальная высота выброса определяется по формуле:
м,
где Снпв - концентрация нижнего предела распространения пламени, г/м3.
Примечания.
1. Рекомендуется принимать скорость выхода газа из сбросного патрубка 80 м/с.
2. Опасной зоной считается круг радиусом Хм.

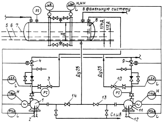
1 - рабочий насос; 2 - вход уплотняющей жидкости торцевого уплотнения вала рабочего насоса; 3 - вентиль возвратного трубопровода рабочего насоса; 4 - задвижка нагнетательного трубопровода рабочего насоса; 5 - минимальный уровень жидкой фазы в сепараторе; 6 - уровень начала откачки жидкой фазы из сепаратора; 7 - максимальный уровень жидкой фазы в сепараторе; 8 - перфорированная труба; 9 - задвижка нагнетательного трубопровода резервного насоса; 10 - вентиль возвратного трубопровода резервного насоса; 11 - резервный насос; 12 - вход уплотняющей жидкости торцевого уплотнения вала резервного насоса; 13 - задвижка всасывающего трубопровода резервного насоса; 14 - задвижка всасывающего трубопровода рабочего насоса
Ситуация 1
Сброс углеводородных газов в факельную систему не производится. Факельная система заполнена топливным или инертным газом. Факельный сепаратор и насосы жидкостью не заполнены. Задвижки (приложение 6 - поз. 13 и 14), вентили (поз. 3 и 10) находятся в открытом положении. Задвижки (поз. 4 и 9) закрыты.
Ситуация 2
Происходит сброс углеводородных газов в факельную систему. В сепараторе появляется конденсат, который по всасывающему трубопроводу поступает в оба насоса и заполняет их. Отвод газовой фазы происходит из нагнетательных линий насосов в сепаратор по трубопроводу Ду 25 через дроссельную шайбу с отверстием в ней 10 мм.
Ситуация 3
В факельном сепараторе продолжается накопление жидкости. Жидкость достигает уровня откачки (1/4 высоты сепаратора). Автоматически включается рабочий насос. Открывается задвижка на нагнетании (приложение 6 - поз. 4). Если уровень продолжает повышаться и достигает максимального уровня (1/2 высоты сепаратора), дается команда на включение резервного насоса и открывается задвижка (поз. 9) на линии нагнетания резервного насоса.
Ситуация 4
В результате откачки количество жидкости в сепараторе уменьшается до минимального уровня, который определяется временем остановки насоса. При достижении этого уровня насос (насосы) автоматически выключается и закрываются задвижки на нагнетании.
1. Обозначения и определения.
Cpi, Cvi - теплоемкости компонентов, Дж/(моль·К);
D - диаметр факельной трубы, м;
k -
показатель адиабаты, ![]()
М - молекулярная масса, кг/(кг/кг/моль);
Ni - молярная доля i-го компонента в смеси;
Т - температура газа, К;
V - скорость истечения сбросного газа, м/с;
Vв - скорость ветра на уровне центра пламени, м/с,
при H + Z <
60,
при 60 < H + Z < 200;
Vт - максимальная скорость ветра, м/с, определяемая по приложению 4 СНиП 2.01.01.82 «Строительная климатология и геофизика».
Vзв - скорость звука в сбрасываемом газе, м/с:
![]()
m - отношение скорости истечения к скорости звука в сбрасываемом газе, m = V/Vзв.
При этом рекомендуется принимать:
при постоянных сбросах m £ 0,2;
при периодических и аварийных сбросах m £ 0,5;
Х - расстояние от факельного ствола, м;
Xmin - минимальное расстояние от факельного ствола до объекта; м;
q - плотность теплового потока в расчетной точке, кВт/м2;
q = qп + qс,
qп - плотность теплового потока от пламени, кВт/м2;
qпд - предельно допустимая плотность теплового потока, кВт/м2;
qпдп = qпд - qс,
qпдп - предельно допустимая плотность теплового потока от пламени, кВт/м2;
qс - прямая солнечная радиация, кВт/м2, определяется для 11-12 ч по приложению 5 СНиП 2.01.01-82 «Строительная климатология и геофизика».
Q - количество тепла, выделяемое пламенем, кВт;
h - высота объекта, м;
H - высота факельного ствола, м, рекомендуется принимать не менее 35D;
Z - расстояние от центра излучения пламени до верха ствола, м;
при m < 0,2 рекомендуется принимать Z = 5D,
при m ³ 0,2 определяют по следующим соотношениям:
H/D.......20 30 35 40 60 80 100
Z/D....... 32 37 39 40 44 47 48
a - угол отклонения пламени (угол между вертикалью и осью пламени), градус,
tga =Vв/V;
e - коэффициент излучения пламени, принимаемый по справочным данным.
Значения qпд, кВт/м2 рекомендуется принимать:
У основания факельного ствола 9,4
При условии эвакуации персонала в течение 30 с 4,8
На ограждении факельной установки и при условии
эвакуации персонала в течение 3 мин 2,8
Неограниченное пребывание персонала 1,4
Расчетный вариант сброса определяется по максимальной плотности теплового потока.
2. Расчетные формулы.
2.1. Плотность теплового потока qп проверяют при выбранной высоте факельного ствола Н и заданном расстоянии X. Минимальное расстояние между факельным стволом и объектом определяют при выбранной высоте факельного ствола. Высоту факельного ствола определяют при заданном расстоянии между факельным стволом и объектом.
2.2. При m < 0,2

![]()

2.3. При m ³ 0,2



СОДЕРЖАНИЕ