
ГОСУДАРСТВЕННЫЙ СТАНДАРТ СОЮЗА ССР
СИСТЕМА ПРОЕКТНОЙ ДОКУМЕНТАЦИИ ДЛЯ СТРОИТЕЛЬСТВА
ТЕХНОЛОГИЯ ПРОИЗВОДСТВА
ОСНОВНЫЕ ТРЕБОВАНИЯ К РАБОЧИМ ЧЕРТЕЖАМ
ГОСТ 21.401-88
ГОСУДАРСТВЕННЫЙ СТРОИТЕЛЬНЫЙ КОМИТЕТ СССР
Москва
ГОСУДАРСТВЕННЫЙ СТАНДАРТ СОЮЗА ССР
|
Система проектной документации для строительства ТЕХНОЛОГИЯ ПРОИЗВОДСТВА Основные требования к рабочим чертежам System
of design documents for construction. |
ГОСТ |
Дата введения 01.07.88
Настоящий стандарт устанавливает состав и правила оформления рабочих чертежей технологии производства всех отраслей промышленности и народного хозяйства.
1.1. Рабочие чертежи технологии производства выполняют в соответствии с требованиями настоящего стандарта и стандартов системы проектной документации для строительства (СПДС).
1.2. В состав рабочих чертежей технологии производства включают:
рабочие чертежи, предназначенные для монтажа оборудования и технологических трубопроводов (основной комплект рабочих чертежей марки ТХ);
задание на разработку деталировочных чертежей технологических блоков, собираемых организациями, осуществляющими монтаж (далее - задание на разработку технологических блоков);
чертежи специальных технологических трубопроводов;
исходные требования к разработке конструкторской документации по оборудованию индивидуального изготовления, составляемые в соответствии с ГОСТ 15.001-73, если эти требования не разработаны в рабочем проекте (проекте).
1.3. В состав основного комплекта рабочих чертежей марки ТХ включают:
общие данные по рабочим чертежам;
схему соединений (монтажную);
чертежи расположения оборудования и трубопроводов;
ведомость трубопроводов.
К основному комплекту рабочих чертежей марки ТХ составляют:
ведомость потребности в материалах по ГОСТ 21.109-80;
спецификацию оборудования по ГОСТ 21.110-82;
ведомость объемов монтажных работ по ГОСТ 21.111-84.
1.4. Основные комплекты рабочих чертежей выполняют на каждый технологический узел в соответствии с проектом организации строительства с присвоением им обозначений, включающих марку чертежа ТХ и порядковый номер, например, ТХ1, ТХ2 и т. д.
1.5. На схемах и чертежах изображают:
оборудование, трубопроводы и их элементы - в виде упрощенных контурных очертаний в масштабе чертежа или условными графическими изображениями сплошной толстой основной линией. Допускается трубопроводы, диаметр которых в масштабе чертежа превышает 3 мм, изображать двумя линиями;
блоки на планах в виде прямоугольника, на разрезах - по наружному контуру сплошной основной линией;
трассы специальных трубопроводов - сплошной толстой основной линией;
строительные конструкции в виде упрощенных контурных очертаний - сплошной тонкой линией.
Обозначения должны быть одинаковыми во всех текстовых и графических документах основного комплекта.
1.6. Термины, используемые в стандарте, и их пояснения приведены в приложении 1.
2.1. В состав общих данных по рабочим чертежам марки ТХ в дополнение к данным, предусмотренным ГОСТ 21.102-79, включают схему расположения технологических узлов.
При наличии ТХ1, ТХ2 и т. д. схему размещают на листах общих данных марки ТХ1.
На схеме указывают:
границы и номера каждого технологического узла;
вводы и выводы основных трубопроводов с обозначением трубопроводов и с привязкой их к координационным осям зданий (сооружений). Допускается для групповых вводов и выводов привязку выполнять только к осям крайних трубопроводов или осям подводящих эстакад.
К схеме приводят ведомость технологических узлов по форме 1, графы которой заполняют в соответствии с их наименованием.
Ведомость технологических узлов
Пример оформления схемы и ведомости приведен в приложении 2.
2.2. В общих указаниях в дополнение к сведениям, предусмотренным ГОСТ 21.102-79, приводят:
характеристику трубопроводов (форма 2);
указания о хранении оборудования и элементов специальных технологических трубопроводов, требующих укрытия;
технические указания, соблюдение которых обязательно при монтаже оборудования.
Характеристика трубопроводов
2.2.1. В форме 2 указывают:
в графе «Обозначения» - обозначение трубопровода по схеме соединений (монтажной), выполняемой в соответствии с разд. 3;
в графе «Наименование транспортируемого продукта» - наименование или номер транспортируемого продукта;
в графе «Категория трубопроводов» - категорию и группу трубопровода в соответствии с действующими нормативными документами;
в графе «Испытание» - вид (прочность, герметичность) и способ (гидравлический, пневматический) испытания;
в графе «Дополнительные указания» - дополнительные указания по испытанию (при испытании на герметичность - время испытания и величину падения давления), требования к внутренней поверхности трубопровода после испытания (продувка, очистка и дополнительная обработка).
Остальные графы заполняют в соответствии с их наименованием.
2.3. В ведомость ссылочных и прилагаемых документов (в раздел «Прилагаемые документы») в дополнение к данным, предусмотренным ГОСТ 21.102-79, записывают задания на разработку технологических блоков, чертежи специальных технологических трубопроводов, исходные требования к разработке конструкторской документации по оборудованию индивидуального изготовления, составляемые в соответствии с ГОСТ 15.001-73.
3.1. Схему соединений (монтажную) выполняют в соответствии с требованиями настоящего стандарта, а также ГОСТ 2.701-84.
3.2. На схеме указывают:
оборудование. При трех или более одинаковых машинах или аппаратах с аналогичной обвязкой трубопроводами на схеме указывают только одну машину или аппарат с линиями и обозначением их количества и последовательности соединения;
блоки без указания составных частей и связей между ними;
трубопроводы и их элементы;
позиционное или буквенно-цифровое обозначение оборудования и трубопроводов в соответствии со спецификацией к чертежам расположения оборудования и трубопроводов;
величину условного прохода (Dy) и материал труб (кроме углеродистых сталей);
направление потока продукта;
наименование транспортируемого продукта и его параметра на вводах и выводах трубопроводов;
величину давления, на которую должны быть отрегулированы предохранительные клапаны.
Все буквенно-цифровые обозначения оборудования, трубопроводов и их элементов наносят на полках линии-выноски. Допускается:
обозначения оборудования наносить в контуре упрощенного графического изображения;
обозначения трубопроводов наносить над линиями, либо в разрывах линий трубопроводов.
Пример оформления схемы приведен в приложении 3.
3.3. Схемы допускается выполнять:
на листах чертежа расположения оборудования и трубопроводов;
совмещенными со схемами автоматизации технологических процессов производства;
при сложных трубопроводных системах - раздельно для групп трубопроводов по их назначению;
без перечня элементов к схеме.
4.1. Чертежи расположения оборудования и трубопроводов (далее - чертежи расположения) выполняют в соответствии со схемой соединения.
4.2. В состав чертежей расположения включают планы, разрезы, сечения, фрагменты планов и разрезов, узлы, достаточные для подготовки и производства монтажных работ.
4.3. Планы и разрезы чертежей расположения выполняют в масштабе 1 : 50, 1 : 100 или 1 : 200, фрагменты планов и разрезов - в масштабе 1 : 50, узлы - в масштабе 1 : 10, 1 : 25.
4.4. На чертежах расположения указывают и обозначают:
оборудование;
блоки;
трубопроводы и их элементы, опоры трубопроводов и опорные конструкции под них;
трассы специальных технологических трубопроводов;
каналы и лотки для прокладки трубопроводов;
места обслуживания оборудования, при необходимости;
координационные оси здания (сооружения) и расстояние между ними;
отметки чистых полов этажей и основных площадок;
позиционное или буквенно-цифровое обозначение оборудования, участков трубопроводов;
места подключения трубопроводов к блокам, машинам и аппаратам, соединения трубопроводов между собой, величину и направление уклонов трубопроводов;
величину предварительного растяжения (сжатия) компенсаторов;
привязку оборудования, трубопроводов и их элементов к координационным осям или к элементам конструкций зданий (сооружений). Допускается взаимная привязка оборудования и трубопроводов;
величину условного прохода (Dy) и материал труб (кроме углеродистых сталей);
направление потока продукта на вводах, выводах и разветвлениях;
допустимые монтажные нагрузки на крановые пути и монорельсы, а также на перекрытия и строительные конструкции, которые могут быть использованы для монтажа оборудования.
4.5. К чертежам расположения выполняют спецификации по форме 1 ГОСТ 21.104-79. В спецификацию включают оборудование и участки трубопроводов. Состав участков трубопроводов указывают в ведомости трубопроводов.
Графу «Масса ед., кг» не заполняют.
Пример оформления чертежа расположения и спецификации к нему приведен в приложении 4.
5.1. Ведомость трубопроводов выполняют по форме 3.
На каждый участок трубопровода, обозначенный на чертеже расположения номером позиции, в ведомость записывают все элементы трубопроводов, находящиеся в границе участка.
Ведомость трубопроводов
5.2. В ведомости указывают:
в графе «Наименование» - наименование элементов трубопроводов и их обозначение в соответствии с нормативно-технической документацией или указанием номера чертежа элемента трубопровода;
в графе «Всего» - общее количество элементов трубопроводов по всем позициям, указанным в ведомости трубопроводов.
Остальные графы заполняют в соответствии с их наименованием.
Пример оформления ведомости трубопроводов приведен в приложении 5.
5.3. Допускается:
ведомость трубопроводов, составленную на ЭВМ, выполнять по форме машинно-ориентированных документов;
совмещать ведомость трубопроводов и характеристики трубопроводов;
при большом количестве трубопроводов на проектируемом объекте выполнять ведомость трубопроводов в составе рабочей документации в виде отдельного документа (по форме 3 или форме машинно-ориентировочного документа) с присвоением ему самостоятельного обозначения, состоящего из обозначения основного комплекта и (через точку) шифра ВТ.
В этом случае ведомость трубопроводов записывают в раздел «Прилагаемые документы» ведомости ссылочных и прилагаемых документов общих данных соответствующего основного комплекта рабочих чертежей.
6.1. Задание на разработку/ технологического блока должно содержать чертеж блока и ведомость трубопроводов (разд. 5) в составе блока.
6.2. На чертеже блока приводят и указывают:
схему соединения (монтажную) блока, выполненную в соответствии с требованиями, приведенными в п. 3.2. Наименование транспортируемого продукта и его параметры на вводах и выводах в блок указывают в характеристике трубопроводов. Схему располагают на первом листе чертежа блока;
машины, аппараты, трубопроводы и их элементы, опорные конструкции;
составные части блоков, объединенные в поставочные и монтажные узлы на опорных конструкциях;
планы, разрезы, сечения, необходимые для разработки деталировочных чертежей трубопроводов и опорных конструкций, а также сборки блока;
характеристику трубопроводов по форме 2;
позиционное обозначение составных частей блока;
решения по креплению блока к несущим строительным конструкциям;
размеры, определяющие положение составных частей блока;
особые требования, не приведенные в общих данных основного комплекта рабочих чертежей, в части транспортирования и хранения, изготовления, испытания и монтажа блока, другие необходимые требования;
буквенные обозначения входа и выхода трубопроводов.
Пример оформления чертежа блока приведен в приложении 6.
6.3. На каждый блок составляют спецификацию по форме 1 ГОСТ 21.104-79 с учетом следующих дополнительных требований:
Графу «Масса ед., кг» заполняют для оборудования.
Составные части блока записывают в спецификации в следующем порядке.
1) Документация. В графе «Наименование» указывают наименование документа, а в графе «Обозначение» - его номер.
2) Оборудование. В графе «Наименование» указывают наименование машин или аппарата, а в графе «Обозначение» - нормативно-технический документ или номер чертежа.
3) Опорные конструкции блока. В графе «Наименование» указывают наименование конструкции, а в графе «Обозначение» - номер чертежа или типового проекта.
4) Заимствованные (ранее разработанные) узлы, входящие в состав блока. В графе «Наименование» указывают наименование узла, а в графе «Обозначение» - номер чертежа или типового проекта.
5) Трубопроводы. В графе «Наименование» указывают трубопровод с указанием начальной и конечной точки в границах блока.
Пример оформления спецификации блока приведен в приложении 7.
Пример оформления ведомости трубопроводов на блок приведен в приложении 8.
Специальный технологический трубопровод изображают во фронтальной диметрической проекции по ГОСТ 2.317-69.
На чертеже указывают:
позиции элементов трубопроводов;
размеры, необходимые для сборки трубопровода.
Спецификацию к чертежу специального технологического трубопровода выполняют по форме 1 ГОСТ 21.104-79.
Графу «Масса ед., кг» не заполняют.
Пример оформления чертежа специального технологического трубопровода приведен в приложении 9.
Справочное
ТЕРМИНЫ, ИСПОЛЬЗУЕМЫЕ В СТАНДАРТЕ, И ИХ ПОЯСНЕНИЯ
|
Термин |
Пояснение |
|
1. Технологический узел |
Конструктивно и технологически обособленная часть объекта строительства, техническая готовность которой позволяет автономно, независимо от готовности объекта в целом, производить пуско-наладочные работы, индивидуальные испытания и комплексное опробывание этой части объекта. Технологические узлы, как правило, выделяют стадии технологического процесса объекта - подготовку сырья, этапы его переработки, выделения конечного продукта, хранение и т. д. |
|
2. Оборудование |
Технологические блоки, машины, аппараты, грузоподъемные средства. |
|
3. Технологический блок |
Комплекс или сборочная единица* технологического оборудования заданного уровня заводской готовности и производственной технологичности, предназначенные для осуществления основных или вспомогательных технологических процессов. В состав блока включают машины, аппараты, первичные средства контроля и управления, трубопроводы, опорные и обслуживающие конструкции, тепловую изоляцию и химическую защиту. Блоки, как правило, формируют для осуществления теплообменных, массообменных, гидродинамических, химических и биологических процессов. Номенклатура блоков устанавливается ведомственными нормативными документами, согласованными с министерствами, осуществляющими монтажные работы. |
|
4. Технологические трубопроводы |
Трубопроводы, предназначенные для транспортирования различных веществ, необходимых для ведения технологического процесса или эксплуатации оборудования. |
|
5. Специальные трубопроводы |
Технологические трубопроводы стальные с внутренними покрытиями, стальные, работающие под давлением 10 МПа и более, трубопроводы из неметаллических материалов. |
|
6. Участок трубопровода |
Часть технологического трубопровода из одного материала, по которому транспортируют вещество с одним давлением и температурой. При определении участка трубопровода в его границах для одного условного прохода должна быть обеспечена идентичность марок арматуры, фланцев, отводов, тройников и переходов. |
|
7. Элементы трубопровода |
Патрубки (трубы), отводы, переходы, тройники, фланцы, компенсаторы, отключающая, регулирующая, предохранительная арматура, опоры, прокладки и крепежные изделия, устройства, устанавливаемые на трубопроводах для контроля и управления, конденсационные и другие детали и устройства |
_____________
* Определение комплекса и сборочной единицы - ГОСТ 2.101-68.
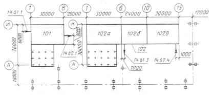
Справочное
Схема технологических узлов

Черт. 1
Ведомость технологических узлов
|
Номер узла по схеме |
Наименование технологи-ческого узла |
Категория производства по взрывной, взрывопожарной и пожарной опасности |
Степень огнестой-кости здания |
Класс помещения и наружных установок по ПУЭ |
Группа процессов по санитарной характеристике |
|
101 |
Насосная |
В |
II |
II-II |
IIIб |
|
|
в т. ч. помещение смазки |
А |
III |
- |
II |
|
|
|
|
|
|
|
Справочное
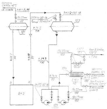
Схема соединений (монтажная)

Черт. 2
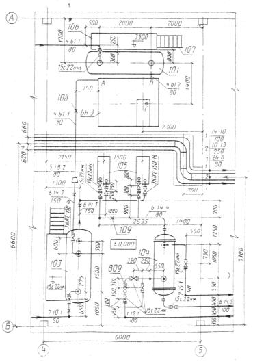
Справочное
План на отм. 0.000

Черт. 3
|
Поз. |
Обозначение |
Наименование |
Кол. |
Масса, кг |
Примеч. |
|
101 |
ОСТ 26-02-1496-76 |
Емкость 1-4,0-1200-1,0-1-2-1-0 |
1 |
|
|
|
БН-3 |
ХХХ-ХХ ТХ.И-БН-3. ВО |
Блок нагнетания |
1 |
|
|
|
103 |
ОСТ 26-02-1496-76 |
Емкость 1-6,3-1600-1,0-1-2-1-0 |
1 |
|
|
|
104 |
НИ 780 |
Теплообменник |
|
|
|
|
105 |
ХХХ-ХХ |
1200 ИТ-2-16 МЛ25 Г4 |
1 |
|
|
|
|
|
Насос НК 65/35-70 с |
2 |
|
|
|
|
|
электродвигателем |
|
|
|
|
|
|
ВАО-81-8, N = 40 кВт, |
|
|
|
|
|
|
n = 2950 |
|
|
|
|
4.61.1 |
|
Участок трубопровода |
1 |
|
|
|
|
|
от границы установки |
|
|
|
|
|
|
до поз. 101 |
|
|
|
|
4.61.3 |
|
Участок трубопровода |
1 |
|
|
|
|
|
от поз. БН-3 до участка |
|
|
|
|
|
|
трубопровода 5.18.2 |
|
|
|
|
7.10.1 |
|
Участок трубопровода |
1 |
|
|
|
|
|
от поз. 103 до границы |
|
|
|
|
|
|
установки |
|
|
|
|
6.14.2 |
|
Участок трубопровода |
1 |
|
|
|
|
|
от участка трубопровода |
|
|
|
|
|
|
5.18.2 до поз. 103 |
|
|
|
|
|
|
|
|
|
|
|
|
|
|
|
|
|
Справочное
|
Наименование |
Единица изм. |
Всего |
Кол. на участок трубопровода |
||||||||
|
4.61.1 |
4.61.3 |
6.14.2 |
7.10.1 |
|
|
|
|
||||
|
Труба |
ГОСТ 8732-78 |
|
|
|
|
|
|
|
|
|
|
|
ВСт20 ГОСТ 8731-74 |
|||||||||||
|
159´4,5 |
м |
3,0 |
|
|
3,0 |
|
|
|
|
|
|
|
89´3,5 |
м |
2,0 |
2,0 |
|
|
|
|
|
|
|
|
|
57´3,5 |
м |
6,75 |
|
4,25 |
|
2,5 |
|
|
|
|
|
|
|
|
|
|
|
|
|
|
|
|
|
|
|
Отвод 90° ГОСТ 17375-83: |
|
|
|
|
|
|
|
|
|
|
|
|
159´4,5 |
шт. |
2 |
|
|
2 |
|
|
|
|
|
|
|
89´3,5 |
шт. |
2 |
2 |
|
|
|
|
|
|
|
|
|
57´3,5 |
шт. |
5 |
|
2 |
|
3 |
|
|
|
|
|
|
|
|
|
|
|
|
|
|
|
|
|
|
|
Переход ГОСТ 17378-83 |
шт. |
|
|
|
|
|
|
|
|
|
|
|
159´4,5-57´3,0 |
|
1 |
|
1 |
|
|
|
|
|
|
|
|
|
|
|
|
|
|
|
|
|
|
|
|
|
Задвижка ЗКЛ2-150-16 |
шт. |
1 |
|
|
1 |
|
|
|
|
|
|
|
Вентиль 15с22нж |
шт. |
|
|
|
|
|
|
|
|
|
|
|
Dy80, Py40 |
|
1 |
1 |
|
|
|
|
|
|
|
|
|
Dy50, Py40 |
|
1 |
|
|
|
1 |
|
|
|
|
|
|
Опора ГОСТ 14911-81 |
шт. |
|
|
|
|
|
|
|
|
|
|
|
ОПП2-100.159 |
|
1 |
|
|
1 |
|
|
|
|
|
|
|
ОПП2-100.57 |
|
2 |
|
1 |
|
1 |
|
|
|
|
|
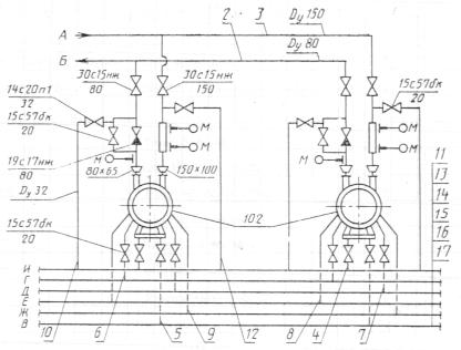
Справочное

Черт. 4
Характеристика трубопроводов
|
Обозначение |
Наименование транспортируемого продукта |
Категория трубопровода |
Рабочие условия трубопровода |
Испытание |
Дополнительные указания |
||
|
Температура, °С |
Давление, МПа (кгс/см2) |
Вид |
Давление, МПа (кгс/см2) |
||||
|
3 |
Кислота |
III |
43 |
1,0 (10) |
Прочность |
1,3 (13) |
|
|
2 |
« |
III |
43 |
1,4 (14) |
« |
1,7 (17) |
|
|
17 |
Охлаждающая жидкость |
V |
20 |
0,3 (3) |
« |
0,5 (5) |
|
|
13 |
То же |
V |
20 |
0,3 (3) |
« |
0,5 (5) |
|
|
14 |
Уплотнительная жидкость |
V |
40 |
0,6 (6) |
« |
0,9 (9) |
|
|
15 |
То же |
V |
40 |
0,6 (6) |
« |
0,9 (9) |
|
|
16 |
Утечки |
V |
20 |
0,1 (1) |
« |
0,2 (2) |
|
|
11 |
Дренаж кислоты |
III |
43 |
1,0 (10) |
« |
1,3 (13) |
|
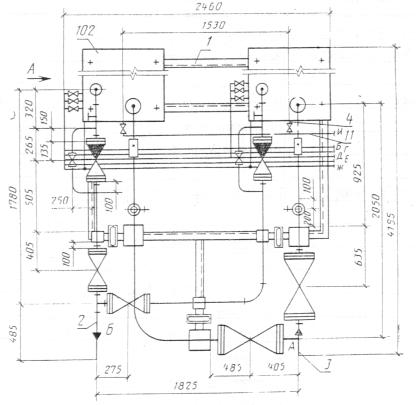
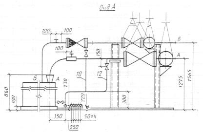
План на отм. 0.000

Черт. 5

Черт. 6
|
Поз. |
Обозначение |
Наименование |
Кол. |
Масса ед., кг |
Примеч. |
|
|
ХХХ-ХХ-ТХ1.И-БН.ВО |
Блок нагнетания |
|
|
|
|
|
ХХХ-ХХ-ТХ1.И-БН.ВТ |
Ведомость трубопроводов |
|
|
|
|
|
|
|
|
|
|
|
102 |
ХХХ-ХХ |
Насос НК 65/35-70 |
2 |
500 |
|
|
|
|
с электродвигателем |
|
|
|
|
|
|
ВАО-81-2 N = 40 кВт |
|
|
|
|
|
|
|
|
|
|
|
1 |
ХХХ-ХХ-БН 00.001 |
Конструкция опорная |
1 |
|
|
|
|
|
|
|
|
|
|
2 |
|
Трубопровод от штуцера Б до |
1 |
|
|
|
|
|
границы блока |
|
|
|
|
3 |
|
Трубопровод от штуцера А до |
1 |
|
|
|
|
|
границы блока |
|
|
|
|
4 |
|
Трубопровод от насоса до |
2 |
|
|
|
|
|
коллектора И |
|
|
|
|
5 |
|
Трубопровод от насоса до |
2 |
|
|
|
|
|
коллектора В |
|
|
|
|
6 |
|
Трубопровод от насоса до |
2 |
|
|
|
|
|
коллектора Г |
|
|
|
|
7 |
|
Трубопровод от насоса до |
2 |
|
|
|
|
|
коллектора Д |
|
|
|
|
8 |
|
Трубопровод от насоса до |
2 |
|
|
|
|
|
коллектора Е |
|
|
|
|
9 |
|
Трубопровод от насоса до |
2 |
|
|
|
|
|
коллектора Ж |
|
|
|
|
10 |
|
Трубопровод от трубопровода |
2 |
|
|
|
|
|
поз. 2 до коллектора И |
|
|
|
|
|
|
|
|
|
|
|
Наименование |
Единица изм. |
Всего |
Кол. на участок трубопровода |
||||||||
|
Поз 2 |
Поз 3 |
Поз 4 |
Поз 10 |
|
|
|
|
||||
|
Труба |
ГОСТ 8732-78 |
|
|
|
|
|
|
|
|
|
|
|
ВСт20 ГОСТ 8731-74 |
|||||||||||
|
|
|
|
|
|
|
|
|
|
|
|
|
|
159´4,5 |
м |
1,9 |
|
1,9 |
|
|
|
|
|
|
|
|
89´3,5 |
м |
3,5 |
3,5 |
|
|
|
|
|
|
|
|
|
Труба |
ГОСТ 8734-75 |
|
|
|
|
|
|
|
|
|
|
|
ВСт20 ГОСТ 8733-74 |
|||||||||||
|
|
|
|
|
|
|
|
|
|
|
|
|
|
25´1,6 |
м |
5,4 |
|
|
0,9 |
4,5 |
|
|
|
|
|
|
38´2 |
|
|
|
|
|
|
|
|
|
|
|
|
Отвод 90° ГОСТ 17375-83 |
|
|
|
|
|
|
|
|
|
|
|
|
159´4,5 |
шт. |
3 |
|
3 |
|
|
|
|
|
|
|
|
89´3,6 |
шт. |
3 |
3 |
|
|
|
|
|
|
|
|
|
Переход ГОСТ 17378-83 |
|
|
|
|
|
|
|
|
|
|
|
|
159´4,5-108´4 |
шт. |
1 |
|
1 |
|
|
|
|
|
|
|
|
89´3,5-76´3,5 |
шт. |
2 |
2 |
|
|
|
|
|
|
|
|
|
Опора ГОСТ 14911-81 |
|
|
|
|
|
|
|
|
|
|
|
|
ОПП 2-150.159 |
шт. 3 |
|
3 |
|
|
|
|
|
|
|
|
|
ОПП 2-80-89 |
шт. |
3 |
3 |
|
|
|
|
|
|
|
|
|
Вентиль 15с27нж1 |
|
|
|
|
|
|
|
|
|
|
|
|
Dy25, Py16 |
in/ |
6 |
2 |
|
2 |
2 |
|
|
|
|
|
|
|
|
|
|
|
|
|
|
|
|
|
|
Справочное

Черт. 7
Спецификация трубопровода
|
Поз. |
Обозначение |
Наименование |
Кол. |
Примеч. |
|
1 |
ТУ 14-3-425-76 |
Переход ПВП 80´50 |
1 |
|
|
2 |
ТУ 14-3-523-76 |
Труба 6-50 ПВП´1000 |
2 |
|
|
3 |
ТУ 26-07-123-74 |
Вентиль диафрагмовый футерованный фланцевый |
1 |
|
|
|
Каталог ЦКБА, ч. 1, 1981 г. |
15ч76п1, Dy 50, Py 0,6 (6) |
|
|
|
4 |
ТУ 14-3-424-75 |
Отвод 6 ПВП 50´90° |
2 |
|
|
5 |
ТУ 14-3-523-76 |
Труба 6-50 ПВП´4000 |
3 |
|
|
6 |
ТУ 14-3-523-76 |
Труба 6-50 ПВП´2000 |
1 |
|
|
7 |
ТУ 14-3-424-75 |
Отвод 6 ПВП 50´45° |
2 |
|
ИНФОРМАЦИОННЫЕ ДАННЫЕ
1. РАЗРАБОТАН
Всесоюзным научно-исследовательским институтом по монтажным и специальным строительным работам («ВНИИМмонтажспецстрой»)
Государственным институтом по проектированию технологии монтажа предприятий нефтеперерабатывающей и нефтехимической промышленности («Гипронефтеспецмонтаж») Министерства монтажных и специальных строительных работ СССР
Государственным научно-исследовательским и проектным институтом хлорной промышленности («Госниихлорпроект») Министерства химической промышленности СССР
Государственным ордена Трудового Красного Знамени проектным и научно-исследовательским институтом промышленности синтетического каучука («Гипрокаучук») Министерства нефтеперерабатывающей и нефтехимической промышленности СССР
Проектным институтом № 2
Центральным научно-исследовательским и проектно-экспериментальным институтом по методологии, организации, экономике и автоматизации проектирования л инженерных изысканий («ЦНИИпроект») Государственного строительного комитета СССР
ИСПОЛНИТЕЛИ
В. Я. Эйдельман (руководитель темы); Б. В. Поповский, д-р техн. наук; Р. И. Тавастшерна, канд. техн. наук; А. Л. Прудовая: Л. Г. Коновалова; Е. Ю. Исакова; И. С. Гольденберг, канд. техн. наук; Г. Л. Егиянц; Ж. М. Меблеванный; В. П. Шиловский; Ж. А. Куркина; С. Н. Архаров; Ю. П. Русаков; В. П. Абарыков; Л. А. Кашина
2. ВНЕСЕН Министерством монтажных и специальных строительных работ СССР
3. УТВЕРЖДЕН И ВВЕДЕН В ДЕЙСТВИЕ Постановлением Государственного строительного комитета СССР от 28.12.87 № 308
4. ВВЕДЕН ВПЕРВЫЕ
5. ССЫЛОЧНЫЕ НОРМАТИВНО-ТЕХНИЧЕСКИЕ ДОКУМЕНТЫ
|
Обозначение НТД, на который дана ссылка |
Номер пункта, подпункта |
|
7 |
|
|
3.1 |
|
|
1.2, 2.3 |
|
|
2.1, 2.2, 2.3 |
|
|
ГОСТ 21.104-79 |
6.3, 7 |
|
ГОСТ 21.109-80 |
1.3 |
|
1.3 |
|
|
ГОСТ 21.111-84 |
1.3 |