
ГОСУДАРСТВЕННЫЙ СТАНДАРТ СОЮЗА ССР
СИСТЕМА ОБЕСПЕЧЕНИЯ ТОЧНОСТИ ГЕОМЕТРИЧЕСКИХ
ПАРАМЕТРОВ
В СТРОИТЕЛЬСТВЕ
ТЕХНОЛОГИЧЕСКИЕ ДОПУСКИ
ГОСТ 21779-82
(СТ СЭВ
2681-80)
ГОСУДАРСТВЕННЫЙ КОМИТЕТ СССР
ПО ДЕЛАМ СТРОИТЕЛЬСТВА
Москва
РАЗРАБОТАН
Центральным научно-исследовательским институтом типового и экспериментального проектирования школ, дошкольных учреждений, средних и высших учебных заведений (ЦНИИЭП учебных зданий) Госгражданстроя
Центральным ордена Трудового Красного Знамени научно-исследовательским и проектным институтом типового и экспериментального проектирования жилища (ЦНИИЭП жилища) Госгражданстроя
Центральным научно-исследовательским и проектно-экспериментальным институтом организации, механизации и технической помощи строительству (ЦНИИОМТП) Госстроя СССР
Зональным научно-исследовательским и проектным институтом типового и экспериментального проектирования жилых и общественных зданий (ЛенЗНИИЭП) Госгражданстроя Главмосстроем при Мосгорисполкоме
ИСПОЛНИТЕЛИ
Д. М. Лаковский (руководитель темы); И. В. Колечицкая; С. А. Резник, канд. техн. наук; А. В. Цареградский; Л. А. Вассердам; Л. С. Экслер; В. Н. Сведлов, канд. техн. наук; Р. А. Каграманов, канд. техн. наук; В. С. Сытник, канд. техн. наук; С. Е. Чекулаев, канд. техн. наук; М. С. Карданов; Л. Н. Ковалис; В. Д. Фельдман
ВНЕСЕН Центральным научно-исследовательским институтом типового и экспериментального проектирования школ, дошкольных учреждений, средних и высших учебных заведений (ЦНИИЭП учебных зданий) Госгражданстроя
Директор Г. А. Градов
УТВЕРЖДЕН И ВВЕДЕН В ДЕЙСТВИЕ Постановлением Государственного комитета СССР по делам строительства 10 июня 1982 г. № 156
ГОСУДАРСТВЕННЫЙ СТАНДАРТ СОЮЗА ССР
|
Система обеспечения точности геометрических параметров в строительстве ТЕХНОЛОГИЧЕСКИЕ ДОПУСКИ System of ensuring of geometrical parameters accuracy in construction. Manufacturing and assembling tolerances |
ГОСТ
|
Постановлением Государственного комитета СССР по делам строительства от 10 июня 1982 г. № 156 срок введения установлен
с 01.01.83
Настоящий стандарт распространяется на проектирование и строительство зданий и сооружений, а также проектирование и изготовление элементов для них (конструкций, изделий, деталей) и устанавливает основные принципы регламентации, номенклатуру и значения технологических допусков геометрических параметров.
Стандарт не устанавливает допуски шероховатости поверхностей.
В соответствии с требованиями настоящего стандарта во вновь разрабатываемых и пересматриваемых стандартах и другой нормативно-технической документации, а также в рабочей и технологической документации устанавливают точность:
изготовления элементов из различных материалов;
выполнения разбивочных работ при строительстве зданий и сооружений и монтаже технологического оборудования;
выполнения строительных и монтажных работ.
При необходимости применения посадок строительных элементов с отрицательными и нулевыми зазорами следует руководствоваться стандартами СТ СЭВ 145-75, СТ СЭВ 144-75 и ГОСТ 6449-76.
Стандарт соответствует СТ СЭВ 2681-80 в части, указанной в справочном приложении 1.
Пояснения терминов, применяемых в настоящем стандарте, приведены в справочном приложении 2.
1.1. Значения технологических допусков изготовления элементов зданий и сооружений и выполнения разбивочных, строительных и монтажных работ принимают согласно ГОСТ 21778-81 и ГОСТ 21780-76 в пределах установленных настоящим стандартом классов точности выполняемых процессов и операций и в зависимости от используемых средств технологического обеспечения и контроля точности.
На основе принятых значений технологических допусков устанавливают симметричные или несимметричные предельные отклонения, сумма абсолютных значений которых должна быть равна допуску.
1.2. Соответствие принимаемых технологических допусков и предельных отклонений геометрических параметров используемым средствам технологического обеспечения и контроля точности устанавливают на основе статистического анализа точности технологических процессов и операций согласно ГОСТ 23615-79.
1.3. Технологические допуски и предельные отклонения различных геометрических параметров здания, сооружения или их отдельного элемента должны, как правило, назначаться разных классов точности в зависимости от функциональных, конструктивных, технологических и экономических требований.
Если указанные требования не предъявляют, точность соответствующих параметров допускается не регламентировать.
1.4. При назначении технологических допусков и предельных отклонений геометрических параметров необходимо указывать методы и условия измерения этих параметров.
1.5. Границы интервалов номинальных размеров, для которых установлены технологические допуски, приняты в настоящем стандарте на основе рядов предпочтительных чисел, установленных ГОСТ 6636-69. При этом значения технологических допусков Dх в миллиметрах вычислены по формуле
Dx = i - K,
где i - единица допуска, определяемая в зависимости от значения нормируемого геометрического параметра по формулам рекомендуемого приложения 3, мм;
К - коэффициент точности, устанавливающий число единиц допуска для данного класса точности.
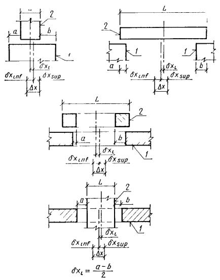
2.1. Точность изготовления элементов характеризуют допусками и предельными отклонениями их линейных размеров (черт. 1), а также формы и взаимного положения поверхностей.
Допуск и отклонение от линейных размеров элементов

Черт. 1
Примечание. Обозначения допусков и отклонений - по ГОСТ 21778-81.
Допуск прямолинейности и отклонение от прямолинейности

а - допуск и отклонение от прямолинейности при измерениях на заданной длине; б - то же, при измерениях на всей длине; 1 - условная (прилегающая) прямая; 2 - прямые, ограничивающие поле допуска; 3 - реальный профиль; 4 - условная (проходящая через крайние точки) прямая
Черт. 2
Примечание. При измерениях на заданной длине dхinf = 0 и dхsup = Dх; при измерениях на всей длине dхinf = dхsup = 0,5 Dх.
Допуски и предельные отклонения формы и взаимного положения поверхностей устанавливают, если требуется ограничить искажения формы элементов, не выявляемые при контроле точности линейных размеров. При этом точность формы поверхностей призматических прямоугольных элементов характеризуют допусками прямолинейности и предельными отклонениями от прямолинейности (черт. 2) и допусками плоскостности и предельными отклонениями от плоскостности (черт. 3), а точность взаимного положения поверхностей этих элементов - допусками перпендикулярности и предельными отклонениями от перпендикулярности (черт. 4).
Допуск плоскостности и отклонение от плоскостности

а - допуск плоскостности и отклонение от плоскостности при измерениях от прилегающей плоскости; б - то же, при измерениях от условной плоскости, проходящей через три крайние точки реальной поверхности; 1 - условная (прилегающая) плоскость; 2 - плоскости, ограничивающие поле допуска; 3 - реальная поверхность; 4 - условная (проходящая через три крайние точки) плоскость
Черт. 3
Примечание. При измерениях от прилегающей плоскости dхinf = 0 и dхsup = Dх; при измерениях от условной плоскости dхinf = dхsup = 0,5 Dх.
Допуски перпендикулярности и отклонения от перпендикулярности

а - допуск и отклонения при измерениях на заданной длине; б - то же, при измерениях на всей длине; 1 - условная (прилегающая) плоскость; 2 - реальная поверхность; 3 - условная (проходящая через крайние точки) плоскость
Черт. 4
2.2. Допуски линейных размеров элементов регламентируют точность их изготовления по длине, ширине, высоте, толщине или диаметру, точность размеров и положения выступов, выемок, отверстий, проемов, крепежных и соединительных деталей, а также точность положения наносимых на элементы ориентиров. Эти допуски принимают по табл. 1 в зависимости от номинального размера L, точность которого нормируют.
Таблица 1
Допуски линейных размеров
мм
|
Интервал номинального размера L |
Значение допуска для класса точности | ||||||||
|
1 |
2 |
3 |
4 |
5 |
6 |
7 |
8 |
9 | |
|
До 20 |
0,24 |
0,4 |
0,6 |
1,0 |
1,6 |
2,4 |
4 |
6 |
10 |
|
Св. 20 » 60 |
0,30 |
0,5 |
0,8 |
1,2 |
2,0 |
3,0 |
5 |
8 |
12 |
|
» 60 » 120 |
0,40 |
0,6 |
1,0 |
1,6 |
2,4 |
4,0 |
6 |
10 |
16 |
|
» 120 » 250 |
0,50 |
0,8 |
1,2 |
2,0 |
3,0 |
5,0 |
8 |
12 |
20 |
|
» 250 » 500 |
0,60 |
1,0 |
1,6 |
2,4 |
4,0 |
6,0 |
10 |
16 |
24 |
|
» 500 » 1000 |
0,80 |
1,2 |
2,0 |
3,0 |
5,0 |
8,0 |
12 |
20 |
30 |
|
» 1000 » 1600 |
1,00 |
1,6 |
2,4 |
4,0 |
6,0 |
10,0 |
16 |
24 |
40 |
|
» 1600 » 2500 |
1,20 |
2,0 |
3,0 |
5,0 |
8,0 |
12,0 |
20 |
30 |
50 |
|
» 2500 » 4000 |
1,60 |
2,4 |
4,0 |
6,0 |
10,0 |
16,0 |
24 |
40 |
60 |
|
» 4000 » 8000 |
2,00 |
3,0 |
5,0 |
8,0 |
12,0 |
20,0 |
30 |
50 |
80 |
|
» 8000 » 16000 |
2,40 |
4,0 |
6,0 |
10,0 |
16,0 |
24,0 |
40 |
60 |
100 |
|
» 16000 » 25000 |
3,00 |
5,0 |
8,0 |
12,0 |
20,0 |
30,0 |
50 |
80 |
120 |
|
» 25000 » 40000 |
4,00 |
6,0 |
10,0 |
16,0 |
24,0 |
40,0 |
60 |
100 |
160 |
|
40000 » 60000 |
5,00 |
8,0 |
12,0 |
20,0 |
30,0 |
50,0 |
80 |
120 |
200 |
|
Значения К |
0,10 |
0,16 |
0,25 |
0,40 |
0,60 |
1,0 |
1,6 |
2,5 |
4,0 |
2.3. Допуски прямолинейности принимают по табл. 2 для рассматриваемых сечений элемента на всю длину элемента или на заданной длине в зависимости от номинального значения этого размера. Значения заданной длины выбирают из ряда: 400, 600, 1000, 1600 и 2500 мм.
2.4. Допуски плоскостности принимают по табл. 2 для всей рассматриваемой поверхности элемента в зависимости от большего номинального размера L поверхности элемента.
Таблица 2
Допуски прямолинейности
мм
|
Интервал номинального размера L |
Значение допуска для класса точности | |||||
|
1 |
2 |
3 |
4 |
5 |
6 | |
|
До 1000 |
2,0 |
3 |
5 |
8 |
12 |
20 |
|
Св. 1000 » 1600 |
2,4 |
4 |
6 |
10 |
16 |
24 |
|
» 1600 » 2500 |
3,0 |
5 |
8 |
12 |
20 |
30 |
|
» 2500 » 4000 |
4,0 |
6 |
10 |
16 |
24 |
40 |
|
» 4000 » 8000 |
5,0 |
8 |
12 |
20 |
30 |
50 |
|
» 8000 » 16000 |
6,0 |
10 |
16 |
24 |
40 |
60 |
|
» 16000 » 25000 |
8,0 |
12 |
20 |
30 |
50 |
80 |
|
» 25000 » 40000 |
10,0 |
16 |
24 |
40 |
60 |
100 |
|
» 40000 » 60000 |
12,0 |
20 |
30 |
50 |
80 |
120 |
|
Значения К |
0,25 |
0,4 |
0,6 |
1,0 |
1,6 |
2,5 |
2.5. Допуски перпендикулярности рассматриваемых поверхностей элемента принимают по табл. 3 в зависимости от меньшего номинального размера L поверхностей, перпендикулярность которых регламентируют, или заданной длины в сечении элемента. Значения заданной длины выбирают из ряда: 400, 500, 600, 800 и 1000 мм.
Таблица 3
Допуски перпендикулярности
мм
|
Интервал номинального размера L |
Значение допуска для класса точности | ||||||||
|
1 |
2 |
3 |
4 |
5 |
6 |
7 |
8 |
9 | |
|
До 250 |
0,5 |
0,8 |
1,2 |
2,0 |
3 |
5 |
8 |
12 |
20 |
|
Св. 250 » 500 |
0,6 |
1,0 |
1,6 |
2,4 |
4 |
6 |
10 |
16 |
24 |
|
» 500 » 1000 |
0,8 |
1,2 |
2,0 |
3,0 |
5 |
8 |
12 |
20 |
30 |
|
» 1000 » 1600 |
1,0 |
1,6 |
2,4 |
4,0 |
6 |
10 |
16 |
24 |
40 |
|
» 1600 » 2500 |
1,2 |
2,0 |
3,0 |
5,0 |
8 |
12 |
20 |
30 |
50 |
|
» 2500 » 4000 |
1,6 |
2,4 |
4,0 |
6,0 |
10 |
16 |
24 |
40 |
60 |
|
Значения К |
0,16 |
0,25 |
0,4 |
0,6 |
1,0 |
1,6 |
2,5 |
4,0 |
6,0 |
Для крупноразмерных элементов перпендикулярность их поверхностей допускается регламентировать допусками равенства диагоналей, значения которых принимают по табл. 4 в зависимости от большего номинального размера L поверхности, для которой назначают разность диагоналей.
Таблица 4
Допуски равенства диагоналей
мм
|
Интервал номинального размера L |
Значение допуска для класса точности | |||||
|
1 |
2 |
3 |
4 |
5 |
6 | |
|
До 4000 |
4 |
6 |
10 |
16 |
24 |
40 |
|
Св. 4000 » 8000 |
5 |
8 |
12 |
20 |
30 |
50 |
|
» 8000 » 16000 |
6 |
10 |
16 |
24 |
40 |
60 |
|
» 16000 » 25000 |
8 |
12 |
20 |
30 |
50 |
80 |
|
» 25000 » 40000 |
10 |
16 |
24 |
40 |
60 |
100 |
|
» 40000 » 60000 |
12 |
20 |
30 |
50 |
80 |
120 |
|
Значения К |
0,25 |
0,4 |
0,6 |
1,0 |
1,6 |
2,5 |
2.6. Допусками прямолинейности, плоскостности и перпендикулярности поверхностей следует также регламентировать точность формы и взаимного положения отдельных поверхностей простых непризматических элементов.
Точность размеров, формы и взаимного положения поверхностей элементов, имеющих сложное очертание, регламентируют допусками линейных размеров, определяющих положение характерных точек этих элементов в принятой системе координат.
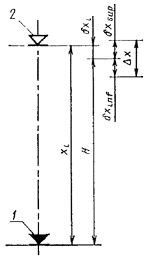
3.1. Точность разбивочных работ характеризуют допусками и предельными отклонениями разбивки точек и осей в плане (черт. 5) и передачи точек и осей по вертикали (черт. 6), допусками створности и предельными отклонениями от створности точек (черт. 7), допусками и предельными отклонениями разбивки высотных отметок (черт. 8) и передачи высотных отметок (черт. 9), а также допусками перпендикулярности и предельными отклонениями от перпендикулярности осей (черт. 10).
3.2. Допуски разбивки точек и осей в плане принимают по табл. 5 в зависимости от номинального расстояния L, точность которого нормируют.
Допуск и отклонение разбивки точек и осей в плане

1 - ориентир, принимаемый за начало отсчета; 2 - ориентир, устанавливаемый в результате разбивки
Черт. 5
Допуск и отклонение передачи точек и осей по вертикали

1 - ориентир, принимаемый за начало отсчета; 2 - ориентир, устанавливаемый в результате передачи
Черт. 6
Допуск створности и отклонение от створности точек

1 - ориентир, принимаемый за начало отсчета; 2 - ориентир, устанавливаемый в результате разбивки
Черт. 7
Допуск и отклонение разбивки высотных отметок

1 - ориентир, принимаемый за начало отсчета; 2 - ориентир, устанавливаемый в результате разбивки
Черт. 8
Допуск и отклонение передачи высотных отметок

1 - ориентир, принимаемый за начало отсчета; 2 - ориентир, устанавливаемый в результате передачи
Черт. 9
Допуск перпендикулярности и отклонение от перпендикулярности осей

1 - ориентиры, определяющие положение оси а; 2 - ориентир, принимаемый за начало отсчета при разбивке оси б; 3 - ориентир, устанавливаемый при разбивке оси б
Черт. 10
Таблица 5
Допуски разбивки точек и осей в плане
мм
|
Интервал номинального размера L |
Значение допуска для класса точности | |||||
|
1 |
2 |
3 |
4 |
5 |
6 | |
|
До 2500 |
0,6 |
1,0 |
1,6 |
2,4 |
4 |
6 |
|
Св. 2500 » 4000 |
1,0 |
1,6 |
2,4 |
4,0 |
6 |
10 |
|
» 4000 » 8000 |
1,6 |
2,4 |
4,0 |
6,0 |
10 |
16 |
|
» 8000 » 16000 |
2,4 |
4,0 |
6,0 |
10,0 |
16 |
24 |
|
» 16000 » 25000 |
4,0 |
6,0 |
10,0 |
16,0 |
24 |
40 |
|
» 25000 » 40000 |
6,0 |
10,0 |
16,0 |
24,0 |
40 |
60 |
|
» 40000 » 60000 |
10,0 |
16,0 |
24,0 |
40,0 |
60 |
100 |
|
» 60000 » 100000 |
16,0 |
24,0 |
40,0 |
60,0 |
100 |
160 |
|
» 100000 » 160000 |
24,0 |
40,0 |
60,0 |
100,0 |
160 |
- |
|
Значения К |
0,25 |
0,4 |
0,6 |
1,0 |
1,6 |
2,5 |
3.3. Допуски передачи точек и осей по вертикали принимают по табл. 6 в зависимости от номинального расстояния Н между горизонтами.
3.4. Допуски створности точек принимают по табл. 6 в зависимости от номинальной длины L разбиваемой оси.
Таблица 6
Допуски передачи точек и осей по вертикали и створности точек
мм
|
Интервал номинального размера |
Значение допуска для класса точности | ||||||
|
Н |
L |
1 |
2 |
3 |
4 |
5 |
6 |
|
До 2500 |
До 4000 |
- |
- |
0,6 |
1,0 |
1,6 |
2,4 |
|
Св. 2500 » 4000 |
Св. 4000 » 8000 |
- |
0,6 |
1,0 |
1,6 |
2,4 |
4,0 |
|
» 4000 » 8000 |
» 8000 » 16000 |
0,6 |
1,0 |
1,6 |
2,4 |
4,0 |
6,0 |
|
» 8000 » 16000 |
» 16000 » 25000 |
1,0 |
1,6 |
2,4 |
4,0 |
6,0 |
10,0 |
|
» 16000 » 25000 |
» 25000 » 40000 |
1,6 |
2,4 |
4,0 |
6,0 |
10,0 |
16,0 |
|
» 25000 » 40000 |
» 40000 » 60000 |
2,4 |
4,0 |
6,0 |
10,0 |
16,0 |
24,0 |
|
» 40000 » 60000 |
» 60000 » 100000 |
4,0 |
6,0 |
10,0 |
16,0 |
24,0 |
40,0 |
|
» 60000 » 100000 |
» 100000 » 160000 |
6,0 |
10,0 |
16,0 |
24,0 |
40,0 |
60,0 |
|
» 100000 » 160000 |
- |
10,0 |
16,0 |
24,0 |
40,0 |
60,0 |
- |
|
Значения К |
0,25 |
0,4 |
0,6 |
1,0 |
1,6 |
2,5 | |
3.5. Допуски разбивки высотных отметок принимают по табл. 7 в зависимости от номинального расстояния Н между горизонтами.
3.6. Допуски передачи высотных отметок принимают по табл. 7 в зависимости от номинального расстояния L до рассматриваемой высотной отметки.
3.7. Допуски перпендикулярности осей принимают по табл. 7 в зависимости от номинального расстояния L до рассматриваемой точки. При номинальном значении угла между осями, не равном 90°, допуски угла также принимают по табл. 7 в зависимости от номинального расстояния L до рассматриваемой точки.
Таблица 7
Допуски разбивки и передачи высотных отметок
мм
|
Интервал номинального размера |
Интервал номинального размера | ||||||
|
Н |
Н |
1 |
2 |
3 |
4 |
5 |
6 |
|
До 2500 |
До 8000 |
- |
0,6 |
1,0 |
1,6 |
2,4 |
4 |
|
Св. 2500 » 4000 |
Св. 8000 » 16000 |
0,6 |
1,0 |
1,6 |
2,4 |
4,0 |
6 |
|
» 4000 » 8000 |
» 16000 » 25000 |
1,0 |
1,6 |
2,4 |
4,0 |
6,0 |
10 |
|
» 8000 » 16000 |
» 25000 » 40000 |
1,6 |
2,4 |
4,0 |
6,0 |
10,0 |
16 |
|
» 16000 » 25000 |
» 40000 » 60000 |
2,4 |
4,0 |
6,0 |
10,0 |
16,0 |
24 |
|
» 25000 » 40000 |
» 60000 » 100000 |
4,0 |
6,0 |
10,0 |
16,0 |
24,0 |
40 |
|
» 40000 » 60000 |
» 100000 » 160000 |
6,0 |
10,0 |
16,0 |
24,0 |
40,0 |
60 |
|
» 60000 » 100000 |
- |
10,0 |
16,0 |
24,0 |
40,0 |
60,0 |
100 |
|
» 100000 » 160000 |
- |
16,0 |
24,0 |
40,0 |
60,0 |
100,0 |
160 |
|
Значения К |
0,25 |
0,4 |
0,6 |
1,0 |
1,6 |
2,5 | |
3.8. Допуски разбивочных работ по табл. 5 - 7 даны с учетом точности нанесения и закрепления соответствующих точек и осей.
4.1. Точность геометрических параметров зданий, сооружений и их элементов, возводимых из мелкоразмерных, монолитных и сыпучих материалов, и точность выполнения земляных работ устанавливают в соответствии с разд. 2.
4.2. Точность установки элементов сборных зданий и сооружений характеризуют допусками совмещения и отклонениями от совмещения ориентиров (точек, линий, поверхностей) (черт. 11) и допусками симметричности и отклонениями от симметричности установки элементов (черт. 12).
4.3. Допуски совмещения ориентиров принимают по табл. 8 в зависимости от номинального расстояния L между ними.
4.4. Допуски симметричности установки элементов принимают по табл. 9 в зависимости от номинального значения геометрического параметра L.
4.5. Допуски строительных и монтажных работ в табл. 8 и 9 характеризуют точность установки элементов после проектного закрепления. Точность установки элементов при временном закреплении в зависимости от способа закрепления следует принимать на 1 - 2 класса выше.
Допуск совмещения и отклонение от совмещения ориентиров

1 - ориентир, принимаемый за начало отсчета; 2 - ориентир устанавливаемого элемента
Черт. 11
Допуск симметричности и отклонение от симметричности установки элементов

1 - установленный элемент; 2- устанавливаемый элемент
Черт. 12
Таблица 8
Допуски совмещения ориентиров
мм
|
Интервал номинального размера L |
Значение допуска для класса точности | |||||
|
1 |
2 |
3 |
4 |
5 |
6 | |
|
До 120 |
1,6 |
2,4 |
4 |
6 |
10 |
16 |
|
Св. 120 » 250 |
2,0 |
3,0 |
5 |
8 |
12 |
20 |
|
» 250 » 500 |
2,4 |
4,0 |
6 |
10 |
16 |
24 |
|
» 500 » 1000 |
3,0 |
5,0 |
8 |
12 |
20 |
30 |
|
» 1000 » 1600 |
4,0 |
6,0 |
10 |
16 |
24 |
40 |
|
» 1600 » 2500 |
5,0 |
8,0 |
12 |
20 |
30 |
50 |
|
» 2500 » 4000 |
6,0 |
10,0 |
16 |
24 |
40 |
60 |
|
» 4000 » 8000 |
8,0 |
12,0 |
20 |
30 |
50 |
80 |
|
» 8000 » 16000 |
10,0 |
16,0 |
24 |
40 |
60 |
100 |
|
» 16000 » 25000 |
12,0 |
20,0 |
30 |
50 |
80 |
120 |
|
» 25000 » 40000 |
16,0 |
24,0 |
40 |
60 |
100 |
160 |
|
» 40000 » 60000 |
20,0 |
30,0 |
50 |
80 |
120 |
200 |
|
Значения К |
0,25 |
0,4 |
0,6 |
1,0 |
1,6 |
2,5 |
Таблица 9
Допуски симметричности установки
мм
|
Интервал номинального размера L |
Значение допуска для класса точности | |||||
|
1 |
2 |
3 |
4 |
5 |
6 | |
|
До 2500 |
2,0 |
3 |
5 |
8 |
12 |
20 |
|
Св. 2500 » 4000 |
2,4 |
4 |
6 |
10 |
16 |
24 |
|
» 4000 » 8000 |
3,0 |
5 |
8 |
12 |
20 |
30 |
|
» 8000 » 16000 |
4,0 |
6 |
10 |
16 |
24 |
40 |
|
» 16000 » 25000 |
5,0 |
8 |
12 |
20 |
30 |
50 |
|
» 25000 » 40000 |
6,0 |
10 |
16 |
24 |
40 |
60 |
|
» 40000 » 60000 |
8,0 |
12 |
20 |
30 |
50 |
80 |
|
Значения К |
0,25 |
0,4 |
0,6 |
1,0 |
1,6 |
2,5 |
Справочное
Первый абзац вводной части ГОСТ 21779-82 включает требования вводной части СТ СЭВ 2681-80.
П. 1.1 ГОСТ 21779-82 включает требования п. 1.1 СТ СЭВ 2681-80.
П. 1.2 ГОСТ 21779-82 включает требования п. 1.5 СТ СЭВ 2681-80.
П. 1.3 ГОСТ 21779- 82 включает требования пп. 1.7 и 1.9 СТ СЭВ 2681-80.
П. 1.4 ГОСТ 21779-82 включает требования п. 1.8 СТ СЭВ 2681-80.
П. 2.1 ГОСТ 21779-82 включает требования пп. 2.1 и 2.3 СТ СЭВ 2681-80.
Черт. 2 ГОСТ 21779-82 включает черт. 1 СТ СЭВ 2681-80.
Черт. 4 ГОСТ 21779-82 включает черт. 3 СТ СЭВ 2681-80.
П. 2.2 ГОСТ 21779-82 включает требования п. 2.2 СТ СЭВ 2681-80.
Табл. 1. ГОСТ 21779-82 включает табл. 1 информационного приложения 1 СТ СЭВ 2681-80.
П. 2.3 ГОСТ 21779-82 включает требования п. 2.4 СТ СЭВ 2681-80.
Табл. 2 ГОСТ 21779-82 включает табл. 1 информационного приложения 1 СТ СЭВ 2681-80.
П. 2.4 ГОСТ 21779-82 включает требования пп. 2.5 и 2.7 СТ СЭВ 2681-80.
П. 2.5 ГОСТ 21779-82 включает требования п. 2.6 СТ СЭВ 2681-80.
Табл. 3 ГОСТ 21779-82 включает табл. 1 информационного приложения 1 СТ СЭВ 2681-80.
П. 2.6 ГОСТ 21779-82 включает требования п. 2.8 СТ СЭВ 2681-80.
Табл. 4 ГОСТ 21779-82 включает табл. 1 информационного приложения 1 СТ СЭВ 2681-80.
П. 3.1 ГОСТ 21779-82 включает требования п. 3.1 СТ СЭВ 2681-80.
Черт. 5 ГОСТ 21779-82 включает черт. 4 СТ СЭВ 2681-80.
Черт. 6 ГОСТ 21779-82 включает черт. 5 СТ СЭВ 2681-80.
Черт. 8 ГОСТ 21779-82 включает черт. 6 СТ СЭВ 2681-80.
Табл. 5 ГОСТ 21779-82 включает табл. 2 информационного приложения 1 СТ СЭВ 2681-80.
Табл. 6 ГОСТ 21779-82 включает табл. 2 информационного приложения 1 СТ СЭВ 2681-80.
Табл. 7 ГОСТ 21779-82 включает табл. 2 информационного приложения 1 СТ СЭВ 2681-80.
П. 3.8 ГОСТ 21779-82 включает требования п. 3.3 СТ СЭВ 2681-80.
П. 4.1 ГОСТ 21779-82 включает требования п. 1.1 СТ СЭВ 2681-80
П. 4.2 ГОСТ 21779-82 включает требования п. 4.2 СТ СЭВ 2681-80.
Черт. 11 ГОСТ 21779-82 включает черт. 7 СТ СЭВ 2681-80.
Черт. 12 ГОСТ 21779-82 включает черт. 8 СТ СЭВ 2681-80.
Табл. 8 ГОСТ 21779-82 включает табл. 1 информационного приложения 1 СТ СЭВ 2681-80.
Табл. 9 ГОСТ 21779-82 включает табл. 1 информационного приложения 1 СТ СЭВ 2681-80.
Справочное приложение 2 ГОСТ 21779-82 включает информационное приложение 2 СТ СЭВ 2681-80.
Справочное
Технологический допуск - по ГОСТ 21778-81.
Технологическое предельное отклонение - предельное отклонение геометрического параметра, устанавливающее точность выполнения соответствующего технологического процесса или операции.
Класс точности - по ГОСТ 21778-81.
Условная прямая (плоскость) - прямая (плоскость), принимаемая за начало отсчета отклонений и проходящая через заданные точки реального профиля (поверхности) или прилегающая к реальному профилю (поверхности).
Прилегающая прямая (плоскость) - по СТ СЭВ 301-76.
|
Характеристика технологического процесса или операции |
Вид допуска геометрического параметра |
Формула для вычисления, мм |
Значение a |
|
Изготовление |
Допуск линейного размера |
i = ai(0,8 + 0,001
где L, мм |
1,0 |
|
Допуск прямолинейности |
1,0 | ||
|
Допуск плоскостности |
1,0 | ||
|
Допуск перпендикулярности |
0,6 | ||
|
Допуск равенства диагоналей |
1,0 | ||
|
Разбивка |
Допуск разбивки точек и осей в плане |
i = aiL, где L, м |
1,0 |
|
Допуск передачи точек и осей по вертикали |
0,4 | ||
|
Допуск створности точек |
0,25 | ||
|
Допуск разбивки высотных отметок |
0,6 | ||
|
Допуск передачи высотных отметок |
0,25 | ||
|
Допуск перпендикулярности осей |
0,4 | ||
|
Установка (монтаж) |
Допуск совмещения ориентиров |
i = ai(0,8 + 0,001
где L, мм |
1,6 |
|
Допуск симметричности установки |
0,6 |
СОДЕРЖАНИЕ
|
1. Общие положения. 2 2. Точность изготовления элементов. 3 3. Точность разбивочных работ. 8 4. Точность строительных и монтажных работ. 12 Приложение 1 Информационные данные о соответствии ГОСТ 21779-82 ст сэв 2681-80. 15 Приложение 2 Пояснения терминов, применяемых в настоящем стандарте. 16 Приложение 3 Вид допусков и формулы для вычисления значения единицы допуска. 16 |