Нормативные документы размещены исключительно с целью ознакомления учащихся ВУЗов, техникумов и училищ.
Объявления:

ГОСУДАРСТВЕННЫЙ СТАНДАРТ СОЮЗА ССР

ГАБАРИТЫ ПРИБЛИЖЕНИЯ СТРОЕНИЙ И
ПОДВИЖНОГО СОСТАВА
ЖЕЛЕЗНЫХ ДОРОГ КОЛЕИ 1520 (1524) мм

ГОСТ 9238-83

ГОСУДАРСТВЕННЫЙ КОМИТЕТ СССР
ПО ДЕЛАМ СТРОИТЕЛЬСТВА
Москва

Разработан Всесоюзным научно-исследовательским институтом железнодорожного транспорта (ЦНИИ) МПС

ИСПОЛНИТЕЛИ

Ю.М. Лазаренко, канд. техн. наук (руководитель темы); В.М. Богданов; Л.С. Борисова; А.Б. Остров, канд. техн. наук; А.Я. Чернышева; А.С. Уткин; Л.А. Веселова; И.Д. Демин

ВНЕСЕН Министерством путей сообщения

Зам. министра С.А. Пашинин

УТВЕРЖДЕН И ВВЕДЕН В ДЕЙСТВИЕ Постановлением Государственного комитета СССР по делам строительства от 30 июня 1983 г. № 167

ГОСУДАРСТВЕННЫЙ СТАНДАРТ СОЮЗА ССР

ГАБАРИТЫ ПРИБЛИЖЕНИЯ СТРОЕНИЙ И ПОДВИЖНОГО СОСТАВА ЖЕЛЕЗНЫХ ДОРОГ КОЛЕИ 1520 (1524) мм

Construction and rolling stock clearance diagrams for the USSR
railways of 1520 (1524) mm gauge

ГОСТ
9238-83

Взамен
ГОСТ 9238-73

Постановлением Государственного комитета СССР по делам строительства от 30 июня 1983 г. № 167 срок введения установлен

с 01.07.84

Несоблюдение стандарта преследуется по закону!

Настоящий стандарт распространяется на габариты:

приближения строений и подвижного состава железных дорог колеи 1520 (1524) мм общей сети Союза ССР, подъездных путей от станции примыкания до территории промышленных и транспортных предприятий (внешних подъездных путей), путей, расположенных на территории промышленных и транспортных предприятий (внутренних подъездных путей) и между ними;

приближения строений для путей колеи 1435 мм, расположенных на территории Союза ССР, по которым обращается подвижной состав советских железных дорог (после смены тележек) или зарубежный подвижной состав;

подвижного состава, предназначенного для эксплуатации как по железным дорогам Союза ССР колеи 1520 (1524) мм, так и по железным дорогам зарубежных стран колеи 1435 мм.

Габариты приближения строений и подвижного состава, установленные настоящим стандартом, допускается применять для передвижных подъездных путей промышленных и транспортных предприятий и при увеличенной ширине колеи на прямых участках до 1535 мм.

Указанные габариты должны применяться для железных дорог, скорости движения поездов на которых не превышают 160 км/ч.

Для линий и участков железных дорог со скоростями движения поездов свыше 160 км/ч габаритные нормы устанавливаются дополнительными указаниями Министерства путей сообщения, согласованными с Госстроем СССР.

Установленные настоящим стандартом габариты следует применять при:

проектировании и строительстве новых железных дорог, внешних и внутренних подъездных путей промышленных и транспортных предприятий, сооружений и устройств на них;

усилении (реконструкции) существующих железных дорог, подъездных путей промышленных и транспортных предприятий, сооружений и устройств на них, постройке вторых путей, электрификации и др.;

проектировании, изготовлении, модернизации и ремонте подвижного состава.

Для подъездных путей промышленных и транспортных предприятий, где по условиям технологического процесса не могут быть выдержаны требования настоящего стандарта и обращение по которым подвижного состава общей сети железных дорог Союза ССР не предусматривается или предусматривается обращение только отдельных его типов, разрешается устанавливать специальные габариты приближения строений и подвижного состава по отраслевым стандартам, разрабатываемым и утверждаемым министерствами и ведомствами, в ведении которых находятся пути и подвижной состав, по согласованию с Госстроем СССР и Министерством путей сообщения.

Особенности применения отдельных норм настоящего стандарта при новом строительстве, реконструкции и эксплуатации железных дорог, сооружений, устройств и подвижного состава, в том числе построенных до введения в действие настоящего стандарта, устанавливаются Инструкцией по применению габаритов приближения строений и подвижного состава, утверждаемой Министерством путей сообщения в установленном порядке.

Стандарт соответствует рекомендации по стандартизации СЭВ PC 5706-77 «Габариты приближения строений и грузовых вагонов» в части, касающейся габаритов подвижного состава, используемого в международных сообщениях, и требуемых для его пропуска габаритов приближения строений.

1. ОСНОВНЫЕ ПОЛОЖЕНИЯ

1.1. Настоящий стандарт устанавливает:

габариты приближения строений - предельные поперечные (перпендикулярные оси пути) очертания, внутрь которых помимо подвижного состава не должны заходить никакие части сооружений и устройств, а также лежащие около пути материалы, запасные части и оборудование, за исключением частей устройств, предназначаемых для непосредственного взаимодействия с подвижным составом (контактных проводов с деталями крепления, хоботов гидравлических колонок при наборе воды и др.), при условии, что положение этих устройств во внутригабаритном пространстве увязано с частями подвижного состава, с которыми они могут соприкасаться, и что они не могут вызвать соприкосновения с другими элементами подвижного состава;

габариты подвижного состава - поперечные (перпендикулярные оси пути) очертания, в которых, не выходя наружу, должен помещаться установленный на прямом горизонтальном пути (при наиболее неблагоприятном положении в колее и отсутствии боковых наклонений на рессорах и динамических колебаний) как в порожнем, так и в нагруженном состоянии не только новый подвижной состав, но и подвижной состав, имеющий максимально нормируемые износы;

строительное очертание подвижного состава 4 поперечное (перпендикулярное оси пути) очертание, получаемое уменьшением габарита подвижного состава по установленной в разд.  4настоящего стандарта методике, наружу которого не должна выходить ни одна часть вновь построенного подвижного состава в ненагруженном состоянии при нахождении на прямом горизонтальном пути и при совмещении его продольной вертикальной серединной плоскости с осью пути;

проектное очертание подвижного состава - поперечное (перпендикулярное оси пути) очертание, имеющее размеры, уменьшенные по сравнению с размерами строительного очертания на величину плюсовых допусков, внутри которого должны находиться все расположенные в рассматриваемом сечении элементы конструкций проектируемого подвижного состава, имеющие номинальные размеры.

Строительные и проектные очертания должны определяться для всех характерных сечений проектируемого подвижного состава.

1.2. Пространство между габаритом приближения строений и габаритом подвижного состава (а для двухпутных линий также между габаритами смежных подвижных составов) установлено для перемещений подвижного состава и погруженных на нем грузов, которые вызываются возможными отклонениями в состоянии отдельных элементов пути, допускаемыми нормами их содержания, а также вертикальными колебаниями и боковыми наклонениями подвижного состава на рессорах. Это пространство в необходимых случаях должно устанавливаться с учетом обеспечения безопасности нахождения в нем служебного персонала.

1.3. Пространство между габаритом подвижного состава и его строительным очертанием установлено для:

горизонтальных перемещений подвижного состава, возникающих вследствие конструктивных зазоров в элементах ходовых частей при допускаемых в эксплуатации максимальных износах с учетом извилистого движения в колее;

вертикальных перемещений, возникающих вследствие максимально нормируемых износов ходовых частей и статического прогиба рессор под действием расчетной нагрузки.

1.4. Пространство между строительным и проектным очертаниями подвижного состава установлено для компенсации плюсовых допусков при изготовлении и ремонте подвижного состава.

1.5. Обозначения и область применения габаритов приближения строений следует принимать:

С - для путей, сооружений и устройств общей сети железных дорог и внешних подъездных путей от станции примыкания до территории промышленных и транспортных предприятий (черт 1 4, 5);

Сп - для путей, сооружений и устройств, расположенных на территории и между территориями заводов, фабрик, мастерских, депо, речных и морских портов, шахт, грузовых дворов, баз, складов, карьеров, лесных и торфяных разработок, электростанций и других промышленных и транспортных предприятий (в том числе Министерства путей сообщения), а также промышленных железнодорожных станций (черт. 2, 4-6).

1.6. Обозначения и область применения габаритов подвижного состава следует принимать:

Т - для подвижного состава, допускаемого к обращению по путям общей сети железных дорог Союза ССР, внешним и внутренним подъездным путям промышленных и транспортных предприятий, сооружения и устройства на которых отвечают требованиям габаритов приближения строений С (с очертанием поверху для неэлектрифицированных линий) и Сп (черт. 7 11);

Тц - для цистерн и вагонов-самосвалов, допускаемых к обращению по путям общей сети железных дорог, внешним и внутренним подъездным путям промышленных и транспортных предприятий, сооружения и устройства на которых отвечают требованиям, установленным Инструкцией по применению габаритов приближения строений и подвижного состава (черт. 8, 11););

Тпр - для полувагонов, допускаемых к обращению по путям общей сети железных дорог, внешним и внутренним подъездным путям промышленных и транспортных предприятий, сооружения и устройства на которых отвечают требованиям, установленным Инструкцией по применению габаритов приближения строений и подвижного состава (черт. 9, 11););

1-Т - для подвижного состава, допускаемого к обращению по всем путям общей сети железных дорог, внешним и внутренним подъездным путям промышленных и транспортных предприятий (черт. 10, 11););

1-ВМ (0-Т) - для подвижного состава, допускаемого к обращению как по всей сети железных дорог Союза ССР колеи 1520 (1524) мм, так и по магистральным и ряду других линий железных дорог - членов Организации сотрудничества железных дорог (ОСЖД) колеи 1435 мм, используемых для международных сообщений (черт. 12, 15);

0-ВМ (01-Т) - для подвижного состава, допускаемого к обращению как по всей сети железных дорог Союза ССР колеи 1520 (1524) мм, так и по всем основным линиям железных дорог - членов ОСЖД колеи 1435 мм, с незначительными ограничениями только на отдельных участках (черт. 13, 15);

02-ВМ (02-Т) - для подвижного состава, допускаемого к обращению как по всей сети железных дорог Союза ССР колеи 1520 (1524) мм, так и по всем железным дорогам - членам ОСЖД колеи 1435 мм (черт. 14, 15);

03-ВМ (03-Т) - для подвижного состава, допускаемого к обращению как по всей сети железных дорог Союза ССР колеи 1520 (1524) мм, так и по всем железным дорогам колеи 1435 мм европейских и азиатских стран (черт. 16, 17).

Примечание. В скобках указаны обозначения габаритов, применявшиеся до введения настоящего стандарта.

1.7. В соответствии с установленными настоящим стандартом габаритами приближения строений и подвижного состава и фактическими габаритными характеристиками сооружений и устройств железных дорог колеи 1520 (1524) мм общей сети Союза ССР, внешних и внутренних подъездных путей промышленных и транспортных предприятий Министерство путей сообщения разрабатывает и утверждает габариты погрузки и степени негабаритности грузов, перевозимых на открытом подвижном составе.

2. ГАБАРИТЫ ПРИБЛИЖЕНИЯ СТРОЕНИЙ

2.1. Габарит С

2.1.1. Очертание и размеры габарита приближения строений С должны соответствовать указанным на черт. 1

Примечания:

1. Размеры а1 и а2 принимают:

а1 = 670 мм, а2 = 760 мм - при ширине колеи 1520 мм;

a1 = 672 мм, а2 = 762 мм - при ширине колеи 1524 мм.

2. Габарит С для станций относится также и к пассажирским остановочным пунктам.

2.1.2. Ширину желоба (а2 - a1) в пределах настила переездов на прямых участках пути допускается принимать не менее 75 мм.

2.1.3. Высоту грузовых и пассажирских высоких платформ допускается в отдельных случаях, предусмотренных Инструкцией по применению габаритов приближения строений и подвижного состава, принимать более 1100 мм от уровня верха головок рельсов, а грузовые платформы располагать от оси пути на расстоянии не менее 1750 мм при условии обеспечения безопасности движения, а также безопасности обслуживающего персонала.

2.1.4. Опоры, мачты, столбы и другие сооружения и устройства не должны ограничивать требуемую дальность видимости светофоров и семафоров.

Габарит С

¾¾¾¾¾ линия приближения пролетных строений мостов, конструктивных элементов тоннелей, галерей, платформ, настилов переездов, индукторов локомотивной сигнализации, механизмов стрелочных переводов и расположенных в их пределах устройств сигнализации, централизации и блокировки (СЦБ), а также сооружений и устройств, располагаемых на междупутьях станций в соответствии с п. 2.10;

¾¾о¾¾ линия приближения всех вновь строящихся сооружений и устройств, кроме расположенных на путях, электрификация которых исключена даже при электрификации данного участка железнодорожной линии, в том числе:

I-II-III - для перегонов, а также путей на станциях (в пределах инженерных сооружений)*, на которых не предусматривается технологическая стоянка подвижного состава;

Iа--IIа-IIIa - для остальных путей станций.

Размеры, показанные в виде дроби, означают: в числителе - для контактной подвески с несущим тросам, в знаменателе - без несущего троса;

* В настоящем стандарте: для раздельных пунктов с путевым развитием (станций, разъездов и обгонных пунктов) применяется общий термин «станции», под инженерными сооружениями следует понимать мосты (в том числе пешеходные), виадуки, акведуки, эстакады, путепроводы, тоннели, подпорные стенки, а также галереи и другие противообвальные и противолавинные сооружения, за исключением мест, где по характеру требований необходимо указывать точно, о каких именно раздельных пунктах или инженерных сооружениях идет речь.

¾¾×¾¾ линия приближения сооружений и устройств для путей, электрификация которых исключена даже при электрификации данного участка железнодорожной линии;

¾¾·¾¾ линия приближения зданий, сооружений и устройств (кроме пролетных строений мостов, конструктивных элементов тоннелей, галерей, платформ), расположенных с внешней стороны крайних путей перегонов и станций, а также у отдельно лежащих путей на станциях;

¾¾· ·¾¾ линия, выше которой на перегонах и в пределах полезной длины путей на станциях не должно подниматься ни одно устройство, кроме инженерных сооружений, настилов переездов, индукторов локомотивной сигнализации, а также механизмов стрелочных переводов и расположенных в их пределах устройств СЦБ;

¾· · ·¾ линия приближения фундаментов зданий и опор, подземных тросов, кабелей, трубопроводов и других, не относящихся к пути сооружений на перегонах и станциях, за исключением инженерных сооружений и устройств СЦБ в местах расположения сигнальных и трансляционных точек;

· · · · · · · · · линия приближения конструктивных элементов тоннелей, перил на мостах, эстакадах и других инженерных сооружениях.

Черт. 1

2.1.5. Расстояние (3100 мм) от оси пути до линии приближения зданий, сооружений и устройств (¾¾¾·¾¾¾) в трудных условиях* допускается при соответствующем обосновании и по разрешению министерства или ведомства, в ведении которых находятся железнодорожные пути, уменьшать, но принимать не менее:

2750 мм - до внутреннего края опор контактной сети, мачт светофоров и семафоров, подпорных стенок на перегонах и 2450 мм - на станциях;

1920 мм - до выступающих частей карликовых светофоров при высоте их не более 1100 мм (от уровня верха головок рельсов).

При этом в местах установки опор, мачт и отдельно стоящих столбов на расстоянии от оси пути менее 3100 мм горизонтальные размеры 3100 и 2900 мм, указанные для точек 10 - 14, должны быть соответственно уменьшены.

* Под «трудными условиями» в настоящем стандарте следует понимать сложные топографические, геологические, планировочные и другие местные условия, когда применение основных габаритных размеров связано со значительным увеличением объема и стоимости строительно-монтажных работ, с необходимостью переустройства существующего земляного полотна, станционных путей, инженерных сооружений, со сносом строений или вообще исключает возможность соблюдения основных габаритных размеров.

2.1.6. Верхние очертания габаритов для переустраиваемых под электрическую тягу сооружений и устройств железных дорог общей сети и внешних подъездных путей от станции примыкания до территории промышленных и транспортных предприятий допускается принимать с разрешения министерства или ведомства, в ведении которых находятся указанные пути, с отступлением от линии I-II-III и Iа--IIа-IIIa габарита С при условии обеспечения зазоров, приведенных на черт 3 и в табл. 1.

2.2. Габарит Сп

2.2.1. Очертание и размеры габарита приближения строений Сп должны соответствовать указанным на черт. 2.

Примечания:

1. Размеры а1 и а2 принимают:

а1 = 670 мм, а2 = 760 мм - при ширине колеи 1520 мм;

a1 = 672 мм, а2 = 762 мм - при ширине колеи 1524 мм.

2. Размеры от оси пути до точек 1, и от уровня верха головок рельсов до линии 1-1 указаны для неэлектрифицируемых путей, при этом в скобках приведены размеры, допускаемые внутри зданий.

3. Верхнее очертание габарита Сп для электрифицируемых путей следует устанавливать по нормам, приведенным в подразделе 2.3.

2.2.2. Ширину желоба (а2 - а1) в пределах настила переездов на прямых участках пути допускается принимать не менее 75 мм.

2.2.3. Высоту грузовых и пассажирских высоких платформ допускается в отдельных случаях, предусмотренных Инструкцией по применению габаритов приближения строений и подвижного состава, принимать более 1100 мм от уровня верха головок рельсов, а грузовые платформы располагать от оси пути на расстоянии не менее 1750 мм при условии обеспечения безопасности движения, а также безопасности обслуживающего персонала.

2.2.4. На путях, по которым возможен пропуск негабаритных грузов, не должно быть ни одного сооружения или устройства, не отвечающего на высоте более 1100 мм от уровня верха головок рельсов основному очертанию габарита Сп, показанному сплошными линиями.

2.2.5. Опоры, мачты, столбы и другие сооружения и устройства не должны ограничивать требуемую дальность видимости светофоров и семафоров.

2.2.6. Расстояние (3100 мм) от оси пути до линии приближения зданий, сооружений и устройств (¾¾¾·¾¾¾) в трудных условиях допускается при соответствующем обосновании и по разрешению министерства или ведомства, в ведении которых находятся железнодорожные пути, уменьшать, но принимать не менее:

2750 мм - до внутреннего края опор контактной сети, мачт светофоров и семафоров, подпорных стенок на перегонах и 2450 мм - на станциях;

1920 мм - до выступающих частей карликовых светофоров при высоте их не более 1100 мм (от уровня верха головок рельсов).

2.2.7. При соответствующем обосновании и по разрешению министерства или ведомства, в ведении которых находятся железнодорожные пути, допускается:

размещать, ограничиваемые линией ¾¾о¾¾, сооружения и устройства высотой 4800 мм;

расстояние (2350 мм) от оси пути до линии ¾¾оо¾¾ в трудных условиях уменьшать до 2250 мм.

2.2.8. Расстояние (2000 мм) от оси пути до линии ¾¾ооо¾¾ допускается в обоснованных случаях уменьшать при условии соблюдения минимальных зазоров между очертанием подвижного состава и конкретного сооружения или устройства, приведенных в Инструкции по применению габаритов приближения строений и подвижного состава, и обеспечении возможности эксплуатации перспективного подвижного состава увеличенных габаритов.

Габарит Сп

¾¾¾¾ линия приближения пролетных строений мостов, конструктивных элементов тоннелей, галерей, платформ, настилов переездов, индукторов локомотивной сигнализации, механизмов стрелочных переводов и расположенных в их пределах устройств СЦБ, а также сооружений и устройств, располагаемых на территории промышленных и транспортных предприятий (кроме сооружений и устройств, габариты приближения которых ограничены несплошными линиями ¾¾о¾¾, ¾¾·¾¾ и др.), а также сооружений и устройств, располагаемых в соответствии с п, 2.10 на междупутьях станций;

¾¾·¾¾ линия приближения зданий, сооружений и устройств (кроме пролетных строений мостов, конструктивных элементов тоннелей, галерей и платформ), расположенных с внешней стороны крайних путей перегонов и станций между территориями смежных промышленных и транспортных предприятий, а также с внешней стороны крайних путей, соединяющих станции на территории промышленных и транспортных предприятий:

¾¾· ·¾¾ линия, выше которой на перегонах и в пределах полезной длины путей на станциях не должно подниматься ни одно устройство, кроме инженерных сооружений, настилов переездов, индукторов локомотивной сигнализации, а также механизмов стрелочных переводов и расположенных в их пределах устройств СЦБ;

¾¾о¾¾ линия приближения подкрановых балок, ригелей, стоек проемов ворот и тому подобных сооружений и устройств на путях, предназначаемых для эксплуатации только специального подвижного состава промышленного транспорта высотой не более 4700 мм и попадание на которые подвижного состава общего пользования высотой более 4700 мм (до 5300 мм) исключается;

¾¾оо¾¾ линия приближения отдельно стоящих колонн, стоек проемов ворот производственных зданий, а также выступающих частей зданий (пилястр, контрфорсов, лестниц и др.) при их длине вдоль пути не более 1000 мм;

¾¾ооо¾¾ линия приближения погрузо-выгрузочных и сливно-наливных устройств, свесов крыш прирельсовых складов, устройств по техническому обслуживанию, экипировке и ремонту подвижного состава и других технологических устройств в нерабочем их положении, расположенных на станционных (кроме главных и приемо-отправочных) и портовых путях;

• • • • • • • • • линия приближения конструктивных элементов тоннелей, перил на мостах, эстакадах и других инженерных сооружениях.

Черт. 2

2.3. Верхние очертания габаритов С и Сп

2.3.1. Верхние очертания габаритов приближения строений С и Сп для всех вновь строящихся и переустраиваемых сооружений и устройств на электрифицируемых или намечаемых в перспективе к электрификации с верхним контактным проводом участках пути, находящихся на территории промышленных и транспортных предприятий и между ними, следует устанавливать по нормам, приведенным на черт. 3и в табл. 1

¾¾о¾¾      верхнее очертание габарита приближения строений;

- - - - - - - - верхнее очертание габарита подвижного состава;

     контур, соответствующий положениям токоприемника при его смещениях по высоте и в стороны.

Черт. 3

Таблица 1

Нормальные и минимально допускаемые зазоры между сооружениями и устройствами, вновь строящимися и переустраиваемыми под электрическую тягу, и контактным проводом, токоприемником и подвижным составом

Зазоры, указанные на черт. 3

Размеры зазоров, мм, при нормальном напряжении в контактной сети, кВ

1,5 - 4

6 - 12

25

Вертикальный воздушный зазор А1 между габаритом подвижного состава и наинизшим положением контактного провода:

 

 

 

для перегонов, а также путей на станциях (в пределах инженерных сооружений), на которых не предусмотрена стоянка подвижного состава

450 (250)

450 (300)

450 (375)

для остальных путей на станциях

950

950

950

Вертикальный воздушный зазор А2 между токонесущими частями контактной подвески и заземленными частями инженерных сооружений

200 (150)

250 (200)

350 (300)

Боковой воздушный зазор а между деталями токоприемника, находящегося под напряжением, и заземленными частями инженерных сооружений

200 (150)

220 (180)

250 (200)

Вертикальный зазор d, необходимый для размещения токонесущих частей контактной подвески:

 

 

 

без несущего троса

150 (100)

150 (100)

150 (100)

с несущим тросам

300 (250)

300 (250)

300 (250)

Примечания:

1. Размеры зазоров, показанные без скобок, следует применять во всех случаях, когда переустройство существующих сооружений под электрическую тягу не связано с экономически нецелесообразными затратами или длительными перерывами движения, для напряжения в контактном проводе 25 кВ или другого максимально возможного на рассматриваемой железнодорожной линия в перспективе, если применение на ней напряжения 215 кВ исключено.

2. Размеры зазоров, приведенные в скобках, допускается применять для существующих инженерных сооружений только в исключительных случаях при соответствующем обосновании и с разрешения министерства или ведомства, в ведении которых находятся железнодорожные пути.

2.3.2. Во избежание не вызываемых необходимостью переделок существующих сооружений и устройств при переустройстве их под электрическую тягу углы, образующиеся при построении линии ¾¾о¾¾ верхнего очертания габарита приближения строений, следует закруглять с обеспечением воздушных зазоров а и А2.

2.3.3. Для внутренних путей промышленных и транспортных предприятий, расположенных под капитальными инженерными сооружениями, ограничивающими габарит, высоту подвески контактного провода по разрешению министерства или ведомства, утверждающих проект, допускается понижать учетом конструкции и размеров фактически обращающихся по этим путям типов подвижного состава.

2.3.4. При применении для путей промышленных и транспортных предприятий напряжения в контактной сети менее 1,5 кВ высота подвески контактного провода и величины воздушных зазоров между токонесущими частями контактной сети и заземленными частями инженерных сооружений должны устанавливаться проектом и утверждаться министерством или ведомством, в ведении которых находятся соответствующие пути.

2.3.5. При боковом токосъеме высоту подвески и вынос от оси пути контактного провода следует определять проектом в каждом отдельном случае в зависимости от местных условий, конструкции обращающихся типов подвижного состава и условий безопасности движения.

2.4. Нижние очертания габаритов С и Сп

2.4.1. Нижнее очертание габаритов приближения строений С и Сп для двойных перекрестных стрелочных переводов должно соответствовать указанному на черт.4.

Нижнее очертание габаритов С и Сп для двойных перекрестных стрелочных переводов

Черт. 4

Примечание. Приведенное очертание устанавливает допускаемые нормы возвышения над уровнем верха головок рельсов и удаления от оси пути частей тупых крестовин и не является каким-либо конкретным сечением стрелочного перевода.

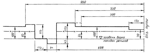
2.4.2. Нижние очертания габаритов приближения строений С и Сп для горочных вагонных замедлителей должны соответствовать указанным на черт. 5.

2.4.3. Выход за пределы очертания, показанного на черт. 5а, допускается, в виде исключения, только для замедлителей клещевидно-весового типа (КВ) при положении готовности к торможению. При этом высота тормозных шин замедлителя от уровня головок рельсов должна быть не более 140 мм.

2.4.4. Для конструкции замедлителей, допускающей в отторможенном состоянии безударное упругое отжатие колесной парой тормозных шин, соответствующую этому положению ширину желоба для прохода гребня колеса (64 мм) допускается уменьшать, но во всех случаях принимать ее не менее 45 мм.

2.4.5. Нижнее очертание габарита приближения строений Сп для подвагонных толкателей и других устройств для надвига вагонов должно соответствовать указанному на черт 6

2.5. Габариты приближения строений железных дорог колеи 1520 (1524) мм, указанные на черт. 1- 6 и в табл. 1, должны применяться и для путей колеи 1435 мм, расположенных на территории Союза ССР, по которым обращается (после смены тележек) подвижной состав советских железных дорог. При нахождении на таких путях только зарубежного подвижного состава допускается применять для них установленный в рамках ОСЖД габарит приближения строений 1-СМ, приведенный в справочном приложении 1.

Нижние очертания габаритов С и Сп для горочных вагонных замедлителей

а) Очертание, за пределы которого не должна выступать ни одна из частей вагонного замедлителя при любом его положении, включая рабочее (заторможенное).

б) Очертание, за пределы которого не должна выступать ни одна из частей вагонного замедлителя при его нерабочем (отторможенном) положении.

- - - - - - - - линия приближения только замедлителей типа KB;

¾¾¾¾ линия приближения только замедлителей типа 50.

Черт. 5

2.6. Расстояние между осями путей на перегонах двухпутных линий должно быть не менее 4100 мм. На трех- и четырехпутных линиях расстояние между осями второго и третьего пути должно быть не менее 5000 мм.

Расстояния между осями смежных путей вновь строящихся и реконструируемых станций принимают согласно справочному приложению 2.

Минимальные расстояния между осями смежных путей эксплуатируемых станций, допускаемые при введении подвижного состава габарита Тпр, следует принимать по нормам, установленным Министерством путей сообщения по согласованию с отделом охраны труда ЦК профсоюза работников железнодорожного транспорта.

2.7. Размеры габаритов приближения строений и расстояния между осями путей даны для прямых участков пути и кривых радиусом более 4000 м. Для кривых участков пути радиусом 4000 м и менее размеры габаритов приближения строений и расстояния между осями путей должны увеличиваться из условия прохода двухосного вагона (принятого за расчетный) длиной 24 м с направляющей базой 17 м с той же степенью безопасности движения, что и на прямых участках пути, с учетом максимально возможных скоростей движения поездов на перспективу.

Нормы увеличения габаритов приближения строений и расстояний между осями путей в кривых участках пути устанавливаются Инструкцией по применению габаритов приближения строений и подвижного состава.

2.8. Размеры габарита приближения строений для кривых участков пути следует считать:

горизонтальные - от вертикальной линии, проходящей внутри колеи на расстоянии 760 (762) мм от рабочей грани головки ближайшего к сооружению или устройству рельса;

вертикальные - от уровня верха головки внутреннего рельса.

Нижнее очертание габарита Сп для подвагонных толкателей и других устройств для надвига вагонов

¾¾¾¾ очертание, за пределы которого не должна выступать ни одна из частей подвагонного толкателя и других устройств для надвига вагонов в нерабочем (положении при установке их на путях, по которым разрешается пропуск только грузовых вагонов;

¾¾×¾¾ то же, при установке на путях, по которым возможен пропуск любого подвижного состава;

- - - - - - - - очертание, допускаемое для находящихся в нерабочем положении подвагонных толкателей и других устройств для надвига вагонов, построенных до 1 января 1974 г.

Черт. 6

2.9. Размеры габаритов приближения строений С и Сп, очертания которых показаны на черт1 и. 2. сплошными линиями и на черт. линией ¾¾оо¾¾, и расстояние между осями главных путей 4100 мм обеспечивают безопасность прохода подвижного состава и находящихся на нем обслуживающего персонала железнодорожного транспорта и пассажиров, соблюдающих установленные правила личной техники безопасности. Эти размеры в местах работы и передвижения обслуживающего персонала железнодорожного транспорта и работников промышленных и транспортных предприятий должны дополнительно увеличиваться до норм, при которых может быть обеспечена безопасность нахождения работников указанных категорий в пространстве между подвижным составом и сооружением или устройством или между подвижными составами, находящимися на смежных путях. Увеличенные размеры должны устанавливаться с учетом места расположения путей, их назначения и скорости движения по ним, специфики предприятия и составлять:

для сооружений и устройств - не менее 3100 мм от оси пути;

для междупутий - согласно требованиям СНиП по проектированию железных дорог колеи 1520 мм.

Расстояния от оси путей, расположенных на территории промышленных и транспортных предприятий, по которым не осуществляется пропуск негабаритных грузов, до сооружений и устройств, находящихся в местах прохода обслуживающего персонала, допускается устанавливать исходя из учета в пространстве между этими сооружениями и устройствами и обращающимся подвижным составом зоны шириной не менее 850 мм.

2.10. На междупутьях перегонов, а также станций в пределах полезной длины путей для обеспечения условий механизации работ по текущему содержанию и ремонту пути (балластировке, очистке щебня, уборке снега и других работ) не должно располагаться ни одно сооружение или устройство, кроме допускаемых линией ¾¾• •¾¾ габаритов С и Сп.

В случаях, когда на станциях с большим путевым развитием выполнение этого требования невозможно и возникает необходимость расположения на междупутьях отдельных, не отвечающих этому требованию устройств (опор, мачт, столбов, стеллажей, напольных устройств СЦБ и др.), они должны быть сконцентрированы на специальных ограниченных по числу междупутьях с тем, чтобы обеспечивалась возможность механизации работ по текущему ремонту и содержанию остальных путей станции. Расстояния от таких устройств до оси каждого из смежных путей должны соответствовать размерам очертаний габаритов С и Сп, показанных на черт. 1 и . 2. сплошными линиями.

2.11. Расстояние от оси пути до внутреннего края промежуточных опор путепроводов и пешеходных мостов и до зданий постов, располагаемых на междупутьях станций, должно быть не менее 2450 мм.

2.12. При установке технологических устройств на междупутьях путей промышленных и транспортных предприятий, по которым не осуществляется пропуск негабаритных грузов, расстояния до частей этих устройств от оси каждого смежного пути допускается принимать в соответствии с линией ¾¾ооо¾¾ габарита Сп (см. черт. .2.

2.13. В пределах всего горба сортировочной горки на расстоянии до 1920 мм от оси пути не должно быть никаких сооружений и устройств, возвышающихся над уровнем верха головок рельсов.

2.14. Установленные настоящим стандартом вертикальные размеры габаритов приближения строений должны соблюдаться в течение всего периода эксплуатации каждого сооружения и устройства. Поэтому строительные размеры сооружений и устройств по высоте должны назначаться с учетом возможного изменения уровня головок рельсов: понижения - вследствие износа рельсов, повышения - вследствие укладки более высоких типов рельсов, перехода на щебеночный балласт и др.

3. ГАБАРИТЫ ПОДВИЖНОГО СОСТАВА

3.1. Верхние очертания габаритов Т, Тц, Тпр, 1-Т

3.1.1. Верхнее очертание габарита подвижного состава Т должно соответствовать указанному на черт. 7

Габарит Т

Верхнее очертание габарита

• • • • • • • • • только для сигнальных устройств;

¾¾¾¾ для выступающих частей: поручней, подлокотников, козырьков для стока воды, параванов и др. В oткpытoм положении параваны должны вписываться в очертание для сигнальных устройств;

- - - - - - - - см. п. 3.8

Черт. 7

3.1.2. На участках намечаемой эксплуатации подвижного состава, построенного с полным использованием ширины габарита Т в интервале по высоте между точками 8 и 10, не должно быть ни одного сооружения, не отвечающего габариту приближения строений С для станций в пределах его точек 5-6 (см. черт. 1).

3.1.3. Строительная ширина подвижного состава, проектируемого по габариту Т в пределах интервала по высоте между точками 8 и 10, не должна быть более 3600 мм. Если по расчету согласно разд. 4 она получается менее 3600 мм, то в качестве строительного размера следует принимать расчетный.

3.1.4. Верхнее очертание габарита подвижного состава Тц должно соответствовать указанному на черт. 8.

ГАБАРИТ Тц

Верхнее очертание габарита

Черт. 8

3.1.5. В интервале по высоте от 5200 до 5300 мм подвижной состав, проектируемый по габариту Тц, должен вписываться в очертание габарита подвижного состава 1-Т на этой высоте, показанное на черт. 10 сплошными линиями.

3.1.6. Верхнее очертание габарита подвижного состава Тпр должно соответствовать указанному на черт. 9.

3.1.7. До переустройства соответствующих сооружений и устройств, не удовлетворяющих габариту Тпр, разрешается использовать полную ширину этого габарита для вписывания подвижного состава в пределах очертания, ограниченного сверху линией 3-3 (до высоты 4350 мм). Выше линии 3-3 подвижной состав должен вписываться в очертание габарита 1-Т, показанное на черт.10 сплошными линиями.

3.1.8. Верхнее очертание габарита подвижного состава 1-Т должно соответствовать указанному на черт. 10.

3.1.9. Строительная ширина подвижного состава, проектируемого по габариту 1-Т, в пределах интервала по высоте между точками 8 и 10, не должна быть более 3250 мм. Если по расчету согласно разд. 4 она получается менее 3250 мм, то в качестве строительного размера принимается расчетный.

3.2. Нижние очертания габаритов Т, Тц, Тпр, 1-Т

3.2.1. Нижние очертания габаритов подвижного состава Т, Тц, Тпр, 1-Т должны соответствовать указанным на черт.11.

ГАБАРИТ Тпр

Верхнее очертание габарита

¾¾¾¾ для поручней;

- - - - - - - - см. п. 3.8.

Черт. 9

ГАБАРИТ 1-Т

Верхнее очертание габарита

• • • • • • • только для сигнальных устройств;

¾¾¾¾ для выступающих частей: поручней, подлокотников, козырьков для стока воды, параванов и др. В открытом положении параваны должны вписываться в очертание для сигнальных устройств;

- - - - - - - - см. п. 3.8.

Черт. 10

а) Для подвижного состава, проходящего по всем путям железных дорог Союза ССР колеи 1520 (1524) мм, за исключением путей сортировочных горок, оборудованных вагонными замедлителями.

б) Для подвижного состава, проходящего по всем путям железных дорог Союза ССР колеи 1520 (1524) мм, включая пути сортировочных горок, оборудованные вагонными замедлителями при нерабочем (отторможенном) их положении.

в) Для подвижного состава, проходящего по всем путям железных дорог Союза ССР колеи 1520 (1524) мм, включая пути сортировочных горок, оборудованные вагонными замедлителями при любом их положении.

г) Для подвижного состава, проходящего по всем путям железных дорог Союза ССР колеи 1520 (1524) мм, включая пути сортировочных горок, оборудованные вагонными замедлителями при любом их положении, и пути, оборудованные устройством для надвига вагонов (см. черт. 6).

¾¾¾¾¾ для обрессоренных частей кузова;

- - - - - - - - для обрессоренной рамы тележки и укрепленных на ней частей;

¾¾×¾¾ для необрессоренных частей.

Черт. 11

Примечания:

1. Размеры по вертикали, показанные в скобках, принимаются только для пассажирских (кроме почтовых, багажных и двухэтажных с куполом для обозрения) вагонов, в том числе вагонов электропоездов и дизель-поездов.

2. Углубление по линии 24-25-26 на черт. 11в и по линии 22-23-24 на черт. 11г допускается только для предохранительных скоб тормозных тяг.

3.2.2. Высоту точек 10 и 11, приведенных на черт11, допускается уменьшить на 60 мм (и принять, таким образом, на одном уровне с точкой 12) для подвижного состава габарита Т, предназначенного к эксплуатации на линиях, где высота низких платформ и других, расположенных в этих местах, устройств понижена до 200 мм.

3.2.3. Горизонтальное расстояние от оси пути до точек 11-12-13 (черт. 11) допускается принимать равным 1700 мм для подвижного состава габаритов Т и 1-Т, предназначенного к эксплуатации на линиях, сооружения и устройства которых приведены в нижней части в полное соответствие с габаритом приближения строений С для станций.

3.3. Верхние очертания габаритов 1-ВМ, 0-ВМ, 02-ВМ

3.3.1. Верхнее очертание габарита подвижного состава 1-ВМ должно соответствовать указанному на черт. 12.

ГАБАРИТ 1-ВМ

Верхнее очертание габарита

• • • • • • • • только для сигнальных устройств.

Черт. 12

Примечание. Размеры, показанные в виде дроби, означают:

в числителе - размеры, которым должны удовлетворять все вновь строящиеся вагоны, предназначенные для международного сообщения, а также ранее построенные вагоны при следовании по железным дорогам НРБ, ВНР, ГДР, ПНР, СРР и ЧССР;

в знаменателе - размеры для ранее построенных вагонов при обращении их в пределах железных дорог Союза ССР и МНР.

3.3.2. Строительная ширина подвижного состава в интервале по высоте между точками 10 и 11 не должна быть более 3250 мм.

3.3.3. Выступающие части (поручни, подлокотники, козырьки для стока воды, параваны и др.) для подвижного состава, предназначенного к эксплуатации в пределах только железных дорог колеи 1520 (1524) мм, разрешается вписывать в габарит 1-ВМ с учетом дополнительной наклонной линии, имеющей расстояние от оси пути: 1700 мм - на высоте 3850 мм (точка 4); 1800 мм - на высоте 1160 мм (точка 9).

3.3.4. Верхнее очертание габарита подвижного состава 0-ВМ должно соответствовать указанному на черт.13.

ГАБАРИТ 0-ВМ

Верхнее очертание габарита

• • • • • • • • • только для сигнальных устройств;

¾¾¾¾ уширение габарита, допускаемое только для вагонов, построенных до 1960 г.

Черт. 13

Примечание. Размеры, показанные в виде дроби, означают:

в числителе - размеры, которым должны удовлетворять все вновь строящиеся вагоны, предназначенные для международного сообщения, а также ранее построенные вагоны при следовании по железным дорогам НРБ, ВНР, 'ГДР, ПНР, СРР и ЧССР;

в знаменателе - размеры для ранее построенных вагонов при обращении их в пределах железных дорог Союза ССР и МНР.

3.3.5. Верхнее очертание габарита подвижного состава 02-ВМ должно соответствовать указанному на черт. 14

ГАБАРИТ 02-ВМ

Верхнее очертание габарита

• • • • • • • • только для сигнальных устройств.

Черт. 14

3.4. Нижние очертания габаритов 1-ВМ, 0-ВМ, 02-ВМ

3.4.1. Нижние очертания габаритов подвижного состава 1-ВМ, 0-ВМ, 02-ВМ должны соответствовать указанным на черт. 15.

а) Для подвижного состава, проходящего по путям железных дорог Союза ССР колеи 1520 (1524) мм и путям железных дорог - членов ОСЖД колеи 1435 мм, за исключением путей сортировочных горок, оборудованных вагонными замедлителями.

б) Для подвижного состава, проходящего по путям железных дорог Союза ССР колеи 1520 (1524) мм и путям железных дорог - членов ОСЖД колеи 1435 мм, включая пути сортировочных горок железных дорог Союза ССР, оборудованные вагонными замедлителями, - при нерабочем (отторможенном) их положении

в) Для подвижного состава, проходящего по путям железных дорог Союза ССР колеи 1520 (1524) мм и путям железных дорог - членов ОСЖД колеи 1435 мм, включая пути сортировочных горок железных дорог Союза ССР, оборудованные вагонными замедлителями, при любом их положении.

г) Для подвижного состава, проходящего по путям железных дорог Союза ССР колеи 1520 (1524) мм и путям железных дорог - членов ОСЖД колеи 1435 мм, включая пути сортировочных горок, оборудованные на дорогах - членах ОСЖД колеи 1435 мм вагонными замедлителями нового типа (построенными по габариту, рекомендованному ОСЖД на перспективу), при любом их положении.

д) Для подвижного состава, проходящего по путям железных дорог Союза ССР колеи 1520 (1524) мм и путям железных дорог - членов ОСЖД колеи 1435 мм, включая пути сортировочных горок, оборудованные вагонными замедлителями, и пути, оборудованные устройством для надвига вагонов (см. черт. 6).

¾¾¾¾¾ для обрессоренных частей кузова;

- - - - - - - - для частей, укрепленных на обрессоренной раме тележки;

¾¾×¾¾ для необрессоренных частей.

Черт. 15

Примечания:

1. Размеры, показанные в виде дроби, означают: в числителе - размеры, которым должны удовлетворять все вновь строящиеся, предназначенные для международного сообщения вагоны, а также ранее построенные вагоны при следовании по железным дорогам НРБ, ВНР, ГДР, ПНР, СРР и ЧССР;

в знаменателе - размеры для ранее построенных вагонов при обращении их в пределах железных дорог Союза ССР и МНР.

2. Размеры в скобках указаны для железных дорог колеи 1435 мм.

3. Углубление по линии 24-25-26 на черт. 15в и по линии 18-19-20 на черт. 15д допускается только для предохранительных скоб тормозных тяг.

3.5. Верхнее очертание габарита 03-ВМ

3.5.1. Верхнее очертание габарита подвижного состава 03-ВМ должно соответствовать указанному на черт. 16.

ГАБАРИТ 03-ВМ

Верхнее очертание габарита

Черт. 16

3.6. Нижние очертания габарита 03-ВМ

3.6.1. Нижние очертания габарита подвижного состава 03-ВМ должны соответствовать указанным на черт. 17.

а) Для подвижного состава, проходящего по путям железных дорог Союза ССР колеи 1520 (1524) мм, а также европейских и азиатских железных дорог колеи 1435 мм, за исключением путей сортировочных горок, оборудованных вагонными замедлителями.

б) Для подвижного состава, проходящего по путям железных дорог Союза ССР колеи 1520 (1524) мм, а также европейских и азиатских железных дорог колеи 1435 мм, включая пути сортировочных горок, оборудованные вагонными замедлителями при любом их положении.

¾¾¾¾¾ для обрессоренных частей кузова;

- - - - - - - - для обрессоренной рамы тележки и укрепленных на ней частей;

¾¾×¾¾ для необрессоренных частей кузова и тележки.

Черт. 17

Примечания:

1. Размеры в скобках указаны для железных дорог колеи 1436 мм.

2. Вертикальные размеры нижнего очертания габарита на черт. 17б указаны для обрессоренных частей кузова и тележки. Для необрессоренных частей эти размеры следует уменьшить на 15 мм.

3.7. Габариты, с соблюдением которых должны строиться отдельные типы подвижного состава с учетом предъявляемых народнохозяйственных и оборонных требований и габаритной характеристики железных дорог, должны устанавливать:

для подвижного состава, предназначаемого к обращению по путям общей сети железных дорог Союза ССР, внешним и внутренним подъездным путям промышленных и транспортных предприятий, открытым для общего пользования, - Министерство путей сообщения;

для подвижного состава, предназначаемого к обращению только по путям промышленных и транспортных предприятий, - министерство или ведомство, в ведении которых находятся соответствующие пути.

3.8. По габаритам Т, Тпр и 1-Т с использованием их очертаний по штриховым линиям (¾ ¾ ¾ ¾ ¾) подвижной состав должен проектироваться и строиться после устранения соответствующих негабаритностей сооружений и устройств (в соответствии с требованиями, устанавливаемыми Инструкцией по применению габаритов приближения строений и подвижного состава) на всей сети железных дорог Союза ССР или на отдельных замкнутых направлениях по разрешению Министерства путей сообщения, а при обращении подвижного состава только на территории промышленных и транспортных предприятий - по разрешению соответствующего министерства или ведомства при согласовании с Министерством путей сообщения возможности и условия его пересылки по путям общей сети от завода-изготовителя до места назначения как негабаритного груза на своих осях.

3.9. Подвижной состав, строящийся по габаритам Т и 1-Т и предназначенный к обращению по путям общей сети железных дорог Союза ССР, внешним и внутренним подъездным путям промышленных и транспортных предприятий, открытым для обращения подвижного состава общей сети, может иметь полную высоту этих габаритов 5300 мм.

При строительстве по габаритам Т и 1-Т специального подвижного состава (в том числе локомотивов), предназначаемого к эксплуатации только на путях промышленных и транспортных предприятий, сооружения и устройства на которых имеют пониженную до 4800 мм высоту габарита приближения строений Сп (см. линию ¾¾о¾¾ на черт.2), высота подвижного состава не должна превышать 4700 мм. Необходимость указанного уменьшения высоты специального подвижного состава (в том числе локомотивов) должна оговариваться в технических требованиях на его проектирование министерством или ведомством-заказчиком.

3.10. При проектировании новых конструкций подвижного состава следует стремиться к увеличению высоты его нижних необрессоренных частей, принимая вместо указанного на черт. 11а и 15а размера 65 мм размер не менее 80 мм.

4. СТРОИТЕЛЬНОЕ И ПРОЕКТНОЕ ОЧЕРТАНИЯ ПОДВИЖНОГО СОСТАВА

4.1. Вертикальные размеры габарита подвижного состава поверху являются одновременно и теми максимальными строительными размерами, которые может иметь проектируемый по нему подвижной состав по высоте в ненагруженном состоянии.

Наименьшие допускаемые вертикальные строительные размеры проектируемого подвижного состава понизу получают путем увеличения соответствующих вертикальных размеров габарита подвижного состава на величину возможного в эксплуатации статического параллельного понижения подвижного состава вследствие максимального нормируемого износа ходовых частей, а для обрессоренных деталей и вследствие равномерной осадки рессор и их прогиба от расчетной нагрузки (без учета динамических колебаний).

Для подвижного состава, в процессе эксплуатации которого возможна замена колесных пар одного диаметра на колесные пары другого диаметра, вертикальные размеры должны определяться: поверху - при колесах наибольшего возможного диаметра; понизу - при колесах наименьшего возможного диаметра и подшипниках скольжения.

4.2. Максимальные допускаемые горизонтальные строительные размеры подвижного состава получают путем уменьшения поперечных размеров соответствующего габарита подвижного состава с каждой стороны на величины необходимых ограничений Е0, Ев и Ен (поперечных смещений подвижного состава при вписывании в кривую расчетного радиуса с учетом наибольших допускаемых разбегов и износов деталей его ходовых частей), мм, определяемых по формулам:

ограничение Е0 направляющих поперечных сечений* подвижного состава

* Под направляющими поперечными сечениями подвижного состава в настоящем стандарте понимаются сечения по пятникам, направляющим осям или другие, имеющие наименьшие поперечные смещения с оси пути.

E0 = 0,5(S - d) + q + ω + (k1 - k3) - k;                                             (1)

внутреннее ограничение Ев поперечных сечений подвижного состава, расположенных между его направляющими сечениями

Eв = 0,5(S - d) + q + ω + [k2(l - n)n + k1 - k3] - k + α;                           (2)

наружное ограничение Ен поперечных сечений подвижного состава, расположенных снаружи его направляющих сечений

Eн = [0,5(S - d) + q + ω] + [k2(l + n)n - k1 - k3] - k + b,                      (3)

где l -       расстояние между направляющими сечениями подвижного состава (база подвижного состава), м;

n -     расстояние от рассматриваемого поперечного сечения подвижного состава до его ближайшего направляющего сечения, м;

S -     максимальная ширина колеи в кривой расчетного радиуса, мм;

d -     минимальное расстояние между наружными гранями предельно изношенных гребней бандажей, мм;

q -     наибольшее возможное поперечное перемещение в направляющем сечении в одну сторону из центрального положения рамы тележки относительно колесной пары вследствие зазоров при максимальных износах и деформаций упругих элементов в буксовом узле и узле сочленения рамы тележки с буксой, мм;

ω -    наибольшее возможное поперечное перемещение в направляющем сечении в одну сторону из центрального положения кузова относительно рамы тележки вследствие зазоров при максимальных износах и упругих колебаниях в узле сочленения кузова и рамы тележки, мм;

k -     величина, на которую допускается выход подвижного состава, проектируемого по габаритам 0-ВМ, 02-ВМ, 03-ВМ и 1-ВМ (в нижней части), за очертания этих габаритов в кривых участках пути R = 250 м, мм;

k1 -    величина дополнительного поперечного смещения в кривых участках пути расчетного радиуса (200 м - для габаритов Т, Тц, Тпр, 1-Т и верхней части габарита 1-ВМ; 250 м - для габаритов 0-ВМ, 02-ВМ, 03-ВМ и нижней части габарита 1-ВМ) тележечного подвижного состава, мм;

k2 -    коэффициент размерности, зависящий от величины расчетного радиуса кривой (200 м - для габаритов Т, Тц, Тпр, 1-Т и верхней части габарита 1-ВМ; 250 м - для габаритов 0-ВМ, 02-ВМ, 03-ВМ и нижней части габарита 1-ВМ), мм/м2;

k3 -    величина, на которую допускается выход подвижного состава, проектируемого по габаритам Т, 1-Т, Тц, Тпр и 1-ВМ (в верхней части), за очертания этих габаритов в кривых участках пути R = 200 м, мм;

α и β -    дополнительные ограничения внутренних и наружных сечений подвижного состава, мм, имеющие место только у очень длинного подвижного состава и определяемые из условия вписывания в кривую радиуса R = 150 м. У обычного подвижного состава массовой постройки значения а и b равны нулю.

4.3. Максимально допускаемая ширина подвижного состава 2В, мм, на некоторой высоте Н над уровнем верха головки рельса в рассматриваемом сечении определяется по формуле

2В = 2(Вω - E),                                                             (4)

где Вω -    полуширина соответствующего габарита подвижного состава на рассматриваемой высоте, мм;

Е - одно из указанных выше ограничений Е0, Ев или Ен, мм.

4.4. Если при проектировании подвижного состава по габаритам Т, Тц, Тпр, 1-Т и верхней части габарита 1-ВМ в приведенных в п. 4.2 формулах (1 - 3) отдельно взятая величина в скобках (k1 - k3), [k2(l - n)n + k1 - k3] или [k2(l + n)n - k1 - k3] окажется отрицательной, то она не учитывается, то есть принимается равной нулю. При этом расчет ограничений Е0, Ев и Ен в этом случае производится из условия вписывания в габарит на прямом участке пути по формулам:

 =  = 0,5(Sп - d) + q + ω;

 = [0,5(Sп - d) + q + ω],

где ,  и  -    ограничения полуширины соответствующих сечений подвижного состава на прямом участке пути, мм;

Sп -    максимальная ширина колеи на прямом участке, мм, остальные значения буквенных обозначений те же, что в формулах (1), (2), (3).

При расчетах ограничений Е0, Ев и Ен для подвижного состава габаритов 0-ВМ, 02-ВМ, 03-ВМ и нижней части подвижного состава габарита 1-ВМ отрицательные значения указанных величин в скобках должны быть учтены. При этом если ограничения Е0, Ев и Ен получаются отрицательными, то они не учитываются (принимаются равными нулю) и ширина подвижного состава в соответствующем сечении принимается равной ширине габарита.

4.5. Значения коэффициентов k, k1, k2 и k3, входящих в формулы (1), (2) и (3), следует принимать согласно табл. 2.

4.6. Входящие в формулы (2) и (3) дополнительные ограничения α и b имеют место только у отдельных типов подвижного состава, имеющих увеличенную длину и базу (больше длины и базы расчетного вагона), и должны определяться из условия вписывания в кривую R = 150 м.

Таблица 2

Габарит

Точки габарита

Значения коэффициентов

k, мм

k1, мм

k2, мм/м2

k3, мм

Т, Тц, Тпр, 1-Т

Все точки

0

0,625p2

2,5

180

1-ВМ

1 - 11

 

Остальные точки

25

0,5p2

2

0

0-ВМ

1 - 11

75

 

Остальные точки

25

02-ВМ

1 - 4

75

 

Остальные точки

25

03-ВМ

1 - 5

75

 

Остальные точки

25

p - база тележки подвижного состава, м.

Числовые значения α и b следует принимать:

для габаритов Т, Тц, Тпр и 1-Т и верхней части габарита 1-ВМ

                     (5)

                      (6)

для габаритов 0-ВМ, 02-ВМ, 03-ВМ и нижней части габарита 1-ВМ

                   (7)

                    (8)

4.7. В табл. 2 и формулах (5), (6) (7(8)за базу тележки р принимают:

у трехосных тележек - расстояние между крайними осями;

у подвижного состава с сочлененными тележками

р2 =  +  +  +  + ... + ,

где                   р0 - база ходовой тележки;

р1, р2, р3 ... рn - расстояние между опорными точками первой, второй, третьей и п-й соединительных балок.

При различных величинах базы тележек у одного и того же подвижного состава в расчет принимается для определения значений Е0 и Eв - величина большей базы, а Ен - величина меньшей базы.

4.8. Окончательные строительные размеры подвижного состава должны устанавливаться с учетом обеспечения возможности работы отдельных частей вновь проектируемого подвижного состава в сочетании с частями существующего подвижного состава (подкатки колесных пар с другими диаметрами колес или другими типами подшипников, подкатка старотипных тележек и др.), указываемыми в заявках по ГОСТ 15.001-73, и соблюдением при этом габаритных требований.

4.9. При проектировании подвижного состава, проходящего через сортировочные горки, размеры его должны быть дополнительно проверены, исходя из условия пропуска через сортировочные горки при минимальном радиусе вертикальной кривой горба горки 250 м.

4.10. Методика проведения расчетов по определению строительных размеров подвижного состава в соответствии с формулами настоящего стандарта устанавливается Инструкцией по применению габаритов приближения строений и подвижного состава.

4.11. Проектное очертание подвижного состава понизу следует определять путем увеличения, а поверху и в горизонтальном направлении путем уменьшения размеров его строительного очертания на величину плюсовых допусков соответствующих частей и деталей подвижного состава при его изготовлении и ремонте.

4.12. Вписывание проектируемого подвижного состава в габариты настоящего стандарта следует осуществлять посредством совмещения на одном отдельном чертеже строительного и проектного очертаний подвижного состава и внешнего контура соответствующих его частей (кузова, тележки, укрепленных на них деталей).

Для каждой выступающей точки, вписываемой в габарит части подвижного состава, должны быть указаны координаты: горизонтальная - от продольной вертикальной серединной плоскости подвижного состава; вертикальная - от уровня верха головок рельсов.

Кроме того, должны быть выполнены схемы расположения надкузовного и подкузовного оборудования, на которых следует указать расстояния от проверяемых сечений рассматриваемой части подвижного состава до пятниковых сечений.

4.13. Запрещается выпуск предприятием-изготовителем единиц подвижного состава с нарушением строительного очертания.

ПРИЛОЖЕНИЕ 1

Справочное

ГАБАРИТ ПРИБЛИЖЕНИЯ СТРОЕНИЙ 1-СМ

1. Верхнее очертание габарита приближения строений 1-СМ железнодорожных путей колеи 1435 мм, расположенных на территории Союза ССР, по которым не обращается подвижной состав советских железных дорог, следует принимать в соответствии с чертежом.

ГАБАРИТ 1-СМ

Верхнее очертание габарита

¾¾¾¾ основной контур габарита;

- - - - - - - контур необходимых свободных боковых пространств;

А-В - для всех устройств на перегонах, за исключением инженерных сооружений;

С-Д - для всех устройств на станциях и инженерных сооружений на перегонах.

2. Для сооружений, построенных до введения настоящего стандарта и находящихся на магистральных линиях Союза ССР, используемых для международных сообщений, допускаются следующие отступления от основного контура, приведенного на чертеже:

уменьшение высоты габарита до 4800 мм (до линии 1а-1а);

уменьшение полуширины габарита в точке 3 до 1770 мм;

уменьшение полуширины габарита по контуру 11-12а-12 до 1700 мм;

сохранение очертания нижней боковой части по линии 12а-13а-13.

3. Нижнее очертание габарита 1-СМ и его очертание на высоте более 4850 мм для электрифицированных линий следует принимать в соответствии с нормами, установленными настоящим стандартом для железных дорог Союза ССР колеи 1620 (1524) мм.

4. Расстояние между осями путей на перегонах, соответствующее габариту 1-СМ, должно быть не менее 4000 мм.

Минимальное расстояние между осями путей на перегонах при переустройстве существующих линий должно быть не менее 3750 мм.

5. Размеры габарита приближения строений 1-СМ, а также указанные в п. 4 настоящего приложения расстояния между осями путей даны для прямых участков пути и кривых радиусом 4000 м и более. В кривых участках пути радиусом менее 4000 м горизонтальные размеры габарита приближения строений и расстояния между осями путей необходимо дополнительно увеличивать.

Увеличение полуширины габарита приближения строений с внутренней bRi и наружной bRa сторон кривой и увеличение расстояний между осями путей bR, мм, определяют по формулам:

bRi = bRa = 3600/R;                                                            (1)

bR = 7200/R,                                                                 (2)

где R - радиус кривой, м.

6. Размеры габарита приближения строений 1-СМ в кривых участках пути следует измерять:

вертикальные - от плоскости, касательной к уровню верха головок рельсов и перпендикулярной к ней;

поперечные - от линии, проходящей через середину пути и перпендикулярной плоскости, касательной к уровню верха головок рельсов.

ПРИЛОЖЕНИЕ 2

Справочное

РАССТОЯНИЯ МЕЖДУ ОСЯМИ СМЕЖНЫХ ПУТЕЙ НА СТАНЦИЯХ, РАЗЪЕЗДАХ И ОБГОННЫХ ПУНКТАХ

1. Расстояния между осями смежных путей на станциях, разъездах и обгонных пунктах при их новом строительстве, а также при усилении (реконструкции) существующих следует принимать в соответствии с таблицей.

Наименование путей

Расстояния между осями смежных путей на станциях, разъездах и обгонных пунктах, мм

нормальное

минимальное

1. Главные пути

5300

4800

2. Главные и смежные с ними пути:

 

 

на однопутных и двухпутных линиях при скорости движения поездов до 120 км/ч

5300

5300

на двухпутных линиях при скорости движения поездов более 120 км/ч

6500

6500*

3. Приемо-сдаточные и сортировочные пути

5300

4800**

4. Второстепенные станционные пути: пути стоянки подвижного состава, пути грузовых дворов (кроме путей для перегрузки) и т.п.

4800

4500

5. Пути парков приема, отправления, где

Через один путь

предусматривается безотцепочный ремонт вагонов

5600 и 5300

5600 и 5300

* При проектировании вторых путей и усиления (реконструкции) существующих линий в особо трудных условиях по согласованию с Министерством путей сообщения допускается уменьшать это расстояние, но не менее чем до 5300 мм.

** Если в ближайшие 10 - 15 лет предусматривается обращение подвижного состава габарита Т, это расстояние допускается применять только с разрешения министерства (ведомства)-заказчика.

2. Расстояния между осями путей даны для прямых участков пути. При расположении путей в кривых эти расстояния необходимо увеличивать согласно Инструкции по применению габаритов приближения строений и подвижного состава.

3. Нормальные расстояния между осями смежных путей, приведенные в таблице, следует принимать при расположении станций, разъездов и обгонных пунктов на новых линиях и при переустройстве существующих раздельных пунктов.

Минимальные расстояния допускается принимать при соответствующем обосновании: для новых станций, разъездов и обгонных пунктов, располагаемых на существующих линиях в особо трудных условиях; для переустраиваемых существующих раздельных пунктов в трудных условиях; при проектировании станций, разъездов и обгонных пунктов на новых линиях, в виде исключения, по согласованию с Министерством путей сообщения.

4. При расположении в междупутье сооружений и устройств расстояния между осями путей в необходимых случаях следует увеличивать таким образом, чтобы в каждую сторону от них до оси соседних путей обеспечивалось соблюдение габаритов приближения строений С и Сп по их сплошным линиям для станций.

5. На станциях через каждые 8 - 10 путей должны предусматриваться уширенные, не менее чем до 6500 мм, междупутья, в которых следует размещать все устройства, препятствующие работе машин по текущему содержанию и ремонту пути (снегоочистительных и снегоуборочных, балластировочных, щебнеочистительных и др.).

6. Для пропуска поездов с негабаритными грузами на станциях смены локомотивов и промежуточных станциях со стоянками поездов для технических надобностей следует предусматривать не менее чем по одному пути в каждом направлении с расстоянием между осями смежных путей 5300 мм.

7. При расположении главных путей крайними по согласованию с Министерством путей сообщения допускается принимать расстояние между осями 4100 мм.

8. Предельные столбики должны устанавливаться в том месте, где расстояние между осями сходящихся путей составляет не менее 4100 мм в прямых, а в кривых - плюс соответствующее уширение.

9. Расстояния между осями смежных путей, предназначенных для перегрузки из вагона в вагон, должны определяться в каждом конкретном случае расчетом.

СОДЕРЖАНИЕ

1. Основные положения. 2

2. Габариты приближения строений. 4

3. Габариты подвижного состава. 13

4. Строительное и проектное очертания подвижного состава. 25

Приложение 1 Габарит приближения строений 1-см... 25

Приложение 2 Расстояния между осями смежных путей на станциях, разъездах и обгонных пунктах. 25

 

2008-2013. ГОСТы, СНиПы, СанПиНы - Нормативные документы - стандарты.