
ГОСУДАРСТВЕННЫЙ СТАНДАРТ СОЮЗА ССР
ГРУНТЫ
МЕТОД ПОЛЕВОГО ОПРЕДЕЛЕНИЯ ТЕМПЕРАТУРЫ
ГОСТ 25358-82
ГОСУДАРСТВЕННЫЙ КОМИТЕТ СССР ПО ДЕЛАМ СТРОИТЕЛЬСТВА
МОСКВА
РАЗРАБОТАН
Производственным и научно-исследовательским институтом по инженерным изысканиям в строительстве Госстроя СССР
Научно-исследовательским институтом оснований и подземных сооружений им. Н. М. Герсеванова Госстроя СССР
Московским государственным университетом им. М. В. Ломоносова Минвуза СССР
ИСПОЛНИТЕЛИ
И. В. Шейкин, канд. техн. наук (руководитель темы); Д. И. Федорович, канд. геол.-минер. наук; И. А. Комаров, канд. техн. наук; С. В. Тимофеев, канд. техн. наук; И. Д. Демин
ВНЕСЕН Производственным и научно-исследовательским институтом по инженерным изысканиям в строительстве Госстроя СССР
Зам. директора В. В. Баулин
УТВЕРЖДЕН И ВВЕДЕН В ДЕЙСТВИЕ Постановлением Государственного комитета СССР по делам строительства от 30 июня 1982 г. № 166
ГОСУДАРСТВЕННЫЙ СТАНДАРТ СОЮЗА ССР
|
ГРУНТЫ Метод полевого определения температуры Soils. Field method of determining temperature |
ГОСТ
|
Постановлением Государственного комитета СССР по делам строительства от 30 июня 1982 г. № 166 срок введения установлен
с 01.07.83
Настоящий стандарт распространяется на мерзлые, промерзающие и протаивающие грунты и устанавливает метод полевого определения их температуры в ходе инженерно-геокриологических (мерзлотных) исследований, выполняемых на площадках проектируемых, строящихся и эксплуатируемых зданий и сооружений, а также на опытных площадках, предназначенных для стационарных наблюдений.
Стандарт не распространяется на методы измерения температуры поверхности грунтов.
1.1. Полевые измерения температуры грунтов должны проводиться по программе, согласованной с заказчиком и отвечающей требованиям, приведенным в обязательном приложении 1, в целях:
получения конкретных данных о температуре мерзлых, промерзающих и протаивающих грунтов для использования их в теплотехнических расчетах при проектировании;
оценки и прогноза устойчивости территории освоения;
назначения глубины заложения и выбора типа фундаментов зданий и сооружений и определения их несущей способности;
контроля и оценки изменений, происходящих в тепловом режиме грунтов в результате возведения и эксплуатации зданий и сооружений или осуществления различных инженерных мероприятий.
1.2. Измерения температуры грунтов должны выполняться в заранее подготовленных и выстоянных скважинах переносными или стационарными термоизмерительными комплектами, представляющими собой гирлянды электрических датчиков температуры с соответствующей измерительной аппаратурой или гирлянды «заленивленных» ртутных термометров.
На опытных площадках и в основаниях зданий и сооружений допускается установка датчиков температуры непосредственно в грунт с обязательным соблюдением мер, обеспечивающих надежность работы аппаратуры в течение планируемого периода наблюдений.
1.3. Многоканальные термоизмерительные системы с центральным пультом измерений, предназначаемые для проведения длительных (режимных) наблюдений за температурой грунтов на групповых опытных площадках или в основаниях зданий и сооружений, должны выполняться по проектам, разработанным с учетом инженерно-геологических и климатических условий района работ.
1.4. Температуру мерзлых, промерзающих и протаивающих грунтов следует выражать в градусах Цельсия с округлением до 0,1 °С.
1.5. При подготовке и проведении термоизмерительных работ необходимо выполнять мероприятия по снижению суммарной погрешности измерений, слагающейся из инструментальных и дополнительных погрешностей, согласно обязательному приложению 2.
1.6. Инструментальная погрешность приборов для полевых измерений температуры грунтов не должна превышать:
± 0,1 °С в диапазоне температур ± 3 °С;
± 0,2 °С » » » ± (св. 3 до 10 включ.) °С;
± 0,3 °С » » » ± (св. 10) °С.
1.7. Аппаратура и приборы для измерения температуры перед началом и после окончания полевого сезона, а также после выявления и устранения неисправностей должны поверяться путем сопоставления их с образцовыми мерами и иметь аттестаты поверок, содержащие величины поправок.
Многоканальные термоизмерительные системы должны содержать устройства для калибровки и периодически поверяться по всем каналам (согласно инструкции по эксплуатации, выдаваемой предприятием - изготовителем оборудования).
2.1. Комплект для полевого измерения температуры грунтов в скважинах представляет собой гирлянду (сборку) электрических датчиков температуры или ртутных «заленивленных» термометров, закрепленных на несущем шнуре в соответствии с глубиной точек измерения (см. п. 3.8).
Количество ртутных «заленивленных» термометров в одной гирлянде не должно превышать 5 шт. При большем числе точек измерения термометры следует группировать по 5 шт. в самостоятельные гирлянды, устанавливаемые в скважину совместно.
2.2. В качестве электрических датчиков температуры грунтов следует применять чувствительные элементы промышленных мерных термометров сопротивления с номиналом 100 Ом (например, ЭСМ-03 по ТУ 25.02.738.71).
Допускается использовать для измерения температуры грунтов электрические датчики других видов (термометры сопротивления других номиналов, термисторы марок ММТ-1 и ММТ-4, термопары и т. п.) при условии обеспечения требований п. 1.6.
2.3. Монтаж гирлянды электрических датчиков температуры должен выполняться по схеме, приведенной в рекомендуемом приложении 3, однотипным (из одной бухты) многожильным медным проводом сечением 0,35 - 0,5 мм2 с надежной изоляцией; места спаек должны быть электро- и гидроизолированы.
Разница в сопротивлениях соединительных проводов, измеренная на клеммах разъема, не должна превышать 0,01 Ом; сопротивление изоляции проводов, шунтирующее датчик, должно быть не менее 2 МОм.
2.4. В качестве измерительных приборов к электрическим датчикам следует применять специальные термометрические многопредельные неравновесные мосты или потенциометры постоянного тока, отградуированные в градусах Цельсия, при цене деления шкалы не более 0,1 °С, либо лабораторные мосты сопротивлений класса точности 0,05 - 0,1 % (МО-62, МО-64, Р-39 и т. п.), подключаемые к гирлянде через узел коммутации.
2.5. При измерении температуры грунтов в скважинах ртутными термометрами следует применять ртутные метеорологические термометры с ценой деления не более 0,2 °С (по ГОСТ 2045-71 и ГОСТ 112-78), предварительно вмонтировав их в специальные «заленивливающие» оправы для повышения тепловой инерции.
Тепловая инерция «заленивленного» термометра характеризуется двумя параметрами, которые должны ежегодно поверяться:
время задержки - время, за которое показание исходной температуры изменится на 0,1 °С при переносе термометра в среду, температура которой отличается на ± 20 °С от исходной. Время задержки «заленивленного» термометра должно составлять (60 ± 10) с, что ориентировочно лимитирует суммарное время снятия отсчетов со всех термометров гирлянды;
показатель тепловой инерции tо - время, за которое температура изменится на 63 % от задаваемого при поверке перепада температуры. По показателю тепловой инерции при измерении температуры грунтов определяется время выдержки гирлянды термометров в скважине (см. п. 4.3).
2.6. Градуировка и поверка электрических датчиков и ртутных термометров должны выполняться с погрешностью не более 0,03 °С и включать температуру (0,00 ± 0,02) °С, при которой определяется поправка на «место нуля».
Поверка выполняется в ультратермостате или криостате путем сопоставления показаний проверяемого рабочего датчика или термометра с показаниями установленного в тех же условиях образцового прибора (равноделенного термометра ТР-1 или ТР-2, нормального термометра ТЛ-4 или платинового термометра сопротивления, имеющих аттестат бюро поверки). От каждой партии датчиков отбирают 2, 3 шт. для длительного хранения и оценки старения их во времени.
Ртутные термометры и медные термометры сопротивления разрешается поверять только на «место нуля». Шкаловые поправки ртутных термометров вычисляются по данным их исходных аттестатов с учетом новых значений поправок на «место нуля».
2.7. Тарировка и поверка электрических датчиков температуры и измерительных приборов к ним, а также ртутных термометров должны производиться в лабораторных условиях на измерительных приборах более высокого класса точности, чем рабочие приборы.
3.1. Для измерения температуры грунтов следует использовать инженерно-геологические скважины диаметром не более 160 мм и целевые термометрические скважины диаметром не более 90 мм, пробуренные колонковым способом без промывки на малых оборотах бурового инструмента или ручным буровым комплектом.
Использовать для измерения температуры грунтов скважины, заполненные водой, рассолом или другой жидкостью, не допускается.
3.2. Скважина в пределах протаивающего слоя грунта должна быть защищена обсадной трубой - кондуктором, заглубленным в вечномерзлый грунт не менее чем на 0,5 м.
При наличии межмерзлотных или подмерзлотных вод и осыпании стенок скважины, на всю ее глубину следует устанавливать защитную пластмассовую или стальную трубу, герметизированную снизу и в соединениях, диаметр которой должен обеспечивать свободный спуск и подъем гирлянды.
Без обсадки разрешается использовать только сухие скважины с устойчивыми стенками.
3.3. Кондуктор или защитная труба должны выступать над поверхностью грунта на 0,3 - 0,5 м.
На строительных площадках и в зонах проезда транспортных средств верхняя часть обсадных и защитных труб должна быть заглублена на 0,1 - 0,3 м и закрыта металлическим колпаком, предохраняющим скважину от повреждения транспортными средствами и строительными механизмами.
3.4. Выступающая над поверхностью грунта часть кондуктора или защитной трубы должна быть теплоизолирована коробом с крышкой, заполненным мхом, торфом или другим теплоизоляционным материалом. Входное отверстие скважины (трубы) после бурения и в промежутках между наблюдениями должно плотно закрываться пробкой, предупреждающей возможность попадания в скважину атмосферных осадков и образование в ней конденсата или снежной шубы.
При режимных (длительных) наблюдениях в скважинах диаметром более 100 мм, затрубное пространство защитных труб следует засыпать сухим песком или мелким гравием, либо местным сухим измельченным грунтом.
3.5. Подготовка к измерению температуры грунтов в свежепробуренных скважинах включает опытную оценку времени «выстойки» скважины после бурения и величины дополнительной погрешности измерения, вызванной нарушением естественного температурного режима грунтов при бурении и обсадке скважины. Для этого:
на участке с типичными для данной площадки мерзлотно-грунтовыми условиями проходится и оборудуется опытная скважина на планируемую глубину измерения температуры, но не менее 10 м, способ, режим бурения и конструкция которой должны быть аналогичными применяемым в данных условиях;
по окончании бурения и обустройства скважины проводится измерение температуры грунтов на глубине 5 м и более в следующие сроки: в течение первых трех суток - через каждые 12 ч; далее - через сутки (до момента, когда за трехсуточный период изменение температуры на одних и тех же глубинах составит ± 0,1 °С).
Время «выстойки» определяется максимальным периодом стабилизации температур из измеренных на разных горизонтах.
Оценка дополнительной погрешности измерения, возникающей от сокращения времени «выстойки» скважин после бурения, осуществляется по кривым стабилизации температуры в опытной скважине.
При наличии в районе работ старых законсервированных скважин, пригодных для термометрии, в них проводятся параллельные измерения температуры, в соответствии с результатами которых коррелируются результаты измерения температуры в опытной скважине.
3.6. При измерении температуры грунтов на глубине 1 м и более и при диаметре буровых скважин не более 100 мм допускается пренебрегать погрешностью от конвекции воздуха в скважине.
В скважинах диаметром более 100 мм до глубины 5 м следует применять легкие разделительные диски-диафрагмы, закрепляемые на гирлянде через 1 м.
3.7. Каждая гирлянда электрических датчиков температуры (или ртутных термометров) должна иметь метку, совмещаемую при установке гирлянды с горизонтом устья скважины. Расстояние от этой метки до середины датчика или центра ртутного резервуара термометра определяет глубину измерения температуры.
Погрешность установки термодатчиков или термометров в скважине по глубине не должна превышать ± 5 см.
3.8. Для инженерно-геокриологических исследований глубины измерения температуры в скважинах следует принимать: в пределах первых 3 м - кратными 0,5 м; затем, до глубины 5 м - кратными 1 м; далее - на глубинах 7 и 10 м. В более глубоких скважинах последующие глубины устанавливаются кратными 5 м, а также на забое скважины.
В случае аномального распределения температуры грунтов по глубине (при наличии таликов, заглубленных источников тепла и т. п.) и для специальных исследований (для устройства свайных оснований, береговых сооружений и т. п.) допускается изменять глубины измерения температуры в соответствии с конкретными местными условиями и целями термоизмерительных работ.
3.9. Для режимных наблюдений за температурой верхних горизонтов грунта, проводимых на опытных площадках или вблизи фундаментов, дистанционные датчики температуры следует устанавливать непосредственно в грунт, для чего:
в углу шурфа на выбранных горизонтах делают шпуры (0,20 - 0,25 м) и в них закладывают датчики;
отводят провода восходящей змейкой или в резиновых трубках для снижения механических усилий в них при пучении и осадках грунта;
выполняют обратную засыпку шурфа ранее вынутым грунтом с послойным его уплотнением;
на поверхности восстанавливают нарушенный растительный и снежный покров.
Время выстойки шурфа после засыпки от 10 до 20 дней (уточняется опытным путем).
4.1. Измерение температуры грунтов следует производить в следующем порядке:
перед спуском термоизмерительной гирлянды в скважину проверяют рабочую глубину скважины, отсутствие ней воды или снежной шубы посредством грузового лота, диаметр которого обеспечивает проход гирлянды;
в скважину или защитную трубу опускают гирлянду на заданную глубину, закрепляют во входном отверстии скважины пробкой и оставляют на период выдержки, определяемый в соответствии с п. 4.3;
после установки гирлянды в скважину в полевом журнале, форма которого приведена в рекомендуемом приложении 4, записывают: номер скважины, дату ее проходки и обустройства, номер гирлянды, дату и время ее установки, температуру наружного воздуха, измеренную с помощью термометра-праща;
оценивают период выдержки гирлянды в скважине;
по истечении периода выдержки гирлянды в скважине производят измерения и регистрацию температуры грунта. При проведении измерений с использованием гирлянды дистанционных датчиков ее разъем подключают к измерительному прибору, после настройки которого и выбора диапазона измерений последовательно по всем каналам гирлянды снимают и записывают в журнал показания температуры или электрических сопротивлений. При проведении измерений с использованием ртутных «заленивленных» термометров их извлекают (по одному) из скважины, не допуская попадания на термометр прямых солнечных лучей, и записывают отсчеты по шкале температур;
непосредственно после записи отсчетов производят оценку значений температуры путем сопоставления их между собой или с данными предыдущих измерений. При наличии аномальных отклонений измерения следует повторить;
по окончании измерений переносную гирлянду извлекают из скважины, скважину закрывают пробкой, а короб крышкой. Если гирлянда стационарная, то наружную ее часть следует уложить под крышку короба, накрыть непромокаемой пленкой и крышку короба закрыть на ключ.
4.2. Неисправности, обусловленные коррозией контактов, обрывом или замыканием проводов, замачиванием электрических датчиков гирлянды атмосферными осадками, должны регистрироваться в журнале.
До исправления повреждений использовать гирлянду для измерений температуры грунтов не допускается.
4.3. Время выдержки tD, ч, гирлянды «заленивленных» ртутных термометров в скважине следует определять по формуле
![]()
где t0 - показатель тепловой инерции (см. п. 2.5), ч;
te - исходная температура (температура наружного воздуха во время измерения), °С;
ts - ожидаемая температура грунта в скважине (принимается ориентировочно с погрешностью до ± 2 °С), °С;
Dt - допускаемая погрешность за счет ограничения времени выдержки, Dt £ 0,05 °С.
Время выдержки гирлянды ртутных термометров или электрических датчиков температуры следует определять для разностей температур, равных 10, 20, 30 и 40 °С, и для разности (te - ts) использовать ближайшее большее значение времени выдержки.
4.4. При режимных наблюдениях на опытных площадках необходимо не нарушать растительный и снежный покров около скважины и на площадке в целом.
4.5. После окончания измерения температуры грунтов скважины, пройденные в процессе термоизмерительных работ и не переданные заказчику для продолжения стационарных наблюдений, надлежит затампонировать грунтом и закрепить с соответствующей маркировкой (номер точки измерения, организация), а также очистить площадку от мусора и восстановить почвенно-растительный слой в местах, где он был нарушен в результате производства работ по измерению температуры.
5.1. В отсчеты температуры грунтов, зафиксированных в полевом журнале, следует ввести инструментальные поправки, выявленные в результате поверки термодатчиков и измерительных приборов или термометров, включая поправку на «место нуля», полученную в результате последней поверки, и шкаловую поправку, определяемую по паспорту (аттестату) данного измерительного прибора или термометра, с учетом положения «места нуля».
Дополнительные погрешности измерения (см. приложение 2) должны оцениваться расчетом или опытным путем и учитываться по мере их проявления в конкретных условиях измерения температуры грунтов.
5.2. Температуру грунтов ti на глубине di, измеряемую мостом электрических сопротивлений (см. рекомендуемое приложение 3), надлежит вычислять по формуле
![]()
где Ri - электрическое сопротивление, измеренное при положениях переключателя К1, К2, ..., Кn, Ом;
R0 - номинал сопротивления электрического термометра, Ом, при температуре 0 °С;
Rs = RL + R0 - суммарное сопротивление линии связи RL и образцового резистора, определяемое в положении К0 переключателя, Ом;
a - температурный коэффициент сопротивления (для медного провода a = 0,00426), 1/°С;
D - индивидуальная поправка на «место нуля» электрического термометра, °С.
5.3. Результаты наблюдений за температурой грунтов следует оформлять в виде:
сводной ведомости значений температуры грунтов, скорректированных с учетом инструментальных и дополнительных поправок;
графика распределения температуры по глубине для одноразовых измерений температуры или графика термоизоплет - для длительных (режимных) наблюдений. Образцы оформления графиков приведены в рекомендуемом приложении 5.
Графики изотерм следует, как правило, совмещать с геологическим разрезом, на котором показываются также границы раздела талых и мерзлых грунтов, полученные средствами инженерно-геологической и геофизической разведки, с указанием даты проведения этих работ.
5.4. По результатам измерений температуры грунтов следует составлять технический отчет, который должен включать:
техническое задание и программу проведения термоизмерительных работ;
примененную методику измерений;
оценку инструментальных и дополнительных погрешностей;
акты поверок измерительной аппаратуры;
ситуационный план площадки с указанием плановой и высотной привязки скважин;
сводную ведомость температуры грунтов;
графические материалы (указанные в п. 5.3);
выводы о результатах термоизмерительных работ.
Обязательное
1. Программа термоизмерительных работ должна быть составлена с учетом:
имеющихся результатов ранее проводившихся исследований инженерно-геокриологических (мерзлотных) условий района;
конкретных условий площадки (инженерно-геологических, геоморфологических, гидрогеологических),
климатических характеристик района проведения измерений;
характера проектируемых зданий и сооружений, типа и глубины заложение их фундаментов;
инженерной подготовки и обустройства осваиваемой территории;
возможности проявления неблагоприятных мерзлотных процессов и явлений о результате освоения территории;
обеспеченности термоизмерительной аппаратурой и приборами;
резерва на выполнение дополнительных работ на аномальных участках, выявленных в ходе инженерно-геологической и геофизической разведки.
2. В программе должны быть предусмотрены:
цели и задачи проводимых измерений;
места расположения, глубины и конструкции термоизоляционных скважин, способы и режимы их проходки;
сроки и периодичность проведения измерений, число и типы опытных площадок;
состав исполнителей и сроки проведения работ, включая монтаж и поверку аппаратуры и приборов.
Обязательное
|
Причины погрешностей измерения |
Мероприятия по снижению погрешностей |
|
Недостаточная выстойка скважины после бурения и обустройства |
Увеличение времени выстойки, бурение скважин без промывки на малых оборотах бурового инструмента (см. п. 3.1); использование скважин меньшего диаметра; учет поправок по измерениям в опытной скважине (см. п. 3.5) |
|
Конвекция воздуха в скважине |
Использование скважин малого диаметра; установка термоизолирующих коробов над устьем скважин (см. п. 3.4) и разделительных дисков-диафрагм до глубины 5 м (см п. 3.6); засыпка скважин сухим песком, мелким гравием или местным сухим измельченным грунтом (см. п. 3.4) |
|
Конденсация влаги на стенках скважин |
Тщательная заглушка скважин пробками (см. п. 3.4) |
|
Недостаточная выдержка переносных гирлянд в скважине |
Увеличение времени выдержки; снижение теплоемкости гирлянды за счет рациональной конструкции; уменьшение показателя тепловой инерции «заленивленных» ртутных термометров |
|
Недостаточное время задержки «заленивленных» термометров |
Уменьшение числа термометров в гирлянде; увеличение времени задержки; повышение скорости извлечения термометров из скважины и отсчета показаний температуры |
|
Неточность установки термометров по глубине скважины |
Повышение точности установки термометров и контроль глубин установки |
|
Неточность определения момента фиксации температуры грунта |
Использование для верхних горизонтов грунта дистанционных датчиков измерения температуры с установкой их непосредственно в грунт |
|
Недостаточная изоляция проводов линий связи дистанционных датчиков температуры |
Применение проводов с более надежной изоляцией; измерение величин сопротивлений «утечек» и учет их расчетным путем |
|
Разогрев датчиков измерительным током |
Уменьшение силы тока; сокращение времени включения прибора при снятии отсчета |
|
Неравенство температур монтажных проводов гирлянды |
Продольная свивка проводов; применение проводов большего сечения; увеличение номинала электрического термометра сопротивления или чувствительности датчика |
Рекомендуемое

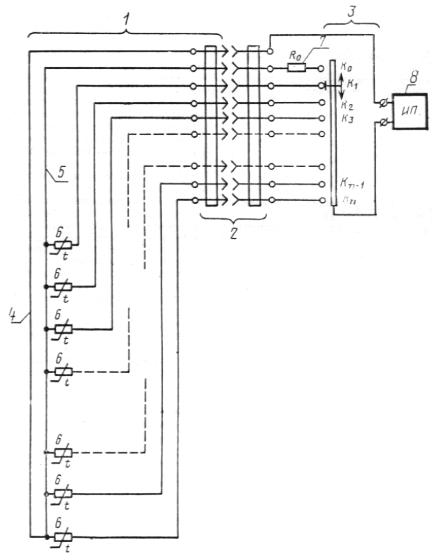
1 - гирлянда электрических термометров сопротивления; 2 - разъем; 3 - переключатель; 4 - общий провод; 5 - компенсационный провод; 6 - электрические термометры сопротивления с номиналом 100 Ом; 7 - образцовый резистор (стабилизированный манганин) с номиналом R0 = 100 Ом (± 0,01 %); 8 - измерительный прибор
Рекомендуемое
|
Организация ______________________________________________________________ ЖУРНАЛ ПОЛЕВОГО ИЗМЕРЕНИЯ ТЕМПЕРАТУРЫ ГРУНТОВПункт _____________________________ Объект _______________________________ Скважина № _______, диаметр _________ мм, глубина ________ м, дата ее проходки и обустройства __________________, абсолютная отметка устья скважины __________ м Гирлянда № _____________________ Измерительный прибор № __________________ Дата измерения: начало _______________________ окончание ____________________
Наблюдатель _______________________________________________ должность, подпись, инициалы, фамилия Помощник наблюдателя ______________________________________ должность, подпись, инициалы, фамилия |
Примечания:
1. Графы 4 и 5 заполняются при камеральной обработке результатов измерений.
2. При использовании гирлянды электрических термометров с мостом сопротивлений в первой строке графы 3 записывают отсчет при положении переключателя К0, в последующих строках - отсчеты сопротивлений при положении переключателя соответственно К1, К2, ..., Кn.
3. При использовании «заленивленных» ртутных термометров в графу 3 вписывают отсчеты по шкале термометра с погрешностью 0,1 °С.
4. Поправку в графе 4 вносят по паспорту (аттестату) данного электрического термометра сопротивлений и измерительного прибора или ртутного термометра, а также по результатам их последней поверки.
5. В графу 6 вносят сведения: о температуре воздуха, измеренной термометром-пращем; мощности слоя талого грунта, определяемой зондированием (щупом); состоянии скважины; неисправности аппаратуры и др.
Рекомендуемое
График распределения температуры t, °С, грунта по длине d, м, для одноразовых измерений температуры
Объект _________________________________________________________
Планшет № ______________________________________________________
Скважина № _____________________________________________________
Отметка устья ____________________________________________________
Дата измерений ___________________________________________________
Примечание. В переходной зоне точка сопряжения а находится встречной экстраполяцией прямых, продолженных из смежных зон до пересечения.

График термоизоплент по скважине № ______ за период с __________ по __________ по данным режимных (длительных) температурных наблюдений
Объект ______________________________________________________
Планшет № ___________________________________________________
Скважина № __________________________________________________
Отметка устья _________________________________________________

СОДЕРЖАНИЕ
|
1. Общие положения. 2 2. Оборудование и приборы.. 3 3. Подготовка к измерениям.. 4 4. Проведение измерений. 5 5. Обработка измерений. 7 Приложение 1 Требования к программе полевых работ по измерениям температуры грунтов. 7 Приложение 2 Перечень дополнительных погрешностей измерения температуры грунтов и мероприятия по их снижению.. 8 Приложение 3 Принципиальная схема подключения гирлянды термодатчиков к измерительному прибору. 9 Приложение 4 Журнал полевого измерения температуры грунтов. 9 Приложение 5 Образцы графического оформления результатов измерений температуры грунта. 10 |