
ГОСУДАРСТВЕННЫЙ СТАНДАРТ СОЮЗА ССР
Узел крепления крановых
рельсов к стальным
подкрановым балкам
Технические условия
ГОСТ 24741-81
ГОСУДАРСТВЕННЫЙ
КОМИТЕТ СССР
ПО ДЕЛАМ СТРОИТЕЛЬСТВА
Москва
ГОСУДАРСТВЕННЫЙ СТАНДАРТ СОЮЗА ССР
|
Узел
крепления крановых рельсов Технические условия Joint for connection of crane rails to steel crane girders. Specifications |
ГОСТ |
Постановлением Государственного комитета СССР по делам строительства от 4 мая 1981 г. № 60 срок введения установлен
с 01.01.1982 г.
Настоящий стандарт распространяется на узел крепления крановых рельсов по ГОСТ 4121-76 к стальным подкрановым балкам под мостовые электрические краны общего назначения легкого, среднего и тяжелого режимов работы, применяемые в зданиях и на открытых крановых эстакадах с расчетной сейсмичностью до 9 баллов включительно и эксплуатируемые в районах с расчетной температурой наружного воздуха минус 65 °С и выше.
1.1. Конструкция узла крепления должна соответствовать указанной на черт. 1.
1 - упорная планка; 2 - прижимная планка; 3 - болт; 4 - гайка; 5 - шайба
* Размер для справок
Черт. 1
1.2. Марка узла крепления в зависимости от типа кранового рельса и расчетной температуры наружного воздуха района строительства (далее - расчетная температура), расстояние от оси подкрановой балки до оси узла крепления, а также обозначения деталей должны соответствовать указанным в табл. 1.
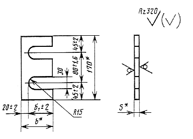
1.3. Конструкция и размеры упорных планок должны соответствовать указанным на черт. 2 и в табл. 2.
* Размер для справок
Черт. 2
Таблица 1
|
Тип кранового рельса |
Расстояние от оси подкрановой балки до оси узла крепления А, мм |
Планка упорная |
Планка прижимная |
Болт |
Гайка |
Шайба |
Расчетная температура, °С |
|
|
Обозначение деталей |
||||||||
|
70 |
КР70 |
95 |
У1 |
П1 |
М24´l.46 |
М 24.4 |
|
Минус 40 °С и |
|
80 |
КР80 |
100 |
|
П2 |
ГОСТ |
ГОСТ |
|
выше |
|
100 |
КР100 |
110 |
У2 |
П1 |
15589-70 |
15526-70 |
|
|
|
120 |
КР120 |
120 |
У3 |
|
|
|
|
|
|
70ХЛ |
КР70 |
95 |
У1ХЛ |
П1ХЛ |
М24´l.46 |
М 24.4 |
|
Ниже минус |
|
80ХЛ |
КР80 |
100 |
|
П2ХЛ |
ГОСТ |
ГОСТ |
24.02 |
40 °С до минус |
|
100ХЛ |
КР100 |
110 |
У2ХЛ |
П1ХЛ |
7798-70 |
5915-70 |
ГОСТ |
65 °С |
|
120ХЛ |
КР120 |
120 |
У3ХЛ |
|
|
|
11371-78 |
|
Примечание. Длину болта l следует принимать:
(80 + б) мм - для крепления рельсов типов КР70, КР80, КР100;
(85 + б) мм » » » типа КР120;
где 80 и 85 - сумма толщин планок с учетом возможного наклонного положения прижимной планки, шайбы, гаек и выступающей части болта; б - толщина верхнего пояса подкрановой балки, мм, при этом следует учитывать размеры длин, указанные в стандартах на болты.
Таблица 2
Размеры в мм
|
b |
b1 |
S |
Масса, кг |
|
|
У1; У1ХЛ |
|
|
8 |
0,9 |
|
У2; У2ХЛ |
85 |
65 |
10 |
1,1 |
|
У3; У3ХЛ |
|
|
12 |
1,4 |
Пример условного обозначения упорной планки У1 для расчетной температуры минус 40 °С и выше:
Планка У1 ГОСТ 24741-81
То же, для расчетной температуры ниже минус 40 до минус 65 °С:
Планка У1ХЛ ГОСТ 24741-81
1.4. Конструкция и размеры прижимных планок должны соответствовать указанным на черт. 3 и в табл. 3.
* Размеры для справок.
Черт. 3
Таблица 3
Размеры в мм
|
b |
b1 |
b2 |
Масса, кг |
|
|
П1; П1ХЛ |
125 |
55 |
70 |
2,4 |
|
П2; П2ХЛ |
115 |
50 |
65 |
2,2 |
Пример условного обозначения прижимной планки П1 исполнения 1 для расчетной температуры минус 40 °С и выше:
Планка П1 ГОСТ 24741-81
То же, исполнения 2 для расчетной температуры ниже минус 40 до минус 65 °С:
Планка П1ХЛ - 2 ГОСТ 24741-81
Пример условного обозначения узла для крепления марки 70 с прижимной планкой исполнения 1 для расчетной температуры минус 40 °С и выше:
Крепление 70 ГОСТ 24741-81
То же, исполнения 2 для расчетной температуры ниже минус 40 до минус 65 °С:
Крепление 70ХЛ - 2 ГОСТ 24741-81
2.1. Упорные и прижимные планки должны изготовляться в соответствии с требованиями настоящего стандарта и СНиП III-18-75 по рабочим чертежам КМД, утвержденным в установленном порядке.
2.2. Материал прижимных и упорных планок - сталь по ГОСТ 380-71 следующих марок:
ВСт3кп2 - для расчетной температуры минус 40 °С и выше;
ВСт3Гпс5 или ВСт3сп5 - для расчетной температуры ниже минус 40 до минус 65 °С включ.
Разрешается применять стали по ГОСТ 23570-79 следующих марок:
18кп вместо ВСт3кп2;
18Гпс или 18сп вместо ВСт3Гпс5 и Вст3сп5.
2.3. Болты, предназначенные для эксплуатации при расчетной температуре минус 40 °С и выше, должны быть испытаны на разрыв по ГОСТ 1759-70, при расчетной температуре ниже минус 40 до минус 65 °С - дополнительно испытаны на разрыв на косой шайбе и ударную вязкость по ГОСТ 1759-70.
2.4. Предельные отклонения линейных размеров от номинальных, а также шероховатость поверхностей планок должны соответствовать указанным на черт. 2 и 3.
2.5. Предельные отклонения диаметров отверстий прижимных планок от номинальных - по ГОСТ 25347-82.
3.1. Детали узлов крепления крановых рельсов должны поставляться предприятием-изготовителем комплектно.
В состав комплекта должны входить:
детали в соответствии с табл. 4;
техническая документация в соответствии с требованиями ГОСТ 23118-78.
Таблица 4
|
Упорная планка |
Прижимная планка |
Болт |
Гайка |
Шайба |
|||
|
Обозначение |
Число |
Обозначение |
Число |
Число |
|||
|
70 |
У1 |
|
П1 |
|
|
|
|
|
80 |
|
|
П2 |
|
|
|
|
|
100 |
У2 |
|
П1 |
|
|
|
|
|
120 |
У3 |
|
|
|
|
|
|
|
70ХЛ |
У1ХЛ |
1 |
П1ХЛ |
1 |
2 |
4 |
2 |
|
80ХЛ |
|
|
П2ХЛ |
|
|
|
|
|
100ХЛ |
У2ХЛ |
|
П1ХЛ |
|
|
|
|
|
120ХЛ |
У3ХЛ |
|
|
|
|
|
|
Примечание. Допускается по согласованию между предприятием-изготовителем и потребителем поставлять упорные и прижимные планки отдельно от болтов, гаек и шайб.
4.1. Упорные и прижимные планки должны быть приняты техническим контролем предприятия-изготовителя.
4.2. Приемку планок производят партиями.
В состав партии должны входить планки одинакового обозначения, изготовленные по одной технологии. Размер партии планок устанавливается по соглашению между потребителем и предприятием-изготовителем и не должен превышать 1000 шт.
4.3. Для выборочной проверки линейных размеров и шероховатости поверхностей планок от каждой партии отбирают 5 % планок, но не менее 5 шт. Если при проверке отобранных планок окажется хотя бы одно изделие, не удовлетворяющее требованиям настоящего стандарта по одному из показателей, проводят повторную проверку по этому показателю удвоенного количества образцов, отобранных от той же партии. В случае неудовлетворительных результатов повторной проверки партия планок приемке не подлежит.
4.4. Потребитель имеет право производить контроль качества планок, соблюдая при этом правила приемки и применяя методы контроля, установленные настоящим стандартом.
5.1. Контроль линейных размеров планок следует проводить металлической измерительной линейкой по ГОСТ 427-75 и штангенциркулем по ГОСТ 166-80.
5.2. Шероховатость поверхностей планок должна проверяться методом сравнения их с образцами шероховатости по ГОСТ 9378-75.
6.1. Упорные и прижимные планки должны быть упакованы раздельно в деревянные ящики по ГОСТ 2991-76 или в тару, изготовленную предприятием-изготовителем по документации, утвержденной в установленном порядке.
6.2. Правила маркировки тары с планками должны соответствовать установленным ГОСТ 14192-77. Маркировка должна содержать следующие маркировочные знаки:
наименование или товарный знак предприятия-изготовителя;
условное обозначение марки узла крепления;
условное обозначение планки (без обозначения номера стандарта);
номер партии;
количество деталей;
штамп ОТК;
масса брутто.
6.3. Транспортирование планок допускается любым видом транспорта при условии защиты их от загрязнения и механического повреждения.
6.4. При хранении тара с планками должна быть защищена от загрязнения и попадания атмосферных осадков.
7.1. Монтаж деталей узла крепления крановых рельсов следует производить в соответствии с монтажными схемами подкрановых путей, утвержденными в установленном порядке, и требованиями СНиП III-18-75.
7.2. Монтажная сварка планок должна производиться после рихтовки рельсов. Толщина сварного шва - 6 мм.
7.3. Тип электродов должен соответствовать указанному в табл. 5.
Таблица 5
|
Тип электрода по ГОСТ 9467-75 |
|
|
Минус 40 и выше |
Э42 |
|
Ниже минус 40 до минус 65 |
Э42А |
7.4. Детали узлов крепления после окончания монтажных работ должны быть очищены, зашпатлеваны, огрунтованы и окрашены, при этом материал лакокрасочного покрытия должен соответствовать материалу покрытия подкрановых балок.
СОДЕРЖАНИЕ