Нормативные документы размещены исключительно с целью ознакомления учащихся ВУЗов, техникумов и училищ.
Объявления:

ГОСТ 5088-94

МЕЖГОСУДАРСТВЕННЫЙ СТАНДАРТ

ПЕТЛИ СТАЛЬНЫЕ ДЛЯ ДЕРЕВЯННЫХ
ОКОН И ДВЕРЕЙ

ТЕХНИЧЕСКИЕ УСЛОВИЯ

ГОСТ 5088-94

МЕЖГОСУДАРСТВЕННАЯ НАУЧНО-ТЕХНИЧЕСКАЯ КОМИССИЯ
ПО СТАНДАРТИЗАЦИИ И ТЕХНИЧЕСКОМУ НОРМИРОВАНИЮ
В СТРОИТЕЛЬСТВЕ (МНТКС)

Москва

Предисловие

1. РАЗРАБОТАН Центральным проектно-конструкторским и технологическим бюро (ЦПКТБ) Минстроя России, Центральным научно-исследовательским и проектным институтом типового и экспериментального проектирования жилища (ЦНИИЭПжилища) Российской Федерации

ВНЕСЕН Минстроем России

2.  ПРИНЯТ Межгосударственной научно-технической комиссией по стандартизации и техническому нормированию в строительстве (МНТКС) 17 марта 1994 г.

За принятие проголосовали

Наименование государства

Наименование органа государственного управления строительством

Азербайджанская Республика

Госстрой Азербайджанской Республики

Республика Армения

Госупрархитектуры Республики Армения

Республика Казахстан

Минстрой Республики Казахстан

Кыргызская Республика

Госстрой Кыргызской Республики

Республика Молдова

Минархстрой Республики Молдова

Российская Федерация

Минстрой России

Республика Таджикистан

Госстрой Республики Таджикистан

Республика Узбекистан

Госкомархитектстрой Республики Узбекистан

3.  Постановлением Минстроя России от 5 апреля 1995г. № 18-29 межгосударственный стандарт ГОСТ 5088-94 введен в действие непосредственно в качестве государственного стандарта Российской Федерации с 1 сентября 1995 г.

4. ВЗАМЕН ГОСТ 5088-78

ГОСТ 5088-94

МЕЖГОСУДАРСТВЕННЫЙ СТАНДАРТ

ПЕТЛИ СТАЛЬНЫЕ ДЛЯ ДЕРЕВЯННЫХ ОКОН И ДВЕРЕЙ

Технические условия

Steel hinges for wooden windows and doors.
Specifications

Дата введения 1995-09-01

1. ОБЛАСТЬ ПРИМЕНЕНИЯ

Настоящий стандарт распространяется на стальные петли для деревянных окон и дверей.

Обязательные требования к качеству петель изложены в 4.3, 4.5, 4.7, 4.8, 4.10, 4.11, 4.14 - 4.16.

Область применения петель приведена в приложении А.

2. НОРМАТИВНЫЕ ССЫЛКИ

В настоящем стандарте использованы ссылки на следующие стандарты:

ГОСТ 9.303-84 ЕCЗKC. Покрытия металлические и неметаллические неорганические. Общие требования к выбору

ГОСТ 397-79. Шплинты. Технические условия

ГОСТ 538-88. Изделия замочные и скобяные. Общие технические условия

ГОСТ 1145-80. Шурупы с потайной головкой. Конструкция и размеры

ГОСТ 11648-75. Шайбы упорные быстросъемные. Технические условия

3. ТИПЫ И ОСНОВНЫЕ РАЗМЕРЫ

3.1. Петли, изготовляемые по настоящему стандарту, подразделяют на: Н - накладные; В - врезные; Вв - ввертные.

3.2. Типы, основные размеры и комплектность петель приведены в приложении Б. В комплект входит петля в сборе и крепежные изделия.

Основные детали петель приведены в приложении В.

3.3. Условные обозначения типов и конструктивное решение петель приведены в таблице 1.

Таблица 1

Условные обозначения типа

Конструктивное решение петель

Номер рисунка приложения Б

ПН1

Петля с ходом на полуосях

Б1

ПН2

Петля накладная фигурная с ходом на полуосях

Б2

ПН3

Петля накладная с ходом на шарике

Б3

ПР4

Петля накладная фигурная с ходом на полуосях или на шайбе

Б4

ПН5

Петля накладная с ходом на торцах звеньев карт неразъемная

Б5

ПН6

Петля накладная с ограничителем подъема

Б6

ПН7

Петля накладная с ходом на шайбе и вынимающейся осью

Б7

ПН8

Петля накладная пружинная одностороннего действия

Б8

ПН9

Петля накладная пружинная двустороннего действия

Б9

ПН10

Петля накладная регулируемая

Б10

ПВ1

Петля врезная с ходом на полуосях

Б11

ПB2

Петля врезная с ходом на шайбе и вынимающейся осью

Б12

ПВ3

Петля врезная с ходом на шай6e и вынимающейся осью

Б13

ПВ4

Петля врезная с ходом на торцах звеньев карт и вынимающейся осью

Б14

ПВв1

Петля ввертная с ходом на торцах скоб и вынимающейся осью

Б15

ПВв2

Петля ввертная с ходом на торцах втулок и вынимающейся осью

Б16

ПВв3

Петля ввертная с ходом на торцах втулок и невынимающейся осью

Б17

3.4. Устанавливается следующая структура условного обозначения петли:

Х-

 

Х-

 

Х-

 

Х

 

Х

 

 

 

 

 

 

 

 

 

 

 

 

Обозначение стандарта

 

 

 

 

 

Буквы, означающие: Л - левая петля, П - правая петля

 

 

 

 

 

Исполнение петли: 1, 2

 

 

 

 

 

Высота петли, мм (для петли типа ПН9 - расстояние между центрами трубок)

 

 

 

 

 

Условное обозначение типа по таблице 1

Пример условного обозначения петли накладной типа ПН1 высотой 110 мм, правой:

ПН1-110 П ГОСТ 5088-94

То же, врезной типа ПВ4 высотой 90 мм, исполнения 1:

ПВ4-90-1 ГОСТ 5088-94

4. ТЕХНИЧЕСКИЕ ТРЕБОВАНИЯ

4.1. Петли должны изготовляться в соответствии с требованиями ГОСТ 538 и настоящего стандарта.

4.2. Петли типов ПН1-ПН4, ПН6, ПН10 и ПВ1 следует изготовлять правыми и левыми для установки правых и левых створок окон и полотен дверей (на рисунках Б1 - Б4, Б6, Б10, Б11 приложения Б указаны правые петли).

4.3. Соединения карт с осями и полуосями в накладных петлях, кроме петли типа ПН7, и во врезной петле типа ПВ1 должны быть неразъемными.

4.4. Овальность осей и полуосей в местах подвижных соединений с картами не должна быть более 0,1 мм, а трубок карт петель - 0,3 мм.

4.5. Зазор между осью или полуосью и трубкой петли в местах подвижных соединений должен быть не менее 0,1 и не более 0,5 мм.

4.6. Отклонение от перпендикулярности опорных поверхностей осей петель ПН1 - ПН4 и ПВ1 относительно осей вращения не должно быть более 0,25 мм.

4.7. Отклонение от перпендикулярности плоскости карт петель типа ПН10 относительно осей вращения не должно быть более 0,4 мм.

4.8. Продольный и поперечный люфт в шарнирах петель типов ПН8 и ПН9 не должен быть более 0,3 мм.

4.9. Зазор между плоскостью карты и ее изогнутым концом (трубкой) не должен быть более 0,5 мм при толщине карты до 2,2 мм и 1,0 мм - при толщине карты более 2,2 мм.

4.10. Карты накладных и врезных петель и стержни ввертных петель должны иметь возможность вращения без заедания вокруг осей и полуосей.

4.11. Конструкция петель типов ПН8 и ПН9 должна предусматривать возможность регулирования усилия закрывания полотна двери, при этом сила для открывания двери должна быть не менее 2 и не более 4 кгс на расстоянии 700 мм от оси петли.

Для петель применяют пружины кручения по техническим условиям завода-изготовителя, утвержденным в установленном порядке.

4.12. Оси или полуоси петель должны иметь головку, имеющую сферическую форму или форму усеченного конуса.

Оси петель всех типов, кроме типов ПН5, ПН8 - ПН10 и ПВв1 - ПВв3, должны иметь на торце фаску (2 - 3)´30°.

4.13. Карты петель типов ПН1, ПН3, ПН5, ПН6 и ПН8 по согласованию с потребителем допускается изготовлять прямоугольной формы.

4.14. Соединение стержней с втулками или скобами и ввертных петлях должно выдерживать усилие отрыва не менее 800 Н (80 кгс).

4.15. Петли исполнения 2 типов ПН7, ПВ2 - ПВ4 необходимо комплектовать шплинтами 2´16 по ГОСТ 397 или быстросъемными упорными шайбами 5-080 по ГОСТ 11648.

4.16. Требования к покрытиям петель - по ГОСТ 538.

Для петель в соответствии с областью их применения установлены следующие группы условий эксплуатации по ГОСТ 9.303:

1 - для петель типов и типоразмеров ПН1-70, ПН1-85, ПН1-110, ПН2-70, ПН2-85, ПН2-110, ПН3-85, ПН4, ПН5, ПН6, ПН7, ПВ1, ПВ2, ПВ3, ПВ4, ПВв1, ПВв2, ПВв3;

2, 3 - для петель типов и типоразмеров ПН1-130, ПН1-150, ПН2-130, ПН2-150, ПН3-110, ПН3-130, ПН3-150, ПН8, ПН9, ПН10.

4.17 Маркировка и упаковка - по ГОСТ 538.

5. ПРИЕМКА

5.1. Приемочный контроль петель на соответствие требованиям ГОСТ 538 и 4.3 - 4.10, 4.12, 4.15 настоящего стандарта проводится в соответствии с ГОСТ 538.

Значительными дефектами считают дефекты, относящиеся к отклонениям от требований, указанных в ГОСТ 538 и 4.10 настоящего стандарта.

Малозначительными дефектами считают дефекты, относящиеся к отклонениям от требований, указанных в ГОСТ 538 и 4.3 - 4.9, 4.12, 4.15 настоящего стандарта.

5.2. Периодические испытания ввертных петель на соответствие требованиям 4.14 и петель типов ПН8 и ПН9 на соответствие требованиям 4.11 должны проводиться не реже одного раза в год.

Для проведения испытаний отбирают не менее трех петель.

5.3. Типовые испытания - по ГОСТ 538.

6. МЕТОДЫ КОНТРОЛЯ

6.1. Методы контроля и испытаний петель - по ГОСТ 538 и настоящему стандарту.

6.2. Испытания ввертных петель на отрыв проводят приложением силы 800 Н (80 кгс) в течение не менее 1 мин. к каждому стержню петли.

После испытаний петля должна сохранить работоспособность.

6.3. Испытания петель типов ПН8 и ПН9 по 4.11 проводят приложением силы не менее 2 и не более 4 кгс на расстоянии 700 мм от оси петли к фрагменту двери с установленной на нем петлей и выдерживанием приложенной силы в течение 1 мин.

После снятия приложенной силы петля должна вернуть фрагмент двери в исходное положение.

7. ТРАНСПОРТИРОВАНИЕ И ХРАНЕНИЕ

Транспортирование и хранение - по ГОСТ 538.

8. ГАРАНТИИ ИЗГОТОВИТЕЛЯ

Гарантии изготовителя - по ГОСТ 538.

ПРИЛОЖЕНИЕ А

(Информационное)

ОБЛАСТЬ ПРИМЕНЕНИЯ ПЕТЕЛЬ

Таблица А1

Условное обозначение типа петель

Высота, исполнение петель

Область применения

ПН1 - ПН4

70; 85; 98; 110; 130; 150

Для створок окон и полотен дверей без наплава

130; 150

Для входных дверей в здания и в квартиры

ПН5

40; 60,

Для форточек без наплава

ПН6

80; 110

Для соединения спаренных створок окон и полотен балконных дверей

ПН7

Исполнение 1

Для соединения спаренных створок окон и полотен балконных дверей с наплавом

Исполнение 2

Для соединения спаренных створок фрамуг

ПН8

110; 130

Для полотен дверей с принудительным закрыванием

ПН9

-

ПН10

-

Для среднеподвесных створок окон

ПВ1

80; 100

Для створок окон и полотен балконных дверей с наплавом

ПВ2

Исполнение 1

Исполнение 2

Для фрамуг

ПВ3

Исполнение 1

Для соединения спаренных створок окон и полотен балконных дверей с наплавом

Исполнение 2

Для соединения спаренных створок фрамуг

ПВ4

Исполнение 1

Для створок окон с наплавом

Исполнение 2

Для фрамуг

ПВв1, ПВв2, ПВв3

-

Для створок окон и полотен балконных дверей

ПРИЛОЖЕНИЕ Б

(Обязательное)

ТИПЫ, РАЗМЕРЫ И КОМПЛЕКТНОСТЬ ПЕТЕЛЬ

В миллиметрах

Типоразмеры

Н

В

R

а

а1

b

b1

d

h

s

Шурупы по ГОСТ 1145

Размеры

Кол.

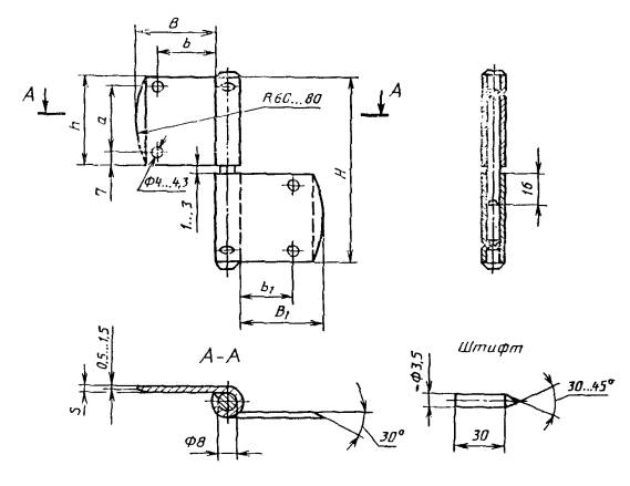
ПН1-70

70

22

8

10

25

10

6

7

33,5

2,0

4´25

6

ПН1-85

85

27

10

10

32,5

13

7

8

41

2,0 - 2,5

4´30

6

ПН1-110

110

27

10

10

30

13

7

8

53,5

2,5 - 2,8

4´30

8

ПН1-130

130

30

12

12,5

35

16

8

8

63,5

2,5 - 3,0

5´30

8

ПН1-150

150

35

15

15

40

19

9

9

73,5

3,0

5´30

8

Рисунок Б1 - Петля накладная типа ПН1

В миллиметрах

Типоразмеры

Н

В

R

а

а1

b

b1

d

h

s

Шурупы по ГОСТ 1145

Размеры

Кол.

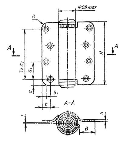
ПН 2-70

70

22

8

10

25

10

6

7

34

2,0

4´25

6

ПН2-85

85

27

10

10

32,5

13

7

8

34

2,0 - 2,5

4´30

6

ПН2-110

110

27

10

10

30

13

7

8

38

2,5 - 2,8

4´20

8

ПН 2-130

130

30

12

12,5

35

16

8

8

42

2,5 - 3,0

5´30

8

ПН2-150

150

35

15

15

40

19

9

9

46

3,0

5´40

8

Рисунок Б2 - Петля накладная типа ПН2

В миллиметрах

Типоразмеры

Н

В

R

а

а1

b

b1

d

h

s

Шурупы по
ГОСТ 1145

Размеры

Кол.

ПН3-85

85

27

10

10

32,5

13

7

8

41

2,0 - 2,5

4´30

6

ПНЗ-110

110

27

10

10

30

13

7

8

53,5

2,5 - 2,8

4´30

8

ПН3-130

130

30

12

12,5

35

16

8

8

63,5

2,5 - 3,0

5´30

8

ПН-150

150

35

15

15

40

19

9

9

73,5

3,0

5´30

8

Рисунок Б3 - Петля накладная типа ПН3

Шурупы 5´80 (6 шт.) ГОСТ 1145

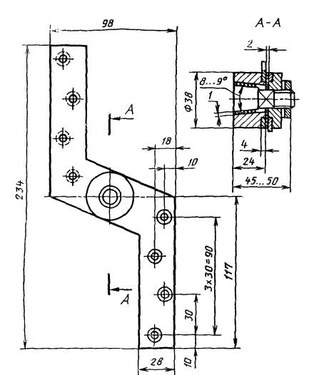
Рисунок Б4 - Петля накладная типа ПН4

В миллиметрах

Типоразмеры

Н

В

а

а1

b

b1

d

s

Шурупы по ГОСТ 1145

Размеры

Кол.

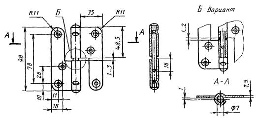
ПН5-40

40

16

6

-

6

-

4

1,5 - 1,6

3´25

4

ПН5-60

60

20

8

22

12

7

5

1,6 - 2,0

3´25

6

Рисунок Б5 - Петля накладная типа ПН5

В миллиметрах

Типоразмеры

Н

а

b

с

s

Шурупы по ГОСТ 1145

Размеры

Кол.

ПН6-80

80

31

20

39

2,5

4´25

6

ПН6-110

110

38

25

44

2,5 - 2,8

4´25

8

Рисунок Б6 - Петля накладная типа ПН6

Шурупы 3´25 (4 шт.) ГОСТ 1145

Рисунок Б7 - Петля накладная типа ПН7

В миллиметрах

Типоразмеры

Н

В

R

а

а1

b

b1

s

Шурупы по ГОСТ 1145

Размеры

Кол.

ПН8-110

110

27

10

10

30

13

7

2,8

5´30

8

ПН8-130

130

30

10

12,5

35

16

8

2,8 - 3,0

5´30

8

Рисунок Б8 - Петля накладная типа ПН8

* Для дверей с толщиной полотна 52 мм.

Рисунок Б9 - Петля накладная типа ПН9

Шурупы 5´35 (8 шт.) ГОСТ 1145.

Рисунок Б10 - Петля накладная типа ПН10

В миллиметрах

Типоразмеры

Н

В

B1

а

b

b1

h

s

Кол. штифтов

ПВ1-80

80

35

28

25

28

21

39

2,0 - 2,5

4

ПВ1-100

100

42

35

35

34

27

49

2,5 - 2,8

4

Рисунок Б11 - Петля врезная типа ПВ1

* при установке петель на автоматизированных линиях по согласованию с потребителем допускается применять штифты длиной 35 мм для створок окон жилых и 45 мм для общественных зданий.

В миллиметрах

Типоразмеры

Нmax

В

B1

а

а1

b

b1

c

h

d

s

Кол. штифтов **

ПВ2-75

75

30

25

6

12,5

23

15

-

37

7

2,0 - 2,5

4

ПВ2-100

100

35

30

7,5

17

25

18

-

49

7

2,5

4

ПВ2-125

125

45

35

10

20,75

32

22

6

61,5

8 - 9

2,5

6

** - Длину штифтов следует указывать при заказе

Рисунок Б12 - Петля врезная типа ПВ2

* - Для окон с тройным остеклением.

Штифты - 4 шт.; длину штифтов следует указывать при заказе.

Рисунок Б13 - Петля врезная ПВ3

В миллиметрах

Типоразмеры

H

B

B1

B2

a

a1

b

b1

d

s

Кол. штифтов

ПВ4-60

60

30

22

-

7,5

22,5

23

15

6

2,0

4

ПВ4-75

75

35

27

5

10

27,5

28

20

7

2,0 - 2,5

6

ПВ4-90

90

35

27

5

10

35

28

20

7

2,5

6

Рисунок Б14 - Петля врезная типа ПВ4

Рисунок Б15 - Петля ввертная типа ПВв1

Рисунок Б16 - Петля ввертная типа ПВв2

Рисунок Б17 - Петля ввертная типа ПВв3

ПРИЛОЖЕНИЕ В

(Информационное)

ОСНОВНЫЕ ДЕТАЛИ ПЕТЕЛЬ

Петли накладные и врезные

Петли ввертные

Ключевые слова: петли накладные, врезные, ввертные; деревянные окна и двери

СОДЕРЖАНИЕ

1. Область применения. 2

2. Нормативные ссылки. 2

3. Типы и основные размеры.. 2

4. Технические требования. 3

5. Приемка. 4

6. Методы контроля. 4

7. Транспортирование и хранение. 4

8. Гарантии изготовителя. 4

Приложение а Область применения петель. 4

Приложение б Типы, размеры и комплектность петель. 5

Приложение в Основные детали петель. 17

 

2008-2013. ГОСТы, СНиПы, СанПиНы - Нормативные документы - стандарты.