ГОСТ 5089-97
МЕЖГОСУДАРСТВЕННЫЙ СТАНДАРТ
ЗАМКИ И ЗАЩЕЛКИ ДЛЯ ДВЕРЕЙ
Технические условия
МЕЖГОСУДАРСТВЕННАЯ НАУЧНО-ТЕХНИЧЕСКАЯ КОМИССИЯ
ПО СТАНДАРТИЗАЦИИ, ТЕХНИЧЕСКОМУ НОРМИРОВАНИЮ И СЕРТИФИКАЦИИ В СТРОИТЕЛЬСТВЕ
(МНТКС)
Москва
1998
Предисловие
1. РАЗРАБОТАН Центральным проектно-конструкторским и технологическим бюро (ЦПКТБ) Минстроя России.
ВНЕСЕН Минстроем России.
2. ПРИНЯТ Межгосударственной научно-технической комиссией по стандартизации, техническому нормированию и сертификации в строительстве (МНТКС) 23 апреля 1997 г.
За принятие проголосовали
|
Наименование государства |
Наименование органа государственного управления строительством |
|
Республика Армения |
Министерство градостроительства Республики Армения |
|
Грузия |
Министерство урбанизации и строительства Грузии |
|
Республика Казахстан |
Агентство строительства и архитектурно-градостроительного контроля Министерства экономики и торговли Республики Казахстан |
|
Кыргызская Республика |
Минархстрой Киргизской Республики |
|
Республика Молдова |
Министерство территориального развития, строительства и коммунального хозяйства Республики Молдова |
|
Российская Федерация |
Госстрой России |
|
Республика Таджикистан |
Госстрой Республики Таджикистан |
|
Республика Узбекистан |
Госкомархитектстрой Республики Узбекистан |
3. ВЗАМЕН ГОСТ 5089-90.
4. ВВЕДЕН В ДЕЙСТВИЕ с 1 января 1998 г. в качестве государственного стандарта Российской Федерации постановлением Госстроя России от 25 августа 1997 г. № 18-46.
ГОСТ 5089-97
МЕЖГОСУДАРСТВЕННЫЙ СТАНДАРТ
ЗАМКИ И ЗАЩЕЛКИ ДЛЯ ДВЕРЕЙ
Технические условия
LOCKS AND LATCHES FOR DOORS
Specifications
Дата введения 1998-01-01
Настоящий стандарт распространяется на замки и защелки для дверей, применяемых в жилых и общественных зданиях.
Обязательные требования к качеству замков, обеспечивающие безопасность граждан и их имущества, изложены в разделах 3 и 4.
В настоящем стандарте использованы ссылки на следующие стандарты:
ГОСТ 9.303-84 ЕСЗКС. Покрытия металлические и неметаллические неорганические. Общие требования к выбору
ГОСТ 538-88 Изделия замочные и скобяные. Общие технические условия
ГОСТ 1145-80 Шурупы с потайной головкой. Конструкция и размеры
ГОСТ 1146-80 Шурупы с полупотайной головкой. Конструкция и размеры
ГОСТ 17474-80 Винты с полупотайной головкой классов точности А и В. Конструкция и размеры
ГОСТ 17475-80 Винты с потайной головкой классов точности А и В. Конструкция и размеры
ГОСТ 19091-82 Замки врезные и накладные цилиндровые и защелки врезные. Методы испытаний
ГОСТ 23306-87 Замки врезные и накладные сувальдные для деревянных дверей. Методы испытаний
3.1. Классы, характеристики классов, требования по прочности и стойкости замков к разрушающим и неразрушающим способам их вскрытия и рекомендуемая область применения приведены в таблице 1.
Таблица 1
|
|
|
Сила, прикладываемая к замку при его испытании на прочность. Н, не менее |
|
|
||
|
Класс замка |
Характеристика класса (охранные свойства) |
засов и запорная планка |
механизм засова |
Соединение лицевой планки с корпусом врезного замка |
Стойкость к вскрытию, мин, не менее |
Рекомендуемая область применения |
|
1 |
Низкие |
2940 |
785 |
785 |
- |
Для запирания дверей подсобных помещений и внутренних дверей в квартирах |
|
2 |
Нормальные |
2940 |
785 |
785 |
5 |
Для запирания входных дверей в квартиры |
|
3 |
Повышенные |
4900 |
1500 |
1960 |
10 |
Для запирания входных дверей в квартиры, в помещения, имеющие определенные ценности, и (или) в помещения, принимаемые на охрану |
|
4 |
Высокие |
6860 |
1960 |
4900 |
30 |
Для запирания входных дверей в квартиры, в помещения, имеющие значительные ценности, и (или) в помещения, принимаемые на охрану |
Замки классов 2-4 подлежат обязательной сертификации.
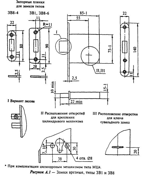
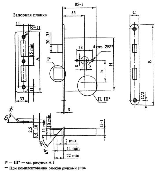
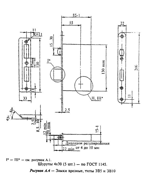
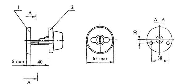
3.2. Типы, основные размеры замков, защелок, цилиндровых механизмов, ручек, накладок и ключей указаны на рисунках А1…А.34.
Допускается изменение габаритов замков при комплектации тягами или другими устройствами, повышающими их стойкость к вскрытию.
Форма корпусов накладных замков, ручек с накладками, накладок, запорных и лицевых планок, головок ключей и исполнения углов корпусов врезных замков и защелок устанавливаются в рабочих чертежах.
3.3. Замки и защелки должны обозначаться марками. Марки замков и защелок указаны в приложении Б.
Условное обозначение замка или защелки должно состоять из марки замка или защелки, класса замка и обозначения настоящего стандарта.
Пример условного обозначения замка марки ЗВ1-1 класса 2:
ЗВ1-1 кл.2 ГОСТ 5089-97.
То же, защелки марки ЗЩ1-1:
ЗЩ1-1 ГОСТ 5089-97.
4.1. Замки и защелки должны удовлетворять требованиям ГОСТ 538 и настоящего стандарта.
Замки и защелки следует изготавливать по конструкторской документации, разработанной в соответствии с требованиями настоящего стандарта. Конструкторская документация на замок должка включать таблицу секретов. Конструкторская документация и образцы-эталоны на замки и защелки должны быть согласованы с организацией, назначенной органом государственного управления строительством.
4.2. Число секретов замков в зависимости от количества элементов секретности и размеры цилиндрового механизма приведены в таблице 2.
Таблица 2
|
Тип цилиндрового механизма, |
Количество элементов секретности |
Число секретов замка, |
Размеры цилиндрового механизма, мм |
|||
|
сувальдного замка |
штифтов |
пластин |
сувальд |
не менее |
L |
l |
|
1 |
2 |
3 |
4 |
5 |
6 |
7 |
|
МЦ1 |
5 |
- |
- |
2500 |
62 |
31 |
|
|
6 |
- |
- |
10000 |
70 |
35 |
|
|
- |
6 |
- |
7500 |
62; 70 |
31; 35 |
|
МЦ2 |
5 |
- |
- |
2500 |
62 |
31 |
|
|
6 |
- |
- |
10000 |
70 |
35 |
|
|
|
6 |
- |
7500 |
62; 70 |
31; 35 |
|
|
|
7 |
- |
15000 |
70 |
35 |
|
МЦ3 |
5 |
- |
- |
2500 |
45 |
31 |
|
|
6 |
- |
- |
10000 |
50 |
35 |
|
|
- |
6 |
- |
7500 |
50 |
35 |
|
МЦ4 |
9 |
- |
- |
2500 |
40 |
30 |
|
МЦ8 |
5 |
- |
- |
2500 |
45 |
- |
|
|
6 |
- |
- |
10000 |
45 |
- |
|
МЦ9 |
- |
6 |
- |
7500 |
45 |
- |
|
|
- |
7 |
- |
15000 |
50 |
- |
|
МЦ10 |
5 |
- |
- |
2500 |
45 |
- |
|
|
6 |
- |
- |
10000 |
45 |
- |
|
|
7 |
- |
- |
25000 |
50 |
- |
|
|
- |
6 |
- |
7500 |
45 |
- |
|
|
- |
7 |
- |
15000 |
50 |
- |
|
МЦ11 |
8 |
- |
- |
30000 |
45 |
- |
|
ЗВ8-4.3В9-4, ЗВ10-4 |
- |
- |
4 |
100 |
- |
- |
|
ЗВ8-6,ЗВ9-6, ЗВ10-6 |
- |
- |
6 |
500 |
- |
- |
|
|
5 |
- |
- |
2500 |
- |
- |
|
ЗВ13-6 |
- |
- |
6 |
500 |
- |
- |
|
|
6 |
- |
- |
10000 |
- |
- |
|
|
- |
- |
6 |
500 |
- |
- |
|
ЗН4 |
- |
- |
5; 6 |
1200 |
- |
- |
Примечание - Количество штифтов цилиндрового механизма типа МЦ1 установлено для каждой стороны механизма
4.3. Замок не должен открываться ключами других секретов.
4.4. Требования к надежности
4.4.1. Сборочные единицы замков в зависимости от класса и защелок должны безотказно выдерживать число циклов работы (наработка), указанное и таблице 3.
Таблица 3
|
Тип, мирка замка |
|
Hаработка, циклы, не менее |
||
|
или защелки |
Сборочные единицы |
класс замка |
||
|
|
|
1, 2 |
3, 4 |
|
|
1 |
2 |
3 |
4 |
|
|
ЗВ1, ЗВ2, ЗН1, ЗН2 |
Засов, цилиндровый механизм |
80 000* |
100 000* |
|
|
ЗВ4, ЗВ5, ЗВ7, |
Засов, цилиндровый механизм |
80 000* |
100 000* |
|
|
ЗНЗ |
Защелка (фиксатор), фалевая ручка (ручка-кнопка) |
200 000 |
250 000 |
|
|
ЗВ8-4, ЗН4, |
Засов, сувальдный механизм |
25 000* |
- |
|
|
ЗВ8-6 |
То же |
40 000* |
80 000 |
|
|
ЗВ9-4, ЗВ10-4, |
Засов, сувальдный механизм |
25 000* |
- |
|
|
3В9-6, 3В10-6 |
То же |
40 000* |
80 000* |
|
|
|
Защелка (фиксатор), фалевая ручка (ручка-кнопка) |
200 000 |
250 000 |
|
|
ЗВ13-6 |
Засов, цилиндровый механизм |
80 000* |
100 000* |
|
|
|
Засов, сувальдный механизм |
40 000* |
80 000* |
|
|
|
Защелка, фалевая ручка |
200 000 |
250 000 |
|
|
ЗЩ1, ЗЩ1Д, ЗЩ2, ЗЩ2Д, ЗЩЗ, ЗЩ4 |
Защелка (фиксатор), фалевая ручка (ручка-кнопка) |
200 000 |
||
* Суммарная наработка с обеих сторон механизма (в равных долях) от вращения ключа или ключа и постоянного ключа
4.5. Требования к прочности
4.5.1. В зависимости от класса замки должны быть прочными и ;охранять работоспособность после приложения сил, указанных в таблице 1.
4.5.2. Ключи должны быть прочными и выдерживать момент силы, приложенный к ключу, Н×м, не менее:
сувальдного замка - 3;
цилиндрового замка - 2.
4.5.3. Ручки к замкам и защелкам должны быть прочными и выдерживать момент силы, приложенный к фалевой ручке (ручке-кнопке), не менее 15 Н×м.
4.6. Требования к стойкости к вскрытию (взлому)
4.6.1. Замки классов 2-4 должны противостоять применению разрушающих и неразрушающих способов их вскрытия в течение времени, установленного в таблице 1.
4.6.2. Механизм секретности замков классов 2-4 должен иметь защиту от высверливания и открывания отмычками.
4.6.3. Накладки врезных замков классов 2-4 должны закрепляться винтами.
4.6.4. Замки классов 3, 4 должны иметь:
вылет засова не менее 25 мм;
защиту от перепиливания засова (термообработанная головка засова или вставленные в нее термообработанные элементы).
4.6.5. Стойки хвостовиков засовов сувальдных замков классов 3, 4 должны иметь защитные элементы от высверливания.
4.7. Конструктивные требования
4.7.1. Корпуса замков и защелок должны быть закрытыми и иметь съемные крышки.
Номинальная толщина стенок стальных корпусов и крышек врезных замков должна быть не менее 1,5 мм.
Зазоры между головкой засова и стенкой корпуса, между головкой засова и крышкой у замков должны быть не более 1 мм.
4.7.2. Врезные замки и защелки могут иметь местные вырезы в корпусе и крышке в местах расположения головок защелок.
4.7.3. Накладные замки должны иметь предохранители для фиксирования защелки в введенном в корпус положении.
4.7.4. Цилиндровый механизм не должен выступать над поверхностью защитно-декоративной планки или накладки более, чем не 4 мм.
4.7.5. Суммарные размеры штифтов цилиндра и корпуса, пружины в полностью сжатом состоянии и заглушки должны превышать длину отверстия в корпусе не менее чем на 2 мм и не менее чем в двух отверстиях в корпусе цилиндрового механизма.
4.7.6. Штифты цилиндра и корпуса цилиндрового механизма замка должны иметь фаску или сферу в соответствии с рисунком 1.
4.7.7. Цилиндры всех типов штифтовых цилиндровых механизмов должны иметь буртик (рисунок А.13), а цилиндры пластинчатых цилиндровых механизмов - буртик и стальную закаленную шайбу (рисунок А.14).
Штифты корпуса цилиндрового механизма замков классов 2-4 должны иметь центральную проточку, указанную на рисунке I. Число штифтов с проточкой должно быть на два меньше числа штифтов, взаимодействующих с одной рабочей гранью ключа.

4.7.8. Степень точности соединения корпуса цилиндрового механизма с цилиндром должна быть для замков:
класса 1 до 12-го квалитета включ.;
классов 2, 3 » 9-го » »;
класса 4 » 7-го » ».
4.7.9. Отверстия для штифтов в корпусе цилиндрового механизма должны иметь индивидуальные заглушки.
Допускается применение общей заглушки при наличии ее защиты от вскрытия. Применение пластмассовых заглушек не допускается.
4.7.10. Стойка хвостовика засова сувальдного замка должна быть прямоугольной формы. Основные размеры, мм, стойки хвостовика засова и выступы сувальд замка, радиусы их закругления должны соответствовать указанным на рисунках 2 и 3.
4.7.11. Зазор между выступами сувальд Н и стойкой h; засова, указанный на рисунке 3, не должен быть более, мм:
0,5 - для замков классов 3,4;
0,6 - » » класса 2;
0,8 - » » » 1.
4.7.12. Угол у основания зубьев сувальд для замков классов 3, 4 должен быть не более 93° при радиусе на выступах сувальд менее 0,3 мм. Для замков класса 2 допускается угол 95°: для замков класса 1 - до 105, при радиусе на выступах сувальд менее 0,5 мм (рисунок 3).

4.7.13. Применение общей пружины для сувальд не допускается.
4.7.14. Замки и защелки с фалевыми ручками пли ручками-кнопками. должны иметь механизм, обеспечивающий возврат ручек в исходное горизонтальное положение.
4.7.15. Пружины для защелки и возврата ручки должны быть автономными.
4.7.16. Конструкция защелок с механизмом дополнительного запирания типов ЗЩ1Д и ЗЩ2Д должна обеспечивать возможность снятия дополнительного запирания с наружной стороны двери.
4.7.17. Засовы, защелки в введенном в корпус положении не должны выступать более чем на 0,5 мм и западать внутрь более чем на 1 мм относительно лицевой поверхности планки.
Острые углы защелкивающегося засова и защелки должны быть скруглены.
4.7.18. Отверстия для засова, защелки в запорной планке должны быть больше высоты засова, защелки на 4-6 мм и толщины (ширины) засова, защелки - на 1-3 мм.
Во врезных замках с засовом, защелкой или фиксатором отверстия в запорных планках для них должны быть одинаковыми и больше по высоте на 4-6 мм и ширине - на 1-3 мм большего размера засова, защелки или фиксатора.
Запорные планки замков с засовом из стержней круглого сечения могут иметь общее отверстие для засова.
Запорные планки для защелок толщиной 1,5 мм и более могут не иметь отогнутой кромки под защелку.
4.7.19. Запорные планки для замков класса 4 должны быть коробчатой формы с креплением их не менее чем четырьмя шурупами.
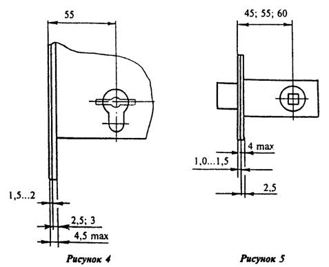
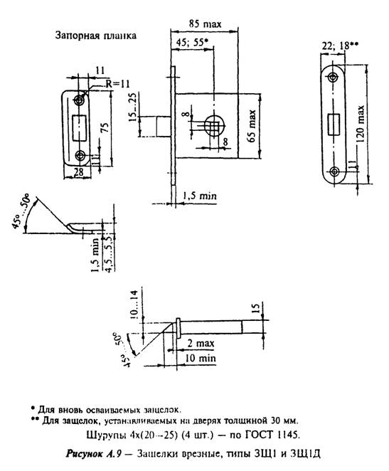
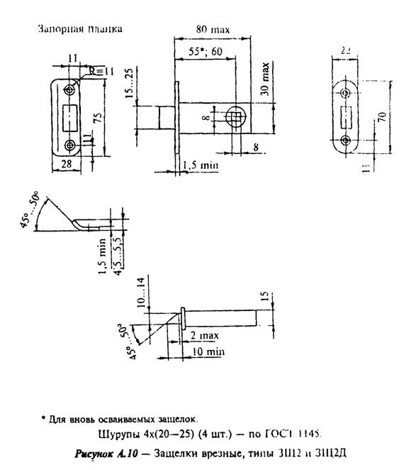
4.7.20. Врезные замки и защелки допускается изготавливать с декоративно-лицевыми планками. Толщина планок, мм, должна соответствовать указанной на рисунках 4, 5.
4.7.21. В пластинчатом цилиндровом механизме для накладных замков следует предусматривать шторку, автоматически закрывающую ключевое отверстие.
4.7.22. Профиль ключевых отверстий в корпусе сувальдного замка должен обеспечивать ввод ключа в определенном положении. Соответственно на головке ключа должен быть отличительный признак для ориентации при вводе его в замок.
4.7.23. Ввод защелки в корпус замка типа ЗВ7 должен осуществляться как от фалевой ручки, так и от ключа.
4.7.24. Накладки врезных замков класса 1 допускается закреплять шурупами.
4.8. Эргономические требования
4.8.1. Величины эксплуатационных усилий замка и защелки при испытании должны соответствовать:
силе, приложенной:
к торцу засова сувальдного замка при его выводе из корпуса - не менее 49Н (5 кгс);
к защелке или защелкивающемуся засову для ввода в корпус - (3-20)Н [(0,3-2,0) кгс];
к регулируемому фиксатору для ввода в корпус - (25-45)Н [(2,5--4,5) кгс], к нерегулируемому фиксатору - (5-25)Н [(0,5-2,5) кгс);
моменту силы, приложенному:
к ключу (постоянному ключу) для ввода защелки в корпус - не более 0,9Н×м (0,09 кгс×м);
к ключу (постоянному ключу) для ввода засова в корпус - не более 0,6Н×м (0,06 кгс×м);
к фалевой ручке для ввода защелки в корпус - (0,6-2,0)Н×м [(0,06-0,20) кгс×м];
к ручке-кнопке для ввода защелки в корпус - (0,3-1,5)Н×м [(0,03-0,15) кгс×м].

4.9. Требования к покрытиям
4.9.1. Покрытия замков и защелок должны соответствовать ГОСТ 538 и настоящему стандарту.
4.9.2. Для замков и защелок устанавливают следующие группы условий эксплуатации в соответствии с ГОСТ 9.303:
1 - для замков ЗВ2, ЗВ8-4, ЗВ9-4, ЗН1 - ЗН4 и защелок ЗЩ1 - ЗЩ4;
2, 3 - для замков 3В1, ЗВ4, ЗВ5, ЗВ7, ЗВ8-6, ЗВ9-6, ЗВ10, ЗВ13, защелок ЗЩ1Д, ЗЩ2Д.
Врезные замки и защелки без ручек с накладками и декоративно-лицевых планок могут иметь цинковое, никелевое, лакокрасочное или полимерное покрытие.
4.10. Комплектность
4.10.1. Замки и защелки должны поставляться комплектно в соответствии с конструкторской документацией согласно приложению Б и ГОСТ 538.
4.10.2. Врезные замки ЗВ4, ЗВ5, ЗВ7, ЗВ9, 3В10 допускается комплектовать соответствующими запорными планками, указанными на рисунках B.1 и В.2.
4.10.3. Замки должны быть укомплектованы не менее чем тремя ключами. К комплекту ключей допускается дополнительно прикладывать заготовки ключей. Число ключей и заготовок следует указывать при заказе.
4.11. Маркировка
4.11.1. Маркировку замков и защелок устанавливают по ГОСТ 538 со следующими дополнениями.
4.11.2. На потребительской упаковке должны быть указаны число секретов замка и его класс, в эксплуатационной документации - класс замка и его характеристика.
На ключах не допускается указывать состав секрета.
4.11.3. На комплектующих изделиях замков и защелок, поставляемых как самостоятельные изделия, по согласованию с потребителем допускается маркировка товарного знака предприятия-изготовителя на упаковке или этикетке.
Заготовки ключей должны иметь товарный знак предприятия-изготовителя.
4.12 Упаковка
Упаковка замков и защелок - по ГОСТ 538.
5.1. Замки и защелки должны быть приняты службой технического контроля предприятия-изготовителя на соответствие требованиям настоящего стандарта, ГОСТ 538, образцов-эталонов и конструкторской документации на конкретные виды изделий.
5.2. Приемку изделий на соответствие требованиям, установленным ГОСТ 538, проводят по указанному стандарту.
5.3. Для проверки соответствия замков и защелок требованиям настоящего стандарта проводят приемочный контроль.
5.4. При приемочном контроле проверяют требование 4.3. От каждых 100 замков партии отбирают по 5 изделий, при этом общий объем выборки не должен превышать 30 изделий.
Если при проверке требования 4.3 хотя бы одно изделие не соответствует настоящему стандарту, проводят сплошной контроль проверяемой партии по этому показателю.
5.5. Требования 4.8 проверяют периодически один раз в год.
5.6. Размеры, установленные в настоящем стандарте и конструкторской документации на конкретные виды изделий, проверяют при операционном (производственном) контроле в соответствии с утвержденным технологическим регламентом.
5.7. Периодические испытания замков и защелок должны проводиться не реже одного раза в год. Порядок проведения и объем периодических испытаний - по ГОСТ 538.
5.8. Типовые испытания замков и защелок проводят в соответствии с ГОСТ 538.
5.9. Приемочные испытания замков и защелок проводят в соответствии с ГОСТ 538 со следующим дополнением.
При постановке на производство вновь осваиваемых замков и при сертификации необходимо проводить испытания на надежность, прочность, эксплуатационные усилия, а также по показателю стойкости замков к вскрытию (взлому) в испытательных лабораториях, аккредитованных на право проведения указанных испытаний. По результатам проведенных испытаний устанавливают класс замка.
5.10. Для проверки комплектности и маркировки изделий проводят сплошной контроль.
6.1. Методы контроля изделий - по ГОСТ 538, ГОСТ 19091, ГОСТ 23306.
6.2. Контроль показателя стойкости замков к вскрытию (взлому) проводят по методикам испытательных лаборатории органов МВД.
6.3. При контроле требования 4.3 ключом каждого замка проверяют возможность отпирания остальных замков, отобранных по 5.4.
Транспортирование и хранение - по ГОСТ 538.
Гарантии изготовителя - по ГОСТ 538.
Замки



В миллиметрах
|
Типы |
h |
H |
A |
B |
C |
S |
|
ЗВ4 |
55 |
130 |
150 |
200 |
22 |
2,5 |
|
ЗВ7 |
72 |
160 |
180 |
230 |
25 |
3,0 |
|
ЗВ9 |
55 |
130 |
150 |
200 |
22 |
2,5 |
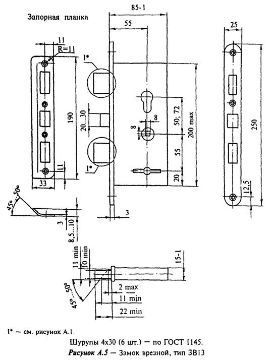
Рисунок А.3 - Замки врезные, типы ЗВ4, 3В7 и ЗВ9

















* Для замков типа ЗВ7.
Винты М5´(45-55) (4 шт.) - по ГОСТ 17474 или ГОСТ 17475.
Пример условного обозначения фалевой ручки с накладками исполнения 1, типоразмера РФ3-55-
Ручка РФ1-I-55 ГОСТ 5089-97.
То же, исполнения II, типоразмера РФ3-55 -
Ручка РФ1-I-72 ГОСТ 5089-97.
Рисунок А.21 - Ручки фалевые с накладками для замков, тип РФ1


*1, II - см. Рисунок А.21.
** Для замков типа ЗВ7.
Винты М5х(45-55) (4 шт.) - по ГОСТ 17474 или ГОСТ 17475.
Пример условного обозначения фалевой ручки с накладками исполнения I, типоразмера РФ3-55-
Ручка РФЗ-1-55 ГОСТ 5089-97.
То же, исполнения II, типоразмера РФ3-55 -
Ручка РФЗ-II-55 ГОСТ 5089-97.
Рисунок А.23 - Ручки фалевые с накладками для замков, тип РФЗ

* Обязателен при комплектовании врезных замков.
Расположение отверстий под крепление ручек для защелок стандартом не устанавливается.
Винты для замков М5х(40-55) (2шт.) - по ГОСТ 17474 или ГОСТ 17475.
Винты для защелок М5х(40-55) (2шт.) - по ГОСТ 17474 или ГОСТ 17475 или шурупы 4х(20-25) (4 шт.) - по ГОСТ 1145 или ГОСТ 1146.
Пример условного обозначения фалевой ручки типа РФ4 -
Ручка РФ4 ГОСТ 5089-97.
Рисунок А.24 - Ручки фалевые с накладками для замков и защелок, тип РФ4

*При наличии механизма дополнительного запирания в накладке.
Винты М5х(40-45) (2 шт.) - по ГОСТ 17474 или ГОСТ 17475 или шурупы 4х(20-25) (4 шт.) - по ГОСТ 1145 или ГОСТ 1146.
Пример условного обозначения фалевой ручки типа РФ5 -
Ручка РФ5 ГОСТ 5089-97.
Рнсунок А.25 - Ручки фалевые с накладками для защелок, тип РФ5

Винты М5х(40-45) (2 шт.) - по ГОСТ 17474 или ГОСТ 17475 или шурупы 4х(20-25) (4 шт.) - по ГОСТ 1145 или ГОСТ 1146.
Пример условного обозначения ручки-кнопки типа РК4 -
Ручка РК4 ГОСТ 5089-97.
Рисунок А.26 - Ручки-кнопки с накладками для защелок, тип РК4

1 - накладка наружная: 2 - накладка внутренняя
Винты М5х(40-55) (2 шт.) - по ГОСТ 17474 или ГОСТ 17475.
Пример условного обозначения накладок типа Н1 исполнения I -
Накладка H1-I ГОСТ 5089-97.
Рисунок А.27 - Накладки для врезных цилиндровых замков, тип HI

1 - накладка наружная; 2 - накладка внутренняя
Винты М5х(45-б0) (2 шт.) - по ГОСТ 17474 или ГОСТ 17475.
Рисунок А.28 -
Накладки для врезных замков с цилиндровым
механизмом МЦ4, тип Н2

1 - накладка наружная; 2 - накладка внутренняя
Шурупы 3х(13-16) (4 шт.) - по ГОСТ 1145.
Рисунок А.29 - Накладки для врезных сувальдных замков, тип НЗ

Шурупы 3х(13-16) (2 шт.) -
по ГОСТ 1145
Рисунок А.30 - Накладка для накладных цилиндров и сувальдных замков, тип Н4

* При открытом пазе в цилиндре.
Профиль ключа может быть изготовлен в зеркальном исполнении.
Нарезаемая часть ключа толщиной 1,4 мм может быть симметрична или асимметрична относительно оси ключа.
Рисунок А.31 - Ключ для цилиндрового механизма с
односторонней
нарезкой секторов, тип ЗЦ1


* Допускается для стальных ключей
Рисунок А.33 - Ключ для врезного сувальдного замка, тип ЗС1

Таблица Б.1
|
|
|
Типы, типоразмеры или исполнения комплектующих изделий |
||||||||
|
Тип замка |
Марка замка |
цилиндровый механизм |
фалевая ручка |
накладка |
||||||
|
1 |
2 |
3 |
4 |
5 |
||||||
|
Замки врезные цилиндровые |
||||||||||
|
|
ЗВ1-1 |
МЦ1-5 |
- |
Н1-I |
||||||
|
|
ЗВ1-2 |
МЦ1-6 |
- |
Н1-I |
||||||
|
|
ЗВ1-3 |
МЦ2-5 |
- |
Н1-I |
||||||
|
ЗВ1 |
ЗВ1-4 |
МЦ2-6 |
- |
Н1-I |
||||||
|
|
ЗВ1-5 |
МЦ2-7 |
- |
Н1-I |
||||||
|
|
ЗВ1-6 |
МЦ3-5 |
- |
Н1-II |
||||||
|
|
ЗВ1-7 |
МЦ3-6 |
- |
H1-II |
||||||
|
|
ЗВ1-8 |
МЦ4 |
- |
Н2 |
||||||
|
3амки врезные цилиндровые с блокиратором |
||||||||||
|
|
ЗВ2-1 |
МЩ-5 |
- |
|
||||||
|
|
ЗВ2-2 |
МЦ1-6 |
- |
Н1-I |
||||||
|
|
ЗВ2-3 |
МЦ2-5 |
- |
Н1-I |
||||||
|
ЗВ2 |
ЗВ2-4 |
МЦ2-6 |
- |
Н1-I |
||||||
|
|
ЗВ2-5 |
МЦ2-7 |
- |
Н1-I |
||||||
|
|
ЗВ2-6 |
МЦЗ-5 |
- |
Н1-I |
||||||
|
|
ЗВ2-7 |
МЦЗ-б |
- |
H1-II |
||||||
|
|
ЗВ2-8 |
МЦ4 |
- |
Н2 |
||||||
|
Замки врезные цилиндровые с защелкой и фалевыми ручками |
||||||||||
|
|
ЗВ4-1 |
МЦ1-5 |
РФ1-I-55 |
- |
||||||
|
|
ЗВ4-2 |
МЦ1-5 |
РФ4 |
H1-I |
||||||
|
|
ЗВ4-3 |
МЦ1-6 |
РФ1- I-55 |
- |
||||||
|
|
ЗВ4-4 |
МЦ1-6 |
РФ4 |
Hl-I |
||||||
|
|
ЗВ4-5 |
МЦ2-5 |
РФ1-I-55 |
- |
||||||
|
|
ЗВ4-6 |
МЦ2-6 |
РФ4 |
Hl-I |
||||||
|
|
ЗВ4-7 |
МЦ2-6 |
РФ1-I-55 |
- |
||||||
|
ЗВ4 |
3B4-8 |
МЦ2-6 |
РФ4 |
Hl-1 |
||||||
|
|
ЗВ4-9 |
МЦ2-7 |
РФ1-I-55 |
- |
||||||
|
|
ЗВ4-10 |
МЦ2-7 |
РФ4 |
Hl-1 |
||||||
|
|
ЗВ4-11 |
МЦЗ-5 |
РФ1-II-55 |
|
||||||
|
|
ЗВ4-12 |
МЦЗ-5 |
РФ4 |
Н1-II |
||||||
|
|
ЗВ4-13 |
МЦЗ-6 |
РФ1-II-55 |
- |
||||||
|
|
ЗВ4-14 |
МЦЗ-6 |
РФ4 |
Hl-II |
||||||
|
|
ЗВ4-15 |
МЦ4 |
РФ4 |
H2 |
||||||
|
Замки врезные цилиндровые с фиксатором |
||||||||||
|
|
ЗВ5-1 |
МЦ1-5 |
- |
Hl-I |
||||||
|
|
ЗВ5-2 |
МЦ1-6 |
- |
Hl-I |
||||||
|
|
ЗВ5-3 |
МЦ2-5 |
- |
Hl-I |
||||||
|
ЗВ5 |
ЗВ5-4 |
МЦ2-6 |
- |
Hl-I |
||||||
|
|
ЗВ5-5 |
МЦ2-7 |
- |
Hl-I |
||||||
|
|
ЗВ5-6 |
МЦЗ-5 |
- |
Н1-II |
||||||
|
|
ЗВ5-7 |
МЦЗ-6 |
- |
Hl-II |
||||||
|
|
ЗВ5-8 |
МЦ4 |
- |
H2 |
||||||
|
Замки врезные цилиндровые с защелкой и фалевыми ручками с вводом защелки от ключа |
||||||||||
|
|
ЗВ7-1 |
МЦ1-5 |
РФ1-1-72 |
- |
||||||
|
|
ЗВ7-2 |
МЦ1-5 |
РФ4 |
Hl-I |
||||||
|
|
ЗВ7-3 |
МЦ1-6 |
РФ1-1-72 |
- |
||||||
|
|
ЗВ7-4 |
МЦ1-6 |
РФ4 |
Hl-I |
||||||
|
|
ЗВ7-5 |
МЦ2-5 |
РФ1-1-72 |
- |
||||||
|
|
ЗВ7-6 |
МЦ2-5 |
рф4 |
H1-I |
||||||
|
|
ЗВ7-7 |
МЦ2-6 |
РФ1-1-72 |
- |
||||||
|
|
ЗВ7-8 |
МЦ2-6 |
РФ4 |
Н1-I |
||||||
|
|
ЗВ7-9 |
МЦ2-7 |
РФ1-1-72 |
|
||||||
|
|
ЗВ7-10 |
МЦ2-7 |
рф4 |
Hl-I |
||||||
|
3B7 |
3B7-11 |
МЦЗ-5 |
РФ1-11-72 |
|
||||||
|
|
ЗВ7-12 |
МЦЗ-5 |
рф4 |
H1-I |
||||||
|
|
ЗВ7-13 |
МЦЗ-6 |
РФ1-11-72 |
|
||||||
|
|
ЗВ7-14 |
МЦЗ-6 |
рф4 |
Hl-II |
||||||
|
|
ЗВ7-15 |
МЦ4 |
рф4 |
H2 |
||||||
|
Замки врезные сувальдные |
||||||||||
|
|
ЗВ8-4 |
- |
- |
Н3 |
||||||
|
ЗВ8 |
ЗВ8-6 |
- |
- |
Н3 |
||||||
|
Замки врезные сувальдные с защелкой и фалевыми ручками |
||||||||||
|
|
ЗВ9-4-1 |
- |
РФ2 |
- |
||||||
|
ЗВ9 |
ЗВ9-4-2 |
- |
рф4 |
НЗ |
||||||
|
|
ЗВ9-6-1 |
- |
РФ2 |
- |
||||||
|
|
ЗВ9-6-2 |
- |
РФ4 |
НЗ |
||||||
|
Замки врезные сувальдные с фиксатором |
||||||||||
|
|
ЗВ10-4 |
- |
- |
Н3 |
||||||
|
3В10 |
ЗВ10-6 |
- |
- |
НЗ |
||||||
|
Замки врезные с цилиндровым и 6-сувальдным механизмом, защелкой и фалевыми ручками |
||||||||||
|
|
ЗВ13-6-1 |
МП 1-5 |
РФЗ-I |
- |
||||||
|
|
ЗВ13-6-2 |
МЦ1-6 |
РФЗ-I |
- |
||||||
|
|
ЗВ13-6-3 |
МЦ2-5 |
РФЗ-I |
- |
||||||
|
ЗВ13 |
ЗВ13-6-4 |
МЦ2-6 |
РФЗ-I |
- |
||||||
|
|
ЗВ13-6-5 |
МЦ2-7 |
РФЗ-I |
- |
||||||
|
|
ЗВ13-6-6 |
МЦЗ-5 |
РФЗ-II |
- |
||||||
|
|
ЗВ13-6-7 |
MЦ3-6 |
РФЗ-II |
- |
||||||
|
Замки накладные цилиндровые |
||||||||||
|
|
ЗН1-1 |
МЦ8-5 |
- |
H4-I |
||||||
|
|
ЗН1-2 |
МЦ8-6 |
- |
H4-I |
||||||
|
|
ЗН1-3 |
МЦ9-6 |
- |
H4-II |
||||||
|
ЗН1 |
ЗН1-4 |
МЦ9-7 |
- |
H4-II |
||||||
|
|
ЗН1-5 |
МЦ10-5 |
- |
H4-III |
||||||
|
|
ЗН1-6 |
МЦ10-6 |
- |
H4-III |
||||||
|
|
ЗН1-7 |
МЦ10-7 |
- |
H4-III |
||||||
|
|
ЗН1-8 |
МЦ11 |
- |
- |
||||||
|
Замки накладные цилиндровые с защелкивающимся засовом |
||||||||||
|
|
ЗН2-1 |
МЦ8-5 |
- |
H4-I |
||||||
|
|
ЗН2-2 |
МЦ8-6 |
- |
H4-I |
||||||
|
|
ЗН2-3 |
МЦ9-6 |
- |
H4-II |
||||||
|
ЗН2 |
ЗН2-4 |
МЦ9-7 |
- |
H4-II |
||||||
|
|
ЗН2-5 |
МЦ10-5 |
- |
Н4-III |
||||||
|
|
ЗН2-6 |
МЦ10-6 |
- |
H4-III |
||||||
|
|
ЗН2-7 |
МЦ10-7 |
- |
H4-III |
||||||
|
|
ЗН2-8 |
МЦ11 |
- |
- |
||||||
|
Замки накладные цилиндровые с защелкой |
||||||||||
|
|
ЗНЗ-1 |
МЦ8-5 |
- |
H4-I |
||||||
|
|
ЗНЗ-2 |
МЦ8-6 |
- |
H4-I |
||||||
|
|
ЗНЗ-3 |
МЦ9-6 |
- |
H4-II |
||||||
|
ЗНЗ |
ЗНЗ-4 |
МЦ9-7 |
- |
H4-II |
||||||
|
|
ЗНЗ-5 |
МЦ10-5 |
- |
H4-III |
||||||
|
|
ЗНЗ-6 |
МЦ10-6 |
- |
H4-III |
||||||
|
|
ЗНЗ-7 |
МЦ10-7 |
- |
H4-III |
||||||
|
|
ЗНЗ-8 |
МЦ11 |
- |
- |
||||||
|
Замки накладные сувальдные |
||||||||||
|
ЗН4 |
ЗН4 |
- |
- |
H4-IV |
||||||
Таблица Б.2
|
|
|
Типы и типоразмеры комплектующих изделий |
|
|
Тип защелки |
Марка защелки |
корпус защелки |
фалевая ручка или |
|
Защелки врезные с фалевыми ручками |
|||
|
|
3Щ1-1 |
ЗЩ1-45 |
РФ4 |
|
ЗИП |
ЗЩ1-2 |
3Щ1-45 |
РФ5 |
|
|
ЗЩ1-3 |
ЗЩ1-55 |
Рф4 |
|
|
ЗЩ1-4 |
ЗЩ1-55 |
РФ5 |
|
Защелки врезные с фалевыми ручками с механизмом дополнительного запирания |
|||
|
|
-1 |
ЗЩ1Д-45 |
РФ4 |
|
|
ЗЩ1Д -2 |
ЗЩ1Д-45 |
РФ5 |
|
ЗЩ1Д |
ЗЩ1Д-3 |
3Щ1Д-55 |
РФ4 |
|
|
ЗЩ1Д-4 |
ЗЩ1Д-55 |
РФ 5 |
|
Защелки врезные с ручками-кнопками |
|||
|
|
ЗШ2-1 |
31Ц2-55 |
РК4 |
|
ЗЩ2 |
ЗШ2-2 |
31Ц2-60 |
РК4 |
|
Защелки врезные с ручками-кнопками с механизмом дополнительного запирания |
|||
|
|
ЗЩ2Д-1 |
ЗЩ2Д-55 |
1 РК4 |
|
ЗЩ2Д |
ЗЩ2Д-2 |
ЗЩ2Д-60 |
РК4 |
|
Защелки срезные нерегулируемые |
|||
|
зшз |
ЗЩЗ |
- |
- |
|
Защелки врезные регулируемые |
|||
|
ЗЩ4 |
ЗШ4 |
- |
- |
