
ГОСУДАРСТВЕННЫЙ СТАНДАРТ СОЮЗА ССР
ИЗДЕЛИЯ СКОБЯНЫЕ ЗАПИРАЮЩИЕ
ДЛЯ ДЕРЕВЯННЫХ ОКОН И ДВЕРЕЙ
ТИПЫ И ОСНОВНЫЕ РАЗМЕРЫ
ГОСТ 5090-86
ГОСУДАРСТВЕННЫЙ СТРОИТЕЛЬНЫЙ КОМИТЕТ СССР
Москва
РАЗРАБОТАН
Министерством промышленности строительных материалов СССР Государственным комитетом по гражданскому строительству и архитектуре при Госстрое СССР
ИСПОЛНИТЕЛИ
Л.В. Воронкова (руководитель темы), Н.Д. Попков, Е.Ф. Рашитова, Б.А. Филозофович, Н.Г. Королев, Н.И. Федоров
ВНЕСЕН Министерством промышленности строительных материалов СССР
Зам. министра В.И. Чирков
УТВЕРЖДЕН И ВВЕДЕН В ДЕЙСТВИЕ Постановлением Государственного комитета СССР по делам строительства от 25 июля 1986 г. № 102
ГОСУДАРСТВЕННЫЙ СТАНДАРТ СОЮЗА ССР
|
ИЗДЕЛИЯ
СКОБЯНЫЕ ЗАПИРАЮЩИЕ ДЛЯ Типы и основные размерыLocking fitting for wooden windows and doors. Types and basic dimensions |
ГОСТ Взамен |
Постановлением Государственного комитета СССР по делам строительства от 25 июля 1986 г. № 102 срок введения установлен
с 01.07.87
Несоблюдение стандарта преследуется по закону
1. Настоящий стандарт распространяется на запирающие изделия для деревянных окон и дверей, применяемых в строительстве жилых и общественных зданий.
2. Обозначение, наименование и рекомендуемая область применения запирающих изделий приведены в таблице.
Основные размеры запирающих изделий должны соответствовать указанным на черт. 1 - 13.
(Поправка. ИУС 1-1988).
Основные размеры соединителей, ограничителей, ручек и накладок, предназначаемых для комплектования фрамужных приборов или врезных заверток, должны соответствовать указанным в обязательном приложении 1.
Примеры установки фрамужных приборов, соединителя для фрамуг с тройным остеклением и врезной завертки типа ЗР1 приведены в рекомендуемом приложении 2.
|
Условное обозначение типа |
Наименование |
Рекомендуемая область применения |
Номер чертежа |
|
ПФ1 |
Прибор фрамужный |
Для фрамуг общественных зданий со спаренными или раздельными переплетами шириной до 300 мм |
|
|
ПФ2 |
Прибор фрамужный |
Для фрамуг общественных зданий со спаренными или раздельными переплетами шириной до 830 мм |
|
|
ШН1 |
Шпингалет накладной |
Для створок окон высотой более 1100 мм и балконных дверей со спаренными или раздельными переплетами и полотнами |
|
|
ШН2 |
Шпингалет накладной |
Для створок окон со спаренными или раздельными переплетами высотой до 1100 мм включительно |
|
|
ШВ |
Шпингалет врезной |
Для двухпольных дверей |
|
|
ЗР1 |
Завертка-стяжка врезная |
Для окон и балконных дверей со спаренными переплетами и полотнами |
|
|
ЗР2 |
Завертка врезная |
Для створок окон и балконных дверей |
|
|
ЗР3 |
Завертка врезная |
То же |
|
|
ЗР4 |
Завертка врезная |
» |
|
|
ЗФ1 |
Завертка накладная |
Для дверей санузлов |
|
|
ЗФ2 |
Завертка накладная |
Для форточек окон жилых зданий |
|
|
ЗТ |
Задвижка накладная |
Для створок окон и балконных дверей жилых и общественных зданий |
|
|
СТ |
Стяжка |
Для окон и балконных дверей со спаренными переплетами и полотнами |
Прибор фрамужный типа ПФ1
Черт. 1
Примечание. Размер L = B + 13 мм, где B - ширина фрамуги с учетом наплава.
Шурупы 1-4´30 по ГОСТ 1145-80 или ГОСТ 1146-80 (4 шт.).
Пример условного обозначения фрамужного прибора для спаренных фрамуг:
ПФ1 ГОСТ 5090-86
То же, для раздельных фрамуг с соединителем исполнения 1 и расстоянием между фрамугами, равным 53 мм:
ПФ1-1-53 ГОСТ 5090-86
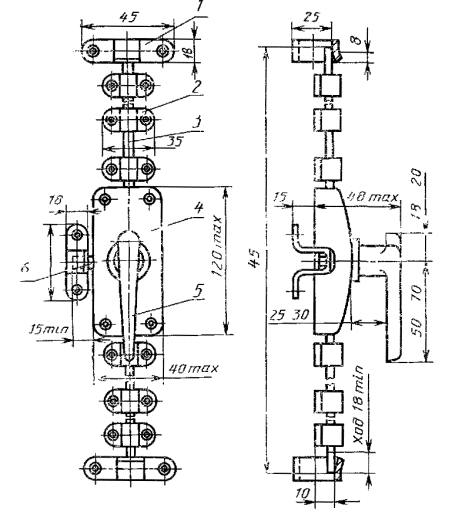
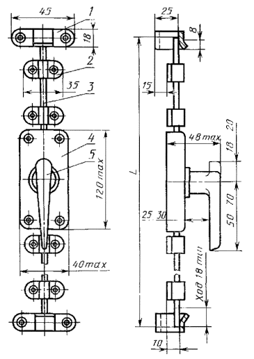
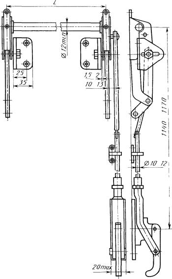
Прибор фрамужный типа ПФ2
1 - защелка, 2 - корпус, 3 - угловой блок, 4 - шнур
Черт. 2
Шурупы 1-4´30 по ГОСТ 1145-80 (12 шт.).
Пример условного обозначения фрамужного прибора для спаренных фрамуг с ограничителем:
ПФ2 ГОСТ 5090-86
То же, для раздельных фрамуг с соединителем исполнения 1 и расстоянием между фрамугами, равным 53 мм:
ПФ2-1-58 ГОСТ 5090-86
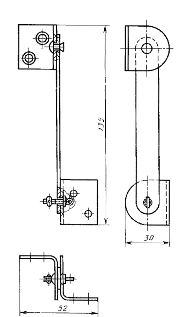
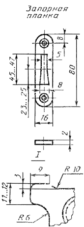
Шпингалет накладной типа ШН1
1 - запорная планка, 2 - направляющая, 3 - засов-штанга, 4 - корпус, 5 - ручка, 6 - засов
Черт. 3
Примечание. Размер L = H + 30 мм, где H - высота створки или дверного полотна с учетом наплава.
(Поправка. ИУС 1-1988).
Шурупы 1-4´30 (16 шт.) - для крепления корпуса и запорных планок и 1-4´18 (12 шт.) по ГОСТ 1145-80 или ГОСТ 1146-80-для крепления направляющих.
Пример условного обозначения шпингалета:
ШН1 ГОСТ 5090-86
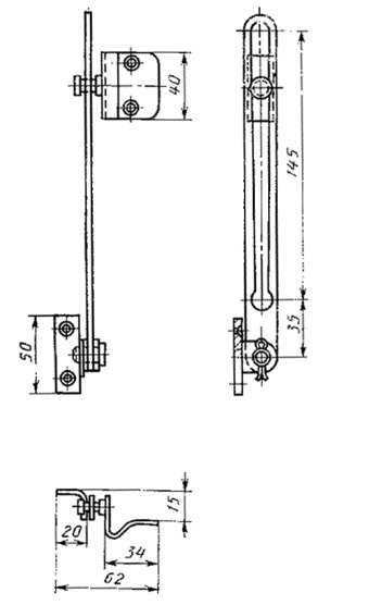
Шпингалет накладной типа ШН2
1 - запорная планка, 2 - направляющая, 3 - корпус, 4 - ручка
Черт. 4
Примечание. Размер L = Н + 30 мм, где H - высота створки с учетом наплава.
Шурупы 1-4´30 (8 шт.) - для крепления корпуса и запорных планок и 1-4´18 (8 шт.) по ГОСТ 1145-80 или ГОСТ 1146-80 - для крепления направляющих.
Пример условного обозначения шпингалета:
ШН2 ГОСТ 5090-86
Шпингалет врезной типа ШВ
Черт. 5
Шурупы 1-4´30 по ГОСТ 1145-80 (5 шт.).
Пример условного обозначения врезного шпингалета:
ШВ ГОСТ 5090-86
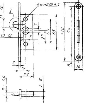
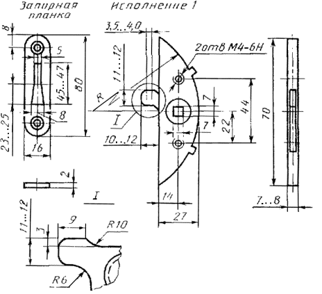
Завертка-стяжка врезная типа ЗР1
Черт. 6
Шурупы 1-4´25 или 1-3´25 по ГОСТ 1145-80 (2 шт.) и штифты (4 шт.).
Пример условного обозначения завертки-стяжки о ручкой типа Р1:
ЗР1-1 ГОСТ 5090-86
Завертка врезная типа ЗР2

Черт. 7
(Поправка. ИУС 1-1988).
Шурупы 1-4´25 или 1-3´25 по ГОСТ 1145-80 (4 шт.).
Пример условного обозначения завертки с ручкой типа Р1:
ЗР2-1 ГОСТ 5090-86
То же, с ручкой типа Р2 и накладкой:
ЗР2-2 ГОСТ 5090-86
Завертка врезная типа ЗР3

Черт. 8
Шурупы 1-4´25 или 1-3´25 по ГОСТ 1145-80 (2 шт.) винты ВМ4-6q´35.36 ГОСТ 17474-80 (2 шт.).
Пример условного обозначения завертки исполнения 1 правого исполнения с ручкой типа Р1:
ЗРЗ-1-П-1 ГОСТ 5090-86
То же, исполнения 2 левого исполнения с ручкой типа Р2 и накладкой:
ЗРЗ-2-Л-2 ГОСТ 5090-86
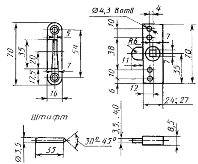
Завертка врезная типа ЗР4
Черт. 9
(Поправка. ИУС 4-1988).
Примечание. Форма и размеры засова могут быть аналогичными засову заверток типов ЗР2, ЗР3.
(Поправка. ИУС 5-1988).
Шурупы 1-4´25 или 1-3´25 по ГОСТ 1145-80 (2 шт.) и штифты (2 шт.).
Примечание. Отверстия диаметром 4,3 мм следует располагать на оси симметрии корпуса завертки.
(Поправка. ИУС 1-1988).
Пример условного обозначения завертки с ручкой типа Р1:
ЗР4-1 ГОСТ 5090-86
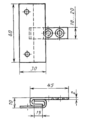
Завертка накладная типа ЗФ1
Черт. 10
(Поправка. ИУС 1-1988).
Шурупы 1-4´30 по ГОСТ 1145-80 или ГОСТ 1146-80 (4 шт.).
Примечание. Допускается располагать шурупы на корпусе завертки в пределах 45° от вертикальной оси.
Пример условного обозначения завертки с запорной планкой исполнения 1:
ЗФ1-1 ГОСТ 5090-86
Завертка накладная типа ЗФ2
Черт. 11
(Поправка. ИУС 4-1988).
Шурупы 1-3´20 по ГОСТ 1145-80 или ГОСТ 1146-80 (4 шт.).
Пример условного обозначения завертки правого исполнения:
ЗФ2 П ГОСТ 5090-86
То же, исполнения 2:
ЗФ2 П-2 ГОСТ 5090-86
Задвижка накладная типа ЗТ
Черт. 12
Шурупы 1-3´25 или 1-4´25 по ГОСТ 1145-80 (4 шт.).
Пример условного обозначения задвижки для створок с наплавом:
ЗT (h + 15) ГОСТ 5090-86
То же, без наплава:
ЗT (h) ГОСТ 5090-86
(Поправка. ИУС 1-1988).
Черт. 13
Винт ВM6-6q´55.86 по ГОСТ 17473-80, ГОСТ 17474-80 или ГОСТ 17475-80.
(Поправка. ИУС 1-1988).
Шурупы 1-3´25 по ГОСТ 1145-80 (2 шт.).
Пример условного обозначения стяжки:
СТ ГОСТ 5090-86
3. Технические требования, комплектность, правила приемки, методы контроля, маркировка, упаковка, транспортирование, хранение и гарантийный срок эксплуатации запирающих изделий должны соответствовать ГОСТ 538-78 и дополнительным требованиям настоящего стандарта.
4. Завертки-стяжки типа ЗР1 допускается изготавливать до 01.01.90.
5. Завертки типа ЗР4 предназначены для комплектования окон и балконных дверей, изготовляемых на автоматизированных линиях, установленных на деревообрабатывающих комбинатах до 01.01.86.
6. Засовы врезных шпингалетов и заверток в открытом положении не должны выступать над лицевой поверхностью планок или западать внутрь корпуса более чем на 1 мм.
7. Размеры засова и запорной планки шпингалетов типов ШН1, ШН2 и задвижки типа ЗТ должны обеспечивать при их соединении натяг не менее 3 мм.
Толщина запорных планок указанных изделий не должна быть менее 1 мм.
(Поправка. ИУС 2-1990).
(Поправка. ИУС 9-1990).
8. Шнур фрамужного прибора типа ПФ2 должен перемещаться по роликам свободно, без заеданий и не соскальзывать с них.
9. Завертки типов ЗР1, ЗР2, ЗР4 и ЗФ1 следует изготавливать двухсторонними, типов ЗРЗ и ЗФ2 - в правом и левом исполнениях.
10. Засов задвижки типа ЗТ должен быть выполнен из стального прутка.
11. Форма ручек, накладок, сечения засовов накладных шпингалетов, а также заостренной части штифтов для заверток стандартом не устанавливаются.
12. Запирающие изделия должны иметь защитное или защитно-декоративное покрытие по ГОСТ 538-78 для 2, 3 или 4 (С) групп условий эксплуатации ГОСТ 9.303-84.
13. Засовы-штанги накладных шпингалетов следует испытывать на прочность при приемочных и типовых испытаниях.
Испытания проводят на стенде путем приложения в течение 1 мин к закрепленному засову-штанге силы 800 Н (78,4 кгс) на расстоянии 5 мм от места крепления перпендикулярно к плоскости крепления шпингалета.
После проведения испытаний засов-штанга не должен быть деформирован.
14. Фрамужные приборы типов ПФ1, ПФ2 и завертки типов ЗР1, ЗР2, ЗР3, ЗР4 должны быть укомплектованы следующими деталями, указанными в обязательном приложении 1:
фрамужные приборы типов ПФ1, ПФ2, устанавливаемые на фрамуги с раздельными переплетами, - двумя соединителями исполнения 1, 2, 3, 4 или 5 (черт. 1, 2, 3, 4, 5);
фрамужные приборы типа ПФ2, устанавливаемые на фрамуги с одинарными или спаренными переплетами, - двумя ограничителями (черт. 7);
фрамужные приборы типа ПФ2, устанавливаемые на фрамуги с тройным остеклением, - двумя ограничителями и двумя соединителями (черт. 6 и 7);
завертки типа ЗР1 - ручками типа Р1 (черт. 8);
завертки типов ЗР2, ЗР3, ЗР4-ручками типа Р1 или Р2 с накладками. Число ручек типа Р2 и накладок должно быть указано при заказе.
15. Значение L фрамужных приборов типа ПФ1 и шпингалетов типов ШН1 и ШН2 должно быть указано при заказе.
Обязательное
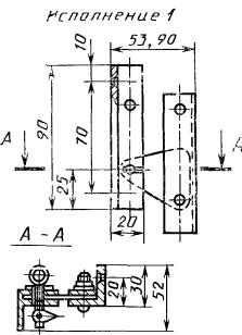
Соединители для фрамуг с раздельными и раздельно-спаренными переплетами

Черт. 1
Шурупы 1-4´30 или 3-4´30 по ГОСТ 1145-80 (4 шт.).
(Поправка. ИУС 4-1988).
Примечание. Размеры 53 и 90 мм соответствуют расстоянию (4 шт.) между переплетами фрамуг.
Исполнение 2

Черт. 2
Шурупы 1-4´30 или 3-4´30 по ГОСТ 1145-80 (4 шт.)
(Поправка. ИУС 4-1988).
исполнение 3

Черт. 3
Шурупы 1-4´30 или 3-4´30 по ГОСТ 1145-80 (4 шт.).
(Поправка. ИУС 4-1988).
исполнение 4

Черт. 4
Шурупы 1-4´30 или 3-4´30 по ГОСТ 1145-80 (4 шт.).
(Поправка. ИУС 4-1988).
Исполнение 5

Черт. 5
Шурупы 1-4´30 или 3-4´30 по ГОСТ 1145-80 (4 шт.).
(Поправка. ИУС 4-1988).
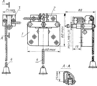
Соединитель для фрамуг с тройным остеклением

Черт. 6
Шурупы 1-4´30 или 3-4´30 (4 шт.) по ГОСТ 1145-80
(Поправка. ИУС 4-1988).
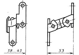
Ограничитель для фрамуг со спаренными переплетами и с тройным остеклением

Черт. 7
Шурупы 1-4´30 или 3-4´30 по ГОСТ 1145-80 (4 шт.).
(Поправка. ИУС 4-1988).
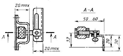
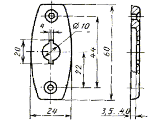
Ручки и накладки для врезных заверток

Черт. 8
Шурупы 1-4´25 или 3-4´25 по ГОСТ 1145-80 (2 шт.) для ручек, предназначаемых для комплектования заверток типов Р1, Р2, Р4.
(Поправка. ИУС 4-1988).
Винты ВМ4-6q´35.36 по ГОСТ 17474-80 (2 шт.) для ручек, предназначаемых для комплектования заверток типа ЗР3.
Тип Р2

Черт. 9
(Поправка. ИУС 5-1988).
(Поправка. ИУС 2-1990).
Накладка для ручки типа Р2

Черт. 10
Шурупы 1-4´25 или 3-4´25 по ГОСТ 1145-80 (2 шт.) - для накладки, предназначаемой для комплектования заверток типов ЗР2, ЗР4.
(Поправка. ИУС 4-1988).
Винты ВМ4-6q´35.36 по ГОСТ 17474-80 или ГОСТ 17475-80 (2 шт.) для накладки, предназначаемой для комплектования завертки типа ЗР3.
Примечание. При изготовлении накладки из листовой стали толщина металла не должна быть менее 1 мм.
Рекомендуемое
Прибор фрамужный типа ПФ1

Черт. 1
Прибор фрамужный типа ПФ2

Черт. 2
Фрамужный соединитель типа СФ

Черт. 3
Завертка врезная типа ЗР1

Черт. 4
СОДЕРЖАНИЕ