ГОСУДАРСТВЕННЫЙ СТАНДАРТ СОЮЗА ССР
ГОСТ 10181.1-81
СМЕСИ БЕТОННЫЕ
Методы определения удобоукладываемости
Concrete mixtures. Test methods for determination of workability.
Постановлением Государственного комитета СССР по делам строительства от 31 декабря 1980 г. № 228 срок введения установлен
с 01.01.82
СОДЕРЖАНИЕ
|
ОПРЕДЕЛЕНИЕ ЖЕСТКОСТИ БЕТОННОЙ СМЕСИ ТЕХНИЧЕСКИМ ВИСКОЗИМЕТРОМ ОПРЕДЕЛЕНИЕ ЖЕСТКОСТИ БЕТОННОЙ СМЕСИ В ФОРМАХ ДЛЯ ИЗГОТОВЛЕНИЯ БЕТОННЫХ ОБРАЗЦОВ
|
Настоящий стандарт распространяется на бетонные смеси, приготовленные на минеральных вяжущих, плотных и пористых заполнителях, и устанавливает методы определения их удобоукладываемости по показателям подвижности и жесткости.
1.1. Общие требования к методу определения удобоукладываемости бетонной смеси - по ГОСТ 10181.0-81.
2.1. Для проведения испытаний применяют:
конус (черт. 1);
прибор для определения жесткости (черт. 2);
лабораторную виброплощадку;
стальные линейки по ГОСТ 427-75;
кельму типа КБ по ГОСТ 9533-81;
прямой металлический гладкий стержень диаметром 16 мм, длиной 600 мм, с округленными концами;
загрузочную воронку;
гладкий металлический лист размерами не менее 700×700 мм.
2.2. Конус изготовляют из листовой стали. Внутренняя сторона конуса должна иметь гладкую поверхность, степень шероховатости которой не должна быть более Rz 40 мкм по ГОСТ 2789-73.
Конус для определения подвижности бетонной смеси
1 - ручка; 2 - корпус прибора; 3 - упоры; 4 - сварной шов
Черт. 1
|
Наименование конуса |
Внутренние размеры конуса, мм |
||
|
d |
D |
h |
|
|
Обычный |
100±1 |
200±1 |
300±1 |
|
Увеличенный |
150±1 |
300±1 |
450±1 |
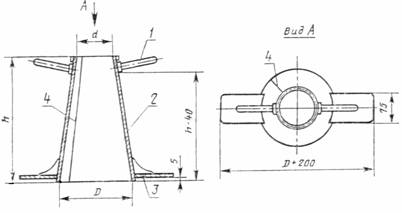
2.3. Цилиндрическое кольцо 1, конус 2 и воронку 4 прибора для определения жесткости изготовляют из листовой стали. Кольцо и конус должны иметь гладкую внутреннюю поверхность, степень шероховатости которой не должна быть более Rz 40 мкм по ГОСТ 2789-73. Диск 8, штангу 10 и шайбу 9 изготавливают из стали.
Общая масса диска, штанги и шайбы прибора должна составлять (2750 ± 50) г.
Виброплощадка должна иметь устройства, обеспечивающие при испытании жесткое крепление прибора к поверхности стола. Фланец цилиндрического кольца прибора должен плотно прилегать к поверхности стола виброплощадки для предотвращения вытекания цементного теста.
Примечание. При использовании виброплощадок с магнитным креплением прибора диск, шайба и штанга должны изготавливаться из не намагничиваемых материалов.
Прибор для определения жесткости бетонной смеси
1 - цилиндрическое кольцо с фланцем в основании; 2 - конус; 3 - кольцо-держатель с ручками; 4 - загрузочная воронка; 5 - штатив; 6 - направляющая втулка; 7 - фиксирующая втулка с зажимным винтом; 8 - диск с шестью отверстиями; 9 - стальная шайба; 10 - штанга.
Черт. 2
3.1. Определение подвижности бетонной смеси
3.1.1. Подвижность бетонной смеси характеризуется измеряемой в сантиметрах величиной осадки конуса ОК, отформованного из бетонной смеси.
3.1.2. Подвижность бетонной смеси с зернами заполнителя наибольшей крупности до 40 мм включительно определяют на приборе - обычном конусе.
Для определения подвижности бетонной смеси с зернами заполнителя наибольшей крупности свыше 40 мм следует использовать увеличенный конус.
Допускается использование обычного конуса для бетонной смеси с зернами заполнителя наибольшей крупности свыше 40 мм, если смесь предварительно просеяна через сито с ячейками размером 40 мм. Приведение результатов испытания таких проб к подвижности реального состава бетона производят с помощью градуировочной зависимости, устанавливаемой в соответствии с п.4 приложения 1.
3.1.3. Определение осадки конуса бетонной смеси производят в последовательности, приведенной ниже.
Каждый слой уплотняют штыкованием металлическим стержнем:
в обычном конусе 25 раз
в увеличенном конусе 56 раз
Конус во время наполнения и штыкования должен быть плотно прижат к листу.
3.1.3.3. После уплотнения бетонной смеси в конусе воронку снимают, и избыток смеси срезают кельмой вровень с верхними краями конуса.
3.1.3.5. Осадку конуса бетонной смеси определяют, укладывая металлическую линейку ребром наверх конуса и измеряя расстояние от нижней грани линейки до верха бетонной смеси с погрешностью до 0,5 см.
3.1.4. Если после снятия конуса бетонная смесь разваливается и приобретает форму, затрудняющую определение ее осадки, измерение не выполняют и испытание повторяют на новой пробе бетонной смеси, отобранной по ГОСТ 10181.0-81.
3.1.5. Величину осадки конуса бетонной смеси, определенную в увеличенном конусе, приводят к величине осадки обычного конуса умножением величины осадки бетона увеличенного конуса на переводной коэффициент 0,67.
3.1.6. Осадку конуса бетонной смеси определяют дважды. Общее время испытания с начала наполнения конуса бетонной смесью при первом определении и до момента измерения осадки конуса при втором определении не должно превышать 10 мин.
на 1 см при ОК
4 см;
на 2 см при ОК = 5-9 см;
на 3 см при ОК
10 см.
При большем расхождении результатов определение повторяют на новой пробе, отобранной по ГОСТ 10181.0-81.
3.1.8. Результаты испытания должны быть занесены в журнал, в котором указывают:
дату и время испытания;
место отбора пробы;
марку и вид бетона, изготовляемого из испытуемой смеси;
результаты частных испытаний;
среднеарифметический результат.
3.1.9. Если вычисленная в соответствии с указаниями, приведенными в п. 3.1.7, осадка конуса бетонной смеси будет равна нулю, смесь признают не обладающей подвижностью, и она должна характеризоваться жесткостью, определяемой в соответствии с требованиями, приведенными в п. 3.2.
3.2. Определение жесткости бетонной смеси
3.2.1. Жесткость бетонной смеси Ж характеризуется временем вибрации (в секундах), необходимых для выравнивания и уплотнения предварительно отформованного конуса бетонной смеси в приборе для определения жесткости.
3.2.2. Жесткость бетонной смеси с зернами заполнителя наибольшей крупностью до 40 мм включительно определяют на лабораторной виброплощадке, параметры которой приведены в п. 2.4.
3.2.3. Жесткость бетонной смеси определяют в последовательности, приведенной ниже.
3.2.4. Перед испытанием прибор и приспособления должны быть подготовлены согласно требованиям, приведенным в п. 3.1.3.1.
3.2.5. Прибор на виброплощадке устанавливают и собирают в следующем порядке: устанавливают и жестко закрепляют цилиндрическое кольцо прибора 1, в которое вставляют конус 2 и закрепляют его ручками 3, заводя их в пазы кольца, после чего устанавливают воронку 4.
3.2.6. Заполнение конуса прибора бетонной смесью, уплотнение ее и снятие конуса с отформованной смеси производят согласно пп. 3.1.3.2 - 3.1.3.4.
3.2.6. Поворотом штатива 5 диск 8 устанавливают над отформованным конусом бетонной смеси и плавно опускают его на поверхность конуса смеси. Штатив закрепляют в фиксирующей втулке 7 зажимным винтом.
3.2.7. Затем одновременно включают виброплощадку и секундомер и наблюдают за выравниванием и уплотнением бетонной смеси. Вибрирование производят до тех пор, пока не начнется выделение цементного теста из любых двух отверстий диска. В этот момент выключают секундомер и вибратор. Полученное время (в секундах) характеризует жесткость бетонной смеси.
3.2.9. Жесткость бетонной смеси вычисляют с округлением до 1 с как среднее арифметическое результатов двух определений жесткости из одной пробы смеси, отличающихся между собой не более чем на 20 %. При большем расхождении результатов определение повторяют на новой пробе, отобранной по ГОСТ 10181.0-81.
3.2.10. Для определения жесткости бетонной смеси допускается использование других приборов, точность и чувствительность которых удовлетворяет требованиям приложения 1. Для каждого прибора устанавливается градуировочная зависимость для приведения полученных результатов к показателю жесткости по стандартному методу в соответствии с этим приложением.
Приборы, применение которых допускается без построения градуировочных зависимостей с использованием усредненных переводных коэффициентов, приведены в рекомендуемых приложениях 2 и 3.
3.2.11. Результаты испытаний должны быть занесены в журнал, где указываются данные согласно требованиям, приведенным в п. 3.1.8.
1. Определение точности, чувствительности приборов, а также их градуировку для определения жесткости бетонной смеси проводят на двух составах, отличающихся жесткостью не менее чем на 10 с.
где V1 и V2 - коэффициенты вариации показателя жесткости двух испытанных составов, рассчитывается по формуле
, (2)
; (4)
Жij - результат определения показателя жесткости бетонной смеси в i - й пробе j-го состава (i=1 ...... 5, j=1,2);
- средний показатель жесткости бетонной смеси j - го состава;
Sj - среднеквадратическое отклонение показателя жесткости бетонной смеси j - го состава.
Точность проверяемого прибора признается удовлетворительной, если выполняется соотношение
(5)
где
и
- средние
коэффициенты вариации показателя жесткости при испытании проверяемым и
стандартным приборами рассчитанные по формуле (1)
где В1 и В2 - водосодержание бетонной смеси двух испытанных составов, л/м3.
Ж1 и Ж2 - средние показатели жесткости двух испытанных составов, рассчитанные по формуле (3).
Чувствительность проверяемого прибора признается удовлетворительной, если выполняется соотношение
(7)
где Хп и Хс - чувствительность проверяемого и стандартного приборов, рассчитанная по формуле (6).
4. Проверяемый прибор, удовлетворяющий требованиям пп. 2 и 3 настоящего приложения, градуируется путем установления зависимости между показателями жесткости по проверяемому и стандартному прибору следующего вида
Жс=Бо+Б1Жп (8)
Коэффициенты Бо и Б1 рассчитывают по формулам
; (9)
(10)
где
,
,
и
- средние значения
показателя жесткости двух испытанных составов бетонной смеси, определенные на
стандартном и проверяемом приборах и рассчитанные по формуле (3). Аналогичную методику следует использовать и для
сравнения приборов для определения подвижности бетонной смеси.
1. Определение жесткости бетонной смеси техническим вискозиметром (см. чертеж) производится при наибольшей крупности зерен заполнителя от 5 до 40 мм.
2. При определении жесткости бетонной смеси на виброплощадку, отвечающую требованиям п. 2.4 настоящего стандарта, устанавливают и закрепляют цилиндрический сосуд 1 вискозиметра. Затем в сосуд вставляют и закрепляют зажимами 3 цилиндрическое кольцо 2. В кольцо вставляют конус 4. На конус надевают кольцо-держатель 10, ручки которого заводят в пазы петель 11, затем устанавливают насадку 5.
3. Конус наполняют бетонной смесью на полную высоту с насадкой, предварительно уплотняя смесь штыкованием.
Окончательное уплотнение бетонной смеси в конусе производят вибрированием до тех пор, пока на поверхности смеси и из-под нижнего основания конуса начнется заметное выделение цементного клея. Время вибрирования должно быть не менее 5 и не более 30 с.
4. По окончании вибрирования насадку снимают, избыток смеси срезают металлической линейкой вровень с краями конуса, а затем снимают конус строго вертикально без перекосов.
5. Устанавливают на прибор штатив 9 с диском 8 и штангой 7 (масса диска со штангой должна быть в пределах 800 - 1000 г). Полностью освобождают зажимной винт 6 штанги и опускают диск на поверхность отформованного конуса бетонной смеси.
6. Одновременно включают виброплощадку и секундомер и наблюдают за опусканием штанги. Когда риска штанги совпадает с верхней плоскостью направляющей головки штатива, выключают секундомер и вибратор и отмечают время, прошедшее от момента включения вибратора до его выключения. Полученное время в секундах, умноженное на усредненный переводной коэффициент 0,45, характеризует жесткость бетонной смеси.
7. Для нанесения риски на штангу 7 проводят тарировочный опыт с бетонной смесью, имеющей показатель подвижности 1 - 2 см и заполнитель максимальной крупностью зерен 20 мм. Риску наносят на штанге на 5 мм ниже положения, отвечающего выровненной поверхности.
8. Испытание производят не менее двух раз в соответствии с пп. 3.2.8 и 3.2.9 настоящего стандарта.

1. Определение жесткости бетонной смеси в формах для изготовления контрольных образцов следует проводить:
при наибольшей крупности зерен заполнителя от 5 до 70 мм в формах размерами 200×200×200 мм по методу Скрамтаева с помощью металлического конуса, размер которого указан на чертеже приложения 2;
при наибольшей крупности зерен заполнителя от 5 до 20 мм - в формах размерами 100×100×100 мм с помощью прибора конструкции Красного массой (435±15) г (см. чертеж настоящего приложения).
2. При определении жесткости бетонной смеси формы для изготовления контрольных образцов должны быть закреплены на лабораторной виброплощадке, отвечающей требованиям п. 2.4 настоящего стандарта.
3. Для определения жесткости в формах размерами 200×200×200 мм в закрепленную на виброплощадке форму вставляют конус и заполняют его бетонной смесью, как указано в пункте 3.1.3.2. настоящего стандарта. Затем конус осторожно снимают и включают виброплощадку, одновременно включая секундомер. Вибрирование производят до тех пор, пока бетонная смесь не заполнит все углы формы, а поверхность ее не станет горизонтальной.
5. Жесткость бетонной смеси по пп. 3 и 4 определяют в соответствии с пп 3.2.8 и 3.2.9 настоящего стандарта.

