Нормативные документы размещены исключительно с целью ознакомления учащихся ВУЗов, техникумов и училищ.
Объявления:

ГОСУДАРСТВЕННЫЙ СТАНДАРТ СОЮЗА ССР

МАТЕРИАЛЫ ПОЛИМЕРНЫЕ РУЛОННЫЕ
И ПЛИТОЧНЫЕ ДЛЯ ПОЛОВ

МЕТОД ОПРЕДЕЛЕНИЯ ЗВУКОИЗОЛИРУЮЩИХ СВОЙСТВ

ГОСТ 24210-80

ГОСУДАРСТВЕННЫЙ КОМИТЕТ СССР ПО ДЕЛАМ СТРОИТЕЛЬСТВА

Москва

РАЗРАБОТАН Научно-исследовательским институтом строительной физики Госстроя СССР

ИСПОЛНИТЕЛИ

С.А. Костарев, канд. техн. наук (рук. темы); А.А. Климухин, канд. техн. наук; М.П. Кораблин

ВНЕСЕН Научно-исследовательским институтом строительной физики Госстроя СССР

Директор В.А. Дроздов

УТВЕРЖДЕН И ВВЕДЕН В ДЕЙСТВИЕ Постановлением Государственного комитета СССР по делам строительства от 28 апреля 1980 г. № 59

ГОСУДАРСТВЕННЫЙ СТАНДАРТ СОЮЗА ССР

МАТЕРИАЛЫ ПОЛИМЕРНЫЕ РУЛОННЫЕ И ПЛИТОЧНЫЕ ДЛЯ ПОЛОВ

Метод определения звукоизолирующих свойств

Soft and tile materials for floor covering. Procedure for determining sound-insulation properties

ГОСТ
24210-80

Постановлением Государственного комитета СССР по делам строительства от 28 апреля 1980 г. № 59 срок введения установлен

с 01.01 1981 г.

Настоящий стандарт распространяется на все виды одно- и многослойных полимерных рулонных и плиточных материалов, предназначенных для устройства полов в помещениях жилых и общественных зданий и укладываемых непосредственно по несущей плите перекрытия.

Стандарт устанавливает метод определения звукоизолирующих свойств рулонных и плиточных покрытий полов (в дальнейшем - покрытия) в лабораторных условиях.

1. ОБЩИЕ ПОЛОЖЕНИЯ

1.1. Сущность метода заключается в измерении приведенных уровней ударного шума под плитой перекрытия с покрытием Lп и без него Lпо с последующим определением индекса снижения приведенного уровня ударного шума DIу.

1.2. Испытания звукоизолирующих свойств покрытий следует проводить в испытательных (реверберационных) помещениях, которые должны удовлетворять требованиям ГОСТ 15116-79.

1.3. Испытания звукоизолирующих свойств покрытий следует проводить на железобетонной плите перекрытия, изготовленной из тяжелого бетона, удовлетворяющей техническим требованиям ГОСТ 12767-67. Толщина плиты перекрытия, на которой проводятся испытания покрытий, должна быть 140 или 160 мм. Отклонение поверхности плиты по неплоскостности не должно превышать ± 1 мм на участке длиной 200 мм по горизонтали.

1.4. Площадь плиты перекрытия, на которой проводятся испытания покрытий, должна быть не менее 10 м2. Минимальная ширина плиты перекрытия - 2,8 м. Плита перекрытия должна полностью перекрывать проем между помещением высокого уровня (ПВУ) шума и помещением низкого уровня (ПНУ) шума.

1.5. При проведении испытаний образцы покрытий должны укладываться на плиту перекрытия.

1.6. Температура воздуха в ПВУ и ПНУ должна быть в пределах 20 ± 2 °С, а относительная влажность воздуха - 60 ± 5 %.

2. МЕТОД ОТБОРА ОБРАЗЦОВ

2.1. Испытания по определению звукоизолирующих свойств покрытий должны проводиться на образцах материалов, изготовленных по одной и той же технологии, из одних и тех же составляющих, одного завода-изготовителя и удовлетворяющих всем физико-механическим требованиям стандартов или технических условий.

2.2. Испытания материалов, укладываемых насухо, следует проводить на трех образцах размерами 1´1 м, отобранных из разных партий.

2.3. Испытания материалов с приклейкой следует проводить на трех образцах размерами 1´3 м, отобранных из разных партий. Каждый из образцов перед приклеиванием на плиту перекрытия разрезают на три части размерами 1´1 м и считают их за один образец.

3. АППАРАТУРА

3.1. Определение звукоизолирующих свойств покрытий должно проводиться с помощью аппаратуры для создания и измерения шума по ГОСТ 15116-79.

3.2. Аппаратура должна иметь действующие свидетельства о государственной проверке по ГОСТ 8.002-71.

4. ПОДГОТОВКА К ИСПЫТАНИЯМ

4.1. Перед проведением испытаний образцы должны быть выдержаны в помещении при температуре 20 ± 2 °С не менее 3 ч в раскатанном состоянии.

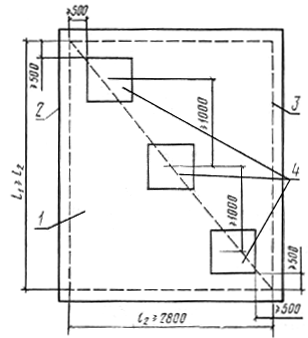
4.2. Каждый из трех образцов, укладываемых насухо, испытывается последовательно в трех положениях на плите перекрытия. Схема расположения образцов показана на черт. 1.

4.3. При испытании материалов с приклеиванием три образца, разрезанных на девять частей размерами 1´1 м, должны быть приклеены к перекрытию в разных его частях. Схема расположения частей испытываемых образцов показана на черт. 2.

1 - перекрытие; 2 - край перекрытия между помещением высокого уровня и помещением низкого уровня; 3 - край проема перекрытия; 4 - положение образцов

Черт. 1

1 - перекрытие; 2 - край перекрытия между помещением высокого уровня и помещением низкого уровня; 3 - край проема перекрытия; 4 - положение частей образцов

Черт. 2

В случае, если площадь плиты перекрытия недостаточна для одновременной приклейки девяти частей размерами 1´1 м, допускается уменьшение их размеров до 0,6´0,8 м.

4.4. При приклеивании покрытий к плите перекрытия необходимо выполнять инструкции завода-изготовителя по нанесению клеющего состава в части количества наносимого материала и периода его твердения на воздухе.

5. ПРОВЕДЕНИЕ ИСПЫТАНИЙ

5.1. Для определения индекса снижения приведенного уровня ударного шума покрытиями полов DIу следует измерять приведенный уровень ударного шума под плитой перекрытия без покрытия Lпо и с покрытием Lп в каждой третьоктавной полосе частот по ГОСТ 15116-79.

5.2. При проведении измерений приведенного уровня ударного шума под плитой перекрытия без покрытия Lпо ударную машину следует устанавливать последовательно в местах, предназначенных для укладки образцов покрытия или их частей.

5.3. При проведении испытаний ударную машину следует устанавливать на образце (укладываемом насухо или приклеиваемом) так, чтобы молотки располагались не ближе 20 см от его кромок, а линия, проходящая через центры молотков (места ударов), была параллельна кромке образца.

5.4. Испытания следует начинать только после стабилизации уровня ударного шума в помещении под перекрытием.

5.5. При проведении измерений приведенного уровня ударного шума под перекрытием с испытываемым покрытием Lп, укладываемым насухо, ударную машину следует устанавливать на образец, который укладывается на перекрытии в трех последовательных положениях (см. п. 4.2).

5.6. При проведении измерений приведенного уровня ударного шума под перекрытием с приклеенным покрытием Lп ударную машину следует устанавливать последовательно на каждый образец (см. п. 4.3).

5.7. При испытании образцов, приклеенных к плите перекрытия, измерения надо начинать сразу после окончания периода твердения клеющего состава, указанного в инструкции завода-изготовителя.

5.8. Измерения приведенного уровня ударного шума под перекрытием без покрытия Lпо и для каждого образца покрытия Lп следует проводить три раза.

6. ОБРАБОТКА РЕЗУЛЬТАТОВ

6.1. Приведенный уровень ударного шума под перекрытием без покрытия Lпо в дБ следует определять как среднее арифметическое значение результатов трех измерений.

6.2. Приведенный уровень ударного шума под перекрытием с рулонным или плиточным покрытием в третьоктавных полосах частот Lп в дБ следует определять по формуле

                                                        (1)

где  - среднее арифметическое значение приведенного уровня ударного шума под перекрытием с покрытием, полученное по результатам испытаний трех образцов, измеренных три раза;

Lп i - приведенный уровень ударного шума под перекрытием с покрытием, полученный при испытании одного образца, измеренного один раз;

 - среднее квадратическое отклонение результатов измерений приведенного уровня ударного шума под перекрытием с рулонным или плиточным покрытием;

ta(n) = 1,4 - критерий Стьюдента при доверительной вероятности a = 0,8;

n = 9 - количество результатов измерений (три образца, измеренных три раза).

6.3. Снижение приведенного уровня ударного шума в результате укладки рулонного или плиточного покрытия в третьоктавных полосах частот  в дБ следует определять по формуле

                                                          (2)

где Lпо - приведенный уровень ударного шума под перекрытием без рулонного или плиточного покрытия в третьоктавных полосах частот, дБ;

Lп - приведенный уровень ударного шума под перекрытием с покрытием в третьоктавных полосах частот, дБ.

При этом в качестве расчетных величин частотной характеристики снижения приведенного уровня ударного шума DL следует принимать округленные до целого числа децибел его значения.

6.4. Индекс снижения приведенного уровня ударного шума за счет рулонного или плиточного покрытия  в дБ следует определять по формуле

                                                           (3)

где Dу - поправка, дБ.

6.5. Поправку Dу следует определять путем сравнения полученной частотной характеристики снижения приведенного уровня ударного шума под перекрытием за счет покрытия DL с нормативной частотной характеристикой снижения приведенного уровня ударного шума DLн, указанной в таблице.

Частота, Гц

100

125

160

200

250

320

400

500

630

800

1000

1250

1600

2000

2500

3200

DLн, дБ

2

2,5

3

3,5

4

4,5

6

7,5

9

10,5

12

15

18

21

24

27

6.6. Для вычисления поправки Dу необходимо построить график с нормативной частотной характеристикой снижения приведенного уровня ударного шума DLн и нанести на него полученную частотную характеристику снижения приведенного уровня ударного шума под перекрытием с покрытием DL. Пример построения графика дан в справочном приложении 1. Затем определить среднее неблагоприятное отклонение рассчитанной частотной характеристики DL от нормативной DLн, как разность DLн - DL в дБ.

Неблагоприятным отклонением следует считать отклонение вниз от нормативной частотной характеристики. Среднее неблагоприятное отклонение следует принимать равным 1/16 суммы всех неблагоприятных отклонений.

Если среднее неблагоприятное отклонение максимально приближается, но не превышает 2 дБ, а максимальное неблагоприятное отклонение не превышает 8 дБ, то поправка Dу = 0 дБ.

Если среднее неблагоприятное отклонение превышает 2 дБ или максимальное неблагоприятное отклонение превышает 8 дБ, нормативная частотная характеристика смещается вниз на целое число децибел так, чтобы среднее и максимальное неблагоприятные отклонения от смещенной нормативной частотной характеристики не превышали указанных величин. В этом случае поправка Dу отрицательна и равна величине смещения нормативной частотной характеристики.

Если среднее неблагоприятное отклонение значительно меньше 2 дБ или неблагоприятные отклонения отсутствуют, нормативная частотная характеристика смещается вверх на целое число децибел так, чтобы среднее неблагоприятное отклонение от смещенной нормативной частотной характеристики максимально приближалось, но не превышало 2 дБ, а максимальное неблагоприятное отклонение не превышало 8 дБ.

В этом случае поправка Dу положительная и равна величине смещения нормальной частотной характеристики.

Пример вычисления индекса снижения приведенного уровня ударного шума за счет рулонного покрытия DIу указан в таблице справочного приложения 2.

7. ПРЕДСТАВЛЕНИЕ РЕЗУЛЬТАТОВ

7.1. Результаты испытаний оформляются протоколом, в котором следует указать:

а) наименование организации и лаборатории, в которой проведены данные измерения;

б) должность и фамилия лиц, проводивших измерения;

в) дату проведения измерений;

г) толщину железобетонной плоской сплошной панели перекрытия, на которой проводились измерения;

д) покрытие (наименование материала и название нормативного документа, по которому изготовлен указанный материал);

е) характеристика образцов (размер, масса 1 м2, толщина общая и по слоям и др.);

ж) метод укладки покрытия, вид клеющего состава, расход клеющего состава на единицу площади и время его твердения на воздухе;

з) тип ударной машины;

и) значение индекса снижения приведенного уровня ударного шума под перекрытием за счет покрытия DIу в дБ.

ПРИЛОЖЕНИЕ 1
Справочное

Построение графиков нормативной частотной характеристики приведенного уровня ударного шума DLн и частотной характеристики приведенного уровня ударного шума, рассчитанной по результатам проведенных измерений, DL

1 - график нормативной частотной характеристики снижения приведенного уровня ударного шума DLн, дБ; 2 - график рассчитанный по результатам измерений частотной характеристики снижения приведенного уровня ударного шума, DL, дБ

ПРИЛОЖЕНИЕ 2
Справочное

Обработка результатов измерений изоляции ударного шума поливинилхлоридного теплозвукоизолирующего линолеума (по графику справочного приложения 1)

Характеристика, дБ

Средние частоты 1/3 - октавных полос, Гц

100

125

160

200

250

315

400

500

630

800

1000

1200

1600

2000

2500

3200

Lпо

67,4

70,6

73,8

75,1

72,0

73,4

74,9

74,9

74,4

75,9

76,6

77,0

77,1

76,3

75,9

74,9

Lп

71,0

69,2

73,2

72,2

68,9

68,4

68,7

66,5

61,9

59,7

55,3

48,7

42,0

34,7

32,4

31,1

-3,6

1,4

0,6

2,9

1,1

5,0

6,2

8,4

12,5

16,2

21,3

28,3

35,1

41,6

43,5

43,8

DL

-4,0

1,0

1,0

3,0

1,0

5,0

6,0

8,0

13,0

16,0

21,0

28,0

35,0

42,0

44,0

44,0

DLн

2,0

2,5

3,0

3,5

4,0

4,5

6,0

7,5

9,0

10,5

12,0

15,0

18,0

21,0

24,0

27,0

DLн - DL

-6,0

-1,5

-2,0

-0,5

-3,0

0,5

0,0

0,5

4,0

5,5

9,0

13,0

17,0

21,0

20,0

17,0

Сумма неблагоприятных отклонений

Среднее неблагоприятное отклонение

Смещаем нормативную кривую на 2 дБ вверх

4,0

4,5

5,0

5,5

6,0

6,5

8,0

9,5

11,0

12,5

14,0

17,0

20,0

23,0

26,0

29,0

-8,0

-3,5

-4,0

-2,5

-5,0

-1,5

-2,0

-1,5

2,0

3,5

7,0

11,0

15,0

19,0

18,0

15,0

Сумма неблагоприятных отклонений

Среднее неблагоприятное отклонение

Дальнейшее смещение нормативной кривой хотя бы на 1 дБ приведет к условию: сумма неблагоприятных отклонений и среднее неблагоприятное отклонение будут превышать допустимые значения, равные -32 дБ, -2 дБ, следовательно Dу = +2 (дБ)

DIу = 15 + Dу = 17 (дБ)

СОДЕРЖАНИЕ

1. ОБЩИЕ ПОЛОЖЕНИЯ

2. МЕТОД ОТБОРА ОБРАЗЦОВ

3. АППАРАТУРА

4. ПОДГОТОВКА К ИСПЫТАНИЯМ

5. ПРОВЕДЕНИЕ ИСПЫТАНИЙ

6. ОБРАБОТКА РЕЗУЛЬТАТОВ

7. ПРЕДСТАВЛЕНИЕ РЕЗУЛЬТАТОВ

ПРИЛОЖЕНИЕ 1 Справочное Построение графиков нормативной частотной характеристики приведенного уровня ударного шума DLн и частотной характеристики приведенного уровня ударного шума, рассчитанной по результатам проведенных измерений, DL

ПРИЛОЖЕНИЕ 2 Справочное Обработка результатов измерений изоляции ударного шума поливинилхлоридного теплозвукоизолирующего линолеума (по графику справочного приложения 1)

 

2008-2013. ГОСТы, СНиПы, СанПиНы - Нормативные документы - стандарты.