
ГОСУДАРСТВЕННЫЙ СТАНДАРТ СОЮЗА ССР
___________________________________________________________
СТЕКЛО ЛИСТОВОЕ
ТЕХНИЧЕСКИЕ УСЛОВИЯ
ГОСТ 111—90 (СТ СЭВ 5447-85)
Издание официальное
ГОСУДАРСТВЕННЫЙ СТАНДАРТ СОЮЗА ССР
___________________________________________________________
СТЕКЛО ЛИСТОВОЕ ГОСТ
Технические условия 111-90
Polished glass. Specifications (CT СЭВ 5447—85)
ОКП 59 1-1100
___________________________________________________________
Дата введения 01.01.92
Настоящий стандарт распространяется на листовое стекло (далее—стекло), предназначенное для остекления светопрозрачных конструкций, изделий остекления средств транспорта, а также мебели, зеркал и других изделии технического и бытового назначения.
Стандарт не распространяется на армированное, узорчатое, цветное, теплопоглощающее стекло и другие виды листовых стекол со специальными свойствами.
1. ТЕХНИЧЕСКИЕ ТРЕБОВАНИЯ
1.1. Основные параметры и размеры
1.1.1. Стекло должно изготовляться в соответствии с требованиями настоящего стандарта по технологической документации, утвержденной в установленном порядке.
1.1.2. Стекло в соответствии с его назначением и регламентируемыми свойствами подразделяют на марки, указанные в табл. 1.
Таблица 1
|
Марка стекла |
Толщина стекла, мм |
Условное наименование |
Рекомендуемая область применения |
|
М1 |
2,0-6,0 |
Зеркальное улучшенное |
Изготовление высококачественных зеркал, встроенных стекол легковых автомобилей |
Продолжение таблицы 1
|
Марка стекла |
Толщина стекла, мм |
Условное наименование |
Рекомендуемая область применения |
|
М2 |
2,0-6,0 |
Зеркальное |
Изготовление зеркал массового применения, безопасных стекол средств транспорта |
|
М3 |
2,0-6,0 |
Техническое полированное |
Изготовление декоративных зеркал, изделий для мебели, безопасных стекол средств транспорта |
|
М4 |
2,0-6,0 |
Оконное полированное |
Высококачественное остекление светопрозрачных конструкций, изготовление изделий для мебели, безопасных стекол средств транспорта |
|
М5 |
2,0-6,0 |
Оконное неполированное улучшенное |
Остекление светопрозрачных конструкций. изготовление изделий для мебели, безопасных стекол сельскохозяйственных машин и тихоходного транспорта |
|
М6 |
2,0-6,0 |
[Оконное неполированное |
Остекление светопрозрачных конструкций |
|
М7 |
6,5-12,0 |
Витринное полированное |
Высококачественное остекление витрин, витражей |
|
М8 |
6,5-12,0 |
Витринное неполированное |
Остекление витрин, витражей, фонарей |
Примечание. Стекло марки M8 допускается выпускать до 01 .01.96.
1.1.3. Стекло изготовляют и поставляют с размерами по спецификации потребителя (твердые размеры—ТР).
При отсутствии спецификации допускается изготовление и поставка стекол в заводском ассортименте размеров (свободные размеры—СВР).
1.1.4.Толщина, предельные отклонения по толщине и разнотолщин-
ность одного и того же листа стекла должны соответствовать указанным в табл. 2.
Таблица 2
ММ
|
Толщина марок |
Пред. откл. по толщине стекла марок |
Разтолщинность стекла марок |
||||
|
|
М1-М3 |
М4-М6 |
М7, М8 |
М1-М3 |
М4-М6 |
М7, М8 |
|
2,0 2,5 3,0 3,5 |
+0,2 |
+0,2 |
__ |
0,1 |
0,2 |
__ |
|
4,0 5,0 6,0 |
+0,2 |
+0,2 -0,4 |
__ |
0,2 |
0,3 |
__ |
|
6,5 7,0 8,0 10,0 12,0
|
__ |
__ |
+0,4 -0,5 |
__ |
__ |
0,5 |
Примечания:
1. Стекло марок M1, M2, М3 толщиной 4,0—6,0 мм по согласованию изготовителя с потребителем допускается выпускать с другими предельными отклонениями по толщине.
2. Стекло марок М5, M6 толщиной 5 и 6 мм допускается выпускать с разнотолщинностыо 0,4 мм, стекло марок М7, M8 толщиной 10 и 12 мм—с разнотолщинностью 0,7 мм.
3. Стекло марок M5 и M6 переходных толщин (СВР) от 4,3 до 4,5 мм относят к стеклу толщиной 4,0 мм; от 5,3 до 5,5—к стеклу толщиной 5,0 мм.
1.1.5. Ширина и длина стекла, а также предельные отклонения размеров стекла ТР должны соответствовать указанным в табл. 3.
Таблица 3
ММ
|
Толщина |
Максимальная |
Пред. откл. размеров при длине кромок |
|
|
|
ширина и длина |
до 1000 |
св. 1000 |
|
2,0 2,5 |
1000Х1600 |
+ 2 |
+ 3 |
|
3,0 3,5 |
1300Х2000 |
+ 2 |
+ 3 |
|
4,0 5,0 6,0 |
1600Х2500 |
+ 3 |
+ 4 |
|
Св.6,0 до12,0 включ. |
3000Х6000 |
+ 3 |
+ 4 |
Примечание. Минимальные размеры стекол - 400Х500 мм.
Предельные отклонения размеров стекла СВР по длине и ширине не должны превышать для стекол толщиной до 3 мм... +10; —5 мм, а для стекол толщиной св. 3 мм... +20; —5 мм.
1.1.6. Условное обозначение стекла должно состоять из обозначения марки, категории размеров, ширины, длины и толщины стекла и обозначения настоящего стандарта.
Пример условного обозначения листового стекла марки M1 твердых размеров шириной 1200 мм, длиной 1800 мм и толщиной 4 мм:
Стекло листовое M1—ТР—]200х 1800х4 ГОСТ 111—90 или
Стекло ЛM1—ТР ГОСТ 111—90 1200х1800х4
Пример условного обозначения листового стекла марки М6 свободных размеров шириной 1300 мм, длиной 2000 мм и толщиной 3 мм:
Стекло листовое M6—СВР— 300х2000х3 ГОСТ 111—90 или
Стекло ЛМ6—СВР ГОСТ 111—90 1300х2000х3
1.2. Характеристики
1.2.1. Стекло должно иметь прямоугольную форму. Разность длин диагоналей не должна превышать значений, указанных в табл. 4.
Таблица 4
ММ
|
Длина |
Разность длин диагоналей стекла толщиной |
|||
|
диагоналей |
от 2,0 до 4,0 включ. марок |
от 5,0 и более марок |
||
|
|
М1-М4 |
М5, М6 |
М1-М4 |
М5, М6 |
|
До 1600 |
3 |
5 |
4 |
7 |
|
Св.1600 до 2500 |
5 |
7 |
7 |
7 |
|
» 2500 » 3200 |
— |
7 |
7 |
7 |
|
» 3200 |
— |
— |
7 |
7 |
1.2.2. Стекло должно иметь ровные кромки и целые углы (отламываться по линии нaдрезa, не paстрескиваясь).
Щербление края стекла, сколы, выступы края стекла и повреждение углов (по биссектрисе) не должны превышать предельных отклонений размеров по ширине и длине.
1.2.3. Расстояние между пороками (сосредоточенность) и общее количество допускаемых неразрушающих пороков всех видов на 1 м2 стекла должны соответствовать значениям, указанным в табл. 5.
По показателям внешнего вида (порокам) стекло марок M1, М2, М3 должно соответствовать требованиям ТУ 21—0284503—112, марки М4—приложению 1, марок M5—M8—приложению 2.
Таблица 5
|
Наименование |
Норма ограничения для стекла марок |
|
|||||
|
показателя |
М1 |
М2 |
М3 |
М4, М7 |
М5, М8 |
М6 |
|
|
Расстояние между пороками, мм, не менее |
300 |
150 |
100 |
50 |
— |
— |
|
|
Количество допускаемых пороков на 1 м2,не более |
4 |
6 |
9 |
12 |
15 |
20 |
|
Примечания:
1. Разрушающих пороки не допускаются.
2. При уменьшения размеров или количества допускаемых пороков сосредоточенность пропорционально уменьшается.
1.2.4. Оптические искажения должны соответствовать требованиям, указанным в табл. 6.
Таблица 6
|
Наименование |
Толщина, мм |
Норма ограничения для стекол марок |
||||
|
показателя |
|
М1 |
М2 |
М3 |
М4, М7 |
М5, М6,М8 |
|
Оптические искажения, |
|
Не допускается искажения полос экрана: |
||||
|
видимые в проходящем |
|
«зебра» |
«кирпичная стена» |
|||
|
свете |
|
под углом, град., |
||||
|
|
|
менее или равным: |
более или равныым: |
|||
|
|
2,0; 2,5 |
40 |
30 |
20 |
|
|
|
|
От 3,0 |
|
|
|
|
|
|
|
до 6,0 |
50 |
40 |
20 |
60 |
90 |
|
|
От 6,5 До 12,0 |
— |
|
|
||
|
Оптические искажения, видимые в отраженном свете |
— |
Не допускаются отклонения показа- теля отраженного растра, мм, более*: |
— |
|||
|
|
|
4 |
7 |
15 |
|
|
______________
* Для стекла СВР в крае листа на расстоянии не более 100 мм от кромки не нормируют.
Примечание. К оптическим искажениям не относят искажения полос экрана, вызываемые пороками стекла.
1.2.5. Коэффициент направленного пропускания света должен соответствовать значениям, указанным в табл. 7.
Таблица 7
|
Толщина, мм |
Коэффициент направленного пропускания света, не менее, текла марок |
|
|
|
М1, М2 |
М3-М8 |
|
2,0 |
0,89 |
0,87 |
|
2,5 |
0,89 |
0,87 |
|
3,0 |
0,89 |
0,86 |
|
3,5 |
0,88 |
0,85 |
|
4,0 |
0,88 |
0,85 |
|
5,0 |
0,88 |
0,84 |
|
6,0 |
0,87 |
0,84 |
|
6,5 |
— |
0,83 |
|
7,0 |
— |
0,83 |
|
8,0 |
— |
0,81 |
|
10,0 |
— |
0,79 |
|
11,0 |
— |
0,76 |
|
12,0 |
— |
0,75 |
1.2.6. Водостойкость стекла марок M5, М6 не должна быть ниже класса 4/98.
1.2.7. Величина остаточных внутренних напряжении стекла марок M5, M6 не должна превышать 100 нм/см.
1.3. Маркировка и упаковка
1.3.1. Поверхность каждого листа стекла марок M1, М2, не бывшую в контакте с расплавом олова, помечают любым способом, не повреждающим стекло.
1.3.2. При упаковывании листы стекла марок M1—М4, М7 должны быть переложены прокладочными материалами. В качестве прокладочного материала применяют бумагу по ГОСТ 16711, ГОСТ 8273 (кроме марок Ж и Е) или другой вид бумаги, не содержащей царапающих включений. По согласованию изготовителя с потребителем допускается применять порошковые материалы, прокладки на основе полимеров и другие материалы, на содержащие абразивные включения и обеспечивающие защиту стекла от коррозии и механических повреждений.
Стекло других марок также допускается перекладывать указанными материалами.
1.3.3. Листы стекла упаковывают в дощатые ящики по ГОСТ 4295, специализированные контейнеры для листового стекла, ящичные специализированные поддоны и пакетирующие кассеты для витринного стекла по нормативно-технической документации, утвержденной в установленном порядке, транспортные многооборотные пакеты по ТУ 21—РСФСР—60 и пакеты, сформированные из уголков для пакетирования стекла по ТУ 21 УССР 403 и ТУ 21—23/23—07.
1.3.4. В каждую стопу стекла контейнера или ящика устанавливают листы стекла одной марки, одного размера и толщины.
Листы устанавливают так, чтобы исключалась возможность смещения отдельных листов стекла относительно стопы. Между стопами стекла в контейнере устанавливают предохранительные вставные перегородки (деревянные, из гофрированного картона и др.).
1.3.5. Пространство между стопами стекла и стенками ящиков должно быть заполнено уплотняющим материалом.
В качестве уплотняющего прокладочного материала в ящиках используется древесная стружка по ГОСТ 5244 или изоляционные древесно-волокнистые плиты по ГОСТ 4598, или гофрированный картон по ГОСТ 7376.
1.3.6. При упаковывании стекла марок М1—М4, М7 специализированный контейнер стопу стекла сверху закрывают бумагой по ГОСТ 515, ГОСТ 8828 (кроме марок Ж и Е).
При упаковывании стекла марок М1—М4, М7 в ящик между стопой стекла и стружкой по всей поверхности стекла прокладывают бумагу по ГОСТ 16711, ГОСТ 8273 (кроме марок Ж и Е), края нижнего и верхнего листов заворачивают, образуя пакет.
По согласованно изготовителя с потребителем допускается не упаковывать в пакет листы стекла площадью более 1 м2
Стекло других марок допускается упаковывать указанным способом.
1.3.7. В каждый контейнер должен быть вложен или наклеен ярлык, в котором указывают:
наименование и/или товарный знак предприятия-изготовителя; условное обозначение стекла;
количество листов стекла в шт. и/или м2;
номер или фамилию упаковщика;
дату упаковки.
1.3.8. Стекла, отправляемые в районы Крайнего Севера и труднодоступные районы СССР, упаковывают в ящики по ГОСТ 4295, в универсальные и специализированные контейнеры по нормативно-технической документации, утвержденной в установленном порядке.
1.3.9. Каждую партию листов стекла сопровождают документом о качество, в котором указывают:
наименование и/или товарный знак предприятия-изготовителя; условное обозначение стекла;
количество листов стекла в шт. и/или м2;
количество контейнеров и ящиков;
номер и дату составления документа.
1.3.10. Маркировка на ящиках должна содержать манипуляционные знаки, означающие «Осторожно, хрупкое!», «Верх, не кантовать», «Боится сырости» по ГОСТ 14192 и следующие данные:
наименование или товарный знак предприятия-изготовителя;
условное обозначение стекла (в одну или несколько строк на одной или разных стенках ящика);
количество листов стекла в шт. и/или м2;
маркировку, характеризующую тару, по ГОСТ 14192.
2. ПРИЕМКА
2.1. Приемку стекла на соответствие требованиям настоящего стандарта производят партиями. Партией считают количество стекла, оформленное одним документом о качестве.
При поставке стекла СВР в партии допускается листов площадью до 0,5 м2 не более 10%, св. 1,0м2—не менее 10%.
2.2.Стекло подвергают приемосдаточным испытаниям по пп. 1.1.4, 1.1.5, 1.2.1—1.2.4 и периодическим испытаниям но пп. 1.2.5—1.2.7.
2.3. Приемосдаточные испытания
2.3.1. Проверка партии листов стекла на соответствие требованиям пп. 1.1.4, 1.1.5, 1.2.1—1.2.3 должна проводиться по двухступенчатому плану контроля по ГОСТ 18242.
2.3.2. Объем выборки в зависимости от объема партии для первой и второй ступеней плана контроля, а также число дефектных изделий приведены в табл. 8.
Таблица 8
|
Объем |
Ступень |
Объем |
Общий |
Число дефектных листов стекла марок |
|||||
|
партии |
плана |
выбор- |
объем |
М1, М2 |
М3, М4, М7 |
М5, М6, М8 |
|||
|
шт. |
конт- роля |
ки шт. |
Выбор- ки, шт. |
Прие- моч- ное число |
Брако- воч- ное число |
Прие моч- ное число |
Брако- воч- ное число |
Прие- моч- ное число |
Брако воч- ное число |
|
От 6 до 90 включ. |
1 2 |
3 3 |
3 6 |
0 1 |
2 2 |
0 1 |
2 2 |
0 1 |
2 2 |
|
Св. 90 » 150 » |
1 2 |
5 5 |
5 10 |
0 1 |
2 2 |
0 1 |
2 2 |
0 3 |
3 4 |
|
» 150 » 280 » |
1 2 |
8 8 |
8 16 |
0 1 |
2 2 |
0 3 |
3 4 |
1 4 |
4 5 |
|
» 280 » 500 » |
1 2 |
13 13 |
13 26 |
0 3 |
3 4 |
1 4 |
4 5 |
2 6 |
5 7 |
|
» 500 » 1200 » |
1 2 |
20 20 |
20 40 |
1 4 |
4 5 |
2 6 |
5 7 |
3 8 |
7 9 |
|
» 1200 » 3200 » |
1 2 |
32 32 |
32 64 |
2 6 |
5 7 |
3 8 |
7 9 |
5 12 |
9 13 |
|
» 3200 » 10000 » |
1 2 |
50 50 |
50 100 |
3 8 |
7 9 |
5 12 |
9 13 |
7 18 |
11 19 |
2.3.3. Партию листов стекла считают принятой, если число дефектных листов в выборке меньше или равно приемочному числу, указанному в табл. 8 для первой ступени плана контроля, и бракуют, если число дефектных листов больше или равно браковочному числу.
Если число дефектных листов в первой выборке больше приемочного, 110 меньше браковочного числа, следует отобрать от той же партии выборку объемом, указанным в табл. 8 для второй ступени плана контроля, и повторить испытания по всем контролируемым показателям, указанным в п. 2.3.1.
После повторной проверки показателей партию листов стекла считают принятой, если суммарное число дефектных листов в выборках для первой и второй ступеней плана контроля меньше или равно приемочному числу, указанному для второй ступени, и считают непринятой, если это суммарное число дефектных листов равно или больше браковочного числа, указанного в табл. 8 для второй ступени плана контроля.
2.3.4. Для проверки оптических искажений (п. 1.2.4) из партии составляют выборку из числа листов, принятых по п. 2.3.1, объемом, указанным и табл. 9.
Таблица 9
|
Объем партии |
Объем выборки |
|
До 90 включ |
2 |
|
Св. 20 до 500 |
3 |
|
» 500 » 3000 |
5 |
|
» 3000 |
8 |
Партию считают принятой, если все листы соответствуют требованиям п. 1.2.4. При несоответствии хотя бы одного листа требованиям п. 1.2.4, проводят повторную проверку по этому показателю на удвоенном количестве листов. При получении неудовлетворительных результатов повторной проверки более чем на одном листе партию считают непринятой.
2.4. Периодические испытания приходят одни раз в год и при изменении технологии.
2.4.1. Коэффициент направленного пропускания света (п. 1.2.5) и водостойкость (п. 1.2.6) определяют на трех образцах; величину остаточных внутренних напряжений (п. 1.2.7) —па пяти образцах.
При получении неудовлетворительных результатов проводят повторные испытания на удвоенном количестве образцов.
Результаты повторных испытаний распространяют на всю партию.
При получении неудовлетворительных результатов повторных испытаний партию бракуют и переводят испытания по данному
показателю в приемосдаточные до получения положительных результатов не менее чем на двух партиях подряд.
2.5. На предприятии-изготовителе допускается устанавливать объем партии и проводить испытания па соответствие требованиях пп. 1.1.4. 1.1.5, 1.2.1—1.2.4 по технологической документации, утвержденной в установленном порядке.
2.6. Потребитель имеет право производить приемку стекла, соблюдая при этом правила приемки и применяя методы испытаний, установленные в настоящем стандарте.
3. МЕТОДЫ ИСПЫТАНИЯ
3.1. Длину и ширину листов стекла, а также длину их диагоналей измеряют металлической рулеткой по ГОСТ 7502 или другим мерительным инструментом с ценой деления не более 1 мм.
3.2. Толщину стекла измеряют микрометром по ГОСТ 6507 с ценой деления не более 0,01 мм в середине каждой стороны листа на расстоянии от кромки не менее его толщины. За толщину стекла принимают среднее арифметическое значение результатов измерений.
Разнотолщенность стекла определяют как разность между максимальной и минимальной толщиной одного и того же листа стекла.
3.3. Щербины, сколы измеряют металлической линейкой по ГОСТ 427 или другим мерительным инструментом с ценой деления 1 не более 1 мм.
Повреждения углов измеряют с помощью угольника по ГОСТ 3749 и металлической линейкой по ГОСТ 427 с ценой деления не более 1 мм.
3.4. Показатели внешнего вида (пороки) определяют визуально в проходящем свете при рассеянном дневном освещении или подобном ему искусственном (без прямого освещения).
Лист стекла устанавливают вертикально на расстоянии не менее 0,6 м от наблюдателя. Освещенность поверхности листа стекла должна быть не менее 300 лк.
Пороки стекла размером 1 мм и более измеряют металлической линейкой по ГОСТ 427 с ценой деления не более 1 мм или другим мерительным инструментом с ценой деления не более 1 мм; менее 1 мм—лупой по ГОСТ 25706 с ценой деления не более 0,25 мм.
Размеры пороков определяют по наибольшим четко выраженным виднмым очертаниям.
Расстояние между пороками (сосредоточенность) стекла определяют между их центрами линейкой по ГОСТ 427 или рулеткой по ГОСТ 7502 с ценой деления не более 1 мм.
3.5. Определение оптических искажений, видимых в проходящем свете
3.5.1. Определение оптических искажений стекла марок М1—М3
3.5.1.1. Сущность метода состоит в просмотре сквозь стекло экрана типа «зебра», представляющего собой систему равноотстоящих черно-белых полос, наклоненных под углом 45° к горизонту. Оптические искажения — максимальный угол между направлением наблюдения и перпендикуляром к плоскости образца стекла, при котором не наблюдается изменения формы полос экрана и их «размытие».
3.5.1.2. Отбор образцов
Испытания проводят на образцах размерами не .менее (300 Х Х400) мм.
3.5.1.3. Аппаратура
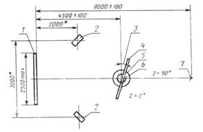
Установка для определения оптических искажений (черт. 1)
состоит из:
плоского экрана, на который нанесены под углом (45± 1,0)°
черные и белые полосы шириной (25±1) мм;

____________
* Уточняются при наладке оборудования.
1—экран «зебра»; 2—осветители; 3—угол просмотра (Z); 4— образец стекла; 5—поворотный стол: 6— лимб; 7—наблюдатель
Черт. 1
держателя с рамкой для установки образцов, снабженной лимбом с ценой деления 1° и способной вращаться вокруг вертикальной оси.
Мощность установленных ламп и их расположение должны обеспечивать освещенность экрана не мопсе 1000 лк.
3.5.1.4. Проведение испытания
Испытания проводят в затемненном помещении. Образец стекла закрепляют в рамке держателя. При этом направление вытягивания стекла должно быть вертикальным. На .лимбе держателя устанавливают нормируемый угол.
Наблюдатель занимает место наблюдения (см. черт. 1) и просматривает экран сквозь образец стекла. Перемещение наблюдателя, 0'бразца и экрана друг относительно друга в момент наблюдения не допускается. При этом не должно быть изменения формы полос экрана и их «размытие». Единичные нитевидные искажения с углом ниже нормируемого, если их не более двух на 1 м длины образца, не учитывают. Погрешность определения — 5°.
3.5.2. Определение оптических искажений стекла марок М4—М8
3.5.2.1. Сущность метода состоит в просмотре сквозь стекло экрана типа «кирпичная стена». Оптические искажения—минимальный угол между направлением наблюдения и плоскостью листа стекла, при котором не наблюдается искажения формы кирпичей экрана, «размытие» линий их образующих.
3.5.2.2. Отбор образцов
Испытания проводят на образцах стекла шириной (400±50) мм, длиной 400—1600 мм. Листы стекла больших размеров разрезают на образцы указанных размеров.
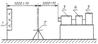
3.5.2.3. Аппаратура
Установка для определения оптических искажений, схема которой указана на черт. 2.
Установка состоит из экрана «кирпичная стена», указанного на черт. 3, и повторного стола с кареткой и держателем для крепления и перемещения листа стекла относительно экрана и наблюдателя или регистрирующего устройства. На плоском белом экране размерами (1030±5)Х(665±5) мм черной матовой краской должно быть нанесено изображение кирпичной стены.
Размеры кирпича для .изображения экрана должны быть (250 ± ±1)Х(65±1) мм, расстояния между кирпичами и их частями — (10±1) мм, толщина контурных линий изображения— (3±1) мм.
Освещенность экрана должна быть 400—500 лк.
Поворотный стол должен быть снабжен лимбом с ценой деления 1°.
Установка для определения оптических искажений должна на-.ходиться в помещении с искусственным освещением, не дающим бликов на экране и поверхности стекла.

1—наблюдатель: 2— угол просмотра; 3—поворотный стол; 4—образец; 5—экран «кирпичная стена»; 6—каретка; 7—лимб
Черт. 2

Черт. 3
Стены и потолок помещения должны иметь светлую матовую поверхность, рассеивающую свет. Одна стена должна служить фоном для экрана.
3.5.2.4. Проведение испытания
Образец стекла закрепляют в рамке держателя. При этом направление вытягивания стекла должно быть вертикальным. На лимбе держателя устанавливают нормируемый угол. Наблюдатель занимает место наблюдения (см. черт. 2) и просматривает экран сквозь образец стекла, причем просматривает только центральную зону экрана шириной не более 700 мм и высотой не более 500 мм. Образец просматривают по всей длине. Перемещение наблюдателя, образца и экрана друг относительно друга в момент наблюдения не допускается. При этом не должно быть изменения формы кирпичей и «размытия» линий их образующих.
3.5.3. С 01.01.94 для определения оптических искажений, видимых и проходящем свете, может применяться метод, приведенный в приложении 3, наряду с указанными в пп. 3.5.1 и 3.5.2.
3.5.4. Определение оптических искажений, видимых в отраженном свете, стекла марок М1— М3 методом отраженного растра
3.5.4.1. Сущность метода
Метод заключается в проецировании па экран картины из равностоящих полос после отражения от поверхности контролируемого образца стекла и измерении отклонений полученной картины от установленных показателей.
3.5.4.2. Отбор образцов
Испытания проводят на образцах стекла размером не менее (300х400) мм.
3.5.4.3. Аппаратура и приспособления
Испытания проводят в затемненном помещении с использованием установки, схема которой приведена на черт. 4, и следующих приспособлений:
1) диапроектора, дающего изображение растровой решетки на экране;
2) диапозитива—линейного растра, изготовленного из прозрачного материала (например, из фотопленки) с нанесенными на него непрозрачными параллельными линиями с шагом растраравным (0,293 ± 0,005) мм.
Примечание. Шаг растра—суммарная ширина темной и светлой полос.
3) контрольного образца стекла размером не менее (300 Х400) мм;
4) плоского белого экрана размером не менее (300х600) мм (должен быть четко закреплен);
5) приспособления для установки стекла (должно иметь продольный паз для перемещения стекла вдоль экрана);
6) металлической линейки с ценой деления не более 1 мм.
3.5.4.4. Подготовка к испытанию
Диапроектор устанавливают рядом с экраном так, чтобы угол падения светового потока на контрольный образец стекла, закрепленный в приспособлении, составлял не более 10°.
Включают диапроектор и регулируя расстояние между экраном и контрольным образцом, добиваются того, чтобы шаг отраженного растра на экране (В) составил (30 + 1) мм.
При определении шага растра па экране следует измерить суммарную ширину нескольких темных и светлых полос. Например, для пяти темных и светлых полос суммарная ширина должна быть равна 150 мм.
После регулирования расстояний между элементами установки положение диапроектора и приспособления для установки стекла строго фиксируют.
3.5.4.5. Проведение испытания
В приспособление для установки стекла помещают испытуемое стекло так, чтобы направление выработки было параллельно полосам отраженного растра.
Последовательно передвигая стекло вдоль экрана, отмечают участки наибольших искажений, имеющих вид расширенных и суженных полос отраженного растра.

____________
* Уточняют при наладке оборудования.
/—Диапроектор с диапозитивом; 2— экран: 3—контрольный эбразец или испытуемое стекло; 4— приспособление для установки стекла
Черт. 4
Измеряют шаг растра в местах наибольшего расширения (Вmax) и наибольшего сужения (Bmin) металлической линейкой.
3.5.4.6. Обработки результатов
Значение искажений (С) в миллиметрах вычисляют пи формуле
С = Вmax - Вmin. (1 )
Если при просмотре стекла обнаруживаются только расширенные или суженные участки отраженного растра или между границами этих участков имеется более 10 шагов неискаженного растра (В=30 мм), то значение искажения находят по формулам: для расширенных участков
С = Bmax - 30 (2)
для суженных участков
C = 30 - Bmin (3)
По наибольшему значению искажения С определяют отклонение от плоскостности (оптические искажения в отраженном свете).
Допускаемая погрешность определения оптических искажении в отраженном свете составляет ±1 мм.
Если измерение шага отраженного растра затрудняется из-за размытости краев полос и бликов от задней поверхности стекла, оценку производят по наиболее четко выраженным границам черных полос растра.
Допускается алюминирование стекла перед испытанием по данному методу для повышения контрастности изображения отраженного растра.
3.6. Коэффициент направленного пропускания света определяют по ГОСТ 20302.
3.7.Водостойкость стекла определяют по ГОСТ 10134.1.
3.8. Остаточные внутренние напряжения стекла определяют по СТ СЭВ 2052 или нормативно-технической документации, утвержденной в установленном порядке.
4. ТРАНСПОРТИРОВАНИЕ И ХРАНЕНИЕ
4.1. Контейнеры, ящики, разборные пакеты, ящичные поддоны, кассеты пакетирующие с листами стекла транспортируют в соответствии с Правилами перевозок грузов, действующими на данном виде транспорта, а размещение и крепление в транспортных средствах—в соответствии с «Техническими условиями погрузки и крепления грузов».
Контейнеры, разборные пакеты, ящичные поддоны, кассеты пакетирующие с листами стекла транспортируют на открытом подвижном железнодорожном транспорте (полувагоны, платформы), автомобилях с открытым кузовом, в трюмах судов.
Ящики с листами стекла транспортируют в крытых железнодорожных вагонах, автомобилях, в трюмах судов.
Ящики с листами стекла при длине кромки св. 1800 мм транспортируют на открытом подвижном железнодорожном транспорте (полувагонах) и специальных автомобилях, обеспечивая защиту стекол от атмосферных осадков.
4.2. При транспортировании контейнеров, ящиков, пакетов разборных, ящичных поддонов, пакетирующих кассет с листами стекла их устанавливают так, чтобы торцы листов стекла были расположены в них по направлению движения. Допускается при транспортировании ящиков со стеклом массой св. 600 кг устанавливать их перпендикулярно движению.
4.3. При транспортировании, погрузке и выгрузке стекла должны быть приняты меры, обеспечивающие его сохранность от механических повреждений.
4.4. Ящики, разборные пакеты, ящичные поддоны, кассеты пакетирующие с листами стекла и распакованное стекло должны храниться в сухих закрытых помещениях. Хранение стекла в контейнерах не допускается.
При хранении листы стекла должны быть установлены на пирамиды или стеллажи на резиновые, войлочные или деревянные подкладки в наклонном положении с углом наклона к вертикали 10—15°.
При хранении стекла марок М1—М4, М7 листы должны быть переложены бумагой или другими прокладочными материалами.
При хранении ящики и пакеты с листами стекла должны быть установлены в наклонном положении с углом наклона к вертикали 10—15°.
При хранении тары с листами стекла транспортные манипуляции с ней должны быть сведены до минимума. Если транспортная тара влажная, необходимо стекло распаковать на складах получателя.
Приложение 1
Обязательное
Таблица 10
Показатели внешнего вида (пороки) стекла марки М4
|
Наименование порока |
Норма на 1 м2 стекла |
|
Пузыри размером, мм: |
|
|
внутренние |
|
|
до 0,5 включ. Св. 0,5 » 1,0 » » 1,0 » 2,0 » » 2,0 » 3,0 » » 3,5 » 5,0 » |
Не допускается в сосредоточенном виде Не допускается более 6 шт. » » » 4 » » » » 2 » » » » (2) » |
|
поверхностные: |
|
|
до 1,0 включ.
Св. 1,0 |
В счет общего количества пузырей регламентируемого размера Размером до 3,0 мм не допускаются более 3(3) шт. |
|
Инородные неразрушающие включения и связь узловая, мм: |
|
|
до 1,0 включ. Св. 1,0 » 2,0 » Свиль нитевидная |
Не допускаются в сосредоточенном виде Не допускаются более 1(2) шт. Не допускаются более 4(6) шт. |
|
Царапины, мм: |
|
|
волосные грубые |
Не допускаются в сосредоточенном виде Не допускаются общей длиной более 50(100) мм. |
|
Пороки поверхности площадью до 10 мм2 |
|
|
слабые грубые |
Не допускаются в сосредоточенном виде Не допускаются более 2(2) шт. |
Примечание.
1. Цифра. Заключенная в скобках. Означает норму ограничения в крае стекла.
2. Край листа — полоса вдоль его контура шириной 0,15 линейных размеров листа стекла. Остальная часть — поле листа стекла.
3. В крае листа стекла на расстоянии не более 50 м от кромки царапины длиной не более 20 мм не регламентируются.
Приложение 2
Обязательное
Показатели внешнего вида (пороки) стекла марок М5—М8
Таблица 11
|
Наименование |
Норма ограничения на 1 м2 стекла марок |
||||||
|
порока |
М5 |
М6 |
М7 |
М8 |
|||
|
Пузыри размером, мм |
|
||||||
|
до 2 включ. |
Не допускаются в сосредоточенном виде |
||||||
|
св. 2 до 6 |
Не допускаются более шт. |
||||||
|
|
3 |
12 |
|
5 |
|||
|
» 6 » 12 |
Не допускаются более шт. |
Не допускаются |
|||||
|
|
1 |
4 |
|
||||
|
» 12 » 20 |
Не допускаются |
Не допускаются боле 1 шт. на расстоянии не более 20 мм от кромки листа стекла |
|
||||
|
Инородные неразру- шающие включения размером мм: |
|
|
|||||
|
до 1 включ. |
Не нормируются |
Не допускаются в сосредоточенном виде |
|||||
|
св. 1 до 3 |
Не допускаются более шт. |
||||||
|
|
3 |
4 |
2 |
3 |
|||
|
» 3 » 4 |
Не допускаются |
Не допускаются более 6 шт. |
Не допускаются |
||||
|
Поверхностный «рух» |
Не допускаются в сосредоточенном виде |
||||||
|
Царапины: |
|
||||||
|
волосные |
Не допускаются в сосредоточенном виде |
||||||
|
грубые |
Не нормируются общей длиной более, мм |
||||||
|
|
150 |
300 |
100 |
150 |
|||
|
Радужные, матовые пятна и др. следы выщелачивания. А также отпечатки валов. Снижающие требования к оптическим искажениям |
Не допускаются |
||||||
ПРИЛОЖЕНИЕ 3
Осязательное
МЕТОД ОПРЕДЕЛЕНИЯ ОПТИЧЕСКИХ ИСКАЖЕНИИ СТЕКЛА
1. Сущность метода
Метод определения оптических искажений основан на уменьшении величины импульсов видеосигнала телекамеры, «просматривающей» экран (сетка черных линий на белом фоне) через лист стекла, при наличии в чем дефектов, приводящих к оптическим искажениям.
2. Аппаратура
Установка, состоящая из:
телевизионной установки с разрешением не менее 200 линий; частотомера с входным сопротивлением не менее 10 МСм,
минимальным значением напряжения регистрируемого сигнала не более 0,2 В и диапазоном измерений от 0 до 1 МГц;
электронного устройства, выделяющего из телевизионного сигнала импульсы. соответствующие разности между уровнями белого и черного, сигнал на входе устройства должен иметь положительную полярность и амплитуду не менее 0,3 В;
экрана размером не менее (600х800) мм. На белом поле экрана должны быть нанесены черной матовой краской клетки, размером (50х50) мм с допускаемым отклонением ±2 мм; линии, их образующие, наклонены под углом (45+1)° к горизонту и имеют толщину (0±0,5) мм; освещенность экрана в пределах 100—1000 лк при неравномерности не более 50 лк по полю экрана:
держателя образцов, снабженного лимбом для отсчета углов между плоскостью образца стекла и направлением наблюдения телекамеры с ценой деления 1°; 0° при совпадении направления наблюдения с плоскостью листа стекла;
объектива с фокусным расстоянием (135±5) мм и диафрагменным числом не менее 3,5.
Схема установки представлена на черт. 5.
Изменяя диафрагмениое число, регулируют установку так, чтобы для стекол марок М1—М3 она регистрировала наличие оптических искажений при оптической силе дефектов—0,08 дптр, а для стекол марок М4—М8 при—0,2 дптр.
3. Отбор образцов
Испытания проводят на образцах стекла шириной (200±50) мм вдоль направления вытягивания и длиной 400—1600 мм. Листы отекла больших размеров разрезают на образцы указанных размеров.
4. Проведение испытаний
Перед установкой образца на дисплее частотомера считывают показания (число N0). Ставят образец в держатель образцов так, чтобы направление вытягивания было вертикальным. Угол на лимбе держателя должен соответствовать п. 1.2.4 настоящего стандарта. Затем считывают показания частотомера (число NX). Образец просматривают телекамерой по всей длине, последовательно перемещая каретку.
5. Обработка результатов
Образец стекла соответствует заданному показателю качества (на лимбе держателя угол по п. 1.2.4), если выполняется условие
![]()
Схема установки для определения оптических искажений стекла

1 - экран; 2 - держатель образцов; 3 - телевизионная установка; 4 - электронное устройство; 5 - частотомер
Черт. 5
ИНФОРМАЦИОННЫЕ ДАННЫЕ
1. РАЗРАБОТАН И ВНЕСЕН Министерством промышленности строительных материалов СССР
РАЗРАБОТЧИКИ
Д. Л. Орлов, канд. техн. наук; Е. В. Соболев, канд. техн. наук; В. Е. Голубев, канд. техн. наук; О. А. Голозубов, канд. техн. наук; Б. Г. Варшал, д-р техн. наук; С. Г. Цибульская, .канд. экон. наук; А. Г. Чесноков, канд. техн. наук; М. Л. Кудрякова; Е. А. Черемхина; С. К. Васильев; Г. И. Найшулер; С. И. Литвак; 3. И. Серебрянникова; С. П. Соловьев, канд. техн. наук; Ю. М. Щипанов; Л. И. Колчанова; В. Н. Александров, канд. техн. наук; X. Г. Ярокер, канд. техн. наук; В. Н. Алексеев; В. Н. Кудинова; Г. И. Хавалджи, канд. техн. наук; И. И. Борисова, канд. техн. наук; В. Б. Скворцова; Н. В. Шведов
2. УТВЕРЖДЕН И ВВЕДЕН В ДЕЙСТВИЕ постановлением Государственного строительного комитета СССР от 18.12.90 № 108
3. ВЗАМЕН ГОСТ 111—78, ГОСТ 7132-78, ГОСТ 7380—77, ГОСТ 13454—77
4. ССЫЛОЧНЫЕ НОРМАТИВНО-ТЕХНИЧЕСКИЕ ДОКУМЕНТЫ
|
Обозначение НТД, на который дана ссылка |
Номер пункта |
|
ГОСТ 422—75 |
3.3 |
|
ГОСТ 427—75 |
3.3; 3.4 |
|
ГОСТ 515—77 |
1.3.6. |
|
ГОСТ 4295—80 |
1.3.3; 1.3.8 |
|
ГОСТ 4598—86 |
1.3.5 |
|
ГОСТ 5244—79 |
1.3.5 |
|
ГОСТ 6507—78 |
3.2 |
|
ГОСТ 7376—89 |
1.3.5 |
|
ГОСТ 7502—89 |
3.1; 3.4 |
|
ГОСТ 8273—75 |
1.3.2; 1.3.6 |
|
ГОСТ 8749—79 |
3.3 |
|
ГОСТ 9828— 89 |
1.3.6 |
|
ГОСТ 10134Л—82 |
Приложение 1 |
|
ГОСТ 14192—77 |
1.3.10 |
|
ГОСТ 15846—79 |
1.3.8 |
|
ГОСТ 16711—84 |
1.3.2; 1.3.6 |
|
ГОСТ 18242—72 |
2.3 |
|
ГОСТ 25706—83 |
3.4 |
|
ГОСТ 26302—84 |
2.7; 3.6 |
|
ТУ 21—23/23—07—88 |
1.3.3 |
|
ТУ 21—РСФСР—60—86 |
1.3.3 |
|
ТУ 21—УССР—403—86 |
1.3.3 |
|
ТУ 21—0281503—112—90 |
1.2.3 |