
ГОСУДАРСТВЕННЫЙ СТАНДАРТ СОЮЗА ССР
ТРУБЫ
СТЕКЛЯННЫЕ
И ФАСОННЫЕ ЧАСТИ К НИМ
ТЕХНИЧЕСКИЕ УСЛОВИЯ
ГОСТ 8894-86
ГОСУДАРСТВЕННЫЙ СТРОИТЕЛЬНЫЙ КОМИТЕТ СССР
Москва
РАЗРАБОТАН
Министерством промышленности строительных материалов СССР
Министерством монтажных и специальных строительных работ СССР
ИСПОЛНИТЕЛИ
Е.В. Соболев, канд. техн. наук; В.Е. Голубев, канд. техн. наук; М.Л. Кудрякова, В.Г. Моисеев, канд. техн. наук; С.В. Голенков; А.С. Чесноков, канд. техн. наук; И.Н. Соловьева; М.Г. Скакунов, д-р техн. наук; В.И. Каптелов; Р.И. Шарунова; Л.В. Дробинина
ВНЕСЕН Министерством промышленности строительных материалов СССР
Зам. министра В.И. Чирков
УТВЕРЖДЕН И ВВЕДЕН В ДЕЙСТВИЕ Постановлением Государственного комитета СССР по делам строительства от 19 июня 1986 г. № 82
ГОСУДАРСТВЕННЫЙ СТАНДАРТ СОЮЗА ССР
|
ТРУБЫ
СТЕКЛЯННЫЕ И ФАСОННЫЕ Технические условия Glass pipes and fittings. |
ГОСТ Взамен |
Постановлением Государственного комитета СССР по делам строительства от 19 июня 1986 г. № 82 срок введения установлен
с 01.01.87
Несоблюдение стандарта преследуется по закону
Настоящий стандарт распространяется на стеклянные трубы и фасонные части к ним из стекла 13В, предназначенные для напорных, безнапорных и вакуумных трубопроводов, используемых для транспортирования жидких, газообразных и твердых веществ с различными физико-химическими свойствами (за исключением плавиковой кислоты) при температуре от минус 50 до плюс 120 °С.
Стеклянные трубы и фасонные части к ним могут быть использованы в качестве деталей аппаратов при температуре от минус 50 до плюс 250 °С.
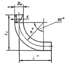
1.1. Форма, размеры и отклонения размеров, а также внутреннее гидравлическое рабочее давление труб должны соответствовать указанным на черт. 1 и в табл. 1.

Таблица 1
Размеры, мм
|
Наружный диаметр Dн |
Толщина стенки s |
Внутреннее гидравлическое рабочее давление не менее, МПа (кгс/см2) |
|||
|
Номин. |
Пред. откл. |
Номин. |
Пред. откл. |
||
|
40 |
45 |
-2 |
4,0 |
±1,0 |
0,7 (7) |
|
50 |
67 |
-2 |
5,0 |
±1,0 |
0,6 (6) |
|
80 |
93 |
-3 |
6,0 |
±1,0 |
0,5 (5) |
|
100 |
122 |
-4 |
7,0 |
±1,0 |
0,4 (4) |
|
150 |
169 |
-4 |
9,5 |
±1,5 |
0,3 (3) |
|
200 |
221 |
-5 |
11,5 |
±1,5 |
0,2 (2) |
Трубы и фасонные части высшей категории качества Dy 100 мм не должны иметь отклонение по наружному диаметру более 3 мм.
Примечание. Требования настоящего стандарта к трубам Dy 200 мм устанавливаются с 01.01.89.
1.2. Трубы от Dy 40 до Dу 150 мм должны изготавливаться длиной от 1500 до 3000 мм, а от Dy 200 до 2000 мм с интервалом, кратным 250. Трубы Dy 40 мм для доильных установок могут изготавливаться длиной 2340 мм.
Отклонения от размеров по длине не должны превышать ±15 мм.
1.3. Масса 1 м труб приведена в справочном приложении.
1.4. Фасонные части должны изготавливаться следующих типов:
отводы под углом 90, 75, 60, 45, 30, 15°;
отводы двойные;
отступы;
тройники равнопроходные;
тройники переходные;
крестовины;
переходы.
1.5. Форма, размеры и отклонения от размеров фасонных частей должны соответствовать указанным на черт. 2 - 13 и в табл. 2 - 13.
Отводы под углом 90°

Таблица 2
мм
|
Dн |
s |
L1 |
L* |
R* |
||||
|
Номин. |
Пред. откл. |
Номин. |
Пред. откл. |
Номин. |
Пред. откл. |
|||
|
40 |
45 |
-2 |
4,0 |
±1,0 |
285 |
±10 |
260 |
160 |
|
50 |
67 |
-2 |
5,0 |
±1,0 |
335 |
±10 |
300 |
180 |
|
80 |
93 |
-3 |
6,0 |
±1,0 |
365 |
±10 |
320 |
180 |
|
100 |
122 |
-4 |
7,0 |
±1,5 |
310 |
±10 |
250 |
150 |
|
100 |
122 |
-4 |
7,0 |
±1,5 |
395 |
±10 |
330 |
200 |
|
150 |
169 |
-4 |
9,5 |
±1,5 |
420 |
±10 |
335 |
- |
|
150 |
169 |
-4 |
9,5 |
±1,5 |
535 |
±10 |
450 |
300 |
|
200 |
221 |
-5 |
11,5 |
±1,5 |
635* |
- |
635 |
400 |
Примечания:
1. Размеры на черт. 2 - 11 и в табл. 2 - 11, отмеченные звездочкой, являются справочными и не контролируются.
2. Отклонения от размеров наружного диаметра и толщины стенки фасонных частей, указанные в табл. 2 - 13, приведены для прямых участков фасонных частей. Длина прямых участков не должна быть менее, мм:
80 - для фасонных частей Dy 40 мм;
100 » » » Dy 50 мм;
120 » » » Dy 80 мм;
130 » » » Dy 100 мм;
150 » » » Dy 150 мм;
200 » » » Dy 200 мм.
3. Отклонения от размеров фасонных частей на изогнутых участках, а также в области сварного шва не должны превышать, мм:
по наружному диаметру:
+4; -6 - для фасонных частей Dy 40 мм;
+5; -8 - » » » Dy 50 мм;
+6; -8 - » » » Dy 80 и 100 мм;
+6; -9 - » » » Dy 150 мм;
+7; -11 - » » » Dy 200 мм.
по толщине стенки:
±1,5 - для фасонных частей Dy 40, 50 и 80 мм;
±2,0 - » » » Dy 100 и 150 мм;
±3,0 - » » » Dy 200 мм;
4. Фасонные части Dy 200 мм изготавливаются из боросиликатного стекла.
Требования к ним устанавливаются с 01.01.89.
Отводы под углом 75°

Черт. 3
Таблица 3
мм
|
Dy |
Dн |
s Пред. откл. ±l,0 |
L1 Пред. откл. ±10 |
L* |
R* |
|
|
Номин. |
Пред. откл. |
|||||
|
40 |
45 |
-2 |
4,0 |
250 |
230 |
140 |
|
50 |
67 |
-2 |
5,0 |
290 |
265 |
160 |
|
80 |
93 |
-3 |
6,0 |
320 |
285 |
150 |
Отводы под углом 60°

Черт. 4
Таблица 4
мм
|
Dу |
Dн |
s Пред. откл. ±1,0 |
L1 Пред. откл. ±10 |
L* |
R* |
|
|
Номин. |
Пред. откл. |
|||||
|
40 |
45 |
-2 |
4,0 |
245 |
230 |
140 |
|
50 |
67 |
-2 |
5,0 |
265 |
245 |
160 |
|
80 |
93 |
-3 |
6,0 |
280 |
255 |
150 |
Отводы под углом 45°

Черт. 5
Таблица 5
мм
|
Dу |
Dн |
s |
L1 Пред. откл. ± 10 |
L* |
R* |
||
|
Номин. |
Пред. откл. |
Номин. |
Пред. откл. |
||||
|
40 |
45 |
-2 |
4,0 |
±1,0 |
190 |
180 |
140 |
|
50 |
67 |
-2 |
5,0 |
±1,0 |
220 |
205 |
160 |
|
80 |
93 |
-3 |
6,0 |
±1,0 |
250 |
230 |
150 |
|
100 |
122 |
-4 |
7,0 |
±1,5 |
275 |
250 |
150 |
Отводы под углом 30°

Черт. 6
Таблица 6
мм
|
Dу |
Dн |
s Пред. откл. ±1,0 |
L1 Пред. откл. ±10 |
L* |
R* |
|
|
Номин. |
Пред. откл. |
|||||
|
40 |
45 |
-2 |
4,0 |
185 |
180 |
140 |
|
50 |
67 |
-2 |
5,0 |
200 |
190 |
160 |
|
80 |
93 |
-3 |
6,0 |
225 |
210 |
150 |
Отводы под углом 15°

Таблица 7
мм
|
Dу |
Dн |
s |
L1 Пред. откл. ±10 |
L* |
R* |
||
|
Номин. |
Пред. откл. |
Номин. |
Пред. откл. |
||||
|
40 |
45 |
-2 |
4,0 |
±1,0 |
185 |
180 |
140 |
|
50 |
67 |
-2 |
5,0 |
±1,0 |
195 |
190 |
160 |
|
80 |
93 |
-3 |
6,0 |
±1,0 |
195 |
190 |
150 |
|
100 |
122 |
-4 |
7,0 |
±1,5 |
260 |
250 |
150 |
Отводы двойные

Черт. 8
Таблица 8
мм
|
Dу |
Dн |
s |
l Пред. откл. ±10 |
L Пред. откл. ±10 |
A* |
А1 |
R* |
|||
|
Номин. |
Пред. откл. |
Номин. |
Пред. откл. |
Номин. |
Пред. откл. |
|||||
|
40 |
45 |
-2 |
4,0 |
±1,0 |
100 |
210 |
140 |
95 |
±10 |
70 |
|
215 |
180 |
135 |
±10 |
90 |
||||||
|
245 |
240 |
195 |
±10 |
120 |
||||||
|
50 |
67 |
-2 |
5,5 |
±1,5 |
100 |
210 |
150 |
85 |
±2 |
75 |
|
235 |
200 |
135 |
±10 |
100 |
||||||
|
265 |
260 |
195 |
±10 |
130 |
||||||
|
80 |
93 |
-3 |
6,5 |
±1,5 |
150 |
295 |
190 |
98 |
±2 |
95 |
|
305 |
210 |
105 |
±10 |
105 |
||||||
|
335 |
270 |
180 |
±10 |
135 |
||||||
|
100 |
122 |
-4 |
7,0 |
±1,5 |
150 |
320 |
220 |
100 |
±10 |
110 |
|
325 |
230 |
110 |
±10 |
115 |
||||||
|
355 |
290 |
170 |
±10 |
145 |
||||||
Допускается по соглашению предприятия-изготовителя с заказчиком изготавливать двойные отводы Dy 50 мм, предназначенные для трубопроводов с рабочим давлением не более 0,2 (2), МПа (кгс/см2), толщиной стенки в изогнутой части не менее 3,0 мм.
Отступы

Черт. 9
Таблица 9
мм
|
Dу |
Dн |
s |
L Пред. откл. ±10 |
l Пред. откл. ±10 |
h* |
H Пред. откл. ±10 |
||
|
Номин. |
Пред. откл. |
Номин. |
Пред. откл. |
|||||
|
40 |
45 |
-2 |
4,0 |
±l,0 |
375 |
100 |
80 |
125 |
|
50 |
67 |
-2 |
5,0 |
±l,0 |
450 |
110 |
110 |
180 |
|
80 |
93 |
-3 |
6,5 |
±l,5 |
550 |
120 |
140 |
235 |
|
100 |
122 |
-4 |
7,0 |
±l,5 |
500 |
110 |
160 |
280 |
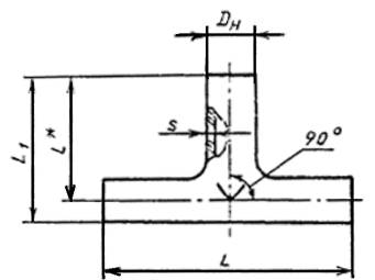
Тройники равнопроходные

Таблица 10
мм
|
Dу |
Dн |
s |
L |
L1 |
l* |
||||
|
Номин. |
Пред. откл. |
Номин. |
Пред. откл. |
Номин. |
Пред. откл. |
Номин. |
Пред. откл. |
||
|
40 |
45 |
-2 |
4,0 |
±1,0 |
300 |
±10 |
175 |
±10 |
150 |
|
50 |
67 |
-2 |
5,0 |
±1,0 |
400 |
±10 |
235 |
±10 |
200 |
|
80 |
93 |
-3 |
6,0 |
±1,0 |
475 |
±10 |
295 |
±10 |
250 |
|
100 |
122 |
-4 |
7,0 |
±1,0 |
500 |
±10 |
310 |
±10 |
250 |
|
150 |
169 |
-4 |
9,5 |
±1,5 |
640 |
±15 |
470 |
±15 |
385 |
|
200 |
221 |
-5 |
11,5 |
±1,5 |
720* |
- |
560* |
- |
450 |
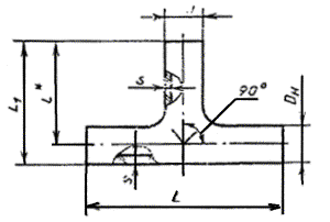
Тройники переходные

Таблица 11
|
dу |
Dн |
dн |
s |
s1 |
L |
L1 Пред. откл. ±10 |
l* |
||||||
|
Номин. |
Пред. откл. |
Номин. |
Пред. откл. |
Номин. |
Пред. откл. |
Номин. |
Пред. откл. |
Номин. |
Пред. откл. |
||||
|
50 |
40 |
67 |
-2 |
45 |
-2 |
5,0 |
±1,0 |
4,0 |
±1,0 |
400 |
±10 |
185 |
150 |
|
80 |
50 |
93 |
-3 |
67 |
-2 |
6,0 |
±1,0 |
5,0 |
±1,0 |
475 |
±10 |
245 |
200 |
|
100 |
50 |
122 |
-4 |
67 |
-2 |
7,0 |
±1,0 |
5,0 |
±1,0 |
500 |
±10 |
260 |
200 |
|
100 |
80 |
122 |
-4 |
93 |
-3 |
7,0 |
±1,0 |
6,0 |
±1,0 |
500 |
±10 |
310 |
250 |
|
150 |
100 |
169 |
-4 |
122 |
-4 |
9,5 |
±1,5 |
7,0 |
±1,0 |
650 |
±15 |
460 |
375 |
|
200 |
150 |
221 |
-5 |
169 |
-4 |
11,5 |
±1,5 |
9,5 |
±1,5 |
720* |
- |
530* |
420 |
Крестовины

Таблица 12
мм
|
Dу |
Dн |
s Пред. откл. ±1,0 |
L Пред. откл. ±10 |
|
|
Номин. |
Пред. откл. |
|||
|
40 |
45 |
-2 |
4,0 |
300 |
|
50 |
67 |
-2 |
5,0 |
400 |
|
80 |
93 |
-3 |
6,0 |
475 |
|
100 |
122 |
-4 |
7,0 |
500 |
Переходы

Таблица 13
мм
|
dу |
Dн |
dн |
s |
s1 |
L |
l1 |
l2 |
||||||||
|
Номин. |
Пред. откл. |
Номин. |
Пред. откл. |
Номин. |
Пред. откл. |
Номин. |
Пред. откл. |
Номин. |
Пред. откл. |
Номин. |
Пред. откл. |
Номин. |
Пред. откл. |
||
|
50 |
40 |
67 |
-2 |
45 |
-2 |
5,0 |
±1,0 |
4,0 |
±1,0 |
300 |
±10 |
120 |
±10 |
100 |
±10 |
|
80 |
50 |
93 |
-3 |
67 |
-2 |
6,0 |
±1,0 |
5,0 |
±1,0 |
325 |
±10 |
130 |
±10 |
120 |
±10 |
|
100 |
50 |
122 |
-4 |
67 |
-2 |
7,0 |
±1,0 |
5,0 |
±1,0 |
325 |
±10 |
130 |
±10 |
120 |
±10 |
|
100 |
80 |
122 |
-4 |
93 |
-3 |
7,0 |
±1,0 |
5,0 |
±1,0 |
325 |
±1,0 |
130 |
±10 |
130 |
±10 |
|
150 |
100 |
169 |
-4 |
122 |
-4 |
9,5 |
±1,5 |
7,0 |
±1,0 |
650 |
±15 |
370 |
±15 |
240 |
±15 |
|
200 |
150 |
221 |
-5 |
169 |
-4 |
11,5 |
±1,5 |
9,5 |
±1,5 |
600* |
- |
250* |
- |
200* |
- |
1.6. Условное обозначение труб и фасонных частей должно состоять из наименования изделия, цифр, означающих условный проход и длину трубы, и обозначения настоящего стандарта.
Пример условного обозначения трубы Dy 40 мм и длиной 2500 мм:
Труба 40´2500 ГОСТ 8894-86
То же, отвода под углом 90° Dy 50 мм:
Отвод 90° - 50 ГОСТ 8894-86
То же, перехода Dy 100 мм на 80 мм:
Переход 100/80 ГОСТ 8894-86
2.1. Трубы и фасонные части к ним должны изготавливаться в соответствии с требованиями настоящего стандарта по технологической документации, утвержденной в установленном порядке.
2.2. Трубы по всей длине должны быть прямолинейными. Отклонение от прямолинейности образующей наружной поверхности трубы не должно превышать:
0,20 % длины - для труб Dy 40 и 50 мм;
0,15 % » » » Dy 80 и 100 мм;
0,10 % » » » Dy 150 и 200 мм.
2.3. Торцы труб и фасонных частей должны иметь шлифованную поверхность.
2.4. Плоскость торцов труб и фасонных частей должна быть перпендикулярна образующей наружной поверхности. Отклонение от перпендикулярности плоскости торцов труб и фасонных частей относительно образующей наружной поверхности не должно превышать указанного в табл. 14.
Таблица 14
мм
|
Отклонение от перпендикулярности плоскости торцов для изделий |
||
|
высшей категории качества |
первой категории качества |
|
|
40 |
0,6 |
0,7 |
|
50 |
1,2 |
1,4 |
|
80, 100 |
1,5 |
1,7 |
|
150, 200 |
2,9 |
3,0 |
2.5. Углы между образующими наружных поверхностей фасонных частей должны соответствовать указанным на черт. 2 - 7 и 10 - 12. Отклонение угла между образующими наружных поверхностей фасонных частей не должно превышать ±1°.
2.6. Оси двойных отводов и отступов должны быть параллельны между собой. Отклонение от параллельности образующих наружных поверхностей двойных отводов и отступов, которое соответствует отклонению от параллельности осей двойных отводов и отступов, на длине 100 мм не должно превышать размеров, указанных в табл. 15.
Таблица 15
мм
|
Отклонение от параллельности образующих наружных поверхностей для изделий |
||
|
высшей категории качества |
первой категории качества |
|
|
40, 50 |
1,5 |
2,0 |
|
80, 100 |
2,0 |
2,5 |
2.7. Образующие наружных поверхностей фасонных частей должны лежать в одной плоскости. Отклонение образующих наружных поверхностей фасонных частей от горизонтальной плоскости не должно превышать 3 мм.
2.8. По показателям внешнего вида (порокам) трубы и фасонные части должны соответствовать требованиям, указанным в табл. 16.
Таблица 16
мм
|
Норма для изделий |
||
|
высшей категории качества |
первой категории качества |
|
|
Инородные разрушающие включения (частицы огнеупорных или других материалов), вызывающие остаточные внутренние напряжения |
Не допускаются |
|
|
Инородные неразрушающие включения (непроваренные частицы шихты, закристаллизовавшееся стекло) |
Не допускаются размером по наибольшему измерению более 2 мм |
|
|
Посечки |
Не допускаются |
|
|
Рух поверхностный |
Не нормируется |
|
|
Пузыри закрытые, мошка |
Не нормируются |
|
|
Пузыри капиллярные открытые |
Не нормируются |
|
|
Пузыри наборные открытые |
Не допускаются |
|
|
Сколы на торцах для изделий: |
Не допускаются длиной (от торца вдоль изделия) более, мм: |
|
|
Dy 40, 50, 80 и 100 мм |
5 |
10 |
|
Dy 150 и 200 мм |
13 |
15 |
|
|
шириной более, мм: |
|
|
Dу 40, 50, 80 и 100 мм |
3 |
5 |
|
Dу 150 и 200 мм |
8 |
10 |
|
|
глубиной более, мм: |
|
|
Dу 40 и 50 мм |
0,5 |
|
|
Dу 80 и 100 мм |
1,0 |
|
|
Dу 150 мм |
2,0 |
|
|
Dу 200 мм |
2,5 |
|
2.9. Трубы и фасонные части должны быть отожжены. Величина остаточных внутренних напряжений в изделиях не должна превышать 100 нм/см, что соответствует цветам интерференции, приведенным в табл. 17.
Таблица 17
|
Цвет интерференции |
Норма |
|
|
40 |
Пурпурно-фиолетовый, красный, голубой |
Допускаются |
|
Белый, желтый, желто-зеленый, зеленый, светло-желтый, оранжевый, голубовато-зеленый |
Не допускаются |
|
|
50 |
Пурпурно-фиолетовый, красный, оранжевый, голубой |
Допускаются |
|
Белый, желтый, темно-зеленый, зеленый, светло-желтый, голубовато-зеленый |
Не допускаются |
|
|
80 и 100 |
Пурпурно-фиолетовый, красный, оранжевый, голубой, голубовато-зеленый |
Допускаются |
|
Белый, желтый, темно-зеленый зеленый, светло-желтый |
Не допускаются |
|
|
150 и 200 |
Пурпурно-фиолетовый, красный, оранжевый, голубой, голубовато-зеленый, зеленый |
Допускаются |
|
Белый, желтый, желто-оранжевый |
Не допускаются |
В сварных швах допускаются узкие полоски любого цвета.
2.10. Трубы и фасонные части при испытании на термостойкость должны выдерживать перепад температур не менее, °С:
80 - для изделий Dy 40 мм;
75 » » Dу 50 мм;
70 » » Dу 80 мм;
65 » » Dу 100 мм;
50 » » Dу 150 мм;
40 » » Dу 200 мм.
2.11. Трубы и фасонные части должны выдерживать внутреннее гидравлическое испытательное давление, равное двойному рабочему давлению.
2.12. Поставку труб и фасонных частей производят по спецификации потребителя.
3.1. Трубы и фасонные части должны быть приняты техническим контролем предприятия-изготовителя.
3.2. Приемку труб и фасонных частей производят партиями. Партией считают число изделий одного наименования и одинаковых размеров, не превышающее сменной выработки.
3.3. Для проверки качества труб и фасонных частей от партии отбирают не менее 30 % изделий. Все отобранные изделия проверяют по форме, размерам и показателям внешнего вида. При удовлетворительных результатах проверки изделий из их числа отбирают для проверки:
5 %, но не менее 5 шт. труб и 100 % фасонных частей на соответствие требованиям п. 2.9;
5 %, но не менее 5 шт. изделий каждого наименования на соответствие требованиям п. 2.10;
3 %, но не менее 5 шт. изделий каждого наименования на соответствие требованиям п. 2.11.
3.4. Если при проверке изделий окажется св. 5 % изделий, не удовлетворяющих требованиям п.п. 1.1, 1.2, 1.5, 2.2, 2.4 - 2.7, 2.8 (по инородным неразрушающим включениям и сколам на торцах), а также в случае неудовлетворительных результатов испытаний хотя бы по одному из показателей, предусмотренных п.п. 2.8 (по инородным разрушающим включениям, посечкам, открытым наборным пузырям), 2.9 - 2.11 настоящего стандарта, производят поштучную приемку изделий.
Если при проверке изделий, которым в установленном порядке присвоен государственный Знак качества, окажется св. 5 % изделий, не удовлетворяющих требованиям п.п. 1.1, 1.2, 1.5, 2.2, 2.4 - 2.7, 2.8 (по инородным неразрушающим включениям и сколам на торцах), а также в случае неудовлетворительных результатов испытаний хотя бы по одному из показателей, предусмотренных пп. 2.8 (по инородным разрушающим включениям, посечкам, открытым наборным пузырям), 2.9 - 2.11 настоящего стандарта, изделия приемке по высшей категории качества не подлежат.
3.5. Потребитель имеет право производить контрольную проверку соответствия труб и фасонных частей требованиям настоящего стандарта, соблюдая при этом приведенный порядок отбора образцов и применяя указанные методы испытаний.
4.1. Метод определения линейных размеров и правильности формы
4.1.1. Метод определения линейных размеров основан на измерении с помощью контактных измерительных инструментов, а метод определения правильности формы - на измерении величины отклонения от заданной формы.
4.1.2. Инструмент и принадлежности
Рулетка измерительная металлическая по ГОСТ 7502-80 с ценой деления 1 мм.
Линейка измерительная металлическая по ГОСТ 427-75 с ценой деления 1 мм.
Линейка поверочная типа ШП по ГОСТ 8026-75, класс 2.
Угольник поверочный 90° по ГОСТ 3749-77, класс 2.
Угломер по ГОСТ 5378-66.
Щупы по ГОСТ 882-75, № 3.
Штангенциркуль по ГОСТ 166-80, класс 2.
Плита контрольная размерами 1000´630 мм с допуском плоскостности не более 0,5 мм.
Линейка контрольная размерами 3000´150 мм с допуском прямолинейности не более 0,5 мм на 1 м.
Комплект нестандартизованных средств измерений, поверка которых должна производиться в установленном порядке.
4.1.3. Проведение испытаний
Испытания проводят в помещении при температуре (20 ± 10) °С, относительной влажности воздуха (60 ± 20) %, освещенности рабочего места не менее 150 лк.
Длину труб и фасонных частей измеряют с погрешностью до 1 мм, остальные размеры - с погрешностью до 0,1 мм, угол - с погрешностью до 6'.
Результаты измерений наружного диаметра, толщины стенок и длины труб и фасонных частей должны находиться в пределах допускаемых отклонений.
4.1.3.1. Наружный диаметр труб и фасонных частей контролируют предельными калибрами или измеряют штангенциркулем на обоих концах изделий в двух взаимно перпендикулярных направлениях.
1 - контрольная плита; 2 - изделие; 3 - контрольная линейка; 4 - ползун; 5 - упор
Черт. 14
4.1.3.2. Толщину стенки труб и фасонных частей контролируют предельными калибрами или измеряют штангенциркулем на каждом конце изделия, причем следует производить два измерения по двум взаимно перпендикулярным направлениям. В местах изгиба и сварных швов фасонных частей толщину стенки измеряют толщиномерами.
4.1.3.3. Длину труб и прямых участков фасонных частей определяют рулеткой или измерительной линейкой одним измерением вдоль образующей.
Длину двойных отводов и отступов измеряют рулеткой или измерительной линейкой в соответствии с черт. 14 с помощью приспособления, снабженного ползуном и упором.
Длину отводов контролируют измерительным инструментом в соответствии с черт. 15.
4.1.3.4. Отклонение от прямолинейности образующей наружной поверхности труб определяют измерением щупом величины наибольшего зазора между поверхностью трубы и плоскостью контрольной плиты или линейки, на которую уложена труба выпуклой стороной вверх.

1 - контрольная плита; 2 - изделие; 3 - шаблон; 4 - поле допуска
4.1.3.5. Отклонение от перпендикулярности плоскости торцов труб и фасонных частей относительно образующей наружной поверхности определяют измерением щупом наибольшего зазора между каждым из торцов изделия и стороной прикладываемого к торцу поверочного угольника.
4.1.3.6. Отклонение угла между образующими наружных поверхностей фасонных частей определяют угломером или измерительным инструментом.
4.1.3.7. Отклонение от параллельности образующих наружных поверхностей двойных отводов и отступов определяют в соответствии с черт. 16 как разность расстояний (АВ и CD) между двумя поверочными линейками. При этом поверочные линейки должны быть приложены к образующим изделия, уложенного на контрольную плиту.
4.3.8. Отклонение образующих наружных поверхностей фасонных частей от горизонтальной плоскости определяют измерением щупом величины наибольшего зазора между изделием, уложенным на контрольную плиту, и контрольной плитой.
4.2. Внешний вид труб и фасонных частей проверяют визуально.
4.3. Определение качества отжига
4.3.1. Качество отжига труб определяют измерением величины остаточных напряжений с помощью полярископа-поляриметра ПКС-250 или ПКС-125 на образцах шириной 15 - 25 мм, вырезанных из труб.
4.3.2. Качество отжига фасонных частей, а также и труб определяют сопоставлением цветов интерференции, наблюдаемых при просмотре фасонных частей или труб в полярископе ПКС-500 пли полярископе-поляриметре ПКС-250 или ПКС-125, с допускаемыми цветами интерференции.

1 - контрольная плита; 2 - изделие; 3 - поверочные линейки
4.4. Термостойкость труб и фасонных частей определяют по ГОСТ 25535-82, метод А. Изделия не должны иметь трещин и разрушений.
4.5. Испытание труб и фасонных частей внутренним гидравлическим давлением
4.5.1. Сущность метода заключается в определении целостности изделия в условиях воздействия внутреннего гидравлического давления.
4.5.2. Аппаратура, и принадлежности
Установка для испытания изделий. Схема установки указана на черт. 17.
Насос по ГОСТ 15107-79.
Манометр по ГОСТ 2405-80 с пределом измерений 2 МПа.
4.5.3. Проведение испытания
Изделие 1 монтируют в заглушки 3, открывают кран 6 и заполняют изделие водой. Затем открывают кран 2 и удаляют воздух из полости изделия. С помощью насоса 5 постепенно, без гидравлических ударов, внутри изделия создают давление, равное двойному рабочему давлению, и выдерживают изделие при этом давлении 2 мин.
При заданном давлении изделие не должно разрушаться.
Схема установки для испытания изделий внутренним гидравлическим давлением

1 - изделие; 2 - кран для выпуска воздуха; 3 - заглушки; 4 - манометр; 5 - насос; 6 - кран для подачи воды
5.1. Концы труб и фасонных частей должны быть обернуты бумагой на длине от конца изделия 100 - 150 мм или защищены колпачками из полимерного материала. Число слоев бумаги в зависимости от диаметра изделий и толщины бумаги должно быть от двух до шести. По требованию потребителя бумага может быть приклеена к наружной поверхности изделия.
5.2. Трубы должны быть упакованы в стоечные поддоны по документации, утвержденной в установленном порядке, или дощатые ящики типа III-2 по ГОСТ 2991-85.
Фасонные части должны быть упакованы в дощатые ящики типа II-1 по ГОСТ 2991-85 или в специализированные поддоны по документации, утвержденной в установленном порядке.
В поддон или ящик должны быть уложены трубы одного диаметра и длины, фасонные части - одного наименования и одинаковых размеров.
При упаковке между рядами изделий и стенками поддона или ящика должен быть проложен слой стружки или любой уплотняющий материал (гофрированный картон, резиновый жгут и др.).
5.3. В каждый поддон или ящик должен быть вложен ярлык, в котором указывают:
наименование или товарный знак предприятия-изготовителя;
наименование, число и условное обозначение изделий;
номер упаковки и дату изготовления;
обозначение настоящего стандарта.
5.4. Правила маркирования тары должны соответствовать ГОСТ 14192-77. Маркировка должна содержать предупредительные знаки, означающие «Осторожно, хрупкое», «Верх, не кантовать» и следующие данные:
наименование или товарный знак предприятия-изготовителя;
условное обозначение и число изделий;
обозначение настоящего стандарта.
5.5. Предприятие-изготовитель должно сопровождать каждую партию труб и фасонных частей паспортом, в котором указывают:
наименование организации, в системе которой находится предприятие;
наименование и адрес предприятия-изготовителя;
наименование, число и условное обозначение изделий;
результаты физико-механических испытаний;
дату изготовления; обозначение настоящего стандарта.
5.6. Вся товаросопроводительная документация для труб и фасонных частей, которым в установленном порядке присвоен государственный Знак качества, должна иметь его изображение.
5.7. Упакованные трубы и фасонные части транспортируют любым видом транспорта в соответствии с правилами перевозки грузов, действующими на конкретном виде транспорта, утвержденными в установленном порядке.
Стоечные поддоны транспортируют на открытом железнодорожном подвижном составе или открытом автотранспорте.
Допускается до 01.01.89 по соглашению предприятия-изготовителя с заказчиком транспортировать трубы в железнодорожных вагонах и автомашинах без упаковки в поддоны или ящики. При этом трубы должны быть уложены горизонтальными рядами в штабели высотой не более 1,5 м и расшиты досками. Между штабелями труб и стенками вагона или автомашины должен быть проложен уплотняющий материал.
5.8. Трубы и фасонные части должны храниться под навесом. При хранении труб в неупакованном виде они должны быть уложены в горизонтальном положении в штабели высотой не более 1,5 м, при этом нижний ряд труб должен быть закреплен, или в вертикальном положении в ячейки размерами не более 1,5´1,5 м.
Допускается хранить трубы и фасонные части на открытом воздухе. При этом они должны быть защищены от атмосферных осадков.
Справочное
|
Dy, мм |
Масса 1 м трубы, кг |
|
40 |
1,2 |
|
50 |
2,4 |
|
80 |
4,0 |
|
100 |
6,2 |
|
150 |
11,8 |
|
200 |
18,7 |
СОДЕРЖАНИЕ