
ГОСУДАРСТВЕННЫЙ СТАНДАРТ СОЮЗА ССР
ГВОЗДИ ПРОВОЛОЧНЫЕ
ТЕХНИЧЕСКИЕ УСЛОВИЯ
ГОСТ 283-75
КОМИТЕТ СТАНДАРТИЗАЦИИ И МЕТРОЛОГИИ СССР
Москва
ГОСУДАРСТВЕННЫЙ СТАНДАРТ СОЮЗА ССР
|
ГВОЗДИ ПРОВОЛОЧНЫЕ Технические условия Wire nails. Specification |
ГОСТ |
Постановлением Государственного комитета стандартов Совета Министров СССР от 17 июля 1975 г. № 1829 срок действия установлен
с 01.01.77
Проверен в 1981 г. Постановлением Госстандарта от 21.06.89 №1778 срок действия продлен
до 01.01.95
Несоблюдение стандарта преследуется по закону
Настоящий стандарт распространяется на проволочные гвозди круглого и фасонного сечения.
Гвозди изготовляют:
круглого сечения - из низкоуглеродистой стальной термически необработанной проволоки без покрытия по ГОСТ 3282-74 или из проволоки по другой нормативно-технической документации;
фасонного сечения - из низкоуглеродистой стальной термически необработанной проволоки без покрытия по нормативно-технической документации.
(Измененная редакция, Изм. № 1, 2).
1.2. (Исключен, Изм. № 1).
1.3. Предельные отклонения диаметра стержня гвоздей круглого сечения должны соответствовать требованиям ГОСТ 3282-74.
Предельные отклонения условного диаметра стержня и толщины гвоздей фасонного сечения должны соответствовать предельным отклонениям условного диаметра и толщины проволоки фасонного сечения.
1.4. Предельные отклонения на длину гвоздей должны быть равны ±d
(Измененная редакция, Изм. № 4)
1.5. Отклонение от соосности головки относительно стержня не должно быть более:
0,1 мм - для гвоздей диаметром стержня до 1,2 мм включ.;
0,2 мм - для гвоздей диаметром стержня св. 1,2 до 1,8 мм включ.;
0,3 мм - для гвоздей диаметром стержня св. 1,8 до 3,0 мм включ.;
0,5 мм - для гвоздей диаметром стержня св. 3,0 до 4,0 мм включ.;
0,7 мм - для гвоздей диаметром стержня св. 4,0 мм.
1.4, 1.5. (Измененная редакция, Изм. № 1).
1.6. Отклонения от круглости головок не должно быть более:
0,4 мм - для гвоздей диаметром головки до 3,0 мм включ.;
0,5 мм - для гвоздей диаметром головки св. 3,0 до 6,0 мм включ.;
0,9 мм - для гвоздей диаметром головки св. 6,0 до 10,0 мм включ.;
1,1 мм - для гвоздей диаметром головки св. 10,0 мм.
Допускается увеличение отклонения от круглости головок гвоздей фасонного сечения в 1,5 раза и толевых в 1,3 раза по сравнению с гвоздями круглого сечения.
(Измененная редакция, Изм. № 1, 2).
1.7. Торцевая поверхность конической головки строительных и кровельных гвоздей должна быть рифленой, гвоздей прочих видов - гладкой.
1.8. Заостренная часть гвоздя может иметь круглое или квадратное сечение. Угол заострения по граням не должен быть более 40°.
(Измененная редакция, Изм. № 1).
Односторонний равномерный прогиб стержня гвоздя не должен быть более:
0,2 мм - для гвоздей длиной до 30 мм включ.;
0,3 мм - для гвоздей длиной св. 30 до 50 мм включ.;
0,5 мм - для гвоздей длиной св. 50 до 80 мм включ.;
0,7 мм - для гвоздей длиной св. 80 до 120 мм включ.;
1,0 мм - для гвоздей длиной св. 120 мм.
На 2% всех типоразмеров гвоздей партии, кроме тарных, допускается неотпавшая обсечка.
Для формовочных гвоздей допускается незначительное смятие с двух сторон на конце стержня и пятикратное увеличение прогиба по сравнению с указанным для других типоразмеров. По требованию потребителя формовочные гвозди изготовляют с прогибом, величина которого устанавливается по согласованию с изготовителем.
(Измененная редакция, Изм. № 1, 2).
2.1. Гвозди принимают партиями. Партия должна состоять из гвоздей одного типоразмера и быть оформлена документом о качестве, содержащим:
товарный знак или наименование и товарный знак предприятия-изготовителя;
условное обозначение гвоздя;
массу нетто, кг.
Допускается документ о качестве вкладывать в упаковочную единицу.
(Измененная редакция, Изм. № 1).
2.2. Гвозди для контроля должны отбираться методом случайной выборки из разных мест партии.
Размер выборки должен составлять не более 0,5% от партии, но не менее 40 шт.
2.3. Партия считается годной, если в выборке количество изделий с отступлениями от требований настоящего стандарта не превышает 4% с учетом 2% неотпавшей обсечки.
(Измененная редакция, Изм. № 1, 2).
2.4. При получении неудовлетворительных результатов контроля производится повторный контроль на удвоенной выборке. Результаты контроля распространяются на всю партию.
(Измененная редакция, Изм. № 1).
3.1. Осмотр гвоздей производится без применения увеличительных приборов. Размеры и расположение поверхностей гвоздей проверяются универсальным измерительным инструментом или калибрами.
Высота головки, радиус под головкой и угол заострения гвоздей не проверяются и должны обеспечиваться технологическим инструментом.
(Измененная редакция, Изм. № 1).
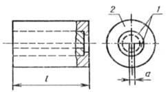
3.2. Контроль прогиба гвоздей производится при помощи приспособления, показанного на черт. 1.

1 - полуматрнца; 2 - обойма
Черт. 1
Полуматрицы вставляются в обойму по скользящей посадке. Размер квадратного отверстия а должен быть равен номинальному диаметру стержня гвоздя плюс допустимая величина прогиба согласно п. 1.9. Допуск на исполнение отверстия а - Н9 по ГОСТ 25347-82. Длина матрицы l должна быть не менее номинальной длины гвоздя.
Гвозди должны входить в отверстие приспособления до насечки без усилия и свободно проворачиваться в отверстии.
Допускается производить контроль прогиба гвоздей другими методами и средствами, аттестованными в установленном порядке.
При разногласиях контроль проводят способом, установленным настоящим стандартом.
(Измененная редакция, Изм. № 1, 2).
3.3. Отклонение от соосности головки относительно стержня должно соответствовать черт. 2 и вычисляться по формуле
![]()
3.4. Отклонение от круглости головки гвоздя должно соответствовать черт. 3 и вычисляться по формуле
![]()
3.3; 3.4. (Введены дополнительно, Изм. № 1).
Черт. 2
Черт. 3
4.2. Масса брутто каждой упаковочной единицы должна быть не более:
250 кг - при упаковывании в бочки;
1000 кг - при упаковывании в поддоны ящичные металлические;
2150 кг - при упаковывании в ящики деревянные и специализированные контейнеры.
Отклонение от массы нетто гвоздей, указанной на упаковочной единице, не должно быть более:
± 1 % - для массы гвоздей до 1000 кг включ.;
±0,5% - для массы гвоздей св. 1000 кг.
4.1, 4.2. (Измененная редакция, Изм. № 1, 2).
При согласии конкретного потребителя Минторга СССР и Центросоюза допускается до 01.01.92 упаковка гвоздей в ящики массой брутто не более 60 кг, при этом при подъеме и перемещении тяжестей вручную применение женского труда не допускается.
В коробки могут быть упакованы:
1) гвозди одного типоразмера с массой гвоздей в коробке;
от 200 до 1000 г включ. с градацией 50, 100 г для гвоздей длиной 120 мм включ.;
св. 500 до 2000 г включ. с градацией 100 г для гвоздей длиной
св. 70 до 250 мм;
2) набор гвоздей из нескольких типоразмеров, при этом гвозди каждого типоразмера должны быть упакованы в отдельную картонную, пластмассовую или металлическую коробку. Допускается упаковывание гвоздей в секционные коробки. Масса брутто каждого набора должна быть не более 2000 г.
Для мелкого фасования гвоздей в качестве потребительской тары применяются картонные, пластмассовые или металлические коробки по нормативно-технической документации или согласованным чертежам.
Гвозди, предназначенные для розничной торговли, упаковывают в транспортную тару: деревянные ящики по ГОСТ 18617-83, ГОСТ 15623-84, картонные ящики по ГОСТ 13513-86, ГОСТ 13841-95 или деревянные, картонные, пластмассовые и металлические ящики по нормативно-технической документации или согласованным чертежам.
Для скрепления картонных ящиков и коробок применяется клеевая лента по ГОСТ 18251-87 или другие средства крепления по нормативно-технической документации. При поставке гвоздей россыпью деревянные ящики из дощечек должны выстилаться бумагой по ГОСТ 8828-89, ГОСТ 515-77 или по другой нормативно-технической документации. Допускается не выстилать ящики бумагой при условии обеспечения невысыпаемости гвоздей при транспортировании.
Групповое упаковывание гвоздей, предварительно расфасованных в потребительскую тару, допускается производить с применением термоусадочной пленки по ГОСТ 25951-83 или по другой нормативно-технической документации с последующим пакетированием на плоских деревянных поддонах по нормативно-технической документации. Масса брутто пакета не должна быть более 1000 кг.
Отклонение от массы нетто гвоздей, предварительно расфасованных в коробки, должны соответствовать приведенным в табл. 2.
Таблица2
|
Отклонение от массы нетто гвоздей, %, при фасовании |
||||
|
Диаметр стержня |
Длина |
от 200 до 500 г |
св.500 до 1000 г |
св.1100 до 2000 г |
|
0,8¸3,5 |
8¸70 |
±2,0 |
±1,0 |
- |
|
1,6¸3,0 |
80¸150 |
±2,0 |
±1,0 |
±0,5 |
|
3,5¸5,0 |
90¸150 |
- |
±2,0 |
±1,0 |
|
6,0 |
150¸200 |
- |
±3,0 |
±2,0 |
|
8,0 |
250 |
- |
±4,0 |
|
Отклонение от массы нетто гвоздей, расфасованных россыпью с массой брутто не более 10 кг, не должно быть более ±1,5%.
(Измененная редакция, Изм. № 3, Изм. № 4)
4.4. Гвозди и наборы из гвоздей, упакованные в транспортную тару, в том числе термоусадочную пленку, укладывают в поддоны ящичные металлические по ОСТ 1443-80 или формируют в транспортные пакеты. При формировании пакетов на плоских поддонах требования к ним должны соответствовать ГОСТ 26663-91. Основные параметры и размеры пакетов по ГОСТ 24597-81, средства скрепления пакетов по ГОСТ 21650-76. Допускается использование плоских поддонов одноразового применения по ГОСТ 26381-84 или по нормативно-технической документации.
Штабелирование пакетов при транспортировании в металлических ящичных поддонах на ОСТ 1443-80, при транспортировании в пакетах с применением плоских поддонов - не более чем в два яруса.
4.4. (Измененная редакция, Изм. № 2).
4.5. Упаковка гвоздей при транспортировании их в районы Крайнего Севера и приравненные к ним местности - по ГОСТ 15846-2002.
(Измененная редакция, Изм. № 4)
4.6. Каждая упаковочная единица с гвоздями должна иметь маркировку. Маркировка, должна проводиться бумажными ярлыками или с помощью трафарета или штампа. Маркировка должна быть четкой, располагаться на наружной стороне упаковочной единицы, быть видна при складировании и содержать:
товарный знак или наименование и товарный знак предприятия-изготовителя;
условное обозначение гвоздя;
массу нетто, кг.
Маркировка гвоздей в мелкой расфасовке дополняется:
количеством коробок или наборов в ящике;
номером упаковщика;
розничной ценой коробки или набора.
Каждая коробка должна иметь маркировку с указанием:
товарного знака или наименования и товарного знака предприятия-изготовителя;
условного обозначения гвоздя;
массы нетто, кг;
номера упаковщика;
штампа технического контроля;
розничной цены.
Маркировка, наносимая на этикетку внутренней коробки с гвоздями или саму коробку, входящую в набор, должна содержать условное обозначение гвоздя и массу нетто, кг.
4.5, 4.6. (Измененная редакция, Изм. № 1).
Транспортирование гвоздей по железной дороге проводят в крытых вагонах повагонными или мелкими отправками. Гвозди в металлических ящичных поддонах и специализированных контейнерах могут транспортироваться на открытом подвижном составе.
Допускается транспортирование гвоздей в универсальных контейнерах по ГОСТ 20435-75, ГОСТ 15102-75, ГОСТ 22225-76 и по нормативно-технической документации.
(Измененная редакция, Изм. № 1, 2).
4.8. Транспортная маркировка - по ГОСТ 14192-96.
(Измененная редакция, Изм. № 4)
4.9. Хранение гвоздей - по условиям 5 ГОСТ 15150-69.
4.8, 4.9. (Измененная редакция, Изм. № 1).
ИНФОРМАЦИОННЫЕ ДАННЫЕ
1. РАЗРАБОТАН И ВНЕСЕН Министерством черной металлургии СССР
РАЗРАБОТЧИКИ
К. И. Туленков, канд. техн. наук; Б. М. Ригмант; И. В. Барышева; В.Г. Вильде
2. УТВЕРЖДЕН И ВВЕДЕН В ДЕЙСТВИЕ Постановлением Государственного комитета СССР по стандартам от 17.07.75 № 1829
3. ВЗАМЕН ГОСТ 283-63
4. ССЫЛОЧНЫЕ НОРМАТИВНО-ТЕХНИЧЕСКИЕ ДОКУМЕНТЫ
|
Обозначение НТД, на который дана ссылка |
Номер пункта |
|
ГОСТ 13513-86 |
|
|
ГОСТ 13841-79 |
|
|
ГОСТ 14192-77 |
|
|
ГОСТ 15102-75 |
|
|
ГОСТ 15623-84 |
|
|
ГОСТ 18251-87 |
|
|
ГОСТ 18617-83 |
|
|
ГОСТ 20435-75 |
|
|
ГОСТ 22225-76 |
|
|
ГОСТ 26663-91 |
|
|
ОСТ 1443-80 |
5. Срок действия продлен до 01.01.95 (Постановление Госстандарта СССР от 21.06.89 № 1778)
6. Переиздание (август 1991 г.) с Изменениями № 1, 2, утвержденными в декабре 1986 г., июне 1989 г. (ИУС 4-87, 10-89)
СОДЕРЖАНИЕ