ГОСТ 1579-93
(ИСО 7801-84)
МЕЖГОСУДАРСТВЕННЫЙ СТАНДАРТ
ПРОВОЛОКА
МЕТОД ИСПЫТАНИЯ НА ПЕРЕГИБ
МЕЖГОСУДАРСТВЕННЫЙ СОВЕТ
ПО СТАНДАРТИЗАЦИИ, МЕТРОЛОГИИ И СЕРТИФИКАЦИИ
Минск
Предисловие
1 РАЗРАБОТАН Техническим комитетом 146 «Метизы»
ВНЕСЕН Госстандартом России
2 ПРИНЯТ Межгосударственным Советом по стандартизации, метрологии и сертификации (протокол № 4-93 от 21.10.93)
За принятие проголосовали:
|
Наименование государства |
Наименование национального органа по стандартизации |
|
Республика Азербайджан |
Азгосстандарт |
|
Республика Армения |
Армгосстандарт |
|
Республика Белоруссия |
Белстандарт |
|
Республика Казахстан |
Госстандарт Республики Казахстан |
|
Республика Киргизстан |
Киргизстандарт |
|
Республика Молдова |
Молдовастандарт |
|
Российская Федерация |
Госстандарт России |
|
Таджикистан |
Таджикгосстандарт |
|
Республика Туркменистан |
Главинспекция Туркменистана |
|
Республика Узбекистан |
Узгосстандарт |
|
Украина |
Госстандарт Украины |
3 Постановлением Комитета Российской Федерации по стандартизации, метрологии и сертификации от 26.03.96 № 206 Межгосударственный стандарт ГОСТ 1579-93 введен в действие непосредственно в качестве государственного стандарта Российской Федерации с 1 января 1997 г.
Настоящий стандарт разработан методом прямого применения международного стандарта ИСО 7801-84 «Материалы металлические. Проволока. Метод испытания на перегиб» с дополнительными требованиями, отражающими потребности экономики страны
4 ВЗАМЕН ГОСТ 1579-80
СОДЕРЖАНИЕ
ГОСТ 1579-93
(ИСО 7801-84)
МЕЖГОСУДАРСТВЕННЫЙ СТАНДАРТ
|
ПРОВОЛОКА Метод испытания на перегиб Wire. Bend test method |
Дата введения 1997-01-01
Настоящий стандарт устанавливает требования к методу определения способности проволоки из металлов и сплавов различной формы поперечного сечения диаметром или характерным размером от 0,3 до 10,0 мм включительно подвергаться пластической деформации при перегибах.
Конкретный диапазон диаметров проволоки, подвергаемых испытаниям, приводится в стандартах или нормативно-технической документации на проволоку.
Дополнительные требования, отражающие потребности экономики страны, набраны курсивом.
В настоящем стандарте использованы ссылки на следующие стандарты:
ГОСТ 2789-73 Шероховатость поверхности. Параметры и характеристики
Испытание состоит в многократном перегибе на 90° от исходного положения в одну и другую сторону образца, закрепленного с одного конца в зажимах прибора, через цилиндрический валик заданного радиуса.
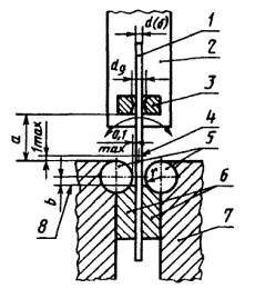
Обозначения параметров показаны на рисунке 1, обозначения размеров и определения приведены в таблице 1.

1 - испытуемый образец; 2 - изгибающий рычаг; 3 - поводок; 4 - ось вращения изгибающего рычага; 5 - цилиндрические валики; 6 - зажимные губки; 7 - тиски; 8 - ближайшая точка контакта с испытуемым образцом
Рисунок 1
Таблица 1
|
Обозначение размеров |
Определение |
Единица величины |
|
d |
Диаметр круглой проволоки |
мм |
|
δ |
Минимальная толщина (характерный размер) проволоки фасонного сечения, которая может быть закреплена между параллельными зажимами (см. рисунок 2) |
мм |
|
r |
Радиус цилиндрического валика |
мм |
|
а |
Расстояние от верхней образующей цилиндрического валика до нижней поверхности поводка |
мм |
|
dq |
Диаметр поводка |
мм |
|
b |
Расстояние от линии, соединяющей центры валиков, до ближайшей точки контакта губок с испытуемым образцом |
мм |
|
Nb |
Число перегибов |
- |
4.1 Общие требования
Испытательная машина должна быть сконструирована таким образом, чтобы были соблюдены параметры, указанные на рисунке 1, и размеры, приведенные в таблице 2.
4.2 Цилиндрические валики и зажимные губки
4.2.1 Цилиндрические валики и зажимные губки должны иметь твердость, достаточную для обеспечения жесткости и стойкости к абразивному износу (не менее 62 HRCэ). Параметр шероховатости рабочей поверхности валиков и губок Ra должен быть не более 1,25 мкм по ГОСТ 2789.
4.2.2 Радиус цилиндрического валика r и предельные отклонения его действительного значения от номинального должны соответствовать приведенным в таблице 2.
мм
|
Номинальный диаметр проволоки d(δ) |
Радиус цилиндрического валика r |
Расстояние между верхней образующей валиков и нижней поверхностью отверстия поводка а |
Диаметр отверстия поводка dq |
|
|
Номинальный |
Допускаемые отклонения |
|||
|
От 0,3 до 0,5 включ. |
1,25 |
± 0,05 |
15 |
1,0; 2,0 |
|
Св. 0,5 « 0,7 « |
1,75 |
± 0,05 |
15 |
1,0; 2,0 |
|
« 0,7 « 1,0 « |
2,5 |
± 0,1 |
15 |
1,5; 2,0 |
|
« 1,0 « 1,5 « |
3,75 |
± 0,1 |
20 |
2,0 |
|
« 1,5 « 2,0 « |
5 |
± 0,1 |
20 |
2,0; 2,5 |
|
« 2,0 « 3,0 « |
7,5 |
± 0,1 |
25 |
2,5; 3,0; 3,5 |
|
« 3,0 « 4,0 « |
10 |
± 0,1 |
35 |
3,5; 4,5 |
|
« 4,0 « 6,0 « |
15 |
± 0,1 |
50 |
4,5; 6,0; 7,0 |
|
« 6,0 « 8,0 « |
20 |
± 0,1 |
75 |
7,0; 8,0; 9,0 |
|
« 8,0 « 10,0 « |
25 |
± 0,1 |
100 |
9,0; 10,0; 11,0 |
Примечания:
1 Отверстия поводка меньшего диаметра могут быть использованы для проволоки меньшего номинального диаметра d и отверстия поводка большего диаметра - для проволоки больших номинальных диаметров.
Для диаметров d должен быть выбран соответствующий размер отверстия поводка с тем, чтобы обеспечить свободное движение проволоки.
2 При испытании на перегиб фасонной проволоки диаметр отверстия поводка определяют по диаметру описанной окружности поперечного сечения фасонной проволоки.
3 Применение валиков другого диаметра должно быть оговорено в нормативно-технической документации на проволоку, при этом размеры а и dq устанавливают в зависимости от диаметра проволоки в соответствии с приведенными в таблице 2.
4.2.3 Цилиндрические валики и зажимные губки устанавливают так, чтобы ось образца находилась в одной плоскости с осью вращения изгибающего рычага. Оси цилиндрических валиков должны быть перпендикулярны плоскости перегиба, параллельны друг другу и должны находиться в одной плоскости.
4.2.4 Зажимные губки тисков должны слегка выдаваться за поверхности цилиндрических валиков на расстояние не более 0,1 мм, измеренное как зазор между испытуемым образцом и каждым из цилиндрических валиков на линии, соединяющей центры их окружностей.
4.2.5 Верхний край зажимных губок должен быть ниже центров цилиндрических валиков на 1,5 мм для валиков радиусом до 2,5 мм включительно и на 3,0 мм для валиков, имеющих большой радиус (если r £ 2,5 мм; b = 1,5 мм; r > 2,5 мм; b = 3,0 мм).
Допускается расстояние от верхнего края зажимных губок до центров цилиндрических валиков: 1,5 мм для валиков радиусом до 1,75 мм включительно и 0,5 r для валиков, имеющих большой радиус.
4.3 Изгибающий рычаг и поводок
4.3.1 Расстояние от верхней образующей цилиндрической поверхности валиков до оси вращения рычага должно быть (1,0 ± 0,2) мм.
4.3.2 Угол отклонения рычага от исходного положения вправо и влево должен составлять (90 ± 3)o.
4.3.3 Отверстия в поводке должны быть расширены с каждого конца и иметь диаметр, приведенный в таблице 2.
5.1 Отрезок проволоки, используемый в качестве испытуемого образца, должен быть достаточно прямым, при этом допускаются небольшие искривления в плоскости, в которой будут осуществлены гибы при испытании.
5.2 Если необходима правка образца, то ее следует осуществлять вручную или, если это невозможно, то на поверхности из дерева, пластмассы или меди с помощью молотка из этого же материала.
5.3 При правке поверхность проволоки не должна быть повреждена, образец не должен быть перекручен, поперечное сечение не должно быть изменено.
5.4 Проволоку с отдельными острыми изгибами не следует подвергать правке и использовать в качестве испытуемого образца.
6.1 Испытания следует проводить при температуре окружающей среды от 10 до 35°С. Арбитражные испытания проводят при температуре (23 ± 5)°С.
6.2 Радиус валика r, расстояние а, диаметр отверстия поводка dq выбирают в зависимости от диаметра проволоки в соответствии с требованиями таблицы 2.
6.3 Испытуемый образец вставляют при вертикальном расположении изгибающего рычага в одно из отверстий поводка, как показано на рисунке 1. Нижний конец испытуемого образца закрепляют между зажимными губками так, чтобы испытуемый образец был перпендикулярен к осям цилиндрических валиков. Длина зажимаемого конца образца должна быть не менее высоты губок.
6.4 Проворачивание образца, а также продольное перемещение его в губках при испытании не допускаются.
6.5 Образцы проволоки фасонного сечения (прямоугольного, зетообразного, иксообразного, клиновидного, трапециевидного профиля) должны быть расположены так, чтобы большой размер был параллелен или почти параллелен зажимным губкам, как показано на рисунке 2.

Рисунок 2
Для других профилей фасонной проволоки способ зажима должен быть указан в нормативно-технической документации на проволоку.
6.6 Испытуемый образец перегибают на 90° попеременно в противоположных направлениях. Первым перегибом считается загиб свободного конца испытуемого образца на 90° и возвращение его в исходное положение. Следующий перегиб проводят в противоположном направлении, как показано на рисунке 3. Испытание не должно прерываться между последовательными гибами.

δ - характерный размер фасонной проволоки
Рисунок 3
6.7 Гибы следует проводить с равномерной скоростью, не превышающей одного гиба в секунду. Скорость перегиба при необходимости может быть снижена, чтобы выделяемое при испытании тепло не оказывало влияния на результаты испытаний.
6.8 Для обеспечения в течение испытания постоянного контакта между испытуемым образцом и цилиндрическими валиками к образцу может быть приложен один из видов предварительного натяжения. Это может быть растягивающее усилие значением не более 2 % номинального разрывного усилия или другим значением, установленным в соответствующих стандартах или нормативно-технической документации на проволоку.
6.9 Испытание проводят до заданного числа перегибов или до появления растрескивания, видимого невооруженным глазом, или до полного разрушения образца в соответствии с требованиями конкретных стандартов или нормативно-технической документации на проволоку.
6.10 В испытательных приборах без счетного устройства или со счетным устройством, фиксирующим крайние положения рычага, счет проводят следующим образом:
первым перегибом считается загиб образца вправо или влево на 90°;
вторым - загиб образца на 180° в противоположную сторону;
третьим - загиб на 180° в сторону, противоположную предыдущему перегибу и т.д.
6.11 Гиб, во время которого происходит разрушение испытуемого образца, не должен быть засчитан в число гибов Nb.
Протокол испытаний должен содержать:
а) обозначение настоящего стандарта;
б) характеристику испытуемого образца (марка стали, номер плавки и т.д.);
в) номинальный диаметр или минимальную толщину испытуемого образца (δ);
г) данные о подготовке образца к испытанию (например правка);
д) условия испытания (например радиус r цилиндрических оправок, прилагали ли растягивающее напряжение);
е) критерий окончания испытания;
ж) результаты испытаний.
Допускается в протоколах испытания на конкретные виды проволоки вместо условий и результатов испытаний (подпункты д, е, ж) указывать: «соответствует НТД».
Ключевые слова: проволока, метод испытания на перегиб, оборудование, испытуемый образец