
ГОСУДАРСТВЕННЫЙ СТАНДАРТ СОЮЗА ССР
ПРОФИЛИ СТАЛЬНЫЕ ГНУТЫЕ
С-ОБРАЗНЫЕ РАВНОПОЛОЧНЫЕ
СОРТАМЕНТ
ГОСТ 8282-83
ИЗДАТЕЛЬСТВО СТАНДАРТОВ
Москва
ГОСУДАРСТВЕННЫЙ СТАНДАРТ СОЮЗА ССР
ПРОФИЛИ СТАЛЬНЫЕ ГНУТЫЕ
|
ГОСТ
|
01.01.84
1. Настоящий стандарт устанавливает сортамент гнутых С-образных равнополочных профилей, изготовленных на профилегибочных станах из холоднокатаной и горячекатаной стали обыкновенного качества, углеродистой качественной и низколегированной.
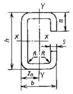
2. Поперечное сечение профилей должно соответствовать указанному на чертеже.

Таблица 1
|
h |
b |
a |
s |
R, не более |
Площадь
|
Справочные величины для осей |
Масса |
||||||
|
х-х |
y-y |
zо, см |
|||||||||||
|
мм |
Ix, см4 |
Wx, см3 |
ix, см |
Iy, см4 |
Wy, см3 |
iy, см |
|||||||
|
62 |
66 |
17,5 |
3 |
4,5 |
6,23 |
40,14 |
12,95 |
2,54 |
35,65 |
9,61 |
2,39 |
2,89 |
4,89 |
|
65 |
32 |
8 |
1 |
1,5 |
1,38 |
9,38 |
2,69 |
2,61 |
1,89 |
0,88 |
1,17 |
1,05 |
1,08 |
|
65 |
32 |
8 |
1,6 |
3 |
2,11 |
13,92 |
4,28 |
2,57 |
2,70 |
1,25 |
1,13 |
1,04 |
1,66 |
|
80 |
50 |
24 |
4 |
6 |
7,93 |
73,05 |
18,26 |
3,03 |
27,72 |
9,65 |
1,87 |
2,13 |
6,23 |
|
100 |
50 |
10 |
2 |
3 |
4,12 |
65,59 |
13,12 |
4,00 |
12,64 |
3,68 |
1,76 |
1,56 |
3,22 |
|
100 |
80 |
35 |
5 |
7,5 |
14,68 |
220,49 |
44,11 |
3,87 |
33,57 |
30,47 |
3,02 |
3,62 |
11,53 |
|
120 |
55 |
18 |
5 |
7,5 |
11,66 |
245,74 |
40,96 |
4,59 |
42,52 |
11,65 |
1,91 |
1,85 |
9,15 |
|
160 |
50 |
20 |
3 |
4,5 |
8,36 |
306,37 |
38,30 |
6,05 |
27,17 |
7,74 |
1,80 |
1,49 |
6,56 |
|
160 |
60 |
32 |
4 |
6 |
12,57 |
462,01 |
37,75 |
6,05 |
65,78 |
7,16 |
2,29 |
2,14 |
9,87 |
|
300 |
60 |
50 |
5 |
7,5 |
24,36 |
2861,55 |
190,77 |
10,84 |
125,61 |
30,42 |
2,27 |
1,87 |
19,12 |
|
400 |
160 |
50 |
3 |
4,5 |
24,01 |
6073,68 |
303,68 |
15,91 |
884,54 |
80,83 |
6,07 |
5,06 |
18,85 |
|
400 |
160 |
60 |
4 |
10 |
32,27 |
8028,19 |
401,41 |
15,77 |
1219,71 |
113,92 |
6,15 |
5,29 |
25,33 |
|
550 |
65 |
30 |
4 |
6 |
28,55 |
10258,72 |
373,04 |
18,96 |
110,32 |
20,64 |
1,97 |
1,16 |
22,41 |
|
410 |
65 |
30 |
4 |
6 |
22,95 |
4872,87 |
237,70 |
14,57 |
103,88 |
20,33 |
2,13 |
1,39 |
18,01 |
|
Примечания: 1. Площадь поперечного сечения и справочные величины для осей вычислены по номинальным размерам. При вычислении массы 1 м профиля плотность стали принята равной 7,85 г/см3. 2. С-образные профили из углеродистой кипящей и полуспокойной стали изготовляются с радиусами кривизны не более 1,5s, а из углеродистой спокойной и низколегированной - не более 2,5s. 3. С-образные профили 65´32´8´1 и 65´32´8´1,6 мм изготовляются из холоднокатаной заготовки. |
|||||||||||||
Условные обозначения к чертежу и табл. 1:
h - высота профиля;
b - ширина профиля;
а - ширина полки;
S - толщина профиля;
R - радиус кривизны;
I - момент инерции;
W - момент сопротивления;
i - радиус инерции;
zо - расстояние от центра тяжести до наружной поверхности стенки.
3. Размеры, площадь поперечного сечения, справочные величины для осей и масса 1 м профиля должны соответствовать указанным в табл. 1.
4. (Исключен, Изм. № 1).
5. Предельные отклонения по размерам поперечного сечения профилей должны соответствовать указанным в табл. 2.
Таблица 2
мм
|
Размеры профилей |
Предельные отклонения |
|
Высота: |
|
|
от 50 до 100 включ. |
±1,5 |
|
св. 100 » 200 » |
±3,0 |
|
» 200 |
±4,0 |
|
Ширина: |
|
|
до 50 включ. |
±1,5 |
|
св. 50 до 100 » |
±2,0 |
|
» 100 |
±3,0 |
|
Ширина полки: |
|
|
до 25 включ. |
±2,0 |
|
св. 25 до 50 включ. |
±3,0 |
|
» 50 |
±4,0 |
по требованию потребителя - указанным в табл. 3.
Таблица 3
мм
|
Размеры профилей |
Предельные отклонения |
|
Высота: |
|
|
от 100 до 150 включ. |
±1,5 |
|
св. 150 » 300 » |
±2,0 |
|
» 300 |
±3,0 |
|
Ширина: |
|
|
от 50 до 75 включ. |
±1,5 |
6. Предельные отклонения от угла 90° не должны превышать:
± 1°30' - при ширине полки до 100 мм;
±2° - при ширине полки более 100 мм;
±1°30' - при ширине полки более 100 мм - по требованию потребителя.
7. Профили изготовляют длиной от 3 до 12 м:
мерной длины;
кратной мерной длины;
немерной длины.
По требованию потребителя допускается изготовление профилей длиной 11,8 м.
8. Предельные отклонения по длине профилей мерной и кратной мерной длины не должны превышать:
+40 мм - для профилей длиной до 6 м;
+80 мм - для профилей длиной свыше 6 м.
По требованию потребителя предельные отклонения по длине профилей мерной и кратной мерной длины не должны превышать:
+40 мм - для профилей длиной до 7 м;
+40 мм и +5 мм на каждый метр - для профилей длиной св. 7 м.
5 - 8. (Измененная редакция, Изм. № 1).
9. Скручивание профилей вокруг продольной оси не должно превышать произведения 1° на длину профиля в метрах, но не более 10°.
Для определения скручивания замеряется зазор между плоскостью контрольного стеллажа и плоскостью высоты профиля на прямолинейном участке (по диагонали).
10. Кривизна профилей не должна превышать 0,1% длины.
11. Волнистость полок профилей не должна превышать 2 мм на 1 м.
12. Вогнутость и выпуклость стенок профиля не должна превышать:
1,5 мм - при ширине прямолинейного участка стенки до 100 мм;
2,0 мм - при ширине прямолинейного участка стенки до 200 мм;
3,0 мм - при ширине прямолинейного участка стенки до 300 мм;
5,0 мм - при ширине прямолинейного участка стенки свыше 300 мм.
13. Высота и ширина профиля и полок измеряются в плоскостях, отстоящих соответственно от вертикальной и горизонтальной стенок на расстоянии, равном величине наружного радиуса кривизны (r+s).
14. Измерение размеров поперечного сечения, а также скручивания, кривизны, волнистости и выпуклости стенок профилей проводят на расстоянии 500 мм от торцов, а по требованию потребителя - 300 мм от торцов.
(Измененная редакция, Изм. № 1).