ГОСТ 8509-93
МЕЖГОСУДАРСТВЕННЫЙ СТАНДАРТ
УГОЛКИ СТАЛЬНЫЕ
ГОРЯЧЕКАТАНЫЕ
РАВНОПОЛОЧНЫЕ
СОРТАМЕНТ
МЕЖГОСУДАРСТВЕННЫЙ СОВЕТ
ПО СТАНДАРТИЗАЦИИ, МЕТРОЛОГИИ И СЕРТИФИКАЦИИ
Минск
Предисловие
1 РАЗРАБОТАН Украинским научно-исследовательским институтом металлов
ВНЕСЕН Госстандартом Украины
2 ПРИНЯТ Межгосударственным Советом по стандартизации, метрологии и сертификации (протокол № 3от 17.02.93)
За принятие проголосовали:
|
Наименование государства |
Наименование национального органа по стандартизации |
|
Республика Армения |
Армгосстандарт |
|
Республика Белоруссия |
Белстандарт |
|
Республика Казахстан |
Госстандарт Республики Казахстан |
|
Республика Молдова |
Молдовастандарт |
|
Российская Федерация |
Госстандарт России |
|
Туркменистан |
Туркменглавгосинспекция |
|
Республика Узбекистан |
Узгосстандарт |
|
Украина |
Госстандарт Украины |
3 Постановлением Комитета Российской Федерации по стандартизации, метрологии и сертификации от 20.02.96 № 85 межгосударственный стандарт ГОСТ 8509-93 введен в действие непосредственно в качестве государственного стандарта Российской Федерации с 1 января 1997 г.
4 ВЗАМЕН ГОСТ 8509-86
МЕЖГОСУДАРСТВЕННЫЙ СТАНДАРТ
|
УГОЛКИ СТАЛЬНЫЕ ГОРЯЧЕКАТАНЫЕ РАВНОПОЛОЧНЫЕ Сортамент Hot-rolled steel equal-leg angles. |
ГОСТ |
Дата введения 1997-01-01
1 Настоящий стандарт распространяется на уголки стальные горячекатаные равнополочные.
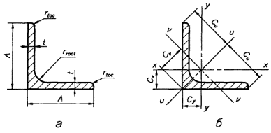
2 Размеры уголков, площадь поперечного сечения, справочные величины для осей и масса 1 м уголков должны соответствовать указанным на рисунке 1 и в таблице 1, а при поставках на экспорт - рекомендуемым приложениям А и Б.
Рисунок 1
Таблица 1
|
b |
t |
R |
r |
F, см2 |
Справочные значения величин для осей |
Масса 1 м, кг |
||||||||||||||
|
х - х |
x0 - x0 |
у0 - у0 |
Ixy, см4 |
x0, см |
||||||||||||||||
|
мм |
Ix, см4 |
Wx, см3 |
ix, см |
Ix0 max, см4 |
iх0 max, см |
Iy0 min, см4 |
Wy0, см3 |
iy0 min, см |
||||||||||||
|
2 |
20 |
3 |
3,5 |
1,2 |
1,13 |
0,40 |
0,28 |
0,59 |
0,63 |
0,75 |
0,17 |
0,20 |
0,39 |
0,23 |
0,60 |
0,89 |
||||
|
4 |
3,5 |
1,2 |
1,46 |
0,50 |
0,37 |
0,58 |
0,78 |
0,73 |
0,22 |
0,24 |
0,38 |
0,28 |
0,64 |
1,15 |
||||||
|
2,5 |
25 |
3 |
3,5 |
1,2 |
1,43 |
0,81 |
0,46 |
0,75 |
1,29 |
0,95 |
0,34 |
0,33 |
0,49 |
0,47 |
0,73 |
1,12 |
||||
|
4 |
3,5 |
1,2 |
1,86 |
1,03 |
0,59 |
0,74 |
1,62 |
0,93 |
0,44 |
0,41 |
0,48 |
0,59 |
0,76 |
1,46 |
||||||
|
2,8 |
28 |
3 |
4,0 |
1,3 |
1,62 |
1,16 |
0,58 |
0,85 |
1,84 |
1,07 |
0,48 |
0,42 |
0,55 |
0,68 |
0,80 |
1,27 |
||||
|
3 |
30 |
3 |
4,0 |
1,3 |
1,74 |
1,45 |
0,67 |
0,91 |
2,30 |
1,15 |
0,60 |
0,53 |
0,59 |
0,85 |
0,85 |
1,36 |
||||
|
4 |
4,0 |
1,3 |
2,27 |
1,84 |
0,87 |
0,90 |
2,92 |
1,13 |
0,77 |
0,61 |
0,58 |
1,08 |
0,89 |
1,78 |
||||||
|
3,2 |
32 |
3 |
4,5 |
1,5 |
1,86 |
1,77 |
0,77 |
0,97 |
2,80 |
1,23 |
0,74 |
0,59 |
0,63 |
1,03 |
0,89 |
1,46 |
||||
|
4 |
4,5 |
1,5 |
2,43 |
2,26 |
1,00 |
0,96 |
3,58 |
1,21 |
0,94 |
0,71 |
0,62 |
1,32 |
0,94 |
1,91 |
||||||
|
3,5 |
35 |
3 |
4,5 |
1,5 |
2,04 |
2,35 |
0,93 |
1,07 |
3,72 |
1,35 |
0,97 |
0,71 |
0,69 |
1,37 |
0,97 |
1,60 |
||||
|
4 |
4,5 |
1,5 |
2,67 |
3,01 |
1,21 |
1,06 |
4,76 |
1,33 |
1,25 |
0,88 |
0,68 |
1,75 |
1,01 |
2,10 |
||||||
|
5 |
4,5 |
1,5 |
3,28 |
3,61 |
1,47 |
1,05 |
5,71 |
1,32 |
1,52 |
1,02 |
0,68 |
2,10 |
1,05 |
2,58 |
||||||
|
4 |
40 |
3 |
5,0 |
1,7 |
2,35 |
3,55 |
1,22 |
1,23 |
5,63 |
1,55 |
1,47 |
0,95 |
0,79 |
2,08 |
1,09 |
1,85 |
||||
|
4 |
5,0 |
1,7 |
3,08 |
4,58 |
1,60 |
1,22 |
7,26 |
1,53 |
1,90 |
1,19 |
0,78 |
2,68 |
1,13 |
2,42 |
||||||
|
5 |
5,0 |
1,7 |
3,79 |
5,53 |
1,95 |
1,21 |
8,75 |
1,52 |
2,30 |
1,39 |
0,78 |
3,22 |
1,17 |
2,98 |
||||||
|
4,5 |
45 |
3 |
5,0 |
1,7 |
2,65 |
5,13 |
1,56 |
1,39 |
8,13 |
1,75 |
2,12 |
1,24 |
0,89 |
3,00 |
1,21 |
2,08 |
||||
|
4 |
5,0 |
1,7 |
3,48 |
6,63 |
2,04 |
1,38 |
10,52 |
1,74 |
2,74 |
1,54 |
0,89 |
3,89 |
1,26 |
2,73 |
||||||
|
5 |
5,0 |
1,7 |
4,29 |
8,03 |
2,51 |
1,37 |
12,74 |
1,72 |
3,33 |
1,81 |
0,88 |
4,71 |
1,30 |
3,37 |
||||||
|
5 |
50 |
3 |
5,5 |
1,8 |
2,96 |
7,11 |
1,94 |
1,55 |
11,27 |
1,95 |
2,95 |
1,57 |
1,00 |
4,16 |
1,33 |
2,32 |
||||
|
4 |
5,5 |
1,8 |
3,89 |
9,21 |
2,54 |
1,54 |
14,63 |
1,94 |
3,80 |
1,95 |
0,99 |
5,42 |
1,38 |
3,05 |
||||||
|
5 |
5,5 |
1,8 |
4,80 |
11,20 |
3,13 |
1,53 |
17,77 |
1,92 |
4,63 |
2,30 |
0,98 |
6,57 |
1,42 |
3,77 |
||||||
|
6 |
5,5 |
1,8 |
5,69 |
13,07 |
3,69 |
1,52 |
20,72 |
1,91 |
5,43 |
2,63 |
0,98 |
7,65 |
1,46 |
4,47 |
||||||
|
5,6 |
56 |
4 |
6,0 |
2,0 |
4,38 |
13,10 |
3,21 |
1,73 |
20,79 |
2,18 |
5,41 |
2,52 |
1,11 |
7,69 |
1,52 |
3,44 |
||||
|
5 |
6,0 |
2,0 |
5,41 |
15,97 |
3,96 |
1,72 |
25,36 |
2,16 |
6,59 |
2,97 |
1,10 |
9,41 |
1,57 |
4,25 |
||||||
|
6,3 |
63 |
4 |
7,0 |
2,3 |
4,96 |
18,86 |
4,09 |
1,95 |
29,90 |
2,45 |
7,81 |
3,26 |
1,25 |
11,00 |
1,69 |
3,90 |
||||
|
5 |
7,0 |
2,3 |
6,13 |
23,10 |
5,05 |
1,94 |
36,80 |
2,44 |
9,52 |
3,87 |
1,25 |
13,70 |
1,74 |
4,81 |
||||||
|
6 |
7,0 |
2,3 |
7,28 |
27,06 |
5,98 |
1,93 |
42,91 |
2,43 |
11,18 |
4,44 |
1,24 |
15,90 |
1,78 |
5,72 |
||||||
|
7 |
70 |
4,5 |
8,0 |
2,7 |
6,20 |
29,04 |
5,67 |
2,16 |
46,03 |
2,72 |
12,04 |
4,53 |
1,39 |
17,00 |
1,88 |
4,87 |
||||
|
5 |
8,0 |
2,7 |
6,86 |
31,94 |
6,27 |
2,16 |
50,67 |
2,72 |
13,22 |
4,92 |
1,39 |
18,70 |
1,90 |
5,38 |
||||||
|
6 |
8,0 |
2,7 |
8,15 |
37,58 |
7,43 |
2,15 |
59,64 |
2,71 |
15,52 |
5,66 |
1,38 |
22,10 |
1,94 |
6,39 |
||||||
|
7 |
8,0 |
2,7 |
9,42 |
42,98 |
8,57 |
2,14 |
68,19 |
2,69 |
17,77 |
6,31 |
1,37 |
25,20 |
1,99 |
7,39 |
||||||
|
8 |
8,0 |
2,7 |
10,67 |
48,16 |
9,68 |
2,12 |
76,35 |
2,68 |
19,97 |
6,99 |
1,37 |
28,20 |
2,02 |
8,37 |
||||||
|
7,5 |
75 |
5 |
9,0 |
3,0 |
7,39 |
39,53 |
7,21 |
2,31 |
62,65 |
7,91 |
16,41 |
5,74 |
1,49 |
23,10 |
2,02 |
5,80 |
||||
|
6 |
9,0 |
3,0 |
8,78 |
46,57 |
8,57 |
2,30 |
73,87 |
2,90 |
19,28 |
6,62 |
1,48 |
27,30 |
2,06 |
6,89 |
||||||
|
7 |
9,0 |
3,0 |
10,15 |
53,34 |
9,89 |
2,29 |
84,61 |
2,89 |
22,07 |
7,43 |
1,47 |
31,20 |
2,10 |
7,96 |
||||||
|
8 |
9,0 |
3,0 |
11,50 |
59,84 |
11,18 |
2,28 |
94,89 |
2,87 |
24,80 |
8,16 |
1,47 |
35,00 |
2,15 |
9,02 |
||||||
|
9 |
9,0 |
3,0 |
12,83 |
66,10 |
12,43 |
2,27 |
104,72 |
2,86 |
27,48 |
8,91 |
1,46 |
38,60 |
2,18 |
10,07 |
||||||
|
8 |
80 |
5,5 |
9,0 |
3,0 |
8,63 |
52,68 |
9,03 |
2,47 |
83,56 |
3,11 |
21,80 |
7,10 |
1,59 |
30,90 |
2,17 |
6,78 |
||||
|
6 |
9,0 |
3,0 |
9,38 |
56,97 |
9,80 |
2,47 |
90,40 |
3,11 |
23,54 |
7,60 |
1,58 |
33,40 |
2,19 |
7,36 |
||||||
|
7 |
9,0 |
3,0 |
10,85 |
65,31 |
11,32 |
2,45 |
103,60 |
3,09 |
26,97 |
8,55 |
1,58 |
38,30 |
2,23 |
8,51 |
||||||
|
8 |
9,0 |
3,0 |
12,30 |
73,36 |
12,80 |
2,44 |
116,39 |
3,08 |
30,32 |
9,44 |
1,57 |
43,00 |
2,27 |
9,65 |
||||||
|
9 |
90 |
6 |
10,0 |
3,3 |
10,61 |
82,10 |
12,49 |
2,78 |
130,00 |
3,50 |
33,97 |
9,88 |
1,79 |
48,10 |
2,43 |
8,33 |
||||
|
7 |
10,0 |
3,3 |
12,28 |
94,30 |
14,45 |
2,77 |
149,67 |
3,49 |
38,94 |
11,15 |
1,78 |
55,40 |
2,47 |
9,64 |
||||||
|
8 |
10,0 |
3,3 |
13,93 |
106,11 |
16,36 |
2,76 |
168,42 |
3,48 |
43,80 |
12,34 |
1,77 |
62,30 |
2,51 |
10,93 |
||||||
|
9 |
10,0 |
3,3 |
15,60 |
118,00 |
18,29 |
2,75 |
186,00 |
3,46 |
48,60 |
13,48 |
1,77 |
68,00 |
2,55 |
12,20 |
||||||
|
10 |
100 |
6,5 |
12,0 |
4,0 |
12,82 |
122,10 |
16,69 |
3,09 |
193,46 |
3,89 |
50,73 |
13,38 |
1,99 |
71,40 |
2,68 |
10,06 |
||||
|
7 |
12,0 |
4,0 |
13,75 |
130,59 |
17,90 |
3,08 |
207,01 |
3,88 |
54,16 |
14,13 |
1,98 |
76,40 |
2,71 |
10,79 |
||||||
|
8 |
12,0 |
4,0 |
15,60 |
147,19 |
20,30 |
3,07 |
233,46 |
3,87 |
60,92 |
15,66 |
1,98 |
86,30 |
2,75 |
12,25 |
||||||
|
10 |
12,0 |
4,0 |
19,24 |
178,95 |
24,97 |
3,05 |
283,83 |
3,84 |
74,08 |
18,51 |
1,96 |
110,00 |
2,83 |
15,10 |
||||||
|
12 |
12,0 |
4,0 |
22,80 |
208,90 |
29,47 |
3,03 |
330,95 |
3,81 |
86,84 |
21,10 |
1,95 |
122,00 |
2,91 |
17,90 |
||||||
|
14 |
12,0 |
4,0 |
26,28 |
237,15 |
33,83 |
3,00 |
374,98 |
3,78 |
99,32 |
23,49 |
1,94 |
138,00 |
2,99 |
20,63 |
||||||
|
16 |
12,0 |
4,0 |
29,68 |
263,82 |
38,04 |
2,98 |
416,04 |
3,74 |
111,61 |
25,79 |
1,94 |
152,00 |
3,06 |
23,30 |
||||||
|
11 |
110 |
7 |
12,0 |
4,0 |
15,15 |
175,61 |
21,83 |
3,40 |
278,54 |
4,29 |
72,68 |
17,36 |
2,19 |
106,00 |
2,96 |
11,89 |
||||
|
8 |
12,0 |
4,0 |
17,20 |
198,17 |
24,77 |
3,39 |
314,51 |
4,28 |
81,83 |
19,29 |
2,18 |
116,00 |
3,00 |
13,50 |
||||||
|
12,5 |
125 |
8 |
14,0 |
4,6 |
19,69 |
294,36 |
32,20 |
3,87 |
466,76 |
4,87 |
121,98 |
25,67 |
2,49 |
172,00 |
3,36 |
15,46 |
||||
|
9 |
14,0 |
4,6 |
22,00 |
327,48 |
36,00 |
3,86 |
520,00 |
4,86 |
135,88 |
28,26 |
2,48 |
192,00 |
3,40 |
17,30 |
||||||
|
10 |
14,0 |
4,6 |
24,33 |
359,82 |
39,74 |
3,85 |
571,04 |
4,84 |
148,59 |
30,45 |
2,47 |
211,00 |
3,45 |
19,10 |
||||||
|
12 |
14,0 |
4,6 |
28,89 |
422,23 |
47,06 |
3,82 |
670,02 |
4,82 |
174,43 |
34,94 |
2,46 |
248,00 |
3,53 |
22,68 |
||||||
|
14 |
14,0 |
4,6 |
33,37 |
481,76 |
54,17 |
3,80 |
763,90 |
4,78 |
199,62 |
39,10 |
2,45 |
282,00 |
3,61 |
26,20 |
||||||
|
16 |
14,0 |
4,6 |
37,77 |
538,56 |
61,09 |
3,78 |
852,84 |
4,75 |
224,29 |
43,10 |
2,44 |
315,00 |
3,68 |
29,65 |
||||||
|
14 |
140 |
9 |
14,0 |
4,6 |
24,72 |
465,72 |
45,55 |
4,34 |
739,42 |
5,47 |
192,03 |
35,92 |
2,79 |
274,00 |
3,76 |
19,41 |
||||
|
10 |
14,0 |
4,6 |
27,33 |
512,29 |
50,32 |
4,33 |
813,62 |
5,46 |
210,96 |
39,05 |
2,78 |
301,00 |
3,82 |
21,45 |
||||||
|
12 |
14,0 |
4,6 |
32,49 |
602,49 |
59,66 |
4,31 |
956,98 |
5,43 |
248,01 |
44,97 |
2,76 |
354,00 |
3,90 |
25,50 |
||||||
|
16 |
160 |
10 |
16,0 |
5,3 |
31,43 |
774,24 |
66,19 |
4,96 |
1229,10 |
6,25 |
319,33 |
52,52 |
3,19 |
455,00 |
4,30 |
24,67 |
||||
|
11 |
16,0 |
5,3 |
34,42 |
844,21 |
72,44 |
4,95 |
1340,06 |
6,24 |
347,77 |
56,53 |
3,18 |
496,00 |
4,35 |
27,02 |
||||||
|
12 |
16,0 |
5,3 |
37,39 |
912,89 |
78,62 |
4,94 |
1450,00 |
6,23 |
375,78 |
60,53 |
3,17 |
537,00 |
4,39 |
29,35 |
||||||
|
14 |
16,0 |
5,3 |
43,57 |
1046,47 |
90,77 |
4,92 |
1662,13 |
6,20 |
430,81 |
68,15 |
3,16 |
615,00 |
4,47 |
34,20 |
||||||
|
16 |
16,0 |
5,3 |
49,07 |
1175,19 |
102,64 |
4,89 |
1865,73 |
6,17 |
484,64 |
75,92 |
3,14 |
690,00 |
4,55 |
38,52 |
||||||
|
18 |
16,0 |
5,3 |
54,79 |
1290,24 |
114,24 |
4,87 |
2061,03 |
6,13 |
537,46 |
82,08 |
3,13 |
771,00 |
4,63 |
43,01 |
||||||
|
20 |
16,0 |
5,3 |
60,40 |
1418,85 |
125,60 |
4,85 |
2248,26 |
6,10 |
589,43 |
90,02 |
3,12 |
830,00 |
4,70 |
47,41 |
||||||
|
18 |
180 |
11 |
16,0 |
5,3 |
38,80 |
1216,44 |
92,47 |
5,60 |
1933,10 |
7,06 |
499,78 |
72,86 |
3,59 |
716,00 |
4,85 |
30,47 |
||||
|
12 |
16,0 |
5,3 |
42,19 |
1316,62 |
100,41 |
5,59 |
2092,78 |
7,04 |
540,45 |
78,15 |
3,58 |
776,00 |
4,89 |
33,12 |
||||||
|
20 |
200 |
12 |
18,0 |
6,0 |
47,10 |
1822,78 |
124,61 |
6,22 |
2896,16 |
7,84 |
749,40 |
98,68 |
3,99 |
1073,00 |
5,37 |
36,97 |
||||
|
13 |
18,0 |
6,0 |
50,85 |
1960,77 |
134,44 |
6,21 |
3116,18 |
7,83 |
805,35 |
105,07 |
3,98 |
1156,00 |
5,42 |
39,92 |
||||||
|
14 |
18,0 |
6,0 |
54,60 |
2097,00 |
144,17 |
6,20 |
3333,00 |
7,81 |
861,00 |
111,50 |
3,97 |
1236,00 |
5,46 |
42,80 |
||||||
|
16 |
18,0 |
6,0 |
61,98 |
2362,57 |
163,37 |
6,17 |
3755,39 |
7,78 |
969,74 |
123,77 |
3,96 |
1393,00 |
5,54 |
48,65 |
||||||
|
20 |
18,0 |
6,0 |
76,54 |
2871,47 |
200,37 |
6,12 |
4860,42 |
7,72 |
1181,92 |
146,62 |
3,93 |
1689,00 |
5,70 |
60,08 |
||||||
|
25 |
18,0 |
6,0 |
94,29 |
3466,21 |
245,59 |
6,06 |
5494,04 |
7,63 |
1438,38 |
172,68 |
3,91 |
2028,00 |
5,89 |
74,02 |
||||||
|
30 |
18,0 |
6,0 |
111,54 |
4019,60 |
288,57 |
6,00 |
6351,05 |
7,55 |
1698,16 |
193,06 |
3,89 |
2332,00 |
6,07 |
87,56 |
||||||
|
22 |
220 |
14 |
21,0 |
7,0 |
60,38 |
2814,36 |
175,18 |
6,83 |
4470,15 |
8,60 |
1158,56 |
138,62 |
4,38 |
1655,00 |
5,91 |
47,40 |
||||
|
16 |
21,0 |
7,0 |
68,58 |
3175,44 |
198,71 |
6,80 |
5045,37 |
8,58 |
1305,52 |
153,34 |
4,36 |
1869,00 |
6,02 |
53,83 |
||||||
|
25 |
250 |
16 |
24,0 |
8,0 |
78,40 |
4717,10 |
258,43 |
7,76 |
7492,10 |
9,78 |
1942,09 |
203,45 |
4,98 |
2775,00 |
6,75 |
61,55 |
||||
|
18 |
24,0 |
8,0 |
87,72 |
5247,24 |
288,82 |
7,73 |
8336,69 |
9,75 |
2157,78 |
223,39 |
4,96 |
3089,00 |
6,83 |
68,86 |
||||||
|
20 |
24,0 |
8,0 |
96,96 |
5764,87 |
318,76 |
7,71 |
9159,73 |
9,72 |
2370,01 |
242,52 |
4,94 |
3395,00 |
6,91 |
76,11 |
||||||
|
22 |
24,0 |
8,0 |
106,12 |
6270,32 |
348,26 |
7,69 |
9961,30 |
9,69 |
2579,04 |
260,52 |
4,93 |
3691,00 |
7,00 |
83,31 |
||||||
|
25 |
24,0 |
8,0 |
119,71 |
7006,39 |
391,72 |
7,65 |
11125,52 |
9,64 |
2887,26 |
287,14 |
4,91 |
4119,00 |
7,11 |
93,97 |
||||||
|
28 |
24,0 |
8,0 |
133,12 |
7716,86 |
434,25 |
7,61 |
12243,84 |
9,59 |
3189,89 |
311,98 |
4,90 |
4527,00 |
7,23 |
104,50 |
||||||
|
30 |
24,0 |
8,0 |
141,96 |
8176,82 |
462,11 |
7,59 |
12964,66 |
9,56 |
3388,98 |
327,82 |
4,89 |
4788,00 |
7,31 |
111,44 |
||||||
|
35 |
24,0 |
8,0 |
163,71 |
9281,05 |
530,11 |
7,53 |
14682,73 |
9,47 |
3879,37 |
366,13 |
4,87 |
5401,68 |
7,53 |
128,51 |
||||||
Примечания:
1 Площадь поперечного сечения и справочные величины вычислены по номинальным размерам. Плотность стали - 7,85 г/см3.
2 Радиусы закругления, указанные на рисунке 1 и в таблице 1, даны для построения калибра и на профиле не контролируются.
Условные обозначения к рисунку 1 и таблице 1:
b - ширина полки;
t - толщина полки;
R - радиус внутреннего закругления;
r - радиус закругления полок;
F- площадь поперечного сечения;
I - момент инерции;
x0 - расстояние от центра тяжести до наружной грани полки;
Ixy - центробежный момент инерции;
i - радиус инерции.
3 По точности прокатки уголки изготавливают:
А - высокой точности;
В - обычной точности.
4 Предельные отклонения по размерам уголков не должны превышать указанных в таблице 2.
Таблица 2
|
Предельные отклонения, мм |
|||||||
|
по ширине полки |
по толщине полки |
||||||
|
до 6 включ. |
от 6,5 до 9 включ. |
свыше 9 |
|||||
|
А |
В |
А |
В |
А |
В |
||
|
От 2 до 4,5 |
±1,0 |
+0,2 |
+0,3 |
- |
- |
- |
- |
|
-0,3 |
-0,4 |
||||||
|
» 5 » 9 |
±1,5 |
+0,2 |
+0,3 |
+0,2 |
+0,3 |
+0,3 |
+0,4 |
|
-0,4 |
-0,5 |
-0,5 |
-0,6 |
-0,5 |
-0,6 |
||
|
» 10 » 15 |
±2,0 |
- |
- |
+0,3 |
+0,4 |
+0,3 |
+0,4 |
|
-0,5 |
-0,6 |
-0,6 |
-0,7 |
||||
|
» 16 » 20 |
±3,0 |
- |
- |
- |
- |
+0,4 |
+0,5 |
|
-0,7 |
-0,8 |
||||||
|
» 22 » 25 |
±4,0 |
- |
- |
- |
- |
+0,4 |
+0,5 |
|
-0,8 |
-0,9 |
||||||
5 По согласованию изготовителя с потребителем допускается изготовление уголков со смещением предельных отклонений по толщине полки в пределах допускаемых отклонений соответствующей точности.
6 По согласованию с потребителем отклонения по толщине полки допускается заменять предельными отклонениями по массе в соответствии с таблицей 3.
Таблица 3
|
Предельные отклонения по массе, % |
||
|
1 класс |
II класс |
|
|
От 2 до 7,5 включ. |
+3 |
+3 -5 |
|
-5 |
||
|
Свыше 7,5 |
±2,5 |
|
7 Отклонение от прямого угла при вершине не должно превышать 35¢.
По согласованию изготовителя с потребителем отклонение от прямого угла при вершине не должно превышать:
1,0 мм - для уголков с шириной полки до 50 мм включительно;
2,0 мм - для уголков с шириной полки свыше 50 до 100 мм включительно;
3,0 мм - для уголков с шириной полки свыше 100 до 200 мм.
8 Притупление внешних углов (в том числе и угла при вершине) не контролируется.
По требованию потребителя притупление внешних углов (в том числе и угла при вершине) не должно превышать:
0,3 толщины полки - для уголков толщиной до 10 мм включительно;
3,0 мм - для уголков толщиной свыше 10 до 16 мм включительно;
5,0 мм - для уголков толщиной свыше 16 мм.
9 Уголки изготавливают длиной от 4 до 12 м:
мерной длины;
мерной длины с немерной в количестве не более 5 % массы партии;
кратной мерной длины,
кратной мерной длины с немерной в количестве не более 5 % массы партии;
немерной длины;
ограниченной длины в пределах немерной.
9.1 По согласованию изготовителя с потребителем уголки изготавливают мерной и кратной мерной длины с немерными длинами более 5 % массы партии.
9.2 Допускается изготовление уголков длиной не менее 3 м и свыше 12 м.
10 Предельные отклонения по длине уголков мерной длины или кратной мерной не должны превышать:
+ 30 мм - при длине до 4 м включительно;
+ 50 мм - при длине свыше 4 до 6 м включительно;
+ 70 мм - при длине свыше 6 м.
По требованию потребителя для уголков длиной свыше 4 до 7 м предельные отклонения длины не должны превышать + 40 мм, более 7 м - + 5 мм на каждый следующий метр.
11 Кривизна уголков не должна превышать 0,4 % длины. По требованию потребителя изготавливают уголки, кривизна которых не превышает 0,2 % длины. Для уголков от № 2 до 4,5 включительно кривизну проверяют на длине 1 м.
12 Размеры поперечного сечения уголков, притупление углов измеряют на расстоянии не менее 500 мм от торца штанги.
(рекомендуемое)
ПРОФИЛИ СТАЛЬНЫЕ ГОРЯЧЕКАТАНЫЕ
ЧАСТЬ 1. УГОЛКИ
РАВНОПОЛОЧНЫЕ. РАЗМЕРЫ
(ИСО 657-1-89)
1 Область распространения
Эта часть ИСО 657 включает размеры горячекатаных равнополочных уголков.
2 Настоящий стандарт содержит условия данной части ИСО 657. По состоянию на время публикации данное издание являлось действующим.
Все стандарты пересматриваются, поэтому необходимо использовать стандарты наиболее позднего издания.
Страны-члены МЭК и ИСО должны обеспечиваться действующими международными стандартами.
ИСО 657-5-76. Горячекатаные стальные профили, часть 5. Равнополочные и неравнополочные уголки, предельные отклонения в метрической и дюймовой сериях.
3 Размеры
3.1 Предпочтительные размеры выделены полужирным шрифтом.
3.2 Радиусы внутреннего закругления даны для информации и приведены в таблице А.1.
3.3 Радиус закругления полок не определен, но при необходимости может быть рассчитан.
4 Свойства профиля
Масса, площадь поперечного сечения и справочные значения величин равнополочных уголков приведены для информации в таблице A.1 и рассчитаны при условии, что радиус закругления полок имеет 1/2 значения радиуса внутреннего закругления.
5 Допуски
Допускаемые отклонения на размеры приведены в таблице Б.1 приложения Б.

|
Размер |
Масса кг/м |
S, см2 |
Величины |
Расстояние от центра тяжести |
Справочные значения величин для осей |
|||||||||||||
|
х-х=у-у |
u-u |
v-v |
||||||||||||||||
|
А, мм |
t, мм |
rroot, мм |
Cx=Cy, см |
Cu, см |
Cv, см |
Ix=Iy, см4 |
rx=ry, см3 |
Zx=Zy, см |
Iu, см4 |
ru, см |
Iv, см4 |
rv, см |
Zv, см3 |
|||||
|
20´20´3 |
0,88 |
1,12 |
20 |
3 |
3,5 |
0,598 |
1,41 |
0,846 |
0,392 |
0,590 |
0,279 |
0,618 |
0,742 |
0,165 |
0,383 |
0,195 |
||
|
25´25´3 |
1,12 |
1,42 |
25 |
3 |
3,5 |
0,723 |
1,77 |
1,02 |
0,803 |
0,751 |
0,452 |
1,27 |
0,945 |
0,334 |
0,484 |
0,326 |
||
|
25´25´4 |
1,45 |
1,85 |
25 |
4 |
3,5 |
0,762 |
1,77 |
1,08 |
1,02 |
0,741 |
0,586 |
1,61 |
0,931 |
0,430 |
0,482 |
0,399 |
||
|
30´30´3 |
1,36 |
1,74 |
30 |
3 |
5 |
0,835 |
2,12 |
1,18 |
1,40 |
0,899 |
0,649 |
2,22 |
1,13 |
0,585 |
0,581 |
0,496 |
||
|
30´30´4 |
1,78 |
2,27 |
30 |
4 |
5 |
0,878 |
2,12 |
1,24 |
1,80 |
0,892 |
0,850 |
2,85 |
1,12 |
0,754 |
0,577 |
0,607 |
||
|
35´35´4 |
2,09 |
2,67 |
35 |
4 |
5 |
1,00 |
2,47 |
1,42 |
2,95 |
1,05 |
1,18 |
4,68 |
1,32 |
1,23 |
0,678 |
0,865 |
||
|
35´35´5 |
2,57 |
3,28 |
35 |
5 |
5 |
1,04 |
2,47 |
1,48 |
3,56 |
1,04 |
1,45 |
5,64 |
1,31 |
1,49 |
0,675 |
1,01 |
||
|
40´40´3 |
1,84 |
2,35 |
40 |
3 |
6 |
1,07 |
2,83 |
1,52 |
3,45 |
1,21 |
1,18 |
5,45 |
1,52 |
1,44 |
0,783 |
0,949 |
||
|
40´40´4 |
2,42 |
3,08 |
40 |
4 |
6 |
1,12 |
2,83 |
1,58 |
4,47 |
1,21 |
1,55 |
7,09 |
1,52 |
1,86 |
0,777 |
1,17 |
||
|
40´40´5 |
2,97 |
3,79 |
40 |
5 |
6 |
1,16 |
2,83 |
1,64 |
5,43 |
1,20 |
1,91 |
8,60 |
1,51 |
2,26 |
0,773 |
1,38 |
||
|
45´45´4 |
2,74 |
3,49 |
45 |
4 |
7 |
1,23 |
3,18 |
1,75 |
6,43 |
1,36 |
1,97 |
10,2 |
1,71 |
2,68 |
0,876 |
1,53 |
||
|
45´45´5 |
3,38 |
4,30 |
45 |
5 |
7 |
1,28 |
3,18 |
1,81 |
7,84 |
1,35 |
2,43 |
12,4 |
1,70 |
3,26 |
0,871 |
1,80 |
||
|
50´50´4 |
3,06 |
3,89 |
50 |
4 |
7 |
1,36 |
3,54 |
1,92 |
8,97 |
1,52 |
2,46 |
14,2 |
1,91 |
3,73 |
0,979 |
1,94 |
||
|
50´50´5 |
3,77 |
4,80 |
50 |
5 |
7 |
1,40 |
3,54 |
1,99 |
11,0 |
1,51 |
3,05 |
17,4 |
1,90 |
4,55 |
0,973 |
2,29 |
||
|
50´50´6 |
4,47 |
5,69 |
50 |
6 |
7 |
1,45 |
3,54 |
2,04 |
12,8 |
1,50 |
3,61 |
20,3 |
1,89 |
5,34 |
0,968 |
2,61 |
||
|
60´60´5 |
4,57 |
5,82 |
60 |
5 |
8 |
1,64 |
4,24 |
2,32 |
19,4 |
1,82 |
4,45 |
30,7 |
2,30 |
8,03 |
1,17 |
3,46 |
||
|
60´60´6 |
5,42 |
6,91 |
60 |
6 |
8 |
1,69 |
4,24 |
2,39 |
22,8 |
1,82 |
5,29 |
36,1 |
2,29 |
9,44 |
1,17 |
3,96 |
||
|
60´60´8 |
7,09 |
9,03 |
60 |
8 |
8 |
1,77 |
4,24 |
2,50 |
29,2 |
1,80 |
6,89 |
46,1 |
2,26 |
12,2 |
1,16 |
4,86 |
||
|
65´65´6 |
5,91 |
7,53 |
65 |
6 |
9 |
1,80 |
4,60 |
2,55 |
29,2 |
1,97 |
6,21 |
46,3 |
2,48 |
12,1 |
1,27 |
4,74 |
||
|
65´65´8 |
7,73 |
9,85 |
65 |
8 |
9 |
1,89 |
4,60 |
2,67 |
37,5 |
1,95 |
8,13 |
59,4 |
2,46 |
15,6 |
1,26 |
5,84 |
||
|
70´70´6 |
6,38 |
8,13 |
70 |
6 |
9 |
1,93 |
4,95 |
2,73 |
36,9 |
2,13 |
7,27 |
58,5 |
2,68 |
15,3 |
1,37 |
5,60 |
||
|
70´70´7 |
7,38 |
9,40 |
70 |
7 |
9 |
1,97 |
4,95 |
2,79 |
42,3 |
2,12 |
8,41 |
67,1 |
2,67 |
17,5 |
1,36 |
6,28 |
||
|
75´75´6 |
6,85 |
8,73 |
75 |
6 |
9 |
2,05 |
5,30 |
2,90 |
45,8 |
2,29 |
8,41 |
72,7 |
2,89 |
18,9 |
1,47 |
6,53 |
||
|
75´75´8 |
8,99 |
11,4 |
75 |
8 |
9 |
2,14 |
5,30 |
3,02 |
59,1 |
2,27 |
11,0 |
93,8 |
2,86 |
24,5 |
1,46 |
8,09 |
||
|
80´80´6 |
7,34 |
9,35 |
80 |
6 |
10 |
2,17 |
5,66 |
3,07 |
55,8 |
2,44 |
9,57 |
88,5 |
3,08 |
23,1 |
1,57 |
7,55 |
||
|
80´80´8 |
9,63 |
12,3 |
80 |
8 |
10 |
2,26 |
5,66 |
3,19 |
72,2 |
2,43 |
176 |
115 |
3,06 |
29,9 |
1,56 |
9,37 |
||
|
80´80´10 |
11,9 |
15,1 |
80 |
10 |
10 |
2,34 |
5,66 |
3,30 |
87,5 |
2,41 |
15,4 |
139 |
3,03 |
36,4 |
1,55 |
11,0 |
||
|
90´90´7 |
9,61 |
12,2 |
90 |
7 |
11 |
2,45 |
6,36 |
3,47 |
92,5 |
2,75 |
14,1 |
147 |
3,46 |
38,3 |
1,77 |
11,0 |
||
|
90´90´8 |
10,9 |
13,9 |
90 |
8 |
11 |
2,50 |
6,36 |
3,53 |
104 |
2,74 |
16,1 |
166 |
3,45 |
43,1 |
1,76 |
12,2 |
||
|
90´90´9 |
12,2 |
15,5 |
90 |
9 |
11 |
2,54 |
6,36 |
3,59 |
116 |
2,73 |
17,9 |
184 |
3,44 |
47,9 |
1,76 |
13,3 |
||
|
90´90´10 |
15,0 |
17,1 |
90 |
10 |
11 |
2,58 |
6,36 |
3,65 |
127 |
2,72 |
19,8 |
201 |
3,42 |
52,6 |
1,75 |
14,4 |
||
|
100´100´8 |
12,2 |
15,5 |
100 |
8 |
12 |
2,74 |
7,07 |
3,87 |
145 |
3,06 |
19,9 |
230 |
3,85 |
59,9 |
1,96 |
15,5 |
||
|
100´100´10 |
15,0 |
19,2 |
100 |
10 |
12 |
2,82 |
7,07 |
3,99 |
177 |
3,04 |
24,6 |
280 |
3,83 |
73,0 |
1,95 |
18,3 |
||
|
100´100´12 |
17,8 |
22,7 |
100 |
12 |
12 |
2,90 |
7,07 |
4,11 |
207 |
3,02 |
29,1 |
328 |
3,80 |
85,7 |
1,94 |
20,9 |
||
|
120´120´8 |
14,7 |
18,7 |
120 |
8 |
13 |
3,23 |
8,49 |
4,56 |
255 |
3,69 |
29,1 |
405 |
4,65 |
105 |
2,37 |
23,1 |
||
|
120´120´10 |
18,2 |
23,2 |
120 |
10 |
13 |
3,31 |
8,49 |
4,69 |
313 |
3,67 |
36,0 |
497 |
4,63 |
129 |
2,36 |
27,5 |
||
|
120´120´12 |
21,6 |
27,5 |
120 |
12 |
13 |
3,40 |
8,49 |
4,80 |
368 |
3,65 |
42,7 |
584 |
4,60 |
152 |
2,35 |
31,6 |
||
|
125´125´8 |
15,3 |
19,5 |
125 |
8 |
13 |
3,35 |
8,84 |
4,74 |
290 |
3,85 |
31,7 |
461 |
4,85 |
120 |
2,47 |
25,3 |
||
|
125´125´10 |
19,0 |
24,2 |
125 |
10 |
13 |
3,44 |
8,84 |
4,86 |
356 |
3,84 |
39,3 |
565 |
4,83 |
146 |
2,46 |
30,1 |
||
|
125´125´12 |
22,6 |
28,7 |
125 |
12 |
13 |
3,52 |
8,84 |
4,98 |
418 |
3,81 |
46,6 |
664 |
4,81 |
172 |
2,45 |
34,6 |
||
|
150´150´10 |
23,0 |
29,3 |
150 |
10 |
16 |
4,03 |
10,6 |
5,71 |
624 |
4,62 |
56,9 |
990 |
5,82 |
258 |
2,97 |
45,1 |
||
|
150´150´12 |
27,3 |
34,8 |
150 |
12 |
16 |
4,12 |
10,6 |
5,83 |
737 |
4,60 |
67,7 |
1170 |
5,80 |
303 |
2,95 |
52,0 |
||
|
150´150´15 |
33,8 |
43,0 |
150 |
15 |
16 |
4,25 |
10,6 |
6,01 |
898 |
4,57 |
83,5 |
1430 |
5,76 |
370 |
2,93 |
61,6 |
||
|
180´180´15 |
40,9 |
52,1 |
180 |
15 |
18 |
4,98 |
12,7 |
7,05 |
1590 |
5,52 |
122 |
2520 |
6,96 |
653 |
3,54 |
92,7 |
||
|
180´180´18 |
48,6 |
61,9 |
180 |
18 |
18 |
5,10 |
17,7 |
7,22 |
1870 |
5,49 |
145 |
2960 |
6,92 |
768 |
3,52 |
106 |
||
|
200´200´16 |
48,5 |
61,8 |
200 |
16 |
18 |
5,52 |
14,1 |
7,81 |
2340 |
6,16 |
162 |
3720 |
7,76 |
960 |
3,94 |
123 |
||
|
200´200´20 |
59,9 |
76,3 |
200 |
20 |
18 |
5,68 |
14,1 |
8,04 |
2850 |
6,11 |
199 |
4530 |
7,70 |
1170 |
3,92 |
146 |
||
|
200´200´24 |
71,1 |
90,6 |
200 |
24 |
18 |
5,84 |
14,1 |
8,26 |
3330 |
6,06 |
235 |
5280 |
7,64 |
1380 |
3,90 |
167 |
||
|
250´250´28 |
104 |
133 |
250 |
28 |
18 |
7,24 |
17,7 |
10,2 |
7700 |
7,62 |
433 |
1220 |
9,61 |
3170 |
4,89 |
309 |
||
|
250´250´35 |
128 |
163 |
250 |
35 |
18 |
7,50 |
17,7 |
10,6 |
9260 |
7,54 |
529 |
1470 |
9,48 |
3860 |
4,87 |
364 |
||
Примечания
1 Страны-члены ИСО могут включать в национальные стандарты требуемые им размеры уголков.
Из приведенного в таблице сортамента на равнополочные уголки в национальный стандарт могут быть включены те размеры уголков, которые обеспечиваются на прокатных станах.
2 Площадь поперечного сечения вычисляют по формуле
,
где S - площадь поперечного сечения, см2;
t - толщина, мм;
rroot - радиус внутреннего закругления, мм;
rtoс - радиус закругления полок, мм;
А - ширина полки, мм.
3 При вычислении массы 1 м плотность стали принята 7,85 кг/дм3.
(рекомендуемое)
ПРОФИЛИ СТАЛЬНЫЕ ГОРЯЧЕКАТАНЫЕ
ЧАСТЬ 5. УГОЛКИ РАВНОПОЛОЧНЫЕ И НЕРАВНОПОЛОЧНЫЕ В МЕТРИЧЕСКОЙ И ДЮЙМОВОЙ СЕРИЯХ. ДОПУСКИ
(ИСО 657-5-76)
1 Предмет стандарта и область применения
Настоящий международный стандарт регламентирует предельные отклонения размеров горячекатаных стальных равнополочных и неравнополочных уголков в метрической и дюймовой сериях. Размеры уголков в метрической серии должны соответствовать ИСО 657-1 и ИСО 657-2, в дюймовой - ИСО 657-3 и ИСО 657-4.
2 Предельные отклонения по ширине полки
Предельные отклонения по ширине полки должны соответствовать приведенным в таблице Б.1.
Таблица Б.1 Предельные отклонения по ширине
|
Метрическая серия, мм |
Дюймовая серия, дюйм |
||||
|
Ширина полки 1 |
Предельные отклонения |
Ширина полки 1 |
Предельные отклонения |
||
|
Свыше |
От и до включ. |
Свыше |
От и до включ. |
||
|
- |
50 |
±1,0 |
- |
2 |
±0,04 |
|
50 |
100 |
±1,5 |
2 |
4 |
±0,06 |
|
100 |
150 |
±2,0 |
4 |
6 |
±0,08 |
|
150 |
200 |
±3,0 |
6 |
8 |
±0,12 |
|
1 Для неравнополочных уголков как базовая берется ширина большей полки. |
|||||
3 Предельные отклонения по толщине полки
Предельные отклонения по толщине равнополочных и неравнополочных уголков должны соответствовать приведенным в таблице Б.2.
Таблица Б.2 Предельные отклонения по толщине
|
Метрическая серия, мм |
Дюймовая серия, дюйм |
||||
|
Ширина полки 1 |
Предельные отклонения |
Ширина полки 1 |
Предельные отклонения |
||
|
Свыше |
От и до включ. |
Свыше |
От и до включ. |
||
|
- |
50 |
±0,5 |
- |
2 |
±0,02 |
|
50 |
100 |
±0,8 |
2 |
4 |
±0,03 |
|
100 |
150 |
±1,0 |
4 |
6 |
±0,04 |
|
150 |
200 |
±1,2 |
6 |
8 |
±0,05 |
|
1 Для неравнополочных уголков как базовая берется ширина большей полки. |
|||||
|
Примечание - Для уголков с длиной полки свыше 75 мм предельные отклонения по массе составляют ± 2,5 % на единицу длины и могут быть заменены предельными отклонениями по толщине. Масса единицы длины уголков приведена в приложении А. |
|||||
4 Предельные отклонения при порезке на длины
Предельные отклонения по длине при порезке на нормальные и точные длины равнополочных и неравнополочных уголков должны соответствовать приведенным в таблицах Б.3 и Б.4 соответственно.
Таблица Б.3 Предельные отклонения для нормальных длин
|
Метрическая серия |
Дюймовая серия |
||
|
Длина |
Предельные отклонения |
Длина |
Предельные отклонения |
|
Все длины |
± 100 мм |
Все длины |
± 4 дюйма |
Таблица Б.4 Предельные отклонения для точных длин
|
Метрическая серия |
Дюймовая серия |
||||
|
Длина, м |
Предельные отклонения, мм |
Длина, фут |
Предельные отклонения, дюйм |
||
|
Свыше |
От и до включ. |
Свыше |
От и до включ. |
||
|
- |
12 |
+75 |
- |
40 |
+3 |
|
0 |
0 |
||||
|
12 |
- |
+100 |
40 |
- |
+4 |
|
0 |
|||||
5 Кривизна
5.1 Максимально допустимая кривизна для равнополочных и неравнополочных уголков должна соответствовать приведенной в таблице Б.5.
|
Метрическая серия, мм |
Дюймовая серия, дюйм |
||||
|
Ширина полки 1 |
Кривизна |
Ширина полки 1 |
Кривизна |
||
|
Свыше |
От и до включ. |
Свыше |
От и до включ. |
||
|
50 |
150 |
0,4 % длины |
2 |
6 |
0,4 % длины |
|
150 |
200 |
0,25 % длины |
6 |
8 |
0,25 % длины |
|
1 Для неравнополочных уголков как базовая берется ширина большей полки. |
|||||
5.2 Кривизна должна быть измерена как показано на рисунке Б.1.
6 Неперпендикулярность (непараллельность, отклонение от прямого угла)
6.1 Полки должны быть перпендикулярными относительно друг друга в пределах отклонений концов согласно таблице Б.6.
Таблица Б.6 Отклонение от прямого угла
|
Метрическая серия, мм |
Дюймовая серия, дюйм |
||||
|
Ширина полки 1 |
Отклонение |
Ширина полки 1 |
Отклонение |
||
|
Свыше |
От и до включ. |
Свыше |
От и до включ. |
||
|
- |
50 |
1,0 |
- |
2 |
0,04 |
|
50 |
100 |
2,0 |
2 |
4 |
0,08 |
|
100 |
200 |
3,0 |
4 |
8 |
0,12 |
|
1 Для неравнополочных уголков как базовая берется ширина большей полки. |
|||||
Рисунок Б.1
6.2 Отклонение от прямого угла измеряется на концах полок уголков (рисунок Б.2).
Рисунок Б.2
7 Предельные отклонения по массе
Имеющиеся предельные отклонения по массе на единицу длины являются контрольными предельными отклонениями и предварительно должны быть включены в соответствующие национальные стандарты.