ТРУБЫ
МЕТАЛЛИЧЕСКИЕ
И СОЕДИНИТЕЛЬНЫЕ ЧАСТИ К НИМ
Часть 4
ТРУБЫ ИЗ ЧЕРНЫХ МЕТАЛЛОВ И СПЛАВОВ
ЛИТЫЕ И СОЕДИНИТЕЛЬНЫЕ ЧАСТИ К НИМ.
ОСНОВНЫЕ РАЗМЕРЫ.
МЕТОДЫ ТЕХНОЛОГИЧЕСКИХ ИСПЫТАНИЙ
ТРУБ
ГОСТ 8948-75*
(СТ СЭВ 3300-81)
Москва
ИПК ИЗДАТЕЛЬСТВО СТАНДАРТОВ
1998
ГОСУДАРСТВЕННЫЙ СТАНДАРТ СОЮЗА ССР
|
СОЕДИНИТЕЛЬНЫЕ ЧАСТИ ИЗ КОВКОГО ЧУГУНА Основные размеры Ductile iron and steel fittings with |
ГОСТ Взамен |
Постановлением Государственного комитета стандартов Совета Министров СССР от 14.11.75 № 2901 дата введения установлена
01.01.77
Ограничение срока действия снято по протоколу Межгосударственного Совета по стандартизации, метрологии и сертификации (ИУС 2-93)
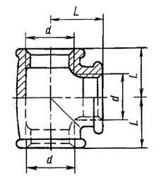
1. Основные размеры тройников должны соответствовать указанным на чертеже и в таблице.
Стандарт полностью соответствует CT СЭВ 3300-81.

Примечание: Чертеж не определяет конструкцию тройника.
Размеры в мм
|
Проход условный Dу |
Резьба d |
L |
Масса без покрытия, кг, не более* |
|
|
Вариант по ГОСТ 8944-75 |
||||
|
1 |
2 |
|||
|
8 |
G 1/4 - В |
21 |
0,064 |
0,063 |
|
10 |
G 3/8 - В |
25 |
0,085 |
0,092 |
|
15 |
G 1/2 - В |
28 |
0,133 |
0,143 |
|
20 |
G 3/4 - В |
33 |
0,206 |
0,210 |
|
25 |
G 1 - В |
38 |
0,318 |
0,330 |
|
32 |
G 11/4 - В |
45 |
0,490 |
0,475 |
|
40 |
G 11/2 - В |
50 |
0,673 |
0,594 |
|
50 |
G 2 - В |
58 |
1,088 |
0,962 |
|
(65) |
G 21/2 - В |
69 |
1,524 |
1,422 |
|
(80) |
G 3 - В |
78 |
2,013 |
1,850 |
|
(100) |
G 4 - B |
96 |
3,980 |
3,460 |
* Для справок
Примечания:
1. Масса оцинкованных соединительных частей не должна превышать массу неоцинкованных более чем на 5%.
2. Тройники с Dу, указанными в таблице в скобках, применять не рекомендуется.
Примеры условных обозначений
Прямого тройника без покрытия с Dу 40 мм:
Тройник 40 ГОСТ 8948-75
То же, с цинковым покрытием:
Тройник Ц-40 ГОСТ 8948-75
(Измененная редакция, Изм. № 1, 2).
2. Конструктивные размеры и технические требования - по ГОСТ 8944-75.