ТРУБЫ МЕТАЛЛИЧЕСКИЕ
И СОЕДИНИТЕЛЬНЫЕ ЧАСТИ
К НИМ
Часть 4
ТРУБЫ ИЗ ЧЕРНЫХ МЕТАЛЛОВ И СПЛАВОВ
ЛИТЫЕ И СОЕДИНИТЕЛЬНЫЕ ЧАСТИ К НИМ.
ОСНОВНЫЕ РАЗМЕРЫ.
МЕТОДЫ ТЕХНОЛОГИЧЕСКИХ ИСПЫТАНИЙ
ТРУБ
ГОСТ 8954-75*
Москва
ИПК ИЗДАТЕЛЬСТВО СТАНДАРТОВ
1998
ГОСУДАРСТВЕННЫЙ СТАНДАРТ СОЮЗА ССР
|
СОЕДИНИТЕЛЬНЫЕ ЧАСТИ ИЗ КОВКОГО ЧУГУНА Основные размеры Ductile iron fittings with |
ГОСТ Взамен |
Постановлением Государственного комитета стандартов Совета Министров СССР от 14.11.75 № 2901 дата введения установлена
01.01.77
Ограничение срока действия снято по протоколу Межгосударственного Совета по стандартизации, метрологии и сертификации (ИУС 2-93)
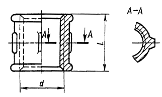
1. Основные размеры муфт должны соответствовать указанным на чертеже и в таблице.

Примечание. Чертеж не определяет конструкцию муфты.
Размеры в мм
|
Условный проход Dy |
Резьба d |
L |
Число ребер |
Масса без покрытия, кг, не более* |
|
|
Вариант по ГОСТ 8944-75 |
|||||
|
1 |
2 |
||||
|
8 |
G 1/4 - В |
22 |
2 |
0,031 |
0,032 |
|
10 |
G 3/8 - В |
24 |
2 |
0,040 |
0,042 |
|
15 |
G 1/2 - В |
28 |
2 |
0,065 |
0,068 |
|
20 |
G 3/4 - В |
31 |
2 |
0,096 |
0,096 |
|
25 |
G 1 - В |
35 |
4 |
0,155 |
0,153 |
|
32 |
G 11/4 - В |
39 |
4 |
0,226 |
0,216 |
|
40 |
G 11/2 - В |
43 |
4 |
0,309 |
0,267 |
|
50 |
G 2 - В |
47 |
6 |
0,480 |
0,430 |
|
(65) |
G 21/2 - В |
53 |
6 |
0,652 |
0,580 |
|
(80) |
G 3 - В |
59 |
6 |
0,874 |
0,848 |
|
(100) |
G 4 - В |
84 |
6 |
1,930 |
1,750 |
* Для справок.
Примечания:
1. Масса оцинкованных соединительных частей не должна превышать массу неоцинкованных более чем на 5 %.
2. Муфты с Dу, указанными в таблице в скобках, применять не рекомендуется.
Примеры условных обозначений
Прямой короткой муфты с D 40мм:
Муфта короткая 40 ГОСТ 8954-75
То же, с цинковым покрытием:
Муфта короткая Ц-40 ГОСТ 8954-75
(Измененная редакция, Изм. № 1).
2. Конструктивные размеры и технические требования - по ГОСТ 8944-75.