ТРУБЫ МЕТАЛЛИЧЕСКИЕ
И СОЕДИНИТЕЛЬНЫЕ ЧАСТИ
К НИМ
Часть 4
ТРУБЫ ИЗ ЧЕРНЫХ МЕТАЛЛОВ И СПЛАВОВ
ЛИТЫЕ И СОЕДИНИТЕЛЬНЫЕ ЧАСТИ К НИМ.
ОСНОВНЫЕ РАЗМЕРЫ.
МЕТОДЫ ТЕХНОЛОГИЧЕСКИХ ИСПЫТАНИЙ ТРУБ
ГОСТ 8956-75*
ИПК ИЗДАТЕЛЬСТВО СТАНДАРТОВ
1998
ГОСУДАРСТВЕННЫЙ СТАНДАРТ СОЮЗА ССР
|
СОЕДИНИТЕЛЬНЫЕ ЧАСТИ ИЗ КОВКОГО ЧУГУНА С ЦИЛИНДРИЧЕСКОЙ РЕЗЬБОЙ ДЛЯ ТРУБОПРОВОДОВ. МУФТЫ КОМПЕНСИРУЮЩИЕ Основные размерыDuctile iron fittings with parallel thread for
pipelines. |
ГОСТ Взамен |
Постановлением Государственного комитета стандартов Совета Министров СССР от 14.11.75 № 2901 дата введения установлена
01.01.77
Ограничение срока действия снято по протоколу Межгосударственного Совета по стандартизации, метрологии и сертификации (ИУС 2-93)
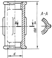
1. Основные размеры муфты должны соответствовать указанным на чертеже и в таблице.

Примечание. Чертеж не определяет конструкцию муфты.
Размеры в мм
|
Условный проход Dy |
Резьба d |
Число ребер |
Масса без покрытия, кг, не более* |
|
15 |
G 1/2 - В |
2 |
0,175 |
|
20 |
G 3/4 - В |
2 |
0,236 |
|
25 |
G 1 - В |
4 |
0,342 |
|
32 |
G 11/4 - В |
4 |
0,462 |
|
40 |
G 1/2 - В |
4 |
0,582 |
|
50 |
G 2 - В |
6 |
0,832 |
* Для справок.
Примечание. Масса оцинкованных соединительных частей не должна превышать массу неоцинкованных более чем на 5 %.
Примеры условных обозначений
Компенсирующей муфты без покрытий с Dy 40 мм:
Муфта компенсирующая 40 ГОСТ 8956-75
То же, с цинковым покрытием:
Муфта компенсирующая Ц-40 ГОСТ 8956-75
(Измененная редакция, Изм. № 1).
2. Конструктивные размеры и технические требования - по ГОСТ 8944-75.