
ГОСУДАРСТВЕННЫЙ СТАНДАРТ СОЮЗА ССР
РЕЛЬСЫ ДЛЯ НАЗЕМНЫХ
И ПОДВЕСНЫХ ПУТЕЙ
СОРТАМЕНТ
ГОСТ 19240-73*
ГОСУДАРСТВЕННЫЙ КОМИТЕТ СССР
ПО УПРАВЛЕНИЮ КАЧЕСТВОМ ПРОДУКЦИИ И СТАНДАРТАМ
Москва
ГОСУДАРСТВЕННЫЙ СТАНДАРТ СОЮЗА ССР
|
РЕЛЬСЫ ДЛЯ НАЗЕМНЫХ И ПОДВЕСНЫХ ПУТЕЙ Сортамент Rails for ground and suspended tracks Dimensions |
ГОСТ 19240-73* Взамен ГОСТ 5157-53 в частиРельсовых двухголовых, тавровых и типа Р5 для наземных и подземных путей |
Постановлением Государственного комитета стандартов Совета Министров СССР от 29 ноября 1973г. № 2610 срок введения установлен
с 01.01.75
Постановлением Госстандарта СССР от 28.03.89 № 768
срок действия продлён до 01.07.95
*Переиздание (январь 1991 г.) с Изменением №1, утвержденным в декабре 1984 г. (ИУС 4-85)
1. Настоящий стандарт распространяется на рельсы двухголовые, тавровые и типа Р5, предназначенные для наземных и подвесных путей.
Установленные настоящим стандартом показатели технического уровня предусмотрены для первой категории качества.
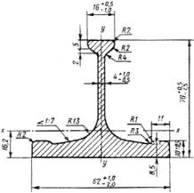
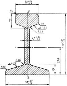
2. Размеры поперечного сечения и предельные отклонения размеров рельсов должны соответствовать указанным на черт. 1-3.
Расчетные величины рельсов указаны в приложении.
1, 2 (Измененная редакция, Изм. № 1).
3. Несимметричность поперечного сечения головки и подошвы рельсов относительно вертикальной оси шейки не должна превышать полусуммы отклонений размеров соответствующих элементов профиля.
4. Размеры, па которые не указаны предельные отклонения, даны для построения калибров и на готовом прокате не определяются.
5. Двухголовые и тавровые рельсы изготовляют:
мерной длины;
кратной мерной длины;
немерной длины.
Длина рельсов устанавливается по требованию потребителя, но не должна быть более 8 м для двухголовых рельсов и не более 7 м для тавровых рельсов.
6. Рельсы типа Р5 поставляются длиной 6 м.
Допускается изготовление рельсов немерной длины от 1,5 до 4,6 м не более 5% массы партии и от 4,6 до 8,0 м не более 20 % массы партии.
7. Рельсы изготовляются без фрезеровки торцов.
4-7 (Измененная редакция, Изм. № 1).
8. Предельные отклонения по длине рельсов мерной и кратной мерной длины не должны превышать:
+40 мм-для рельсов длиной до 4 м включительно;
+60 мм-для рельсов длиной свыше 4 до 6 м включительно;
+80 мм-для рельсов длиной свыше 6 м.
9. Кривизна рельсов в горизонтальной и вертикальной плоскостях не должна превышать 0,40% длины.
10. Определение размеров поперечного сечения проводят на расстоянии не менее 500 мм от торца профиля. Измерение толщины шейки проводят у торца рельса.
11. Скручивание рельсов вокруг продольной оси не допускается.
12. Марки стали, из которой изготовляются рельсы, и технические требования по ГОСТ 535-88 и другим действующим стандартам, оговоренным в заказе.
Рельс двухголовый

Рельс тавровый

Черт. 2
Рельс типа Р5

Справочное
Расчетные величины рельсов
|
|
Расчетные величины рельсов |
||
|
Наименования параметров |
двухголовых |
тавровых |
типа Р5 |
|
Площадь поперечного сечения, см2 |
29,10 |
11,92 |
5,91 |
|
Момент инерции относительно горизонтальной оси, см4 |
913,86 |
50,38 |
22,16 |
|
Момент инерции относительно вертикальной оси, см4 |
23,03 |
44,95 |
2,87 |
|
Момент сопротивления относительно горизонтальной оси, см3 |
114,23 |
- |
- |
|
Момент сопротивления относительно горизонтальной оси (верх), см3 |
- |
9,37 |
7,76 |
|
Момент сопротивления относительно горизонтальной оси (низ), см3 |
- |
30,98 |
9,45 |
|
Момент сопротивления относительно вертикальной оси, см3 |
11,52 |
10,96 |
1,51 |
|
Расстояние центра тяжести до подошвы, см |
- |
1,63 |
2,34 |
|
Масса 1 м, кг |
22,84 |
9,36 |
4,64 |
Примечание. Площадь поперечного сечения и масса 1 м рельса вычислены по номинальным размерам, при этом плотность стали принята равной 7,85 г/см3.