МЕЖГОСУДАРСТВЕННЫЙ СТАНДАРТ
ОСНОВНЫЕ
СОЕДИНЕНИЯ ДЕТАЛЕЙ ИЗ ДРЕВЕСИНЫ
И ДРЕВЕСНЫХ МАТЕРИАЛОВ
Типы и размеры
ГОСТ 9330-76
2000
МЕЖГОСУДАРСТВЕННЫЙ СТАНДАРТ
|
ОСНОВНЫЕ
СОЕДИНЕНИЯ ДЕТАЛЕЙ ИЗ ДРЕВЕСИНЫ Типы и размеры Principal joints of details of wood and wood materials. |
ГОСТ Взамен |
Постановлением Государственного комитета стандартов Совета Министров СССР от 11 мая 1976 г. № 1161 срок введения установлен
с 01.07.77
Ограничение срока действия снято по протоколу № 7-95 Межгосударственного Совета по стандартизации, метрологии и сертификации (ИУС 11-95)
Настоящий стандарт распространяется на основные шиповые соединения деталей из древесины и устанавливает их типы и размеры.
1.1. Типы основных соединений деталей из древесины имеют следующие условные обозначения:
УК - угловое концевое;
УС - угловое серединное;
УЯ - угловое ящичное;
К - по кромке;
Ду - по длине на «ус»
1.2. Типы и размеры угловых концевых соединений (УК) должны соответствовать указанным в табл. 1.
Таблица 1
|
Условные обозначения |
Схемы и размеры соединений |
||||
|
На шип открытый сквозной |
одинарный |
УК-1 |
S1=0,4S0; S2=0,5(S0-S1) |
||
|
двойной |
УК-2 |
S1=S2=S3=0,20S0; S2=0,5[S0-(2S1+S3)] |
|||
|
тройной |
УК-3 |
S1=S3=0,14S0 и S2=0,15S0 |
|||
|
На шип с полупотемком |
несквозной |
УК-4 |
S1=0,4S0; l=(0,5-0,8)B; h=0,7B1; S2=0,5(S0-S1); b - не менее 2 мм; l1=(0,3-0,6)l |
||
|
сквозной |
УК-5 |
S1=0,4S0; l=0,5B; h=0,6B1; S2=0,5(S0-S1) |
|||
|
На шип с потемком |
несквозной |
УК-6 |
S1=0,4S0; l=(0,5-0,8)B; h=0,7B1; S2=0,5(S0-S1); b - не менее 2 мм |
||
|
сквозной |
УК-7 |
S1=0,4S0; h=0,6B1; S2=0,5(S0-S1) |
|||
|
На шипы круглые вставные (шканты) |
несквозные и сквозные |
УК-8 |
d=0,4S0; l - длина шканта (2,5-6)d; l1 более l на 2-3 мм |
||
|
На ус со вставными круглыми шипами (шкантами) |
несквозные |
УК-9 |
d=0,4S0; l - длина шканта (2,5-6)d; l1 более l на 2-3 мм Допускается применять сквозные шканты |
||
|
На ус со вставным плоским шипом |
несквозной |
УК-10 |
S1=0,4S0. Для деталей толщиной до 10 мм S1=2-3 мм; l=(1-1,2)В; b=0,75B. Допускается соединение деталей на ус двойным вставным шипом, при этом S1=0,2S0. |
||
|
сквозной |
У К-11 |
S1=0,4S0. Для деталей толщиной до 10 мм S1=2-3 мм; l=(1-1,2)В; b=0,75B. Допускается соединение на "ус" двойным вставным шипом, при этом S1=0,2S0. |
|||
|
Зубчатое |
УК-12 |
|
|||
|
Длина зубчатого шипа L |
Шаг шипа l |
Затупление b |
|||
|
50 |
12,00 |
2,0 |
|||
|
32 |
8,00 |
1,0 |
|||
|
20 |
6,00 |
1,0 |
|||
|
10 |
3,50 |
0,5 |
|||
|
5 |
1,75 |
0,2 |
|||
1.2.1. Расчетные толщины шипов и диаметров шкантов соединений типов УК округляют до ближайшего размера: 4; 6; 8; 10; 12; 14; 16; 20 и 25 мм.
1.2.2. В соединениях типов УК-1 - УК-7 значение величины S2 установлено для симметричного расположения шипов. При несимметричном расположении шипов величину S2 устанавливают в зависимости от назначения и конструкции изделия.
При различных толщинах соединяемых деталей S1 назначают в зависимости от толщины с шипом.
В соединениях типов УК-1 - УК-3 и УК-7 допускается дополнительное крепление соединения нагелем на клею, а угол a принимают в зависимости от конструкции изделия.
1.3. Типы и размеры угловых серединных соединений (УС) должны соответствовать указанным в табл. 2.
Таблица 2
|
Условные обозначения |
Схемы и размеры соединений |
||
|
На шип одинарный |
несквозной |
УС-1 |
|
|
несквозной в паз |
УС-2 |
|
|
|
сквозной |
УС-3 |
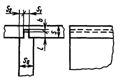
S1=0,4S0; S2=0,5(S0-S1); b - не менее 2 мм. l1=(0,3-0,8)B; l2=(0,2-0,3)B1. В соединениях типов УС-1, УС-2 допускается двойной шип, при этом S1=0,2S0, R соответствует радиусу фрезы |
|
|
На шип двойной |
сквозной |
УС-4 |
S1=S2=S3=0,20S0; S2=0,5[S0-(2S1+S3)] |
|
В паз и гребень |
несквозной |
УС-5 |
S1=(0,4-0,5)S0; l=(0,3-0,8)S; S2=0,5(S0-S1); b - не менее 2 мм |
|
В паз |
несквозной |
УС-6 |
l=(0,3-0,5)S0; b - не менее 1 мм |
|
На шипы круглые вставные (шканты) |
несквозные |
УС-7 |
d=0,4S0; l - длина шканта (2,5-6)d; l1 более l на 2-3 мм. Допускается применять сквозные шканты |
|
На шип «ласточкин хвост» |
несквозной |
УС-8 |
l=(0,3-0,5)B1; S1=0,85S0; полученный размер округляют до ближайшего диаметра фрезы 13; 14; 15; 16; 17 мм, а не менее S0 |
1. Угловые соединения (концевые и серединные) допускается выполнять с фасками и фальцами, размеры которых соответствуют стандартизованному дереворежущему инструменту.
2. Допускается подсечка заплечиков под углом 45°.
3. Дно паза может быть плоским или другой формы в зависимости от формы присоединяемой детали.
(Измененная редакция, Изм. № 2).
1.2, 1.3. (Измененная редакция, Изм. № 1).
1.3.1. Расчетные толщины шипов и диаметры шкантов соединений типов УС округляют до ближайшего размера 4; 6; 8; 10; 12; 14; 16; 20 и 25 мм, а угол a устанавливают в зависимости от конструкции изделия.
1.3.2. В соединениях типов УС-1 - УС-4 значение величины S2 установлено для симметричного расположения шипов. При несимметричном расположении шипов величину S2 устанавливают в зависимости от назначения и конструкции изделия.
(Введен дополнительно, Изм. № 2).
1.4. Типы и размеры угловых ящичных соединений (УЯ) должны соответствовать указанным в табл. 3.
Таблица 3
|
Условные обозначения |
Схемы и размеры соединений |
||
|
На шип прямой |
открытый |
УЯ-1 |
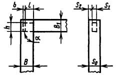
S1=S3=6; 8; 10; 12; 14; 18 мм; l=S0; S2 не менее 0,3S0 |
|
На шип «ласточкин хвост» |
УЯ-2 |
S1=0,85S0; полученный размер округляют до ближайшего диаметра фрезы: 13; 14; 15; 16 и 17 мм; S2 - не менее 0,75S0; S3=(0,85-3)S0; l=S0; a=10°. Допускается соединение на шип "ласточкин хвост" в полупотай |
|
|
На шип круглый вставной (шкант) |
открытый |
УЯ-3 |
d=0,4S0 полученный диаметр шкантов округляют до ближайшего размера 4; 6; 8; 10; 12; 16; 20 и 25 мм; l=(2,5-6)d; l1 более l на 1-2 мм; b=от 0 до dmin |
(Измененная редакция, Изм. № 1).
1.5. Типы и размеры соединений по кромке (К) деталей должны соответствовать указанным в табл. 4.
Таблица 4
|
Условные обозначения |
Схемы и размеры соединений |
|||||||||||||||||||||||||||||||||||||||||
|
На рейку |
| |
К-1 |
l=20-30 мм; l1 более l на 2-3 мм; S1=0,4S0 (для реек из древесины); S1=0,25S0 (для реек из фанеры). Размер S1 округляют до ближайшего размера пазовой дисковой фрезы; 4; 5; 6; 8; 10; 12; 16 и 20 мм. Допускаются на кромках одно- и двухсторонние фаски |
|||||||||||||||||||||||||||||||||||||||
|
В четверть |
| |
К-2 |
h=(S0/2)-0,5 мм. Допускаются на кромках одно- и двухсторонние фаски мм
Допускается в соединении деталей платформ грузовых автомобилей и прицепов при S0 свыше 30 мм глубина четверти b=8 мм |
|||||||||||||||||||||||||||||||||||||||
|
В паз и гребень |
Прямоугольный |
К-3 |
r=от 1 до 2 мм; l1 более l на 1-2 мм мм
Допускаются на кромках одно- и двухсторонние фаски. Для тары, включая специальную, допускается при S0=22 мм, S1=6 мм, l=6 мм Допускается формирование соединения без заоваливания радиусом r углов гребня и паза |
|||||||||||||||||||||||||||||||||||||||
|
К-4 |
|
|||||||||||||||||||||||||||||||||||||||||
|
трапецеидальный |
К-5 |
Допускаются одно- и двухсторонние фаски. В соединениях деталей платформ грузовых автомобилей и прицепов при S0 свыше 30 мм допускается l=7 мм Допускается формирование соединения без заоваливания радиусом r углов гребня и паза |
||||||||||||||||||||||||||||||||||||||||
|
На гладкую фугу |
| |
К-6 |
|
|||||||||||||||||||||||||||||||||||||||
|
В паз и гребень |
Прямоугольный |
К-7 |
|
|||||||||||||||||||||||||||||||||||||||
(Измененная редакция, Изм. № 1, 2).
1.6. Соединение деталей по длине на зубчатый шип должно соответствовать требованиям ГОСТ 19414-90.
1.7. Соединение деталей по длине на «ус» (Ду) должно соответствовать требованиям, указанным на чертеже.
В деталях, требующих повышенной прочности, длину усового соединения L устанавливают (10-12) S0.
1.8. Точность изготовления элементов и методы испытания соединений указаны в приложении.
1.9. Величина отклонений от номинальных размеров шиповых соединений деталей из древесины устанавливается в нормативно-технической документации на конкретные изделия и должна соответствовать требованиям ГОСТ 6449.1-82 и ГОСТ 6449.3-82.
(Введен дополнительно, Изм. № 1).

где L=8S0
Рекомендуемое
1. Наибольшая прочность клеевых соединений деревянных деталей достигается при точности изготовления элементов соединения (толщина и ширина гнезда), обеспечивающей в период сборки натяг от 0 до 0,3 мм. Нижний предел от 0 до 0,2 мм принимают для шипов из древесины твердых лиственных пород, а верхний предел от 0,1 до 0,3 мм - для шипов из древесины хвойных и мягких лиственных пород.
2. Прочность угловых концевых и ящичных соединений (УК, УЯ) испытывают по схеме, указанной в ГОСТ 23166-78. Предел прочности вычисляют с погрешностью не более 0,001 МПа (0,01 кгс/см2) по формуле
![]()
где Р - максимальная нагрузка при разрушении образца Н, (кгс);
В - ширина бруска м, (мм);
S - толщина бруска м, (мм).
3. Прочность клеевого соединения на гладкую фугу при скалывании вдоль волокон испытывают по ГОСТ 15613.1-84.
4. Прочность соединений деталей по длине на «ус» испытывают на растяжение по ГОСТ 15613.5-79, при этом длина образца должна быть не менее 500 мм.
Испытания на статический изгиб проводят по ГОСТ 15613.4-78.
(Измененная редакция, Изм. № 1).
5. Прочность соединений типов УК и УС, используемых в конструкциях с горизонтальным расположением элементов и вертикальным направлением действия нагрузок, испытывают по схеме, указанной на чертеже.
