
ГОСУДАРСТВЕННЫЙ СТАНДАРТ СОЮЗА ССР
ПЛИТЫ ДРЕВЕСНОСТРУЖЕЧНЫЕ
МЕТОДЫ
ОПРЕДЕЛЕНИЯ ПРЕДЕЛА ПРОЧНОСТИ
И МОДУЛЯ УПРУГОСТИ ПРИ ИЗГИБЕ
ГОСТ 10635-88
(СТ СЭВ 6013-87)
ГОСУДАРСТВЕННЫЙ КОМИТЕТ СССР ПО СТАНДАРТАМ
Москва
ГОСУДАРСТВЕННЫЙ СТАНДАРТ СОЮЗА ССР
|
ПЛИТЫ ДРЕВЕСНОСТРУЖЕЧНЫЕ Методы определения предела прочности Particle
boards. Methods for determining |
ГОСТ (CT СЭВ 6013-87) |
Срок действия с 01.01.90
до 01.01.95
Настоящий стандарт распространяется на древесностружечные плиты и устанавливает методы определения предела прочности и модуля упругости при изгибе.
Испытательная машина, обеспечивающая точность отсчета, равную 1 % разрушающей нагрузки.
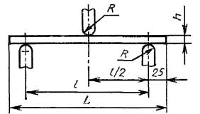
Испытательное устройство, состоящее из двух параллельных горизонтальных опор с цилиндрической поверхностью, которые можно перемещать в горизонтальной плоскости, и ножа с цилиндрической поверхностью, расположенного параллельно опорам на равном расстоянии от них и перемещающегося в вертикальной плоскости относительно опор при движении нагружающего элемента испытательной машины.
Длина опор и ножа должна быть равной ширине образца или превышать ее.
Радиусы R цилиндрической части опор и ножа должны быть равны соответственно (7,5 ± 0,5) мм и (15 ± 0,5) мм.
На опорах должны быть нанесены отметки для установки образцов по центру опор.
Приспособление с индикатором по ГОСТ 577-68 или ГОСТ 9696-82 для измерения прогиба с погрешностью измерения перемещения не более 0,01 мм.
Инструмент для измерения линейных размеров образцов и расстояния между опорами по ГОСТ 10633-78.
(Измененная редакция, Изм. № 1).
2.1. Правила отбора, количество, точность изготовления и кондиционирование образцов - по ГОСТ 10633-78.
2.2. Образцы должны иметь форму прямоугольного параллелепипеда толщиной, равной толщине плиты.
Ширина образца должна быть равна 50 мм, а длина - 20-кратной толщине плюс 50 мм при длине от 150 до 1050 мм.
Образцы не должны иметь дефектов, снижающих их прочность.
(Измененная редакция, Изм. № 1).
2.3. Из каждой испытуемой плиты одну половину образцов вырезают вдоль, а другую половину - поперек плиты.
2.4. Толщину образца измеряют в центре поперечной оси согласно черт. 1.
Длину образца измеряют по его продольной, а ширину - по его поперечной оси.
Черт. 1
3.1. Расстояние между центрами опор устанавливают равным 20-кратной толщине образца, но не менее 100 мм и не более 1000 мм.
(Измененная редакция, Изм. № 1).
3.2. Образец укладывают на опоры испытательного устройства по отметкам так, чтобы продольная ось образца была перпендикулярна осям опор, а поперечная ось находилась в одной вертикальной плоскости с осью ножа согласно черт. 2.
Черт. 2
3.3. В пределах группы образцов с одинаковой ориентацией одну половину испытывают, укладывая на опоры испытательного устройства лицевой пластью вверх, а другую половину - лицевой пластью вниз.
3.4. При определении предела прочности при изгибе производят нагружение образца с постоянной скоростью до разрушения и регистрируют максимальную нагрузку с точностью до 1 %.
Время от начала нагружения до разрушения образца должно составлять (60 ± 30) с.
(Измененная редакция, Изм. № 1).
3.5. При определении модуля упругости при изгибе нагружение образца проводят со скоростью перемещения ножа 1-2 мм/мин и снимают не менее 8 показаний прогиба образца через равные интервалы приращения разрушающей нагрузки в диапазоне от 10 % до 40 %.
Прогиб измеряют в плоскости действия нагрузки с точностью до 0,01 мм, при этом на чувствительный элемент измерительного прибора не должно сказываться местное смятие образца.
По полученным значениям приращений нагрузки и прогиба строят прямолинейный график, усредняя разброс отдельных значений от линейного закона.
Допускается определять угловой коэффициент прямой аналитически (без построения графика) - сглаживанием разброса точек прямой по методу наименьших квадратов.
(Измененная редакция, Изм. № 1).
4.1. Предел прочности при изгибе образца (σi)в МПа вычисляют по формуле
![]()
где F - сила нагружения, действующая на образец в момент разрушения, Н;
l - расстояние между опорами испытательного устройства, мм;
b - ширина образца, мм;
h - толщина образца, мм.
Результат округляют с точностью до первого десятичного знака.
4.2. Модуль упругости при изгибе образца (Ei) вычисляют в МПа по формуле
![]()
где l - расстояние между опорами испытательного устройства, мм;
b - ширина образца, мм;
h - толщина образца, мм;
F2 - F1 - фиксированное (2 - 3 интервала) приращение нагрузки Н;
S2 - S1 - приращение прогиба, соответствующее фиксированному приращению нагрузки, определяемому по графику с точностью до 0,1 мм.
При аналитическом определении углового коэффициента прямой k в Н/мм, модуль упругости образца вычисляют по формуле
![]()
Результат округляют с точностью до целого числа.
4.3. За результат испытания плиты принимают среднее арифметическое значение результатов испытания всех образцов, отобранных из данной плиты с округлением, указанным в пп. 4.1 и 4.2.
4.4. Результаты испытаний заносят в протокол, составленный по ГОСТ 10633-78.
ИНФОРМАЦИОННЫЕ ДАННЫЕ
1. РАЗРАБОТАН И ВНЕСЕН Министерством лесной промышленности СССР
ИСПОЛНИТЕЛИ:
О.Е. Поташев, канд. техн. наук; И.В. Пинтус
2. УТВЕРЖДЕН И ВВЕДЕН В ДЕЙСТВИЕ Постановлением Государственного комитета СССР по стандартам от 19.12.88 № 4251
3. Стандарт полностью соответствует СТ СЭВ 6013-87
4. ВЗАМЕН ГОСТ 10635-78
5. ССЫЛОЧНЫЕ НОРМАТИВНО-ТЕХНИЧЕСКИЕ ДОКУМЕНТЫ
(Измененная редакция, Изм. № 1).
СОДЕРЖАНИЕ