Нормативные документы размещены исключительно с целью ознакомления учащихся ВУЗов, техникумов и училищ.
Объявления:

ГОСУДАРСТВЕННЫЙ СТАНДАРТ СОЮЗА ССР

ПИГМЕНТЫ И НАПОЛНИТЕЛИ
НЕОРГАНИЧЕСКИЕ

МЕТОДЫ ОПРЕДЕЛЕНИЯ ЦВЕТА И БЕЛИЗНЫ

ГОСТ 16873-92
(ИСО 787/1-82)

ГОССТАНДАРТ РОССИИ

Москва

ГОСУДАРСТВЕННЫЙ СТАНДАРТ СОЮЗА ССР

ПИГМЕНТЫ И НАПОЛНИТЕЛИ НЕОРГАНИЧЕСКИЕ

Методы определения цвета и белизны

Inorganic pigments and extenders.
Methods for colour and whiteness determination

ГОСТ
16873-92

(ИСО 787/1-82)

Дата введения 01.07.93

Настоящий стандарт распространяется на неорганические пигменты и наполнители и устанавливает визуальные методы определения цвета и инструментальный метод определения цвета и белизны.

Требования, отражающие потребности народного хозяйства, выделены курсивом.

1. ВИЗУАЛЬНЫЕ МЕТОДЫ

1.1. Настоящий стандарт устанавливает общий метод сравнения цвета испытуемого цветового пигмента с цветом согласованного (контрольного) образца.

1.2. Допускается применение любого из описанных в разд. 6 методов сравнения цвета, но основным является метод с использованием пастотерки.

Примечание. Если общий метод может быть применен при испытании пигмента или наполнителя, то в стандарте на конкретный пигмент или наполнитель следует дать ссылку на настоящий стандарт с указанием всех отступлений, внесенных в общий метод с учетом специфических свойств испытуемого пигмента или наполнителя. Если общий метод не может быть применен, то в стандарте на конкретный пигмент или наполнитель должен быть указан метод сравнения цвета.

2. ССЫЛКИ

ГОСТ 5791*) Масло льняное техническое. Технические условия.

ГОСТ 9980.2 Материалы лакокрасочные. Отбор проб для испытаний.

ГОСТ 29319 Материалы лакокрасочные. Метод визуального сравнения цвета.

* Допускается применение стандарта до прямого применения международного стандарта ИСО 150.

3. МАТЕРИАЛЫ

Вид связующего должен быть согласован с заинтересованными сторонами. Если связующее не установлено или не согласовано, то используется льняное рафинированное масло по ГОСТ 5791.

3.1. Масло льняное рафинированное отбеленное, цвет масла по иодометрической шкале должен быть не более 20 мг йода.

3.2. Вода дистиллированная по ГОСТ 6709.

3.3. Глицерин по ГОСТ 6259.

3.4. Желатинофотографический раствор с массовой долей желатина 1 %.

3.5. Смесь глицерина с раствором желатины готовят следующим образом: к 100 см3 раствора желатины с массовой долей 1 % прибавляют 1,6 см3 глицерина и тщательно перемешивают. Полученная смесь пригодна для применения в течение двух суток.

4. АППАРАТУРА

4.1. Шпатель со стальным лезвием или из пластмассы длиной 140 - 150 мм, шириной в самом широком месте - 20 - 25 мм, в самом узком месте - 12,5 мм. Шпатель металлический.

4.2. Пластина минимальными размерами 150×50 мм. Выбирается в соответствии с использующимся связующим и методом сравнения цвета. Если используется стеклянная пластина, то она должна быть прозрачной и бесцветной. Пластины стеклянные специального назначения по ТУ 21-0284461-058.

4.3. Бюретка, обеспечивающая содержание в 1 см3 связующего 35 капель. Бюретка 6-2-5 по ГОСТ 20292.

4.4.1. Автоматическая пастотерка с дисками из шлифованного стекла диаметром 180 - 250 мм, желательно с водяным охлаждением, к которой может быть приложена переменная, но определенная сила приблизительно до 1 кН. Скорость вращения приводного стеклянного диска - 70 - 120 об/мин. Пастотерка должна иметь устройство для предварительной установки оборотов, кратных 25. Машина автоматическая для перетира паст типа МАПП-1.

Примечание. При отсутствии водяного охлаждения необходимо следить за тем, чтобы в процессе диспергирования температура не изменялась.

4.4.2. Курант диаметром 70 - 75 мм или диаметром 60 - 80 мм.

4.5. Плита мраморная, гранитная или стеклянная (при отсутствии автоматической пастотерки).

4.6. Цветоизмерительные приборы типа спектроколориметров «Радуга-2», «Спектротон», «Пульсар», ПТК, «Спектр», колориметр отражения КО-1, компараторы цвета типа КЦ-2, КЦ-3, спектрофотометры типа СФ-28 и другие цветоизмерительные приборы, позволяющие измерять координаты цвета и другие цветовые характеристики в системе XYZ МКО 1931 и CIELAB при геометрии освещения и наблюдения диффузное/нормальное и источнике света С по ГОСТ 7721.

4.7. Весы лабораторные общего назначения по ГОСТ 24104 2-го и 3-го классов точности с наибольшими пределами взвешивания 200 и 1000 г соответственно.

4.8. Чашка выпарительная 2 по ГОСТ 9147.

4.9. Ступка 1 по ГОСТ 9147.

4.10. Пестик 1 по ГОСТ 9147.

4.11. Кисть типа КФ-25 по ГОСТ 10597.

4.12. Бумага чертежная по ГОСТ 597.

4.13. Контрольные образцы цвета и белизны пигментов и наполнителей, утвержденные в установленном порядке (образцы сравнения).

5. ОТБОР ПРОБ

Отбор проб для испытания проводят по ГОСТ 9980.2.

6. ПРОВЕДЕНИЕ ИСПЫТАНИЯ

6.1. Метод с использованием автоматической пастотерки

6.1.1. Масса пигмента

Взвешивают с точностью до 1 мг определенное количество пигмента, при смешивании которого с соответствующим количеством связующего образуется паста, которая должна заполнять всю поверхность дисков.

Навеску пигмента берут в соответствии со значениями маслоемкости по таблице. Маслоемкость предварительно определяют по ГОСТ 21119.8, разд. 1.

Маслоемкость пигмента, см3/100 г пигмента

Масса навески пигмента

Менее 25

1,00

25 - 65

0,30

Более 65

0,10

6.1.2. Приготовление пасты

Навеску испытуемого пигмента помещают на нижний диск пастотерки или машины типа МНПП-1 (п. 4.4.1), из бюретки на лезвие шпателя (п. 4.1.1) отбирают избыточное количество связующего и с помощью этого лезвия смешивают пигмент со связующим до образования однородной пасты. Количество масла должно быть указано в нормативно-технической документации на пигмент. Пасту наносят полосой шириной 50 мм посередине между центром и краем нижнего диска, и тщательно вытирают шпатель о края верхнего диска. Закрывают диски и растирают пасту в несколько циклов по 50 оборотов с силой 1 кН. После каждой стадии собирают пасту шпателем и наносят полосой шириной 50 мм на нижний диск.

Перетир пигментной пасты производят при полной нагрузке машины за четыре цикла.

Примечание. Приложенная сила и число стадий зависят от природы испытуемого образца и должны быть одинаковыми для испытуемого и согласованного образцов.

По окончании диспергирования добавляют еще несколько капель связующего для получения одинаковой консистенции пасты и материала, находящегося на дисках и диспергируют пасту еще в течение 25 оборотов. После этого собирают пасту с дисков пастотерки и сохраняют в выпарительной чашке.

Контрольную пасту утвержденного образца готовят отписанным выше способом аналогичной консистенции.

6.1.3. Сравнение цвета

Испытуемую и контрольную пасты наносят на стеклянную пластину шпателем в виде двух соприкасающихся полос шириной не менее 25 мм и длиной не менее 40 мм. При двух утвержденных образцах полоска пасты испытуемого пигмента располагается между полосками пасты контрольных образцов. Сравнивают цвет, изучая поверхность обеих полосок при рассеянном дневном свете через стекло сразу же после нанесения в соответствии с ГОСТ 29319. При отсутствии хорошего дневного освещения для сравнения используют искусственный дневной свет.

Цвет накрасок сравнивают при аналогичных условиях освещения.

Примечание. По согласованию с заинтересованными сторонами сравнение цвета можно проводить с помощью колориметра.

При одном контрольном образце цвет пасты или накраски образца испытуемого пигмента должен соответствовать цвету пасты или накраски контрольного образца

При двух контрольных образцах цвет пасты или накраски образца испытуемого пигмента должен быть в пределах допускаемых отклонений, установленных контрольными образцами.

6.2. Метод с использованием куранта или шпателя

6.2.1. Масса пигмента

0,1 - 1,0 г (в зависимости от маслоемкости) испытуемого пигмента взвешивают с точностью до третьего десятичного знака.

6.2.2. Приготовление пасты

Взвешенный пигмент помещают на стеклянную или мраморную плиту (п. 4.5), отбирают из бюретки (п. 4.3) на лезвие шпателя (п. 4.1) избыточное количество связующего (п. 6.1.2) и с помощью этого лезвия смешивают пигмент и связующее до получения однородной пасты.

Количество масла - по п. 6.1.2.

После равномерного смешения пигмента и связующего пасту растирают с помощью шпателя или куранта, производя движение вперед и назад. В результате паста должна быть распределена на площади размером 200×75 мм. После 100 растираний (каждое включает движение вперед и назад), собирают смесь пигмента и связующего в центре плиты и убеждаются в отсутствии на лезвии шпателя неизмельченного пигмента.

Повторяют еще 100 движений шпателем или курантом, затем добавляют несколько капель связующего для получения соответствующей консистенции. Пасту перемешивают до получения однородной смеси. Пасту собирают и сохраняют, а плиту тщательно очищают. Контрольную пасту утвержденного образца готовят описанным выше способом аналогичной консистенции.

6.2.2.а. Приготовление накраски

2,00 г пигмента или наполнителя взвешивают с погрешностью не более 0,01 г, помещают на мраморную или гранитную плиту или в фарфоровую ступку, прибавляют смесь глицерина с раствором желатины температурой 25 - 30 °С. Количество смеси должно быть указано в нормативно-технической документации на пигмент или наполнитель. Смесь перетирают курантом на плите около 2 мин (60 возвратно-поступательных движений курантом). Через каждые 20 движений смесь собирают шпателем на середину занятой площади. Допускается перетирать смесь пестиком в ступке приблизительно 5 мин или на пастотерке по п. 6.1.2.

Полученную смесь при помощи шпателя или кисти наносят на чертежную бумагу. Шпателем смесь наносят в один слой и высушивают при комнатной температуре до полного высыхания не менее 3 ч. Кистью смесь наносят до полного укрытия, подсушивая каждый слой при комнатной температуре в течение 3 - 5 мин.

Аналогично готовят накраску из одного или двух контрольных образцов цвета пигмента или наполнителя

6.2.3. Сравнение цвета

Сравнивают цвета испытуемого и утвержденного образцов, как указано в п. 6.1.3.

7. ПРОТОКОЛ ИСПЫТАНИЯ

Протокол испытания должен содержать следующие данные:

тип и марку испытуемого пигмента;

ссылку на настоящий стандарт;

использованное связующее;

использованный метод испытания (с использованием пастотерки, куранта или шпателя);

подробное описание метода сравнения цвета (п. 6.1.3);

результат испытания (соответствует цвет испытуемого образца цвету согласованного образца или отличается от него);

любое отклонение (согласованное или нет) от приведенной методики испытания;

дату проведения испытания.

8. ИНСТРУМЕНТАЛЬНЫЙ МЕТОД

Инструментальный метод заключается в измерении при расчете координат цвета, цветовых характеристик и белизны образца испытуемого пигмента или наполнителя и сравнении их с аналогичными характеристиками контрольных образцов цвета. Формулы расчета координат цвета, цветовых характеристик, цветовых различий и белизны даны в приложении.

8.1. Проведение испытания

8.1.1. Цветоизмерительные приборы - по п. 4.6.

8.1.2. Приготовление пасты - по п. 6.1.2; 6.2.2.

8.1.3. Приготовление накраски - по п. 6.2.2а.

8.1.4. Прессование порошкообразных образцов

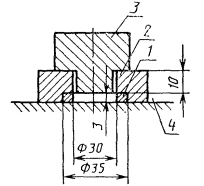
На гладкую поверхность пластины из оргстекла (черт. 1), покрытую калькой, ставят стальное кольцо с формой, засыпают пигмент (наполнитель) до верхнего уровня формы и прессуют стальным стержнем-пуансоном на лабораторном прессе под давлением (14,7 ± 0,5) МПа. Допускается запрессовка образца вручную. При необходимости перед измерением кольцо помещают в оправу (черт. 2) из винипласта или другого материала. Поверхность запрессованного образца должна быть ровной, гладкой без видимых дефектов.

8.1.5. Измерение цветовых характеристик, цветовых различий и белизны образца испытуемого пигмента или наполнителя и подготовка прибора к работе проводится в соответствии с инструкцией по эксплуатации, прилагаемой к цветоизмерительным приборам, - по п. 4.6.

За результат измерения принимают среднее арифметическое результатов двух последовательных измерений образца.

Допускаемая абсолютная суммарная погрешность определения цветовых различий и белизны для каждого конкретного пигмента или наполнителя должно быть указано в нормативно-технической документации на пигмент или наполнитель.

8.1.6. Тип прибора, вид цветовых характеристик и цветовых различий, контрольные образцы, необходимость учета или исключения зеркальной составляющей при измерении должна быть указана в нормативно-технической документации на пигмент или наполнитель.

Пресс-форма

1 - кольцо; 2 - форма; 3 - пуансон; 4 - калька.

Черт. 1.

Оправа для кольца

Черт. 2.

ПРИЛОЖЕНИЕ

Справочное

ФОРМУЛЫ РАСЧЕТА КООРДИНАТ ЦВЕТА, ЦВЕТОВЫХ ХАРАКТЕРИСТИК, ЦВЕТОВЫХ РАЗЛИЧИЙ И БЕЛИЗНЫ

1. Координаты цвета X, Y, Z в системе XYZ рассчитывают по формулам:

где Е(λ) - спектральная плотность потока излучения стандартного источника света С в относительных единицах;

, ,  - функции сложения цветов;

ρ(λ) - спектральные апертурные коэффициенты отражения;

Δλ - ширина спектрального интервала.

2. Координаты цветности х, y в системе XYZ рассчитывают по формулам

3. Координаты цвета L*, a*, b* в системе XYZ рассчитывают по формулам:

при (1 ≤ Y ≤ 100),

где X, Y, Z - координаты цвета образца в системе XYZ;

X0 = 98,04

ü

координаты цвета идеально белой поверхности при источнике света С в системе XYZ

Y0 = 100,00

ý

Z0 = 118,10

þ

4. Светлота L* в системе CIELAB соответствует координате L*.

5. Насыщенность  вычисляют по формуле

6. Цветовой тон hab, (в значениях угла от 0 до 360°) рассчитывают по формуле

7. Полное цветовое различие  между двумя цветами - геометрическое расстояние между двумя точками, обозначающими местоположение сравниваемых цветов в цветовом пространстве CIELAB, которое рассчитывают по формуле

где ;

, ,  - координаты цвета испытуемого образца;

, ,  - координаты цвета контрольного образца.

8. Различия по светлоте

Различия по светлоте между испытуемым образцом и образцом сравнения  рассчитывают по формуле

9. Различия по насыщенности

Различия по насыщенности между испытуемым образцом и образцом сравнения  рассчитывают по формуле

10. Различия по цветовому тону

Различия по цветовому тону между испытуемым образцом и образцом сравнения  рассчитывают по формуле

где

 для

 для

11. Цветовые различия испытуемых образцов светлых тонов

Цветовые различия испытуемых образцов светлых тонов должны быть установлены с использованием , ,  и  вместо  и .

12. Белизна

Белизну W рассчитывают по формуле

где  - полное цветовое различие между испытуемым образцом и идеально белой поверхностью.

ИНФОРМАЦИОННЫЕ ДАННЫЕ

1. РАЗРАБОТАН И ВНЕСЕН Челябинским филиалом НИПРОИНС и ТК-221

РАЗРАБОТЧИКИ

В.Ю. Первушин; Н.Е. Заровнятных; З.А. Коншина; Г.Е. Леонова; Э.Э. Калаус

2. УТВЕРЖДЕН И ВВЕДЕН В ДЕЙСТВИЕ Постановлением Госстандарта России от 30.03.92 № 314

Разделы 1-7 настоящего стандарта подготовлены методом прямого применения международного стандарта ИСО 787/1-82 «Общие методы испытаний пигментов и наполнителей. Сравнение цвета пигментов»

3. Срок проверки - 1998 г.

Периодичность проверки - 5 лет

4. ВЗАМЕН ГОСТ 16873-78

5. ССЫЛОЧНЫЕ НОРМАТИВНО-ТЕХНИЧЕСКИЕ ДОКУМЕНТЫ

Обозначение НТД, на который дана ссылка

Номер пункта

ГОСТ 597-73

4.12

ГОСТ 683-75

4.2

ГОСТ 5791-81

3.1

ГОСТ 6259-75

3.3

ГОСТ 6709-72

3.2

ГОСТ 7721-89

4.6

ГОСТ 9147-80

4.8; 4.9; 4.10

ГОСТ 9980.2-86

5

ГОСТ 10597-80

4.11

ГОСТ 20292-74

4.3

ГОСТ 211198-75

6.1.1

ГОСТ 24104-88

4.7

СОДЕРЖАНИЕ

1. Визуальные методы.. 1

2. Ссылки. 1

3. Материалы.. 2

4. Аппаратура. 2

5. Отбор проб. 3

6. Проведение испытания. 3

7. Протокол испытания. 4

8. Инструментальный метод. 4

Приложение Формулы расчета координат цвета, цветовых характеристик, цветовых различий и белизны.. 6

 

2008-2013. ГОСТы, СНиПы, СанПиНы - Нормативные документы - стандарты.