МЕЖГОСУДАРСТВЕННЫЙ СТАНДАРТ
|
Единая система конструкторской документации ГРУППОВЫЕ И БАЗОВЫЕ КОНСТРУКТОРСКИЕ ДОКУМЕНТЫ Unified
system for design documentation. |
ГОСТ Взамен |
Постановлением Государственного комитета стандартов Совета Министров СССР от 31 января 1975 г. № 289 дата введения установлена
1976-07-01
Настоящий стандарт устанавливает правила выполнения и обращения групповых и базовых конструкторских документов на изделия всех отраслей промышленности.
Стандарт соответствует СТ СЭВ 1179-78.
(Измененная редакция, Изм. № 2).
1.1. Конструкторские документы* должны содержать данные о двух и более изделиях (деталях, сборочных единицах, комплексах или комплектах), обладающих общими конструктивными признаками при некоторых различиях между собой.
____________
* Далее по тексту под термином «документ» следует понимать конструкторский документ.
Общими конструктивными признаками изделий являются:
а) единство конструкции при различных параметрах (физико-механических, электрических, магнитных, оптических и т.п.), материалах, покрытиях, точностях, маркировках, или при различных требованиях, предъявляемых к изделиям или их составным частям (например, одинаковые по форме и размерам шайбы из разного материала или с разным покрытием; шарикоподшипники одинакового типоразмера, но разного класса точности);
б) единство конструкции при различных размерах (например, болты одинаковой формы, но с разными размерами; соединительные муфты одинаковой конструкции, но для различных диаметров соединяемых валов);
в) сходство конструкции при различной конфигурации некоторых составных частей или конструктивных элементов, а также при различном расположении или разном количестве одинаковых составных частей или конструктивных элементов (например, ключи с различной конфигурацией зубьев для различных замков; комплекты и комплексы с некоторыми различиями в номенклатуре и количестве составных частей).
1.2. В групповом документе должны быть приведены постоянные и переменные данные**.
______________
** Определения некоторых терминов, применяемых в настоящем стандарте, приведены в приложении 1.
Данные, являющиеся постоянными для всех изделий, оформленных одним документом, следует вносить в документ один раз без указания о том, что они относятся ко всем изделиям, на которые распространяется этот документ.
Переменные данные следует вносить в документ с указанием о том, к каким конкретно изделиям они относятся.
Характеристика групповых документов, показывающая принципиальную возможность выполнения одного группового документа вместо нескольких единичных, приведена в приложении 2*.
______________
* Обозначения изделий и документов в тексте стандарта и в приложениях даны условно.
1.3. Изделия, на которые выполнен один групповой чертеж деталей или одна групповая спецификация, следует рассматривать как группу исполнений, но при этом должна быть обеспечена возможность самостоятельного применения, изготовления и учета каждого исполнения.
1.4. При групповом способе следует на все исполнения выполнять одну групповую спецификацию (или один групповой чертеж деталей) и по одному групповому неосновному документу необходимого вида (приложение 3, черт. 1).
Вместо неосновного группового документа, содержащего данные о всех исполнениях, допускается выполнять:
несколько единичных документов, каждый из которых будет содержать данные об одном исполнении и (или) несколько групповых документов, каждый из которых будет содержать данные о нескольких (но не всех) исполнениях (см. приложение 3, черт. 2);
один групповой документ, содержащий данные о нескольких изделиях, обладающих общими конструктивными признаками, но оформленных несколькими групповыми и единичными основными документами (см. приложение 3, черт. 3);
один групповой документ, содержащий данные о нескольких изделиях, оформленных единичными основными документами (см. приложение 3, черт. 4).
Другие неосновные документы должны иметь связь с групповым основным документом подобную той, которая показана в приложении 3 для сборочных чертежей.
1.5. Вместо группового документа на несколько исполнений при необходимости следует выполнять один базовый документ и необходимое количество самостоятельных документов исполнения того же вида.
В базовом документе следует приводить только постоянные данные.
В каждом документе исполнения следует приводить переменные данные, относящиеся к этому исполнению, и ссылка на базовый документ.
Характеристика базовых документов, показывающая принципиальную возможность выполнения одного базового документа на несколько исполнений, и характеристика документов одного из исполнений приведены в приложении 4.
1.6. Изделия, на которые выполнена одна базовая спецификация, следует рассматривать как группу исполнений, но при этом должна быть обеспечена возможность самостоятельного применения, изготовления и учета каждого исполнения.
Вместо нескольких неосновных документов исполнения допускается выполнять один или несколько групповых неосновных документов исполнения (приложение 5, черт. 1).
Вместо нескольких спецификаций исполнения допускается выполнять одну или несколько групповых спецификаций исполнения, каждая из которых будет содержать данные нескольких (но не всех) исполнений (см. приложение 5, черт. 2).
Другие неосновные документы должны иметь связь с основными документами подобную той, которая показана в приложении 5 для сборочных чертежей.
1.8. При наличии группового основного документа все или отдельные виды неосновных документов могут быть выполнены как базовые с присвоением им обозначений, не зависящих от обозначения группового основного документа.
При наличии базового основного документа все или отдельные виды неосновных документов могут быть выполнены как групповые с обозначениями, предусмотренными для базовых документов.
На разные составные части изделия комплекс документов может быть выполнен разными способами.
На одну и ту же составную часть изделия разные неосновные документы могут быть выполнены по-разному - единичные, групповые и базовые.
1.9. Номенклатура групповых и базовых документов - по ГОСТ 2.102-68 с учетом следующих ограничений:
базовые документы можно выполнять на специфицированные изделия. Возможность выполнения базовых документов на детали должна устанавливаться в отраслевых стандартах;
групповой, а также базовый основной документ можно выполнять на такую группу изделий, которые имеют одинаковое наименование и могут быть отнесены к одной классификационной характеристике, входящей в состав обозначения.
1.10. Если одинаковые изделия по условиям заказа изготавливают с разной эксплуатационной документацией (например, имеются варианты эксплуатационного документа на разных языках) или в разной упаковке (разные условия транспортирования), то такие изделия оформляют как одно исполнение. Возможные варианты эксплуатационной документации и упаковок следует записывать в основной документ. При этом ведомости эксплуатационных документов и спецификаций упаковок следует вносить в спецификацию изделия в раздел «Комплекты». Допускается в графе «Примечание» давать указания о различиях и условиях применения.
АБВГ.343122.270. Панель. U1 = 0 … 100 В, U2 = 0 … 250 В.
1.12. Если количество изделий, обладающих общими конструктивными признаками, превышает предельное значение, установленное правилами обозначения исполнений, то эти изделия следует. разделить на несколько групп и на каждую из них выполняют самостоятельный групповой или базовый основной документ. При этом на все группы таких изделий можно выполнить один комплект неосновных документов, если в них будут внесены необходимые данные всех изделий (см. приложение 3. черт. 3).
1.13. Общие рекомендации и ограничения по применению различных способов и вариантов выполнения документов приведены в рекомендуемом приложении 23. На их основе при необходимости могут быть разработаны отраслевые руководящие технические материалы, устанавливающие номенклатуру групп изделий, на которые целесообразно выполнять групповые или базовые документы, и содержащие рекомендации по выбору оптимального варианта выполнения таких документов в зависимости от характеристики группы.
1.14. Применение групповых и базовых документов на изделия, разрабатываемых по заказам Министерства обороны, должно быть согласовано с заказчиком (с представителем заказчика).
(Измененная редакция, Изм. № 3).
Разд. 2. (Исключен, Изм. № 5).
3.1. Наименование изделий в основной надписи и на титульном листе групповых и базовых документов следует записывать в именительном падеже единственного числа (приложение 7). В технических условиях наименование изделий следует записывать в именительном падеже множественного числа.
в основной надписи и на титульном листе групповых и базовых документов наименования изделий, как правило, дополняют общей частью условных наименований исполнений, например: Пускатель ПК (приложение 8);
в основной надписи и на титульном листе документов исполнения следует записывать наименование изделия и полное условное наименование исполнения (например: Пускатель ПК-1Н);
на поле или в тексте групповых документов в числе переменных данных при необходимости в графе «Код» указывают полные условные наименования исполнений (приложения 8 и 9).
(Измененная редакция, Изм. № 4).
4.1.1. Все сведения о переменных данных (изображениях, размерах, технических требованиях и др.), которые подлежат включению в чертеж (схему) согласно его назначению, должны быть приведены в таблице исполнений.
На групповой схеме полностью следует изображать схему, относящуюся к основному исполнению.
4.1.3. Исполнения, отличия которых от основного исполнения должны быть показаны на изображениях, становятся переменными. Эти исполнения дополнительно должны быть изображены на том же чертеже (схеме). При этом выполняют частично или полностью только те изображения, которые необходимы для показа отличия от изображений основного исполнения (приложение 10, черт. 1).
На таких изображениях чертежа следует указывать масштаб, если он отличается от приведенного в основной надписи.
4.1.4. Изображения, относящиеся к одному исполнению, следует располагать в одном месте и рассматривать как самостоятельный рисунок. Каждому рисунку должен быть присвоен порядковый номер в пределах чертежа (схемы). Изображениям основного исполнения при наличии переменных изображений других исполнений следует присваивать первый порядковый номер рисунка. Номера рисунков («Рис. 1», «Рис. 2», «Рис. 3» и т.д.) следует записывать над изображениями в виде заголовков.
Под наименованием рисунка, начиная со второго, делают запись: «Остальное - см. рис. 1». Рисунок и ссылка должны полностью определять изображение того исполнения, на которое распространяется рисунок.
В таблице исполнений помещают графу с заголовком «Рис.», в которой указывают один номер рисунка для каждого исполнения (приложения 9, 10, 11, 12).
4.1.5. Каждый рисунок может быть выполнен на несколько исполнений, которые при одинаковых изображениях различаются другими переменными данными, в том числе переменными размерами (см. приложения 9, 10, 11, 12).
4.1.6. Допускается переменные элементы показывать на изображениях основного исполнения, если принадлежность таких элементов к определенным исполнениям однозначно определена в таблице исполнений, например, в таблице может быть указано о наличии или отсутствии в разных исполнениях элемента, обозначенного на изображении буквой. Возможны также указания, аналогичные приведенным в приложении 10.
4.1.7. Допускается номера рисунков присваивать не изображениям исполнений, а вариантам изображений переменных элементов (см. приложение 10, черт. 2). При этом изображениям основного исполнения номер рисунка не присваивают и ссылку на него не дают.
На изображениях основного исполнения переменные элементы или группы элементов следует изображать сплошными тонкими линиями и обозначать буквами. В таблице исполнений выполняют отдельную графу для каждого переменного элемента или группы элементов.
4.1.8. Постоянные размеры и другие постоянные данные (шероховатость поверхностей и др.) следует указывать на изображениях основного исполнения. На остальных изображениях эти данные не повторяют, если в них нет необходимости для пояснения таких изображений.
Переменные размеры и другие переменные данные, одинаковые для исполнений, охваченных одним рисунком, указывают на этом рисунке (см. приложение 11, рис. 2).
Переменные размеры, не одинаковые для всех исполнений, охваченных одним рисунком, следует наносить на чертеже буквенными обозначениями, установленными соответствующими стандартами. Конкретные номинальные значения этих размеров и их предельные отклонения следует указывать в таблице исполнений без выравнивания количества знаков для различных исполнений (см. приложения 7, 11, 12).
Переменные отклонения форм и расположения поверхностей следует наносить на чертеже и указывать в таблице исполнений подобно переменным размерам (см. приложение 7).
Переменную шероховатость поверхности, не одинаковую для всех исполнений, охваченных одним рисунком, следует указывать в таблице исполнений (см. приложение 11).
(Измененная редакция, Изм. № 1).
Переменные технические требования и другие переменные данные, как правило, приводят непосредственно в таблице исполнений (см. приложение 11). Допускается в таблице исполнений давать ссылку на номера пунктов переменных технических требований, которые в таких случаях должны начинаться со слов: «Исполнения, на которые распространяется это требование (см. таблицу) …» и далее приводить предъявляемые требования.
Если для разных исполнений содержание технических требований должно различаться величинами каких-либо параметров или обозначениями ссылочных документов, то в тексте технических требований (перечне элементов) следует давать ссылки на таблицу исполнений (приложение 13).
4.1.10. Если материал, литера или масса переменные, то их значения следует указывать в таблице исполнений, а в соответствующих графах основной надписи следует дать ссылку: «См. табл.», (см. приложение 11).
Если из-за различия исполнений по размерам изображения, относящиеся к ним, невозможно выполнить в одном масштабе, то в графе «Масштаб» ставят прочерк и около изображений масштаб не указывают (приложения 7, 11, 12, 14).
4.1.11. Таблица исполнений должна быть помещена на поле чертежа (схемы), как правило, на первом листе.
Допускается таблицу исполнений помещать на последующих листах чертежа (схемы), например, если она занимает много места и ее размещение на первом (или на одном) листе нецелесообразно из-за значительного увеличения формата. В этом случае над основной надписью первого листа должна быть запись по типу: «Таблицу исполнений см. на листе 3».
Примечание. При выполнении таблицы исполнений рекомендуется оставлять свободное место справа и снизу для новых граф и строк.
4.1.12. В таблицу исполнений должны быть внесены обозначения всех исполнений, на которые распространяется чертеж (схема).
Обозначения исполнений следует записывать в первую графу слева, имеющую заголовок «Обозначение». Запись ведется, как правило, в порядке возрастания обозначений. При записи группы исполнений с одинаковыми базовыми обозначениями полное обозначение следует записывать только для одного исполнения, а в последующих строках - дефис и порядковый номер исполнения (см. приложения 7, 9, 11, 12).
Допускается обозначения записывать в порядке, показанном в приложении 14.
4.1.13. Если для нескольких исполнений, обозначения которых составляют непрерывный ряд, данные в таблице одинаковы, то обозначения допускается записывать по типу:
|
Обозначение |
L, мм |
|
От АГБВ.246525.084 до -05 |
120 |
|
-06 … -10 |
150 |
Если одинаковые данные относятся к нескольким исполнениям, обозначения которых не составят непрерывного ряда, то обозначения исполнений допускается записывать по типу:
|
Обозначение |
L, мм |
|
АГБВ.246525.085 -01, -03, -05 … -10 |
120 |
|
-02, -04, -11 … -20 |
150 |
4.1.14. Допускается обозначения исполнений указывать в головке, а наименования переменных данных - в боковике таблицы.
|
Наименование |
Обозначение АБВГ 646381.015- |
||
|
- |
01 |
02 |
|
|
|
|
|
|
4.1.15. При необходимости допускается выполнять несколько таблиц исполнений (см. приложение 14).
Если графическое изображение схемы для нескольких исполнений одинаково, то различия исполнениями могут быть отражены в самостоятельных документах другого вида (например, в перечнях элементов к принципиальной схеме).
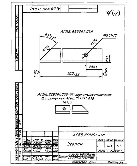
4.1.17. На чертежах, охватывающих два исполнения, изображение одного из которых соответствует зеркальному отражению другого, должны быть, как правило, оба изображения. Над каждым изображением указывают обозначение исполнения. Кроме того, для второго изображения после обозначения должна быть запись: «зеркальное отражение». Таблицу исполнений в этом случае не помещают.
Изображение второго исполнения допускается давать упрощенным и в уменьшенном масштабе с указанием масштаба (приложение 15).
АГБВ.859291.038 - изображено,
«АГБВ.859291.038-01 - зеркальное отражение».
Изображение только основного исполнения не должно вызывать затруднения при изготовлении и контроле.
4.1.19. Если чертеж с изображениями исполнений, являющихся зеркальным отражением, содержит данные более двух исполнений, дополнительно различающихся другими переменными данными (например, покрытием), то над изображениями обозначения исполнений следует заменить номерами рисунков и на чертеже должна быть таблица исполнений.
4.1.20. Переменная составная часть должна иметь для всех исполнений один номер позиции независимо от различий в обозначениях, изображениях и количестве таких частей для разных исполнений (см. приложение 8, поз. 12).
Если для одного исполнения применяется несколько одинаковых составных частей, а для другого исполнения эти составные части разные (имеют разные обозначения), то им следует присвоить разные номера позиций (см. приложение 12, поз. 2 и 3).
Составной части, которая для разных исполнений должна быть записана в разных разделах спецификации (например, для одних исполнений применяется сборочная единица, а для других - деталь), следует присваивать один номер позиции (см. приложения 6 и 9, поз. 11).
4.1.21. Номера позиций следует наносить на изображения основного исполнения. На изображениях других исполнений наносят номера позиций только для составных частей, не применяемых в основном исполнении, и повторяют номера позиций для составных частей, имеющих иное изображение (см. приложение 9, поз. 11 и 12).
4.1.22. Чертежи на изделия, исполнения которых обозначены с дополнительным номером исполнения, выполняют с учетом следующих особенностей:
переменные данные, не зависящие от дополнительного номера исполнения, должны быть приведены в таблице исполнений в зависимости от порядкового номера исполнения (приложение 16, табл. 1);
переменные данные, которые целесообразно обозначать дополнительными номерами исполнения, приводят в отдельной таблице (см. приложение 16, табл. 2);
переменные данные, зависящие от порядкового и дополнительного номеров исполнения, следует приводить в отдельной таблице в зависимости от этих номеров.
Полное обозначение исполнения с применением дополнительного номера исполнения следует указывать в спецификациях и при заказе, например, АБВГ.387288.105-02.04.
На чертеже отмечают направление взгляда, линии сечения, порядковые номера выносных элементов и другие обозначения, необходимые для понимания соответствующих изображений на чертежах исполнений.
4.2.2. На базовом чертеже (схеме) следует указывать все необходимые постоянные данные.
4.2.3. На базовом сборочном чертеже следует наносить номера позиций, содержащихся в базовой спецификации.
На базовой схеме позиционные обозначения следует присваивать только элементам одинаковым для всех исполнений.
4.2.4. Над основной надписью базового чертежа (схемы) должна быть запись: «Остальное - см. чертеж (схему) исполнений» (без указания его обозначения).
4.2.5. На чертеже (схеме) исполнения и на групповом чертеже (схеме) исполнений следует изображать только переменные составные части (элементы). Постоянные составные части (элементы) при необходимости изображают сплошными тонкими линиями, полностью или частично в виде упрощенных контурных очертаний (графических обозначений).
Виды, разрезы, сечения и выносные элементы обозначают в соответствии с обозначениями, приведенными на базовом чертеже, или дают необходимые текстовые пояснения.
4.2.6. На чертеже (схеме) исполнения и на групповом чертеже (схеме) исполнений следует указывать все необходимые переменные данные.
4.2.7. На сборочном чертеже исполнения и на групповом сборочном чертеже исполнений следует наносить номера позиций, содержащихся в спецификации исполнения или в групповой спецификации исполнений.
На схеме исполнения и на групповой схеме исполнений позиционные обозначения следует присваивать только элементам, относящимся к этим исполнениям.
4.2.8. Над основной надписью чертежа (схемы) исполнения и группового чертежа (схемы) исполнений должна быть ссылка на базовый документ по типу: «Остальное - см. АБВГ.ХХХХХХ.ХХХСБ».
5.1. Неосновные групповые документы следует записывать в спецификацию так же, как единичные. При этом документы, распространяющиеся на все исполнения, охваченные данной спецификацией, следует записывать как постоянные, а остальные документы - как переменные данные.
5.2. При записи в спецификацию составной части изделия, оформленной групповым или базовым основным документом, указывают обозначение исполнения.
5.3. При последовательной записи в пределах одного листа спецификации нескольких документов и составных частей, имеющих одинаковое базовое обозначение, первый документ или составную часть следует записывать за полным обозначением, при записи последующих составных частей указывают дефис и порядковый номер исполнения, а при записи документов - дефис, порядковый номер исполнения и код документа; при этом для исполнений, оформленных групповым документом, формат указывают только в строке, где указано полное обозначение документа (приложения 8, 17, 18).
(Измененная редакция, Изм. № 4).
5.4. В групповых спецификациях допускается предусматривать свободные строки как резерв для последующего внесения постоянных и переменных данных (например, при оформлении документации нового исполнения).
5.5. Групповую спецификацию по усмотрению разработчика допускается выполнять в одном из вариантов, указанных в пп. 5.5.1 - 5.5.4.
После постоянных данных помещают для каждого исполнения отдельный раздел с переменными данными. При этом групповую спецификацию следует составлять по формам 1 и 1а ГОСТ 2.106-96.
Такую спецификацию (см. приложение 6) следует выполнять по правилам ГОСТ 2.106-96 с учетом следующих особенностей:
а) вначале записывают постоянные документы и составные части, а затем под общим заголовком «Переменные данные для исполнений» записывают переменные документы и составные части раздельно для каждого исполнения под его обозначением, записанным в виде заголовка в графе «Наименование»;
б) если исполнения имеют условные наименования и (или) находятся на разных стадиях разработки, то соответствующую запись (код, литеру), при необходимости, дают под заголовком с обозначением исполнения. При этом в графе «Лит.» основной надписи ставят прочерк;
в) переменные данные для основного исполнения следует записывать с соблюдением правил, установленных для единичных спецификаций, но порядковые номера позиций должны быть продолжением позиций постоянных составных частей;
г) переменные данные для каждого последующего исполнения следует записывать с соблюдением правил, установленных для единичных спецификаций, но составные части независимо от их обозначений следует записывать в каждом разделе в порядке возрастания номеров позиций, определившихся при записи составных частей для основного исполнения. Составные части, не применявшиеся в основном исполнении, следует записывать в конце соответствующего раздела;
д) для записи в групповую спецификацию очередного исполнения, данные которого полностью соответствуют одному из предыдущих исполнений (например, имеются различия в расположении одинаковых составных частей), заголовок для переменных данных этого исполнения должен быть по типу:
«АГБВ.246525.084-10 (то же как для АГБВ.246525.084)» или
«АГБВ.246525.084-05 (то же как для 02)»
Соответствующие переменные данные при этом вторично не записывают.
Допускается в подобных случаях для нескольких исполнений непрерывно следующих друг за другом, давать общий заголовок по типу:
«От АГБВ.246525.084 до АГБВ.246525.084-05»;
е) если для какого-либо исполнения переменные данные не применяются, то ниже заголовка пишут «Отсутствуют». При отсутствии переменных данных для всех исполнений в конце групповой спецификации дают запись по типу:
«Различия исполнений АГБВ.246527.104 и АГБВ.246527.104-01 по сборочному чертежу».
Все данные без разделения их на постоянные и переменные записывают в спецификацию, в форме которой должна быть для каждого исполнения отдельная графа. Групповую спецификацию следует составлять по формам 1 и 1а.
Такую спецификацию (приложение 8) следует выполнять по правилам ГОСТ 2.106-96 с учетом следующих особенностей:
а) в заголовок графы «Кол. на исполн.» записывают базовое обозначение исполнений и ставят знак «дефис». Ниже (в подзаголовках) записывают порядковые номера исполнений;
б) в графе «Код» указывают условные наименования исполнений. Если условные наименования приведены на сборочном чертеже, то эту графу допускается не заполнять. При отсутствии условных наименований эту графу не заполняют или первый лист спецификации составляют по форме 1б;
в) в графе «Лит.» указывают литеру, если исполнения находятся на разных стадиях разработки. При этом в графе основной надписи ставят прочерк;
г) в графах для указания количества в разделе «Документация» ставят знак «×» для исполнений, на которые распространяется записанный в спецификацию документ. В остальных разделах спецификации в графах указывают числовые значения. Строки в незаполненных графах каждого исполнения оставляют свободными;
д) документы и составные части основного исполнения должны быть записаны в последовательности, которая установлена для единичных спецификаций.
Составные части других исполнений записывают в пределах каждого номера позиции, определившегося при записи составных частей основного исполнения, с соблюдением правил, установленных для единичных спецификаций. Составные части, не применявшиеся в основном исполнении, записывают в конце соответствующего раздела;
е) при числе исполнений более десяти на первом листе групповой спецификации левее основной надписи должна быть запись по типу:
«Исполнения 10 … 19 - см. листы 4, 5,
20 … 29 - см. листы 6 …. 8»;
ж) листы спецификации, в которых начинается запись каждого последующего десятка исполнений, составляют по форме 1в, если необходимо указать литеру и (или) условное наименование каждого исполнения;
з) при количестве переменных составных частей не более пяти допускается на одном листе указывать более десяти исполнений, при этом в графе «Наименование» приводят запись «обозначение исполнений» (см. приложение 8а);
и) при числе исполнений не более трех допускается использовать форму 5.
5.5.1, 5.5.2. (Измененная редакция, Изм. № 4).
После записи постоянных данных следует записывать переменные данные на последующих листах спецификации, в форме которых должна быть для каждого исполнения отдельная графа. При этом постоянные данные в групповую спецификацию следует записывать по общим правилам на листах по формам 1 и 1а ГОСТ 2.106-96.
После записи постоянных данных делают запись в пределах граф «Обозначение» и «Наименование» по типу:
«Переменные данные для исполнений»:
до 09 -см. листы 3 … 6,
10 … 19 -см. листы 7 … 10,
20 … 29 -см. листы 11 … 14».
Если для какого-либо исполнения переменные данные не применяются, то это исполнение должно быть выделено в отдельную строку по типу:
«АБВГ.743835.927 - отсутствуют,
01 02 - см. листы 3 … 6,
03 - отсутствуют,
04 … 09 - см. листы 3 … 6».
Переменные данные следует записывать на листах по форме 1а или 1в. Запись делают по правилам, приведенным в п. 5.5.2, сначала для первого десятка исполнений, затем для второго и т.д.
После постоянных данных на последующих листах спецификации следует записывать данные для каждого переменного документа, каждой переменной составной части и т.п. При этом постоянные данные в групповую спецификацию следует записывать по общим правилам на листах по формам 1 и 1а ГОСТ 2.106-96.
Переменные данные следует размещать на последующих листах спецификации под общим заголовком «Переменные данные». Эти листы рекомендуется выполнять по форме 2. При необходимости применения таблиц другими графами их следует размещать на листах по форме 5а ГОСТ 2.106-96.
При выполнении спецификации по форме 2 (см. приложение 17):
а) записи следует производить в последовательности, соответствующей расположению разделов спецификации («Документация», «Сборочные единицы» и т.д.), наименования которых следует записывать в виде заголовков;
б) в соответствующем разделе следует указывать наименования переменного документа или номер позиции и наименование переменной составной части;
в) в графе «Для исполн. с порядковым номером» следует указывать номера исполнений. Остальные графы следует заполнять в соответствии с требованиями ГОСТ 2.106-96 и настоящего стандарта;
г) если какая-либо переменная составная часть в некоторых исполнениях не применяется, то вместо обозначения такой части следует помещать запись «Отсутствует» по типу:
Поз. 3. панель
|
-00, -01 |
Отсутствует |
|
-02, -03 |
АБВГ.325176.374 |
|
-04 |
Отсутствует |
д) если исполнения находятся на разных стадиях разработки, то в начале раздела «Переменные данные» следует указывать литеру.
При этом в графе «Лит.» основной надписи ставят прочерк:
е) если исполнения имеют условные наименования и их необходимо указывать в спецификации, то соответствующие данные приводят аналогично указанию о литере.
5.6. Групповую спецификацию на изделия, в обозначениях которых введен дополнительный номер исполнения, следует выполнять по варианту Г с учетом следующих особенностей:
а) переменные составные части, не зависящие от дополнительного номера исполнения, следует записывать только в зависимости от порядкового номера исполнения (см. приложение 18, поз. 35),
б) переменные составные части, в обозначении которых введен дополнительный номер исполнения, следует записывать также только в зависимости от номера исполнения изделия (без указания дополнительного номера исполнения), но с общим примечанием о том, что такие части следует применять с дополнительным номером исполнения, соответствующим дополнительному номеру исполнения изделия (см. приложение 18, поз. 36, 37, 39);
в) переменные составные части, зависящие от порядкового и дополнительного номеров исполнения, следует записывать в зависимости от этих номеров (см. приложение 18, поз. 38).
5.7. Базовую спецификацию следует выполнять по общим правилам на листах по формам 1 и 1а ГОСТ 2.106-96. В конце спецификации должна быть запись «Остальное - см. спецификацию исполнения», без указания ее обозначения (приложение 19).
Часть изделия, оформленную базовой спецификацией, рассматривают как сборочную единицу, если в нее входят сборочные единицы и (или) детали. Часть изделия, оформленную базовой спецификацией, рассматривают как комплекс, если в нее входят комплексы и другие постоянные составные части.
5.8. Спецификацию исполнения следует выполнять по общим правилам на листах по формам 1 и 1а ГОСТ 2.106-96 с учетом следующих особенностей:
а) в начале соответствующего раздела («Комплексы» или «Сборочные единицы») следует записывать на правах составной части изделия базовую спецификацию. При этом в графе «Поз.» следует ставить прочерк, в графе «Наименование» - наименование изделия в соответствии с основной надписью базовой спецификации, а в графе «Кол.» - «1»;
б) нумерация позиций для других составных частей является продолжением нумерации позиций по базовой спецификации, для которой следует оставить резерв из нескольких номеров позиций (приложение 20).
5.9. Групповую спецификацию исполнений следует выполнять по варианту А, Б, В или Г, при этом базовую спецификацию записывают в числе постоянных составных частей по правилам, изложенным в п. 5.8.
5.10. Групповую спецификацию изделий при плазовом методе производства следует выполнять аналогично варианту А или Г. При варианте А применяют формы 2 и 2а ГОСТ 2.106-96, а при варианте Г - те же формы для постоянных данных и форму 5а ГОСТ 2.106-96 для переменных данных. Таблицы для переменных данных следует выполнять с любыми необходимыми графами.
6.1.1. При выполнении групповых и базовых неосновных текстовых документов и соответствующих документов исполнения следует соблюдать требования стандартов на единичные документы того же вида, с учетом указаний данного подраздела и разд. 5.
6.1.3. По варианту А можно выполнять любые групповые документы на листах по формам, установленным для единичных документов.
6.1.4. По варианту Б могут быть выполнены только:
групповые ведомости спецификаций и групповые ведомости ссылочных документов на листах по форме 3 и 3а;
групповые ведомости покупных изделий на листах по форме 4 и 4а, при этом следует указывать общее количество покупных изделий (с учетом изделий, входящих в комплекты и на регулировку).
(Измененная редакция, Изм. № 1).
6.1.5. По варианту В могут быть выполнены только:
групповые ведомости спецификаций и групповые ведомости ссылочных документов;
групповые ведомости покупных изделий.
Запись постоянных данных ведут на листах по формам, установленным для единичных документов, а запись переменных данных - на листах по формам 3 и 3а, формам 4 и 4а.
6.1.6. По варианту Г можно выполнять любые групповые документы.
Запись постоянных данных ведут на листах по формам, установленным для единичных документов, а запись переменных данных - на листах по форме 5а ГОСТ 2.106-96, при этом переменные данные следует записывать в таблицу, имеющую графу «Для исполн. с порядковым номером» и другие графы для переменных данных (например, «Обозначение», «Наименование») в зависимости от вида документа.
6.1.7. При выполнении групповых текстовых документов по вариантам Б и Г при необходимости в начале текста допускается указывать переменную литеру и условные наименования (код) исполнений изделий (приложения 17 и 21). Для варианта В такую запись следует выполнять на листах, с которых начинается запись каждого последующего десятка исполнений. При наличии таких указаний в графе «Лит.» основной надписи ставят прочерк.
При выполнении ведомости спецификаций по вариантам А, В и Г графы «Куда входит» и «Общее кол.» допускается не заполнять. При этом спецификации составных частей, входящих во все исполнения, следует записывать как постоянные данные, независимо от разного количества этих составных частей, применяемых для разных исполнений.
(Измененная редакция, Изм. № 4).
В конце базового документа дают запись по типу: «Остальное - см. ведомость покупных изделий исполнения» без указания ее обозначения.
В конце документа исполнения следует указывать обозначение базового документа по типу: «Остальное - см. АБВГ.ХХХХХХ.ХХХВП».
6.2.1. При выполнении групповых и базовых текстовых документов и соответствующих документов исполнения следует соблюдать требования стандартов на единичные документы того же вида с учетом указаний данного подраздела.
6.2.2. В групповых текстовых документах переменные данные следует группировать в виде таблиц исполнений, размещенных в тексте соответствующего раздела, подраздела и приложения.
В тексте документа могут быть записи о переменных данных со ссылкой на таблицу, аналогичные записям в технических требованиях на групповом чертеже (см. п. 4.1.9).
Рисунки и таблицы исполнений следует выполнять по правилам, установленным для групповых чертежей.
6.2.3. В групповых технических условиях на изделия, оформленные разными единичными и групповыми основными документами, должны быть даны обозначения этих документов с указанием общей характеристики группы исполнений, включенной в каждый документ. Номенклатуру всех исполнений допускается не приводить, достаточно перечислить параметры и характеристики, которыми могут различаться отдельные исполнения. Такие исполнения по мере их разработки можно будет добавлять в основные групповые документы без изменения или пересмотра технических условий.
6.2.4. При выполнении групповых формуляров, паспортов и этикеток допускается:
а) оставлять свободные графы, строки и поля для записи переменных данных при заполнении бланков таких документов на изготовленные изделия;
б) в таблицах переменных данных вместо обозначений исполнений оставлять свободную графу с указанием в примечании о том, что в ней делается отметка (например, указывается звездочка) в той строке, данные которой соответствуют изготовленному изделию.
6.2.5. В базовом текстовом документе должна быть ссылка на документ исполнения без указания его обозначения.
В текстовом документе исполнения должна быть ссылка на базовый документ с указанием его обозначения.
Эти ссылки следует давать в тексте вводной части документа.
7.1. Учет групповых документов и применяемости исполнений следует производить по ГОСТ 2.501-88.
7.2. При базовом способе выполнения документов на каждое базовое обозначение следует составлять отдельную карточку для учета порядковых номеров исполнений.
7.3. Применяемость основного исполнения следует учитывать по общим правилам на карточке учета группового документа. На каждое последующее исполнение следует составлять отдельную карточку учета (форма 2б и форма 2в по ГОСТ 2.501-88), в которую вместо обозначения документа следует записывать обозначение исполнения.
8.1. При выявлении нецелесообразности выпуска единичных документов на новое сходное по конструкции изделие преобразовывают ранее выпущенные единичные документы изделия в групповые.
8.2. При преобразовании документов необходимо максимально использовать (без переиздания) подлинники ранее выпущенных документов с внесением в них данных, относящихся к новым исполнениям. При этом некоторые данные становятся переменными, что оформляется внесением в документ необходимых изменений. При необходимости должно быть также изменено наименование документа в соответствии с п. 3.1.
Новые данные и необходимые изменения следует вносить по ГОСТ 2.503-90.
8.3. При преобразовании единичных документов в групповые их обозначения сохраняют неизменными даже в том случае, когда возникает необходимость переиздания документа на другом формате или на другом количестве листов.
8.4. При преобразовании единичных основных документов в групповые обозначение ранее разработанного изделия сохраняется неизменным и становится обозначением основного исполнения, а очередным новым исполнениям присваивают порядковые номера, начиная с 01 (приложение 22).
8.5. В целесообразных случаях единичный документ может быть преобразован в документ исполнения путем замены постоянных данных ссылкой на базовый документ. При этом дополнительно выполняют базовый документ с новым обозначением и документы новых исполнений. Исполнениям присваивают обозначения как отдельным изделиям без применения порядковых номеров исполнений.
ГРУППОВАЯ СПЕЦИФИКАЦИЯ (первый лист)

ГРУППОВАЯ СПЕЦИФИКАЦИЯ (последующие листы)

ГРУППОВАЯ СПЕЦИФИКАЦИЯ (первый лист)

ГРУППОВАЯ СПЕЦИФИКАЦИЯ (последующие листы)
ГРУППОВАЯ СПЕЦИФИКАЦИЯ (последующие листы)

ГРУППОВАЯ ВЕДОМОСТЬ СПЕЦИФИКАЦИЙ И ССЫЛОЧНЫХ
ДОКУМЕНТОВ
(первый лист)

ГРУППОВАЯ ВЕДОМОСТЬ СПЕЦИФИКАЦИЙ И ССЫЛОЧНЫХ
ДОКУМЕНТОВ
(последующие листы)

ГРУППОВАЯ ВЕДОМОСТЬ ПОКУПНЫХ ИЗДЕЛИЙ
(первый лист)

ГРУППОВАЯ ВЕДОМОСТЬ ПОКУПНЫХ ИЗДЕЛИЙ
(последующие листы)

ГРУППОВАЯ СПЕЦИФИКАЦИЯ ПРИ ЧИСЛЕ ИСПОЛНЕНИЙ НЕ БОЛЕЕ ТРЕХ

Обязательное
ТЕРМИНЫ И ОПРЕДЕЛЕНИЯ ПОНЯТИЙ, ИСПОЛЬЗУЕМЫХ В СТАНДАРТЕ
|
Термин (полная и краткая формы) |
Определение |
|
Исполнение изделия Исполнение |
Конструкция одного из изделий, информация о которых содержится в одном групповом или базовом основном конструкторском документе |
|
Основное исполнение изделия Основное исполнение |
Исполнение изделия, обозначение которого совпадает с обозначением группового основного конструкторского документа |
|
Постоянные данные исполнений Постоянные данные |
Информация об исполнениях изделий, одинаковая для группы изделий и содержащаяся в одном конструкторском документе |
|
Переменные данные исполнений Переменные данные |
Информация об исполнениях изделий, неодинаковая для группы изделий |
|
Групповой конструкторский документ Групповой документ |
Конструкторский документ, содержащий постоянные и переменные данные исполнений двух и более изделий |
|
Базовый конструкторский документ Базовый документ |
Конструкторский документ, содержащий постоянные данные исполнений двух и более изделий |
|
Конструкторский документ исполнения Документ исполнения |
Конструкторский документ, содержащий ссылку на базовый документ и дополнительные данные об исполнении изделия |
|
Групповой конструкторский документ исполнений Групповой документ исполнений |
Конструкторский документ, содержащий ссылку на базовый документ и переменные данные для двух и более исполнений изделий |
|
Неосновной конструкторский документ Неосновной документ |
Конструкторский документ, установленный ГОСТ 2.102-68, исключая чертеж детали и спецификацию |
|
Единичный конструкторский документ Единичный документ |
Конструкторский документ, установленный ГОСТ 2.102-68 и выполненный на одно изделие |
|
Групповой способ выполнения конструкторских документов Групповой способ |
Способ выполнения комплекта конструкторских документов на изделия, при котором все исполнения этих изделий содержатся в одном групповом основном конструкторском документе |
|
Базовый способ выполнения конструкторских документов Базовый способ |
Способ выполнения комплекта конструкторских документов на изделия, при котором все исполнения этих изделий содержатся в одном базовом основном конструкторском документе |
|
Базовое обозначение конструкторского документа Базовое обозначение |
Обозначение группового или базового основного конструкторского документа |
|
Условное наименование изделия Условное наименование |
Дополнение к наименованию изделия в виде условного обозначения для характеристики отличия исполнения или группы исполнений изделия от других изделий аналогичного назначения |
(Измененная редакция, Изм. № 4).
Справочное
ХАРАКТЕРИСТИКА ГРУППОВЫХ ДОКУМЕНТОВ
Групповые документы характеризуются особенностями их содержания и структуры. Эти особенности показаны на условно выполненных чертежах, приведенных в качестве примеров в табл. 1 и 2.
Таблица 1
Характеристика групповых чертежей деталей
|
Содержание и структура группового чертежа |
Пояснение |
||
|
Детали различаются данными, не влияющими на изображение |
Групповой чертеж деталей
|
Таблица может состоять из граф, содержащих различные данные о материале, термической обработке, покрытии, массе и др. |
|
|
Детали различаются размерами, не влияющими на изображение |
Групповой чертеж деталей
|
Таблица состоит из граф, содержащих переменные размеры, а также могут быть графы, содержащие различные данные характерные для примера 1 |
|
|
Детали различаются данными, которые влияют на изображения |
Пример 3. Групповой чертеж деталей Рис. 1 Рис. 2
|
Чертеж может содержать несколько изображений (рисунков). В таблице должна быть графа для указания номера рисунка и могут быть графы, содержащие различные данные, характерные для примеров 1 и 2 |
|
Таблица 2
Характеристика групповых сборочных чертежей
|
Содержание и структура группового чертежа |
Пояснение |
|
|
Сборочные единицы различаются данными, не влияющими на изображение |
Групповой сборочный чертеж
|
Таблица может состоять из граф, содержащих данные о массе, о покрытиях, о номинальных параметрах сборочной единицы и др. Таблицу не выполняют, если эти данные содержатся в других документах |
|
Сборочные единицы различаются размерами, не влияющими на изображение |
Групповой сборочный чертеж
|
Таблица состоит из граф, содержащих переменные размеры, а также могут быть графы, содержащие различные данные, характерные для примера 1 |
|
Сборочные единицы различаются данными, которые влияют на изображения |
Пример 3. Групповой сборочный чертеж Рис. 1 Рис. 2 Рис. 3
|
Чертеж может содержать несколько изображений (рисунков) сборочных единиц, различающихся формой составных частей, их расположением, количеством или другими данными. В таблице должна быть графа для указания номера рисунка и могут быть графы, содержащие различные данные, характерные для примеров 1 и 2 |
(Измененная редакция, Изм. № 4).
Справочное
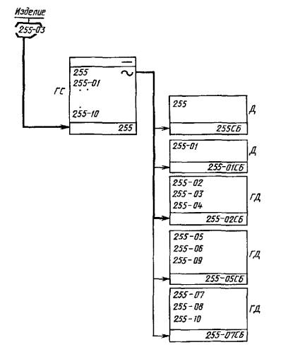
СОДЕРЖАНИЕ И ВЗАИМОСВЯЗЬ ПРИ ГРУППОВОМ СПОСОБЕ ВЫПОЛНЕНИЯ ДОКУМЕНТОВ
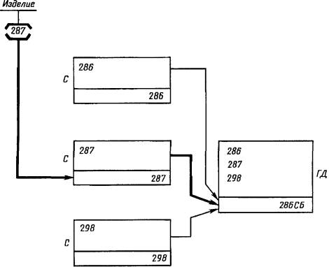
Для всех вариантов приняты следующие условные обозначения:
|
254 254-10 |
- содержание документа (обозначения изделий, данные которых приведены в документе); |
|
254 СБ |
- обозначение документа; |
__ - постоянные данные;
~ - переменные данные;
® - взаимосвязь документов (стрелка показывает документ, на который имеется ссылка);
® - направление поиска документов для заданного изделия;
С - единичная спецификация;
Д - единичный документ;
ГС - групповая спецификация;
ГД - групповой документ.
Черт. 1

Черт. 2

Черт. 3
Черт. 4
Справочное
ХАРАКТЕРИСТИКА БАЗОВЫХ ДОКУМЕНТОВ И ДОКУМЕНТОВ ИСПОЛНЕНИЯ СБОРОЧНЫХ ЕДИНИЦ
Базовые документы характеризуются особенностями их содержания и структуры. Эти особенности показаны на условно выполненных документах, приведенных в качестве примеров в таблице.
|
Группа сборочных единиц |
Содержание и структура базовых документов |
Содержание и структура документов исполнения |
|
Сборочные единицы имеют сходство в том, что некоторые составные части и другие данные являются одинаковыми для всех сборочных единиц данной группы и их целесообразно отразить в базовых документах |
Базовый сборочный чертеж
Базовая спецификация |
Сборочный чертеж исполнения
Спецификация исполнения |
Справочное
СОДЕРЖАНИЕ И ВЗАИМОСВЯЗЬ ДОКУМЕНТОВ ПРИ БАЗОВОМ СПОСОБЕ ИХ ВЫПОЛНЕНИЯ
Для всех вариантов приняты следующие условные обозначения:
|
270-01 |
- содержание документа (обозначения изделий, данные которых приведены в документе); |
|
270-01 СБ |
- обозначение документа; |
___ - постоянные данные;
~ - переменные данные;
® - взаимосвязь документов (стрелка показывает документ, на который имеется ссылка);
® - направление поиска документов для заданного изделия;
БС - базовая спецификация;
БД - базовый документ;
СИ - спецификация исполнения;
ДИ - документ исполнения;
ГСИ - групповая спецификация исполнения;
ГДИ - групповой документ исполнения.
Черт. 1
Черт. 2
(Измененная редакция, Изм. № 4).
Справочное
ПРИМЕР ОФОРМЛЕНИЯ ГРУППОВОЙ СПЕЦИФИКАЦИИ ПО ВАРИАНТУ А

Продолжение приложения 6

(Измененная редакция, Изм. № 4).
Справочное
ПРИМЕР ОФОРМЛЕНИЯ ГРУППОВОГО ЧЕРТЕЖА ДЕТАЛИ

(Измененная редакция, Изм. № 4).
Справочное
ПРИМЕР ОФОРМЛЕНИЯ ГРУППОВОЙ СПЕЦИФИКАЦИИ ПО ВАРИАНТУ Б

(Измененная редакция, Изм. № 4).
Справочное
ПРИМЕР ОФОРМЛЕНИЯ ГРУППОВОЙ СПЕЦИФИКАЦИИ ПРИ КОЛИЧЕСТВЕ ИСПОЛНЕНИЙ БОЛЕЕ ДЕСЯТИ

(Введено дополнительно, Изм. № 4).
Справочное
ПРИМЕР ОФОРМЛЕНИЯ ГРУППОВОГО СБОРОЧНОГО ЧЕРТЕЖА

(Измененная редакция, Изм. № 4).
Справочное
Черт. 1
|
Обозначение |
Рис. |
d, мм |
|
АБВГ.385248.186 |
1 |
5Н12 |
|
-01 |
2 |
- |
|
-02 |
3 |
6Н12 |
|
-03 |
4 |
8Н12 |
Черт. 2
|
Обозначение |
Рис. для |
|
|
А |
Б |
|
|
АБВГ.385248.187 |
1 |
1 |
|
-01 |
2 |
1 |
|
-02 |
1 |
3 |
|
-03 |
2 |
3 |
|
-04 |
1 |
- |
Справочное
ПРИМЕР ОФОРМЛЕНИЯ ГРУППОВОЙ СХЕМЫ
(электрической)

(Измененная редакция, Изм. № 4).
Справочное
ПРИМЕР ОФОРМЛЕНИЯ ГРУППОВОГО ЧЕРТЕЖА ДЕТАЛЕЙ

(Измененная редакция, Изм. № 4).
Справочное
ПРИМЕР
ОФОРМЛЕНИЯ ГРУППОВОГО ЧЕРТЕЖА ДЕТАЛЕЙ
(зеркальное отражение)

(Измененная редакция, Изм. № 4).
Справочное
Таблица 1
|
D, мм |
l0, мм |
Масса, г |
|||
|
Номин. |
Пред. откл. |
Номин. |
Пред. откл. |
||
|
АБВГ.387288.105 -01 |
48 |
-0,4 |
10 |
+1 |
10,7 |
|
-02 |
55 |
12,2 |
|||
|
-03 |
60 |
-0,8 |
16 |
13,3 |
|
|
-04 |
70 |
15,5 |
|||
|
|
|
|
|
|
|
|
-92 |
150 |
-1,5 |
26 |
±2,0 |
33,1 |
|
-93 |
160 |
-2,0 |
30 |
±2,5 |
35,3 |
|
-94 |
170 |
32 |
37,5 |
||
Таблица 2
|
Покрытие |
|
|
01 |
Ц9.хр |
|
02 |
Кд9.хр |
|
|
|
|
18 |
Хим. окс |
|
19 |
М3.Н6 |
Справочное
ПРИМЕР
ОФОРМЛЕНИЯ ГРУППОВОЙ СПЕЦИФИКАЦИИ ПО ВАРИАНТУ Г
(последующие листы)

(Измененная редакция, Изм. № 4).
Справочное
ПРИМЕР ОФОРМЛЕНИЯ ГРУППОВОЙ СПЕЦИФИКАЦИИ ПО ВАРИАНТУ Г С ПРИМЕНЕНИЕМ ДОПОЛНИТЕЛЬНЫХ НОМЕРОВ ИСПОЛНЕНИЙ (последующие листы)


(Измененная редакция, Изм. № 4).
Справочное
ПРИМЕР ОФОРМЛЕНИЯ БАЗОВОЙ СПЕЦИФИКАЦИИ

Продолжение приложения 19

(Измененная редакция, Изм. № 4).
Справочное
ПРИМЕР ОФОРМЛЕНИЯ СПЕЦИФИКАЦИИ ИСПОЛНЕНИЯ

(Измененная редакция, Изм. № 4).
Справочное
ПРИМЕР ОФОРМЛЕНИЯ ГРУППОВОЙ ВЕДОМОСТИ СПЕЦИФИКАЦИИ ПО ВАРИАНТУ Б

(Измененная редакция, Изм. № 4).
Справочное
ПРИМЕР ПРЕОБРАЗОВАНИЯ ЕДИНИЧНОГО КОНСТРУКТОРСКОГО ДОКУМЕНТА В ГРУППОВОЙ

(Измененная редакция, Изм. № 4).
Рекомендуемое
ОБЩИЕ РЕКОМЕНДАЦИИ И ОГРАНИЧЕНИЯ ПРИМЕНЕНИЯ РАЗЛИЧНЫХ СПОСОБОВ И ВАРИАНТОВ ВЫПОЛНЕНИЯ ДОКУМЕНТОВ
Изделия, обладающие общими конструктивными признаками, могут быть выполнены одним из способов и в одном из вариантов, каждый из которых является оптимальным при определенных условиях. Настоящие рекомендации по выбору способа и варианта выполнения документов являются общими для изделий всех отраслей промышленности. Рекомендации изложены в последовательности пунктов стандарта.
По п. 1.2.
Основными критериями для оценки целесообразности выполнения групповых документов вместо единичных являются компактность документации на группу изделий, обладающих общими конструктивными признаками, и наглядность в показе различий между изделиями этой группы.
По п. 1.4.
Рекомендуется выполнять один неосновной документ на все исполнения конструктивно-унифицированного ряда, состоящего из нескольких групп изделий, на которые выполнены самостоятельные основные документы.
Неосновной документ на одно или несколько исполнений рекомендуется выполнять в случаях передачи другому предприятию документации не всех исполнений, а только некоторых из них.
По п. 1.7.
Базовый способ рекомендуется применять преимущественно в случаях, когда при разработке изделия возможно проработать конструктивно и установить конструктивные разновидности. При этом переменные данные должны быть конкретизированы по мере поступления заказов.
Базовые документы вместо групповых рекомендуется выполнять также в случаях, когда недопустимо наличие в комплекте документов данных других исполнений и внесение новых исполнений в ранее разработанные документы нежелательно.
По п. 1.11.
Выполнять документы базовым способом рекомендуется при очень большом возможном количестве исполнений, которые могут быть оформлены только по мере поступления заказов.
По п. 1.12.
При наличии большого количества изделий, обладающих общими конструктивными признаками, рекомендуется в каждом конкретном случае рассмотреть возможность и целесообразность разделения этих изделий на несколько групп с выполнением на каждую из них самостоятельного группового или базового основного документа.
Увеличение количества таких документов в ряде случаев может быть оправдано существенным уменьшением объема документации в целом за счет уменьшения количества переменных данных в каждой группе.
По п. 1.13.
При выборе способа и варианта выполнения документов на изделия, обладающие общими конструктивными признаками, рекомендуется учитывать:
а) степень удобства работы с документами с учетом особенностей организации производства, эксплуатации и ремонта изделий, а также особенностей обращения документации;
б) сходство и различия конструктивных признаков;
в) степень различия изображений;
г) возможность и целесообразность применения типовых или групповых технологических процессов;
д) количество постоянных и переменных составных частей и конструктивных элементов, а также их соотношение;
е) количество исполнений и вероятность появления новых.
По п. 3.2.
Условные наименования (шифр, тип, индекс или условное обозначение) рекомендуется устанавливать только для изделий, подлежащих самостоятельной поставке, и только при необходимости применения таких наименований в сфере эксплуатации, в технической переписке и т.п. Они не могут однозначно определять изделия в сфере их производства и учета.
По п. 4.1.2.
Групповая схема является оптимальной при постоянном изображении и большом количестве переменных элементов.
Групповые схемы рекомендуется выполнять и при наличии переменных изображений, если они наглядно могут быть показаны на отдельных рисунках схемы (иная маркировка входных и выходных цепей, наличие дополнительных перемычек между зажимами на схеме соединений, различия в элементах и параметрах коробки скоростей на кинематической схеме станка и др.).
Если различия схем трудно показать на частичных изображениях, то рекомендуется в виде самостоятельных документов выполнить несколько схем, каждая из которых может быть групповой для нескольких (но не всех) исполнений.
По п. 4.1.16.
Групповая принципиальная схема, не содержащая перечень элементов, является оптимальной при большом количестве переменных элементов. При этом выполняют несколько перечней элементов в виде самостоятельных документов, каждый из которых может быть распространен на одно или несколько исполнений.
По п. 4.1.18.
Изображение зеркального отражения на групповом чертеже рекомендуется не выполнять только для предприятий-изготовителей, где такие чертежи имеют широкое обращение.
По п. 4.2.1.
Базовую схему и схемы исполнений выполняют с учетом рекомендаций по п. 1.7 и при наличии преимуществ таких схем по сравнению с групповыми.
По п. 5.5.1.
Вариант А является лучшим, когда одни и те же переменные данные не повторяются в нескольких исполнениях. Вариант А рекомендуется применять также при преобразовании единичной спецификации о групповую без замены ее новым подлинником.
По п. 5.5.2.
Вариант Б является лучшим, когда количество исполнений не более 10, постоянных данных мало, а некоторые переменные данные повторяют в разных исполнениях. Вариант Б рекомендуется применять и при большом количестве исполнений, если для каждого последующего десятка исполнений все или почти все данные отличаются от соответствующих данных предыдущих исполнений.
По п. 5.5.3.
Вариант В является лучшим, когда количество исполнений не более 10, постоянных данных много, а некоторые переменные данные повторяются в разных исполнениях. Вариант В рекомендуется применять и при большом количестве исполнений, если для каждого последующего десятка исполнений все или почти все переменные данные отличаются от соответствующих переменных данных предыдущих исполнений.
По п. 5.5.4.
Вариант Г является лучшим при количестве исполнений более 10, когда одни и те же переменные данные в разных сочетаниях повторяются в разных исполнениях. Вариант Г рекомендуется применять и в случаях, когда по какой-либо причине варианты А, Б и В не оптимальны.
Выбор оптимального варианта выполнения неосновного документа аналогичен выбору варианта выполнения спецификации.
СОДЕРЖАНИЕ