ГОСТ 2.318-81
МЕЖГОСУДАРСТВЕННЫЙ СТАНДАРТ
ЕДИНАЯ СИСТЕМА КОНСТРУКТОРСКОЙ ДОКУМЕНТАЦИИ
ПРАВИЛА УПРОЩЕННОГО НАНЕСЕНИЯ
РАЗМЕРОВ ОТВЕРСТИЙ
ИПК
ИЗДАТЕЛЬСТВО СТАНДАРТОВ
Москва
МЕЖГОСУДАРСТВЕННЫЙ СТАНДАРТ
|
Единая система конструкторской документации ПРАВИЛА УПРОЩЕННОГО НАНЕСЕНИЯ РАЗМЕРОВ ОТВЕРСТИЙ Unified system for design documentation. |
ГОСТ |
Дата введения 01.01.82
1. Настоящий стандарт устанавливает правила упрощенного нанесения размеров отверстий на чертежах всех отраслей промышленности и строительства.
(Измененная редакция, Изм. № 1).
2. Размеры отверстий на чертежах допускается наносить упрощенно в следующих случаях:
диаметр отверстия на изображении - 2 мм и менее;
отсутствует изображение отверстий в разрезе (сечении) вдоль оси;
нанесение размеров отверстий по общим правилам усложняет чтение чертежа.
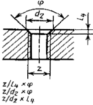
3. Размеры отверстий следует указывать на полке линии-выноски, проведенной от оси отверстия (см. чертеж).

4. Примеры упрощенного нанесения размеров отверстий приведены в таблице.
|
Тип отверстия |
Пример упрощенного нанесения размеров отверстия |
|
|
|
|
|
|
|
|
|
|
|
|
|
|
|
|
|
|
|
|
|
|
|
|
|
|
|
Обозначения элементов отверстий, используемые в структуре записей для различных типов отверстий:
d1 - диаметр основного отверстия;
d2 - диаметр зенковки;
l1 - длина цилиндрической части основного отверстия;
l2 - длина резьбы в глухом отверстии;
l3 - глубина зенковки;
l4 - глубина фаски;
z - обозначение резьбы по стандарту;
j - центральный угол зенковки;
a - угол фаски.
(Измененная редакция, Изм. № 1).
ИНФОРМАЦИОННЫЕ ДАННЫЕ
1. РАЗРАБОТАН И ВНЕСЕН Государственным комитетом СССР по стандартам
РАЗРАБОТЧИКИ
В. Ф. Курочкин, Ю. И. Степанов, Б. Я. Кабаков, Н. Н. Баранова
2. УТВЕРЖДЕН И ВВЕДЕН В ДЕЙСТВИЕ Постановлением Государственного комитета СССР по стандартам от 30.10.81 № 4771
3. Стандарт полностью соответствует СТ СЭВ 1977-79
4. ВВЕДЕН ВПЕРВЫЕ
5. ИЗДАНИЕ (март 2000 г.) с Изменением № 1, утвержденным в сентябре 1987 г. (ИУС 12-87)