
ГОСУДАРСТВЕННЫЙ СТАНДАРТ СОЮЗА ССР
СИСТЕМА СТАНДАРТОВ БЕЗОПАСНОСТИ ТРУДА
СИСТЕМЫ ВЕНТИЛЯЦИОННЫЕ
МЕТОДЫ АЭРОДИНАМИЧЕСКИХ ИСПЫТАНИЙ
ГОСТ 12.3.018-79
ГОСУДАРСТВЕННЫЙ КОМИТЕТ СССР ПО СТАНДАРТАМ
Москва
ГОСУДАРСТВЕННЫЙ СТАНДАРТ СОЮЗА ССР
|
Система стандартов безопасности труда СИСТЕМЫ ВЕНТИЛЯЦИОННЫЕ Методы аэродинамических испытаний Occupational safety standards system. Ventilation systems. Aerodinamical tests methods |
ГОСТ 12.3.018-79 |
Постановлением Государственного комитета СССР по стандартам от 5 сентября 1979 г. № 3341 срок действия установлен
с 01.01. 1981 г.
до 01.01. 1986 г.
Настоящий стандарт распространяется на аэродинамические испытания вентиляционных систем зданий и сооружений.
Стандарт устанавливает методы измерений и обработки результатов при проведении испытаний вентиляционных систем и их элементов для определения расходов воздуха и потерь давления.
1.1. Для измерения давлений и скоростей движения воздуха в воздуховодах (каналах) должны быть выбраны участки с расположением мерных сечений на расстояниях не менее шести гидравлических диаметров Dh, м за местом возмущения потока (отводы, шиберы, диафрагмы и т. п.) и не менее двух гидравлических диаметров перед ним.
При отсутствии прямолинейных участков необходимой длины допускается располагать мерное сечение в месте, делящем выбранный для измерения участок в отношении 3: 1 в направлении движения воздуха.
Примечание. Гидравлический диаметр определяется по формуле
где F, м2 и П, м, соответственно, площадь и периметр сечения.
1.2. Допускается размещать мерное сечение непосредственно в месте внезапного расширения или сужения потока. При этом размер мерного сечения принимают соответствующим наименьшему сечению канала.
1.3. Координаты точек измерений давлений и скоростей, а также количество точек определяются формой и размерами мерного сечения по черт. 1 и 2. Максимальное отклонение координат точек измерений от указанных на чертежах не должно превышать ±10 %. Количество измерений в каждой точке должно быть не менее трех.
Координаты точек измерения давлений
и скоростей в воздуховодах
цилиндрического сечения

Координаты точек измерения давлений и скоростей
в воздуховодах прямоугольного сечения

1.4. При использовании анемометров время измерения в каждой точке должно быть не менее 10 с.
2.1. Для аэродинамических испытаний. вентиляционных систем должна применяться следующая аппаратура:
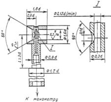
а) комбинированный приемник давления -для измерения динамических давлений потока при скоростях движения воздуха более 5 м/с и статических давлений в установившихся потоках (черт. 3);
б) приемник полного давления - для измерения полных давлений потока при скоростях движения воздуха более 5 м/с (черт. 4);
в) дифференциальные манометры класса точности от 0,5 до 1,0 по ГОСТ 11161-71, ГОСТ 18140-77 и тягомеры по ГОСТ 2648-78 - для регистрации перепадов давлений;
г) анемометры по ГОСТ 6376-74 и термоанемометры -для измерения скоростей воздуха менее 5 м/с;
д) барометры класса точности не ниже 1,0 - для измерения давления в окружающей среде;
е) ртутные термометры класса точности не ниже 1,0 по ГОСТ 13646-68 и термопары -для измерения температуры воздуха;
ж) психрометры класса точности не ниже 1,0 по ГОСТ 6353-52 и психрометрические термометры по ГОСТ 15055-69 -для измерения влажности воздуха.
Примечание. При измерениях скоростей воздуха, превышающих 5 м/с в потоках, где затруднено применение приемников давления, допускается использовать анемометры по ГОСТ 6376-74 и термоанемометры.
Основные размеры приемной части комбинированного
приемника давления

_____________
* Диаметр d не должен превышать 8 % внутреннего диаметра круглого или ширины (по внутреннему обмеру) прямоугольного воздуховода.
Черт. 3
2.2. Конструкции приборов, применяемых для измерения скоростей и давлений запыленных потоков, должны позволять их очистку от пыли в процессе эксплуатации.
2.3. Для проведения аэродинамических испытаний в пожаровзрывоопасных производствах должны применяться приборы, соответствующие категории и группе производственных помещений.
Основные размеры приемной части приемника
полного давления

* Диаметр d не должен превышать 8 % внутреннего диаметра круглого или ширины (по внутреннему обмеру) прямоугольного воздуховода.
Черт. 4
3.1. Перед испытаниями должна быть составлена программа испытаний с указанием цели, режимов работы оборудования и условий проведения испытаний.
3.2. Вентиляционные системы и их элементы должны быть проверены и обнаруженные дефекты устранены.
3.3. Показывающие приборы (дифференциальные манометры, психрометры, барометры и др.), а также коммуникации к ним следует располагать таким образом, чтобы исключить воздействие на них потоков воздуха, вибраций, конвективного и лучистого тепла, влияющих на показания приборов.
3.4. Подготовку приборов к испытаниям необходимо проводить в соответствии с паспортами приборов и действующими инструкциями по их эксплуатации.
4.1. Испытания следует проводить не ранее чем через 15 мин после пуска вентиляционного агрегата.
4.2. При испытаниях, в зависимости от программы, измеряют:
барометрическое давление окружающей воздушной среды Ва, кПа (кгс/м2);
температуру перемещаемого воздуха по сухому и влажному термометру, соответственно, t и fj, °С;
температуру воздуха в рабочей зоне помещения ta, °С;
динамическое давление потока воздуха в точке мерного сечения рdi, кПа (кгс/м2);
статическое давление воздуха в точке мерного сечения рsi, кПа (кгс/м2);
полное давление воздуха в точке мерного сечения рi, кПа (кгс/м2);
время перемещения анемометра по площади мерного сечения t, с;
число делений счетного механизма оборотов механического анемометра за время t обвода сечения п.
Примечания:
1. Измерения статического или полного давлений производят при определении давления, развиваемого вентилятором, и потерь давления в вентиляционной сети или на ее участке.
2. Значение полного (р, кПа, кгс/м2) и статического (рs, кПа, кгс/м2) давлений представляют собой соответствующие перепады полных и статических давлений потока с барометрическим давлением окружающей среды. Перепад считается положительным, если соответствующее значение превышает давление окружающей среды, в противном случае р и рs - отрицательны.
4.3. При измерении давлений и скоростей потока в воздуховодах и расположении мерного сечения на прямолинейном участке длиной не менее 8Dh допускается проводить измерения статического давления потока воздуха и в отдельных точках сечения полного давления комбинированным приемником давления.
4.4. Зазоры между измерительными приборами и отверстиями, через которые они вводятся в закрытые каналы, должны быть уплотнены во время испытаний, а отверстия закрыты после проведения испытаний.
5.1. На основе величин, измеренных в соответствии с программой, определяют:
относительную влажность перемещаемого воздуха j, %;
плотность перемещаемого воздуха р, кг/м3 (кгс·с2/м4);
скорости движения воздуха v, м/с;
расход воздуха L, м3/с;
потери полного давления в вентиляционной сети или в отдельных ее элементах Dр, кПа (кгс/м2);
коэффициент потерь давления вентиляционной сети или ее элемента z.
5.2. Относительную влажность перемещаемого воздуха определяют по показаниям сухого и влажного термометров в соответствии с паспортом прибора.
5.3. Плотность перемещаемого воздуха определяют по формуле
где р' - статическое или полное давление потока, измеренное комбинированным приемником давления или приемником полного давления в одной из точек мерного сечения;
Kj - коэффициент, зависящий от температуры и влажности перемещаемого воздуха. Значение Kj определяется по табл. 1.
Зависимость коэффициента Kj от температуры и влажности перемещаемого воздуха
|
t, °C |
10 |
20 |
30 |
40 |
50 |
|||||
|
j, % |
50 |
100 |
50 |
100 |
50 |
100 |
50 |
100 |
50 |
100 |
|
Kj |
0,998 |
1,003 |
1,000 |
1,005 |
1,004 |
1,012 |
1,010 |
1,025 |
1,020 |
1,040 |
5.4. Динамическое давление рd кПа (кгс/м2) средней скорости движения воздуха определяют по измеренным в z точках (черт. 1 или 2) комбинированным приемником давления величинам динамических давлении рdi по формуле
5.5. Скорость движения воздуха vi, м/с в точке мерного сечения по измерениям динамического давления рdi определяют согласно формуле
5.6. Среднюю скорость движения воздуха vm, м/с в мерном сечении по измерениям динамического давления в z точках (по черт. 1 или 2) определяют по формуле
5.7. При измерениях анемометрами скорость движения воздуха в отдельных точках мерного сечения определяют по показаниям прибора n и графику индивидуальной тарировки прибора v (n); при этом среднюю скорость движения воздуха vm определяют по формуле
5.8. Объемный расход L, м3/с воздуха определяют по формуле
5.9. Статическое давление рs потока в мерном сечении определяют по следующим формулам:
а)
при измерениях полных и динамических
давлений;
б)
при измерениях статических давлений;
в)
при измерениях скоростей потока и полных
давлений.
5.10. Полное давление р потока в мерном сечении рассчитывают по формулам
или
5.11. Потери полного давления элемента сети определяют по формуле
где р1 и р2 - полные давления, определенные по п. 5.10, в мерных сечениях 1 и 2, расположенных, соответственно, на входе в элемент и на выходе из него.
5.12. Потери полного давления элемента сети, расположенного на входе в сеть, определяют по формуле
5.13. Потери полного давления элемента сети, расположенного на выходе из сети, определяют по формуле
5.14. Коэффициент потерь давления элементов сети определяют по формуле
где рd - динамическое давление (по п. 5.4) в мерном сечении выбранном в качестве характерного.
5.15. Динамическое давление рdv, кПа (кгс/м2) вентилятора определяют по формуле
где Fv - площадь выходного отверстия вентилятора.
5.16. Статическое давление рsv, кПа (кгс/м2) вентилятора определяют по формуле
где рs1 и рs2 - соответственно статические давления в мерных сечениях 1 и 2 перед и за вентилятором, определенные по п. 5.9;
рd1 — динамическое давление в мерном сечении 1, на входе в вентилятор, определенное по п. 5.4.
5.17. Полное давление вентилятора рv кПа (кгс/м2) равно суммарным потерям Dрå сети и определяется по формуле
Примечание. Безразмерные параметры, характеризующие аэродинамические свойства собственно вентилятора (его коэффициенты полного yv, статического ys и динамического jdv давлений, а также коэффициент расхода воздуха jv) определяют, если это предусмотрено программой испытаний, по формулам, приведенным в ГОСТ 10921-74.
5.18. В случаях, предусмотренных программой испытаний, производят расчет предельной погрешности определения расхода воздуха по результатам измерений. Порядок расчета при измерениях пневмометрическим насадком в сочетании с дифференциальным манометром дан в рекомендуемом приложении 1.
6.1. При проведении аэродинамических испытаний вентиляционных систем должны соблюдаться требования безопасности согласно ГОСТ 12.4.021-75.
6.2. Проведение аэродинамических испытаний не должно ухудшать проветривание и приводить к скоплению взрывоопасной концентрации газов.
Рекомендуемое
Из уравнений пп. 4.3—4.8 следует:
При этом предельная относительная погрешность определения расхода воздуха в процентах выражается следующей формулой:
где sL - среднеквадратичная относительная погрешность, обусловленная неточностью измерений в процессе испытаний;
dj - предельная, относительная погрешность определения расхода воздуха, связанная с неравномерностью распределения скоростей в мерном сечении; величины dj даны в табл. 1 настоящего приложения.
Величина sL представляется в виде:
где sD - среднеквадратичная погрешность определения размеров мерного сечения, зависящая от гидравлического диаметра воздуховода; при 100 мм £ Dh 300 мм величина sD = ± 3 %, при Dh > 300 мм sD = ± 2 %;
sp, sB, st - среднеквадратичные погрешности измерений, соответственно, динамического давления Рd потока, барометрического давления Ba, температуры t потока, величины sp, sB, st даны в табл. 2 настоящего приложения.
Пользуясь табл. 1 и 2 и приведенными формулами вычисляют предельную погрешность определения расхода воздуха.
Таблица 1
Предельная относительная погрешность dj, вызванная неравномерностью распределения скоростей в мерном сечении
|
Форма мерного |
Число точек |
d, %, при расстоянии от места возмущения потока до мерного сечения в гидравлических диаметрах Dh |
||||
|
сечения |
измерений |
1 |
2 |
3 |
5 |
> 5 |
|
Круг |
4 |
20 |
16 |
12 |
6 |
3 |
|
|
8 |
16 |
12 |
10 |
5 |
2 |
|
|
12 |
12 |
8 |
6 |
3 |
2 |
|
Прямо- |
4 |
24 |
20 |
15 |
8 |
4 |
|
угольник |
16 |
12 |
8 |
6 |
3 |
2 |
Среднеквадратичные погрешности sp, sB, st показаний приборов
|
Показание прибора в долях |
sp, sB, st, %, для приборов класса точности |
|
|
длины шкалы |
10 |
0,5 |
|
1,00 |
±0,5 |
±0,25 |
|
0,75 |
±0,7 |
±0,24 |
|
0,50 |
±1,0 |
±0,5 |
|
0,25 |
±2,0 |
±1,0 |
|
0,10 |
±5,0 |
±2,5 |
|
0,05 |
±10,0 |
±5,0 |
Пример. Мерное сечение расположено на расстоянии 3-х диаметров за коленом воздуховода диаметром 300 мм (т. е. sD = ± 3 %). Измерения производят комбинированным приемником давления в 8-ми точках мерного сечения (т. е. по табл. 1 dj = + 10 %). Класс точности приборов (дифманометр, барометр, термометр) - 1,0. Отсчеты по всем приборам производятся, примерно, в середине шкалы, т. е. по табл. 2, sp = sB = st = ± 1,0 %. Предельная относительная погрешность измерения расхода воздуха составит:
Содержание
|
1. МЕТОД ВЫБОРА ТОЧЕК ИЗМЕРЕНИЙ.. 1 3. ПОДГОТОВКА К ИСПЫТАНИЯМ... 3 5. ОБРАБОТКА РЕЗУЛЬТАТОВ ИЗМЕРЕНИЙ.. 3 6. ТРЕБОВАНИЯ БЕЗОПАСНОСТИ.. 5
|