|
ФЕДЕРАЛЬНОЕ
АГЕНТСТВО |
||
|
|
НАЦИОНАЛЬНЫЙ |
ГОСТ
Р
|
ЭЛЕКТРООБОРУДОВАНИЕ ДЛЯ ВЗРЫВООПАСНЫХ ГАЗОВЫХ СРЕД
Часть 25
Искробезопасные системы
IEC 60079-25:2003
Electrical apparatus for explosive gas atmospheres - Part 25: Intrinsically safe systems
(MOD)
|
|
Москва Стандартинформ 2006 |
Предисловие
Цели и принципы стандартизации в Российской Федерации установлены Федеральным законом от 27 декабря 2002 г. № 184-ФЗ «О техническом регулировании», а правила применения национальных стандартов Российской Федерации - ГОСТ 1.0-2004 «Стандартизация в Российской Федерации. Основные положения»
Сведения о стандарте
1 ПОДГОТОВЛЕН Автономной некоммерческой национальной организацией «Ех-стандарт» (АННО «Ех-стандарт»)
2 ВНЕСЕН Техническим комитетом по стандартизации ТК 403 «Взрывозащищенное и рудничное электрооборудование»
3 УТВЕРЖДЕН И ВВЕДЕН В ДЕЙСТВИЕ Приказом Федерального агентства по техническому регулированию и метрологии от 27 августа 2006 г. № 205-ст
4 Настоящий стандарт модифицирован по отношению к международному стандарту МЭК 60079-25:2003 «Электрооборудование для взрывоопасных газовых сред. Часть 25. Искробезопасные системы» (IEC 60079-25:2003 «Electrical apparatus for explosive gas atmospheres - Part 25: Intrinsically safe systems») путем внесения дополнительных требований и технических отклонений
5 ВВЕДЕН ВПЕРВЫЕ
Информация об изменениях к настоящему стандарту публикуется в указателе «Национальные стандарты», а текст изменений и поправок - в ежемесячно издаваемых информационных указателях «Национальные стандарты». В случае пересмотра (замены) или отмены настоящего стандарта соответствующее уведомление будет опубликовано в ежемесячно издаваемом информационном указателе «Национальные стандарты». Соответствующая информация, уведомления и тексты размещаются также в информационной системе общего пользования - на официальном сайте Федерального агентства по техническому регулированию и метрологии в сети Интернет
Содержание
Введение
Настоящий стандарт модифицирован по отношению к международному стандарту МЭК 60079-25:2003 «Электрооборудование для взрывоопасных газовых сред. Часть 25. Искробезопасные системы», входящему в комплекс стандартов МЭК, регламентирующих требования к взрывозащищенному электрооборудованию. Установленные в стандарте требования обеспечивают вместе со стандартами по видам взрывозащиты безопасность применения электрооборудования на опасных производственных объектах.
Стандарт МЭК 60079-25:2003, на основе которого разработан настоящий стандарт, введен в международную систему сертификации МЭК Ех и европейскую систему сертификации на основе Директивы 94/9 ЕС.
Настоящий стандарт содержит требования к конструкции и оценке искробезопасных электрических систем с видом защиты «искробезопасная электрическая цепь ”i”», предназначенных для использования целиком или частично во взрывоопасных средах как оборудование группы II.
Дополнительные требования и технические отклонения по тексту выделены курсивом
|
НАЦИОНАЛЬНЫЙ СТАНДАРТ РОССИЙСКОЙ ФЕДЕРАЦИИ |
|
ЭЛЕКТРООБОРУДОВАНИЕ ДЛЯ ВЗРЫВООПАСНЫХ ГАЗОВЫХ СРЕД Часть 25 Искробезопасные системы Electrical apparatus for explosive gas atmospheres. Part 25. Intrinsically safe systems |
Дата введения -2007-07-01
1.1 Настоящий стандарт содержит специальные требования к конструкции и оценке искробезопасных электрических систем с видом защиты «искробезопасная электрическая цепь "i"», предназначенных для использования полностью или частично во взрывоопасных средах как оборудование группы II. Стандарт предназначен для разработчика системы, который может быть изготовителем, специалистом-консультантом или штатным сотрудником конечного пользователя.
1.2 Настоящий стандарт дополняет стандарт МЭК 60079-11, требования которого относятся к электрическим устройствам, используемым в искробезопасных электрических системах.
1.3 Требования к монтажу системы группы II, сконструированной в соответствии с настоящим стандартом, определены в стандарте МЭК 60079-14.
Следующие нормативные документы необходимы для применения настоящего стандарта. Для датированных ссылок применяется только указанное издание. Для недатированных ссылок применяется последнее издание указанного документа (включая все поправки).
ГОСТ Р 51330.0-99 (МЭК 60079-0-98) Электрооборудование взрывозащищенное. Часть 0. Общие требования
ГОСТ Р 51330.10-99 (МЭК 60079-11-99) Электрооборудование взрывозащищенное. Часть 11. Искробезопасная электрическая цепь i
ГОСТ Р 51330.14-99 Электрооборудование взрывозащищенное. Часть 15. Защита вида n
Примечание - При пользовании настоящим стандартом целесообразно проверить действие ссылочных стандартов в информационной системе общего пользования - на официальном сайте Федерального агентства по техническому регулированию и метрологии в сети Интернет или по ежегодно издаваемому информационному указателю «Национальные стандарты», который опубликован по состоянию на 1 января текущего года, и по соответствующим ежемесячно издаваемым информационным указателям, опубликованным в текущем году. Если ссылочный стандарт заменен (изменен), то при пользовании настоящим стандартом следует руководствоваться замененным (измененным) стандартом. Если ссылочный стандарт отменен без замены, то положение, в котором дана ссылка на него, применяется в части, не затрагивающей эту ссылку.
В настоящем стандарте применяются следующие определения, относящиеся к искробезопасным электрическим системам. Они дополняют определения, приведенные в стандартах МЭК 60079-0 и МЭК 60079-11.
3.1 искробезопасная электрическая система (intrinsically safe electrical system): Группа взаимосвязанных единиц электрооборудования, в которой цепи или части цепей, предназначенные для использования во взрывоопасной среде, являются искробезопасными цепями.
3.1.1 сертифицированная искробезопасная электрическая система (certified intrinsically safe electrical system): Электрическая система в соответствии с 3.1, на которую выдан сертификат, подтверждающий, что данная электрическая система соответствует настоящему стандарту.
3.1.2 несертифицированная искробезопасная электрическая система (uncertified intrinsically safe electrical system): Электрическая система в соответствии с 3.1, о искробезопасности которой можно сделать однозначный вывод на основании сведений об электрических параметрах единиц сертифицированного искробезопасного электрооборудования, сертифицированного связанного оборудования, простого оборудования и сведений об электрических и физических параметрах соединительной проводки.
3.2 описательный документ системы (descriptive system document): Документ, в котором определены единицы электрооборудования, их электрические параметры и параметры соединительной проводки.
3.3 разработчик системы (system designer): Лицо, отвечающее за описательный документ системы, обладающее необходимой квалификацией для выполнения этой задачи и наделенное полномочиями принимать на себя обязательства от имени своего работодателя.
3.4 максимальная емкость кабеля (Сс) (maximum cable capacitance): Максимальная емкость соединительного кабеля, который может быть подсоединен к искробезопасной цепи без нарушения искробезопасности.
3.5 максимальная индуктивность кабеля (Lc) (maximum cable inductance): Максимальная индуктивность соединительного кабеля, который может быть подключен к искробезопасной цепи без нарушения искробезопасности.
3.6 максимальное отношение индуктивности кабеля к его сопротивлению (LC/RC) (maximum cable inductance to resistance ratio): Максимальное значение отношения индуктивности (Lc) к сопротивлению (Rc) соединительного кабеля, который может быть подключен к искробезопасной цепи без нарушения искробезопасности.
3.7 линейный источник питания (linear power supply): Источник питания, выходной ток которого зависит от сопротивления. Выходное напряжение снижается линейно приувеличении выходного тока.
3.8 нелинейный источник питания (non-linear power supply): Источник питания, у которого выходное напряжение и выходной ток связаны нелинейной зависимостью.
Пример - Источник питания с постоянным выходным напряжением до определенного уровня стабилизированного тока, регулируемого полупроводниками.
Описательный документ составляется для всех искробезопасных электрических систем. Описательный документ должен содержать соответствующий анализ уровня безопасности системы.
В приложении Е приведены примеры типичных схем, которые иллюстрируют требования к описательному документу системы.
Документ должен содержать, как минимум, следующее:
a) блок-схему системы с перечислением всех единиц оборудования, входящих в систему;
b) обозначение группы, температурного класса, уровня искробезопасной электрической системы и диапазона температуры окружающей среды в соответствии с разделами 5, 6 и 7 настоящего стандарта;
c) требования и допустимые параметры для соединительной проводки в соответствии с разделом 8;
d) подробную информацию о точках заземления и соединения систем в соответствии с разделом 9. Если используются устройства защиты от перенапряжения, должен быть приложен анализ в соответствии с разделом 10;
e) в случае необходимости приводят обоснование оценки оборудования как «простого оборудования» в соответствии с МЭК 60079-11. Если используются несколько единиц простого оборудования, необходимо приложить анализ совокупности их параметров;
f) описательный документ системы должен иметь уникальную идентификацию;
g) разработчик системы должен подписать документ и поставить дату.
Искробезопасные электрические системы должны быть отнесены к группе II в соответствии с МЭК 60079-0.
Оборудованию в составе искробезопасной электрической системы группы II, предназначенной для использования во взрывоопасных средах, должен быть присвоен температурный класс в соответствии с МЭК 60079-0 и МЭК 60079-11.
Примечание 1 В искробезопасных электрических системах группы II или их частях подгрупп А, В, С могут отличаться от подгрупп конкретного искробезопасного электрооборудования и связанного электрооборудования в составе системы.
Примечание 2 Разные части одной искробезопасной электрической системы могут относиться к разным подгруппам (А, В, С). Используемое электрооборудование может относиться к разным температурным классам и иметь разные диапазоны температуры окружающей среды.
Каждая часть искробезопасной электрической системы, предназначенной для использования во взрывоопасной среде, должна быть отнесена к уровню «ia» или «ib» в соответствии с МЭК 60079-11 или «ic» в соответствии с ГОСТ Р 51330.10-99. Вся система не обязательно должна относиться к одному уровню.
В описательном документе системы должен быть указан уровень системы или, при необходимости, уровни разных частей системы.
Примечание - Например, если прибор первоначально относился к уровню «ib», но предназначен для подключения датчика уровня «ia» - прибор для измерения рН с подключенным к нему зондом, -часть системы до прибора относится к уровню «ib», а датчик и его соединения относятся к уровню «ia».
В разделе 11 содержится подробная информация о необходимой оценке искробезопасной электрической системы.
Если требования, предъявляемые к электрооборудованию уровня «ia» (см. 5.2 МЭК 60079-11), выполняются искробезопасной электрической системой или частью системы, рассматриваемой как единое целое, тогда эта система или часть системы должна быть отнесена к уровню «ia».
Если требования, предъявляемые к электрооборудованию уровня «ib» (см. 5.3 МЭК 60079-11), выполняются искробезопасной электрической системой или частью системы, рассматриваемой как единое целое, тогда эта система или часть системы должна быть отнесена к уровню «ib».
Если требования, предъявляемые к электрическому оборудованию уровня «ic» (см. 5.3.5 ГОСТ Р 51330.10-99), выполняются искробезопасной электрической системой или частью системы, рассматриваемой как единое целое, тогда эта система или часть системы должна быть отнесена к уровню «ic».
Если часть искробезопасной электрической системы или полная система определена как пригодная для эксплуатации при температуре, выходящей за пределы диапазона нормальной рабочей температуры от минус 20 °С до плюс 40 °С, это должно быть отражено в описательном документе системы.
Электрические параметры соединительной проводки, от которых зависит искробезопасность, а также их производные, должны быть определены в описательных документах системы. В качестве альтернативы в документации должен быть определен кабель конкретного типа и дано обоснование его применения. Если определен кабель конкретного типа, то он должен соответствовать требованиям МЭК 60079-14.
В случае необходимости в описательном документе системы должны быть также определены допустимые типы многожильного кабеля в соответствии с МЭК 60079-14, которые могут использоваться в каждой конкретной цепи. В том случае, если замыкания между раздельными цепями не учитываются, в блок-схему описательного документа системы необходимо добавить примечание следующего содержания: «если в составе соединительного кабеля используется часть многожильного кабеля, содержащего другие искробезопасные цепи, необходимо, чтобы этот многожильный кабель удовлетворял требованиям к многожильному кабелю типа А или В, как определено в МЭК 60079-14».
Как правило, искробезопасная цепь должна быть полностью изолирована или подсоединена к опорному потенциалу, связанному с опасной зоной только в одной точке. Требуемый уровень изоляции (кроме одной точки) должен рассчитываться так, чтобы выдерживать испытание сопротивления изоляции напряжением 500 В в соответствии с 6.4.12 МЭК 60079-11. Если это требование не выполняется, то цепь должна рассматриваться как заземленная в данной точке. Допускается более одного заземления в цепи, если она гальванически разделена на подцепи, каждая из которых имеет только одну точку заземления.
Экраны должны быть заземлены или подсоединены к частям конструкции, не находящимся под напряжением, в соответствии с требованиями МЭК 60079-14. Если система предназначена для использования в установке, в которой возможна значительная разница потенциалов (более 10 В) между конструкцией и цепью, предпочтительнее использовать цепь, гальванически изолированную от внешних воздействий, таких как изменения нулевого потенциала на некотором расстоянии от конструкции. Требуется особая осторожность, если часть системы предназначена для применения в зоне класса 0.
В описательном документе системы должно быть указано, какая точка или точки системы предназначены для подключения к опорному потенциалу установки, а также специальные требования к такому соединению. Это может быть выполнено с помощью перекрестных ссылок на МЭК 60079-14. Точка или точки, в которых искробезопасная система подключается к установке, должны быть определены в соответствии с МЭК 60079-14.
Если анализ риска показывает, что установка в высокой степени чувствительна к грозовым разрядам или другим перенапряжениям, следует принять меры предосторожности для исключения возможных опасностей.
Если часть искробезопасной цепи установлена в зоне класса 0 таким образом, что существует риск возникновения опасных или причиняющих повреждения разностей потенциалов в зоне класса 0, необходимо установить устройство защиты от перенапряжения. Защита от перенапряжения необходима между каждой жилой кабеля, включая экран, и конструкцией, если жила не подсоединена к конструкции. Устройство защиты от перенапряжения должно быть установлено с внешней стороны, но как можно ближе к границе зоны класса 0, желательно на расстоянии не более 1 м.
Защита от перенапряжения для оборудования, установленного в зонах классов 1 и 2, должна быть составной частью конструкции системы для мест с высокой опасностью перенапряжения.
Устройство защиты от перенапряжения должно быть способно отводить пиковый разрядный ток минимально равный 10 кА (импульс 8/20 мкс в соответствии с МЭК 60060-1 за 10 операций). Минимальная площадь поперечного сечения соединения между защитным устройством и местной конструкцией должна быть равна 4 мм2 меди. Кабель между искробезопасным оборудованием в зоне класса 0 и устройством защиты от перенапряжения должен устанавливаться таким образом, чтобы он был защищен от молнии. Любое устройство защиты от перенапряжения, подсоединенное к искробезопасной цепи, должно иметь взрывозащиту, соответствующую предполагаемому месту применения.
Считается, что использование ограничителей перенапряжения, которые обеспечивают соединение цепи и конструкции с помощью нелинейных устройств, таких как газоразрядные лампы и полупроводники, не нарушает искробезопасность цепи, если при нормальной работе ток, протекающий через этот ограничитель, меньше 10 мкА.
Примечание - Если испытание сопротивления изоляции при напряжении 500 В проводится в полностью контролируемых условиях, может потребоваться отключение ограничителей перенапряжений, чтобы они не искажали результат измерения.
Применение методов ограничения перенапряжения в искробезопасных системах должно основываться на документально подтвержденном анализе действия непрямого многократного заземления с учетом определенных выше критериев. При оценке искробезопасной системы необходимо учитывать емкость и индуктивность ограничителей перенапряжения.
В приложении F приведены схемы некоторых типов конструкции защиты от перенапряжения искробезопасной системы.
Если система содержит оборудование, которое не соответствует требованиям МЭК 60079-11, систему необходимо оценить как единое целое. Систему необходимо оценивать, как если бы это было устройство. Систему уровня «ia» оценивают в соответствии с критериями, изложенными в 5.2 МЭК 60079-11. Систему уровня «ib» оценивают в соответствии с критериями, изложенными в 5.3 МЭК 60079-11. Систему уровня «ic» оценивают в соответствии с критериями, изложенными в 5.3.5 стандарта ГОСТ Р 51330.10-99. В дополнение к внутренним повреждениям устройства необходимо также учитывать повреждения во внешней проводке, перечисленные в 11.4.
Примечание 1 Очевидно, что учет повреждений в системе в целом является менее жесткой мерой, чем учет повреждений каждой единицы оборудования, тем не менее считается, что такой учет обеспечивает приемлемый уровень безопасности.
Когда имеется в наличии вся необходимая информация, допускается применять учет повреждений для системы в целом, даже если используется оборудование, соответствующее требованиям МЭК 60079-11. Такое решение является альтернативой более часто применяемому простому сравнению входных и выходных характеристик отдельно оцененного или испытанного оборудования. Если система включает только отдельно оцененное или испытанное оборудование, соответствующее требованиям МЭК 60079-11, необходимо показать совместимость всего оборудования, входящего в состав системы. Поскольку внутренние неисправности оборудования уже были учтены, нет необходимости их учитывать еще раз. Если система содержит единственный источник питания, выходные параметры источника учитывают возможные повреждения кабелей, дополнительно эти повреждения учитывать не требуется. В приложении А содержится подробная информация по оценке простых искробезопасных систем.
Если оборудование связывает раздельные искробезопасные цепи, например термометр сопротивления с двумя раздельными обмотками, тогда связанные цепи должны оцениваться как одна цепь.
Если система содержит более одного линейного источника питания, тогда необходимо оценить комбинированное действие источников питания. В приложении В показано, какая оценка должна проводиться для наиболее часто встречающихся комбинаций источников.
Если искробезопасная система содержит несколько источников питания и один или несколько из этих источников нелинейные, метод оценки, описанный в приложении В, не может быть применен. В приложении С дано разъяснение, как выполнить оценку системы для такого типа искробезопасной системы, когда комбинация источников включает один нелинейный источник питания.
Примечание 2 Если дополнительно необходима консультация специалиста, следует обратиться в орган по сертификации, аккредитованный в схеме МЭК Ex.
На рисунке 1 приведена схема оценки системы.

Рисунок 1 – Оценка систем
Если индуктивность и сопротивление оборудования однозначно определены в технической документации или благодаря конструкции, тогда безопасность индуктивных составляющих системы должна быть подтверждена способом, описанным в приложении D.
При разработке системы, в которой необходимо учитывать повреждения во внешней проводке, следует учитывать повреждения:
a) разомкнутая цепь любого числа проводников внешней проводки;
b) короткое замыкание между любым числом проводников внешней проводки и экранами;
c) повреждение системы уравнения потенциалов или защитной оплетки в любой точке. Для проведения такой оценки необходимо принять, что путь возврата в части конструкции, не находящейся под напряжением, и в защитной оплетке имеет нулевое сопротивление и не добавляет напряжения или тока в цепь.
Приемлемые параметры соединительного кабеля должны рассчитываться с использованием коэффициента безопасности 1,5 в соответствии с 10.4.2 МЭК 60079-11.
Если требуется провести проверки и/или испытания типа, чтобы установить в достаточной ли мере безопасна система, необходимо применять методы, определенные в разделе 10 МЭК 60079-11.
Все устройства в составе системы должны быть легко идентифицируемы. В случае «простого оборудования» достаточно контролепригодной заводской этикетки.
Минимальное требование состоит в том, чтобы легко прослеживался соответствующий описательный документ системы. Один из приемлемых методов - указание номера контура измерительного прибора, позволяющего идентифицировать документацию, относящуюся к этому контуру, в которой, в свою очередь, указан описательный документ системы.
Если система содержит оборудование, которое было отдельно оценено или испытано в соответствии с требованиями МЭК 60079-11, такое оборудование сохраняет свою исходную маркировку.
Если система оценивается в соответствии с МЭК 60079-11, каждая единица оборудования должна быть промаркирована в соответствии с этим стандартом.
Эта упрощенная оценка применима, если в рассматриваемой системе используется только один источник питания.
Порядок определения пригодности простой системы, пример которой показан на рисунке А.1, должен быть следующим:
a) определение уровня или подгруппы системы с учетом информации для двух индивидуальных сертифицированных устройств. Система принимает самый низкий общий знаменатель для этих двух устройств. Поэтому если одно из устройств относится к уровню «ib», то и вся система принадлежит уровню «ib». Подгруппа, которой принадлежит оборудование, определяется наименее чувствительными подгруппами IIС, IIВ, IIА в порядке снижения чувствительности. В примере, приведенном на рисунке А.1, система становится [Exia] IIC. Допускается, чтобы разные части системы относились к разным уровням и подгруппам. В этих условиях описательный документ системы должен четко определять отдельные части цепи;
b) проверка параметров напряжения, тока и мощности, которые должны быть следующими:
U0≤Ui
I0≤Ii
P0≤Pi
Если указано эффективное входное сопротивление искробезопасного оборудования, расчет допустимого входного тока может включать этот параметр. В приведенном примере это нетрудно сделать;
c) определить температурный класс искробезопасного оборудования, который может зависеть от тока и мощности подключенного источника;
d) максимально допустимая емкость кабеля (Сс) - это допустимая емкость источника питания (С0) минус эффективная входная емкость искробезопасного оборудования (С0),то есть Сс = С0 – Сi;
e) максимально допустимая индуктивность кабеля (Lc) - это допустимая индуктивность источника питания (L0) минус эффективная индуктивность искробезопасного оборудования (Li), то есть Lс = L0 - Li;
f) если источник питания - линейный источник с ограниченным через сопротивление током, тогда допустимое соотношение Lc/Rc определяется в соответствии с приложением D.
Некоторые источники питания могут быть биполярными, например диодные (шунтирующие) барьеры безопасности, предназначенные для сигналов переменного тока. В этих условиях необходимо учитывать действие обоих выходов полярности.
|
ОПАСНАЯ ЗОНА |
БЕЗОПАСНАЯ ЗОНА |
|
Искробезопасное оборудование |
Связанное оборудование |
Рисунок А1 – Соединение искробезопасного оборудования и связанного оборудования
Такая оценка применима только в случае, если рассматриваемые источники питания имеют линейный выход с резистивным ограничением тока. Оценка не применяется к источникам питания, использующим другие формы ограничения тока.
В приложении В МЭК 60079-14 описана упрощенная процедура, позволяющая получить результаты с запасом, гарантирующие безопасную установку, которая может использоваться в качестве альтернативы методу, рассмотренному в настоящем приложении.
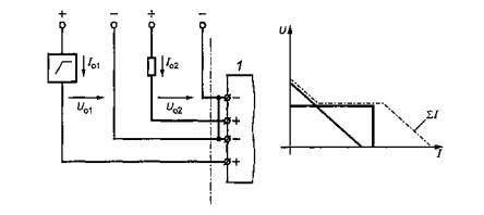
Если имеется более одного источника питания и подсоединения выполнены в контролируемых условиях для обеспечения адекватного разделения и механической устойчивости в соответствии с МЭК 60079-11, тогда рассматривается такая неисправность соединений, при которой происходит размыкание или короткое замыкание цепи, но не изменение полярности соединений или переход от последовательного подключения к параллельному или от параллельного подключения к последовательному. Соединения, выполненные внутри стойки или панели, установленной в помещении с необходимыми средствами для контроля качества и испытания, - пример необходимой степени целостности.
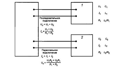
На рисунке В.1 показано обычное последовательное подключение. При таком подключении напряжение разомкнутой цепи равно U1 - U2, но возможность того, что напряжение может быть равно U1 + U2, не рассматривается. При оценке безопасности системы рассматриваются три значения напряжения U1, U2 и U1 + U2 и соответствующие им значения тока I1, и I2 и общий ток
![]()
Рисунок В.1 - Последовательно подключенные источники питания
Безопасность каждой из трех эквивалентных цепей должна оцениваться с использованием таблицы А.1 МЭК 60079-11. Тогда значения L0, L0/R0 и С0 должны быть установлены для каждой цепи и значение, создающее наиболее неблагоприятные условия, должно использоваться для соответствующей цепи.
Для определения этих значений в любых условиях необходимо использовать коэффициент безопасности 1,5.
Примечание - При сложении напряжений двух цепей емкость определяется по объединенной цепи. Однако индуктивность и соотношение L0/R0 могут определяться по одной из отдельных цепей, рассматриваемых раздельно. Минимальная индуктивность не всегда соответствует максимальному току в цепи, и минимальное отношение L0/R0 не всегда соответствует минимальной индуктивности.
Необходимо определить согласованную мощность от каждой эквивалентной цепи. Согласованная мощность комбинированной цепи является суммарной мощностью всех цепей только при условии, что применяемые источники имеют одинаковый выходной ток.
Если источники питания подсоединены параллельно, как показано на рисунке В.2, тогда все три значения силы тока I1, I2, и I1 + I2 должны рассматриваться вместе с соответствующими напряжениями U1, U2 и:
![]()
Рисунок В.2 – Параллельное подключенные источники питания
Безопасность каждой из трех эквивалентных цепей необходимо оценивать с использованием таблицы А.1 МЭК 60079-11. Значения L0, L0/R0 и С0 должны устанавливаться для каждой цепи, и значение, создающее наиболее неблагоприятные условия, должно использоваться для соответствующей эквивалентной цепи. Необходимо также определять согласованную мощность от каждой из трех эквивалентных цепей. Согласованная мощность комбинированной цепи является суммарной мощностью всех цепей при условии, что источники имеют одинаковое выходное напряжение.
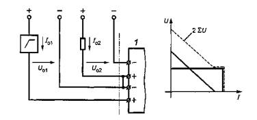
Если два источника питания подключены к одной искробезопасной цепи, и их подсоединение не определено, как показано на рисунке В.3, то существует возможность подключения этих источников питания как последовательно, так и параллельно. В данных обстоятельствах все возможные эквивалентные цепи должны быть оценены с использованием обеих процедур. Для определения целостности искробезопасной системы используют наиболее неблагоприятные выходные параметры и эквивалентные цепи.
В состав оборудования, предназначенного для применения во взрывоопасных зонах, допускается включать источник питания, в результате чего оборудование будет иметь значительные выходные параметры, например, внутренний аккумулятор. В этом случае оценка системы должна включать оценку комбинации данного источника питания с любым источником питания в связанном оборудовании, а также изменение (обращение) подсоединения из-за возможного повреждения внешней проводки.
После определения представительных эквивалентных цепей допускается использовать их как имеющие один источник питания и использовать процедуру, которая рассмотрена в приложении А, для установления того, является ли безопасность системы в целом приемлемой.
Если подключены два или более источника питания с разными выходными напряжениями, суммарный уравнительный ток может вызывать дополнительное рассеяние в схемах регулирования. Если в цепях используется традиционное резистивное ограничение тока, то считается, что дополнительное рассеяние не нарушает искробезопасность.
|
ОПАСНАЯ ЗОНА |
БЕЗОПАСНАЯ ЗОНА |
|
Искробезопасное оборудование |
Связанное оборудование |

Рисунок В.3 - Произвольно подключенные источники питания
Эта проблема длительное время остается предметом исследования. Настоящее приложение, отражающее мнение одной ведущей испытательной лаборатории, подверглось глубокому пересмотру. Оно отражает современное состояние знаний в данной области и его применение позволит расширить имеющийся практический опыт.
Проектирование и применение нелинейных источников питания требует специальных знаний и доступа к соответствующим испытательным установкам. Если аккредитованная испытательная лаборатория установила, что данный источник питания является достаточно безопасным, то допускается проектировать систему в соответствии с настоящим стандартом. Все особые условия, касающиеся такой системы, должны быть четко определены в сопроводительной документации.
Если проводится оценка безопасности комбинации источников питания, использующих нелинейные выходы, необходимо учитывать, что взаимодействие двух цепей может вызывать значительное увеличение рассеяния в компонентах схемы регулирования. Рекомендуется использовать только один источник питания, содержащий стабилизирующие полупроводники и источники с линейными и/или трапециевидными выходными характеристиками.
С.1 Введение
Правила выполнения электроустановок, определенные в МЭК 60079-14, позволяют оператору, который контролирует опасную зону, комбинировать несколько искробезопасных цепей с помощью их соединения. Это также относится к использованию нескольких «связанных электротехнических устройств» (активных в нормальном режиме работы или только в условиях неисправности) (см. 12.2.5.2 МЭК 60079-14). Если проверка искробезопасности соединения выполнена расчетом или испытанием, нет необходимости обращаться в испытательную лабораторию или к уполномоченному специалисту.
Практическую проверку испытанием следует выполнять с применением стандартного искрообразующего механизма в соответствии с МЭК 60079-11 с учетом коэффициента безопасности комбинированного электрооборудования. В этом случае необходимо учитывать некоторые условия неисправности, которые создают наиболее неблагоприятные условия воспламенения, - метод «наиболее неблагоприятного варианта» часто трудноосуществим на практике и обычно применяется испытательными лабораториями.
Можно легко выполнить оценку соединения расчетом, по меньшей мере, для резистивных цепей, если рассматриваемые электрические источники имеют внутреннее линейное сопротивление, как показано на рисунке С.1а. В этом случае применяются кривые предела воспламенения, определенные в МЭК 60079-11, и допускается применение метода, описанного в приложении А МЭК 60079-14 или представленного на рисунках С.7 и С.8 настоящего приложения.
с – Прямоугольный характеристики
Рисунок С.1 – Характеристика эквивалентных цепей и выходов резистивных цепей
Первый этап включает оценку новых максимальных значений напряжения и тока в результате комбинирования связанного оборудования. Если связанное оборудование комбинируется, как показано на рисунке С.2а, это последовательное соединение. Максимальные значения напряжения холостого хода U0 отдельных подузлов складывают и учитывают максимальное значение тока короткого замыкания I0. В устройстве, показанном на рисунке С.2с, соединение параллельное. Токи короткого замыкания складывают и учитывают самое высокое значение напряжения холостого хода.
Если в устройстве электрооборудования полярность определена не четко (как на рисунке С.2е), возможно последовательное или параллельное подключение в зависимости от рассматриваемого условия неисправности. В этом случае следует предполагать сложение значений напряжения и тока для двух типов соединения в отдельности. За основу следует принимать наиболее неблагоприятные значения.
a - Последовательное подключение со сложением значений напряжения
b - Последовательное подключение со сложением значений напряжения и возможным сложением значений тока
с – Параллельное подключение со сложением значений тока
Рисунок С.2 - Сложение значений тока и/или напряжения для соединений, лист 1
d - Последовательное подключение со сложением значений тока и, возможно, напряжения
е - Последовательное или параллельное подключение со сложением значений тока и напряжения
Рисунок С.2 - Сложение значений тока и/или напряжения для соединений, лист 2
После определения новых максимальных значений тока и напряжения необходимо проверить искробезопасность комбинированной цепи с помощью кривых пределов воспламеняемости, приведенных в МЭК 60079-11 с учетом коэффициента безопасности для резистивной цепи и определить новые максимально допустимые значения внешней индуктивности L0 и емкости С0. Однако здесь обнаруживается слабое место методики, при введенной в МЭК 60079-14, приложение А, по следующим причинам:
- значения максимально допустимой индуктивности действительны только для максимального напряжения 24 В;
- существование индуктивности и емкости не учитывается.
Если исходить только из напряжений холостого хода и токов короткого замыкания, полученный коэффициент безопасности снижается с желаемого значения 1,5 до примерно 1,0 в диапазоне напряжений выше 20 В. Это представляется приемлемым, поскольку соединение в соответствии с МЭК 60079-14 может быть отнесено только к уровню «ib», даже если все оборудование по отдельности отвечает требованиям уровня «ia». Однако для низких напряжений возможно снижение коэффициента безопасности значительно ниже 1,0. Таким образом, данный метод не эффективен с точки зрения безопасности.
Если один или несколько активных источников в одной цепи имеют нелинейные характеристики, оценки, выполняемые только на основе напряжений холостого хода и токов короткого замыкания, не позволяют достигнуть первоначальной цели.
На практике применяются источники трапециевидной формы (см. рисунок С.1b), а прямоугольные выходные характеристики (см. рисунок С.1с) часто встречаются, когда используются электронных токоограничительные устройства. Для таких цепей нельзя использовать кривые предела воспламеняемости из МЭК 60079-11. Таким образом, настоящий стандарт описывает метод, который позволяет оценивать безопасность комбинации сетей, включающих нелинейные источники, с помощью диаграмм. Новая компьютерная модель искрового воспламенения позволяет достигать желаемого коэффициента безопасности как для нелинейных источников, так и для совпадения индуктивности и емкости в цепи.
Представленная здесь методика может применяться для зоны класса 1 и для подгрупп МС и ИВ. Необходимо подчеркнуть, что данная методика предлагает механизм соединения; его применение для определения параметров искробезопасности отдельных цепей или оборудования имеет смысл только в случае простых прямоугольных или линейных цепей.
С.2 Основные типы нелинейных цепей
С.2.1 Параметры
Для оценки искробезопасности активных цепей необходимо знать внутреннее сопротивление и напряжение источника. В самом простом случае источник может характеризоваться двумя (постоянными) электрическими величинами - напряжением U0 и внутренним сопротивлением Ri или напряжением U0 и током короткого замыкания I0 (см. рисунок С.1а). U0 часто определяется зенеровскими диодами. U0 и I0 - максимальные значения, которые могут быть получены в условиях неисправности, определенных в МЭК 60079-11. В случае, приведенном на рисунке С.1а, характеристика линейная. К сожалению, на практике только некоторые цепи могут быть представлены таким простым способом.
Например, аккумулятор, оборудованный внешним токоограничительным резистором, не имеет внутреннего постоянного сопротивления и напряжение источника изменяется в зависимости от степени зарядки. Чтобы изучить поведение этих существующих в действительности цепей, они представлены более простыми эквивалентными цепями, которые должны быть в такой же степени способны вызывать воспламенение, как реальные цепи. Для вышеупомянутого случая с аккумулятором максимальное значение для разомкнутой цепи равно U0 и внешнее сопротивление равно Ri: как показано на рисунке С.1а. Эта эквивалентная цепь имеет линейную характеристику.
Нелинейные цепи также могут быть сведены к двум основным типам, показанным на рисунках С.1b и С.1с. Источник с трапециевидной характеристикой (рисунок С.1b, состоит из источника напряжения, сопротивления и дополнительных ограничивающих напряжение элементов (например, стабилитронов) на выходных зажимах. Ток источника с прямоугольной характеристикой, представленного на рисунке С.1с, ограничен электронным регулятором тока.
Если рассмотреть выходную мощность различных сетей, становится очевидным, что следует применять разные предельные значения воспламенения, поскольку воспламеняющая искра является одновременно «зарядом» и необходимо учитывать ее соответствие источнику, который ее питает. Максимальная мощность от источника, представленного на рисунке С.1а, следующая:
![]()
и для источника с трапециевидной характеристикой (рисунок С.1b):

Трапециевидная характеристика на рисунке С.1b становится прямоугольной характеристикой на рисунке С.1с, поскольку UQ стремится к бесконечности. В этом случае:
![]()
Для полного описания источника необходимы два параметра, относящиеся к линейным и прямоугольным характеристикам, и три параметра, относящиеся к трапециевидной характеристике (таблица С.1).
|
Характеристика |
Необходимые параметры |
|
Линейная, рисунок С.1а |
U0, I0 или U0, R |
|
Трапециевидная, рисунок С.1b |
Uo, Uq, R илиU0, R, I0 или U0, UQ, I0 |
|
Прямоугольная, рисунок С.1с |
U0,I0 |
С.2.2 Информация, содержащаяся в сертификатах
В связи с тем, что в соответствии с 12.2.1 или 12.3 МЭК 60079-14 оборудование с активными искробезопасными цепями подлежит сертификации, можно предположить, что для отдельного оборудования, которое должно комбинироваться с искробезопасными цепями, всегда имеется свидетельство об испытании, содержащее соответствующие электрические параметры.
Первый этап любой оценки безопасности должен включать определение типа характеристики и соответствующие электрические параметры отдельных цепей. Поскольку пользователь или оператор обычно не знаком с устройством цепей и внутренним строением оборудования, ему придется доверять электрическим данным, приведенным в свидетельстве об испытании.
Обычно в свидетельстве об испытании содержатся следующие значения: напряжение холостого хода (U0), ток короткого замыкания (I0) и максимально достижимая мощность. Часто на основе этих значений можно сделать вывод о типе характеристики.
Пример (максимальные значения):
U0 = 12,5 В,
Iо = 0.1 А,
Р0 = 313 мВт.
Поскольку значение Р0 равно одной четвертой произведения напряжения холостого хода и тока короткого замыкания, можно сделать вывод, что это пример линейной характеристики (рисунок С.1а).
Пример (максимальные значения):
U0 = 20,5 В,
I0 = 35 А,
Р0 = 718 мВт,
где Р0 - произведение напряжения холостого хода и тока короткого замыкания, то есть пример прямоугольной характеристики (рисунок С.1с).
В некоторых случаях значения мощности, тока и напряжения не соответствуют указанным выше, потому что значение мощности указано для установившихся условий (действие нагрева компонентов, подключенных последовательно), а значения тока и напряжения даны для динамических условий (искровое воспламенение). Когда есть сомнения, необходимо проверить, какую характеристику следует принять за основу соединения с точки зрения искрового воспламенения.
В случае трапециевидной характеристики информации в свидетельстве об испытании бывает недостаточно для определения характеристики. Отсутствует третий параметр (см. таблицу С.1) - UQ или R.
Указание значения R в качестве дополнительного параметра помогает правильно выполнить соединения искробезопасных цепей. Поэтому значение R обычно приводится в свидетельстве об испытании. Тогда параметр UQ (рисунок С.1b) можно вывести по формуле
![]()
В большинстве случаев в свидетельстве об испытании также указывается форма характеристики любой нелинейной цепи.
Пример может выглядеть следующим образом. Максимальные значения (трапециевидная характеристика):
U0 = 13,7 В,
I0 = 105 мА,
R = 438 Ом,
Р. = 1010 мВт.
Эта характеристика представлена на рисунке С.3а, на рисунке С.3b показана безопасная, эквивалентная цепь.
Выполняют следующий расчет:
UQ = I0 х R = 46 В и
Р0 = (UQ - U0)·U0/R =1010 мВт.

Рисунок С.3 – Выходная характеристика и эквивалентная цепь источника с трапециевидной характеристикой
Таким образом, данные, необходимые для соединения, могут быть получены на основе информации, приведенной в свидетельстве об испытании. Если таких данных нет в ранее выданных свидетельствах, они должны быть предоставлены изготовителем оборудования или испытательной лабораторией.
При разработке искробезопасных цепей необходимо стремиться к тому, чтобы число соединений и комбинированных подузлов было небольшим. Эта цель не всегда достижима на практике, поскольку необходимо учитывать условия неисправности. Это означает, что некоторое оборудование, которое не является источником напряжения в нормальных условиях работы, должно рассматриваться как источник в случае неисправности.
Пассивные входы устройств, например измерительных датчиков, плоттеров и т.д., могут, с точки зрения безопасности, действовать как активные источники. Поэтому необходимо обращаться к максимальным значениям, указанным в свидетельствах. В результате рабочие характеристики цепи могут значительно отклоняться от безопасной характеристики. Указанные в свидетельствах значения напряжения холостого хода U0 и тока короткого замыкания I0 для данной цепи в некоторых случаях применимы только для условий переходного процесса. С другой стороны, значение мощности применяется к установившимся условиям, которые должны учитываться с точки зрения нагрева подключенных компонентов.
С.3 Соединение искробезопасных цепей не менее чем с двумя источниками
С.3.1 Определение результирующей выходной характеристики
Предполагается, что выходные характеристики цепей в составе комбинации цепей, которые должны рассматриваться как источники напряжения, известны (см. С.2). Теперь, исходя из типа соединения, следует определить, необходимо ли учитывать суммарное напряжение, суммарный ток или одновременно суммарное напряжение и ток в условиях нормальной работы и в условиях неисправности.
Если комбинированные источники напряжения подключены последовательно и не соединены, например, с землей (рисунок С.2а), тогда независимо от полярности источников возможно только сложение напряжения. Результирующую выходную характеристику легко найти графическим суммированием. Напряжения отдельных источников для каждого значения тока складываются. Пунктирная кривая на рисунке С.2 показывает результирующие характеристики в разных случаях.
В последовательной цепи, приведенной на рисунке С.2b, с соединением двух источников напряжения на уровне нагрузки, сложение тока можно исключить, только если полярность двух источников в указанном направлении фиксирована для безопасности (например, для некоторых барьеров безопасности). Для источников напряжения, которые могут изменить полярность во время работы или в условиях неисправности, необходимо рассматривать сложение тока и напряжения (см. рисунок С.2е).
При параллельном подключении, показанном на рисунке С.2с, сложение тока возможно только в случае применения двухполюсного источника с подключением двух полюсов. Сложение напряжения в данном случае невозможно, и результирующая характеристика создается графическим суммированием отдельных значений тока.
Если только один полюс каждого источника подключен к полюсу другого источника (рисунок С.2d), сложение напряжения можно исключить, если полярность источников, как показано, фиксирована во всех случаях (например, с помощью барьеров безопасности). Иначе следует рассматривать сложение тока и напряжения (см. рисунок С.2е).
Если несколько цепей подключены к контуру, в котором следует предполагать произвольные соединения (рисунок С.2е), тогда в зависимости от рассматриваемых условий неисправности может быть задано последовательное или параллельное соединение, то есть необходимо рассматривать сложение тока и сложение напряжения. Поскольку эти два варианта не могут существовать одновременно, результирующие характеристики сложения тока и сложения напряжения следует строить раздельно. Эту процедуру также применяют во всех случаях сомнений в отношении цепей, представленных на рисунках С.2b и C.2d, а также для цепей с более чем двумя проводниками. Полученный результат всегда будет обеспечивать безопасность.
С.3.2 Оценка безопасности соединения и определение максимально допустимых емкости и индуктивности
Если результирующая характеристика комбинированной цепи определена в соответствии с С.3.1, следующий этап - оценка искробезопасности. Для этой цели используют диаграммы, приведенные на рисунках С.7 и С.8. Они показывают кривую допустимого предела для линейных характеристик источников (штриховая предельная кривая) и для прямоугольных характеристик (сплошная предельная кривая) при данной индуктивности и новых максимальных значениях тока и напряжения в комбинированной цепи. Кроме того, приведены кривые для определения самой высокой допустимой внешней емкости в обоих случаях. Распределение диаграмм по группам оборудования и индуктивности приведено в таблице С.2.
Таблица С2 – Распределение диаграмм по группам оборудования и индуктивности
|
Рисунок |
Группа |
Допустимая индуктивность L0, мГн |
|
IIC |
0,15 |
|
|
0,5 |
||
|
1 |
||
|
2 |
||
|
5 |
||
|
IIB |
0,15 |
|
|
0,5 |
||
|
1 |
||
|
2 |
||
|
5 |
Чтобы оценить искробезопасность, сначала следует выбрать группу оборудования, а затем общую индуктивность, необходимую для комбинации. Если рассматриваются небольшие значения индуктивности (никакой сосредоточенной индуктивности, только короткие отрезки кабеля), тогда следует выбирать диаграмму с самой низкой индуктивностью (рисунок С.7а для группы IIС и рисунок С.8а для группы II В).
Результирующая выходная характеристика находится на рассматриваемой диаграмме. Если в соответствии с С.3.1 рассматривается сложение тока и напряжения, тогда должны быть вычерчены обе результирующие характеристики.
Теперь можно непосредственно определить, является ли искробезопасной комбинация источников с индуктивностью для данной диаграммы и выбранной группы оборудования. Полученная суммарная характеристика не должна пересекать предельную кривую для источника с прямоугольной характеристикой ни в одной точке на диаграмме. Кроме того, точка на диаграмме, определенная как максимальное напряжение или максимальный ток суммарной характеристики, должна лежать ниже кривой для линейного источника.
Максимально допустимую емкость получаемой цепи определяют как самое низкое значение из двух серий предельных кривых С0, которое является самым высоким значением С0, которое не пересекается результирующей выходной характеристикой для линейного предела и для прямоугольного предела. Если для данного применения необходима более высокая допустимая емкость С0, ее можно получить, используя, прежде всего, диаграмму для более низкой индуктивности. Этот же метод можно применять, когда результирующая выходная характеристика пересекает кривую предельной индуктивности для источника с линейной и прямоугольной характеристикой. Если даже при самом низком значении индуктивности на диаграммах (0,15 мГн) кривые соответствующих пределов на диаграмме IIС превышены, рекомендуется применять диаграммы IIВ. Если эти пределы также превышены, тогда комбинация не является искробезопасной также и для группы IIВ.
С.3.3 Дополнительные комментарии относительно методики применения выходной характеристики
Методика оценки безопасности соединений искробезопасных цепей, описанная в С.3.1 и С.3.2, создана на основе фундаментальных исследований и расчета моделей. Метод расчета дает результаты, отличающиеся от приведенных в предыдущем отчете.
Более высокие значения емкости допустимы в диапазоне низкого напряжения. Для более высоких напряжений разница может достигать коэффициента 3. В отличие от диаграмм в предыдущем пункте, предельная кривая для чисто резистивной цепи не показана на рисунках С.7 и С.8, но она по сути определяется по индуктивным пределам. Кроме того, здесь находятся предельные кривые для линейных источников. За исключением этого, графический процесс в целом остается таким же.
Графический метод основан на снижении реальной характеристики источника в абстрактном линейном источнике и источнике с прямоугольной выходной характеристикой и сравнении с соответствующими предельными кривыми. Только в случае, если фактическая характеристика источника линейная или прямоугольная, коэффициент безопасности с гарантированным значением 1,5 может быть выведен по диаграмме. Для некоторых более сложных источников может быть полезно построить огибающую линейную или прямоугольную характеристику, что позволит сохранить коэффициент безопасности. Реальный коэффициент безопасности может быть несколько ниже (но всегда выше 1,0), если используются оба предельных критерия. Это результат преобразования фактических условий в цепи, используемых в простом графическом методе. По общему мнению специалистов, это приемлемо, когда рассматриваются установки для зоны класса 1.
При применении диаграмм, приведенных на рисунках С.7 и С.8, всегда учитывается взаимодействие индуктивности и емкости (смешанная цепь). Эту методику также следует применять для комбинации чисто линейных цепей (выходная характеристика в соответствии с рисунком С.1а). Указанный метод не делает различий между сосредоточенной индуктивностью и емкостью и индуктивностью или емкостью, выведенными на основе распределенных параметров кабеля. Если используются кабели со временем передачи до 10 мкс, согласно существующему мнению, такое различие не является необходимым. Расчет, основанный на сосредоточенных элементах, основан на безопасности и, в отличие от ранее применявшихся методов расчета, не имеет серьезного ограничения на практике.
Преимущество этой методики состоит в том, что все данные, относящиеся к безопасности, можно взять из одной диаграммы. Тем не менее, необходимо провести дополнительное сравнение максимального напряжения холостого хода и максимальной емкости в соответствии с таблицей А.2 МЭК 60079-11, поскольку в некоторых случаях по описанной здесь методике получают более высокую допустимую емкость. Тогда значения следует взять из МЭК 60079-11, чтобы избежать недоразумения.
Значения, полученные для максимально допустимых внешних индуктивности и емкости, - это значения, применимые для всей комбинации, то есть должны быть учтены индуктивности и емкости всех отдельных устройств, действующих на внешних контактах.
Методика расчета, использованная на диаграммах, показывает отсутствие значительных систематических отклонений от результатов, полученных при испытаниях на воспламенение во время выполнения научно-исследовательских проектов. Известно, что погрешность многих результатов измерений находится в пределах до 10 %. Причина заключается в методе испытаний и самом искрообразующем механизме. Считается, что представленный здесь метод дает небольшие отклонения.
С.4 Иллюстрация методики применения выходных характеристик с помощью примера
В примере, показанном на рисунке С.4, анализатор с усилителем установлен в опасной зоне и получает питание от искробезопасного источника питания I. Выходной сигнал искробезопасного усилителя (0...20 мА) подается на индикатор II и плоттер III.
Сложение тока/напряжения
Подсоединенная цепь Ex ib IIВ
Р0 = 1,9 Вт,
U0 = 28,7 В,
I0 = 264 мА
Iо = 0,5 мГн,
Со=400 нФ
1 -диспетчерская; 2 - коммутационный зал; 3- площадка (взрывоопасная зона); 4 - максимальные операционно-пассивные значения на индикаторе: линейные характеристики 12 В, 133 мА, 0,4 Вт; 5- максимальные операционно-пассивные значения на записывающем устройстве: линейная характеристика 1 В, 31 мА, 10 мВт; 6- максимальные значения для источника питания: Ex ib IIB 15,7 В, 100 мА, 1,57 Вт, L0 ≤ 1 мГн, С0 ≤ 650 нФ - прямоугольные характеристики регулирования тока электроники; 7- анализатор с усилителем (искробезопасное оборудование)
Рисунок С.4 - Пример соединения
Анализатор - это искробезопасное оборудование; источник питания, индикатор и плоттер - связанное оборудование в значении, принятом в МЭК 60079-11. При нормальной работе только сетевое питание - активный источник, а индикатор и плоттер - пассивные источники. Однако для оценки безопасности в качестве базовых приняты самые высокие возможные значения из свидетельств об испытании, относящихся ко всем трем устройствам в условиях неисправности.
Имеется в наличии следующая информация:
I. Источник питания
Выход с видом защиты Ex ib IIB
Максимальные значения
U0=15,7 В;
I0 = 100 мА;
Р0 = 1,57 Вт;
L0 = 1 мГн;
С0 = 650 нФ.
Прямоугольная выходная характеристика (рисунок С.1с)
II. Индикатор
Вход с видом защиты Ex ib IIС
Максимальные значения
U0=12 B;
I0 = 133 мА;
Р0 = 0,4 Вт;
L0= 1,8 мГн;
C0 = 1,4 мкФ.
Линейная выходная характеристика (рисунок С.1а).
III. Плоттер
Вход с видом защиты Ex ib IIC
Максимальные значения
U0=12 B;
I0 = 31 мА;
Р0 = 10 мВт;
L0 = 36 мГн;
С0 = 200 мкФ.
Линейная выходная характеристика (рисунок С.1а).
При устройстве цепи, как показано на рисунке С.4 и в зависимости от условий неисправности в анализаторе напряжения и токи могут складываться, как показано на рисунке С.2е. Индивидуальные характеристики и две суммарные характеристики для добавления напряжения и тока показаны на рисунке С.5.
Рисунок С.5 - Суммарные характеристики цепи, представленной на рисунке С.4
Для проверки искробезопасности на рисунке С.8b представлены суммарные характеристики, относящиеся к сложению напряжения и тока (подгруппа IIВ, L = 0,5 мГн) (рисунки С.6а и С.5).
Угловая точка при 18,7 В и 100 мА на кривой сложения напряжения, очевидно, является критической точкой - она расположена ближе всего к индуктивному пределу источника с прямоугольной характеристикой, но не достигает его. В этой точке достигается теоретически самая высокая мощность, равная 1,9 Вт.
Поскольку обе результирующие характеристики комбинации не пересекают кривые индуктивного предела для источников с линейной и прямоугольной выходной характеристикой на рисунках С.6а и С.6b результат испытания безопасности положительный. Для максимального напряжения (28,7 В) результирующей характеристики в данном примере максимально допустимая емкость комбинации из серии кривых на рисунке С.6b может быть установлена на уровне 400 нФ. Если проверить по таблице А.2 МЭК 60079-11 значение 28,7 В для подгруппы IIВ, допустимое значение емкости будет равно 613 нФ - то есть оно будет выше установленного значения 400 нФ.
Рисунок С.6а – Сложение тока
Рисунок С.6b – Сложение напряжения
Рисунок С.6 - Сложение тока или напряжения для примера, приведенного на рисунке С.4
Полученные значения для комбинации следующие:
Подгруппа IIВ
Максимальные значения
U0 = 28,7 В;
I0 = 264 мА;
Р0 = 1,9 Вт;
L0 = 0,5 мГн;
Со = 400 нФ.
Поскольку в данном примере искробезопасные входы и выходы связанного оборудования (источник питания, индикатор и плоттер) не имеют эффективных значений индуктивности или емкости, максимальные значения емкости или индуктивности можно использовать для искробезопасного оборудования (анализатор) и для соединительных кабелей.
С.5 Резюме
При проектировании и монтаже измерительных и технологических установок в химической и нефтехимической промышленности часто бывает необходимо комбинировать несколько сертифицированных единиц оборудования, имеющего искробезопасные цепи.
Правила установки, описанные в МЭК 60079-14, позволяют разработчику, монтажнику и оператору электрической установки в опасной зоне составлять такие комбинации под собственную ответственность, если осуществляется проверка расчетом или измерением безопасности соединения. Поскольку оператор обычно не имеет возможностей для проверки измерением (оператор не имеет необходимого оборудования), он может применять подходящую методику расчета. В МЭК 60079-14 представлена методика, которая может применяться только в отношении источников с чисто линейным внутренним сопротивлением, но даже это не позволяет во всех случаях получить безопасные конфигурации. Однако на практике часто встречаются источники с нелинейными характеристиками и до настоящего времени комбинацию таких источников было возможно составить только с помощью испытательной лаборатории.
В связи с этим был разработан метод, который позволяет оценить с помощью диаграмм безопасность комбинации сетей, включающих линейные и нелинейные цепи. Описанная здесь методика применима к оборудованию подгрупп IIВ и IIС для опасной зоны класса 1.
Основная часть методики - графическое суммирование выходных характеристик используемых искробезопасных источников. Результирующие характеристики затем вычерчиваются на соответствующей диаграмме, по которой можно оценить резистивные, индуктивные, емкостные и комбинированные цепи (то есть при одновременной индуктивной и емкостной нагрузке). Существенное преимущество этой методики заключается в том, что вся информация и предельные условия, относящиеся к данным по безопасности, могут быть взяты из одной диаграммы. Необходимый коэффициент безопасности 1,5 уже предусмотрен на диаграммах.
С.6 Диаграммы
Диаграмму на рисунке С.9 можно скопировать на прозрачную основу. Можно вычертить самостоятельно рассчитанные диаграммы для суммы напряжения и суммы тока и наложить на разные предельные диаграммы (в обычном масштабе) для оценки. Ниже приведены предельные диаграммы в соответствии с таблицей С.2 в общем масштабе и в оптимизированном масштабе.

Рисунок С.7а - Диаграмма для 0,15 мГн
1 - индуктивный предел для источника с прямоугольной характеристикой; 2 - индуктивный предел для источника с линейной характеристикой
Рисунок С.7а - Диаграмма для 0,15 мГн (продолжение)

1 - индуктивный предел для источника с прямоугольной характеристикой; 2 - индуктивный предел для источника с линейной характеристикой
Рисунок С.7b - Диаграмма для 0,5 мГн

1 - индуктивный предел для источника с прямоугольной характеристикой; 2 - индуктивный предел для источника с линейной характеристикой
Рисунок С.7b - Диаграмма для 0,5 мГн (продолжение)

1 - индуктивный предел для источника с прямоугольной характеристикой; 2 - индуктивный предел для источника с линейной характеристикой
Рисунок С.7с - Диаграмма для 1 мГн

1 - индуктивный предел для источника с прямоугольной характеристикой; 2 - индуктивный предел для источника с линейной характеристикой
Рисунок С.7с -Диаграмма для 1 мГн (продолжение)
1 - индуктивный предел для источника с прямоугольной характеристикой; 2 - индуктивный предел для источника с линейной характеристикой
Рисунок C.7d -Диаграмма для 2 мГн

1 - индуктивный предел для источника с прямоугольной характеристикой; 2 - индуктивный предел для источника с линейной характеристикой
Рисунок C.7d - Диаграмма для 2 мГн (продолжение)

Рисунок С.7е - Диаграмма для 5 мГн

1 - индуктивный предел для источника с прямоугольной характеристикой; 2 - индуктивный предел для источника с линейной характеристикой
Рисунок С.7е - Диаграмма для 5 мГн (продолжение)
Рисунок С.7 - Диаграмма с предельными кривыми для характеристики универсального источника - Подгруппа IIС
1 - индуктивный предел для источника с прямоугольной характеристикой; 2 - индуктивный предел для источника с линейной характеристикой
Рисунок С.8а - Диаграмма для 0,15 мГн

1 - индуктивный предел для источника с прямоугольной характеристикой; 2 - индуктивный предел для источника с линейной характеристикой
Рисунок С.8 а - Диаграмма для 0,15 мГн (продолжение)
1 - индуктивный предел для источника с прямоугольной характеристикой; 2 - индуктивный предел для источника с линейной характеристикой
Рисунок С.8b - Диаграмма для 0,5 мГн

1 - индуктивный предел для источника с прямоугольной характеристикой; 2 - индуктивный предел для источника с линейной характеристикой
Рисунок С.8 b - Диаграмма для 0,5 мГн (продолжение)
1 - индуктивный предел для источника с прямоугольной характеристикой; 2 - индуктивный предел для источника с линейной характеристикой
Рисунок С.8 с - Диаграмма для 1 мГн

1 - индуктивный предел для источника с прямоугольной характеристикой; 2 - индуктивный предел для источника с линейной характеристикой
Рисунок С.8 с - Диаграмма для 1 мГн (продолжение)

1 - индуктивный предел для источника с прямоугольной характеристикой; 2 - индуктивный предел для источника с линейной характеристикой
Рисунок С.8 d - Диаграмма для 2 мГн
1 - индуктивный предел для источника с прямоугольной характеристикой; 2 - индуктивный предел для источника с линейной характеристикой
Рисунок С.8 d - Диаграмма для 2 мГн (продолжение)

1 - индуктивный предел для источника с прямоугольной характеристикой; 2 - индуктивный предел для источника с линейной характеристикой
Рисунок С.8 е - Диаграмма для 5 мГн
1 - индуктивный предел для источника с прямоугольной характеристикой; 4 - индуктивный предел для источника с линейной характеристикой
Рисунок С.8 е - Диаграмма для 5 мГн (продолжение)
Рисунок С.8 - Диаграмма с предельными кривыми для характеристики универсального источника - Подгруппа IIВ
Рисунок С.9 - Копировальный шаблон для диаграмм для универсальных источников

Рисунок D.1 - Типовая индуктивная цепь
Ri - собственное сопротивление катушки индуктивности. Если сопротивление катушки индуктивности дополнено резистором, то этот резистор должен соответствовать требованиям к неповреждаемому резистору.
R0 - выходное сопротивление линейного источника питания, то есть U0/I0.
Если Li меньше L0 , то в качестве допустимого значения индуктивности кабеля может быть принята разность этих двух величин, и система будет приемлемой.
Если величина Li/Ri меньше допустимого значения L0/R0 для источника питания, система приемлема и допустимым соотношением L/R для кабеля остается L0/R0.
Примечание - Если в источнике питания используется токоограничительный резистор самого малого номинала, допустимого согласно таблице А.1 стандарта МЭК 60079-11, то допустимую индуктивность кабеля необходимо рассчитывать, обязательно принимая во внимание сопротивление кабеля и считая L0 равным нулю.
Если индуктивное оборудование не отвечает какому-либо из этих двух требований, необходимо провести более глубокий анализ следующим образом:
Определить ток, который протекает через катушку индуктивности. В приведенной для примера цепи - это I= U0/(R0 + Ri).
Умножить этот ток на 1,5 и, используя кривые индуктивности, приведенные в МЭК 60079-11, соответствующие данной группе оборудования, определить максимально допустимое значение индуктивности Lmах.
Если Lmax ниже, чем индуктивность катушки Li тогда цепь неприемлема.
Если Lmax выше, чем Li тогда допустимая индуктивность кабеля Lc равна меньшей из двух величин (Lmax – Li) или L0
При необходимости максимальное соотношение индуктивности и сопротивления кабеля, который может быть подключен к системе (Lc/RC), может быть вычислено по приведенной ниже формуле. Эта формула учитывает коэффициент безопасности 1,5 по току, и она не должна применяться, если Сi для выходных зажимов оборудования превышает 1% С0.
![]()
e - минимальная энергия воспламенения искрообразующего механизма в джоулях. Она равна:
оборудование группы I: 525 мкДж,
оборудование подгруппы II: 320 мкДж,
оборудование подгруппы IIВ: 160 мкДж,
оборудование подгруппы IIС: 40 мкДж;
R - общее сопротивление цепи (R0 + Ri), Ом;
U0 - максимальное напряжение разомкнутой цепи, В;
L - общая индуктивность цепи (Li + внутренняя индуктивность источника питания), Гн.
Допустимое значение соотношения Lс/Rс для кабеля системы - меньшее из двух значений рассчитанного значения соотношения L0/R0 источника питания.
Примечание - При определении температурного класса такой катушки индуктивности принимают, что сопротивление катушки падает до значения, обеспечивающего максимальную передачу мощности.
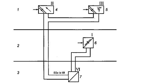
Назначение настоящего приложения - пояснение информации, которая рассматривается как желательная при подготовке описательных схем системы и установочных чертежей. Его целью не является продвижение специального формата для этих схем и чертежей или указание на то, что другие методы хранения информации менее эффективны. Пример был выбран специально вследствие его сложности и иллюстрирует почти все аспекты проектирования системы. В большинстве случаев условия применения значительно проще, чем указано, и включают один датчик и интерфейс.
Блок-схема содержит всю информацию, необходимую для подтверждения статуса системы и проведения оценки, описанной в приложениях А и В. Примечание о термометре сопротивления подтверждает, что это простое оборудование и его температурный класс определяется локальной температурой процесса. Неудовлетворительный результат испытания сопротивления изоляции напряжением 500 В означает соединение с землей в этой точке и поэтому от гальванического разделения внутри датчика зависит, выполняются ли требования заземления только в одной точке.
Датчик - это сертифицированный прибор с указанными параметрами безопасности, определенными для входных соединений термометра сопротивления и выходов 4-20 мА. Входная емкость лишь незначительно изменяет допустимую емкость кабеля, допустимый диапазон температуры обеспечивает возможность монтажа датчика на разных частях установки.
Гальванически разделенный интерфейс имеет четко определенные выходные параметры, которые используются для определения допустимых параметров кабеля. Ограничивающий параметр кабеля - емкость кабеля 80 нФ, выделяется в примечании под номером документа. Для группы IIВ дан альтернативный параметр, так как он может больше подходить для специального случая применения.
Установочный чертеж предназначен для приведения описательной схемы системы в соответствие с требованиями конкретной установки. Предполагается, что технику-монтажнику необходимо предоставить правильно спроектированную информацию для осуществления монтажа. Монтажнику потребуется описательная схема системы только в случае, если у него возникнут сомнения в соответствии установки требованиям. В установочном чертеже дополнительно показана соединительная коробка и определены конкретные кабели и сальники, которые необходимо использовать. В данном случае они соответствуют согласованным стандартам предприятия, удовлетворяющим соответствующим требованиям. Указан температурный класс термометра сопротивления и даны специальные инструкции по соединению кабельных экранов. Уровень информации на чертеже должен быть достаточным для проведения последующих проверок.
Обращаем внимание на то, что в настоящем приложении показан только один метод представления информации. Основное требование состоит в том, чтобы описательный документ системы содержал всю информацию, позволяющую собрать достаточно безопасную систему. Установочный документ должен содержать необходимую информацию, обеспечивающую безопасную установку конкретного варианта данной системы в конкретном месте.

Рисунок Е.1 - Типовая блок-схема описательного документа искробезопасной системы

Рисунок Е.2 - Типовой установочный чертеж для искробезопасной системы
F.1 Введение
Настоящее приложение поясняет возможный вид защиты искробезопасной цепи от перенапряжений, вызываемых близким грозовым разрядом. Этот вид защиты применяется только в том случае, если оценка степени вероятности грозового разряда и последствий такого события показывает, что защита необходима. Пример иллюстрирует выполнение оценки; это не единственно возможное решение.
F.2 Защищаемая установка
На рисунке F. 1 показана типовая установка, в которой нейтраль напрямую подсоединена к пластине заземления. Допускаются другие способы заземления. Датчик температуры входит в клетку Фарадея в резервуаре, содержащем легковоспламеняющееся вещество. Сопротивление чувствительного элемента преобразуется в ток 4-20 мА преобразователем с внутренней изоляцией. Этот ток затем подается в сеть с компьютерным вводом через гальванический разъединитель. Комбинация разъединителя, преобразователя и чувствительного элемента должна оцениваться как искробезопасная система, и именно эту систему оценивают в приложении Е.

1 - преобразователь; 2 - ограничитель перенапряжений; 3 - заземляющая перемычка; 4 - сетевое питание; 5- гальванический разъединитель; 6 - эквипотенциальное соединение; 7 - подавитель сигналов; 8 - канал передачи данных; 9 - сетевой фильтр-подавитель; 10 - обшивка резервуара; 11 - корпус прибора
Рисунок F.1 - Требования к защите от перенапряжений в контуре прибора
F.3 Броски напряжения, вызываемые грозовым разрядом
Один из возможных сценариев таков: грозовой разряд попадает в резервуар в точке X и получающийся в результате ток распространяется через основание резервуара и эквипотенциальное соединение установки. Переходное напряжение (обычно - 60 кВ) появляется между верхней частью резервуара (X) и клеммой заземления компьютера «0» вольт (Y). Переходное напряжение вызовет пробой в гальванической развязке и изоляции преобразователя и может создать боковую вспышку в паровом пространстве резервуара с высокой вероятностью взрыва.
F.4 Профилактические меры
Ограничитель перенапряжения (защитный разрядник) может быть установлен на резервуаре, чтобы защитить изоляцию датчика и, таким образом, предупредить появление разницы потенциалов внутри резервуара. Ограничитель перенапряжения соединяется с резервуаром, чтобы защитить клетку Фарадея. Многоэлементный ограничитель перенапряжения ограничивает изменение напряжения (60 В) до уровня, который может быть легко поглощен изоляцией датчика.
Второй разрядник для защиты от атмосферных перенапряжений необходим для предупреждения повреждений гальванической развязки и входных цепей компьютера. Этот разрядник обычно устанавливают во взрывобезопасной зоне и подключают, как указано. Перенапряжение общего вида на разъединителе не вызовет перегрузки изоляции в гальванической развязке.
Система не является искробезопасной при переходном напряжении, высокие значения тока и напряжения отсутствуют в наиболее опасных местах внутри резервуара и присутствуют в относительно безопасном месте нахождения соединительных кабелей.
Система непрямо заземлена в двух точках, и во время переходного процесса уравнительный ток способен вызвать воспламенение. Однако в условиях нормальной работы непрямые заземления не являются токопроводящими, и требуется достаточно высокое напряжение (120 В) между заземляющими соединениями сетей защиты от атмосферных перенапряжений, чтобы появился значительный ток. Такое напряжение не должно существовать в течение продолжительного периода времени, поэтому сети достаточно безопасны.
F.5 Подтверждающая документация
Необходимо внести изменения в описательный документ системы, чтобы он включал имеющиеся сети ограничения перенапряжения. Их действие в нормальных условиях работы должно быть проанализировано с учетом их соответствующих характеристик, которые могут включать небольшие значения емкости и индуктивности.
Необходимо учесть и оценить непрямое заземление в двух точках и представить параметр приемлемости.
F.6 Дополнительная защита
Там, где грозовые разряды считаются значительной проблемой, следует рассмотреть возможность установки ограничителя перенапряжений на сетевой источник питания системы контрольно-измерительных приборов. Всплески напряжения в сети могут нарушить гальваническую развязку источника питания или цепи сигнала управления. Некоторая степень защищенности заложена в требованиях о соответствии стандартам к электромагнитной совместимости, но этого недостаточно для большинства случаев перенапряжений, вызванных грозовыми разрядами.
Подобным образом на других возможных путях попадания грозовых разрядов в систем у должна быть поставлена защита от перенапряжений.
|
Обозначение ссылочного национального стандарта Российской Федерации |
Обозначение и наименование ссылочного международного стандарта и условное обозначение степени его соответствия ссылочному национальному стандарту |
|
* |
МЭК 60060-1 «Методы испытания высоким напряжением. Часть 1. Общие определения и требования к испытаниям» |
|
ГОСТ Р 51330.0-99 (МЭК 60079-0-98) |
МЭК 60079-0 «Электрическое оборудование для взрывоопасных газовых сред. Часть 0. Общие требования» (MOD) |
|
ГОСТ Р 51330.10-99 (МЭК 60079-11-99) |
МЭК 60079-11:1999 «Электрическое оборудование для взрывоопасных газовых сред. Часть 11. Искробезопасная электрическая цепь "i"» (MOD) |
|
ГОСТ Р 51330.14-99 |
МЭК 60079-14:2002 - «Электрическое оборудование для взрывоопасных газовых сред. Часть 14. Электроустановки во взрывоопасных зонах (кроме подземных выработок)» (NEQ) |
|
Примечание. В настоящей таблице использованы следующие условные обозначения степени соответствия стандартов: - MOD - модифицированные стандарты; - NEQ - неэквивалентные стандарты; «*» - национальный стандарт отсутствует. |
|
Ключевые слова: искробезопасная система, искробезопасная электрическая цепь, источник питания, проверки и типовые испытания