МЕЖГОСУДАРСТВЕННЫЙ СОВЕТ ПО СТАНДАРТИЗАЦИИ, МЕТРОЛОГИИ И СЕРТИФИКАЦИИ
(МГС)
INTERSTATE COUNCIL FOR STANDARDIZATION, METROLOGY AND CERTIFICATION
(ISC)
|
МЕЖГОСУДАРСТВЕННЫЙ |
ГОСТ (ИСО 5167-3:2003) |
Государственная система обеспечения единства измерений
ИЗМЕРЕНИЕ РАСХОДА И КОЛИЧЕСТВА ЖИДКОСТЕЙ И ГАЗОВ С ПОМОЩЬЮ СТАНДАРТНЫХ СУЖАЮЩИХ УСТРОЙСТВ
Часть 3
Сопла и сопла Вентури
Технические требования
ISO 5167-3:2003
Measurement of fluid flow by means of pressure differential devices inserted in circular cross-section conduits running full - Part 3: Nozzles and Venturi nozzles
(MOD)
|
|
Москва Стандартинформ 2007 |
Цели, основные принципы и основной порядок проведения работ по межгосударственной стандартизации установлены ГОСТ 1.0-92 «Межгосударственная система стандартизации. Основные положения» и ГОСТ 1.2-97 «Межгосударственная система стандартизации. Стандарты межгосударственные, правила и рекомендации по межгосударственной стандартизации. Порядок разработки, принятия, применения, обновления и отмены»
Сведения о стандарте
1 ПОДГОТОВЛЕН Обществом с ограниченной ответственностью «Отраслевой метрологический центр Газметрология» (ООО «ОМЦ Газметрология»), Федеральным государственным унитарным предприятием «Всероссийский научно-исследовательский институт расходометрии» (ФГУП «ВНИИР»), государственным предприятием «Всеукраинский государственный научно-производственный центр стандартизации, метрологии, сертификации и защиты прав потребителей» Госпотребстандарта Украины (Укрметртестстандарт), Национальным университетом «Львовская политехника»
2 ВНЕСЕН Федеральным агентством по техническому регулированию и метрологии Российской Федерации
3 ПРИНЯТ Межгосударственным советом по
стандартизации, метрологии и сертификации (протокол № 28 от 9 декабря
За принятие проголосовали:
|
Краткое наименование страны по МК (ИСО 3166) 004-97 |
Код страны по МК (ИСО 3166) 004-97 |
Сокращенное наименование национального органа по стандартизации |
|
Азербайджан |
AZ |
Азстандарт |
|
Армения |
AM |
Министерство торговли и экономического развития Республики Армения |
|
Беларусь |
BY |
Госстандарт Республики Беларусь |
|
Казахстан |
KZ |
Госстандарт Республики Казахстан |
|
Кыргызстан |
KG |
Национальный институт стандартов и метрологии Кыргызской Республики |
|
Молдова |
MD |
Молдова-Стандарт |
|
Российская Федерация |
RU |
Федеральное агентство по техническому регулированию и метрологии |
|
Таджикистан |
TJ |
Таджикстандарт |
|
Туркменистан |
TM |
Главгосслужба «Туркменстандартлары» |
|
Узбекистан |
UZ |
Агентство «Узстандарт» |
|
Украина |
UA |
Госпотребстандарт Украины |
(Поправка, ИУС 6-2007).
4 Настоящий стандарт является модифицированным по отношению к международному стандарту ИСО 5167-3:2003 «Измерение расхода среды с помощью устройств переменного перепада давления, помещенных в заполненные трубопроводы круглого сечения. Часть 3. Сопла и сопла Вентури» (ISO 5167-3:2003 «Measurement of fluid flow by means of pressure differential devices inserted in circular cross-section conduits running full - Part 3: Nozzles and Venturi nozzles») путем внесения технических отклонений, объяснение которых приведено во введении к настоящему стандарту
Наименование настоящего стандарта изменено относительно наименования указанного международного стандарта для приведения в соответствие с ГОСТ 1.5-2001 (подраздел 36)
5 Приказом Федерального агентства по
техническому регулированию и метрологии от 31 октября
Информация о введении в действие (прекращении действия) настоящего стандарта публикуется в указателе «Национальные стандарты»
Информация об изменениях к настоящему стандарту публикуется в указателе «Национальные стандарты», а текст этих изменений - в информационных указателях «Национальные стандарты». В случае пересмотра или отмены настоящего стандарта соответствующая информация будет опубликована в информационном указателе «Национальные стандарты»
Содержание
Комплекс межгосударственных стандартов ГОСТ 8.586.1-2005 - ГОСТ 8.586.5-2005 под общим заголовком «Государственная система обеспечения единства измерений Измерение расхода и количества жидкостей и газов с помощью стандартных сужающих устройств» (далее - комплекс стандартов) состоит из следующих частей:
- Часть 1. Принцип метода измерений и общие требования;
- Часть 2. Диафрагмы. Технические требования;
- Часть 3. Сопла и сопла Вентури. Технические требования;
- Часть 4. Трубы Вентури. Технические требования;
- Часть 5. Методика выполнения измерений.
Комплекс стандартов распространяется на измерения расхода и количества жидкостей и газов методом переменного перепада давления при применении следующих типов сужающих устройств: диафрагмы, сопла ИСА 1932, эллипсного сопла1), сопла Вентури и трубы Вентури.
Комплекс стандартов устанавливает требования к геометрическим размерам и условиям применения сужающих устройств, используемых в трубопроводах круглого сечения, полностью заполненных однофазной (жидкой или газообразной) средой, скорость течения которой меньше скорости звука в этой среде
Части 1-4 являются модифицированными по отношению к международным стандартам [1] - [4]
В первой части представлены термины и определения, условные обозначения, принцип метода измерений, установлены общие требования к условиям измерений при применении всех типов сужающих устройств.
Вторая, третья и четвертая части устанавливают технические требования к конкретным типам сужающих устройств: вторая часть - к диафрагмам, третья - к соплам ИСА 1932, эллипсным соплам и соплам Вентури, четвертая - к трубам Вентури
В пятой части представлена методика выполнения измерений с помощью указанных выше типов сужающих устройств.
В отличие от международного стандарта [3] в настоящий стандарт введены:
- поправочные коэффициенты, учитывающие шероховатость внутренней поверхности измерительного трубопровода;
- дополнительные требования к определению необходимой длины прямолинейных участков измерительных трубопроводов для широкого ряда местных сопротивлений;
- дополнительное приложение А «Классификация видов местных сопротивлений»
Использование в настоящем стандарте поправочного коэффициента, учитывающего шероховатость внутренней поверхности измерительного трубопровода, позволяет, в отличие от международного стандарта, существенно расширить область применения сопел.
Расширение списка видов местных сопротивлений и включение в настоящий стандарт приложения А позволяет расширить возможности монтажа сопел и исключить ошибки при определении необходимых длин прямолинейных участков измерительных трубопроводов.
Введенные дополнительные требования выделены в настоящем стандарте путем заключения в рамки из тонких линий.
Наименования видов местных сопротивлений, дополнительно включенных в настоящий стандарт, выделены курсивом.
1)В международном стандарте [3] эллипсные сопла названы соплами большого радиуса.
МЕЖГОСУДАРСТВЕННЫЙ СТАНДАРТ
Государственная система обеспечения единства измерений
ИЗМЕРЕНИЕ РАСХОДА И КОЛИЧЕСТВА ЖИДКОСТЕЙ И ГАЗОВ С ПОМОЩЬЮ СТАНДАРТНЫХ СУЖАЮЩИХ УСТРОЙСТВ
Часть 3
Сопла и сопла Вентури. Технические требования
State system for ensuring the uniformity of measurements Measurement of liquids and gases flow rate and quantity by means of orifice instruments. Part 3. Nozzles and Venturi nozzles Technical requirements
Дата введения - 2007-01-01
Настоящий стандарт устанавливает требования к геометрическим характеристикам и условиям применения сопел ИСА 1932, эллипсных сопел и сопел Вентури, устанавливаемых в трубопроводах круглого сечения для определения расхода и количества жидкостей и газов.
Стандарт распространяется на сопла ИСА 1932, эллипсные сопла и сопла Вентури. Требования настоящего стандарта применяют совместно с требованиями ГОСТ 8.568.1.
Стандарт
не распространяется на сопла ИСА 1932, эллипсные сопла и сопла Вентури,
установленные в трубопроводах внутренним диаметром менее
В настоящем стандарте использованы ссылки на следующие межгосударственные стандарты:
ГОСТ 8.586.1-2005 (ИСО 5167-1:2003) Государственная система обеспечения единства измерений. Измерение расхода и количества жидкостей и газов с помощью стандартных сужающих устройств. Часть 1. Принцип метода измерений и общие требования (ИСО 5167-1:2003 «Измерение расхода среды с помощью устройств переменного перепада давления, помещенных в заполненные трубопроводы круглого сечения. Часть 1. Общие принципы и требования», MOD)
ГОСТ 8.586.5-2005 Государственная система обеспечения единства измерений Измерение расхода и количества жидкостей и газов с помощью стандартных сужающих устройств. Часть 5. Методика выполнения измерений
ГОСТ 17378-2001 (ИСО 3419:1981) Детали трубопроводов бесшовные приварные из углеродистой и низколегированной стали. Переходы. Конструкция (ИСО 3919:1981 «Фитинги из легированной и нелегированной стали, привариваемые встык», MOD)
ГОСТ 24856-81 (ИСО 6552:1980) Арматура трубопроводная промышленная. Термины и определения (ИСО 6552:1980 «Конденсатоотводчики автоматические. Определение технических терминов», MOD)
Примечание - При пользовании настоящим стандартом целесообразно проверить действие ссылочных стандартов и классификаторов в информационной системе общего пользования - на официальном сайте Федерального агентства по техническому регулированию и метрологии в сети Интернет или по ежегодно издаваемому информационному указателю «Национальные стандарты», который опубликован по состоянию на 1 января текущего года, и по соответствующим ежемесячно издаваемым информационным указателям, опубликованным в текущем году. Если ссылочный стандарт заменен (изменен), то при пользовании настоящим стандартом следует руководствоваться замененным (измененным) стандартом. Если ссылочный стандарт отменен без замены, то положение, в котором дана ссылка на него, применяется в части, не затрагивающей эту ссылку.
В настоящем стандарте применены термины, определения, обозначения и сокращения в соответствии с ГОСТ 8.586.1.
4.1.1 Метод измерения расхода среды, протекающей в ИТ, основан на создании с помощью сопла ИСА 1932, или эллипсного сопла, или сопла Вентури местного сужения потока, часть потенциальной энергии которого переходит в кинетическую энергию. Средняя скорость потока в месте его сужения повышается, а статическое давление становится менее статического давления до СУ. Разность давления (перепад давления) тем больше, чем больше расход среды и, следовательно, она может служить мерой расхода.
4.1.2 Массовый расход среды в общем случае рассчитывают по формуле
(4.1)
Вывод формулы (4.1) приведен в ГОСТ 8.586.1 (приложение А)
Примечание - В международном стандарте [3] поправочный коэффициент Кш не используется, т. к. этим стандартом не допускается превышение установленных им норм на предельные значения шероховатости внутренней стенки ИТ.
4.1.3 Связь массового расхода среды, объемного расхода среды при рабочих условиях и объемного расхода среды, приведенного к стандартным условиям, устанавливает формула
qm = qvρ = qcρc (4.2)
Массовый расход среды рассчитывают по формуле (4.1) после определения параметров, которые либо измеряют непосредственно, либо вычисляют по результатам измерений других параметров.
Коэффициент истечения СУ и поправочный коэффициент, учитывающий шероховатость внутренней поверхности ИТ, зависят от числа Rе, которое само зависит от значения расхода среды, поэтому уравнение для расчета расхода является неявным. В этом случае значение расхода может быть получено методом итераций. Порядок проведения итераций приведен в ГОСТ 8.586.1 (приложение В) и ГОСТ 8.586.5 (раздел 8)
Формулы для определения объемного расхода среды при рабочих условиях измерений и объемного расхода среды, приведенного к стандартным условиям, приведены в ГОСТ 8.586.5 (раздел 5)
На рисунке 1 приведен разрез сопла ИСА 1932 в плоскости, проходящей через ось горловины. Обозначения элементов и геометрических параметров сопла ИСА 1932, приведенные на рисунке 1, применяют в настоящем разделе
Часть сопла, расположенная в трубе, является круглой. Сопло состоит из сужающейся секции с закругленным профилем и цилиндрической горловины
5.1.2.1 Профиль сопла (см. рисунок 1) образован:
- входной торцевой плоскостью А, перпендикулярной к осевой линии сопла;
- плоскостью сужающейся части сопла, образующей которой является линия, состоящая из дуг окружностей В и С;
- внутренней цилиндрической поверхностью горловины Е;
- внутренней поверхностью кольцевого выступа F, предохраняющего выходную кромку G от повреждения.
5.1.2.2 Входная торцевая плоскость А ограничена окружностями диаметром 1,5d и диаметром D.
При d = 2D/3 радиальная ширина входной торцевой плоскости А равна нулю.
При d > 2 D/3 сопло не имеет плоской части в пределах окружности диаметром D. В данном случае сопло изготовляют, как если бы D был больше чем 1,5d, а затем отсекают часть сопла таким образом, чтобы плоская торцевая часть сопла имела внутренний диаметр, равный D (см 5.1.2.7 и рисунок 1б)
Рисунок 1 - Сопло ИСА 1932
5.1.2.3 Дуга окружности В касается плоскости А при d ≤ 2D/3. Радиус R1 равен (0,2 ± 0,02) d при β < 0,5 и (0,2 ± 0,006) d при β ≥ 0,5. Центр окружности находится на расстоянии 0,2d от входного торца и на расстоянии 0,75d от оси сопла.
5.1.2.4 Дуга окружности С касается дуги окружности В и горловины Е. Ее радиус R2 равен (1/3 ± 0,033) d при β < 0,5 и (1/3 ± 0,01) d для β ≥ 0,5. Центр окружности расположен на расстоянии 5d/6 от оси сопла и на расстоянии ап = 0,3041 d от входного торца А.
5.1.2.5 Горловина Е имеет диаметр d и длину bn = 0,3d.
Значение d рассчитывают в соответствии с ГОСТ 8.586.1 [формула (5.4)] За значение диаметра d20 принимают среднее значение результатов измерений диаметра не менее чем в четырех направлениях, расположенных под равными (визуально контролируемыми) углами друг к другу. При этом относительная неопределенность результата измерения диаметра, обусловленная измерительным инструментом, не должна превышать 0,02%.
Горловина должна быть цилиндрической. Значение любого диаметра в любом поперечном сечении горловины сопла не должно отличаться от среднего значения диаметра более чем на 0,05%.
5.1.2.6 Кольцевой выступ F имеет диаметр сп, равный 1,06d и глубину не более 0,03d. Отношение (сn - d)/2 к глубине расточки выходного торца должно быть не более 1,2.
Кромка G сопла не должна иметь фаски и повреждений типа заусенцев, вмятин, забоин, царапин и т. п.
5.1.2.7 Полная длина сопла l (см. рисунок 1), исключая глубину F, в зависимости от β равна:
0,6041 d при 0, ≤ β ≤2/3;
при 2/3 < β ≤ 0,8
5.1.2.8 Профиль сужающейся части сопла проверяют шаблоном.
Значения любых двух диаметров сужающейся части сопла, измеренные в одной плоскости, перпендикулярной к оси сопла, не должны отличаться друг от друга более чем на 0,1 % их среднего значения.
5.1.2.9 Внутренняя поверхность сопла должна быть отполирована до значения Ra ≤ 10-4d.
5.1.3.1 Толщина Н стенки сопла (см. рисунок 1) не должна превышать 0,1 D.
5.1.3.2 Кроме условия, указанного в 5.1.3.1, профиль и чистоту обработки поверхности внешней части сопла не регламентируют (см. 5.1.1).
Сопло ИСА 1932 может быть изготовлено из любого материала [см. ГОСТ 8.586.1 (пункт 6.1.2)] и любым способом при условии, что оно соответствует установленным техническим требованиям.
Если используются одиночные отверстия (см. рисунок 1), то осевые линии отверстий должны пересекаться с осью трубы под углом, как можно более близким к 90°.
Значение диаметра δ1 (см рисунок 1а) отдельного отверстия или ширины кольцевых щелей а (см рисунок 1а) определяют из условий:
0005D ≤ (а или δ1) ≤ 0,03D при β ≤ 0,65;
0,01D ≤ (a или δ1) ≤ 002D при β > 0,65.
Независимо от значения β δ 1 и а должны удовлетворять следующим условиям:
При выборе значения δ1 или а из указанных диапазонов учитывают необходимость исключения случайного засорения отверстия или щели.
Если отверстия для отбора давления выполнены в виде прерывистой щели, то камера усреднения должна соединяться с внутренней полостью ИТ не менее чем четырьмя отверстиями, оси которых находятся под равными углами друг к другу, а площадь каждого отверстия - не менее 12 мм2.
Внутренний диаметр корпуса камеры усреднения bк (см рисунок 1) и ее длина с до сопла ИСА 1932 должны удовлетворять условию:
.
При этом внутренний диаметр корпуса камеры bк должен находиться в пределах от D до 1,04D, a длина корпуса кольцевой камеры с (см рисунок 1) должна быть не более 065D.
Толщина f стенки корпуса камеры (см рисунок 1) должна быть не менее 2а Площадь сечения камеры gh должна быть не менее половины общей площади щели, соединяющей эту камеру с внутренней полостью ИТ.
Все поверхности корпуса камеры, находящиеся в контакте со средой, должны быть чистыми.
Отверстия для отбора давления и передачи его на
соответствующие СИ выполняют в стенке корпуса камеры. Отверстие должно иметь
круглое сечение диаметром в пределах от 4 до
Камера усреднения, расположенная после сопла, может быть несимметрична камере усреднения до сопла, но должна соответствовать требованиям 5.1.5.1.
Допускается для отбора статического давления после сопла ИСА 1932 применять отдельные отверстия, оси которых расположены на расстоянии l от поверхности A:
- l ≤ 0,15D - для β ≤ 0,67;
- l ≤ 0,20D - для β > 0,67.
При измерении расстояния /учитывают толщину прокладок и(или) уплотнительного материала.
Оси отверстия для отбора давления и ИТ должны пересекаться под прямым углом в пределах ± 3°.
Кромки отверстия в месте выхода в ИТ должны быть заподлицо с внутренней поверхностью ИТ и насколько возможно острыми. Для ликвидации заусенцев на кромке отверстия допускается ее притупление радиусом не более одной десятой диаметра отверстия.
Не допускаются неровности на поверхности и кромках отверстий, а также на поверхности ИТ вблизи отверстий. Соответствие отверстий для отбора давлений установленным требованиям проверяют визуально.
Диаметр отверстий для отбора давления должен быть не
более 0,13D и не более
Одиночное отверстие должно быть круглым и цилиндрическим на глубине не менее 2,5 диаметров этого отверстия. Глубину отверстия измеряют от внутренней стенки ИТ.
Оси отверстий для отбора давления до и после сопла могут быть расположены в различных осевых плоскостях, проходящих через ось ИТ.
5.1.6.1 Границы применения
Сопла ИСА 1932 применяют при следующих условиях:
0,3 ≤ β ≤ 0,8;
7 104 ≤ Re ≤ 107 при 0,30 ≤ β ≤ 0,44;
2 104 ≤ Re ≤ 107 при 0,44 ≤ β ≤0,80.
5.1.6.2 Коэффициент истечения
Коэффициент истечения сопел ИСА 1932 определяют по формуле
(5.1)
5.1.6.3 Коэффициент расширения
Коэффициент расширения сопел ИСА 1932 рассчитывают по формуле
, (5.2)
где τ = 1 - ∆p/p.
Формулу (5.2) применяют только для значений β, D и Re, указанных в 5.1.6.1, при условии:
∆p/p ≤ 0,25.
Если значение среднеарифметического отклонения профиля шероховатости Ra на участке ИТ длиной не менее 10D до сопла не более значения, указанного в таблице 1, то поправочный коэффициент Кш принимают равным единице.
Таблица 1 - Значения относительной шероховатости ИТ для сопел ИСА 1932, превышение которых требует расчета значения Кш
|
β |
≤0,35 |
0,36 |
0,38 |
0,40 |
0,42 |
0,44 |
0,46 |
0,48 |
0,50 |
0,60 |
0,70 |
0,77 |
0,80 |
|
104 Ra / D |
8,0 |
5,9 |
4,3 |
3,4 |
2,8 |
2,4 |
2,1 |
1,9 |
1,8 |
1,4 |
1,3 |
1,2 |
1,2 |
Примечание - Определение Ra - в соответствии с ГОСТ 8.586.1 (пункт 7.1.5)
|
Для промежуточных значений β, не указанных в таблице 1, значения Ra определяют путем линейной интерполяции табличных данных по формуле
где β1, Ra1* - ближайшее большее к величине β значение относительного диаметра сопла и соответствующее ему значение 104 Ra/D, указанные в таблице 1; β2, Ra2* - ближайшее меньшее к величине β значение относительного диаметра сопла и соответствующее ему значение 104 Ra/D, указанные в таблице 1. Если значение среднеарифметического отклонения профиля шероховатости Ra превышает значение, указанное в таблице 1, а значение эквивалентной шероховатости Rш не более 30D/104, то поправочный коэффициент Кш рассчитывают по формуле
Где ARe = 1 при Re ≥ 106; Rш - эквивалентная шероховатость, определяемая в соответствии с ГОСТ 8.586.1 (пункт 7.1.5). |
5.1.7.1 Неопределенность коэффициента истечения
Неопределенность коэффициента истечения сопел ИСА 1932 при условии, что неопределенности β и Re равны нулю, имеет следующие значения:
- U'Co = 0,8 - для β ≤ 0,6;
- U'Co = (2β - 0,4) - для β > 0,6.
5.1.7.2 Неопределенность коэффициента расширения
Неопределенность коэффициента расширения сопел ИСА 1932 при условии, что неопределенности β, ∆р/р и к равны нулю, рассчитывают по формуле
U'εo = 2 ∆ р/р
5.1.7.3 Неопределенность поправочного коэффициента, учитывающего шероховатость внутренней поверхности измерительного трубопровода
Неопределенность поправочного коэффициента Кш для сопел ИСА 1932 рассчитывают по формулам:
при Кш > 1;
при Кш
= 1
где U'Rш - неопределенность результата определения Rш.
При определении Rш по ГОСТ 8.586.1 (таблица Д 1 приложения Д) неопределенность U'Rш принимают равной значению, указанному в таблице.
При определении Rш по уравнению Коулбрука-Уайта [см ГОСТ 8.586.1 (формула 7.1)] неопределенность U'Rш определяют на основе нормы неопределенности результатов измерений Rш применяемой методики выполнения измерений.
Потери давления на сопле ИСА 1932 рассчитывают по формуле
. (5.4)
Потеря давления соответствует разности значений статического давления, измеренного на расстоянии приблизительно 1D до сопла и 6D после него.
Коэффициент гидравлического сопротивления для сопла рассчитывают по формуле
. (5.5)
Существуют две разновидности эллипсных сопел, отличающихся требованиями к изготовлению их внутренней профильной части:
- сопла с большим относительным диаметром горловины (0,25 ≤ β ≤ 0,8);
- сопла с малым относительным диаметром горловины (0,20 ≤ β ≤ 0,5).
Для значений β между 0,25 и 0,5 профильную часть сопла можно изготовлять в соответствии с требованиями к соплам, как большого, так и малого относительного диаметра горловины.
На рисунке 2 приведен разрез эллипсного сопла в плоскости, проходящей через ось горловины. Обозначения элементов и геометрических параметров эллипсного сопла, приведенные на рисунке 2, применяют в настоящем разделе.
Обе разновидности эллипсных сопел состоят из сужающегося входа, который имеет в осевом сечении форму дуги в «четверть эллипса», и цилиндрической горловины.
Часть сопла, расположенная внутри ИТ, должна быть круглой.

Рисунок 2 - Эллипсное сопло
5.2.2 Профиль эллипсного сопла большого относительного диаметра горловины
5.2.2.1 Профиль сопла (см рисунок 2) образован:
- сужающейся частью сопла А;
- внутренней цилиндрической поверхностью горловины В;
- поверхностью выходного торца сопла С.
5.2.2.2 Внутренний контур сужающейся части сопла А в осевом сечении имеет форму дуги в «четверть эллипса».
Центр эллипса расположен на расстоянии D/2 от оси сопла. Больший радиус эллипса параллелен оси сопла и равен D/2. Меньший радиус эллипса равен (D - d)/2. Профиль сужающейся часть сопла А проверяют шаблоном.
Значения любых двух диаметров сужающейся части сопла, измеренные в одной плоскости, перпендикулярной к оси сопла, не должны отличаться друг от друга более чем на 0,1 % их среднего значения.
5.2.2.3 Горловина В имеет диаметр d и длину 0,6d/
Значение d рассчитывают в соответствии с ГОСТ 8.586.1 [формула (5.4)] За значение диаметра d20 принимают среднее значение результатов измерений диаметра не менее чем в четырех направлениях, расположенных под равными (визуально контролируемыми) углами друг к другу. При этом относительная неопределенность результата измерения диаметра, обусловленная измерительным инструментом, не должна превышать 0,02 %.
Горловина должна быть цилиндрической. Значение любого диаметра в любом поперечном сечении горловины сопла не должно отличаться от среднего значения диаметра более чем на 0,05%.
5.2.2.4 Расстояние между стенкой ИТ и внешней
лицевой стороной горловины должно быть не менее
5.2.2.5 Толщина H должна быть не менее
5.2.2.6 Внутренняя поверхность сопла должна быть отполирована до значения Ra ≤ 10-4 d.
5.2.2.7 Форму внешней части сопла и чистоту ее обработки не регламентируют, но обеспечивают выполнение требований, изложенных в 5.2.2.4, 5.2.2.5 и в последнем абзаце 5.2.1.
5.2.3.1 Требования, приведенные в 5.2.2 к соплу большого относительного диаметра горловины, следует применять также к соплу малого относительного диаметра горловины, за исключением требований к форме эллипса, которые указаны в 5.2.3.2.
5.2.3.2 Сходящаяся часть А сопла имеет форму четверти эллипса. Центр эллипса находится на расстоянии (7/6)d от оси сопла. Больший диаметр эллипса параллелен оси сопла. Значение большего радиуса эллипса равно d Значение меньшего радиуса эллипса равно (2/3)d.
Эллипсное сопло изготовляют из любого материала [см ГОСТ 8.586.1 (пункт 6.1.2)], любым способом при условии, что оно соответствует установленным требованиям.
Отверстие для отбора давления до сопла располагают таким
образом, чтобы ось отверстия располагалась от входной торцевой поверхности
сопла на расстоянии
.
Ось отверстия для отбора давления после сопла должна
находиться на расстоянии (0,50 ± 0,01 )D от входной торцевой поверхности сопла. Если сходящаяся часть А сопла
изготовлена в соответствии с требованиями 5.2.3.2, то при β < 0,3188 ось отверстия располагают от
входной торцевой поверхности сопла на расстоянии
.
При измерении расстояния между осью отверстия и входной торцевой поверхностью сопла учитывают толщину прокладок и(или) уплотнительного материала.
5.2.5.2 Оси отверстия для отбора давления и ИТ должны пересекаться под прямым углом в пределах ± 3°.
В месте выхода в ИТ отверстие должно иметь круглое сечение. Кромки отверстия должны быть заподлицо с внутренней поверхностью ИТ. Для ликвидации заусенцев на кромке отверстия допускается ее притупление радиусом не более одной десятой диаметра отверстия.
Не допускаются какие-либо неровности на поверхности отверстия и на внутренней поверхности ИТ вблизи от отверстия. Соответствие отверстий для отбора давлений установленным требованиям проверяют визуально.
Диаметр отверстий для отбора давления должен быть не более
0,13D и не более
Отверстия, расположенные до и после сопла, должны иметь
одинаковый диаметр с допускаемым отклонением не более
Отверстие должно быть круглым и цилиндрическим на глубине не менее 2,5 внутренних диаметров этого отверстия.
Оси отверстий для отбора давления до и после сопла могут быть расположены в различных осевых плоскостях, проходящих через ось ИТ.
5.2.6.1 Границы применения
Эллипсные сопла применяют при следующих условиях:
0,2 ≤ β ≤ 0,8;
104 ≤ Re ≤ 107;
Ra/D ≤ 3,2 10-4.
Значение Ra определяют в соответствии с требованиями, изложенными в ГОСТ 8.586.1 (пункт 7.1.5)
5.2.6.2 Коэффициент истечения
Коэффициент истечения эллипсных сопел с большим и малым относительным диаметром рассчитывают по формуле
![]()
![]()
(5.6)
5.2.6.3 Коэффициент расширения
Коэффициент расширения эллипсных сопел определяют по 5.1.6.3.
5.2.6.4 Поправочный коэффициент, учитывающий шероховатость внутренней поверхности измерительного трубопровода
При Ra/D ≤ 3,2 10-4 поправочный коэффициент Кш для эллипсных сопел равен единице.
5.2.7.1 Неопределенность коэффициента истечения
Неопределенность коэффициента истечения
эллипсных
сопел при условии, что неопределенности β и Re равны нулю, имеет
значение 2,0 % для всех значений β от 0,2 до 0,8.
5.2.7.2 Неопределенность коэффициента расширения
Неопределенность коэффициента расширения эллипсных сопел рассчитывают по формуле
![]()
Потери давления на эллипсном сопле определяют в соответствии с 5.1.8.
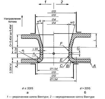
5.3.1.1 Профиль сопла Вентури приведен на рисунке 3. Он состоит из входной торцевой поверхности, перпендикулярной к осевой линии сопла, сужающейся части с закругленным профилем, цилиндрической горловины и диффузора.

Рисунок 3 - Сопла Вентури
5.3.1.2 Входная торцевая поверхность и сужающаяся часть сопла Вентури аналогичны торцевой поверхности и сужающейся части сопла ИСА 1932 (см рисунок 1).
5.3.1.3 Входная торцевая плоскость А ограничена окружностями диаметром 1,5d и диаметром D.
При d = 2D/3 радиальная ширина этой плоской части сопла равна нулю.
При d > 2D/3 сопло не имеет плоской части в пределах окружности диаметром D. В этом случае сопло изготовляют, как если бы D был больше чем 1,5d, а затем отсекают часть сопла таким образом, чтобы плоская торцевая часть сопла имела внутренний диаметр, равный D (см 5.1.2.7 и рисунок 1б).
5.3.1.4 Дуга окружности В касается плоскости А при d < 2D/3. Радиус R1 равен (0,2 ± 0,02)d при β < 0,5 и (0,2 ± 0,006)d при β ≥ 0,5. Центр окружности находится на расстоянии 0,2 d от входного торца и на расстоянии 0,75d от оси сопла.
5.3.1.5 Дуга окружности С касается дуги окружности В и горловины Е. Ее радиус R2 равен (1/3 ± 0,033)d для β < 0,5 и (1/3 ± 0,01 )d для β ≥ 0,5. Центр окружности расположен на расстоянии 5d/6 от оси сопла и на расстоянии ап = 0,3041 d от входного торца А.
5.3.1.6 Горловина (см. рисунок 3) состоит из части Е длиной 0,3d и части F длиной от 0,4d до 0,45d. Значение d рассчитывают в соответствии с ГОСТ 8.586.1 [формула (5.4)]. За значение диаметра d20 принимают среднее значение результатов измерений диаметра не менее чем в четырех направлениях, расположенных под равными (визуально контролируемыми) углами друг к другу. При этом относительная неопределенность результата измерения диаметра, обусловленная измерительным инструментом, не должна превышать 0,02%.
Горловина должна быть цилиндрической. Значение любого диаметра в любом поперечном сечении горловины сопла не должно отличаться от среднего значения диаметра более чем на 0,05%.
5.3.1.7 Диффузор (см. рисунок 3) должен быть соединен с частью F горловины без радиусного сопряжения. Заусенцы должны быть сняты.
Угол конусности φ (см. рисунок 3) диффузора должен быть не более 30°.
5.3.1.8 Сопло Вентури может быть укороченным. Выходной диаметр диффузора таких сопел Вентури менее D .Диффузор может быть укорочен на 35 % его длины.
5.3.1.9 Чистота обработки внутренней поверхности сопла Вентури должна удовлетворять условию:
Ra < 10-4 d.
Сопло Вентури изготовляют из любого материала [см ГОСТ 8.586.1 (пункт 6.1.2)] любым способом при условии, что оно соответствует установленным техническим требованиям.
5.3.3.1 Положение отверстий для отбора давления
Способы отбора давления, используемые для сопел Вентури, приведены на рисунке 4.
При использовании отдельного отверстия или нескольких взаимно соединенных отверстий их оси могут быть расположены в любых осевых плоскостях ИТ, равномерно распределенных по периметру ИТ. Однако для защиты отверстий от загрязнения и попадания в них жидких капелек или газовых пузырей необходимо избегать расположения отверстий в нижней и верхней частях трубы.
5.3.3.2 Отбор давления до сопла Вентури
Отверстия для отбора давления до сопла Вентури выполняют аналогично применяемым для сопла ИСА 1932, как указано в 5.1.5.1.
5.3.3.3 Отбор давления в горловине сопла Вентури
Отбор давления в горловине проводят через отдельные отверстия, соединенные по схеме, приведенной в ГОСТ 8.586.1 (рисунок 1), или с помощью кольцевой камеры усреднения, или пьезометрического кольца. Должно быть не менее четырех отверстий. Использование для отбора давления сплошных кольцевых щелей или равномерно распределенных по горловине сопла пазов не допускается.
Оси отверстий должны пересекать ось сопла, образовывать между собой равные углы и быть расположены в плоскости, перпендикулярной к оси сопла.
В месте выхода в ИТ отверстие должно иметь круглое сечение. Кромки отверстия должны быть заподлицо с внутренней поверхностью ИТ и насколько возможно острыми. Для ликвидации заусенцев на внутренней кромке отверстия допускается ее притупление радиусом не более одной десятой диаметра отверстия.

Рисунок 4 - Способы отбора давления, используемые для сопел Вентури
Не допускаются какие-либо неровности на поверхности отверстия и на внутренней поверхности ИТ вблизи от отверстий. Соответствие отверстий установленным требованиям проверяют визуально.
Диаметр δ2 отверстия для отбора давления в горловине
сопла Вентури (см рисунок 4) должен быть не более 0,04d и находиться в пределах от 2 до
Отверстие должно быть круглым и цилиндрическим на глубине не менее 2,5 диаметра этого отверстия.
5.3.4.1 Границы применения
Сопла Вентури применяют при следующих условиях:
d ≥
0,316 ≤ β ≤ 0,775;
1,5·105 ≤ Re ≤ 2·106
5.3.4.2 Коэффициент истечения
Коэффициент истечения сопла Вентури рассчитывают по формуле
С = 0,9858 - 0,196 β4,5. (5.7)
Примечание - Коэффициент истечения сопел Вентури не зависит от числа Re.
5.3.4.3 Коэффициент расширения
Коэффициент расширения сопел Вентури определяют по 5.1.6.3.
5.3.4.4 Поправочный коэффициент, учитывающий шероховатость внутренней поверхности измерительного трубопровода
Поправочный коэффициент Кш для сопел Вентури определяют по 5.1.6.4.
5.3.5.1 Неопределенность коэффициента истечения
Неопределенность коэффициентов истечения сопел Вентури при условии, что неопределенность определения β равна нулю, рассчитывают по формуле
= 1,2 + 1,5 β4.
5.3.5.2 Неопределенность коэффициента расширения
Неопределенность коэффициента расширения сопел Вентури при условии, что неопределенности β, ∆р/р и к равны нулю, рассчитывают по формуле
.
5.3.5.3 Неопределенность поправочного коэффициента, учитывающего шероховатость внутренней поверхности измерительного трубопровода
Неопределенность поправочного коэффициента Кш для сопел Вентури определяют по 5.1.7.3.
Потери давления для сопел Вентури рассчитывают по формуле
, (5.8)
где коэффициент гидравлического сопротивления рассчитывают по формуле
.
Значения коэффициентов
,
и поправки
приведены в таблицах
2, 3 и 4.
Таблица 2 - Значения ![]()
|
β |
0,80 |
0,67 |
0,57 |
≤0,5 |
|
|
-0,004 |
0 |
-0,010 |
-0,010 |
Таблица 3 - Значения коэффициента
при Re/β ≥ 2·105
|
φ |
5° |
7° |
10° |
12,5° |
15° |
|
|
0,10 |
0,10 |
0,11 |
0,13 |
0,16 |
Таблица 4 - Значения коэффициента К1
|
β |
ЗначенияK1 при φ |
||||
|
5° |
7° |
10° |
12,5° |
15° |
|
|
0,80 0,67 0,57 ≤0,50 |
0,59 0,81 0,90 1,00 |
0,55 0,81 0,89 1,00 |
0,48 0,78 0,85 1,00 |
0,40 0,77 0,81 1,00 |
0,33 0,66 0,77 1,00 |
При проведении расчетов для чисел Re/β < 2·105 значение коэффициента
может быть получено в
соответствии с [5].
Примечание - Можно принять, что потеря давления в общем случае составляет от 5 % до 25 % перепада давления.
Общие требования к установке СУ, приведенные в ГОСТ 8.586.1 (раздел 7), следует применять совместно с дополнительными специальными требованиями настоящего стандарта к установке сопел и сопел Вентури.
Необходимую минимальную длину прямолинейных участков ИТ определяют в зависимости от вида МС, их размещения на ИТ и относительного диаметра отверстия СУ. Классификация видов МС приведена в приложении А.
Примечание - Установка термометра в соответствии с требованиями ГОСТ 8.586.5 (подраздел 6.3) не изменяет требуемых прямолинейных участков ИТ для других МС, т. е. первичный преобразователь температуры, термометр или их гильза (при ее наличии) не рассматриваются как МС.
Если струевыпрямитель или УПП не применяют, то минимальную длину прямолинейных участков ИТ определяют в соответствии с требованиями 6.2.
При применении струевыпрямителя или УПП минимальную допускаемую длину прямолинейных участков ИТ определяют по результатам их испытаний на соответствие требованиям ГОСТ 8.586.1 (приложение Ж).
Применять струевыпрямитель или УПП не рекомендуется, если необходимая длина прямолинейных участков ИТ может быть обеспечена без их установки.
6.2.1 Необходимая минимальная длина прямолинейных участков ИТ до и после сопел ИСА 1932, эллипсных сопел и сопел Вентури в зависимости от значения β и вида МС приведена в таблице 5.
|
Для промежуточных значений β, не указанных в таблице 5, наименьшую длину прямолинейных участков ИТ рассчитывают методом линейной интерполяции данных таблицы по формуле
где β1, L1 - ближайшее большее к β значение относительного диаметра СУ и соответствующее ему значение относительной длины, указанные в таблице 5; β2, L2 - ближайшее меньшее к β значение относительного диаметра СУ и соответствующее ему значение относительной длины, указанные в таблице 5. Результат расчета округляют до целого числа. Примечание - Если расчет проводят по данным колонок Б, то при отсутствии для β2 значения L2 его принимают равным значению, приведенному в колонке А. |
6.2.2 Если сопло ИСА 1932, эллипсное сопло или сопло Вентури используют для выполнения исследовательских работ или в качестве эталонного СИ при калибровочных или поверочных работах, то рекомендуется увеличить не менее чем в два раза длину прямолинейных участков ИТ до СУ, указанную в таблице 5.
6.2.3 Если длина прямолинейных участков ИТ не менее значения, указанного в колонке А таблицы 5, то неопределенность коэффициента истечения СУ соответствует указанной в 5.1.7.1, 5.2.7.1 и 5.3.5.1.
6.2.4 Если длина прямолинейных участков ИТ до или после СУ меньше значения, указанного в колонке А, но не менее значения, приведенного в колонке Б таблицы 5, следует арифметически добавить дополнительную неопределенность 0,5 % к неопределенности коэффициента истечения, указанной в 5.1.7.1, 5.2.7.1 и 5.3.5.1.
6.2.5 Не допускается:
- устанавливать прямолинейные участки ИТ, длина которых менее указанных в колонке Б таблицы 5;
- одновременно устанавливать до и после СУ прямолинейные участки ИТ, длина которых менее указанной в колонке А таблицы 5.
6.2.6 Рекомендуется регулировать расход потока арматурой, расположенной после СУ. Запорная арматура, находящаяся на ИТ до СУ, должна быть полностью открыта.
6.2.7 Если конструкция проточной части запорной арматуры и ее сопряжение с ИТ обеспечивают соблюдение требований, указанных в 6.4.3, то такая запорная арматура может рассматриваться как часть прямолинейного участка ИТ.
Запорная арматура, приведенная в таблице 5, имеет такой же номинальный внутренний диаметр, как и ИТ, а диаметр ее проходного отверстия отличается от диаметра ИТ на значение, которое превышает допускаемое для уступов (см 6.4.3).
6.2.8 Указанная в таблице 5 длина прямолинейных участков ИТ определена экспериментально в условиях стабилизированного потока непосредственно перед исследуемым МС. На практике данные условия обеспечивают выполнением следующих требований:
а) если СУ установлено на ИТ после большой емкости, то полная длина прямолинейного участка ИТ между СУ и большой емкостью должна быть не менее 30D независимо от наличия других МС, установленных между СУ и большой емкостью.
Таблица 5 - Необходимая наименьшая относительная длина прямолинейных участков ИТ между соплом ИСА 1932, эллипсным соплом или соплом Вентури и МС без применения струевыпрямителя или УПП.
|
Вид МС |
Наименьшая относительная длина прямолинейного участка ИТ при β, равном |
|||||||||
|
0,20 |
0,25 |
0,30 |
0,35 |
0,40 |
||||||
|
А1) |
Б2) |
А1) |
Б2) |
А1) |
Б2) |
А1) |
Б2) |
А1) |
Б2) |
|
|
Для МС, расположенных до СУ |
||||||||||
|
Колено или тройник с заглушкой |
10 |
6 |
10 |
6 |
10 |
6 |
12 |
6 |
14 |
7 |
|
Два или более колен в одной плоскости |
14 |
7 |
14 |
7 |
16 |
8 |
16 |
8 |
18 |
9 |
|
Два или более колен в разных плоскостях |
34 |
17 |
34 |
17 |
34 |
17 |
36 |
18 |
36 |
18 |
|
Конфузор |
5 |
3) |
5 |
3) |
5 |
3) |
5 |
3) |
5 |
3) |
|
Диффузор |
16 |
8 |
16 |
8 |
16 |
8 |
16 |
8 |
16 |
8 |
|
Запорный клапан или вентиль |
18 |
9 |
18 |
9 |
18 |
9 |
18 |
9 |
20 |
10 |
|
Шаровой кран или задвижка |
12 |
6 |
12 |
6 |
12 |
6 |
12 |
6 |
12 |
6 |
|
Конусный кран |
16 |
8 |
16 |
8 |
18 |
9 |
18 |
9 |
20 |
10 |
|
Симметричное резкое сужение или большая емкость |
30 |
15 |
30 |
15 |
30 |
15 |
30 |
15 |
30 |
15 |
|
Симметричное резкое расширение |
51 |
26 |
52 |
26 |
54 |
27 |
56 |
28 |
58 |
29 |
|
Смешивающий потоки тройник |
34 |
17 |
34 |
17 |
34 |
17 |
36 |
18 |
36 |
18 |
|
Разветвляющий поток тройник |
14 |
7 |
14 |
7 |
16 |
8 |
16 |
8 |
18 |
9 |
|
Затвор (заслонка) |
25 |
13 |
27 |
14 |
29 |
15 |
30 |
15 |
32 |
16 |
|
МС неопределенного вида4) |
60 |
30 |
62 |
31 |
64 |
32 |
67 |
34 |
70 |
35 |
|
Для МС, расположенных после СУ |
||||||||||
|
Любой вид МС |
4 |
2 |
4 |
2 |
5 |
2,5 |
5 |
2,5 |
6 |
3 |
Продолжение таблицы 5
|
Наименьшая относительная длина прямолинейного участка ИТ при β, равном |
||||||||||||||||
|
|
0,45 |
0,50 |
0,55 |
0,60 |
0,65 |
0,70 |
0,75 |
0,80 |
||||||||
|
|
А1) |
Б2) |
А1) |
Б2) |
А1) |
Б2) |
А1) |
Б2) |
А1) |
Б2) |
А1) |
Б2) |
А1) |
Б2) |
А1) |
Б2) |
|
Для МС, расположенных до СУ |
||||||||||||||||
|
|
14 |
7 |
14 |
7 |
16 |
8 |
18 |
9 |
22 |
11 |
28 |
14 |
36 |
18 |
46 |
23 |
|
|
18 |
9 |
20 |
10 |
22 |
11 |
26 |
13 |
32 |
16 |
36 |
18 |
42 |
21 |
50 |
25 |
|
|
38 |
19 |
40 |
20 |
44 |
22 |
48 |
24 |
54 |
27 |
62 |
31 |
70 |
35 |
80 |
40 |
|
|
5 |
3) |
6 |
5 |
8 |
5 |
9 |
5 |
11 |
6 |
14 |
7 |
22 |
11 |
30 |
15 |
|
|
17 |
9 |
18 |
9 |
20 |
10 |
22 |
11 |
25 |
13 |
30 |
15 |
38 |
19 |
54 |
27 |
|
|
20 |
10 |
22 |
1 |
24 |
12 |
26 |
13 |
28 |
14 |
32 |
16 |
36 |
18 |
44 |
22 |
|
|
12 |
6 |
12 |
6 |
14 |
7 |
14 |
7 |
16 |
8 |
20 |
10 |
24 |
12 |
30 |
15 |
|
|
21 |
11 |
23 |
12 |
24 |
12 |
26 |
13 |
27 |
14 |
30 |
15 |
32 |
16 |
34 |
17 |
|
|
30 |
15 |
30 |
15 |
30 |
15 |
30 |
15 |
30 |
15 |
30 |
15 |
30 |
15 |
30 |
15 |
|
|
60 |
30 |
64 |
32 |
66 |
33 |
70 |
35 |
73 |
37 |
77 |
39 |
80 |
40 |
84 |
42 |
|
|
38 |
19 |
40 |
20 |
44 |
22 |
48 |
24 |
54 |
27 |
62 |
31 |
70 |
35 |
80 |
40 |
|
|
18 |
9 |
20 |
10 |
22 |
11 |
26 |
13 |
32 |
16 |
36 |
18 |
42 |
21 |
50 |
25 |
|
|
34 |
17 |
36 |
18 |
38 |
19 |
40 |
20 |
42 |
21 |
45 |
23 |
47 |
24 |
39 |
25 |
|
|
73 |
37 |
76 |
38 |
79 |
40 |
84 |
42 |
87 |
44 |
92 |
46 |
96 |
48 |
100 |
50 |
|
Для МС, расположенных после СУ |
||||||||||||||||
|
|
6 |
3 |
6 |
3 |
6 |
3 |
7 |
3,5 |
7 |
3,5 |
7 |
3,5 |
8 |
4 |
8 |
4 |
|
1) В колонках А приведены значения длины, соответствующие нулевой дополнительной неопределенности коэффициента истечения (см. 6.2.3). 2) В колонках Б приведены значения длины, соответствующие дополнительной неопределенности коэффициента истечения, равной 0,5 % (см. 6.2.4). 3) Данные о возможности сокращения прямолинейного участка ИТ отсутствуют. 4) Любой другой вид МС, не указанный в таблице. Необходимая минимальная длина прямолинейных участков ИТ для МС неопределенного вида является максимальной длиной из допускаемых максимальных длин прямолинейных участков ИТ перед СУ, поэтому для ряда МС, не включенных в таблицу, указанная длина установлена с запасом. |
||||||||||||||||
Рекомендуется применение струевыпрямителя или УПП в случае применения коллекторных систем.
Если невозможно установить струевыпрямитель или УПП, то при определении длины прямолинейных участков ИТ коллекторных систем руководствуются следующим:
- если оси входного (распределительного) коллектора и ИТ расположены в одной плоскости, как приведено на рисунке 5а, то выход из коллектора для крайнего ИТ классифицируют как МС вида «Тройник с заглушкой», для остальных ИТ - «Разветвляющий поток тройник»;
- если оси входного (распределительного) коллектора и ИТ расположены в разных плоскостях и расстояние между коллектором и коленом соответствует указанным на рисунке 5б, то выход из коллектора и колено объединяют в одно МС, которое классифицируют как МС вида «Два и более колен в разных плоскостях»;

Рисунок 5 - Схемы коллектора
б) если до СУ установлено последовательно несколько МС, то следует применять следующее:
1) длину прямолинейного участка ИТ между СУ и ближайшим к нему МС определяют по 6.2.1 - 6.2.7;
2) между двумя ближайшими к СУ МС должен быть прямолинейный участок ИТ длиной, равной половине или более половины значения, определяемого по таблице 5 для β = 0,70 (независимо от фактического значения β) и типа МС, наиболее удаленного от СУ. При этом расстояние между МС является кратным внутреннему диаметру участка ИТ между этими МС. Если значение минимальной длины прямолинейного участка ИТ выбрано из колонки А таблицы 5, то неопределенность коэффициента истечения соответствует указанной в 5.1.7.1, 5.2.1.7 и 5.3.5.1. Если значение минимальной длины прямолинейного участка ИТ выбрано из колонки Б таблицы 5, то к неопределенности коэффициента истечения следует арифметически добавить дополнительную неопределенность 0,5 %.
Если расстояние между вторым и третьим МС менее 5D и третье МС требует больший прямолинейный участок, то прямолинейный участок между двумя ближайшими к СУ МС определяют, как половину или более половины значения, определяемого по таблице 5 для β = 0,7 (независимо от фактического значения β) и типа третьего МС;
3) допускается частичное или полное сокращение расстояния между двумя МС, ближайшими к СУ, за счет соответствующего увеличения длины ИТ между СУ и ближайшим перед ним МС, как приведено на рисунке 6. При этом должно выполняться условие, указанное в перечислении в);
в) любое МС, состоящее из комбинации колен (см таблицу 5), должно быть расположено на расстоянии от СУ, которое не менее требуемого между этим МС и СУ, в соответствии с таблицей 5, независимо от числа МС, находящихся между этим МС и СУ. При этом расстояние является кратным внутреннему диаметру участка ИТ, расположенным непосредственно перед СУ, и измеряется от СУ до границы группы колен (включая длины МС, находящимися между ними). Если расстояние определено по значениям, приведенным в колонке Б, то к неопределенности коэффициента истечения должна быть арифметически добавлена дополнительная неопределенность 0,5 %. При этом не допускается сокращать длину других прямолинейных участков ИТ, т е дополнительная неопределенность не должна добавляться более одного раза исходя из требований, указанных в перечислении б) и настоящем перечислении;
г) МС, расположенные перед СУ на расстоянии, превышающем указанное в таблице 5 для «МС неопределенного вида», не учитывают.

Рисунок 6 - Схема расположения шарового крана или задвижки при β = 0,6
6.2.9 На рисунке 7 приведены три примера применения требований, указанных в перечислениях б) и в) 6.2.8.
В каждом примере второе МС относительно СУ (см рисунок 7) представляет собой МС вида «Два или более колен в разных плоскостях», а β = 0,65.
6.2.9.1 Если первое МС - шаровой кран, как приведено на рисунке 7а, то:
- длина прямолинейного участка ИТ между шаровым краном и соплом должна быть не менее 16D (см таблицу 5);
- длина прямолинейного участка ИТ между МС вида «Два или более колен в разных плоскостях» и краном должна быть согласно перечислению б) 6.2.8, по крайней мере, 31D;
- расстояние между МС вида «Два или более колен в разных плоскостях» и СУ должно быть согласно перечислению в) 6.2.8 не менее 54D.
Если кран имеет длину 1D, то требуется дополнительный участок 6D = 54D - 1D - 16D - 31D, который может находиться либо до или после крана, либо частично до и после крана.
Могут также быть использованы рекомендации, указанные в перечислении в) 6.2.8, т. е. кран может быть перемещен непосредственно к группе колен при условии, что расстояние от группы колен до сопла не менее 54D (см рисунок 7б).
6.2.9.2 Если первое МС является переходником (конфузором) от диаметра 2D к диаметру D на длине 2D (см рисунок 7в), то:
- длина прямолинейного участка ИТ между конфузором и СУ должна быть не менее 11D (см таблицу 5);
- длина прямолинейного участка ИТ между МС вида «Два или более колен в разных плоскостях» и переходником должна быть не менее 31·2D (см перечисление б) 6.2.8);
- расстояние между МС вида «Два колена и более в разных плоскостях» и СУ должно быть не менее 54D (см перечисление в) 6.2.8).
Так как фактическое расстояние между МС вида «Два колена и более в разных плоскостях» и соплом равно 75D = 31·2D + 2D + 11D, в соответствии с перечислением в) 6.2.8 дополнительной длины не требуется.

Рисунок 7 - Примеры определения необходимых длин прямолинейных участков ИТ (см 6.2.9)
6.2.9.3 Если первое МС является переходником (диффузором) от 05 D до D на длине 2D (см рисунок 7г), то:
- длина прямолинейного участка ИТ между диффузором и СУ должна быть (см таблицу 5) не менее 25 D;
- длина прямолинейного участка ИТ между МС вида «Два или более колен в разных плоскостях» и диффузором должна быть, по крайней мере, 31·0,5D (см перечисление б) 6.2.8);
- расстояние между МС вида «Два или более колен в разных плоскостях» и СУ должно быть не менее 54 D (см перечисление в) 6.2.8).
Таким образом, требуется дополнительный участок ИТ длиной, равной 11,5 D = 54 D - 2D - 25D - 31·0,5 D, который может находиться либо до или после диффузора, либо частично до и после диффузора.
Для уменьшения длины прямолинейных участков ИТ до СУ могут быть применены струевыпрямители или УПП. Допускается для измерений использовать только те виды струевыпрямителей или УПП, которые прошли испытания на соответствие требованиям ГОСТ 8.586.1 (приложение Ж). Испытания следует проводить с применением того вида сопла, которое будет применяться для измерений.
6.4.1 На участке ИТ длиной 2D, расположенном непосредственно перед СУ (или кольцевой камерой усреднения, если она имеется), ни одно значение диаметра в любой плоскости на данном участке не должно отличаться более чем на 0,3% значения D, определенного в соответствии с 6.4.2.
Если на этом участке имеется сварной шов, то внутренний валик шва должен быть путем его механической обработки сточен до состояния, при котором внутренний диаметр участка ИТ, измеренный в плоскости сварного шва, будет удовлетворять установленному в этом пункте требованию.
6.4.2 Диаметр D определяют как среднеарифметическое значение результатов измерений не менее чем в трех поперечных сечениях ИТ, равномерно распределенных на отрезке 0,5D, из которых два крайних сечения соответствуют расстояниям 0D и 0,5D от места отверстий, расположенных до СУ. Если конструкция участка сварная, то третье сечение должно быть в плоскости сварного шва.
В каждом из сечений проводят измерения не менее чем в четырех диаметральных направлениях, расположенных приблизительно под одинаковым углом друг к другу. Если используется кольцевая камера усреднения (см рисунок 1), то измерение D выполняют на отрезке ИТ длиной 05D до входного торца корпуса камеры. При этом относительная неопределенность результата измерений, обусловленная измерительным инструментом, не должна превышать 0,1 %.
6.4.3 За пределами участка ИТ длиной 2D, расположенного непосредственно перед СУ (или корпусом камеры усреднения, если она имеется), ИТ между СУ и первым МС может быть изготовлен из одной или нескольких секций труб.
В пределах участка ИТ, расположенного между сечениями ИТ на расстояниях 2D и 10D от СУ, разность значений диаметра смежных секций ИТ и высота уступа не должны превышать 0,003 D.
Если диаметр секции ИТ, расположенной вверх по потоку, больше диаметра секции ИТ, расположенной вниз по потоку, то за пределами участка ИТ длиной 10D разность значений диаметра смежных секций ИТ и высота уступа не должны превышать 0,06D.
Если диаметр секции ИТ, расположенной вверх по потоку, не более диаметра секции ИТ, расположенной вниз по потоку, то составная конструкция ИТ не приводит к дополнительной неопределенности коэффициента истечения при выполнении следующих условий:
- за пределами участка ИТ длиной 10D при β ≤ 0,3215 разность значений диаметра смежных секций ИТ и высота уступа не превышают 0,06D;
- в пределах участка ИТ от 10 D до l = (2,39 + 54,8β1,74) D при β > 0,3215 разность значений диаметра смежных секций ИТ и высота уступа не превышают 0,02 D;
- за пределами участка ИТ длиной l = (2,39 + 54,8β1,74) D при β > 0,3215 разность значений диаметра смежных секций ИТ и высота уступа не превышают 0,06 D
За пределами участка ИТ длиной 10D, расположенного непосредственно перед СУ
(или корпусом камеры усреднения, если она имеется), применение прокладок между
секциями допускается при условии, что их толщина не более
6.4.4 Дополнительная неопределенность 0,2 % должна быть добавлена арифметически к значению неопределенности коэффициента истечения, если разность значений диаметра ∆ D между смежными секциями ИТ превышает значения, указанные в 6.4.3, но удовлетворяет двум условиям:
, (6.2)
, (6.3)
где s - расстояние от отверстий для отбора давлений или от переднего торца корпуса камеры усреднения (при ее наличии) до уступа.
6.4.5 Если ∆D/D не соответствует требованиям 6.4.4 или имеется более одного уступа (см 6.4.3), то установку не считают соответствующей требованиям настоящего стандарта.
6.4.6 Диаметр прямолинейного участка ИТ после сопла ИСА 1932 или эллипсного сопла, полученный в результате однократного измерения в любом сечении ИТ на расстоянии не более 2D от входного торца СУ, не должен отличаться от D более чем на 3% .Такая оценка может быть проведена проверкой одного диаметра прямолинейного участка ИТ.
Диаметр ИТ непосредственно после сопла Вентури должен быть не менее 90 % диаметра диффузора сопла Вентури в его выходном сечении.
6.5.1 СУ должно быть расположено в ИТ таким образом, чтобы было обеспечено течение среды от его входной торцевой части к горловине.
6.5.2 Ось СУ должна быть параллельна оси ИТ в пределах ± 1°
6.5.3 Расстояние ех между осями СУ и ИТ до и после СУ должно удовлетворять условию:
.
6.5.4 Корпус кольцевых камер усреднения устанавливают соосно с ИТ таким образом, чтобы ни один элемент камер не выступал во внутреннюю полость ИТ.
6.6.1 Способ крепления СУ должен обеспечивать сохранение его правильного положения после фиксации в узле крепления.
Способ крепления, во избежание деформации СУ, должен предусматривать возможность его свободного теплового расширения.
6.6.2 Уплотнительные прокладки и(или) уплотнительные кольца не должны выступать во внутреннюю полость ИТ и перегораживать отверстия для отбора давления или щели камер усреднения. Они должны быть как можно тоньше с учетом необходимости выполнения условий, приведенных в 5.1.5.2 или 5.2.5.1.
6.6.3 Уплотнительные прокладки между СУ и корпусом камеры усреднения не должны выступать во внутреннюю полость камеры.
А.1 Колено и группа колен
А. 1.1 «Колено» - изгиб трубопровода равного сечения в одной плоскости под углом ψ от 5° до 95° (см рисунок А.1а).
А.1.2 «Два или более колен в одной плоскости» - два или более колен, оси которых лежат в одной плоскости (см рисунки А.1 б, в, г), расположенные один за другим на расстоянии l ≤ 14 D.
«Два или более колен в разных плоскостях» - два или более колен, оси которых лежат в разных плоскостях (см. рисунки А.1 д, е), расположенные один за другим на расстоянии l ≤ 14 D
А.1.3 Границей колена (группой колен) считают сечение ИТ, в котором изгиб трубопровода переходит в прямолинейный участок.
А. 1.4 Внутренний радиус изгиба колен должен быть не менее радиуса трубопровода.

Рисунок А.1 - Колено и группы колен
А.2 Тройники
А.2.1 Тройник - фитинг, состоящий из трех соединенных звеньев трубопровода, оси которых лежат в одной плоскости.
«Тройник с заглушкой» - тройник, состоящий из одного заглушённого звена и двух открытых звеньев (см. рисунки А.2 а, б).
Если диаметр заглушённой трубы тройника, не изменяющего направление потока, (см. рисунок А.2 б) менее 0,13D, то данный тройник не является МС.
«Разветвляющий поток тройник» - тройник, поток в который входит через одно звено (см. рисунки А.2 в, г), а выходит через два звена.
«Смешивающий потоки тройник» - тройник, поток из которого выходит из одного звена (см. рисунки А.2 д, е), а входит в два звена.
А.2.2 При определении длины прямолинейного участка перед тройником или за ним расстояние замеряют от точки пересечения осей трубопроводов.
А.2.3 Если расстояние между тройниками, которые разветвляют поток, не превышает 5D, то все тройники объединяют в одно МС - «Разветвляющий поток тройник» (см. рисунок А.2 ж)
А.2.4 Если расстояние между тройниками, которые смешивают потоки, не превышает 5D, то все тройники объединяют в одно МС - «Смешивающий потоки тройник» (см. рисунок А.2 и).

Рисунок А.2 - Тройники
А.3 Переходные участки труб
А.3.1 Диффузор - конусное расширение трубопровода с прямолинейной или криволинейной образующей (см. рисунок А.3 а)
Диффузор характеризуют конусностью Kr, которую рассчитывают как отношение разности диаметров двух прямолинейных участков трубопроводов, соединенных конусом, к длине l этого конуса по формуле
(A.1)
где D1, и D2 - диаметры двух прямолинейных участков трубопровода, причем D2> D1. Геометрические характеристики диффузора должны удовлетворять условиям:
0,2 < Kr ≤ 0,5; (A.2)
1,1 < D2/D1 ≤ 2. (А.3)
Диффузор считают прямолинейным участком при выполнении условий:
0 ≤ Kr ≤ 0,2; (A.4)
1 ≤ D2/D1 ≤ 1.1 (А.5)
При этом длину прямолинейного участка ИТ рассчитывают без учета диффузора как МС.
А.3.2 Симметричное резкое расширение (см. рисунок А.3 б) - уступ или диффузор, удовлетворяющий условиям:
Kr > 0,5; (A.6)
D2/D1 > 1,1. (A.7)
А.3.3 Конфузор - конусное сужение трубопровода с прямолинейной или криволинейной образующей (см. рисунок А.3 в).
Конфузор характеризуют конусностью Кr, которую рассчитывают по формуле (А.1).
Геометрические характеристики конфузора должны удовлетворять условиям:
0,2 < Kr ≤ 0,7; (A.8)
1 < D2/D1 ≤ 2 (А.9)
Конфузор считают прямолинейным участком при выполнении условий:
0 ≤ Kr ≤ 0,2; (А.10)
1,0 ≤D2/D1 ≤ 1,1 (A.11)
А.3.4 Симметричное резкое сужение - конфузор или уступ (см рисунок А.3 г), если он удовлетворяет условиям:
Kr > 0,7; (A.12)
D1/D2> 1,1 (А.13)
А.3.5 Границей диффузора или конфузора считают сечение, в котором конус соединяется с прямолинейным участком ИТ.
А.3.6 Переходные участки ИТ рекомендуется изготовлять с криволинейной образующей в соответствии с ГОСТ 17378 с учетом требований настоящего приложения.

Рисунок А.3 - Переходные участки и запорная арматура
А.4 Запорная арматура
А.4.1 Запорную арматуру классифицируют в соответствии с ГОСТ 24856.
На рисунке А.3 приведены схемы запорной арматуры: задвижки (см рисунок А.3д); шарового крана (см рисунок А.3е); конусного крана (см рисунок А.3и); затвора (см рисунки А.3ж, к); клапана (см рисунок А.3л).
Примечание - В технической литературе часто вместо термина «клапан» используют термин «вентиль», вместо «затвор» - «заслонка».
А.4.2 Границей запорной арматуры любого типа считают место их соединения с ИТ.
А.5 Коллектор
А.5.1 Коллектор - устройство для распределения потока по нескольким направлениям или сбора потоков по нескольким направлениям в общий поток.
В большинстве случаев распределяющие и собирающие коллекторы работают совместно, образуя коллекторную систему.
Коллекторную систему применяют для обеспечения необходимой пропускной способности измерительного пункта и уменьшения неопределенности измерений расхода и количества среды. При этом распределение потока по нескольким направлениям осуществляют по ИТ, расположенным между коллекторами одинаковой конструкции.
А.5.2 Коллекторные схемы подразделяют на П - и Z - образные. В П - образной системе (см. рисунки А.4 а, в) потоки в коллекторах имеют противоположные направления, а в Z - образной системе (см. рисунки А.4 б, г) - одинаковые направления.

Рисунок А.4 - Схемы коллекторных систем
При одинаковой конструкции обоих коллекторов и значении коэффициента гидравлического сопротивления входного коллектора менее единицы П - образная система обеспечивает более равномерное распределение потока, чем Z - образная система. При значении коэффициента гидравлического сопротивления входного коллектора более единицы получают противоположный результат.
А.5.3 Увеличение площади сечения коллектора по сравнению с суммарной площадью сечений ИТ приводит к сужению потока на входе ИТ, а следовательно, к наименьшим искажениям профиля скоростей и более равномерному распределению потока по ИТ.
Диаметры коллекторов рекомендуется определять из условия:
D [0,5 (n + 1)]05 < DK, (A.14)
где п - число ИТ одинаковой конструкции;
DK - диаметр коллектора.
Рекомендуется соблюдение дополнительного условия:
![]()
А.5.4 Продольные оси входного (распределительного) коллектора и ИТ могут быть расположены в одной плоскости (см. рисунки А.4а, б) или в разных плоскостях (см. рисунки А.4 в, г). Рекомендуется применение коллектора, расположенного в одной плоскости с ИТ.
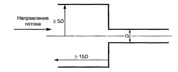
А.6 Большая емкость
Большая емкость - емкость, перед выходным отверстием которой на длине не менее 15 D по направлению к его оси и на длине не менее 5D в направлении, перпендикулярном к этой оси, нет препятствий, нарушающих движение потока (см. рисунок А.5)

Рисунок А.5 - Схема большой емкости
МС, расположенные перед большой емкостью, не учитывают при определении необходимых длин прямолинейных участков ИТ.
А.7 Совмещенные местные сопротивления
В одно МС следует объединять тройники с коленами в случаях, указанных на рисунке А.6

Рисунок А.6 - Местные сопротивления, которые следует объединять в одно МС
МС, приведенные на рисунках А.6 а, б, в, г, ж, следует относить к МС вида «Два и более колен в разных плоскостях».
МС, приведенные на схемах д и е, классифицируют как «Два и более колен в одной плоскости».
А.8 Особенности определения длин для смешивающего потоки тройника
Если перед СУ установлено МС вида «Смешивающий потоки тройник», то соответствие требованиям к длинам прямолинейных участков ИТ необходимо проверять по всем звеньям труб, образующим это местное сопротивление, например по схеме, представленной на рисунке А.7.

Рисунок А.7 - Схема возможной установки МС вида «Смешивающий потоки тройник»
В соответствии с таблицей 5 и требованиями 6.2.8, после вентиля необходим участок длиной 16 D, а после конфузора - 1 D. Если длины прямолинейных участков перед тройником сокращены в обоих направлениях или только в одном направлении, к неопределенности коэффициента истечения арифметически добавляют дополнительную неопределенность, равную 0,5 %.
|
ИСО 5167-1:2003 |
Измерение расхода среды с помощью устройств переменного перепада давления, помещенных в заполненные трубопроводы круглого сечения. Часть 1. Общие принципы и требования |
|
(International Standard ISO 5167-1:2003) |
(Measurement of fluid flow by means of pressure differential devices inserted in circular cross-section conduits running full - Part 1: General principles and requirements) |
|
[2] Международный стандарт ИСО 5167-2:2003 |
Измерение расхода среды с помощью устройств переменного перепада давления, помещенных в заполненные трубопроводы круглого сечения. Часть 2. Диафрагмы |
|
(International Standard ISO 5167-2:2003) |
Measurement of fluid flow by means of pressure differential devices inserted in circular cross-section conduits running full - Part 2: Orifice plates) |
|
ИСО 5167-3:2003 |
Измерение расхода среды с помощью устройств переменного перепада давления, помещенных в заполненные трубопроводы круглого сечения. Часть 3. Сопла и сопла Вентури |
|
(International Standard ISO 5167-3:2003) |
(Measurement of fluid flow by means of pressure differential devices inserted in circular cross-section conduits running full - Part 3: Nozzles and Venturi nozzles) |
|
ИСО 5167-4:2003 |
Измерение расхода среды с помощью устройств переменного перепада давления, помещенных в заполненные трубопроводы круглого сечения. Часть 4. Трубы Вентури |
|
(International Standard ISO 5167-4:2003) |
(Measurement of fluid flow by means of pressure differential devices inserted in circular cross-section conduits running full - Part 4: Venturi tubes) |
Ключевые слова: расход, количество, среда, измерение, метод, общие требования, установка, сопла ИСА 1932, эллипсные сопла, сопла Вентури