ПРАВИТЕЛЬСТВО МОСКВЫ
МОСКОМАРХИТЕКТУРА
ПОСОБИЕ
К МГСН 5.01.94*
СТОЯНКИ
ЛЕГКОВЫХ АВТОМОБИЛЕЙ
Выпуск 1
ПРЕДИСЛОВИЕ
1. Разработано Московским архитектурным институтом (государственная академия) - МАРХИ.
Авторский коллектив под руководством проф. Подольского В.И:
арх. Повтарь В.Я., инж. Маслов А.А., канд. техн. наук Ильминский И.И., канд. арх. Пирогов Ю.М., инж. Кожушко Т.Г., инж. Боксер А.Н.
инж. Филатова М.Н., доктор арх. Голубев Г.Е.,
сан. врач Фокин С.Г., сан. врач Черный B.C.
2. Согласовано Москомархитектурой, УГПС ГУВД г. Москвы; и ЦГСЭН в г. Москве.
3. Подготовлено к утверждению Управлением перспективного проектирования и нормативов Москомархитектуры (арх. Шалов Л.А., инж. Щипанов Ю.Б.).
4. Утверждено Указанием Москомархитектуры от 02.12.1997 г. № 47.
1.1. Настоящее Пособие подготовлено с целью оказания помощи проектировщикам, разрабатывающим проекты стоянок легковых автомобилей (автостоянок) в г. Москве.
1.2. При подготовке выпуска 1 Пособия учтен опыт проектирования автостоянок в Москве и применения МГСН 5.01-94* в 1994-1997 гг. по данным Мосгосэкспертизы. В состав выпуска 1 Пособия включены разъяснения и рекомендации, способствующие решению наиболее часто встречающихся проблем, связанных с разработкой планировки и противопожарной защиты автостоянок. В выпуске 1 Пособия приводятся примеры планировочных решений автостоянок, согласованных Мосгоэкспертизой и принятых к строительству. Учитывая широкий круг проблем, возникающий при проектировании и строительстве автостоянок в Москве, намечена подготовка нескольких выпусков Пособия. В очередной выпуск Пособия будут включены вопросы вентиляции, шумозащиты и другие проблемы, санитарной защиты при проектировании автостоянок.
1.3. Разъяснения и рекомендации, вошедшие в настоящее Пособие и учитывающие сложившийся опыт проектирования автостоянок, не следует считать нормативными требованиями. Проектировщики вправе принимать другие решения, отвечающие действующим нормам.
1.4. Нормативные документы, применяемые при проектировании автостоянок:
СНиП 10-01 94 «Система нормативных документов в строительстве. Основные положения.»
СНиП 2.07.01-89* «Планировка и застройка городских и сельских поселений».
МГСН 5.01-94* «Стоянки легковых автомобилей».
МГСН-1.01-94 «Временные нормы и правила проектирования планировки и застройки Москвы» (Корректировка и дополнение ВСН 2-85).
МГСН 4.04-94 «Многофункциональные здания и комплексы».
ГОСТ 12.1.004. «Пожарная безопасность. Общие требования».
СНиП 2.04.09-84 «Пожарная автоматика зданий и сооружений».
Пособие 15-91 к СНиП 2. 04.05.-91* «Противодымная защита при пожаре и вентиляция подземных стоянок легковых автомобилей».
СНиП 21-01-97 «Пожарная безопасность зданий и сооружений».
СНиП 2.04.05-91 * «Отопление, вентиляция и кондиционирование».
НПБ 239-97 «Клапаны, противопожарные системы вентиляции зданий и сооружений. Методы испытаний на огнестойкость».
НПБ 240-97 «Воздуховоды. Метод испытаний на огнестойкость».
ВСН 01-89 (Минавтотранс РСФСР) «Ведомственные строительные нормы. Предприятия по обслуживанию автомобилей».
ОНТП 01-91 (Росавтотранс) «Отраслевые нормы технологического проектирования предприятий автомобильного транспорта».
СНиП 2.04.01-85* «Водопровод и канализация зданий».
НПБ -110-96 «Перечень зданий, сооружений, помещений и оборудования, подлежащих защите автоматическими установками тушения и обнаружения пожара».
ВСН 62-91* «Проектирование среды жизнедеятельности с у четом потребностей инвалидов и маломобильных групп населения».
При проектировании помещений для хранения автомобилей и постов технического обслуживания (ТО) и технического ремонта (ТР) основными факторами, определяющими размеры сооружений, являются габариты автомобилей и наименьшие радиусы их поворотов.
В таблице 1 приведены основные габаритные характеристики легковых автомобилей и микроавтобусов (1 категории), наиболее часто встречающиеся в практике проектирования. К автомобилям 1 категории относятся автомобили, имеющие длину до 6 м и ширину - до 2,1 м.
В таблице 2 приведены рекомендуемые расстояния между автомобилями, элементами строительных конструкций зданий и сооружений в помещениях хранения автомобилей и в помещениях ТО и ТР.
Автомобиль при движении в пределах здания совершает повороты и другие маневры, в том числе при установке его на место хранения или для ТО и ТР. При этом должны соблюдаться так называемые защитные зоны (рекомендуемое приближение), исключающие взаимные повреждения въезжающего автомобиля и автомобилей, стоящих в одном или в противоположном с ним ряду (по другую сторону проезда).
Ширина внутреннего проезда в помещениях хранения автомобилей и постах ТО и ТР, приведенная в табл. 3, определена с учетом рекомендуемого приближения движущегося автомобиля к конструкциям здания (сооружения), к оборудованию и к автомобилям на местах хранения.
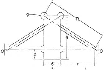
Для условий, отличных от приведенных в табл. 1 и 2, необходимые при проектировании планировочные параметры проезда могут быть определены графическим путем при помощи шаблона (рис. 1). Шаблон изготавливается из прозрачного материала в масштабе чертежа, накладывается на него и вращается относительно оси О. При этом рекомендуется выполнять следующие условия:
в помещениях хранения автомобилей у въезда на машино-место от строительных конструкций (оборудования) до въезжающего автомобиля должно оставаться не менее 0,2 м (защитная зона), а с противоположной стороны от въезда - не менее 0,7 м.;
на постах ТО и ТР соответственно - не менее 0,3 и 0,8 м

а - длина автомобиля; б - ширина автомобиля; е - задний свес;
R - внешний габаритный радиус; g - рекомендуемое приближение автомобиля к конструкциям здания (оборудованию) при въезде;
r - внутренний габаритный радиус (определяется в процессе
построения шаблона); О - ось вращения шаблона.
Рис. 1 Шаблон для определения ширины проезда
Таблица 1
|
Класс автомобиля |
Модели-представители |
Габаритные размеры, мм
|
Миним. внеш. габаритный |
||
|
|
|
длина |
ширина |
высота |
радиус, мм |
|
1 |
2 |
3 |
4 |
5 |
6 |
|
Легковые особо малый класс |
"Ока", "Таврия" |
3800 |
1400 1600 |
1450 |
5500 |
|
Легковые малый класс |
"Жигули", "Москвич", "Ford-Escort", "Volkswagen" и др. |
4400 |
1500 1700 |
1500 |
5500 |
|
Легковые средний класс |
"Волга", "Audi", "BMW", "Mercedes-Benz" (С200, С320) |
4950 |
1800 1950 |
1500 |
6200 |
|
Микроавтобусы особо малого класса |
"РАФ", "УАЗ", "ГАЗ" (Автолайн) |
4500 6000 |
2000 2100 |
2200 |
6900 |
Примечание. При проектировании автостоянок для других марок автомашин следует руководствоваться их габаритами, указанными в паспортах.
Таблица 2
|
Защитные зоны |
Обозначения |
Расстояния до автомобилей |
Эскиз |
|
|
|
|
на постах ТО и ТР |
на местах хранения |
|
|
1 |
2 |
3 |
4 |
5 |
|
От торцевой стороны автомобиля до стены
То же, до стационарного технологического оборудования
От продольной стороны автомобиля до стены |
а
d
б |
1,2
1,0
1,2 |
0,5
-
0,5 |
|
|
Между продольными сторонами автомобилей
Между автомобилем и колонной
От торцевой стороны автомобиля до ворот |
в
г
е |
1,6
0,7
1,5 |
0,6
0,3
0,5 |
|
Примечание.
При увеличении защитных зон автомобиля, приведенных в табл. 2, на 0,1; 0,2; 0,3 и 0,4 м (но не более) ширина внутреннего проезда (табл. 3) может быть уменьшена соответственно на 0,15; 0,3; 0,45; и 0,6 м.
Таблица 3
|
|
ширина внутреннего проезда, м |
||||||||||
|
типы |
в помещениях хранения автомобилей |
в помещениях постов ТО и ТР |
|||||||||
|
автомобилей, |
при установке автомобилей |
канавные |
напольные |
||||||||
|
класс |
передним ходом |
задним ходом |
без дополнит. |
с маневром |
без доп. |
с маневром |
|||||
|
|
без дополнит. маневра |
с маневром |
без дополнительного маневра |
маневра |
|
маневра |
|
||||
|
|
угол установки автомобилей к оси проезда |
угол установки автомобилей к оси проезда |
|||||||||
|
|
45° |
60° |
90° |
45° |
60° |
90° |
45° |
60° |
90° |
60° |
90° |
|
1 |
2 |
3 |
4 |
5 |
6 |
7 |
8 |
9 |
10 |
11 |
12 |
|
легковые особо малого класса |
2,7 |
4,5 |
6,1 |
3,5 |
4,0 |
5,3 |
4,3 |
5,3 |
6,4 |
2,9 |
4,8 |
|
легковые малого класса |
2,9 |
4,8 |
6,4 |
3,6 |
4,1 |
5,6 |
4,4 |
5,6 |
6,5 |
3,1 |
5,0 |
|
легковые среднего класса |
3,7 |
5,4 |
7,7 |
4,7 |
4,8 |
6,1 |
4,8 |
6,5 |
7,2 |
3,3 |
5,6 |
|
микроавтобусы особо малого класса |
3,8 |
5,8 |
7,8 |
4,8 |
5,2 |
6,5 |
4,8 |
6,5 |
7,4 |
3,5 |
5,6 |
На рис. 2 представлены наиболее распространенные планировочные типы автостоянок.
|
а)
|
б) |
в) |
|
|
|
|
а - манежный; б - боксовый; в - боксовый в закрытом помещении
Рис. 2 Планировочные типы автостоянок
На рис. 3 и показано расположение мест хранения и внутренние проезды (с указанием их размеров) для автомобилей среднего класса при условии соблюдения минимальных расстояний приближения автомобилей друг к другу и к элементам строительных конструкций (оборудованию), приведенных в таблицах 1, 2 и 3. В помещении хранения автомобилей манежного типа расстояние от колонны до ближайшей границы проезда рекомендуется принимать около 0,5 м, при этом конструктивный шаг по проезду составит примерно 7,1 м.
а) б) в)

г) д)

а - расположение под углом 90
б - расположение под углом 60°
в - расположение под углом 45°
г - расположение под углом 90 (боксы в закрытом помещении)
д - расположение под углом 45° с двумя проездами.
Рис. 3 Примеры расстановки автомобилей
При сравнении представленных на рис. 3 вариантов расположения автомобилей следует вывод, что наиболее экономичной по площади на один автомобиль (S м2) является стоянка манежного типа с перпендикулярным расположением автомобилей к оси проезда (S = 22,4 м2).
Могут применяться и другие размеры секций и шага колонн, но при соблюдении размеров мест хранения и внутренних проездов не менее рекомендуемых таблицами 1, 2, 3
Для организации перемещения автомобилей по вертикали в многоэтажных автостоянках используются рампы и лифты.
Устройство рамп, их количество и организация движения на них оказывают непосредственное влияние на планировку стоянки.
На рис. 4 представлена классификация рамп и рамповых устройств, а на рис. 5 изображены наиболее применяемые типы рамп.

Рис. 4 Классификация рам
Примечание
Рампы могут быть изолированными и неизолированными от помещений хранения автомобилей
|
а)
|
б)
|
в)
|
|
г)
|
д)
|
е)
|
|
ж)
|
з)
|
и)
|
а - пристроенные прямолинейные однопутные рампы
б - встроенные прямолинейные двухпутные рампы (два одноходовых винта)
в - то же, однопутные рампы (два одноходовых винта)
г - то же, перекрещивающиеся рампы
д - прямолинейные однопутные рампы (один двухходовой винт)
е - однопутные полурампы (два одноходовых винта)
ж - то же, комбинированные
з - пристроенные криволинейные однопутные рампы (два одноходовых винта)
и - однопутная эллиптическая рампа (один двухходовой винт)
Рис. 5 Наиболее применяемые рампы
Встроенные неизолированные рампы (рис. 5 б-д) предусматривающие транзитное движение автомобилей через этажи автостоянки, в соответствии с п.2.26. МГСН 5.01-94* могут быть применены в стоянках не выше 3 этажей и общей площадью не более 10400 кв. м.
Полурампы (рис. 5, е, ж) применяются, как правило, в автостоянках
открытого типа.
Наибольшее распространение получили изолированные наружные рампы, пристроенные или встроенные (рис. 5, а, з, и).
Уклон рампы измеряется по средней линии полосы движения и выражается в градусах, процентах или отношением высоты подъема к длине горизонтальной проекции оси наклонной поверхности. Угол в 1° равен 1,7 %.
Для различных типов рамп установлены следующие максимальные уклоны:
закрытые отапливаемые прямолинейные рампы - 18 %
закрытые отапливаемые криволинейные рампы - 13 %;
закрытые неотапливаемые и открытые, не защищенные от атмосферных осадков рампы, - 10 % (при подогреве или других инженерных решениях, устраняющих обледенение проезжей части рампы, уклон может быть увеличен, но не более, чем до 18 % и 13 % соответственно).
поперечный уклон криволинейных и прямолинейных рамп - 6 %.
Сопряжение рампы с горизонтальными участками пола должно быть плавным, а расстояние от низа автомобиля до пола должно быть не менее 0,1 м,
Ширина проезжей части рамп определяется в зависимости от размеров наибольшего автомобиля, пользующегося рампой, согласно табл. 4.
Таблица 4
|
Виды рамп |
Ширина проезжей части рампы, м |
|
Прямолинейные однопутные |
наибольшая ширина автомобиля (м) плюс 0,8 м, но не менее 2,5 м |
|
Прямолинейные двухпутные |
удвоенная наибольшая ширина автомобиля (м) плюс 1,8 м, но не менее 5 м |
|
Криволинейные однопутные |
ширина наибольшего автомобиля (м) плюс 1 м, но не менее 3,1 - 3,3 м |
|
Криволинейные двухпутные |
удвоенная наибольшего автомобиля (м) плюс 2,2 м, но не менее 6,2 - 6,6 м |
Приведенные в таблице 4 ширины проезжей части криволинейных рамп необходимо проверять путем построения проекции, образуемой движущимся по рампе наибольшим автомобилем. Ширина проекции определяется с помощью шаблона (рис. 1), при этом ось вращения (О) должна находиться в центре окружности криволинейной рампы. Ширина указанной проекции равна R минус r, чем больше радиус криволинейной рампы, тем меньше разница между R и r (но не меньше ширины автомобиля.
По обеим сторонам проезжей части рампы рекомендуется предусматривать краевые отбойные барьеры высотой 0,1 ми шириной 0,2 м, а при двухпутных рампах - еще средний отбойный барьер шириной 0,3 м, разделяющий рампу на две полосы движения. Рампы, по которым предусматривается пешеходное движение, должны иметь тротуар шириной не менее 0,8 м. На рампах с криволинейным движением тротуар рекомендуется в большинстве случаев располагать по внутреннему краю рампы.
Пропускная способность рампы для одной полосы движения определяется скоростью движения по рампе и интервалом между движущимися автомобилями.
Расчетная скорость движения по рампе не должна превышать 15 км/час при интервале между движущимися автомобилями не менее 20 м. При наличии такого интервала и высоте этажа до 3 м. в пределах междуэтажной длины рампы, будет находиться лишь один автомобиль, что отвечает требованиям безопасности движения. Пропускная способность рампы с одной полосой движения автомобилей в час - D теоретически определяется по формуле:
![]()
где - t интервал времени (сек) между движущимися автомобилями
![]()
где: i - расстояние между движущимися автомобилями в м,
v - скорость движения в км/час.
При скорости движения 10 км/час и расстоянии 20 м
сек
автомобилей в час.
Во избежание возможной закупорки рампы (независимо от расчета ее пропускной способности) в многоэтажной автостоянке целесообразно принимать следующее минимальное количество рамп при числе автомобилей на всех этажах, кроме первого:
до 100 включительно - не менее одной однопутной рампы;
св. 100 до 200 включительно - не менее одной двухпутной рампы;
св. 200 до 1000 включительно - не менее двух однопутных рамп;
св. 1000 - не менее трех однопутных рамп или двух двухпутных рамп.
При применении одной однопутной рампы, используемой как для подъема, так и для спуска автомобилей ( разновременно), должна быть предусмотрена соответствующая сигнализация. В случае применения лифтов для вертикального перемещения автомобилей, (п.2.23 МГСН 5.01-94*), следует исходить из того, что один стационарный лифт рекомендуется рассчитывать не более чем на 100 автомобилей, расположенных на всех этажах, кроме первого. Кабина автомобильного лифта по своим внутренним размерам должна превышать габариты автомобиля по ширине на 1,0 м (0,6 м. - при наличии дежурного диспетчера); по длине - на 0,8 м; по высоте (с учетом возможной установки багажника и сигнально-осветительных устройств (по заданию на проектирование) - на 0,2 м.
Движение автомобилей на въездных рампах независимо от типа последних рекомендуется проектировать в направлении против часовой стрелки; движение же на выездных рампах в зависимости от их типа может иметь направление как по часовой стрелке, так и против, однако предпочтительнее последнее.
Разновидностью многоэтажных автостоянок являются, так называемые, скатные стоянки, в которых рамповые устройства отсутствуют.
Особенность скатных стоянок заключается в том, что они имеют на всех этажах наклонные полы, по которым происходит как междуэтажное; так и внутриэтажное движение автомобилей, и одновременно размещаются места хранения автомобилей, располагаемые поперек наклонного пола (с уклоном не более 6 %), как показано на рис. 6.

Рис. 6 Расположение автомобилей (скатная стоянка)
Скатная стоянка может иметь: один одноходовой винт при двустороннем движении в проездах (рис. 7- а), два смежно расположенных одноходовых винта с односторонним движением (рис. 7-б), или один двухходовой винт (рис. 8).
а)

б)

Рис. 7 Схемы скатной стоянки с :
а - одним одноходовым винтом
б - двумя одноходовыми винтами.

Рис. 8 Схема скатной стоянки с одним двухходовым винтом.
Почти все типы скатных автостоянок характеризуются непрерывностью движения автомобилей через все нижележащие этажи.
Для сокращения пути движения в скатных автостоянках применяют различные приемы, в том числе, устройство зданий цилиндрического объема; устройство переходных боковых проездов с нормальными рамповыми уклонами; включение в объем скатной автостоянки дополнительного рампового устройства, которое взаимодействует с наклонными полами (рис. 9).

Рис. 9 Схема скатной стоянки с рамповым устройством.
По характеру использования автостоянки предназначаются для постоянного (с закрепленными за индивидуальными владельцами местами) и кратковременного хранения автомобилей.
Автостоянки постоянного хранения характеризуются ярко выраженными пиками интенсивности въездов и выездов автомобилей в утренние и вечерние часы. В автостоянках кратковременного хранения въезды и выезды относительно равномерно распределены в течение всего дня.
В последние годы в Москве с ростом парка легковых автомобилей резко повысилась интенсивность их эксплуатации, в том числе и в зимнее время года.
На основе натурных наблюдений в табл. 5 приведены ориентировочные показатели режимов содержания автомобилей в стоянках при различном их использовании.
Таблица 5
|
|
автостоянки |
|||
|
Показатели |
постоянного хранения |
кратковременного хранения |
||
|
|
под жилыми домами |
при офисах |
общего назначения |
|
|
Общее количество выездов автомобилей в час пик в % от общего количества машино-мест |
20 |
35 |
40 |
25 |
|
То же одновременно въездов |
4 |
- |
10 |
15 |
|
Общее количество выездов автомобилей в час пик в % от общего количества машино-мест в стоянке в холодный период года (при отрицательных температурах) |
10 |
30 |
35 |
20 |
|
То же одновременно въездов |
2 |
- |
8 |
12 |
|
Общий разбор автомобилей в наиболее напряженные сутки в % от общего количества мест в стоянке |
70 |
80 |
150 |
250 |
Показатели табл. 5 рекомендуются для расчетов максимальных секундных и годовых выбросов в час пик при определении загазованности окружающей атмосферы.
Въезды и выезды из автостоянок должны обеспечиваться хорошим обзором и располагаться так, чтобы все маневры автомобилей осуществлялись без создания помех пешеходам и движению транспорта на прилегающей улице.
В целях улучшения контроля зоны въезда и выезда на территорию автостоянки въезд рекомендуется устраивать рядом с выездом.
Въездная и выездная полосы должны иметь ширину не менее 3 м; на кривых участках ширина полосы увеличивается до 3,5 м.
Количество въездных и выездных полос определяется по пропускной способности контрольного пункта, которая составляет:
при ручном контроле на въезде - до 500 авт/час;
то же на выезде - до 400 авт/час;
при автоматическом контроле на въезде - до 450 авт/час;
то же на выезде - до 360 авт/час;
при кассовой оплате при выезде - до 200 авт/час.
Общее количество полос движения на въезде и выезде рекомендуется не менее двух.
Проем ворот для въезда и выезда автомобилей следует принимать с учетом следующих габаритов приближения:
превышение наибольшей ширины автомобиля при проезде перпендикулярно к плоскости ворот - 0,7 м.;
то же, при проезде под углом к плоскости ворот - 1,0 м.;
превышение наибольшей высоты автомобиля (с учетом возможной установки багажника и сигнально-осветительных устройств) - 0,2 м.
Устройство мойки автомобилей при автостоянке предусматривается в соответствии с МГСН 5.01-94*.
Количество постов мойки рекомендуется определять из условия, что мойкой в течение суток пользуется около 10 % автомобилей от общей вместимости автостоянки для постоянного хранения и около 5 % автомобилей от общей вместимости стоянки для кратковременного хранения. Необходимо учитывать:
пропускную способность моечных постов (при ручной шланговой мойке - 5-6 авт. в час, при механизированной - 10-12 авт. в час);
время возврата автомобилей на автостоянку - примерно через 4 часа.
В автостоянках для индивидуальных владельцев (с закрепленными машино-местами) рекомендуется предусматривать на 100 и более (до 200 включительно) машино-мест 1 пост ТО (ТР) и по 1 посту на каждые последующие полные и неполные 200 машино-мест.
Планировку постов мойки, ТО и ТР автомобилей в составе автостоянки следует выполнять с учетом параметров приведенных в табл. 2 и 3 настоящего пособия.
Высоту помещений постов ручной шланговой мойки автомобилей, а также постов ТО и ТР напольных и оборудованных смотровыми канавами следует принимать не менее 2,5 м в чистоте. При оборудовании моечных постов механизированными щеточными установками, высоту помещений следует принимать не менее 3,6 м. в чистоте
Размеры осмотровых канав рекомендуется проектироваться с учетом следующих требований:
длина рабочей зоны осмотровой канавы должна быть не менее габаритной длины обслуживаемого автомобиля (но не менее 5 м);
ширина осмотровой канавы должна устанавливаться, исходя из размеров колеи автомобиля с учетом устройства наружных реборд (0,9 м для легковых автомобилей, также для автобусов особо малого класса);
рекомендуемая глубина осмотровой канавы -1,5 м.
На въездной части осмотровой канавы целесообразно предусматривать рассекатель высотой 0,15 м.
Для входа в досмотровую канаву рекомендуется предусматривать лестницы шириной не менее 0,7 м.
Входы в осмотровые канавы не следует располагать под автомобилями и на путях движения и маневрирования автомобилей, рекомендуется также устройство ограждения указанных входов перилами высотой 0,9 м.
На тупиковых осмотровых канавах целесообразно предусматривать устройства упоров для колес автомобилей.
В осмотровых канавах желательно устройство ниш для размещения светильников и розеток для включения переносных ламп напряжением 12 В
Противодымная защита автостоянок предназначена для обеспечения безопасной эвакуации людей (водителей и технического персонала) при возникновении пожара в одном из помещений на любом этаже (ярусе). Посредством противодымной защиты должно быть предусмотрено эффективное блокирование распространения продуктов горения:
на пути эвакуации;
в смежные пожарные отсеки (на этаже/ярусе пожара);
на выше- и нижележащие этажи/ярусы (по отношению к горящему помещению);
в помещения (группы помещений), встроенные, пристроенные или других функциональных зон (при устройстве автостоянок как составных частей многофункциональных зданий и комплексов).
При обосновании технической и экономической целесообразности противодымная защита автостоянок может иметь дополнительные функции:
по обеспечению оптимальных условий для действий подразделений пожарных (в комплексе или раздельно - спасение людей, обнаружение пожара, тушение пожара);
по выполнению операций, в случае при эвакуации автомобилей;
по сохранению материальных ценностей, по созданию безопасной среды обитания в помещениях специального назначения (сооружения убежищ гражданской обороны, объектов МО, ФСБ России и др.) в случае встроенных автостоянок.
Для реализации указанных дополнительных функций технические решения противодымной защиты автостоянок должны разрабатываться на основе технических заданий, согласовываемых в установленном порядке с заказчиками и органами УГПС ГУВД г. Москвы.
В рамках настоящего пособия изложены способы и технические решения противодымной защиты автостоянок по прямому назначению - для обеспечения безопасности людей при пожаре.
В составе противодымной защиты автостоянок необходимо предусматривать:
системы приточно-вытяжной противодымной вентиляции;
конструкции и оборудование специального назначения;
технические средства управления.
Системы вытяжной противодымной вентиляции предусматриваются
для удаления продуктов горения с этажа (яруса), на котором возник пожар:
из помещений хранения автомобилей;
из помещений вспомогательного назначения (ТО, ТР, мойки и др.);
из коридоров (отсеков коридоров), сообщающихся с выходом из горящего помещения;
из изолированной рампы.
Типовые схемы систем для помещений хранения автомобилей приведены на рис. 10, для изолированных рамп - на рис. 11. Согласно приведенным схемам удаление продуктов горения с горящего этажа (яруса) может производиться различными способами. При расположении венткамер на каждом этаже (ярусе) забор продуктов горения осуществляется через отверстия вытяжного канала из верхней части объема горящего помещения (или смежного с ним отсека коридора) и посредством вытяжного вентилятора обеспечивается выброс через вертикальную шахту. Продукты горения попадают в шахту через нормально-закрытый противопожарный клапан с автоматически- и дистанционно-управляемым приводом (рис. 10-а). Аналогичным образом может быть предусмотрено удаление продуктов горения через вентиляторы, установленные на верхнем этаже (ярусе) или специально выделенном техническом этаже (рис. 10-б). При установке дымовых клапанов непосредственно в поэтажных проемах дымовых вытяжных шахт может быть реализована обычная схема (рис. 10-в). Модифицированными вариантами схем на рис. 10-б и 10-в являются схемы на рис. 10-д и 10-г (последние более предпочтительны, учитывая, сокращение количества вентиляторов). Схема на рис. 10-е основана на принципе совмещения вытяжных систем общеобменной и противодымной вентиляции. Для реализации схемы этого типа необходимо предусматривать применение вентиляторов с регулируемыми параметрами (например, двухскоростных), а также установку нормально-открытых противопожарных клапанов (по одному в каждом поэтажном ответвлении вытяжных воздуховодов верхнего и нижнего, уровней). Посредством таких клапанов может производиться подключение заборных отверстий канала верхнего уровня на горящем этаже (ярусе) и отключение всех остальных каналов.
|
10-а |
10-б |
|
10-в |
10-г |
|
10-д |
10-е |
1 - ярусы (этажи) / помещения для хранения автомобилей;
2 - венткамеры;
3 - шахты / вертикальные коллекторы;
4 - вентиляторы дымоудаления;
5 - противопожарные нормально-закрытые клапаны
6 - горизонтальный коллектор;
7 - вентилятор совмещенной системы / двухскоростной;
8 - противопожарные нормально-открытые клапаны;
Рис. 10. Схемы вытяжной противодымной вентиляции в помещениях хранения автомобилей
Для удаления продуктов горения при пожаре из объемов изолированных рамп могут быть использованы различные схемы: либо с удалением из верхней зоны рамп (рис. 11-а), либо из части объема рамп, в которой произошло загорание (рис. 11-б), либо с естественным побуждением тяги, для инициирования которой используется подача воздуха в нижнюю зону рампы (рис. 11-в).
|
11-а |
|
||
|
11-б |
|
||
|
1 - 8 см. Рис. 10 9 - приточные венткамеры 10 - изолированные рампы 11 - тамбур - шлюзы 12-дифлекторы
|
11-в |
|
|
Рис. 11. Схемы вытяжной противодымной вентиляции в изолированных рамках
Системы приточной противодымной вентиляции предусматриваются для подачи наружного воздуха:
в лифтовые шахты;
в лестничные клетки;
в тамбур-шлюзы горящего этажа (яруса).
Соответствующие типовые схемы систем приведены на рис. 12.
|
12-а |
12-б |
|
12-в |
12-г |
1 -12 см. Рис. 10 и 11
13 - лифтовые шахты
14, 15 лестничная клетка (нижняя и верхняя зоны)
Рис. 12. Схемы приточной противодымной вентиляции
Подача воздуха в лифтовые шахты может быть предусмотрена либо раздельно в объемы этих шахт и тамбур-шлюзы на их выходах в подземных ярусах (рис. 12-а), либо в варианте перетекания воздуха в тамбур-шлюзы подземных ярусов через нормально-закрытые противопожарные клапаны из объема лифтовых шахт (рис. 12-б). Для лестничных клеток могут быть использованы варианты приведенные на рис. 12-в и 12-г. При этом подача воздуха в надземные и подземные зоны лестничных клеток может производиться также от общих систем и раздельно.
Основными параметрами систем приточно-вытяжной противодымной вентиляции являются давление и расход на уровне защищаемых объемов (помещений). Для подбора вентиляторов необходимо учитывать подсосы (утечки) через неплотности вентиляционных каналов (в поверочном расчете для компоновки размещения венткамер и каналов).
Для определения основных параметров необходимо принимать следующие исходные данные:
возникновение пожара (возгорание автомобиля, или загорание в одном из вспомогательных помещений) в надземной автостоянке на нижнем типовом этаже, а в подземной - на верхнем и нижнем типовых этажах;
геометрические характеристики типового этажа (яруса) -эксплуатируемая площадь, проемность, площадь ограждающих конструкций;
удельная пожарная нагрузка (энергетические характеристики, ГОСТ 12.1.004);
положение проемов эвакуационных выходов (открыты с этажа пожара до наружных выходов);
параметры наружного воздуха - по СНиП 2.04.05-91*.
Основные параметры противодымной вентиляции следует рассчитывать:
для систем вытяжной противодымной вентиляции по СНиП 2.04.05-91* (только при высоте этажей/ярусов не менее 3,0 м) или на основе теплогазообмена горящего и смежных помещений (по условиям предотвращения выхода продуктов горения в смежные помещения и на пути эвакуации);
для систем приточной противодымной вентиляции по условиям обеспечения минимально допустимых скоростей истечения воздуха через открытые проемы и давлений по СНиП 2.04.05-91*.
Расчетные параметры должны удовлетворять условиям обеспечения материального баланса. Величины перепада давлений на закрытых дверях не должны превышать 150 Па при совместном действии приточных и вытяжных систем противодымной вентиляции.
Для вытяжной противодымной вентиляции необходимо применять каналы (воздуховоды, коллекторы, шахты) класса "П" по СНиП 2.04.05-91* с пределами огнестойкости Е160, установленными согласно НПБ 240-97.
Для систем приточной противодымной вентиляции необходимо применять каналы с аналогичными характеристиками, вентиляторы могут быть общего сантехназначения.
Нормально-открытые (огнезадерживающие и другие), нормально-закрытые (в том числе дымовые) противопожарные клапаны должны иметь пределы огнестойкости Е160, определенные по НПБ 239-97, и приводы с автоматическим и дистанционным управлением.
Противопожарные двери эвакуационных выходов помещений хранения автомобилей и тамбур-шлюзов на входах в пожарные лифты должны быть в дымогазонепроницаемом исполнении по МГСН 4.04-94.
Конструкции и оборудование противодымной защиты (вентиляторы дымоудаления, противопожарные клапаны, огнезащитные покрытия воздуховодов, ограждающие конструкции шахт, противопожарные и противопожарнодымогазонепроницаемые двери) должны быть сертифицированы в установленном порядке на соответствие системе противопожарного нормирования России согласно утвержденному "Перечню продукции пожарно-технического назначения, подлежащей обязательной сертификации".
Исполнительные механизмы и устройства противодымной защиты должны включаться в заданной последовательности и в требуемом сочетании в зависимости от реальной пожароопасной ситуации. Перечень таких ситуаций должен определяться с учетом конкретных объемно-планировочных решений и технологии эксплуатации проектируемой автостоянки. В числе требований к определению пожароопасных ситуаций следует принимать:
возможность возникновения пожара в одном из помещений любого этажа (яруса);
гидравлические связи этажей (ярусов);
предусмотренные проектом системы противодымной вентиляции.
Для каждой пожароопасной ситуации необходимо выбирать оптимальное сочетание совместного действия систем. Порядок (последовательность) включения систем должен предусматривать обязательное опережение запуска вытяжной вентиляции (не менее, чем на 20 сек. ранее приточной противодымной вентиляции).
Для управления системами необходимо предусматривать автоматический и дистанционный режимы.
В автоматическом режиме включение должно производиться от системы обнаружения пожара (пожарной сигнализации и автоматических установок пожаротушения). В дистанционном управлении - с пульта (щита) из помещения дежурного персонала и от кнопок, установленных у эвакуационных выходов с каждого этажа (яруса) или в шкафах пожарных кранов.
К. п. 1.2. Автостоянки с устройством над парапетами решетчатых наружных ограждений вместо сплошных стен относятся к автостоянкам открытого типа. Конструкции названных ограждений подлежат согласованию с органами государственного пожарного надзора.
К. п. 2.14. Помещения мойки, постов ТО и ТР могут находиться в пределах пожарного отсека.
Технические помещения, обслуживающие автостоянку, входят в состав комплекса автостоянки и могут иметь эвакуационный выход через помещения автостоянки.
К. п. 2.15. Настоящим пунктом установлено, что для погрузки (разгрузки) в помещении хранения автомобилей выделяются машино-места, предназначенные для легковых автомобилей, которые от всего помещения ничем не отделяются.
К. п. 2.20. Пожарный отсек - часть здания, обособленная от других частей здания противопожарными стенами и перекрытиями с пределом огнестойкости не менее 2,5 час. (см. МГСН 4 04-94).
В пожарный отсек подземной автостоянки могут входить до 5 этажей площадью каждый не более 3000 кв. м, в пожарный отсек надземной автостоянки могут входить до 9 этажей площадью каждый не более 5200 кв. м.
К. п. 2.24. Эвакуационный выход на рампу должен выполняться в соответствии с требованиями п.2.26. МГСН 5.01-94*.
К. таблице 3 Расстояние между двумя эвакуационными выходами в подземных автостоянках должно быть не более 80 метров, при этом, до ближайшего эвакуационного выхода - не более 40 метров; соответственно в надземных автостоянках должно быть не более 120 и 60 метров.
При оснащении автостоянок системами водопровода и канализации нормы водопотребления на хозяйственно-питьевые нужды владельцев легковых автомобилей рекомендуется принимать 15 л/чел. в сутки, 4л/чел. в час, в том числе горячей воды 5 л/чел. в сутки и 1,2 л/чел. в час.
Максимальное явочное (расчетное) количество владельцев легковых автомобилей целесообразно принимать в размере 60 % в сутки и 5 % в час от общего количества владельцев легковых автомобилей автостоянки.
Расходы воды на мойку легковых автомобилей, рекомендуется определять по характеристике применяемого моечного оборудования, его производительности и времени мойки одного автомобиля.
Для ориентировочных расчетов нормы расходов воды на мойку автомобилей рекомендуется принимать 200 л на один автомобиль, в том числе:
180 л оборотной воды на мойку кузова и низа автомобиля;
20 л свежей воды из системы хозяйственно-питьевого водопровода на ополаскивание кузова автомобилей.
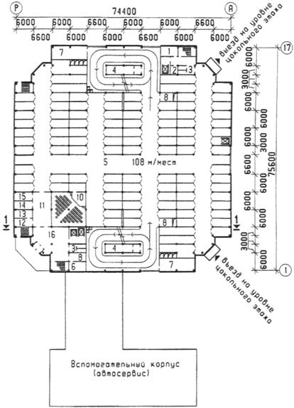
Заказчик ГСК «Наука»
Проектная организация проектная фирма «Овен»
Место строительства «Ясенево», ул. Голубинской
Автостоянка с боксовым хранением автомобилей предназначена для индивидуальных автовладельцев.
Перемещение автомобилей осуществляется по двум однопутным изолированным рампам.
В подвальном и цокольном этажах предусмотрены индивидуальные кладовые для хранения сельскохозяйственных продуктов. При автостоянке предусмотрен корпус автосервиса.
Конструкции здания - сборный железобетонный связевой каркас по московскому каталогу. Наружные стены - навесные керамзитобетонные панели. Степень огнестойкости - II. В здании 4 пассажирских и 3 грузовых лифта (один для пожарных подразделений) грузоподъемностью соответственно 500 и 1000 кг. Особенностью проекта являются экологически чистые энергосберегающие инженерные системы. В системе отопления используется утилизация вторичного тепла от проходящего вблизи канализационного коллектора, что обеспечивает до 35 % общего потребления тепла объекта. Система очистки воздуха от окислов СО и СН осуществляется с помощью 48 биофильтров. Водооборот технической воды осуществляется на базе мембранной технологии. Энергоснабжение (частично) осуществляется с помощью размещенных на покрытии ветроэнергетических устройств в безопасном и малошумном исполнении.
Основные технико-экономические показатели :
площадь застройки 6623 кв. м.
в том числе корпус автостоянки 5200 кв. м.
общая площадь 53850 кв. м.
в том числе корпус автостоянки 50600 кв. м.
строительный объем 164900 куб. м.
в том числе корпус автостоянки 151800 куб. м.
План первого этажа

План типового этажа

ЭКСПЛИКАЦИЯ ПОМЕЩЕНИЙ ПЕРВОГО И ТИПОВОГО ЭТАЖЕЙ
|
1 Служебное помещение |
9 Комната персонала |
|
2 Кладовая уборочного инвентаря |
10 Зал собраний на 100 мест |
|
3 Уборная |
11 Фойе |
|
4 Техническое помещение |
12 Секретариат |
|
5 Помещения хранения автомобилей |
13 Директор |
|
6 Помещение отдыха сменщиков |
14 Бухгалтер |
|
7 Венткамера |
15 Контора |
|
8 Охрана |
16 Вестибюль |
1 — 1

Въезд и выезд на уровне
цокольного этажа

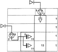
Схемы вентиляции, воздушного отопления
и дымоудаления (план типового этажа)

|
|
Схема вытяжной противодымной вентиляции 1 - этажи 2 - венткамера 3 - шахта 4 - вентиляторы 5 - нормально-закрытые клапаны (КДМ) |
Заказчик АОЗТ ремонтно-строительная
«Искра-Макс».
Проектная организация творческая мастерская «Дельта»
Место строительства Марьинский парк, м-н 6,
Мячковский бульвар.
Автостоянка с боксовым хранением автомобилей предназначена для индивидуальных автовладельцев.
Перемещение автомобилей осуществляется по двум изолированным рампам криволинейного очертания с полуэтажа на полуэтаж.
В связи с затесненностью участка объемно-пространственное решение здания автостоянки принято «ступенчатым» с нарастанием ширины корпуса в верхних этажах.
На эксплуатируемую кровлю выведены сухотрубы для тушения возможного пожара на площадке автостоянки.
Проектом предусмотрены два поста мойки автомобилей.
Конструкции - монолитный железобетонный каркас с сечением колонн 400´400 мм, ребристые перекрытия с приведенной толщиной 200 мм, навес на покрытии из профнастила по металлическому каркасу, наружные стены навесные из монолитного керамзитобетона толщиной 380 мм.
Основные технико-экономические показатели:
площадь застройки 2530 кв. м.
общая площадь 16300 кв. м.
строительный объем 39220 кв. м.
План цокольного этажа

План 1 этажа
|
|
|
|
|
1 - Контрольно-пропускной пункт |
5 - Подсобное помещение |
|
2 - Автосервис |
6 - Навес (уличное |
|
3 - Мойка |
пространство) |
|
4 - Гардероб |
7 - Лифт |
План 3 этажа

1 — 1

Заказчик АОЗТ специализированная
строительно-эксплуатационная
компания «Система -А».
Генеральный проектировщик АОЗТ «Курортпроект»
Место строительства МО Митино, Пятницкое шоссе, вл. 1
Автостоянка манежного хранения автомобилей предназначена для индивидуальных автовладельцев
Перемещение автомобилей осуществляется по однопутным неизолированным рампам с плуэтажа на полуэтаж.
На участке автостоянки расположен отдельностоящий одноэтажный корпус автосервиса.
При одной из лестничных клеток предусмотрен пассажирский лифт грузоподъемностью 1000 кг.
Конструктивное решение - каркас из сборных железобетонных элементов «КПНС» - безригельной конструктивной системы с преднапряжением диска перекрытий в построечных условиях (модификация югославской конструктивной системы «ИМС»). Покрытие - из оцинкованных профилированных листов по стальным прогонам и балкам, покрываемым специальным огнезащитным составом.
Наружные ограждения - металлические панели и металлическая сетка, окрашенные цветной эмалевой краской. Полы - полимербетонные. Стены лестничных клеток - из полнотелого красного кирпича.
Основные технико-экономические показатели:
площадь застройки 2749 кв. м.
общая площадь 16670 кв. м.
строительный объем 47405 кв.
План 1 этажа

|
1 - Контрольно-пропускной |
4 - Санитарные узлы |
|
пункт |
5 - Насосная |
|
2 - Комната отдыха |
6 - Электрощитовая |
|
3 - Подсобное помещение |
7 - Лифт |
1 — 1

Заказчик АО «СИТИ»
Проектная организация Архитектурно-строительная генподрядная
фирма «Ростра» и ПТМ арх. И.Б. Нормана
Место строительства Московский международный деловой центр
(ММДЦ), 1 Красногвардейский проезд
Автостоянка предусматривается для временного размещения автомобилей и состоит из двух модулей по 25 машино-мест. В каждом модуле по 12 ярусов высотой по 1,85 м. Подъемник-мунипулятор обеспечивает подъем и установку автомобиля в соответствующую ячейку и управляется автоматизированной системой с микропроцессором, может также работать от внешнего компьютера и индивидуальной карточки абонента. Среднее время установки и выдачи машины по данным проектной организации составляет - 47 сек.
В случае выхода из строя электрооборудования предусмотрена «ручная» выдача автомобиля. Место установки автомобиля оборудовано поддоном для защиты расположенных на нижних ярусах автомашин и оборудования от стекающей грязи и воды от вновь установленных машин.
Конструкции - несущий металлический связевой каркас, утепленный плитами на основе базальтового волокна, также огнезащитная окраска.
Наружные стены верхнего и нижнего ярусов - профилированные стальные окрашенные на заводе листы, остальных ярусов - из «просечной» сетки в рамках - сетчатых панелей.
Аналогичная автостоянка построена в 1992 г. - ул. Скаковая, 17 (см. «Каталог проектов гаражей-автостоянок» Москва 1997 г.).
Основные технико-экономические показатели :
площадь застройки 98,2 кв.м.
потребляемая мощность 26 КвТ
|
2 — 2
|
1 — 1
|
|
|
|
1 - Кабина оператора
2 - Вестибюль
3 - Шахта подъема
Заказчик Ассоциация «Мосинжстрой»
Инвестор АО «Манежная площадь»
Проектная организация Моспроект 2, мастерская 11
Автостоянка манежного хранения автомобилей расположена на площади «Резолюции» и предназначена для кратковременного хранения автомобилей. Автостоянка связана подземным переходом с торгово-рекреационным комплексом «Манежная площадь». На въезде на автостоянку предусмотрен контрольно-пропускной пункт.
Перемещение автомобилей осуществляется по одной изолированной двухпутной криволинейной рампе.
Между помещениями для хранения автомобилей и круговой рампой предусмотрены тамбур-шлюзы с подпором воздуха при пожаре.
Из-за затесненности участка по согласованию с ЦГСЭН в г. Москве мойка не предусмотрена.
Конструкции - монолитные жлезобетонные. Перекрытия без внутренних опор сводчатые однопролетные.
Над сооружением автостоянки предусмотрен сквер.
Основные технико-экономические показатели:
площадь застройки 2100 кв. м.
общая площадь 7100 кв. м.
строительный объем 25200 куб. м.

Разрез 1 — 1

План верхнего этажа

1 - технические и подсобные помещения
2 - тамбур-шлюз
3 - проход к выходу