МИНИСТЕРСТВО ВНУТРЕННИХ ДЕЛ РОССИЙСКОЙ ФЕДЕРАЦИИ
НОРМЫ ПОЖАРНОЙ БЕЗОПАСНОСТИ
ВОЗДУХОВОДЫ
МЕТОД ИСПЫТАНИЯ НА ОГНЕСТОЙКОСТЬ
НПБ 239-97
МОСКВА 1997
Разработаны Всероссийским научно-исследовательским институтом противопожарной обороны (ВНИИПО) МВД России (Ильминский И.И., Девлишев П.П., Валеев Г.Н.), Главным управлением Государственной противопожарной службы МВД России (Татаров В.Е.).
Внесены и подготовлены к утверждению ВНИИПО МВД России, нормативно-техническим отделом ГУГПС МВД России.
Согласованы с Минстроем России.
Утверждены главным государственным инспектором Российской Федерации по пожарному надзору.
Введены в действие приказом ГУГПС МВД России № 49 от 31.07.97 г.
Дата введения в действие 01.09.97 г.
ВОЗДУХОВОДЫ.
Метод испытания на огнестойкость
Ventilation ducts.
The test method for the fire resistance
Дата введения 01.09.1997 г.
Настоящие нормы устанавливают метод испытания на огнестойкость элементов конструкций:
воздуховодов приточно-вытяжных систем общеобменной, аварийной противодымной вентиляции, систем местных отсосов, систем кондиционирования воздуха;
каналов технологической вентиляции, в том числе газоходов различного назначения.
Настоящие нормы не предназначены для проведения испытаний на огнестойкость:
вентиляционных каналов, выполненных в пустотах конструкций стен и перекрытий;
дымовых вытяжных каналов, выполненных в элементах ограждающих строительных конструкций.
В настоящих нормах использованы ссылки на следующие нормативные документы:
ГОСТ 6616 Преобразователи термоэлектрические ГСП. Общие технические условия.
ГОСТ 12.2.003 Оборудование производственное. Общие требования безопасности.
ГОСТ 12.1.019 Электробезопасность. Общие требования и номенклатура видов защиты.
ГОСТ Р 30247.0-94 Конструкции строительные. Методы испытания на огнестойкость. Общие требования.
ГОСТ Р 50431 Термопары. Номинальные статические характеристики преобразования.
3.1. Огнестойкость конструкции воздуховода определяется временем от начала нагревания испытываемой конструкции воздуховода до наступления одного из предельных состояний.
3.1.1. Различаются два вида предельных состояний конструкций воздуховодов по огнестойкости:
потеря теплоизолирующей способности (I);
потеря плотности (E).
Обозначение предела огнестойкости конструкции воздуховода состоит из условных обозначений нормируемых предельных состояний и цифры, соответствующей времени достижения одного из этих состояний (первого по времени) в минутах, например:
I 120 - предел огнестойкости 120 мин по признаку потери теплоизолирующей способности;
EI 60 - предел огнестойкости 60 мин по признакам теплоизолирующей способности и потери плотности, независимо от того, какой из двух признаков достигается ранее.
В тех случаях, когда для конструкции нормируются (или устанавливаются) различные пределы огнестойкости по различным предельным состояниям, обозначение предела огнестойкости состоит из двух частей, разделенных между собой наклонной чертой, например:
E 120/I 60 - требуемый предел огнестойкости по признаку потери плотности 120 мин, а по признаку потери теплоизолирующей способности - 60 мин.
При различных значениях пределов огнестойкости одной и той же конструкции по разным предельным состояниям обозначение пределов огнестойкости перечисляется по убыванию.
3.1.2. Потеря теплоизолирующей способности конструкций воздуховодов характеризуется повышением температуры в среднем более чем на 160 °С или локально более чем на 190 °С на наружных поверхностях:
конструкций воздуховодов вне зоны их нагрева на расстояниях 0,05 и 1,0 м от ограждающих конструкций печи (не менее чем в четырех точках каждого сечения на указанных расстояниях);
с необогреваемой стороны узлов уплотнения зазоров в местах прохода воздуховодов через ограждения печи (не менее чем в четырех точках).
Вне зависимости от первоначальной температуры указанных поверхностей значение локальной температуры не должно превышать 220 °С в любых точках (в том числе в тех, где ожидается локальный прогрев - стыки, углы, теплопроводные включения).
3.1.3. Потеря плотности характеризуется:
образованием в узлах уплотнения зазоров в местах прохода воздуховодов через ограждения печи или в конструкциях воздуховодов с необогреваемой стороны визуально обнаруживаемых сквозных трещин или сквозных отверстий, через которые проникают продукты горения или пламя;
превышением допустимых величин подсосов или утечек газа через неплотности конструкций воздуховодов.
Величина подсосов или утечек
в расчете на 1 м2
поперечного сечения воздуховода должна быть не более 0,15 м3 . с-1.
Для произвольного сечения воздуховода максимально допустимая величина подсосов
и утечек определяется по формуле
Qпр = 0,0087 (Р . F)1/2 ,
где Qпр - предельно допустимые подсосы (утечки) через неплотности конструкции воздуховода при температуре 0 °С, м3 . с-1;
Р - разрежение (избыточное давление) во внутренней полости воздуховода по отношению к атмосферному давлению, Па;
F - площадь поперечного сечения воздуховода, м2.
4.1. Сущность метода заключается в определении времени, по истечении которого наступает одно из предельных состояний конструкции воздуховода (по пп. 3.1.1- 3.1.3) при наружном ее обогреве с одновременным нагружением избыточным давлением (разрежением) во внутренней полости.
4.2. Тепловое воздействие на конструкции воздуховодов осуществляется в соответствии с температурным режимом в печи и допускаемыми отклонениями температур согласно требованиям ГОСТ Р 30247.0-94.
4.4. С учетом специфики функционального назначения воздуховодов указанные в пп. 4.2, 4.3 температурный режим и значение величины избыточного давления (разрежения) во внутренних полостях конструкций воздуховодов могут быть изменены в соответствии с технической документацией на изделие.
5.1. Стенд для проведения испытаний воздуховодов состоит (обязательные приложения 1, 2) из печи с внутренними размерами не менее 2,5´2,5´2,5 м, вентилятора, дросселирующего устройства, воздуховодов обвязки вентилятора.
Печь должна быть оборудована форсунками, работающими на жидком топливе, и обеспечивать требуемый тепловой режим по п. 4.2.
Дросселирующее устройство должно обеспечивать возможность регулирования подачи и давления вентилятора для поддержания параметров работы оборудования по п. 4.3.
5.2. Испытательный стенд оснащается средствами измерения температуры, интервалов времени, расхода газов и давления.
5.2.1. Для измерения температуры на не обогреваемых поверхностях воздуховодов на поверхности уплотнений воздуховодов в проеме печи и в сечении установки расходомерного устройства (обязательные приложения 1, 2) следует применять хромель-алюмелевые термоэлектрические преобразователи (ТЭП) по ГОСТ 6616 с диаметром электродов не более 0,7 мм.
5.2.2. Для измерения температуры в печи следует применять хромель-алюмелевые ТЭП по ГОСТ 6616 с диаметром электродов от 1,2 до 3,0 мм.
5.2.3. ТЭП в сечении установки расходомерного устройства (обязательное приложение 2) должен располагаться на расстоянии не более 0,2 d от оси мерного участка воздуховода и от расходомерного устройства.
5.2.4. Для регистрации измеряемых температур следует применять приборы класса точности не менее 1,0 с диапазоном измерений от 0 до 1300 °С.
5.2.5. Для регистрации давления газовой среды следует применять приборы (манометры, микроманометры и т. п.) класса точности не ниже 1,0.
5.2.6. Для измерения расхода газов следует применять расходомерные устройства, позволяющие измерять величины расходов, составляющие не менее чем 15 % от Qпр по п. 3.1.3.
5.2.7. Конструкция расходомерного устройства должна исключать возможность образования осадков и отложений перед ним.
5.2.8. Для измерения интервалов времени должны использоваться секундомеры с погрешностью измерения, составляющей не более 10 с в течение 1 ч.
5.2.9. Расположение ТЭП, а также места отбора давления и установки расходомерного устройства должно соответствовать схемам, приведенным в обязательных приложениях 1, 2.
5.2.10. Номинальные статические характеристики и пределы допускаемых отклонений термоэлектродвижущей силы (т.э.д.с.) ТЭП по пп. 5.2.1-5.2.2 должны соответствовать ГОСТ Р 50431 или индивидуальным градуировкам.
6.1. Испытанию на огнестойкость подлежат образцы воздуховодов, поставляемые в сборе, включая предусмотренные конструкторской документацией разработчика покрытия, термоизоляцию, узлы крепления и подвески.
На испытания поставляется образец воздуховода прямоугольного сечения с соотношением внутренних размеров поперечного сечения 1,5 £ b/a £ 2 (рис. 1.3 обязательного приложения 1).
Длина участка образца, подлежащего нагреву (обогреваемого участка), должна быть не менее 2,5 м, длина не обогреваемого участка - не менее 1,5 м. На длине участка, подлежащего нагреву, должно быть не менее двух соединений, выполненных по типовому способу (фланцевых, сварных и т. п.), на длине не обогреваемого участка - по крайней мере, одно соединение. Обогреваемый участок воздуховода должен быть заглушен с торца пластиной из того же материала, из которого выполнен воздуховод. Присоединение заглушки должно осуществляться тем же способом, что и соединение звеньев воздуховода. Заглушенный торец воздуховода должен быть жестко закреплен в ограждающей конструкции печи.
6.2. Образцы воздуховодов, поставленные для испытаний, должны соответствовать конструкторской документации. Степень соответствия устанавливается входным контролем.
6.3. Для проведения испытаний образец устанавливается на стенде горизонтально (обязательные приложения 1, 2). Плотность вентиляционного канала, присоединяемого к испытываемому образцу, по величине утечек и подсосов воздуха должна быть определена предварительно и составлять не более 15 % максимально допустимого расхода газов по п. 3.1.3 настоящих норм.
6.4. В случае предъявления к конструкциям воздуховодов особых требований, в соответствии с технической документацией возможно проведение испытаний при вертикальном расположении воздуховодов на стенде (обязательные приложения 1, 2), а также воздуховодов непрямоугольного сечения.
7.1. Испытание должно проводиться при температуре окружающей среды от 0 до 40 °С.
7.2. Избыточное давление (разрежение) во внутренней полости образца создается путем подключения мерного участка вентиляционного канала, присоединяемого к образцу, к нагнетательному (всасывающему) патрубку вентилятора.
Регулирование величины избыточного давления (разрежения) осуществляется дросселированием вентилятора посредством заслонок.
7.3. Начало испытаний соответствует моменту включения форсунок печи, непосредственно перед которым включается вентилятор и регулируется величина избыточного давления (разрежения) во внутренней полости образца.
7.4. Во время испытаний регистрируют:
температуру в печи;
температуру на не обогреваемых поверхностях образца и узла уплотнения мест его прохода через стенку печи;
избыточное давление (разрежение) и расход газового потока в вентиляционной системе стенда;
температуру газа в сечении установки расходомерного устройства;
момент образования сквозных трещин или отверстий с обогреваемой стороны образца и узла его уплотнения в месте прохода через ограждение печи по появлению дыма или пламени.
Одновременно визуально контролируется состояние конструкции и узлов сочленения образца как в зоне нагрева, так и снаружи печи, наблюдается поведение узлов крепления (подвески) образца, регистрируется появление и характер возможных деформаций.
Измерения температур, расходов и давлений должны проводиться в интервалах не более 2 мин.
7.5. Испытание должно проводиться до наступления одного из предельных состояний образца по огнестойкости согласно разд. 3 настоящих норм.
8.1. Фактические значения подсосов (утечек) через неплотности конструкций образца, приведенные к температуре 0 °С, определяются по формуле
,
где Qiпр - утечки (подсосы) через образец в i-м измерении, приведенные к температуре газа 0 °С, м3 . с-1;
Qi - фактические утечки (подсосы) через образец по результатам i-го измерения, м3 . с-1;
ti - температура газа, измеренная в сечении установки расходомерного устройства, °С.
9.1. Огнестойкость воздуховода определяется интервалом времени до наступления одного из предельных состояний по пп. 3.1.1-3.1.3.
9.2. По итогам испытания воздуховоду присваивается классификационное обозначение в соответствии с п. 3.1.1 (например, "I t" или "E t"), где t - одно из значений временного ряда 15, 20, 30, 45, 60, 90, 120, 180, 240, 360 мин, меньшее или равное пределу огнестойкости воздуховода.
9.3. Результаты испытаний воздуховода могут быть распространены на воздуховоды аналогичной конструкции прямоугольного и круглого сечения, если значение величины их гидравлического диаметра, рассчитываемое по соотношению
![]()
где F и П - соответственно площадь и периметр проходного сечения воздуховода, не превышает значения величины гидравлического диаметра испытанного воздуховода более чем на 50 %, а внутренние размеры их поперечного сечения (диаметр или длина большей стороны) не превышают 1000 мм.
В отчете об испытании, составленном по рекомендуемой форме, должны содержаться следующие данные:
1. Наименование организации, проводящей испытания;
2. Наименование и адрес заказчика;
3. Характеристика объекта испытаний;
4. Метод испытания;
5. Процедура испытания;
6. Испытательное оборудование;
7. Результаты испытаний;
8. Оценка результатов испытаний.
11.1. При испытаниях воздуховодов на огнестойкость должны соблюдаться требования безопасности и производственной санитарии согласно ГОСТ 12.2.003 и ГОСТ 12.1.019.
11.2. К испытанию допускаются лица, ознакомленные с техническим описанием и инструкцией по эксплуатации испытательного стенда.
11.3. Все быстро движущиеся и вращающиеся части стендовой установки должны иметь ограждения.
(обязательное)

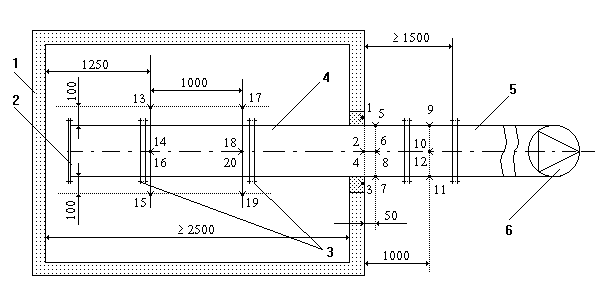
Рис. 1.1. Схема размещения горизонтальных воздуховодов на испытательном стенде:
1 - печь; 2 - заглушенный торец образца; 3 -
места сочленения элементов образца; 4 - испытываемый образец воздуховода (с
отверстием или без него); 5 - переходной элемент; 6 - вентилятор;
- ТЭП, установленные:
– 1-4 - на поверхности уплотнений воздуховода в проеме печи;
– 5-12 - на необогреваемых поверхностях воздуховода;
– 13-20 - в печи

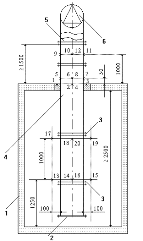
Рис.1.2. Схема размещения вертикальных воздуховодов на испытательном стенде:
1 - печь; 2 - заглушенный торец образца; 3 -
места сочленения элементов образца; 4 - испытываемый образец воздуховода (с отверстием
или без него); 5 - переходной элемент; 6 - вентилятор;
- ТЭП, установленные:
– 1-4 - на поверхности уплотнений воздуховода в проеме печи;
– 5-12 - на необогреваемых поверхностях воздуховода;
– 13-20 - в печи

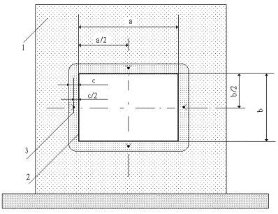
Рис. 1.3. Схема размещения ТЭП в узле уплотнения места проходки воздуховода через ограждающую конструкцию печи:
1 - печь; 2 - воздуховод; 3 - уплотнение
места проходки воздуховода через ограждающую конструкцию печи;
- ТЭП; а, b -
внутренние размеры поперечного сечения воздуховода; с - толщина заделки

Рис. 1.4. Схема размещения ТЭП на необогреваемой
поверхности воздуховода:
1- воздуховод; 2 - покрытие воздуховода;
- ТЭП; а, b - размеры
поперечного сечения воздуховода
(обязательное)

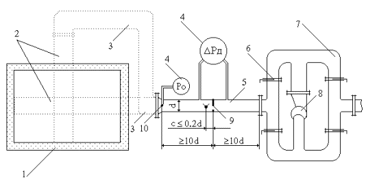
Рис. 2.1. Схема стендового оборудования для испытания воздуховодов на огнестойкость:
1 - печь; 2 - испытываемый образец
воздуховода (установленный вертикально или горизонтально); 3 - переходной
элемент; 4 - микроманометр; 5 - мерный участок; 6 - регулирующая заслонка; 7 -
воздуховоды обвязки вентилятора; 8 - вентилятор; 9 - расходомерная диафрагма;
10 - точка отбора давления в полости испытываемого образца;
- ТЭП
СОДЕРЖАНИЕ