
ГОСУДАРСТВЕННЫЙ СТАНДАРТ СОЮЗА ССР
ГАЙКИ ВЫСОКОПРОЧНЫЕ КЛАССА ТОЧНОСТИ В
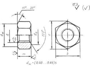
Конструкция и размеры
ГОСТ 22354-77
ГОСУДАРСТВЕННЫЙ КОМИТЕТ СССР ПО СТАНДАРТАМ Москва
ГОСУДАРСТВЕННЫЙ СТАНДАРТ СОЮЗА ССР
ГАЙКИ ВЫСОКОПРОЧНЫЕ ГОСТ
КЛАССА ТОЧНОСТИ В 22354-77*
Конструкция и размеры
Hight strength nuts of product grade B.
Construction and dimensions
Постановлением Государственного комитета стандартов Совета Министров СССР от 7 февраля 1977 г. № 309 срок введения установлен
с 01.01.79
Несоблюдение стандарта преследуется по закону
1. Стандарт распространяется на шестигранные гайки класса точности В к высокопрочным болтам по ГОСТ 22353-77.
2. Конструкция и размеры гаек должны соответствовать указанным на чертеже и в таблице.

мм
|
Номинальный диаметр резьбы d |
16 |
(18) |
20 |
(22) |
24 |
(27) |
30 |
36 |
42 |
48 |
|
|
Шаг резьбы |
2 |
2,5 |
3 |
3,5 |
4 |
4,5 |
5 |
||||
|
Высота m |
15 |
16 |
18 |
19 |
22 |
24 |
29 |
34 |
38 |
||
|
Размер «под ключ» S |
27 |
30 |
32 |
36 |
41 |
46 |
55 |
65 |
75 |
||
|
Диаметр описанной окружности е, не менее |
29,9 |
33,3 |
35,0 |
39,6 |
45,2 |
50,9 |
60,8 |
72,1 |
83,4 |
||
|
da |
не менее |
16 |
18 |
20 |
22 |
24 |
27 |
30 |
36 |
42 |
48 |
|
|
не более |
17,3 |
19,4 |
21,6 |
23,8 |
25,9 |
29,2 |
32,4 |
38,9 |
45,4 |
51,8 |
Примечание. Размеры, заключенные в скобки, применять не рекомендуется.
Пример условного обозначения гайки
диаметром резьбы d = 20
мм, полем допуска 6Н, для болта с наименьшим временным сопротивлением
= 1100 МПа (110 кгс/мм2), климатического
исполнения У, категории размещения 1:
Гайка М20-6Н.110 ГОСТ 22354-77
То же, климатического исполнения ХЛ, категории размещения 1:
Гайка М20-6Н.110.ХЛ1 ГОСТ 22354-77
3. Резьба - по ГОСТ 24705-81.
1 - 3. (Измененная редакция, Изм. № 1).
3а. Допуски, не указанные на чертеже и в таблице, а также методы контроля размеров и отклонений формы и расположения поверхностей - по ГОСТ 1759.1-82.
3б. Дефекты поверхности и методы контроля - по ГОСТ 1759.3-83.
3а, 3б. (Введены дополнительно, Изм. № 1).
4. Технические требования - по ГОСТ 22356-77.
5. Теоретическая масса гаек приведена в справочном приложении.
ПРИЛОЖЕНИЕ
Справочное
Теоретическая масса гаек
|
Номинальный диаметр резьбы d, мм |
Теоретическая масса 1000 шт. гаек, кг» |
Номинальный диаметр резьбы d, мм |
Теоретическая масса 1000 шт. гаек, кг» |
|
16 |
50 |
(27) |
224 |
|
(18) |
66 |
30 |
213 |
|
20 |
80 |
36 |
368 |
|
(22) |
108 |
42 |
611 |
|
24 |
171 |
48 |
921 |