|
ФЕДЕРАЛЬНОЕ
АГЕНТСТВО |
||
|
|
НАЦИОНАЛЬНЫЙ |
ГОСТ Р ЕН ИСО |
Нефтепродукты
МЕТОДЫ ОПРЕДЕЛЕНИЯ
ТЕМПЕРАТУРЫ ВСПЫШКИ В ЗАКРЫТОМ ТИГЛЕ ПЕНСКИ-МАРТЕНСА
EN ISO 2719:2002
Determination of flash point - Pensky-Martens closed cup method
(IDT)
|
|
Москва Стандартинформ 2008 |
Предисловие
Цели и принципы стандартизации в Российской Федерации установлены Федеральным законом
от 27 декабря
Сведения о стандарте
1 ПОДГОТОВЛЕН Открытым акционерным обществом «Всероссийский научно-исследовательский институт по переработке нефти» (ОАО «ВНИИНП») на основе аутентичного перевода стандарта, указанного в пункте 4, выполненного ФГУП «СТАНДАРТИНФОРМ»
2 ВНЕСЕН Техническим комитетом по стандартизации ТК 31 «Нефтяные топлива и смазочные материалы»
4
УТВЕРЖДЕН И ВВЕДЕН В ДЕЙСТВИЕ Приказом Федерального агентства по техническому регулированию и метрологии от 12 августа
Настоящий стандарт идентичен региональному стандарту ЕН ИСО 2719:2002 «Определение температуры вспышки. Метод Пенски-Мартенса в закрытом тигле» (EN ISO 2719:2002 «Determination of flash point - Pensky-Martens closed cup method»).
Наименование настоящего стандарта изменено относительно наименования указанного регионального стандарта для приведения в соответствие с ГОСТ Р 1.5-2004 (подраздел 3.5)
5 ВВЕДЕН ВПЕРВЫЕ
Информация об изменениях к настоящему стандарту публикуется в ежегодно издаваемом информационном указателе «Национальные стандарты», а текст изменений и поправок - в ежемесячно издаваемых информационных указателях «Национальные стандарты». В случае пересмотра (замены) или отмены настоящего стандарта соответствующее уведомление будет опубликовано в ежемесячно издаваемом информационном указателе «Национальные стандарты». Соответствующая информация, уведомление и тексты размещаются также в информационной системе общего пользования - на официальном сайте Федерального агентства по техническому регулированию и метрологии в сети Интернет
Содержание
|
НАЦИОНАЛЬНЫЙ СТАНДАРТ РОССИЙСКОЙ ФЕДЕРАЦИИ |
|
Нефтепродукты МЕТОДЫ ОПРЕДЕЛЕНИЯ ТЕМПЕРАТУРЫ ВСПЫШКИ В ЗАКРЫТОМ ТИГЛЕ ПЕНСКИ-МАРТЕНСА Petroleum products. Methods for determination of flash point in Pensky-Martens closed cup |
Дата введения - 2009-01-01
1.1 Настоящий стандарт устанавливает два метода (А и В) определения температуры вспышки горючих жидкостей, жидкостей, которые содержат суспендированные твердые вещества, жидкостей, склонных к образованию пленки на поверхности в условиях испытания, и других жидкостей в аппарате Пенски-Мартенса с закрытым тиглем. Методы распространяются на жидкости, которые имеют температуру вспышки выше 40 °С.
Примечание - Обычно технические керосины с температурой кипения выше 40 °С испытывают по [1], но они могут быть испытаны и в соответствии с настоящим стандартом. Товарные смазочные масла обычно испытывают по [2].
1.2 Метод А применяют для определения температуры вспышки лаков и красок, которые не образуют пленки на поверхности, товарных смазочных масел и других нефтепродуктов, для которых не пригоден метод В.
1.3 Метод В применяют для определения температуры вспышки остаточных жидких топлив, разжиженных битумов, отработанных смазочных масел, жидкостей, склонных к образованию пленки на поверхности, жидкостей, содержащих суспендированные твердые вещества, и высоковязких жидких продуктов, таких как растворы полимеров и клейкие вещества.
Примечание - Для сравнения температур вспышки товарных и отработанных смазочных масел в рамках программы исследований смазочных материалов, отработанные смазочные масла могут быть испытаны по методу А. Однако данные по прецизионности для таких продуктов установлены только для метода В.
1.4 Настоящий стандарт не может применяться для лаков на водной основе и жидкостей, которые содержат легколетучие вещества.
Примечание 1. Лаки на водной основе могут быть испытаны в соответствии с [3]. Жидкости, которые содержат следы легколетучих веществ, могут быть испытаны в соответствии с [4] или [3].
2. Данные по прецизионности действительны для интервалов температур вспышки, приведенных в разделе 13.
1.5 Настоящий стандарт не ставит своей целью решить все вопросы безопасности, связанные с его использованием. Пользователь стандарта несет ответственность за установление соответствующих мер безопасности и охраны здоровья и определяет пригодность упомянутых ограничений перед применением стандарта.
В настоящем стандарте использованы нормативные ссылки на следующие международные стандарты:
ИСО 1513:1992 Лаки и краски. Проверка и приготовление испытуемых образцов
ИСО 3170:1988 Нефтепродукты жидкие. Ручной отбор проб
ИСО 3171:1988 Нефтепродукты жидкие. Автоматический отбор проб из трубопровода
ИСО 15528:2000 Лаки и краски и сырье для них. Отбор проб
В настоящем стандарте применен следующий термин с соответствующим определением:
3.1 температура вспышки (flash point): Минимальная температура, при которой происходит воспламенение паров образца от пламени в установленных условиях испытания при барометрическом давлении 101,3 кПа, при этом пламя распространяется по всей поверхности образца.
В испытательный тигель аппарата Пенски-Мартенса помещают испытуемый образец и подогревают таким образом, чтобы при непрерывном перемешивании происходило постоянное повышение температуры. Источник зажигания опускают через равномерные интервалы времени через отверстие в крышке тигля, одновременно с этим перемешивание прекращают. Самую низкую температуру, при которой источник зажигания вызывает возгорание паров испытуемого образца нефтепродукта, а пламя распространяется по поверхности жидкости, регистрируют как температуру вспышки при фактическом барометрическом давлении. Эту температуру приводят к стандартному атмосферному давлению, используя уравнения.
5.1 Растворитель для удаления остатков образца из тигля и с крышки.
Примечание - Выбор растворителя зависит от предварительно испытанного нефтепродукта и растворимости остатка. Для удаления маслянистых остатков могут быть использованы низколетучие ароматические растворители (не содержащие бензола); для смолообразных остатков эффективными могут быть смеси растворителей, например толуол-ацетон-метанол.
5.2 Жидкости для проверки - см. приложение А.
6.1 Аппарат Пенски-Мартенса для определения температуры вспышки с закрытым тиглем (приложение В).
Если для испытания применяют автоматическое оборудование, следует убедиться, что полученные результаты находятся в пределах прецизионности настоящего метода и размеры испытательного тигля и крышки соответствуют техническим требованиям, представленным в приложении В. При применении автоматического испытательного оборудования, следует убедиться в том, что выполнены все инструкции изготовителя по регулировке и эксплуатации испытательного оборудования.
Примечание - В некоторых случаях использование электрического источника зажигания может дать результаты, отличающиеся от полученных при использовании запальника в качестве источника зажигания. Кроме того, применение электрических источников зажигания может привести к нестабильным результатам.
В спорных случаях, если нет иной договоренности, арбитражным является ручное определение температуры вспышки с применением пламенного запала в качестве источника зажигания.
6.2 Термометры для низких, средних и высоких температур, характеристики которых приведены в приложении С. В начале измерения термометр выбирают в соответствии с предполагаемой температурой вспышки.
Примечание - Могут быть использованы другие устройства для измерения температуры при условии, что они соответствуют требованиям точности и дают такие же показания, что и термометры, приведенные в приложении С.
6.3 Барометры с погрешностью 0,1 кПа. Не следует применять барометры, предварительно откорректированные на давление над уровнем моря, такие, которые используют на метеорологических станциях и в аэропортах.
6.4 Нагревательная баня или печь, при необходимости нагревания образца, способная обеспечивать поддержание температуры с точностью ± 5 °С. Печь должна быть оснащена системой вентиляции и сконструирована таким образом, чтобы не вызывать воспламенение каких-либо огнеопасных паров, которые могут образоваться при нагревании образца.
Рекомендуется конструкция печи во взрывобезопасном исполнении.
7.1 Установка аппарата
Аппарат для определения температуры вспышки (6.1) устанавливают на ровной, устойчивой поверхности в помещении без сквозняка.
Примечание
1 Если сквозняка невозможно избежать, аппарат защищают экраном со всех сторон.
2 Если испытуемые образцы выделяют ядовитые пары, испытательный аппарат должен быть установлен в вытяжном шкафу с регулируемым потоком отходящего воздуха. Поток отходящего воздуха регулируют таким образом, чтобы пары отводились, не создавая при этом вихревых потоков воздуха над тиглем.
7.2 Очистка испытательного тигля
Испытательный тигель и крышку, включая комплектующие, моют соответствующим растворителем (5.1), чтобы удалить любые следы смолы или остаточных продуктов, оставшиеся от предыдущего испытания. Затем тигель сушат потоком чистого воздуха, чтобы полностью удалить остатки используемого растворителя.
7.3 Сборка испытательной аппаратуры
Тигель, крышку и другие детали следует исследовать на наличие повреждений или отложений. Аппарат для испытания собирают в соответствии с приложением В.
7.4 Проверка испытательной аппаратуры
7.4.1 Правильность работы испытательной аппаратуры следует проверять не реже одного раза в
год путем испытания сертифицированного стандартного материала (ССМ) методом А. Полученный результат должен быть равен или отличаться от значения ССМ на величину не более чем
, где
R - воспроизводимость метода (таблица 3).
Рекомендуется проводить более частые проверки, используя вторичные рабочие стандарты (ВРС) (5.2).
В приложении А приведена рекомендуемая процедура для проверки испытательной аппаратуры с использованием ССМ и ВРС, а также приготовление ВРС.
7.4.2 Числовые значения, полученные во время проверки, не могут быть использованы ни для определения отклонения (смещения), ни для любой корректировки температур вспышки, впоследствии определенных с использованием испытательной аппаратуры.
8.1 Если другие требования не предъявлены, отбор проб следует проводить в соответствии с ИСО 15528, ИСО 3170, ИСО 3171. Пробу помещают в герметичные контейнеры, подходящие для отбираемого материала. По причинам безопасности следует убедиться, что контейнер для пробы заполнен только на 85 % - 95 % вместимости.
8.2 Хранят пробы в условиях, при которых потери от испарения и повышение давления минимальны. Следует избегать хранения проб при температуре выше 30 °С.
9.1 Нефтепродукты
9.1.1 Отбор образцов для испытания
Отбор образцов для испытания проводят при температуре не менее чем на 28 °С ниже ожидаемой температуры вспышки. Если до испытания проба должна находиться на хранении, следует убедиться, что контейнер заполнен более чем на 50 % его вместимости (примечание к 10.1).
9.1.2 Пробы, содержащие нерастворенную воду
Если проба содержит нерастворенную воду, перед перемешиванием ее следует декантировать от воды.
На результаты определения температуры вспышки может влиять присутствие воды. Для некоторых жидких топлив и смазочных масел не всегда можно отделить пробу от свободной воды. В таких случаях вода должна быть физически отделена от пробы нефтепродукта или, если это невозможно, проба должна быть испытана в соответствии с [3].
9.1.3 Пробы, жидкие при температуре окружающей среды
Прежде чем будет отобран образец для испытания, пробу следует перемешивать вручную осторожным встряхиванием, следя за тем, чтобы как можно меньше были потери летучих компонентов, а далее поступают в соответствии с разделом 10.
9.1.4 Пробы, полутвердые или твердые при температуре окружающей среды
Нагревают контейнер с содержащейся в нем пробой в нагревательной бане или печи в течение 30 мин при температуре (30 ± 5) °С или при более высокой температуре, не превышающей ту температуру, которая на 28 °С ниже ожидаемой температуры вспышки. Если проба не становится полностью жидкой через 30 мин, то ее предварительное нагревание продолжают, по мере необходимости, дополнительными периодами по 30 мин. Следует избегать перегрева пробы, так как это может привести к потерям летучих компонентов. Далее после осторожного перемешивания поступают в соответствии с разделом 10.
9.2 Краски и лаки
Подготовку проб осуществляют в соответствии с ИСО 1513.
10.1 Общие положения
Примечание - Результаты определения температуры вспышки могут быть искажены, если контейнер с пробой заполнен менее чем на 50 % его вместимости.
Следует быть внимательным при испытании остаточных нефтяных жидких топлив, содержащих заметные количества воды, так как нагревание таких образцов может вызвать их вспенивание и выброс из испытательного тигля.
10.2 Метод А
10.2.1 Используя барометр, во время испытания записывают давление окружающей среды около испытательного аппарата.
Примечание - Нет необходимости корректировать давление окружающей среды на 0 °С, хотя некоторые барометры выполняют эту корректировку автоматически.
10.2.2 Испытательный тигель заполняют образцом до уровня, указанного соответствующей меткой. Тигель закрывают крышкой и помещают в нагревательную камеру. При этом следует убедиться в
том, что фиксирующее или записывающее устройство работает нормально, затем вставляют термометр. Зажигают запальное пламя и регулируют таким образом, чтобы его диаметр был в пределах от 3 до
(нагревательную горелку) или включают электрический нагреватель и нагревают с такой скоростью, чтобы температура испытуемого образца, фиксируемая термометром, повышалась на 5 °С-6 °С в
минуту; эту скорость нагревания поддерживают в течение всего испытания.
Перемешивают испытуемый образец со скоростью в пределах от 90 до 120 об/мин; перемешивание осуществляют сверху вниз.
10.2.3 Если ожидаемая температура вспышки испытуемого образца составляет 110 °С или ниже, первое испытание пламенем проводят при достижении температуры испытуемого образца на (23 ± 5) °С ниже ожидаемой температуры вспышки и далее с интервалами в 1 °С. Перемешивание прерывают и проводят зажигание с помощью запуска механизма, расположенного на крышке, который управляет заслонкой и запальным устройством таким образом, что пламя опускается в паровое пространство тигля в течение 0,5 с, остается в нижнем положении на 1 с и быстро возвращается в верхнее положение.
10.2.4 Если ожидаемая температура вспышки выше 110 °С, первое испытание пламенем проводят при достижении температуры испытуемого образца на (23 ± 5) °С ниже ожидаемой температуры вспышки и далее с интервалами в 2 °С. Перемешивание прерывают и проводят зажигание, для чего запускают расположенный на крышке механизм, который управляет заслонкой и зажигательным устройством таким образом, что пламя опускается в паровое пространство тигля в течение 0,5 с, остается в нижнем положении на 1 с и быстро возвращается в свое верхнее положение.
10.2.5 Если температура вспышки испытуемого продукта неизвестна, то проводят предварительное испытание при подходящей температуре. Первое поджигание проводят при температуре на 5 °С выше начальной температуры, затем действуют в соответствии с процедурой, приведенной в 10.2.3 или 10.2.4.
10.2.6 В качестве наблюдаемой температуры вспышки записывают температуру испытуемого образца, которую показывает термометр в то время, когда пламенем запального устройства проводят зажигание внутри испытательного тигля.
Температуру вспышки нельзя путать с голубоватым ореолом, который иногда окружает источник зажигания перед тем, как он вызывает температуру вспышки.
10.2.7 Если температура, при которой наблюдается вспышка, отличается менее чем на 18 °С и более чем на 28 °С от температуры, при которой было проведено первое зажигание, результат считается недействительным. В этом случае испытание необходимо повторить с другой порцией образца, а температуру, при которой зажигательное устройство вводят впервые, подбирают таким образом, чтобы был получен достоверный результат, следовательно, температура вспышки должна быть на 18 °С - 28 °С выше температуры, при которой проводилось первое зажигание.
10.3 Метод В
10.3.1 Используя барометр (6.3), записывают давление окружающей среды вблизи аппарата во время испытания (примечание к 10.2.1).
10.3.2 Помещают в испытательный тигель (7.3) испытуемый образец до уровня, указанного соответствующей меткой. Тигель закрывают крышкой и помещают в нагревательную камеру. Следует убедиться в том, что фиксирующее или записывающее устройство срабатывает нормально, и затем вставить термометр (6.2). Зажигают пламя и устанавливают диаметр запального пламени в пределах от 3 до
Выполняют испытание согласно 10.2.3 - 10.2.7, за исключением требований, приведенных в 10.3.2 по скорости нагревания и скорости перемешивания.
11.1 Пересчет показания барометрического давления
Если барометрическое давление измерено в единицах, отличных от килопаскалей, то его пересчитывают в соответствии с одним из следующих выражений:
Показание в гектопаскалях × 0,1 = кРа;
Показание в миллибарах × 0,1 = кРа;
Показание в мм р.ст × 0,1333 = кРа.
11.2 Корректировка наблюдаемой температуры вспышки по стандартному атмосферному давлению
Температуру вспышки ТС, скорректированную на стандартное атмосферное давление 101,3 кРа, рассчитывают по формуле
|
Тс = Т0 + 0,25(101,3 – ρ) |
(1) |
где Т0- температура вспышки при барометрическом давлении окружающей среды, °С;
р - барометрическое давление окружающей среды, кПа.
Примечание - Эта формула действительна только для барометрического давления в диапазоне от 98,0 до 104,7 кПа.
Температуру вспышки, скорректированную по стандартному атмосферному давлению, округляют до 0,5 °С.
13.1 Общие положения
Прецизионность, определенная статистической оценкой результатов межлабораторных испытаний согласно [5], приведена в 13.2 и 13.3.
13.2 Повторяемость (сходимость) r
Расхождение между двумя результатами испытания, полученными одним оператором на одной и той же аппаратуре при постоянных условиях на идентичном материале для исследования при нормальном и правильном выполнении метода испытания в течение длительного времени, может превышать значения, приведенные в таблицах 1 и 2, только в одном случае из двадцати.
Таблица 1 - Повторяемость для метода А
|
Материал (нефтепродукт) |
Диапазон температуры вспышки, °С |
Повторяемость r, °С |
|
Краски и лаки |
- |
1,5 |
|
Дистилляты и свежие смазочные масла |
От 40 до 250 |
0,029 Ха |
|
а X- среднее значение сравниваемых результатов испытания. |
||
Таблица 2 - Повторяемость для метода В
|
Материал (нефтепродукт) |
Диапазон температуры вспышки, °С |
Повторяемость r, °С |
|
Остаточные топлива и разжиженные битумы |
От 40 до 110 |
2,0 |
|
Отработанные смазочные масла |
От 170 до 210 |
5,0а |
|
Жидкости, склонные к образованию поверхностной пленки; жидкости с суспендированными твердыми материалами, высоковязкие продукты |
|
5,0Ь |
|
а Данные, полученные по одному образцу жидкого дизельного моторного топлива, испытанного в 20 лабораториях. b Данные по прецизионности были определены Комитетом АСТМ Д-1. |
||
13.3 Воспроизводимость R
Расхождение между двумя независимыми результатами испытаний, полученными разными операторами, работающими в различных лабораториях, на идентичном материале для испытания при нормальном и правильном выполнении метода испытания в течение длительного времени, может превышать значения, приведенные в таблицах 3 и 4, только в одном случае из двадцати.
Таблица 3 - Воспроизводимость для метода А
|
Материал (нефтепродукт) |
Диапазон температуры вспышки, °С |
Воспроизводимость R, °С |
|
Краски и лаки |
- |
- |
|
Дистилляты и свежие смазочные масла |
От 40 до 250 |
0,071 Xе |
|
а X- среднее значение сравниваемых результатов испытания. |
||
Таблица 4 - Воспроизводимость для метода В
|
Материал (нефтепродукт) |
Диапазон температуры вспышки, °С |
Воспроизводимость R, °С |
|
Остаточные топлива и разжиженные битумы |
От 40 до 110 |
6,0 |
|
Отработанные смазочные масла |
От 170 до 210 |
16,0a |
|
Жидкости, склонные к образованию поверхностной пленки; жидкости с суспендированными твердыми веществами, высоковязкие продукты |
- |
10,0b |
|
а Данные, полученные по одному образцу дизельного моторного топлива, испытанного в 20 лабораториях. b Данные по прецизионности были определены Комитетом АСТМ Д-1. |
||
Протокол испытания должен содержать:
a) ссылку на настоящий стандарт и примененную процедуру;
b) тип и полную идентификацию испытуемого образца;
c) температуру предварительного подогрева и время подогрева, если он применялся (9.1.4);
d) барометрическое давление вблизи испытательного аппарата (10.2.1 и 10.3.1);
e) результат испытания (раздел 12);
f) любое отклонение от установленной процедуры испытания, согласованное или несогласованное;
g) дату испытания.
А.1 Общие положения
Настоящее приложение описывает процедуру приготовления вторичных рабочих стандартов (ВРС) и метод для контрольной проверки с использованием ВРС и сертифицированного стандартного материала (ССМ).
Функционирование аппаратуры (ручной или автоматизированной) должно проверяться регулярно с использованием ССМ, приготовленного в соответствии с [6] и [7] или ВРС, приготовленных в соответствии с одной из процедур, приведенных в А.2.2. Функционирование аппаратуры должно быть оценено в соответствии с [8] и [5].
Оценка правильности результата испытания проводится с 95%-ной доверительной вероятностью.
А.2 Стандарты для контрольной проверки
А.2.1 ССМ - стабильный индивидуальный углеводород или другое стабильное вещество, имеющее температуру вспышки, определенную в соответствии с [6] и [7] в ходе специальных межлабораторных испытаний, направленных на определение сертифицированного значения, специфичного для настоящего метода.
А.2.2 ВРС - стабильный нефтепродукт или индивидуальный углеводород, или другое стабильное вещество, температура вспышки которого была определена:
a) испытанием представительных образцов не менее трех раз, с использованием аппаратуры, которая предварительно была проверена по ССМ, с последующим статистическим анализом полученных результатов, исключая любые выпадающие из них результаты и рассчитывая среднеарифметическое значение от полученных результатов;
b) проведением межлабораторной, ориентированной на настоящий метод программы испытаний, в которой принимают участие не менее трех лабораторий, выполняющих параллельные испытания представительных образцов.
Окончательное значение температуры вспышки должно быть рассчитано после проведения статистического анализа результатов, полученных в межлабораторных испытаниях.
ВРС необходимо хранить в контейнерах, защищенных от прямых солнечных лучей и позволяющих сохранить целостность ВРС при температуре не выше 10 °С.
А.3 Проведение испытания
А.3.1 Выбирают ССМ или ВРС, для которых температура вспышки попадает в диапазон температур, определяемых с использованием рассматриваемой аппаратуры.
ССМ и ВРС выбирают таким образом, что температура вспышки находится в пределах интервала, измеренного с помощью прибора. Приблизительные значения температуры вспышки приведены в таблице А.1.
Таблица А.1 - Приблизительные значения температуры вспышки углеводородов для ССМ и ВРС, определенные в закрытом тигле
|
Углеводород |
Номинальная температура вспышки, °С |
|
Декан Ундекан Додекан Тетрадекан Гексадекан |
53 68 84 109 134 |
Для того чтобы перекрыть как можно большую часть используемого диапазона, рекомендуется применение двух ССМ или ВРС. Кроме того, рекомендуется также провести повторные испытания с применением аликвот ССМ или ВРС.
А.3.2 Для новой аппаратуры и не менее одного раза в год для работающей аппаратуры выполняют контрольные проверки с использованием ССМ (А.2.1), испытываемого в соответствии с 10.2.
А.3.3 При промежуточной проверке выполняют контрольную проверку, используя ВРС (А.2.2), испытываемого в соответствии с 10.2.
А.3.4 Полученные результаты корректируют на барометрическое давление в соответствии с 11.2. В окончательный отчет записывают откорректированный результат с точностью 0,1 °С.
А.4 Обработка результатов испытаний
А.4.1 Общая информация
Сравнивают откорректированный результат с сертифицированным значением температуры вспышки ССМ или с известной температурой вспышки ВРС.
В формулах, приведенных в А.4.1.1 и А.4.1.2, предусматривается, что воспроизводимость была оценена в соответствии с [5], а сертифицированное значение температуры вспышки ССМ или заданное значение температуры вспышки ВРС было определено с использованием процедур, указанных в [7], и его неопределенность мала по сравнению со стандартным отклонением настоящего метода испытания и, следовательно, мала по сравнению со значением воспроизводимости R настоящего метода испытания.
А.4.1.1 Единичное испытание
Для единичного испытания, проведенного с использованием ССМ или ВРС, разность между единичным результатом и сертифицированным значением температуры вспышки ССМ или обозначенным значением температуры вспышки ВРС должна находиться в пределах следующего допуска
|
|
(А.1) |
где х - результат испытания;
μ - сертифицированное значение температуры вспышки ССМ или заданное значение температуры вспышки ВРС;
R - воспроизводимость настоящего метода испытания.
А.4.1.2 Многократные испытания
Если ряд повторных испытаний n проведен с использованием ССМ или ВРС, разность между средним значением n результатов должна находиться в пределах следующего допуска
|
|
(А.2) |
где х - среднеарифметическое значение результатов испытания;
μ -сертифицированное значение температуры вспышки ССМ или обозначенное значение температуры вспышки ВРС;
R1 - рассчитывают по формуле
|
|
(А.3) |
где R - воспроизводимость настоящего метода испытания;
r - повторяемость настоящего метода испытания;
n - ряд повторных испытаний, выполненных с использованием ССМ или ВРС.
А.4.2 Если результат испытания находится в пределах установленного допуска, это должно быть зафиксировано.
А.4.3 Если результат испытания не находится в пределах требуемого допуска, а для контрольной проверки аппаратуры был использован ВРС, это записывают, а испытание повторяют с использованием ССМ. Если в этом случае результат испытания находится в пределах установленного допуска, это также записывают.
А.4.4 Если результат испытания все еще не находится в пределах требуемого допуска, проверяют испытательную аппаратуру и убеждаются в том, что она соответствует требованиям спецификации. Если очевидные несоответствия не установлены, выполняют еще одну контрольную проверку с использованием ССМ. Если результат испытания находится в пределах установленного допуска, это записывают. Если результат испытания все еще не находится в пределах установленного допуска, то аппаратуру отправляют изготовителю для детальной проверки.
В.1 Общая информация
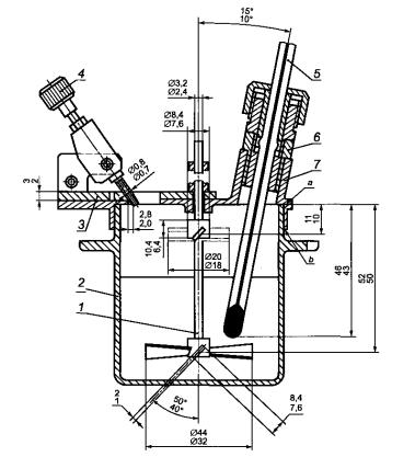
В настоящем приложении представлено описание аппарата, работающего в ручном режиме, нагреваемого газом или электронагревателем и оснащенного источником зажигания с применением пламени. Этот аппарат должен состоять из испытательного тигля, крышки со вспомогательным приспособлением и нагревательной камеры, представленных в разделах В.2 - В.4. На рисунке В.1 показан типичный аппарат с газовым нагревателем.
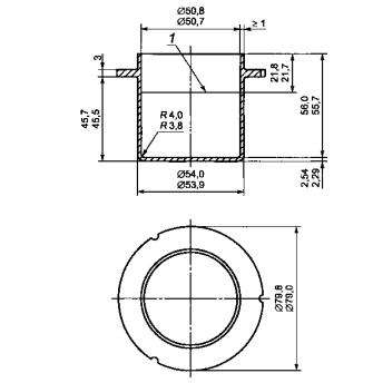
В.2 Испытательный тигель
Испытательный тигель должен быть изготовлен из латуни или другого нержавеющего металла с аналогичной теплопроводностью и должен соответствовать форме и размерам, показанным на рисунке В.2. Фланец должен быть оснащен приспособлениями для фиксации положения тигля в нагревательной камере. Ручка, прикрепленная к фланцу тигля, является желательным приспособлением. Она не должна быть настолько тяжелой, чтобы опрокидывать тигель.
В.3 Крышка с комплектующими
В.3.1 Крышка должна включать следующие элементы конструкции:
В.3.2
Крышку из латуни или другого нержавеющего металла аналогичной проводимости, имеющую бортик, выступающий вниз почти до фланца тигля, как показано на рисунке В.3. Зазор между бортиком и наружной стороной
тигля не должен превышать в диаметре
В.3.3
Заслонку из латуни толщиной приблизительно
В.3.4
Устройство для зажигания, которое должно иметь наконечник с отверстием диаметром от 0,7 до
Примечание - В хорошо просматриваемом месте крышки может быть закреплен изготовленный из
подходящего материала шарик-шаблон, размеры которого соответствуют размерам испытательного пламени (от 3 до
Запальник для автоматического зажигания испытательного пламени. Наконечник запальника должен
иметь отверстие диаметром от 0,7до
В.3.5
Перемешивающее устройство, смонтированное в центре крышки (рисунке В.4), имеющее две двухлопастные металлические крыльчатки. Нижняя крыльчатка должна иметь расстояние приблизительно
Примечание е - Вал мешалки может быть соединен с двигателем гибким валом или соответствующим комплектом шкивов, при этом перемешивание должно осуществляться сверху вниз.
В.4 Нагревательная камера и верхняя плита
Тепло должно быть подведено к испытательному тиглю с помощью специальной нагревательной камеры, которая эквивалентна воздушной бане. Нагревательная камера должна состоять из воздушной бани и верхней плиты, на которую опирается фланец испытательного тигля.
Примечание - Крышка устанавливается поворотом влево или вправо.
1 - ручка
(не обязательна); 2 - передняя
часть; 3 - запальник;
4 - обогреватель: горелка
или электроэлемент (на рисунке
приведена горелка); 5 - толщина металлической стенки
воздушной бани, окружающей
тигель, не менее
Рисунок В.1 - Аппарат Пенски-Мартенса с закрытым тиглем
1 - уровень наполнения
Рисунок В.2 - Тигель для испытания
Рисунок В.3 - Крышка
а -
зазор, равный
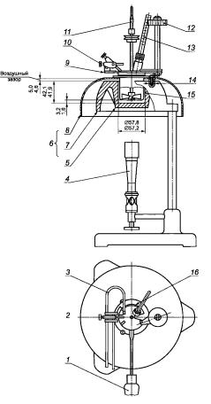
1 - мешалка; 2 - испытательный тигель; 3 - заслонка; 4 - устройство для поджигания испытуемого образца; 5 - термометр; 6 - адаптер (переходная муфта); 7- крышка
Рисунок В.4 - Тигель с крышкой
Воздушная баня должна иметь внутреннее пространство в виде цилиндра и соответствовать размерам, указанным на рисунке В.1. Металлический корпус воздушной бани должен нагреваться газовым пламенем или наружным электронагревателем, или элементом электросопротивления. В любом случае воздушная баня не должна деформироваться при температурах, которым она будет подвергаться во время испытаний.
Если воздушная баня нагревается газовым пламенем или металлическим электрообогревателем, то она
должна быть сконструирована таким образом, чтобы температура дна и стенок нагреваемой конструкции была приблизительно одинаковой. Для этого толщина дна и стенок должна быть не менее
Если воздушная баня оснащена элементом электросопротивления, то он должен быть сконструирован таким
образом, чтобы все части внутренней поверхности воздушной бани нагревались равномерно. Стенки и дно воздушной бани должны иметь толщину не менее
Верхняя металлическая плита должна быть установлена таким образом, чтобы между ней и воздушной баней был воздушный зазор. Верхняя плита должна быть прикреплена к воздушной бане тремя болтами с использованием распорных втулок. Втулки должны быть выполнены таким образом, чтобы обеспечить воздушный зазор
(4,8 ± 0,2) мм, а их диаметр не должен быть более
Таблица С.1 - Требования к термометрам
|
Параметр |
Низкие значения температур |
Средние значения температур |
Высокие значения температур |
|
Диапазон, °С |
От-5 до +100 |
От 20 до 150 |
От 90 до 370 |
|
Глубина погружения, мм |
57 |
57 |
57 |
|
Градуировки: цена деления, °С |
0,5 |
1 |
2 |
|
основная отметка у каждого деления (длинная линия, наибольшая отметка), °С |
1 и5 |
5 |
10 |
|
Оцифровка у каждого деления, °С |
5 |
5 |
20 |
|
Погрешность интервала максимальная, °С |
0,5 |
1 |
1 - до 260 2 - св. 260 |
|
Расширительный резервуар: допустимый нагрев до, °С |
160 |
200 |
370 |
|
Общая длина, мм |
От 282 до 295 |
От 282 до 295 |
От 282 до 295 |
|
Диаметр капилляра, мм |
6,0 - 7,0 |
6,0 - 7,0 |
6,0 - 7,0 |
|
Длина резервуара, мм |
9 - 13 |
9 - 13 |
7 - 10 |
|
Диаметр резервуара, мм |
Не менее 5,5 и не более капилляра |
Не менее 5,5 и не более капилляра |
Не менее 5,5 и не более капилляра |
|
Расстояние от основания резервуара до деления, мм, при |
0 °С: от 85 до 95 |
20 °С: от 85 до 95 |
90 °С: от 80 до 90 |
|
Длина градуировки, мм |
От 140 до 175 |
От 140 до 180 |
От 145 до 180 |
|
Расширение капилляра: диаметр, мм |
От 7,5 до 8,5 |
От 7,5 до 8,5 |
От 7,5 до 8,5 |
|
длина, мм |
От 2,5 до 5,0 |
От 2,5 до 5,0 |
От 2,5 до 5,0 |
|
расстояние до основания, мм |
От 64 до 66 |
От 64 до 66 |
От 64 до 66 |
|
Примечание 1
Термометры типа IP 2 Приложение D содержит описание адаптера для термометров с низким диапазоном температур. |
|||
D.1 Общие положения
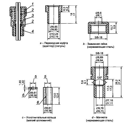
Термометры с низким диапазоном температур иногда соединены металлическим ободком с установочным кольцом испытательного тигля Тага [9]. Это может быть дополнено адаптером (переходной муфтой) (рисунок D.1) для применения в установочном кольце большего диаметра аппарата Пенски-Мартенса.
D.2 Испытательный калибр
Длина расширения капилляра и расстояние от основания расширения до основания шарика термометра могут быть измерены испытательным шаблоном, показанным на рисунке D.2.

1 - зажимная гайка; 2 - уплотнительное кольцо; 3 - манжета; 4 - адаптер (переходная муфта); 5 - отверстие для термометра; 6 - щель
Рисунок D.1 - Размеры адаптера (переходной муфты) для термометра, манжеты и уплотнения

Рисунок D.2 - Шаблон для проверки расширений капилляров термометра
Таблица Е.1.
|
Обозначение ссылочного международного стандарта |
Обозначение и наименование соответствующего национального стандарта |
|
ИСО 1513 |
* |
|
ИСО 3170 |
ГОСТ 2517-85 Нефть и нефтепродукты. Методы отбора проб ГОСТ Р 52659-2006 Нефть и нефтепродукты. Методы ручного отбора проб |
|
ИСО 3171 |
ГОСТ 2517-85 Нефть и нефтепродукты. Методы отбора проб |
|
ИСО 15528 |
* |
|
Соответствующий национальный стандарт отсутствует. До его утверждения рекомендуется использовать перевод на русский язык данного международного стандарта. Перевод данного международного стандарта находится в Федеральном информационном фонде технических регламентов и стандартов. |
|
|
[1] |
ISO 13736:1997 |
Petroleum products and other liquids - Determination of flash point - Abel closed cup method |
|
[2] |
ISO 2592:2000 |
Determination of flash and fire points - |
|
[3] |
ISO 3679:1) |
Determination of flash point- Rapid equilibrium closed cup method |
|
[4] |
ISO 1523:2002 |
Determination of flash point - Closed cap equilibrium method |
|
[5] |
ISO 4259:1992 |
Petroleum products - Determination and application of precision data in relation to methods of test |
|
[6] |
ISO Guide 34:2000 |
General requirements for the competence of reference material producers |
|
[7] |
ISO Guide 25:1989 |
Certification of reference materials - General and statistical principles |
|
[8] |
ISO Guide 33:1989 |
|
|
[9] |
ASTM D 56-01 |
Ключевые слова: жидкие нефтепродукты, температура вспышки, закрытый тигель Пенски-Мартенса
1) Будет опубликован (пересмотр ИСО 36:1983)