
ГОСУДАРСТВЕННЫЙ СТАНДАРТ СОЮЗА ССР
БОЛТЫ С
УВЕЛИЧЕННОЙ ПОЛУКРУГЛОЙ ГОЛОВКОЙ
И КВАДРАТНЫМ ПОДГОЛОВКОМ
КЛАССА ТОЧНОСТИ С
ГОСТ 7802-81
СТ СЭВ
2323-80
ГОСУДАРСТВЕННЫЙ КОМИТЕТ СССР ПО СТАНДАРТАМ
Москва
ГОСУДАРСТВЕННЫЙ СТАНДАРТ СОЮЗА ССР
|
БОЛТЫ С УВЕЛИЧЕННОЙ ПОЛУКРУГЛОЙ
ГОЛОВКОЙ Конструкция и размеры Increased
cup head square shoulder bolts, product grade С. |
ГОСТ (CT СЭВ 2323-80) Взамен |
Постановлением Государственного комитета СССР по стандартам от 15 января 1981 г. № 2 срок введения установлен
с 01.01.82
Проверен в 1986 г. Постановлением Госстандарта СССР от 23.06.86 № 1643 срок действия продлен
до 01.01.97
Несоблюдение стандарта преследуется по закону
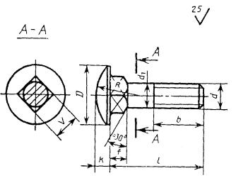
1. Настоящий стандарт распространяется на болты с увеличенной полукруглой головкой и квадратным подголовком класса точности С с номинальным диаметром резьбы от 5 до 24 мм.
2. Конструкция и размеры болтов должны соответствовать указанным на чертеже и в табл. 1 и 2.

Таблица 1
мм
|
5 |
6 |
8 |
10 |
12 |
16 |
20 |
24 |
||
|
Диаметр головки D |
11 |
14 |
18 |
23 |
28 |
35 |
44 |
52 |
|
|
Высота головки k |
2,5 |
3,0 |
4,0 |
5,0 |
6,0 |
8,0 |
10,0 |
12,0 |
|
|
Радиус сферы R » |
8 |
11 |
14 |
18 |
22 |
26 |
32 |
39 |
|
|
Размер стороны квадратного подголовка V |
5 |
6 |
8 |
10 |
12 |
16 |
20 |
24 |
|
|
Высота подголовка f, не менее |
3 |
4 |
5 |
6 |
8 |
10 |
12 |
15 |
|
|
Длина резьбы b |
Для l £ 120 |
16 |
18 |
22 |
26 |
30 |
38 |
46 |
54 |
|
Для l > 120 |
- |
- |
- |
32 |
36 |
44 |
52 |
60 |
|
Пример условного обозначения болта с диаметром резьбы d = 12 мм, с крупным шагом резьбы с полем допуска 8g, длиной l = 60 мм, класса прочности 3.6, с цинковым покрытием толщиной 6 мкм, нанесенным способом катодного восстановления, хроматированным:
Болт M12´60.36.016 ГОСТ 7802-81
Таблица 2
мм
|
Длина болта l |
Номинальный диаметр резьбы d |
|||||||
|
5 |
6 |
8 |
10 |
12 |
16 |
20 |
24 |
|
|
12 |
|
|
- |
- |
- |
- |
- |
- |
|
14 |
|
|
|
- |
- |
- |
- |
- |
|
16 |
|
|
|
|
- |
- |
- |
- |
|
20 |
|
|
|
|
|
- |
- |
- |
|
25 |
|
|
|
|
|
|
|
- |
|
30 |
|
|
|
|
|
|
|
- |
|
35 |
|
|
|
|
|
|
|
- |
|
40 |
|
|
|
|
|
|
|
- |
|
45 |
|
|
|
|
|
|
|
- |
|
50 |
|
|
|
|
|
|
|
- |
|
55 |
|
|
|
|
|
|
|
- |
|
60 |
|
|
|
|
|
|
|
- |
|
65 |
|
|
|
|
|
|
|
- |
|
70 |
|
|
|
|
|
|
|
- |
|
75 |
- |
|
|
|
|
|
|
|
|
80 |
- |
|
|
|
|
|
|
|
|
90 |
- |
|
|
|
|
|
|
|
|
100 |
- |
|
|
|
|
|
|
|
|
110 |
- |
- |
|
|
|
|
|
|
|
120 |
- |
- |
|
|
|
|
|
|
|
130 |
- |
- |
|
|
|
|
|
|
|
140 |
- |
- |
|
|
|
|
|
|
|
150 |
- |
- |
|
|
|
|
|
|
|
160 |
- |
- |
|
|
|
|
|
|
|
170 |
- |
- |
|
|
|
|
|
|
|
180 |
- |
- |
|
|
|
|
|
|
|
190 |
- |
- |
|
|
|
|
|
|
|
200 |
- |
- |
|
|
|
|
|
|
|
220 |
- |
- |
|
|
|
|
|
|
|
240 |
- |
- |
- |
|
|
|
|
|
|
260 |
- |
- |
- |
|
|
|
|
|
|
Примечания: 1. Болты изготовляют с длинами, заключенными между жирными линиями. 2. Болты в области от верхней жирной линии до пунктирной линии изготовляют с резьбой по всей длине стержня. |
||||||||
3. Резьба - по ГОСТ 24705-81, шаг резьбы - крупный. Сбег и недорез резьбы - по ГОСТ 27148-88. Концы болтов - по ГОСТ 12414-66.
2, 3. (Измененная редакция, Изм. № 1, 2).
3а. Радиус под головкой - по ГОСТ 24670-81.
3б. Допуски и методы контроля размеров и отклонений формы и расположения поверхностей - по ГОСТ 1759.1-82.
По согласованию между изготовителем и потребителем допускается изготовлять болты с полем допуска резьбы 6е.
3в. Дефекты поверхности и методы контроля - по ГОСТ 1759.2-82.
3а - 3в. (Введены дополнительно, Изм. № 1).
4. Диаметр гладкой части стержня d1 примерно равен среднему диаметру резьбы или номинальному диаметру резьбы.
5. Технические требования - по ГОСТ 1759.0-87.
Механические свойства болтов должны соответствовать классам прочности 3.6, 4.6, 4.8, 5.6, 5.8, 8.8.
6. Теоретическая масса болтов указана в справочном приложении.
ПРИЛОЖЕНИЕ
Справочное
|
Длина болта l, мм |
Теоретическая масса 1000 шт. болтов, кг, при номинальном диаметре резьбы d, мм |
|||||||
|
5 |
6 |
8 |
10 |
12 |
16 |
20 |
24 |
|
|
12 |
2,699 |
4,612 |
- |
- |
- |
- |
- |
- |
|
14 |
2,936 |
4,950 |
10,10 |
- |
- |
- |
- |
- |
|
16 |
3,172 |
5,288 |
10,71 |
19,39 |
- |
- |
- |
- |
|
20 |
3,644 |
5,964 |
11,94 |
21,34 |
34,76 |
- |
- |
- |
|
25 |
4,235 |
6,809 |
13,48 |
23,79 |
38,30 |
75,60 |
133,4 |
- |
|
30 |
4,825 |
7,655 |
15,02 |
26,22 |
41,84 |
82,13 |
143,6 |
- |
|
35 |
5,416 |
8,500 |
16,56 |
28,67 |
45,38 |
88,66 |
153,8 |
- |
|
40 |
6,006 |
9,345 |
18,10 |
31,11 |
48,92 |
95,18 |
164,1 |
- |
|
45 |
6,596 |
10,196 |
19,64 |
33,55 |
52,46 |
101,71 |
174,3 |
- |
|
50 |
7,187 |
11,036 |
21,18 |
35,99 |
56,00 |
108,24 |
184,5 |
- |
|
55 |
7,746 |
11,881 |
22,72 |
38,44 |
59,54 |
114,77 |
194,8 |
- |
|
60 |
8,336 |
12,726 |
24,26 |
40,88 |
63,08 |
121,23 |
205,0 |
- |
|
65 |
8,926 |
13,574 |
25,80 |
43,32 |
66,62 |
127,82 |
215,2 |
- |
|
70 |
9,516 |
14,417 |
27,34 |
45,76 |
70,17 |
134,35 |
225,5 |
- |
|
75 |
- |
15,262 |
28,88 |
48,20 |
73,71 |
140,87 |
235,7 |
366,4 |
|
80 |
- |
16,107 |
30,42 |
50,65 |
77,25 |
147,40 |
245,9 |
381,2 |
|
90 |
- |
17,798 |
33,50 |
55,53 |
84,33 |
160,45 |
266,4 |
410,6 |
|
100 |
- |
19,488 |
36,57 |
60,41 |
91,41 |
173,51 |
286,9 |
440,1 |
|
110 |
- |
- |
39,65 |
65,30 |
98,49 |
186,56 |
307,4 |
469,6 |
|
120 |
- |
- |
42,73 |
70,18 |
105,57 |
199,62 |
327,8 |
499,0 |
|
130 |
- |
- |
45,81 |
75,10 |
112,65 |
212,67 |
348,3 |
528,5 |
|
140 |
- |
- |
48,89 |
79,95 |
119,73 |
225,72 |
368,8 |
558,0 |
|
150 |
- |
- |
51,97 |
84,84 |
126,81 |
238,78 |
389,2 |
587,4 |
|
160 |
- |
- |
55,05 |
89,72 |
133,89 |
251,83 |
409,7 |
616,9 |
|
170 |
- |
- |
58,13 |
94,61 |
140,97 |
264,87 |
430,2 |
646,4 |
|
180 |
- |
- |
61,21 |
99,49 |
148,05 |
277,94 |
450,6 |
675,8 |
|
190 |
- |
- |
64,29 |
104,37 |
155,13 |
290,99 |
471,1 |
705,3 |
|
200 |
- |
- |
67,37 |
109,26 |
162,22 |
304,04 |
491,6 |
734,8 |
|
220 |
- |
- |
73,53 |
119,02 |
176,38 |
330,15 |
532,6 |
793,8 |
|
240 |
- |
- |
- |
128,79 |
190,54 |
366,26 |
573,6 |
852,8 |
|
260 |
- |
- |
- |
138,56 |
204,70 |
382,37 |
614,6 |
911,8 |