
ГОСУДАРСТВЕННЫЙ СТАНДАРТ СОЮЗА ССР
ШАЙБЫ
ТЕХНИЧЕСКИЕ УСЛОВИЯ
ГОСТ 11371-78
(СТ СЭВ 280-89, СТ СЭВ 281-87)
ГОСУДАРСТВЕННЫЙ КОМИТЕТ СССР ПО СТАНДАРТАМ
Москва
ГОСУДАРСТВЕННЫЙ СТАНДАРТ СОЮЗА ССР
|
ШАЙБЫ Технические условия Vashers. Specifications |
ГОСТ (СТ СЭВ
280-89, Взамен |
Постановлением Государственного комитета стандартов Совета Министров СССР от 26 июня 1978 г. № 1674 срок введения установлен
с 01.01.79
Проверен в 1983 г. Постановлением Госстандарта от 14.11.83 № 5375 срок действия продлен
до 01.01.89
(Измененная редакция, Изм. № 2, 3).
Настоящий стандарт распространяется на шайбы нормального ряда классов точности А и С для крепежных деталей диаметром резьбы от 1 до 48 мм.
Стандарт полностью соответствует СТ СЭВ 280-76, СТ СЭВ 281-87.
(Измененная редакция, Изм. № 1, 2).
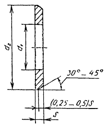
1.1. Шайбы должны изготовляться::
исполнения1-класса точности А и С
исполнения2-класса точности А
(Измененная редакция, Изм. № 3).
Исполнение 1

Исполнение
2
d ³×5 мм

(Измененная редакция, Изм. № 2, 3).
мм
|
Диаметр резьбы крепежной детали |
d1 |
d2 |
s |
|
|
Класс точности |
||||
|
1 |
2 |
|||
|
1,0 |
1,2 |
1,1 |
3,5 |
0,3 |
|
1,2 |
1,4 |
1,3 |
4,0 |
|
|
1,4 |
1,6 |
1,5 |
||
|
1,6 |
1,8 |
1,7 |
||
|
2,0 |
2,4 |
2,2 |
5,0 |
|
|
2,5 |
2,9 |
2,7 |
6,5 |
0,5 |
|
3,0 |
3,4 |
3,2 |
7,0 |
|
|
3,5 |
- |
3,7 |
8,0 |
|
|
4,0 |
4,5 |
4,3 |
9,0 |
0,8 |
|
5,0 |
5,5 |
5,3 |
10,0 |
1,0 |
|
6,0 |
6,6 |
6,4 |
12,0 |
1,6 |
|
8,0 |
9,0 |
8,4 |
16,0 |
|
|
10,0 |
11,0 |
10,5 |
20,0 |
2,0 |
|
12,0 |
13,5 |
13,0 |
24,0 |
2,5 |
|
14,0 |
15,5 |
15,0 |
28,0 |
|
|
16,0 |
17,5 |
17,0 |
30,0 |
3,0 |
|
18,0 |
20,0 |
19,0 |
34,0 |
|
|
20,0 |
22,0 |
21,0 |
37,0 |
|
|
22,0 |
24,0 |
23,0 |
39,0 |
|
|
24,0 |
26,0 |
25,0 |
44,0 |
4,0 |
|
27,0 |
30,0 |
28,0 |
50,0 |
|
|
30,0 |
33,0 |
31,0 |
56,0 |
|
|
33,0 |
- |
34,0 |
60,0 |
5,0 |
|
36,0 |
39,0 |
37,0 |
66,0 |
|
|
39,0 |
- |
40,0 |
72,0 |
6,0 |
|
42,0 |
45,0 |
43,0 |
78,0 |
7,0 |
|
48,0 |
52,0 |
50,0 |
92,0 |
8,0 |
(Измененная редакции, Изм. № 2, 3).
Примеры условного обозначения шайбы исполнения 1 класса точности А для крепежной детали с диаметром 12 мм с толщиной, установленной в стандарте, из стали марки 08кп, с цинковым покрытием толщиной 6 мкм хроматированным:
Шайба А 12.01.08кп.016 ГОСТ 11371-78
То же, исполнения 2:
Шайба 2.12.01.08кп.016 ГОСТ 11371-78.
1.1, 1.2. (Измененная редакции, Изм. № 1, 2).
1.3. Теоретическая масса шайб приведена в приложении.
(Введен дополнительно, Изм. № 1).
1.4. По согласованию между изготовителем и потребителем допускается изготовлять шайбы с другими толщинами.
(Измененная редакции, Изм. № 3).
2.1. Технические требования - по ГОСТ 18123-82.
(Измененная редакция, Изм. № 1).
2.2, 2.3. (Исключены, Изм. № 1).
2.4. Твердость стальных шайб класса точности А должна составлять не менее 140 HV, класса точности С - не менее 100 НV.
(Измененная редакции, Изм. № 2, 3).
2.5. Временная противокоррозионная защита, упаковка и маркировка тары - по ГОСТ 18160-72.
(Измененная редакция, Изм. № 2).
3.1. Правила приемки шайб - по ГОСТ 17769-83.
(Измененная редакция, Изм. № 1).
4.1. Методы контроля шайб - по ГОСТ 18123-82.
(Разд. 5 исключен, Изм. № 2).
|
Диаметр резьбы крепежной детали, мм |
Теоретическая масса 1000 шт., кг, для исполнений |
||
|
1 |
2 |
||
|
Класс точности |
|||
|
С |
А |
||
|
1,0 |
0,020 |
0,020 |
- |
|
1,2 |
0,026 |
0,026 |
- |
|
1,4 |
0,025 |
0,025 |
- |
|
1,6 |
0,024 |
0,024 |
- |
|
2,0 |
0,036 |
0,037 |
- |
|
2,5 |
0,085 |
0,088 |
- |
|
3,0 |
0,115 |
0,119 |
- |
|
3,5 |
- |
0,155 |
- |
|
4,0 |
0,299 |
0,308 |
- |
|
5,0 |
0,430 |
0,443 |
0,413 |
|
6,0 |
0,990 |
1,016 |
0,925 |
|
8,0 |
1,725 |
1,828 |
1,706 |
|
10,0 |
3,438 |
3,571 |
3,333 |
|
12,0 |
6,066 |
6,270 |
5,824 |
|
14,0 |
8,377 |
8,612 |
8,089 |
|
16,0 |
10,976 |
11,295 |
10,491 |
|
18,0 |
13,976 |
14,697 |
13,782 |
|
20,0 |
16,361 |
17,156 |
16,157 |
|
22,0 |
17,470 |
18,339 |
17,285 |
|
24,0 |
31,058 |
32,315 |
30,211 |
|
27,0 |
39,438 |
42,298 |
39,898 |
|
30,0 |
50,456 |
53,612 |
50,917 |
|
33,0 |
- |
75,303 |
70,809 |
|
36,0 |
87,350 |
92,033 |
87,078 |
|
39,0 |
- |
132,513 |
124,748 |
|
42,0 |
175,088 |
182,680 |
171,256 |
|
48,0 |
283,956 |
294,013 |
276,397 |
Примечание. Для определения массы шайб, изготовленных из других материалов, значения массы, указанные в таблице, должны быть умножены на коэффициент:
0,35 -для алюминиевого сплава;
0,97 - для бронзы;
1,08 - для латуни;
1,13 - для меди.
(Измененная редакция, Изм. № 2, 3).
СОДЕРЖАНИЕ