ГОСУДАРСТВЕННЫЙ СТАНДАРТ СОЮЗА ССР
|
Единая система
защиты от ПОКРЫТИЯ МЕТАЛЛИЧЕСКИЕ И НЕМЕТАЛЛИЧЕСКИЕ НЕОРГАНИЧЕСКИЕ Методы контроля Unified system of corrosion and |
ГОСТ (ИСО 1463-82, ИСО 2064-80, ИСО 2106-82, ИСО 2128-76, ИСО 2177-85, ИСО 2178-82, ИСО 2360-82, ИСО 2361-82, ИСО 2819-80, ИСО 3497-76, ИСО 3543-81, ИСО 3613-80, ИСО 3882-86, ИСО 3892-80, ИСО 4516-80, ИСО 4518-80, ИСО 4522/1-85, ИСО 4522/2-85, ИСО 4524/1-85, ИСО 4524/3-85, ИСО 4524/5-85, ИСО 8401-86, СТ СЭВ 2005-79, |
|
Дата введения 01.01.90 |
|
ОГЛАВЛЕНИЕ
|
1. |
||
|
2. |
||
|
3. |
||
|
4. |
||
|
5. |
||
|
6. |
Методы контроля защитных свойств неметаллических неорганических покрытий |
|
|
7. |
||
|
8. |
||
|
9. |
Метод контроля полноты промывки неметаллических неорганических покрытий |
|
|
10. |
||
|
11. |
||
|
12. |
Методы контроля наполнения анодно-окисных покрытий на алюминии и его сплавах |
|
|
13. |
||
|
14. |
Метод определения внутренних напряжений металлических электрохимических покрытий |
|
|
15. |
Метод определения относительного удлинения никелевого покрытия |
|
|
16. |
||
|
17. |
Контрольно-измерительная аппаратура, применяемая при контроле покрытий |
|
|
18. |
||
|
Применение неразрушающих методов контроля толщины покрытий |
||
|
Применение разрушающих методов контроля толщины покрытий |
||
|
Приборы, применяемые для контроля толщины покрытий |
||
|
Приготовление растворов |
||
|
Плотность металлов |
||
|
Изготовление и подготовка шлифа |
||
|
Электрографические методы контроля пористости золотых покрытий |
||
|
Метод контроля защитных свойств хроматных покрытий на цинковых и кадмиевых покрытиях |
||
|
Методы контроля функциональных свойств покрытий |
||
|
Метод определения внутренних напряжений металлических электрохимических покрытий |
||
|
Метод определения относительного удлинения никелевого покрытия |
||
|
Реактивы и материалы, применяемые при контроле покрытий |
||
|
Контрольно-измерительная аппаратура, применяемая при контроле покрытий |
||
1. Настоящий стандарт распространяется на металлические и неметаллические неорганические покрытия (далее - покрытия), получаемые электрохимическим, химическим и горячим (оловянное и сплавы олова) способами, и устанавливает методы контроля на соответствие требованиям ГОСТ 9.301-86.
1.1. Количество деталей, отбираемых на контроль, устанавливают по ГОСТ 9.301-86.
1.2. Контроль качества покрытий проводят на наружной поверхности детали, на доступных участках, не имеющих накатки, удаленных от ребер, углов, резьбы, отверстий, мест контакта с монтажным приспособлением, паяных и сварных швов.
Необходимость проведения контроля на внутренних и труднодоступных поверхностях детали должна быть оговорена в технической документации на изделие с указанием метода контроля и места проведения измерения.
1.3. Перед проведением контроля толщины, пористости, защитных и функциональных свойств покрытий детали с покрытиями выдерживают до температуры помещения, в котором проводят контроль, и обезжиривают этиловым спиртом или пастой из окиси магния.
После обезжиривания пастой детали промывают дистиллированной водой и высушивают фильтровальной бумагой или на воздухе.
1.4. Хроматные пленки с цинковых и кадмиевых покрытий удаляют ватным тампоном, смоченным соляной кислотой (плотность 1,19 г/см3), разбавленной в соотношении 1:8, или карандашной резинкой.
1.5. Фосфатные покрытия с цинковых и кадмиевых покрытий удаляют в соответствии с ГОСТ 9.402-80.
1.6. Перед определением толщины многослойных покрытий хромовое покрытие толщиной до 1 мкм удаляют соляной кислотой (плотность 1,19 г/см3) при температуре 18-30 °С в течение 30-60 с или соляной кислотой, разбавленной в соотношении 1:1, при температуре 50-60 °С в течение 10-20 с.
1.7. При необходимости перед проведением контроля проводят активацию никелевых покрытий соляной кислотой (плотность 1,19 г/см3), разбавленной в соотношении 1:1, в течение 3-5 с при температуре 18-30 °С или пастой из окиси магния.
1.8. После обработки по п.п. 1.4, 1.6, 1.7 детали промывают дистиллированной водой и высушивают фильтровальной бумагой или на воздухе.
1.9. При проведении контроля качества покрытий непосредственно после их получения подготовку по п.п. 1.3, 1.7 допускается не проводить.
1.10. После проведения контроля качества разрушающими (химическими) методами детали (или часть детали, на которой проводился контроль) промывают водой и высушивают фильтровальной бумагой или на воздухе.
2.1. Метод основан на выявлении дефектов поверхности покрытия внешним осмотром и применим для деталей любой формы и габаритных размеров.
2.2. Контроль проводят осмотром деталей невооруженным глазом на расстоянии 25 см от контролируемой поверхности при естественном или искусственном освещении. Освещенность должна быть не менее 300 лк при применении ламп накаливания и не менее 500 лк при применении люминесцентных ламп.
2.3. Необходимость применения оптических приборов с указанием кратности увеличения должна быть оговорена в технической документации на изделие.
2.4. Оценку качества внешнего вида покрытий допускается проводить на соответствие образцам-эталонам, форма, размеры и внешний вид которых должны быть согласованы с заказчиком.
2.5. При оценке внешнего вида покрытий необходимо учитывать состояние поверхности детали перед нанесением покрытий.
3.1. Толщину покрытий контролируют неразрушающими или разрушающими методами, перечень которых приведен в табл. 1.
|
Неразрушающие методы контроля толщины покрытий |
Разрушающие методы контроля толщины покрытий |
|
Магнитные методы: |
Гравиметрический метод* |
|
магнитоотрывной, |
Аналитический метод |
|
магнитостатический (метод магнитного потока), |
Профилометрический метод* |
|
магнитоиндукционный |
Кулонометрический метод |
|
Метод вихревых токов |
Методы струи: |
|
Радиационные методы: |
электроструйный, |
|
метод обратного рассеяния |
струйно-периодический, |
|
бета-излучения, |
струйно-объемный |
|
рентгенофлюоресцентный |
Метод капли |
|
Термоэлектрический метод |
|
|
Оптический метод |
|
|
__________ * В зависимости от порядка выполнения операций контроля метод может быть неразрушающим |
|
Применение неразрушающих и разрушающих методов контроля толщины покрытий в зависимости от вида покрытия и материала детали приведено в приложениях 1 и 2.
3.2. Приборы, применяемые для контроля толщины покрытий, приведены в приложении 3.
Допускается применять другие типы приборов контроля толщины покрытий, обеспечивающие погрешность измерения не более ±10 %.
3.3. За результат измерения толщины покрытия принимают среднее арифметическое значение не менее трех измерений на поверхности одной детали или на 3-5 деталях одной партии единовременной загрузки, если поверхность одной детали менее 1 см2.
Среднее арифметическое значение толщины покрытия (
) в (микрометрах вычисляют по формуле
(1)
где n - количество проведенных измерений;
- толщина
покрытия i-го
измерения, мкм.
3.4. Допускается применять неразрушающие методы контроля толщины покрытий, не предусмотренные настоящим стандартом, в соответствии с ГОСТ 18353-79.
3.5. Требования к деталям, на которых контролируют толщину покрытий неразрушающими методами, в части шероховатости и радиуса кривизны поверхности, минимальной и максимальной толщины детали, толщины покрытия, минимальных размеров площадки измерения и т. п. указаны в технических условиях или стандартах па толщиномеры конкретных типов.
3.6. Магнитные методы
Методы применяют при условии, что значение шероховатости поверхности основного металла и покрытия Ra меньше толщины покрытия.
3.6.1. Магнитоотрывной метод
Метод основан на измерении силы отрыва постоянного магнита или сердечника электромагнита от контролируемой поверхности, которая зависит от толщины покрытия.
Метод применяют для неферромагнитных покрытий на деталях из ферромагнитных металлов при толщине покрытия до 1000 мкм и ферромагнитных покрытий на деталях из неферромагнитных металлов при толщине покрытия до 25 мкм.
Относительная погрешность метода ±10 %.
3.6.2. Магнитостатический метод
Метод основан на регистрации с помощью магниточувствительных элементов изменений напряженности магнитного поля в цепи электромагнита постоянного тока или постоянного магнита при изменении расстояния между ним и основным металлом детали из-за наличия покрытия.
Метод применяют для неферромагнитных металлических и неметаллических покрытий и гальванических никелевых покрытий на ферромагнитных металлах. Относительная погрешность метода ±10 %.
3.6.3. Магнитоиндукционный метод
Метод основан на определении изменений магнитного сопротивления участка цепи: преобразователь-контролируемая деталь, зависящего от толщины покрытия, по ЭДС, наводимой в измерительной обмотке преобразователя, питающегося переменным током низкой частоты.
Метод применяют для неферромагнитных металлических и неметаллических покрытий па ферромагнитных металлах. Относительная погрешность метода ±5 %.
3.7. Метод вихревых токов
Метод основан на регистрации взаимодействия собственного электромагнитного поля преобразователя с электромагнитным полем вихревых токов, наводимых этим преобразователем в детали и зависящих от электрофизических и геометрических параметров основного металла и покрытия.
Метод применяют для неэлектропроводных покрытий на неферромагнитных металлах и электропроводящих покрытий на неферромагнитных и ферромагнитных металлах.
При контроле толщины неэлектропроводных покрытий на деталях из неферромагнитных металлов метод применяют при условии, что значение шероховатости поверхности основного металла и покрытия Rа меньше толщины покрытия.
При контроле толщины электропроводных покрытий на деталях из неферромагнитных металлов метод наиболее эффективен при условии, что удельные электрические проводимости основного металла и покрытия отличаются не менее чем в 2-3 раза.
Относительная погрешность метода ±5 %.
3.8. Радиационные методы
3.8.1. Метод обратного рассеяния бета-излучения.
Метод основан на измерении интенсивности отраженного потока бета-частиц, которая определяется различием атомных номеров основного металла и покрытия и зависит от толщины покрытия.
Метод применяют для металлических и неметаллических покрытий на металлах при условии, что разность атомных номеров основного металла и материала покрытия не менее трех единиц. Относительная погрешность метода ±10 %.
3.8.2. Рентгенофлюоресцентный метод
Метод основан на анализе возбужденного с помощью радио-изотопного источника рентгеновского излучения, зависящего от основного металла, материала покрытия и его толщины.
Метод применяют для металлических и неметаллических покрытий на металлах.
При контроле металлических покрытий метод эффективен при толщине покрытия до 25 мкм. Относительная погрешность метода ±10 %.
3.9. Термоэлектрический метод
Метод основан на измерении термо-ЭДС, возникающей под действием тепла в детали, вызванной различием термоэлектрических свойств и теплопроводностей основного металла и покрытия и зависящей от толщины покрытия.
Метод применяют для металлических покрытий на металлах при толщине покрытия до 50 мкм и разности удельных термо-ЭДС не менее 20 мкВ/град. Относительная погрешность метода ±15 %.
3.10. Оптический метод
Метод основан на регистрации параметров оптического излучения, взаимодействующего с контролируемой деталью.
Метод применяют для покрытий с коэффициентом отражения не менее 0,3.
Толщину прозрачных или полупрозрачных анодно-окисных покрытий на алюминий и его сплавах измеряют по ГОСТ 9.031-74.
Относительная погрешность метода ±5 %.
3.11. Гравиметрический метод
3.11.1. Метод основан на определении массы покрытия взвешиванием деталей на аналитических весах до и после нанесения покрытия или до и после растворения покрытия или основного-металла.
Метод применяют для определения средней толщины однослойных покрытий с известной плотностью на деталях, массу которых можно определить взвешиванием на аналитических весах с классом точности не ниже 2,0.
Относительная погрешность метода ±10 %.
3.11.2. Покрытие снимают погружением в соответствующий раствор. Растворы для снятия покрытий приведены в табл. 2, а их приготовление - в приложении 4.
Рекомендуемый объем раствора 10 см3 на 1 см3 покрытия.
Детали выдерживают в растворе до полного растворения покрытия, затем извлекают, промывают водой, высушивают и взвешивают.
3.11.3. Площадь покрытия измеряют с погрешностью не более ±2 % или используют данные о площади покрытия, указанные на чертеже.
3.11.4. Среднюю толщину покрытия (Hср) в микрометрах вычисляют по формуле
![]()

(2)
где т1 - масса деталей после нанесения покрытия, г;
т2 - масса деталей до нанесения покрытия или после растворения покрытия, г;
S - площадь покрытия, см2;
-
плотность металла покрытия, приведенная в приложении 5, г/см3,
в случае растворения основного металла - по формуле
(3)
где т - масса покрытия, г.
Если покрытие растворяется вместе с основным металлом, массу покрытия определяют соответствующим методом химического анализа.
3.12. Аналитический метод
Метод основан на определении в растворе массы снятого покрытия методами количественного анализа.
Растворы для снятия покрытий
|
Вид покрытия |
Основной металл или металл подслоя |
Номер раствора |
Состав раствора |
Температура, °С |
||
|
Компоненты |
Концентрация |
|||||
|
г/дм3 |
см3/дм3 |
|||||
|
Цинковое, кадмиевое |
Сталь, чугун |
1 |
Кислота соляная (плотность 1,19 г/см3) |
- |
500 |
От 18 до 30 |
|
Уротропин |
5 |
- |
||||
|
Медное, сплав медь-цинк |
Сталь, чугун |
2 |
Ангидрид хромовый |
275 |
- |
От 18 до 30 |
|
Аммоний сернокислый |
110 |
- |
||||
|
Никелевое |
Сталь |
3 |
Кислота серная (плотность 1,84 г/см3) |
- |
330 |
От 18 до 30 |
|
Кислота азотная (плотность 1,41 г/см3 |
- |
660 |
||||
|
Железо (II) сернекислое 7-водное |
20 |
- |
||||
|
Алюминий и его сплавы |
4 |
Кислота азотная (плотность 1,41 г/см3 |
- |
- |
||
|
Хромовое |
Сталь, чугун |
5 |
Кислота соляная (плотность 1,19 г/см3 |
- |
360 |
От 18 до 30 |
|
Трехокись сурьмы |
10 |
- |
|
|||
|
Медь и ее сплавы, никель |
6 |
Кислота соляная (плотность 1,19 г/см3) |
- |
360 |
От 18 до 30 |
|
|
Оловянное, сплавы олово-висмут, олово-свинец, никелевое, полученное химическим способом |
Медь и ее сплавы, никель, сталь |
7 |
Кислота соляная (плотность 1,19 г/см3 |
- |
750 |
От 18 до 30 |
|
Перекись водорода 30 % - ная |
- |
100 |
||||
|
Оловянное, сплав олово-свинец, в том числе полученные горячим способом, сплавы олово-висмут, медь-олово, олово-цинк; свинцовое |
Сталь, медь и ее сплавы, никель |
8 |
Кислота борфтористо-водо-родная (плотность 1,3 г/см3) |
- |
150 |
От 18 до 30 |
|
Лимеда УПОС-2 |
100 |
- |
||||
|
Серебряное, сплав серебро-сурьма, палладиевое, сплав палладий-никель |
Сталь, медь и ее сплавы, никель |
9 |
Кислота серная (плотность 1,84 г/см3 |
- |
950 |
От 18 до 30 |
|
Кислота азотная (плотность 1,41 г/см3) |
- |
50 |
||||
|
Золотое, родиевое |
Медь и ее сплавы, никель |
10 |
Кислота азотная (плотность 1,41 г/см3) |
- |
250 |
От 18 до 55 |
|
Анодно-окисное |
Алюминий и его сплавы |
11 |
Ангидрид хромовый |
20 |
- |
От 80 до 90 |
|
Кислота фосфорная (плотность 1,68 г/см3) |
- |
35 |
||||
Примечания:
1. Раствор 10 растворяет основной металл.
2. Снятие фосфатных покрытий со стали и чугуна проводят по ГОСТ 9.402-80.
При снятии покрытия допускается растворение основного металла.
Метод применяют для определения толщины преимущественно однослойных металлических покрытий, площадь поверхности которых известна или может быть измерена. Погрешность измерения площади поверхности покрытия не более ±2 %.
Метод не применяют для покрытий, плотность которых неизвестна.
При проведении контроля раствор после снятия покрытия доводят до определенного объема и отбирают аликвотную часть. Массу металла покрытия определяют соответствующими методами количественного анализа.
Среднюю толщину покрытия вычисляют по п. 3.11.4.
Относительная погрешность метода ±10 %.
3.13. Профилометрический метод
3.13.1. Метод основан на измерении уступа, образованного краем покрытия с основным металлом, с помощью металлографических микроскопов.
Метод применяют для однослойных покрытий, если значение шероховатости основного металла Rа не превышает 25 % толщины покрытия.
Относительная погрешность метода ±10 %.
3.13.2. Уступ для измерения толщины покрытия может быть получен в процессе нанесения покрытия изоляцией любым способом участка основного металла или растворением участка покрытия с предварительной изоляцией остальной поверхности покрытия. Толщину покрытия измеряют после удаления изоляционного материала.
Растворы для снятия покрытия приведены в табл. 2.
3.13.3. Толщину покрытия (H) в микрометрах вычисляют по формуле
(4)
где h - высота уступа, мм;
р - увеличение.
3.14. Металлографический метод
Метод основан на измерении толщины покрытия на металлографическом шлифе поперечного разреза образца (детали).
Метод применяют для однослойных и многослойных покрытий толщиной более 5 мкм.
Для покрытий толщиной до 20 мкм увеличение должно быть 500-1000X, толщиной от 20 до 100 мкм - 400-500Х, толщиной свыше 100 мкм - 100-200X.
Толщину измеряют с помощью металлографических микроскопов, Следует проводить не менее пяти измерений на отрезке длиной 5 мм в установленном месте шлифа. При необходимости подробного изучения шлифа применяют растровый электронный микроскоп.
Изготовление и подготовка шлифов приведены в приложении 6.
Относительная погрешность метода ±0,8 мкм для покрытий толщиной до 25 мкм и ±10 % для покрытий толщиной свыше 25 мкм.
3.15. Кулонометрический метод
Метод основан на определении количества электричества, необходимого для анодного растворения покрытия на ограниченном участке под действием стабилизированного тока, в соответствующем электролите.
В момент полного растворения покрытия и появления основного металла или металла подслоя наблюдается резкое изменение - "скачок" потенциала, что и является признаком окончания измерения.
Метод применяют для однослойных и многослойных покрытий (послойно) толщиной от 0,2 до 50 мкм.
Толщину измеряют с помощью кулонометрических толщиномеров различных конструкций.
Электролиты, применяемые при кулонометрическом определении толщины покрытий, приведены в табл. 3, а их приготовление - в приложении 4.
Допускается применять другие электролиты, предусмотренные инструкцией по эксплуатации кулонометрического толщиномера.
Относительная погрешность метода ±10 %.
3.16. Методы струи
3.16.1. Методы основаны на растворении покрытия под действием струи раствора, вытекающей с определенной скоростью.
Методы применяют для однослойных и многослойных покрытий (послойно) на поверхностях, обеспечивающих отекание растворов.
Растворы, применяемые при определении толщины покрытий методами струи, приведены в табл. 4, а их приготовление - в приложении 4.
Для предотвращения растекания раствора поверхность детали допускается изолировать любым химически стойким материалом.
3.16.2. Электроструйный метод
При проведении измерений применяют установку, состоящую из капельной воронки с краном. К нижнему концу воронки присоединяют при помощи резиновой трубки капиллярную трубку, из которой раствор подают на поверхность детали. Капиллярная трубка должна быть откалибрована таким образом, чтобы пря полном открывании крана (при постоянном давлении и температуре 18-30 °С) за 30 с вытекало (10±1) см3 дистиллированной воды.
Электролиты, применяемые для кулонометрического контроля толщины покрытий
|
Вид покрытия |
Основной металл или металл подслоя |
Номер раствора |
Состав раствора |
|
|
Компоненты |
Концентрация, г/дм3 |
|||
|
Цинковое |
Сталь, медь и ее сплавы, алюминий и его сплавы |
12 |
Натрий хлористый |
100 |
|
Кадмиевое |
13 |
Калий хлористый |
30 |
|
|
Аммоний хлористый |
30 |
|||
|
14 |
Калий йодистый |
100 |
||
|
Йод |
0,001 |
|||
|
Медное |
Сталь, алюминий и его сплавы, никель |
15 |
Аммоний азотнокислый |
860 |
|
Никелевое, в том числе полученное химическим способом |
Сталь, медь и ее сплавы, алюминий и его сплавы |
16 |
Аммоний азотнокислый |
300 |
|
Натрий роданистый |
30 |
|||
|
Хромовое |
Медь и ее сплавы, сталь, алюминий и его сплавы, никель |
17 |
Натрия гидроокись |
150 |
|
18 |
Натрий сернокислый |
227 |
||
|
Оловянное, сплавы олова |
Сталь, медь и ее сплавы, никель |
19 |
Кислота соляная (плотность, 1,19 г/см3) |
170 |
|
Серебряное, сплавы серебра |
Сталь, алюминий и его сплавы, никель |
15 |
Аммоний азотнокислый |
860 |
|
Медь и ее сплавы |
20 |
Калий роданистый |
180 |
|
Растворы для измерения толщины покрытий методом струи
|
Вид покрытия |
Основной металл или металл подслоя |
Номер раствора |
Состав раствора |
Признак окончания измерения |
||
|
Компоненты |
Концентрация |
|||||
|
г/дм3 |
см3/дм3 |
|||||
|
Цинковое |
Сталь |
21 |
Аммоний азотнокислый |
70 |
- |
Появление розового пятна контактной меди |
|
Медь сернокислая |
7 |
- |
||||
|
Кислота соляная 1 моль/дм3 |
- |
70 |
||||
|
Кадмиевое |
Сталь, медь и ее сплавы, никель |
22 |
Аммоний азотнокислый |
18 |
- |
Появление розового пятна контактной меди, основного металла или металла подслоя |
|
Кислота соляная 1 моль/дм3 |
- |
18 |
||||
|
Медь сернокислая |
2 |
- |
||||
|
Медное |
Сталь |
23 |
Железо хлорное |
300 |
- |
Появление розового пятна контактной меди |
|
Медь сернокислая |
100 |
- |
||||
|
Никель, цинк и его сплавы |
|
|
|
Появление основного металла |
||
|
Никелевое |
Сталь, алюминий и его сплавы |
23 |
Железо хлорное |
300 |
- |
Появление розового пятна контактной меди или основного металла |
|
Медь сернокислая |
100 |
- |
||||
|
Медь и ее сплавы, титан и его сплавы |
|
|
|
Появление основного металла |
||
|
Хромовое |
Никель |
24 |
Кислота соляная (плотность 1,19 г/см3) |
- |
220 |
Появление основного металла |
|
Сталь |
Кислота серная (плотность 1,84 г/см3) |
- |
100 |
Появление розового пятна контактной меди |
||
|
Железо хлорное |
60 |
- |
||||
|
Медь сернокислая |
30 |
- |
||||
|
Спирт этиловый |
- |
100 |
||||
|
Серебряное, сплав серебро-сурьма (до 1 % сурьмы) |
Медь и ее сплавы, никель |
25 |
Калий йодистый |
250 |
- |
Появление основного металла или металла подслоя |
|
Йод |
7 |
- |
|
|||
|
Сплав серебро-сурьма |
26 |
Калий йодистый |
250 |
- |
|
|
|
йод |
7 |
- |
|
|||
|
Кислота азотная (плотность 1,41 г/см3) |
- |
150 |
|
|||
|
Сплав медь-олово (бронза) |
Сталь |
27 |
Железо II сернокислое 7-водное |
25 |
- |
Появление основного металла |
|
Кислота азотная (плотность 1,41 г/см3) |
- |
100 |
||||
|
Кислота соляная (плотность 1,19 г/см3) |
- |
40 |
||||
|
Сплав медь-цинк (латунь) |
Сталь |
28 |
Железо хлорное |
150 |
|
|
|
Кислота соляная (плотность 1,19 г/см3) |
- |
- |
Появление черного пятна |
|||
|
Кислота уксусная (ледяная) |
- |
150 |
||||
|
Сурьма треххлористая |
15 |
250 |
||||
Примечания:
1. Допускается использовать раствор 21 для контроля толщины кадмиевого покрытия.
2. Перед определением толщины хромового покрытия пассивную пленку разрушают прикосновением к поверхности покрытия цинковой палочкой, смоченной раствором 24, до получения темного пятна.
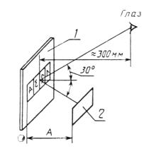
В качестве капилляра допускается применять наконечник из химически стойкого материала при обеспечении указанной скорости истечения. Постоянное давление устанавливают посредством стеклянной трубки, вставленной через пробку в горлышко воронки и имеющей отверстие для воздуха, поступающего в воронку. Нижний конец трубки должен находиться в растворе на расстоянии (250 ± 5) мм от конца капиллярной трубки. В трубку вставляют термометр. Через пробку вставляют вторую стеклянную трубку, в закрытый конец которой впаяна платиновая проволока. Нижний конец трубки должен находиться в растворе в постоянном положении на расстоянии (250 ± 5) мм от конца капиллярной трубки в соответствии с черт. 1.
Платиновую проволоку и контролируемую деталь подключают к электрической схеме, в которую входят источник тока с регулируемым напряжением 1 - 3 В и внутренним сопротивлением 10 - 20 кОм, микроамперметр с пределом измерения 150 - 300 мкА и классом точности не ниже 4,0 и включатель.
Перед началом работы воронку на три четверти объема заполняют раствором, открывают кран и заполняют капиллярную трубку. Горлышко воронки закрывают пробкой, закрывают кран. Снова открывают кран и дают возможность раствору вытекать до тех пор, пока не начнется равномерное засасывание пузырьков воздуха в воронку, что указывает на установившееся в ней постоянное давление.
Деталь укрепляют в штативе (на подставке) таким образом, чтобы конец капиллярной трубки был расположен на расстоянии; 4 - 5 мм от поверхности детали и обеспечивалось свободное стекание раствора.
Деталь должна быть электрически изолирована от металлического штатива (подставки).
При проведении измерения включают схему, одновременно открывают кран и включают секундомер. Останавливают секундомер и закрывают кран в момент отклонения стрелки измерительного прибора, которое происходит при появлении основного металла или подслоя.
3.16.3. Струйно-периодический метод
При проведении измерений применяют установку по п. 3.16.2 без электрической схемы.![]()
Подготовку установки проводят по п. 3.16.2.
При измерении полностью открывают кран, одновременно включают секундомер и наблюдают за состоянием поверхности в. месте падения струи до полного растворения покрытия. Признак окончания измерения указан в табл. 4.
Допускается прерывать измерение (закрывать кран и останавливать секундомер) при необходимости удаления продуктов растворения покрытия, при этом число секунд, в течение которых идет растворение покрытия, суммируют.
Продукты растворения покрытия удаляют фильтровальной бумагой, свернутой в виде жгута.
При измерении толщины многослойных покрытий отдельно отмечают время, затраченное на растворение каждого слоя.
Толщину покрытия (Н) в микрометрах вычисляют по формуле
, (5)
где
- толщина покрытия,
снимаемая за 1 с, мкм;
- время,
затраченное на растворение покрытия, с.
Толщины
для различных
покрытий в зависимости от температуры приведены в табл. 5.
При расчете в формулу вводят поправочный коэффициент для следующих покрытий:
|
0,7 |
- для кадмиевого из сернокислых электролитов;
|
|
1,15 |
- для кадмиевого из хлористоаммонийных электролитов;
|
|
1,35 |
- для медного из цианистых электролитов;
|
|
1,2 |
- для хромового из саморегулирующихся и тетрахроматных электролитов;
|
|
1,2 |
- для никелевого из электролитов с блескообразователями Лимеда НБ-1, Лимеда НБ-3, Лимеда ННБ-1;
|
|
1,1 |
- для никелевого из сульфаминового электролита; |
|
0,9 |
- для сплава медь-цинк из пирофосфатного электролита. |
Относительная погрешность электроструйного и струйно-периодического методов ± 10 %.
1 - деталь; 2 - капиллярная трубка; 3 - резиновяя трубка; 4 - кран; 5 - капельная воронка; 6, 8 - стеклянные трубки; 7 - платиновая проволока; 9 - пробка: 10 - термометр
Черт. 1
|
Температура, °С |
Толщина |
|||||||
|
цинкового из цианистых, сернокислых, аммиакатных и цинкатных электролитов |
кадмиевого из цианистых и сульфатноаммониевых электролитов |
медного из медного из сернокислых и пирофосфатных электролитов |
сплава медь-цинк из цианистых электролитов |
никелевого из серно-кислых электролитов |
хромового из серно-кислых электролитов |
серебряного из цианистых и дицианоаргентатных электролитов |
сплава серебро-сурьма из цианистых и дицианоаргентатных электролитов |
|
|
12 |
0,515 |
0,190 |
0,538 |
0,443 |
0,236 |
0,066 |
0,290 |
0,210 |
|
13 |
0,530 |
0,195 |
0,568 |
0,470 |
0,262 |
0,075 |
0,305 |
0,216 |
|
14 |
0,542 |
0,201 |
0,602 |
0,498 |
0,294 |
0,083 |
0,320 |
0,224 |
|
15 |
0,560 |
0,207 |
0,641 |
0,526 |
0,333 |
0,094 |
0,340 |
0,236 |
|
16 |
0,371 |
0,211 |
0,685 |
0,560 |
0,376 |
0,101 |
0,355 |
0,248 |
|
17 |
0,589 |
0,217 |
0,735 |
0,594 |
0,424 |
0,109 |
0,367 |
0,260 |
|
18 |
0,610 |
0,223 |
0,794 |
0,629 |
0,467 |
0,120 |
0,380 |
0,272 |
|
19 |
0,630 |
0,229 |
0,862 |
0,664 |
0,493 |
0,131 |
0,390 |
0,285 |
|
20 |
0,645 |
0,235 |
0,926 |
0,699 |
0,521 |
0,139 |
0,403 |
0,295 |
|
21 |
0,670 |
0,241 |
0,980 |
0,731 |
0,546 |
0,147 |
0,413 |
0,310 |
|
22 |
0,690 |
0,247 |
1,042 |
0,768 |
0,575 |
0,156 |
0,420 |
0,320 |
|
23 |
0,715 |
0,253 |
1,099 |
0,802 |
0,606 |
0,164 |
0,431 |
0,325 |
|
24 |
0,740 |
0,260 |
1,163 |
0,836 |
0,641 |
0,169 |
0,439 |
0,345 |
|
25 |
0,752 |
0,265 |
1,220 |
0,870 |
0,671 |
0,174 |
0,450 |
0,360 |
|
26 |
0,775 |
0,272 |
1,266 |
0,900 |
0,709 |
0,178 |
0,459 |
0,370 |
|
27 |
0,790 |
0,279 |
1,333 |
0,934 |
0,741 |
0,184 |
0,469 |
0,382 |
|
28 |
0,808 |
0,286 |
1,389 |
0,968 |
0,769 |
0,188 |
0,478 |
0,395 |
|
29 |
0,824 |
0,294 |
1,429 |
1,000 |
0,800 |
0,193 |
0,485 |
0,410 |
|
30 |
0,833 |
0,302 |
1,471 |
1,030 |
0,833 |
0,196 |
0,495 |
0,420 |
Примечание. Значение
, для покрытий сплавом медь-олово при температуре 18 -3 0 °С
равно 0,50.
3.16.4. Струйно-объемный метод
При проведении измерений применяют бюретку со стеклянным краном с ценой деления 0,1 см3. К бюретке при помощи резиновой трубки присоединяют капиллярную трубку, откалиброванную, как указано в п. 3.16.2.
Деталь укрепляют в штативе (подставке), как указано в п. 3.16.2.
Измерение проводят по п. 3.16.3.
Перед началом измерения бюретку наполняют до нулевого деления.
При измерении отмечают объем раствора, затраченный на
растворение покрытия. Толщину покрытия (
) в микрометрах вычисляют по формуле
, (6)
где
- толщина
покрытия, снимаемая 1 см3 раствора, мкм;
V - объем раствора, израсходованный на растворение покрытия, см3.
Толщины
для различных
покрытий в зависимости от температуры приведены в табл. 6.
|
Температура, °С |
Толщина |
||||
|
цинкового из цианистых, сернокислых, аммиакатных и цинкатных электролитов |
кадмиевого из цианистых электролитов |
медного из медного из сернокислых и пирофосфатных электролитов |
сплава медь-цинк из сернокислых и пирофосфатных электролитов |
никелевого из серно-кислых электролитов |
|
|
12 |
1,465 |
0,886 |
2,268 |
1,475 |
0,995 |
|
13 |
1,501 |
0,900 |
2,370 |
1,560 |
1,091 |
|
14 |
1,540 |
0,914 |
2,481 |
1,660 |
1,211 |
|
15 |
1,597 |
0,929 |
2,604 |
1,750 |
1,955 |
|
16 |
1,610 |
0,943 |
2,747 |
1,865 |
1,510 |
|
17 |
1,645 |
0,957 |
2,915 |
1,970 |
1,681 |
|
18 |
1,688 |
0,971 |
3,115 |
2,080 |
1,832 |
|
19 |
1,740 |
0,986 |
3,344 |
2,210 |
1,908 |
|
20 |
1,776 |
1,000 |
3,546 |
2,330 |
1,996 |
|
21 |
1,845 |
1,014 |
3,717 |
2,440 |
2,070 |
|
22 |
1,895 |
1,029 |
3,906 |
2,560 |
2,151 |
|
23 |
1,945 |
1,043 |
4,065 |
2,680 |
2,242 |
|
24 |
1,990 |
1,057 |
4,255 |
2,780 |
2,347 |
|
25 |
2,033 |
1,071 |
4,425 |
2,910 |
2,433 |
|
26 |
2.080 |
1,086 |
4,455 |
3,000 |
2,520 |
|
27 |
2,126 |
1,100 |
4,472 |
3,100 |
2,620 |
|
28 |
2,173 |
1,114 |
4,485 |
3,240 |
2,720 |
|
29 |
2,219 |
1,129 |
4,500 |
3,330 |
2,820 |
|
30 |
2,266 |
1,143 |
4,515 |
3,350 |
2,920 |
При расчете толщины покрытия в формулу вводят поправочный коэффициент для следующих покрытий:
1,1 - для цинкового из электролитов с блескообразователями ДХТИ-102, Ликонда ZnSR, Лимеда СЦ, Лимеда НЦ, Лимеда ОЦ;
1, 2 - для цинкового из электролитов с блескообразующими добавками БЦ, НБЦ, БЦУ;
0,7 - для кадмиевого из сернокислых электролитов;
1,35 - для медного из цианистых электролитов;
1,1 - для медного из электролитов с блескообразующими добавками БС-1, БС-2, Лимеда Л-2А, ЛТИ-1,1;
1,1 - для никелевого из электролитов с блескообразующими добавками на основе 1,4-бутиндиола и сульфаминового электролита;
1,4 - для никелевого из электролитов с блескообразующим добавками на основе динатриевой соли нафталин-1,5-дисульфо-кислоты, динатриевых солей 2,6- и 2,7-нафталиндисульфокислоты;
1,1 - для сплава медь-цинк из цианистых электролитов. При измерении толщины покрытий, полученных из электролитов с блескообразующими добавками, образовавшийся шлам следует удалить фильтровальной бумагой, свернутой в виде жгута.
При измерении толщины многослойных покрытий отдельно отмечают объем раствора, затраченный на растворение каждого слоя.
Относительная погрешность метода ± 15 %.
3.17. Метод капли
3.17.1. Метод основан на растворении покрытия соответствующим раствором, наносимым на поверхность каплями и выдерживаемым в течение определенного промежутка времени.
Метод применяют для однослойных и многослойных покрытии (послойно).
3.17.2. При проведении измерения на поверхность покрытия наносят из капельницы одну каплю раствора, выдерживают время, указанное в табл. 7, и насухо удаляют фильтровальной бумагой. Затем на то же место наносят вторую каплю раствора, повторяют до полного растворения покрытия.
Для предотвращения растекания раствора на поверхности детали с помощью любого химически стойкого изолирующего материала ограничивают площадку и наносят на нее каплю раствора для снятия покрытия.
Растворы применяемые для измерения толщины покрытия,. время выдержки капли и признак окончания измерения приведены в табл. 7, а их приготовление - в приложении 4.
3.17.3. Толщину покрытия (Н) в микрометрах вычисляют по формуле
(7)
где
- толщина покрытия,
снимаемая одной каплей раствора за определенное время, мкм;
п - количество капель, израсходованное на растворение покрытия.
Толщина
для различных
покрытий в зависимости от температуры приведена в табл. 8.
При расчете толщины покрытий, полученных из электролитов с блескообразующими добавками, поправочный коэффициент не вводят.
При расчете толщины никелевого покрытия на алюминии и его сплавах, полученного электрохимическим способом с предварительной цинкатной обработкой, следует пользоваться табл. 9.
При измерении многослойных покрытий отдельно подсчитывают количество капель, израсходованных на растворение каждого слоя. Относительная погрешность метода ± 30 %.
Растворы, применяемые для контроля толщины покрытий методом капли
|
Вид покрытия |
Основной металл или металл подслоя |
Номер раствора |
Состав раствора |
Время выдержки одной капли, с |
Признак окончания измерения |
||
|
Компоненты |
Концентрация |
||||||
|
г/дм3 |
см3/дм3 |
||||||
|
Цинковое, кадмиевое |
Сталь, медь и ее сплавы, никель |
29 |
Медь сернокислая |
100 |
- |
60 |
Появление розового пятна |
|
Медное |
Сталь, никель, алюминий и его сплавы |
2 |
Ангидрид хромовый |
275 |
- |
60 |
Появление основного металла или металла подслоя |
|
Аммоний сернокислый |
110 |
- |
|||||
|
Никелевое |
Сталь, медь и ее сплавы, алюминий и его сплавы, титан |
23 |
Железо хлорное |
300 |
- |
30 |
Появление розового пятна |
|
Медь сернокислая |
100 |
- |
|||||
|
Хромовое |
Сталь, медь и ее сплавы, никель, цинк и его сплавы, титан |
6 |
Кислота соляная (плотность 1,19 г/см3) |
- |
360 |
60 |
Появление основного металла или металла подслоя |
|
Оловянное, сплав олово-висмут |
Сталь, медь и ее сплавы, никель |
30 |
Железо хлорное |
75 |
- |
30 |
Появление розового пятна или металла подслоя |
|
Медь сернокислая |
50 |
- |
|||||
|
Кислота соляная 1 моль/дм3 |
- |
300 |
|||||
|
Оловянное, сплав олово-висмут, сплав олово-свинец, сплав олово-цинк, свинцовое |
Сталь, медь и ее сплавы, никель |
8 |
Кислота борфтористоводородная (плотность 1,3 г/см3) |
- |
150 |
30 |
Появление основного металла или металла подслоя |
|
Лимеда УПОС-2 |
100 |
- |
|||||
|
31 |
Кислота борфтористоводородная (плотность 1,3 г/см3) |
- |
75 |
||||
|
Лимеда УПОС-2 |
50 |
- |
|||||
|
Сплав медь-цинк (латунь) |
Сталь |
28 |
Железо хлорное |
150 |
- |
30 |
Появление основного металла |
|
Кислота соляная (плотность 1,19 г/см3) |
- |
150 |
|||||
|
Кислота уксусная (ледяная) |
- |
250 |
|||||
|
Сурьма треххлористая |
15 |
- |
|||||
4.1. Методы основаны на взаимодействии основного металла или металла подслоя с реагентом в местах пор с образованием окрашенных соединений.
Методы применяют для контроля пористости медных, никелевых, хромовых, оловянных, серебряных покрытий и покрытий сплавами олова на деталях из стали.
Подготовка деталей - по п.п. 1.3, 1.6 и 1.7.
При проведении контроля применяют раствор 32:
калий железосинеродистый - 3 г/дм3;
натрий хлористый - 10 г/дм3
4.2. Среднее число пор (Nср) вычисляют по формуле
, (8)
где Nобщ - общее число пор на контролируемой поверхности;
S - площадь контролируемой поверхности, см3.
4.3. Метод погружения
При проведении контроля деталь погружают в раствор 32 и выдерживают в течение 5 мин при температуре 18-30 °C. На контролируемой поверхности подсчитывают число синих точек, соответствующее числу пор.
4.4. Метод наложения фильтровальной бумаги
4.4.1. При проведении контроля на подготовленную деталь накладывают фильтровальную бумагу, смоченную раствором 32, таким образом, чтобы между поверхностью детали и бумагой не было пузырьков воздуха. После выдержки в течение 5 мин бумагу с отпечатками пор в виде точек или пятен снимают, промывают струей дистиллированной воды и высушивают на чистом стекле.
4.4.2. При проведении контроля многослойных покрытий (медь-никель-хром) для выявления пор, доходящих до меди и стали, фильтровальную бумагу с отпечатками пор после промывки накладывают па чистое стекло и наносят на нее раствор железо-синеродистого калия 40 г/дм3. При этой обработке желтые точки (следы никеля) исчезают, затем бумагу промывают струей воды и высушивают на чистом стекле. Оставшиеся на бумаге красно-бурые и синие пятна - следы пор, доходящих до меди и стали, подсчитывают.
4.4.3. Для выявления пор, доходящих до никеля, фильтровальную бумагу с отпечатками пор накладывают на чистое стекло и на нее наносят аммиачный раствор диметилглиоксима (диметил-глиоксим - 2 г/дм3 аммиак 25 %-ный - 500 см3/дм3). После образования в местах пор точек или пятен ярко-розового цвета, характерного для никеля, фильтровальную бумагу промывают струей воды и высушивают на стекле. При этой обработке следы пор, доходящих до меди и стали, бледнеют и не мешают подсчету пор, доходящих до никеля.
|
Температура, °С |
Толщина |
||||||||||||||||
|
цинкового |
кадмиевого |
медного |
никелевого |
хромового |
сплава медь-цинк |
Оловянного, сплава олово-висмут |
Сплава олово-свинец (40) |
Сплава олово-свинец (60) |
Сплава олово-цинк |
Свинцового |
|||||||
|
Раствор |
Раствор |
Раствор |
Раствор |
Раствор |
|||||||||||||
|
8 |
30 |
31 |
8 |
31 |
8 |
31 |
8 |
31 |
8 |
31 |
|||||||
|
12 |
1,91 |
1,79 |
1,04 |
0,55 |
0,75 |
0,30 |
1,55 |
0,90 |
0,75 |
2,06 |
1,17 |
1,87 |
1,00 |
1,70 |
0,80 |
2,09 |
1,14 |
|
13 |
1,97 |
1,80 |
1,07 |
0,57 |
0,80 |
0,30 |
1,57 |
0,91 |
0,77 |
2,08 |
1,19 |
1,89 |
1,02 |
1,71 |
0,83 |
2,11 |
1,16 |
|
14 |
2,05 |
1,81 |
1,09 |
0,59 |
0,86 |
0,31 |
1,59 |
0,92 |
0,79 |
2,09 |
1,21 |
1,90 |
1,03 |
1,75 |
0,85 |
2,15 |
1,20 |
|
15 |
2,12 |
1,82 |
1,12 |
0,61 |
0,92 |
0,31 |
1,61 |
0,94 |
0,81 |
2,11 |
1,22 |
1,92 |
1,05 |
1,77 |
0,86 |
2,18 |
1,23 |
|
16 |
2,19 |
1,83 |
1,14 |
0,63 |
0,98 |
0,31 |
1,63 |
0,96 |
0,83 |
2,12 |
1,23 |
1,93 |
1,06 |
1,80 |
0,88 |
2,22 |
1,27 |
|
17 |
2.26 |
1,84 |
1,16 |
0,65 |
1,03 |
0,31 |
1,65 |
0,98 |
0,85 |
2,13 |
1,24 |
1,94 |
1,07 |
1,83 |
0,89 |
2,25 |
1,30 |
|
18 |
2,33 |
1,85 |
1,17 |
0,67 |
1,08 |
0,31 |
1,67 |
1,00 |
0,87 |
2,15 |
1,25 |
1,95 |
1,08 |
1,86 |
0,91 |
2,29 |
1,35 |
|
19 |
2,40 |
1,86 |
1,19 |
0,69 |
1,14 |
0,32 |
1,69 |
1,02 |
0,89 |
2,16 |
1,27 |
1,97 |
1,10 |
1,89 |
0,93 |
2,32 |
1,37 |
|
20 |
2,47 |
1,87 |
1,20 |
0,70 |
1,20 |
0,32 |
1,71 |
1,04 |
0,91 |
2,17 |
1,28 |
1,98 |
1,11 |
1,92 |
0,95 |
2,36 |
1,40 |
|
21 |
2,55 |
1,88 |
1,22 |
0,71 |
1,26 |
0,32 |
1,73 |
1,06 |
0,93 |
2,18 |
1,29 |
1,99 |
1,12 |
1,95 |
0,96 |
2,39 |
1,44 |
|
22 |
2,62 |
1,89 |
1,23 |
0,72 |
1,32 |
0,32 |
1,75 |
1,08 |
0,95 |
2,20 |
1,30 |
2,00 |
1,13 |
1,98 |
0,98 |
2,42 |
1,48 |
|
23 |
2,69 |
1,90 |
1,24 |
0,73 |
1,38 |
0,32 |
1,77 |
1,10 |
0,97 |
2,21 |
1,32 |
2,02 |
1,15 |
2,01 |
0,99 |
2,46 |
1,51 |
|
24 |
2,76 |
1,91 |
1,26 |
0,74 |
1,44 |
0,33 |
1,79 |
1,12 |
0,99 |
2,22 |
1,33 |
2,03 |
1,16 |
2,05 |
1,01 |
2,50 |
1,55 |
|
25 |
2,83 |
1,92 |
1,28 |
0,75 |
1,50 |
0,33 |
1,81 |
1,14 |
1,01 |
2,23 |
1,34 |
2,04 |
1,17 |
2,07 |
1,03 |
2,53 |
1,58 |
|
26 |
2,90 |
1,93 |
1,29 |
0,75 |
1,56 |
0,33 |
1,83 |
1,16 |
1,03 |
2,25 |
1,35 |
2,05 |
1,18 |
2,10 |
1,05 |
2,57 |
1,61 |
|
27 |
2,96 |
1,94 |
1,32 |
0,76 |
1,62 |
0,33 |
1,85 |
1,18 |
1,05 |
2,26 |
1,36 |
2,07 |
1,20 |
2,13 |
1,06 |
2,60 |
1,65 |
|
28 |
3,05 |
1,95 |
1,33 |
0,77 |
1,74 |
0,34 |
1,87 |
1,20 |
1,07 |
2,27 |
1,37 |
2,08 |
1,21 |
2,16 |
1,07 |
2,63 |
1,68 |
|
29 |
3,12 |
1,96 |
1,34 |
0,77 |
1,86 |
0,34 |
1,89 |
1,22 |
1,09 |
2,28 |
1,39 |
2.09 |
1,22 |
2,19 |
1,09 |
2,67 |
1,72 |
|
30 |
3,17 |
1,97 |
1,35 |
0,78 |
1,98 |
0,34 |
1,91 |
1,24 |
1,11 |
2,29 |
1,40 |
2,10 |
1,23 |
2,22 |
1,10 |
2,70 |
1,75 |
|
31 |
3,24 |
1,98 |
1,36 |
0,78 |
2,12 |
0,35 |
1,93 |
1,26 |
1,13 |
2,31 |
1,42 |
2,11 |
1,24 |
2,25 |
1,11 |
2,75 |
1,78 |
|
32 |
3,32 |
1,99 |
1,36 |
0,80 |
2,33 |
0,35 |
1,95 |
1,27 |
1,15 |
2,32 |
1,44 |
2,12 |
1,25 |
2,28 |
1,13 |
2,79 |
1,82 |
|
33 |
3,40 |
2,00 |
1,36 |
0,80 |
2,37 |
0,36 |
1,97 |
1,29 |
1,17 |
2,34 |
1,45 |
2,14 |
1,26 |
2,31 |
1,15 |
2,84 |
1,85 |
|
34 |
3,48 |
2,01 |
1,37 |
0,82 |
2,40 |
0,36 |
2,00 |
1,31 |
1,19 |
2,36 |
1,46 |
2,15 |
1,28 |
2,35 |
1,17 |
2,89 |
1,89 |
|
35 |
3,55 |
2,02 |
1,37 |
0,82 |
2,50 |
0,36 |
2,03 |
1,33 |
1,22 |
2,37 |
1,47 |
2,17 |
1,30 |
2,39 |
1,20 |
2,92 |
1,93 |
Примечания:
1. При толщине никелевого покрытия менее 3 мкм каплю раствора выдерживают на поверхности покрытия в течение 15 с. Одна капля при темпера туре 18-30 °С снимает за 15 с 0,3 мкм никеля.
2. При увеличении содержания олова в покрытии сплавами олово-свинец (40) и олово-свинец (60) на каждый один процент олова Нк уменьшают на 0,001.
3. При уменьшении содержания олова в покрытии сплавом олово-цинк (70) на 10 % Hк уменьшают на 0,075.
4.4.4. Определение пористости покрытий с верхним слоем хрома проводят не ранее чем через 30 мин после окончания процесса хромирования.
мкм
|
H |
1,0 |
2,0 |
3,0 |
4,0 |
5,0 |
6,0 |
7,0 |
8,0 |
9,0 |
10,0 |
11,0 |
12,0 |
13,0 |
14,0 |
15,0 |
|
HД |
5,2 |
6,2 |
7,4 |
8,5 |
9,6 |
10,8 |
12,1 |
13,5 |
16,0 |
17,0 |
19,2 |
20,4 |
21,8 |
23,0 |
24,0 |
Примечание. Н - толщина никелевого покрытия на алюминии и его сплавах, полученная при расчете; HД - действительная толщина никелевого покрытия на алюминии и его сплавах.
4.4.5. Для подсчета пор на фильтровальную бумагу с отпечатками пор накладывают стекло, разделенное на квадратные сантиметры. Число пор подсчитывают на каждом квадрате отдельно. Измеряют площадь бумаги, соприкасающейся с деталью, и вычисляют среднее число пор по формуле (8).
4.5. Метод паст
При проведении контроля на поверхность покрытия наносят пасту, приготовленную добавлением к раствору 32 каолина до консистенции кашицы. Пасту наносят равномерно волосяной кистью, погружением или другими способами из расчета 50 - 120 г/м3 выдерживают в течение 5 мин и подсчитывают поры (синие точки).
4.6. Электрохимический метод контроля пористости и наличия микротрещин хромовых покрытий
Метод основан на электрохимическом осаждении меди на основном металле или подслое в местах пор и трещин в покрытии.
Осаждение меди проводят в растворе 33 состава:
медь сернокислая - 200 г/дм3;
кислота серная (плотность 1,84 г/см3) - 20 г/дм3.
Катодная плотность тока 0,3 А/дм2 температура 18 - 30 °С, продолжительность обработки не более 1 мин. Загрузку проводят под током.
При определении пористости с перерывом после нанесения покрытия деталь перед осаждением меди обезжиривают химическим способом (электрохимическая обработка не допускается) и обрабатывают в растворе азотной кислоты 15 г/дм3 при температуре 95 °С в течение 4 мин.
Наличие пор и трещин в покрытии определяют при отраженном свете под микроскопом с увеличением 100´. Для точного подсчета пор и трещин применяют большее увеличение.
Расстояние, на котором подсчитывают трещины, определяют с помощью окуляра с микрометрической шкалой или аналитического прибора и выбирают так, чтобы при используемом увеличении можно было подсчитать не менее сорока трещин.
Для подсчета пор используют фотографирование с применением микрофотонасадок к микроскопам.
4.7. Электрографические методы контроля золотых покрытий приведены в приложении 7.
5.1. Методы основаны на различии физико-механических свойств металла покрытия и основного металла.
Метод контроля выбирают в зависимости от вида покрытия по табл. 10 с учетом свойств основного металла и металла покрытия, типа и назначения детали.
На деталях, которые после нанесения покрытия подвергают обработке с применением механических воздействий (полированию, шлифованию, гравированию и т. п.), контроль прочности сцепления покрытий допускается не проводить.
5.2. Для контроля допускается применять оборудование и приспособления различных типов (полировальные и крацевальные станки, муфельные печи, тиски и т. п.).
5.3. Метод полирования
Метод применяют для твердых покрытий толщиной до 30 мкм.
Для полирования применяют круги из бязи, фетра и других материалов, пасту ПХВ типа ГОИ.
Время полирования не менее 15 с, скорость полирования 20 - 30 м/с.
После полирования на контролируемой поверхности не должно быть вздутий или отслаиваний покрытия.
5.4. Метод крацевания
Метод применяют для покрытий толщиной не более 20 мкм.
Для крацевания применяют стальные и латунные (для мягких покрытий) щетки с диаметром проволоки 0,1-0,3 мм, частота вращения щеток 1500 - 2800 мин-1.
Время крацевания не менее 15 с.
После крацевания на контролируемой поверхности не должно быть вздутий или отслаивания покрытия.
|
Метод контроля |
Вид покрытия |
||||||||
|
медное, сплавы медь-олово, медь-цинк |
никелевое |
никелевое, полученное химическим способом |
хромовое |
цинковое, кадмиевое, оловянное, сплавы олово-висмут, олово-цинк |
сплав олово-никель |
свинцовое, сплав олово-свинец |
серебряное, сплав серебро-сурьма, золотое, сплавы на основе золота |
палладиевое, родиевое |
|
|
Полирование |
+ |
+ |
+ |
+ |
- |
+ |
- |
- |
- |
|
Кварцевание |
+ |
- |
- |
- |
+ |
+ |
+ |
+ |
+ |
|
Изгиб |
+ |
+ |
+ |
+ |
- |
- |
- |
- |
- |
|
Навивка |
+ |
+ |
+ |
+ |
+ |
- |
+ |
+ |
+ |
|
Растяжение |
- |
+ |
+ |
- |
+ |
- |
+ |
+ |
+ |
|
Нанесение сетки царапин |
+ |
+ |
- |
- |
+ |
+ |
+ |
+ |
+ |
|
Нагрев |
+ |
+ |
+ |
+ |
+ |
+ |
+ |
+ |
+ |
|
Изменение температур |
+ |
+ |
+ |
+ |
+ |
+ |
+ |
+ |
+ |
|
Опиловка |
- |
+ |
+ |
+ |
- |
+ |
- |
- |
- |
|
Выдавливание |
+ |
+ |
+ |
+ |
+ |
- |
- |
- |
- |
|
Протирание (см. примечание 2) |
|
|
|
|
|
|
|
|
|
Примечания:
1. Знаки «+» и «-» обозначают применяемость и неприменяемость данного метода.
2. Метод протирания применяют для окрашенных пассивирующих (хроматных) пленок на цинковых и кадмиевых покрытиях.
5.5. Метод изгиба
Метод применяют для покрытий на деталях, изготовленных из материала толщиной или диаметром не более 3 мм.
При проведении контроля деталь (образец) с покрытием изгибают вручную или с помощью плоскогубцев под углом 90° в одну сторону, затем в другую до излома.
В месте излома не должно быть отслаивания покрытия. Растрескивание покрытия не учитывается.
5.6. Метод навивки
Метод применяют для покрытий на проволоке.
Проволоку диаметром до 1 мм включительно навивают на стержень утроенного диаметра, диаметром более 1 мм - на проволоку того же диаметра так, чтобы образовалось не менее трех витков с сохранением расстояния между витками, равного диаметру проволоки.
После навивки не должно быть отслаивания покрытия. Растрескивание покрытия не учитывается.
5.7. Метод растяжения
Метод применяют для покрытий на пружинах.
Пружины с диаметром проволоки до 1 мм включительно контролируют выпрямлением, более 1 мм - растяжением пружины на двойную длину.
После выпрямления или растяжения не должно быть отслаивания покрытия. Растрескивание покрытия не учитывается.
5.8. Метод нанесения сетки царапин (метод рисок)
Метод применяют для покрытий толщиной не более 20 мкм.
На поверхности контролируемого покрытия острием (твердость материала острия должна быть выше твердости покрытия) наносят не менее трех параллельных рисок с расстоянием между ними от 2 до 3 мм и перпендикулярно к ним также не менее трех параллельных рисок. Риски наносят в одном направлении острием, установленным под углом 30°, глубиной до основного металла.
После контроля не должно быть отслаивания покрытия между линиями и в сетке квадратов.
5.9. Метод нагрева
Метод применяют для покрытий на любых деталях, кроме имеющих паяные соединения, выполненные низкотемпературными припоями.
При проведении контроля деталь (образец) с покрытием нагревают до температуры, указанной в табл. 11, выдерживают при данной температуре в течение 1 ч и охлаждают на воздухе.
После контроля не должно быть вздутий или отслаиваний покрытия.
5.10. Метод изменения температур
Метод применяют для покрытий на любых деталях, кроме имеющих паяные соединения, выполненные низкотемпературными припоями.
При проведении контроля деталь (образец) с покрытием нагревают до температуры, указанной в табл. 11, выдерживают при данной температуре в течение 15 мин и быстро охлаждают погружением в воду с температурой от 15 до 25 °С.
После контроля не должно быть вздутий или отслаивания покрытия.
5.11. Метод опиловки
Метод применяют для покрытий толщиной более 5 мкм.
Контроль проводят на образцах, вырезанных из детали перпендикулярно к поверхности покрытия, с площадью поперечного течения не менее 2 см2.
Образец зажимают в тисках и опиливают по срезу напильником с набором мелких зубьев. Опиловку проводят в направлении от основного металла к покрытию под углом 45°.
Контроль прочности сцепления покрытий методом нагрева
|
Основной металл или металл подслоя |
Температура нагрева деталей, °С, с покрытием |
||||||||
|
медным, |
сплавом медь-олово, медь-цинк |
цинковым, кадмиевым |
хромовым, |
никелевым, в том числе полученным химическим способом, сплавом олово-никель |
оловянным, свинцовым, сплавом олово-цинк, олово-свинец, олово-висмут |
серебряным сплавом серебро-сурьма |
золотым, сплавами на основе золота |
палладиевым, родиевым, сплавом палладий-никель |
|
|
Предельное отклонение ±10 °С |
|||||||||
|
Сталь, чугун |
300 |
200 |
190 |
300 |
300 |
150 |
200 |
200 |
- |
|
Алюминий и его сплавы |
- |
- |
190 |
200 |
200 |
150 |
200 |
- |
- |
|
Медь и ее сплавы |
- |
- |
190 |
250 |
250 |
150 |
200 |
200 |
200 |
|
Цинк и его сплавы |
- |
140 |
- |
140 |
140 |
- |
- |
- |
- |
|
Титан и его сплавы |
- |
- |
- |
210 |
210 |
150 |
200 |
- |
- |
|
Никель |
- |
- |
190 |
250 |
250 |
150 |
200 |
200 |
200 |
|
Серебро |
- |
- |
- |
- |
- |
- |
- |
- |
200 |
Примечание. При контроле многослойных покрытий температуру нагрева выбирают с учетом самого низкотемпературного слоя.
Для мелких деталей допускается срез с одной стороны до вскрытия основного металла.
После контроля не должно быть отслаивания покрытия.
5.12. Метод выдавливания (штамповки) - по ГОСТ 10510-80. После контроля не должно быть шелушения и отслаивания
покрытия. Растрескивание основного металла не учитывается.
5.13. Метод протирания
При проведении контроля поверхность покрытия вручную протирают белой бумагой или карандашной резинкой в течение 2-3 с.
Контроль проводят не ранее чем через 24 ч после хроматирования.
После контроля не должно быть изменения цвета пленки или ее удаления с покрытия.
6.1. Методы основаны на разрушении покрытия под действием испытательных растворов.
Растворы, применяемые для контроля защитных свойств покрытий, приведены в табл. 12, а их приготовление - в приложении 4.
Подготовка деталей - по п. 1.3.
6.2. Метод капли
При проведении контроля на поверхность покрытия наносят 2-4 капли раствора, выдерживают в течение времени, указанного в табл. 12 и табл. 13, и наблюдают за изменением цвета капли.
Для предотвращения растекания раствора допускается применять изолирующие материалы в соответствии с п. 3.17.2.
(Поправка, ИУС 9-2007).
6.3. Метод погружения
При проведении контроля детали погружают в испытательный раствор, выдерживают в течение времени, указанного в табл. 12, извлекают, промывают и высушивают фильтровальной бумагой или на воздухе.
6.4. Время выдержки капли раствора 34 в зависимости от температуры приведено в табл. 13. Для остальных растворов температура при проведении контроля должна быть от 12 до 30 °С.
6.5. Наблюдение проводят визуально невооруженным глазом при освещенности не менее 300 лк.
Защитные свойства покрытия считают удовлетворительными, если в течение времени, указанного в табл. 12 и 13, не происходит изменение цвета капли или появление точек коррозии основного металла.
6.6. Метод контроля защитных свойств хроматных покрытий на цинковых и кадмиевых покрытиях приведен в приложении 8.
Растворы, применяемые для контроля защитной способности неметаллических неорганических покрытий
|
Вид покрытия |
Основной металл |
Номер раствора |
Состав раствора |
Признак неудовлетворительного покрытия |
|||
|
Компоненты |
Концентрация |
Время выдержки, мин |
|||||
|
г/дм3 |
см3/дм3 |
||||||
|
Анодно-окисное |
Алюминий и его сплавы |
34 |
Кислота соляная (плотность 1,19 г/см3) |
- |
250 |
1-50 |
Изменение цвета капли от оранжевого до зеленого |
|
Калий двухромовокислый |
30 |
- |
|||||
|
Фосфатное |
Сталь, чугун |
35 |
Медь сернокислая |
82 |
- |
2 |
Изменение цвета капли от голубого до желтого, светло-зеленого или красного |
|
Натрий хлористый |
33 |
- |
|||||
|
Кислота соляная 0,1 моль/дм3 |
- |
13 |
|||||
|
36 |
Натрий хлористый |
30 |
- |
15 |
Появление точек коррозии основного металла |
||
|
Цинк |
37 |
Медь сернокислая |
40 |
- |
0,5 |
Изменение цвета капли до черного |
|
|
Натрий хлористый |
2 |
- |
|||||
|
Кислота соляная 0,1 моль/дм3 |
- |
8 |
|||||
|
Химическое окисное |
Сталь, чугун |
38 |
Медь сернокислая |
20 |
- |
0,5 |
Появление розовых точек контактной меди |
|
Химическое окисное, полученное способом |
Медь и ее сплавы |
39 |
Кислота азотная (плотность, 1,41 г/см3) |
- |
100 |
0,08 |
Изменение цвета капли до голубого |
Примечания:
1. Для покрытий, выполненных по шифру Ан.Окс. краситель, признаком неудовлетворительного покрытия является изменение цвета капли.
2. Раствор 35 применяют для фосфатных покрытий, полученных из раствора соли «Мажеф» без добавок ускорителей процесса.
3. Растворы 36 и 38 применяют для контроля методами капли и погружения.
4. Для покрытий, выполненных по шифрам Хим.Фос.прм и Хим.Окс.прм, время выдержки в растворе 36 - 2 ч.
Для покрытий, выполненных по шифрам Хим.Фос.прп, Хим.Окс.прп, Хим.Фос.гфж, время выдержки в растворе 36 - 6 ч.
|
Температура, °С |
Время выдержки капли раствора 34, мин, для сплавов |
||||||||||
|
деформируемых |
литейных |
||||||||||
|
плакированных |
неплакированных |
||||||||||
|
Ан.Окс.нв |
Ан.Окс.нхр |
Ан.Окс.хром |
Ан.Окс.нв |
Ан.Окс.нхр |
Ан.Окс.хром |
Ан.Окс.эмт. Ан.Окс.эмт.тв |
Ан.Окс.нв |
Ан.Окс.нхр |
Ан.Окс.хром |
Ан.Окс.эмт. |
|
|
От 11 до 13 |
8,0 |
20 |
9,0 |
6 |
11 |
6 |
50 |
3,0 |
5,0 |
3,5 |
8,0 |
|
» 14 » 17 |
6,0 |
15 |
6,0 |
5 |
8 |
5 |
43 |
2,5 |
4,5 |
3,0 |
7,0 |
|
» 18 » 21 |
3,5 |
12 |
7,5 |
4 |
5 |
4 |
37 |
2,0 |
4,0 |
2,5 |
6,5 |
|
» 22 » 26 |
4,5 |
8 |
4,5 |
3 |
4 |
3 |
32 |
1,5 |
2,5 |
2,0 |
4,5 |
|
» 27 » 32 |
2,5 |
7 |
3,0 |
2 |
3 |
2 |
25 |
1,0 |
1,5 |
1,0 |
3,0 |
(Поправка, ИУС 9-2007)
Примечание. Анодно-окисные покрытия на деформируемых сплавах, выполненные по шифрам Ан.Окс.тв, Ан.Окс.эиз, должны выдерживать испытание в течение 30 мин в интервале температур 12 - 30 °С.
7.1. Массовую долю компонентов покрытия контролируют методами химического или физико-химического анализа.
Покрытие получают на образцах-свидетелях из коррозионно-стойкой стали с шероховатостью поверхности не более Ra 2,5 мкм по ГОСТ 2789-73, затем снимают его механическим способом.
Допускается снимать покрытие непосредственно с деталей химическим способом, в том числе растворять вместе с основным металлом, если компоненты основного металла не влияют на определение компонентов покрытия.
7.2. Массовую долю серы в нижнем слое никелевого двухслойного или трехслойного покрытия контролируют объемным йодо-метрическим методом.
Метод применяют для определения массовой доли серы от 0,005 до 0,5 %.
7.2.1. Контроль проводят на образцах-свидетелях из холоднокатаной стали, полированного никеля или полированной коррозионно-стойкой стали размером 150´100´1 мм.
7.2.2. Массовую долю серы определяют из трех параллельных навесок. За результат анализа принимают среднее арифметическое значение параллельных определений.
Одновременно проводят три контрольных опыта для внесения поправки, учитывающей массовую долю серы в реактивах.
7.2.3. Для проведения контроля готовят растворы:
раствор А: 0,2225 г навески йодноватокислого калия, предварительно высушенного в течение 1 ч при температуре 180 °С, растворяют в 900 см3 воды, переливают раствор в мерную колбу вместимостью 1 дм3, доводят водой до метки и перемешивают. 1 см3 раствора содержит 0,0001 г серы;
раствор Б: в мерную колбу вместимостью 1 дм3 переносят 200 см3 раствора А, доводят водой до метки и перемешивают. 1 см3 раствора содержит 0,00002 г серы;
раствор соляной кислоты в соотношении 3:97 (по объему);
крахмально-йодистый раствор: 1 г крахмала помещают в стакан, добавляют 2 см3 воды и перемешивают до получения кашицы. Смесь вливают в 50 см3 кипящей воды, охлаждают, добавляют 1,5 г йодистого калия, перемешивают и разбавляют водой до 100 см3.
7.2.4. На поверхность очищенного и активированного образца осаждают никелевое покрытие толщиной 7,5 мкм и тщательно промывают. Затем поверхность образца пассивируют обработкой на аноде в растворе, содержащем 30 г/дм3 гидроокиси натрия и 30 г/дм3 фосфата натрия, в течение 5-10 с при температуре 70 - 80 °С и напряжении 3-5 В.
На подготовленный образец осаждают контролируемое покрытие толщиной 25-35 мкм, промывают и высушивают.
7.2.5. Ручными или механическими ножницами отрезают края образца.
С образца снимают никелевое покрытие, промывают в воде и высушивают. Полученную никелевую фольгу разрезают ножницами на куски 2´3 мм, помещают в стакан вместимостью 0,1 дм3 заливают водой и нагревают до кипения. Затем воду сливают, фольгу промывают этиловым спиртом и высушивают на воздухе на фильтровальной бумаге.
7.2.6. При проведении контроля в тигель помещают 1 г железной стружки, 0,8 г железного порошка, 0,9 г олова и навеску никелевого покрытия массой (1,00 ± 0,02) г - при массовой доле серы 0,005 - 0,10% и (0,20 ± 0,02) г - при массовой доле серы 0,10 - 0,50 %.
Содержание тигля премешивают и тигель накрывают крышкой.
Включают индукционную печь, устанавливают рабочую температуру и расход кислорода 1 - 1,5 дм3/мин, который поддерживают постоянным в течение анализа навесок покрытия, стандартных образцов и контрольного опыта.
Абсорбционный сосуд, через который протекает кислород, заполняют по заранее установленной отметки раствором соляной кислоты, приливают 2 см3 крахмально-йодистого раствора и раствор йодноватокислого калия до получения синего цвета, интенсивность которого является критерием титрования.
Бюретку заполняют раствором йодноватокислого калия.
После достижения рабочей температуры в печь помещают закрытый тигель, снимают крышку, закрывают и включают печь. Навеска сгорает в течение 8-10 мин.
В процессе выгорания серы и поступления в колбу двуокиси серы проводят непрерывное титрование, поддерживая исходную интенсивность окраски раствора в абсорбционном сосуде. Титрование считают законченным, если в течение 1 мин интенсивность окраски остается постоянной.
7.2.7. Для проведения контрольного опыта в предварительно прокаленный тигель помещают навески железной стружки, железного порошка и олова и проводят определение по п. 7.2.6.
7.2.8. Массовую долю серы в стандартных образцах определяют по п. 7.2.6.
7.2.9. По результатам анализа стандартных образцов определяют среднее арифметическое значение серного фактора F.
Серный фактор (F) в граммах на кубический сантиметр раствора йодноватокислого калия вычисляют по формуле
![]()
(9)
где т - масса навески стандартного образца г;
- массовая доля серы в стандартном
образце, %;
V - объем раствора йодноватокислого калия, израсходованный на титрование, см3;
V1 - объем раствора нодпоиптокнслого калия, израсходованный на титрование раствора контрольного опыта, см3.
7.2.10. Массовую долю серы (А) в процентах вычисляют по формуле
, (10)
где V2 - объем раствора йодноватокислого калия, израсходованный на титрование, см3;
Vз - объем раствора йодноватокислого калия, израсходованный на титрование раствора контрольного опыта, см3
т1 - масса навески контролируемого покрытия, г.
|
Массовая доля серы, % |
Абсолютные допускаемые расхождения, % |
|
От 0,005 до 0,010 |
0,002 |
|
Св. 0,010 » 0,025 |
0,003 |
|
» 0,025 » 0,050 |
0,005 |
|
» 0,050 » 0,100 |
0,015 |
|
» 0,100 » 0,300 |
0,030 |
|
» 0,300 » 0,500 |
0,060 |
7.2.11. Расхождение между результатами параллельных определений не должно превышать значений, указанных в табл. 14.
8.1. Метод основан на определении количества масла, адсорбированного покрытием.
При измерении применяют масло с кинематической вязкостью (2,5-3,5)×10-5 м2/с при температуре 25 °С.
8.2. Образец с покрытием взвешивают, погружают в масло, нагретое до температуры 130 °С, и выдерживают в нем до температуры (20 ± 5) °С. Затем образец извлекают, удаляют избыток масла фильтровальной бумагой и взвешивают.
8.3. Маслоемкость (М) в миллиграммах на квадратный миллиметр вычисляют по формуле
, (11)
где т - масса образца после погружения в масло, мг
m1 - масса образца до погружения в масло, мг;
S - площадь поверхности образца, мм2.
9.1. Метод основан на определении удельной электрической проводимости воды после промывки в ней испытуемого образца.
9.2. Образец (деталь) полностью погружают на 5 мин в кипящую дистиллированную воду с удельной электрической проводимостью не более 3,0×10-6 См/м. Объем воды берут из расчета 5 см3 на 1 см2 поверхности покрытия. Затем воду охлаждают до комнатной температуры и извлекают образец. Возмещают убыль воды, если она свыше 10 % и определяют ее удельную электрическую проводимость.
Контроль защитных свойств металлических покрытий - по ГОСТ 9.308-85.
Оценка результатов испытаний - по ГОСТ 9.311-87.
11.1. Контроль кристаллической структуры
Фосфатное покрытие считают макрокристаллическим, если при увеличении 6´ можно различить отдельные кристаллы, микрокристаллическим - при гомогенной поверхности (отдельные кристаллы не различимы), аморфным - при блестящей переливающейся поверхности.
11.2. Контроль поверхностной плотности фосфатных покрытий - по ГОСТ 9.402-80.
12.1. Метод окрашивания
12.1.1. Метод основан на определении изменения цвета покрытия в растворе красителя.
Подготовка образца - по п. 1.3.
12.1.2. Метод погружения
При проведении контроля образец погружают в раствор азотной кислоты 400 г/дм3, выдерживают 5 мин, извлекают, промывают и погружают на 5 мин в спиртовой раствор красителя 5 - 20 г/дм3 при температуре (20 ± 5) °С или на 15 мин в водный раствор красителя той же концентрации при температуре (50 ± 3) °С. По истечении времени испытания образец извлекают, промывают II высушивают.
12.1.3. Метод капли
При проведении контроля на участок образца, ограниченный с помощью любого изолирующего материала, наносят несколько капель раствора азотной кислоты. Толщина слоя испытательного раствора должна быть не менее 2 мм. По истечении 5 мин кислоту сливают, образец промывают. Затем поверхность образца полностью заполняют спиртовым или водным раствором красителя. Спиртовой рас) пор красителя выдерживают на поверхности образца в течение 5 мин при температуре (20 ± 5) °С. водный - 15 мин при температуре (50 ± 3) °С. По истечении времени испытания раствор красителя удаляют, снимают изолирующий материал, образец промывают и высушивают.
Осмотр покрытия проводят - по п. 2.2.
Наполнение покрытия считают удовлетворительным, если в течение испытания покрытие не окрасилось или окрасилось незначительно.
12.2. Метод определения разности масс
12.2.1. Метод основан на определении потери массы при травлении в испытательном растворе.
Подготовка образца - по п. 1.3.
Масса образца должна быть не более 200 г, площадь поверхности - не менее 30 см2.
12.2.2. При проведении контроля образец выдерживают в растворе азотпии кислоты 500 г/дм3 в течение 10 мин при температуре (20 ± 5) °С, извлекают, промывают и высушивают теплым воздухом.
Если покрытие, окрашенное органическим красителем, обесцвечивается после выдержки в растворе азотной кислоты, наполнение покрытия считают неудовлетворительными и испытание прекращают.
Если покрытие не обесцвечивается, то образец помещают в эксикатор на 20 мин, затем взвешивают. Образец погружают в испытательный раствор при температуре (90 ± 2) °С на 20 мин, извлекают, промывают, высушивают теплым воздухом, помещают в эксикатор на 20 мин и взвешивают.
12.2.3. Потерю массы покрытия (Р) в миллиграммах на квадратный дециметр вычисляют по формуле
, (12)
где т - масса образца до погружения в испытательный раствор, мг;
- масса образца
после погружения в испытательный раствор, мг;
S - площадь поверхности покрытия, дм2.
12.2.4. Наполнение покрытия считают удовлетворительным, если в результате испытания потеря массы покрытия не превышает норм по ГОСТ 9.301-86, на поверхности покрытия отсутствует осадок белого цвета, обесцвечивание окрашенных покрытий незначительно.
12.2.5. Испытательный раствор готовят растворением 10 г сернокислого натрия в 1 дм3 дистиллированной воды, рН раствора доводят уксусной кислотой до 3,6 - 3,8, затем раствором серной кислоты 500 г/дм3 - до 2,5.
Для испытания применяют свежеприготовленный раствор. Расход раствора составляет 2 дм3/м2 поверхности.
См. приложение 9.
См. приложение 10.
См. приложение 11.
См. приложение 12.
См. приложение 13.
18.1. При проведении контроля металлических и неметаллических неорганических покрытий необходимо соблюдать требования ГОСТ 12.3.008-75.
18.2. Организация рабочих мест должна соответствовать «Межотраслевым требованиям по научной организации труда, которые должны учитываться при проектировании новых и реконструкции действующих предприятий, при разработке технологических процессов и оборудования», утвержденным Госстроем СССР, Минздравом СССР и ВЦСПС.
Расстановка оборудования для проведения контроля покрытий должна соответствовать Общесоюзным нормам технологического проектирования, ОНТП 05-86.
18.3. Классификация категории производства по степени пожарной опасности и класс помещения по исполнению элокгро-усгановок должны соответствовать требованиям СНиП 2.09.02-85, ПУЭ и ОНТП 24-86 «Определение категорий помещений и зданий по взрывопожарной и пожарной опасности», утвержденных МВД СССР.
18.4. Метеорологические условия и содержание вредных веществ в рабочей зоне помещений не должны превышать норм, установленных ГОСТ 12.1.005-88.
Контроль воздуха рабочей зоны помещений па содержание вредных веществ должен осуществляться по методикам, соответствующим требованиям ГОСТ 12.1.016-79 и утвержденным Минздравом СССР в качестве методических указаний.
18.5. Уровни освещенности производственных помещений и рабочих мест должны соответствовать нормированным значениям, установленным СНиП II-4-79, или отраслевым нормам, согласованным с Минздравом СССР.
18.6. Оборудование должно соответствовать требованиям ГОСТ 12.2.003-74.
18.7. При контроле толщины покрытий радиационными методами необходимо выполнять (при работе на приборах): при методе обратного рассеяния бета-излучения - «Основные санитарные правила работы с радиоактивными веществами и другими источниками ионизирующих излучений», ОСП-72/80, утвержденных Минздравом СССР;
при рентгенофлюоресцентном методе - «Санитарные правила работы с источниками неиспользуемого рентгеновского излучения», № 1960-79, утвержденных Минздравом СССР.
18.8. При определении массовой доли серы в никелевом покрытии (п. 7.2) необходимо предусмотреть кислородоподводящие коммуникации по ГОСТ 12.2.052-81 и ГОСТ 10704-76.
18.9. Для предупреждения поражения электрическим током при эксплуатации контрольно-измерительной аппаратуры (приложения 3 и 13) необходимо выполнять «Правила технической эксплуатации электроустановок потребителей и правил техники безопасности при эксплуатации электроустановок потребителей», утвержденных Главгосэнергонадзором 21.12.84, а также требований ГОСТ 12.1.019-79, ГОСТ 12.1.030-81 и ГОСТ 12.3.019-80.
18.10. Для предупреждения пожара и взрыва необходимо предусмотреть:
сборники с плотно закрывающимися крышками для обтирочных материалов, загрязненных ЛВЖ, с надписью «Огнеопасно»;
выполнение «Типовых правил пожарной безопасности для промышленных предприятий», утвержденных Главным управлением пожарной охраны МВД СССР, а также ГОСТ 12.1.004-85, ГОСТ 12.1.010-76 и ГОСТ 12.4.009-83.
18.11. Для предупреждения воздействия общетоксичных и раздражающих веществ предусмотреть:
общеобменную приточно-вытяжную вентиляцию в помещениях, а также вытяжную вентиляцию на рабочих местах в соответствии с требованиями СНиП II-33-75;
сборники с плотно закрывающимися крышками для обтирочных материалов загрязненных растворами кислот, щелочей и другими общетоксичными материалами;
средства индивидуальной защиты в соответствии с нормами, утвержденными в установленном порядке (кислотощелочестойкие перчатки по ГОСТ 20010-74, халаты по ГОСТ 12.4.131-83 и по ГОСТ 12.4.132-83, очки защитные по ГОСТ P 12.4.013-85, респираторы фильтрующие универсальные РУ-60М по ГОСТ 17269-71).
Справочное
ПРИМЕНЕНИЕ НЕРАЗРУШАЮЩИХ МЕТОДОВ КОНТРОЛЯ ТОЛЩИНЫ ПОКРЫТИЙ
Таблица 15
|
Основной металл или металл подслоя |
Вид покрытия |
||||||||||||||
|
медное, сплавы меди |
никелевое, сплав никель-кобальт |
никелевое, полученное химическим способом |
цинковое |
кадмиевое |
хромовое |
оловянное, сплавы олова |
свинцовое, сплавы свинца |
серебрянное, сплавы серебра |
золотое, сплавы золота |
палладиевое, радиевое |
алюминиевое |
анодно-окисное |
неметаллическое неорганическое |
стеклянная и фарфоровая эмаль |
|
|
Сталь ферро магнитная |
ВМ |
ВТМ |
М |
ВМР |
ВМР |
М |
вмрт |
ВМИ |
ВМР |
ВМР |
вмрт |
ВМИ |
- |
ВМР |
М |
|
Сталь немагнитная |
В |
МТ |
- |
ВТ |
ВТ |
- |
ВТ |
- |
ВРТ |
ВРТ |
РТ |
ВМИ |
- |
РВ |
- |
|
Сплав железо- никель-кобальт |
ВМР |
МТ |
ТМ |
рвмт |
рвмт |
М |
РМТ |
ИМ |
рвмт |
врмт |
Р |
- |
- |
РМ |
- |
|
Медь и ее сплавы |
- |
РМТ |
- |
- |
Р |
РТ |
Р |
И |
РВ |
Р |
РТ |
- |
- |
РВ |
В |
|
Алюминий и его сплавы |
Р |
РМ |
РТ |
Р |
Р |
РТ |
Р |
И |
Р |
Р |
РТ |
- |
В |
В |
В |
|
Никель |
В |
- |
- |
ВРТ |
РТВ |
РТ |
ВРТ |
И |
РВТ |
РВТ |
Р |
- |
РВ |
РМ |
- |
|
Цинк и его сплавы |
- |
МТ |
- |
- |
Р |
Р |
Р |
И |
РВ |
РВ |
РТ |
- |
- |
РВ |
- |
|
Магний и его сплавы |
РВ |
РМТ |
Р |
Р |
Р |
Р |
Р |
И |
РВ |
РВ |
Р |
- |
В |
РВ |
- |
|
Титан и его сплавы |
РВ |
РМТ |
Р |
РВ |
РВ |
- |
Р |
И |
РВ |
РВ |
РТ |
- |
- |
РВ |
- |
|
Серебро |
Р |
РМТ |
Р |
Р |
- |
Р |
Р |
И |
- |
Р |
- |
- |
- |
РВ |
В |
|
Неметаллический |
РВ |
РМ |
Р |
РВ |
РВ |
Р |
РВ |
И |
РВ |
РВ |
РВ |
- |
- |
- |
- |
Примечания:
1. Обозначения методов контроля толщины покрытий: М - магнитный, В - вихревых токов, Р - радиационный, Т - термоэлектрический, И - ионизирующего излучения.
2. Профилометрический и гравиметрический методы применимы для любых видов покрытий (без разрушения покрытия или детали).
Справочное
ПРИМЕНЕНИЕ РАЗРУШАЮЩИХ МЕТОДОВ КОНТРОЛЯ ТОЛЩИНЫ ПОКРЫТИЙ
Таблица 16
|
Основной металл или металл подслоя |
Вид покрытия |
||||||||||
|
медное |
сплавы медь-олово (бронза), медь, цинк (латунь) |
никелевое |
никелевое, полученное химическим способом |
хромовое |
цинковое |
кадмиевое |
оловянные, сплавы олово-свинец, олово-висмут, олово-цинк (кроме Гор.0 Гор.ПОС) |
свинцовое |
серебряное, сплав серебро-сурьма |
анодно-окисное |
|
|
Сталь (в том числе коррозионно-стойкая) |
КСКп |
СКп |
КСКп |
К |
КСКп |
КСКп |
КСКп |
ККп |
Кп |
К |
- |
|
Медь и ее сплавы |
- |
- |
КСКп |
К |
ККп |
ККп |
КСКп |
ККп |
Кп |
КС |
- |
|
Алюминии и его сплавы |
ККп |
- |
КСКп |
К |
- |
К |
К |
- |
- |
К |
Г |
|
Цинк и его сплавы |
С |
- |
- |
- |
ККп |
- |
- |
- |
- |
- |
- |
|
Никель |
КСКп |
- |
- |
- |
КСКп |
Кп |
КСКп |
ККп |
- |
КС |
- |
|
Титан и его сплавы |
- |
- |
КСКп |
- |
- |
- |
- |
- |
- |
- |
- |
Примечания:
1. Обозначения методов контроля толщины покрытий: К - кулонометрический, С - метод струи, Кп - метод капли, Г - гравиметрический.
2. Гравиметрический и металлографический методы применимы для любых видов покрытий.
3. Разрушающие методы применимы для контроля толщины металлических покрытий на неметаллической основе.
Рекомендуемое
ПРИБОРЫ, ПРИМЕНЯЕМЫЕ ДЛЯ КОНТРОЛЯ ТОЛЩИНЫ ПОКРЫТИЙ
Таблица 17
|
Наименование и тип прибора |
Техническая характеристика |
Область применения |
|
Магнитный толщиномер МТ-41НЦ (магнитоиндукционный) |
Диапазон измерений: |
Измерение немагнитных покрытий на ферромагнитных металлах |
|
I 4-22 мкм; |
||
|
II 20-220 мкм; |
||
|
III 0,2-2,0 мм |
||
|
Погрешность измерений: |
||
|
I ± 0,05 Н+1 мкм; |
||
|
II ± 0;05 H+2 мкм; |
||
|
III ± 0,05 H+10 мкм, |
||
|
где Н толщина покрытия, мкм |
||
|
Шероховатость поверхности: |
||
|
I - не более Ra 1,25; |
||
|
II, III - не более Rz 20 |
||
|
Индикация цифровая |
||
|
Магнитный толщиномер МТА-2М (магнитоотрывной) |
Диапазон измерений от 0 до 300 мкм |
Измерение немагнитных покрытий на ферромагнитных металлах |
|
Погрешность измерений при толщине покрытия: |
||
|
до 30 мкм - ± 1,5 мкм; |
||
|
свыше 30 мкм - ± 5 % |
||
|
Шероховатость поверхности при толщине покрытия: |
||
|
до 30 мкм - не более Rа 1,25; |
||
|
свыше 30 мкм - не более Rz 20 |
||
|
Индикация стрелочная |
||
|
Магнитный толщиномер МТА-3 (магнитоотрывной) |
Диапазон измерений от 1 до 20 мкм |
Измерение никелевых и кобальтовых покрытий на немагнитных металлах |
|
Погрешность измерений ±1,5 мкм |
||
|
Шероховатость поверхности не более Rа 1,25 |
||
|
Индикация стрелочная |
||
|
Вихретоковый толщиномер ВТ-10НЦ |
Диапазон измерений: |
Измерение нетокопро-водящих покрытий на неферромагнитных металлах |
|
I 0-200 мкм; |
||
|
II 0-2,0 мкм |
||
|
Погрешность измерений ± (0,04 А+1) мкм, где А - верхний предел измерений данного поддиапазона |
||
|
Вихретоковый толщиномер ВТ-17Н |
Диапазон измерений: |
Измерение кадмиевых, цинковых и никелевых покрытий на ферромагнитных металлах |
|
± (0,05 Н+1) мкм, где Н - толщина покрытия |
||
|
Шероховатость поверхности не более Rz 40 |
||
|
Индикация стрелочная |
||
|
Шероховатость поверхности: |
||
|
I - не более Rа 1,25 |
||
|
II - не более Rz 20 |
||
|
Индикация цифровая |
||
|
Измеритель толщины гальванических покрытий ИТГП-1А (вихретоковый) |
Диапазон измерений от 0 до 30 мкм |
Измерение кадмиевых, цинковых, никелевых покрытий на ферромагнитных металлах |
|
Погрешность измерений |
||
|
± (0,05 Н+1) мкм, где Н - толщина покрытия |
||
|
Шероховатость поверхности не более Rz 80 |
||
|
Индикация стрелочная |
||
|
Измеритель толщины гальванических покрытий ИТГП-1Б (вихретоковый) |
Диапазон измерений от 0 до 50 мкм |
Измерение медных и серебряных покрытий на ферромагнитных металлах |
|
Погрешность измерений |
||
|
± (0,05 Н+1) мкм, где Н - толщина покрытия |
||
|
Шероховатость поверхности не более Rz 80 |
||
|
Индикация стрелочная |
||
|
Измеритель толщины гальванических покрытий ИТГП-1М (вихретоковый) |
Диапазон измерений кадмиевых, цинковых, никелевых, серебряных покрытий от 0 до 30 мкм, медных от 0 до 50 мкм |
|
|
Погрешность измерений |
||
|
± (0,05 Н+1) мкм, где Н - толщина покрытия |
||
|
Шероховатость поверхности не более Rz 80 |
||
|
Индикация стрелочная |
||
|
Измеритель толщины гальванических покрытий ИТГП-21 (вихретоковый) |
Диапазон измерений от 3 до 30 мкм |
Измерение серебряных покрытий на медных сплавах |
|
Погрешность измерений |
||
|
± (0,1 Н+1) мкм, где Н - толщина измеряемого покрытия |
||
|
Шероховатость поверхности не более Rz 40 |
||
|
Индикация стрелочная |
||
|
Радиоизотопный толщиномер выборочного контроля РТВК-2К (обратного излучения бета-рассеяния) |
Погрешность измерения ± 10 % |
Измерение металлических и неметаллических покрытий на металлических и неметаллических материалах |
|
Источник бета-излучения: |
||
|
прометий-147 (БИП-М), |
||
|
таллий-204 (БИТ-М), |
||
|
стронций-90+иттрий-90 |
||
|
Индикация цифровая |
||
|
Кулонометрический толщиномер Лимеда ДЕМ |
Диапазон измерений от 0 до 50 мкм |
Измерение металлических, в том числе многослойных покрытий на металлических и неметаллических материалах |
|
Погрешность измерения ± 7 % |
||
|
Индикация цифровая |
||
|
Микроскоп металлографический агрегатный МЕТАМ-Р1 |
Увеличение 50 - 507´ Комплект для запрессовки шлифа |
Изучение и фотографирование микроструктуры металлов в отраженном и поляризованном свете, измерение толщины покрытий |
|
Микроскоп металлографический рабочий ММР-4 |
Увеличение 50 - 1600´ |
Примечания:
1. Допускается применять приборы для контроля других видов покрытий при обеспечении требуемой точности измерений.
2. Допускается использовать различные приспособления и технологическую оснастку для повышения производительности контроля.
Обязательное
ПРИГОТОВЛЕНИЕ РАСТВОРОВ
1. Для приготовления растворов применяют обессоленную воду с электрической проводимостью не более 50 мкСм и жесткостью не более 1,8 мг-экв/дм3 (воду обессоливают дистилляцией или ионным обменом).
2. Реактивы, используемые для приготовления растворов, должны иметь квалификацию не ниже ч.
3. При приготовлении растворов допускается отклонение по составу ± 5 %.
4. Растворы 1, 2, 3, 5, 6, 10-13, 15-22, 27, 29, 32-40, 43, 44, 46 готовят последовательным растворением расчетного количества реактивов в воде и разбавлением до необходимого объема.
5. Раствор 7 готовят из кислоты соответствующей концентрации, добавляя перед употреблением расчетного количества перекиси водорода.
6. Раствор 8 готовит растворением 150 см3 борфтористоводородной кислоты (плотность 1,3 г/см3) в 600-700 см3 воды. К полученному раствору добавляют 100 г удалителя Лимеда УПОС-2. Раствор переводят в мерную колбу вместимостью 1 дм3 и доводят водой до метки, перемешивают, фильтруют и хранят в полиэтиленовой емкости.
7. Растворы 14 и 25 готовят растворением расчетного количества йодистого калия в воде. В полученном растворе растворяют металлический йод.
8. Раствор 23 готовят растворением 300 г хлорного железа в 200-300 см3 воды, отдельно растворяют в таком же объеме воды, подогретой до температуры 50-60 °С, 100 г сернокислой меди. После охлаждения раствора сернокислой меди оба раствора сливают в мерную колбу вместимостью 1 дм3 и доводят водой до метки.
9. Раствор 24 готовят растворением 60 г хлорного железа в 200 см3 воды, отдельно в таком же объеме воды, подогретой до 50-60 °С, растворяют 30 г сернокислой меди. После охлаждения раствора сернокислой меди оба раствора сливают в мерную колбу вместимостью 1 дм3 добавляют 100 см3 этилового спирта, 220 см3 соляной кислоты, 1.00 см3 серной кислоты и доводят водой до метки.
10. Раствор 26 готовят растворением расчетного количества йодистого калия в воде, В полученном растворе растворяют расчетное количество металлического йода и добавляют азотную кислоту.
11. Раствор 28 готовят растворением 150 г хлорного железа в 500 см3 воды, раствор сливают в мерную колбу вместимостью 1 дм3, добавляют 150 см3 соляной кислоты и 250 см3 уксусной кислоты. Раствор доводят водой до метки.
12. Раствор 30 готовят растворением расчетного количества хлорного железа в соответствующем количестве 1 моль/дм3 раствора соляной кислоты, отдельно в 300-400 см3 воды, подогретой до 50-60 °С, растворяют сернокислую медь. После охлаждения раствора сернокислой меди оба раствора сливают в мерную колбу вместимостью 1 дм3 и доводят водой до метки.
13. Раствор 31 готовят разбавлением раствора 8 водой в соотношении 1:1.
14. Раствор 42 готовят растворением расчетного количества аммиака в поде. Перед употреблением добавляют расчетное количество перекиси водорода.
15. Раствор 45 готовят растворением 100 г хлорного железа в 500 см3 воды, раствор сливают в мерную колбу вместимостью 1 дм3, добавляют 20 см3 соляной кислоты и доводят водой до метки.
16. Растворы считают непригодными, если они изменили свой цвет или в них выпал осадок.
17. Растворы 7, 8, 14, 23-26, 28, 30, 31, 42, 45, которые под действием света разлагаются, хранят в темных емкостях. Допускается прозрачные емкости обертывать светонепроницаемой бумагой.
18. Растворы, применяемые для определения толщины покрытий кулонометрическим методом, используют один раз.
19. Раствор 21, можно использовать, пока концентрация цинка в нем не превышает 0,02 г/дм3.
Растворы 23-26, 28, 30 используют не более четырех раз с промежуточной фильтрацией. 20. Раствор 32 с добавлением коалина используют в течение 10 дней.
Справочное
ПЛОТНОСТЬ МЕТАЛЛОВ
Таблица 18![]()
|
Металл |
Плотность, г/см3 |
Металл |
Плотность, г/см3 |
|
Висмут |
9,80 |
Палладий |
12,16 |
|
Золото |
19,30 |
Родий |
12,41 |
|
Железо |
7,87 |
Свинец |
11,34 |
|
Кадмий |
8,65 |
Серебро |
10,5 |
|
Кобальт |
8,90 |
Сурьма |
6,62 |
|
Медь |
8,90 |
Хром |
7,10 |
|
Никель |
8,90 |
Цинк |
7,20 |
|
Олово |
7,30 |
|
|
Плотность фосфора - 1,82 г/см3.
Плотность окиси алюминия - 2,6 г/см3 (за исключением сплавов системы АМЦ).
Плотность
сплава (
) в граммах на кубический сантиметр рассчитывают по формуле
, (13)
где
- плотность металлов,
входящих в состав сплава, г/см3;
m1, m2 - массовые доли металлов в сплаве, %.
Обязательное
ИЗГОТОВЛЕНИЕ И ПОДГОТОВКА ШЛИФА
1. Плоскость металлографического шлифа должна быть строго перпендикулярна плоскости покрытия.
2. Для предотвращения разрушения покрытия при изготовлении шлифа его следует защитить вспомогательным защитным покрытием толщиной не менее 10 мкм, обладающим хорошей прочностью сцепления с контролируемым покрытием. Для защитного покрытия следует применять металл, имеющий контрастную окраску по отношению к цвету (окраске) контролируемого покрытия и достаточную твердость.
3. Для предотвращения завала кромок заливают образец легкоплавкими металлическими сплавами. Допускается заливать образец шеллаком, органическим стеклом, серой, полистиролом, бутакрилом и т. п. Материалы для заливки должны иметь достаточную механическую прочность, чтобы исключить смазывание, разрушение и более интенсивное истирание их по сравнению с покрытием при последующем шлифовании и полировании.
При заливке образец помещают в заливочную форму перпендикулярно плоскости ее основания.
Плоские образцы допускается не заливать. В этом случае образец помещают в зажим.
4. Подготовленные образцы шлифуют шлифовальной шкуркой с постепенным переходом от крупнозернистой к мелкозернистой (абразив марки 100, 180, 240, 320, 500, 600), не превышая время шлифования 30-40 с на шкурке каждой марки. При каждой смене шкурки следует изменять направление шлифования на 90°.
5. Окончательное полирование в течение 2-3 мин проводят на фетровом или суконном круге при помощи алмазной пасти с величиной зерна 4-8 мкм или паст из окиси хрома, алюминия или магния в зависимости от материала покрытия.
6. Для получения отчетливой границы между металлическими слоями после полирования проводят травление шлифа в течение 2-3 с. Растворы для травления шлифов приведены в табл. 19.
Растворы для травления шлифов
|
Вид покрытия |
Основной металл или металл подслоя |
Номер раствора |
Состав раствора |
|
||
|
Компоненты |
Концентрация |
|
||||
|
г/дм3 |
см3 |
|
||||
|
Цинковое, кадмиевое |
Сталь |
40 |
Ангидрид хромовый |
200 |
- |
|
|
Натрий сернокислый |
15 |
- |
|
|||
|
Никелевое, хромовое |
Сталь |
41 |
Кислота азотная (плотность 1,41 г/см3) |
- |
5 |
|
|
Спирт пропиловый |
- |
95 |
|
|||
|
Медь и ее сплавы |
42 |
Аммиак водный (плотность 0,9 г/см3) |
- |
50 |
|
|
|
Цинк и его сплавы |
|
Перекись водорода 3 %-ная |
- |
50 |
|
|
|
Никелевое двухслойное, никелевое трехслойное |
Сталь, медь и ее сплавы |
43 |
Кислота азотная (плотность 1,41 г/см3) |
- |
50 |
|
|
Кислота уксусная (ледяная) |
- |
50 |
|
|||
|
Медное, сплавы медь-олово, медь-цинк |
Сталь |
41 |
Кислота азотная (плотность 1,41 г/см3) |
- |
5 |
|
|
Спирт пропиловый |
- |
95 |
|
|||
|
Оловянное, олово-никель |
Медь и ее сплавы |
42 |
Аммиак водный (плотность 0,9 г/см3) |
- |
50 |
|
|
Серебряное, палладиевое, сплав палладий-никель |
Перекись водорода 3 %-ная |
- |
50 |
|
||
|
Оловянное, сплав олово-висмут |
Медь и ее сплавы, никель |
44 |
Персульфат аммония |
100 |
- |
|
|
Аммиак водный (плотность 0,9 г/см3) |
- |
20 |
|
|||
|
Свинцовое, сплав олово-свинец |
Сталь, медь и ее сплавы |
45 |
Железо хлорное |
100 |
- |
|
|
Кислота соляная (плотность 1,19 г/см3) |
- |
20 |
||||
|
Золото, сплавы золото-никель, золото-кобальт |
Медь и ее сплавы, никель |
|
||||
|
Анодно-окисные |
Аллюминий и его сплавы |
46 |
Кислота фтороводородная (плотность 1,14 г/см3) |
- |
2 |
|
|
Вода дистиллированная |
- |
98 |
|
|||
Рекомендуемое
ЭЛЕКТРОГРАФИЧЕСКИЕ МЕТОДЫ КОНТРОЛЯ ПОРИСТОСТИ ЗОЛОТЫХ ПОКРЫТИЙ
1. Методы основаны на выявлении пор в покрытии по реакции основы о реагентами бумаги для хроматографии (далее - бумаги) с образованием окрашенных соединений.
2. Метод контроля бумагой, пропитанной сульфидом кадмия
2.1. Метод применяют для контроля покрытий на меди.
2.2. Бумагу выдерживают в течение 10 мин в свежеприготовленном 10 %-ном растворе хлорида кадмия, подкисленного 0,1 %-ным раствором соляной кислоты, извлекают и избыток раствора удаляют фильтровальной бумагой. Затем слегка высушивают, после чего выдерживают в течение 30 с в свежеприготовленном растворе сульфида натрия 50 г/дм3 и извлекают. Бумага должна быть равномерно окрашена в желтый цвет, что указывает на полное выпадение в осадок сульфида кадмия. Затем бумагу промывают в течение 1 ч проточной водой и высушивают.
2.3. Образец с покрытием очищают от загрязнений и обезжиривают по п. 1.3 настоящего стандарта.
2.4. Для проведения контроля на покрытие (анод) накладывают бумагу, подготовленную по п. 2.2, на нее - влажную фильтровальную бумагу, соприкасающуюся с пластиной из алюминия высокой чистоты или нержавеющей стали (катод). Затем надавливают на них с такой силой, при которой давление между образцом и бумагой с сульфидом кадмия было равномерным и равным 1,4-1,7 МПа, и пропускают постоянный ток от источника с напряжением не более 12 В. Устанавливают первоначальную плотность тока 7,5 мА/см3 по площади анода и пропускают его в течение 30 с.
2.5. Электрограмму, полученную на бумаге с сульфидом кадмия, высушивают.
2.6. Поры в покрытии определяют по наличию на бумаге коричневых пятен. Полностью темное пятно указывает на слишком высокую пропитку бумаги или завышенную плотность тока.
3. Метод контроля бумагой, пропитанной ниоксимом
3.1. Метод применяют для контроля покрытий на никелевом подслое или сплаве олово-никель.
3.2. Бумагу выдерживают в течение 10 мин в растворе ниоксима (цикло-гексан-1,2-дион диоксима) 8 г/дм3. Затем бумагу извлекают, удаляют избыток раствора фильтровальной бумагой и высушивают.
3.3. Подготовка образца - по п.п. 2.2 и 2.3.
3.4. Бумагу с ниоксимом увлажняют дистиллированной водой и проводят испытание по п. 2.4.
3.5. Электрограмму подвергают воздействию паров аммиака и высушивают.
3.6. Поры в покрытии определяют по наличию на бумаге ровных пятен, для покрытий на меди с никелевым или олово никелевым подслоем - по зеленым пятнам.
Рекомендуемое
МЕТОД КОНТРОЛЯ ЗАЩИТНЫХ СВОЙСТВ ХРОМАТНЫХ ПОКРЫТИЙ НА ЦИНКОВЫХ И КАДМИЕВЫХ ПОКРЫТИЯХ
1. Защитные свойства хроматных покрытий (полученных из составов без солей Ликонда) на цинковых и кадмиевых покрытиях контролируют методом капли с применением раствора уксуснокислого свинца 50 г/дм3.
2. При проведении контроля 3-5 капель раствора наносят на контролируемую поверхность и выдерживают в течение 5 с для хроматированного кадмиевого покрытия и 60 с - для хроматированного цинкового покрытия. Затем капли удаляют фильтровальной бумагой и проводят осмотр в соответствии с п. 2.2 настоящего стандарта.
3. Защитные свойства считают удовлетворительными, если появление сплошного, темного пятна наступает по истечении указанного времени.
Рекомендуемое
МЕТОДЫ КОНТРОЛЯ ФУНКЦИОНАЛЬНЫХ СВОЙСТВ ПОКРЫТИЙ
1. Метод контроля микротвердости - по ГОСТ 9450-76.
2. Метод контроля переходного электрического сопротивления
2.1. Метод основан на измерении переходного электрического сопротивленияI точечного контакта металлического образца с контролируемым покрытием и эталонного электрода.
2.2. При проведении контроля применяют приспособление, позволяющее з (крепить образец с контролируемым покрытием и осуществить контакт эталонного электрода с образцом.
Сила нажатия эталонного электрода - от 0,1 до 1,0 Н. Материал эталонного электрода - латунь позолоченная толщиной 1-3 мкм. Допускается применять свежеполированную латунь.
Форма рабочей поверхности эталонного электрода - сфера радиусом 1,5 мм.
2.3. Перед проведением контроля образец с контролируемым покрытием обезжиривают по п. 1.3 настоящего стандарта.
2.4. Переходное электрическое сопротивление измеряют по четырехпроводной схеме с использованием токовых и потенциальных проводников. Одну пару проводников (токовый и потенциальный) соединяют с образцом (в разных точках), вторую пару - с эталонным электродом.
2.5. Переходное электрическое сопротивление определяют прибором для измерения сопротивления с непосредственным отсчетом или методом амперметра и вольтметра.
Прибор для измерения сопротивления с непосредственным отсчетом должен иметь относительную погрешность не более (5 ± 10) %, пределы измерения от 10-5 до 10-1 0м.
При измерении сопротивления методом амперметра и вольтметра применяют приборы класса точности не ниже 1,5.
Входное сопротивление вольтметра должно быть, не менее 100 0м.
Рекомендуемый ток 50 мА.
2.6. Переходное электрическое сопротивление (R) в омах вычисляют по формуле
, (14).
где U - напряжение между потенциальными проводниками, В;
I - ток, протекающий по токовым проводникам, А.
2.7. За результат измерения принимают среднее арифметическое значение не менее трех измерений.
2.8. Контроль переходного электрического сопротивления коммутационных. изделий и электрических соединителей - по ГОСТ 24606.3-82.
3. Метод контроля паяемости по ГОСТ 20.57.406-81.
4. Метод контроля электрического пробивного напряжения
4.1. Метод основан на измерении электрического напряжения, которое изменяется и зависимости от толщины покрытия.
Метод применяют для оценки изоляционных свонсти анодно-окненых покрытий на алюминии и его сплавах, наносимых по шифру АН.Окс.эиз.
4.2. Для измерения напряжения применяют двухэлектродные системы двух типов:
с электродами в виде шарика диаметром от 3 до 8 мм и точечного наконечника;
с электродами в виде двух металлических шариков диаметром от - 3 до 8 мм, расположенных на расстоянии 25 мм друг от друга.
Давление измерительного электрода на контролируемое покрытие не должно превышать 1 Н.
Скорость возрастания напряжения должна быть 25 В/с.
Измерение проводят не ранее чем через 1 ч после получения покрытия. За результат измерении принимают среднее арифметическое результатов не менее трех измерений.
5. Метод контроля отражающей способности покрытий
5.1. Метод основан на определении четкости отражения понерхностью покрытия помещенных перед ней сетки или рисунка.
Метод не распространяется на покрытия зеркал.
5.2. Контроль проводят на деталях или плоских образцах размером 200´150 мм. Допускается уменьшение размеров образца, например, для покрытий драгоценными металлами.
5.3. Подготовка образца - по п. 1.3 настоящего стандарта.
5.4. Для контроля применяют:
приспособление для установки образца и пластины (черт. 2);
1 - образец, придвинутый вплотную к вертикальной поверхности приспособления, 2 - пластина с сеткой или рисунком; 3 - приспособление, состоящее из согнутого под прямым углом листа из органического стекла любого размера
Черт. 2
белую плоскую пластину без поверхностных дефектов с нанесенными на нее черной тушью сеткой или цветной тушью рисунком, выполненным полужирным шрифтом 12-Пр3 по ГОСТ 26.020-80 (черт. 3).
/ - образец; 2 - пластика с сеткой или рисунком: А - максимальное расстояние, при котором сетка или рисунок четко отражается на поверхности покрытия
Черт. 3
5.5. Образец устанавливают перед пластиной так, чтобы отражение сетки или рисунка можно было наблюдать на расстоянии примерно 300 мм под углом 30-45°.
Свет должен падать на пластину слева и сзади.
5.6. Отражающую способность покрытия оценивают при расположении образца в соответствии с черт. 2 следующим образом:
зеркальное покрытие - четкость отражения рисунка соответствует изображению в зеркале;
блестящее покрытие - отражение рисунка четкое, но верхний конец отражения несколько размыт;
полублестящее покрытие - отражение рисунка нечеткое;
матовое покрытие - отражение рисунка заметно только на ближней части образца;
при расположении образца в соответствии с черт. 3 - по табл. 20.
|
Расстояние А, мм |
Отражающая способность покрытия |
Обозначение отражающей способности покрытия |
|
До 5 |
Очень малая |
R1 |
|
Св. 5 до 100 |
Малая |
R2 |
|
» 100 » 400 |
Средняя |
R3 |
|
» 400 |
Высокая |
R4 |
Справочное
МЕТОД ОПРЕДЕЛЕНИЯ ВНУТРЕННИХ НАПРЯЖЕНИЙ МЕТАЛЛИЧЕСКИХ ЭЛЕКТРОХИМИЧЕСКИХ ПОКРЫТИЙ
1. Сущность метода заключается в измерении изменения длины образца в течение осаждения крытая и вычислении внутренних напряжений 1-го рода (далее - внутренних напряжений) металлических электрохимических покрытий.
2. Отбор образцов
Контроль проводят на плоских образцах размером (250´10´0,5-0,1) мм или проволочных образцах диаметром до 0,3 мм и длиной 250 мм.
Поверхность образцов должна быть чистой, без окислов, заусенцев и других дефектов.
Образцы должны быть ровными и не иметь дефектов геометрической формы. При свободном подвешивании образцы не должны прогибаться или скручиваться.
3. Аппаратура, реактивы
Ванна электролитическая;
устройство для закрепления образцов (далее - устройство), обеспечивающее:
приложение к образцу предварительного растягивающего усилия около 5 Н;
соосность закрепленного образца и индикатора изменения длины образца;
симметричное прикрепление параллельно к образцу двух или четырех анодов (расстояние между анодами и образцами должно быть не менее 200 мм);
равномерное, а при сравнительных испытаниях воспроизводимое движение электролита.
Рабочую часть устройства которую при испытаниях погружают в электролит изготовляют из коррозионно-стойких материалов, исключающие загрязнение электролита (например выщелачиванием). Устройство должно быть защищено от коррозионного воздействия рабочей среды. Корпус устройства изготовляют из материала с низким коэффициентом теплового расширения;
индикатор механический или электронный для непрерывного измерено изменения длины образца в течение осаждения покрытия с погрешностью не менее 0,001 мм;
регулятор для поддержания температуры электролита с погрешностью не более ± 1 °С;
источник постоянного тока (предпочтительно аккумуляторная батарея) с регулятором силы тока для каждого анода с погрешностью не более ± 1 %;
аноды в виде прутков диаметром 8-10 мм, изготовленные из материала, применяемого для нанесения покрытия из изделия (для плоских образцов применяют два анода, для проволочных - два или четыре анода);
экран для подавления эффекта кромок - для особо важных испытаний с применением плоских образцов;
стекло органическое;
раствор хлороформа.
4. Проведение испытаний
4.1. Образец обезжиривают способом, исключающим насыщение его водородом, закрепляют в рабочей части устройства, затем активируют его поверхность, погружая образец на 20 с в 10 %-ный раствор серной кислоты, ч.д.а., и промывают в проточной воде.
4.2. К образцу прикладывают рястягивающее усилие, соответствующее напряжению 4-10 МПа, и раствором органического стекла в хлороформе ограничивают поверхность образца длиной около 180 мм, подлежащую осаждению покрытия. Аналогичным способом от осаждения покрытия защищают все металлические детали рабочей части устройства, если из изоляция не обеспечена другими способами.
4.3. Образец погружают в электролитическую ванну и после достижения температурного равновесия образца и устройства включают ток. Достижение температурного равновесия контролируют по индикатору изменений длины образца, показание которого должно стать постоянным. Покрытия на плоских образцах осаждают с обеих сторон.
4.4. Если заранее известна скорость осаждения покрытия, изменение длины образца отсчитывают после достижения заданных толщин покрытия, например 2, 3, 5, 10, 15 мкм и т.д.
4.5. Если скорость осаждения покрытия неизвестна, изменение длины образца отсчитывают в зависимости от продолжительности осаждения покрытия через определенные промежутки времени, а скорость осаждения покрытия определяют после осаждения покрытия одним из следующих методов:
по средней толщине покрытия, вычисленной как разность средних толщин образца до и после осаждения покрытия. Среднюю толщину образца определяют как среднее арифметическое значение пяти местных толщин;
по разности массы образца до и после осаждения покрытия, площади поверхности и удельной массе покрытия.
Толщину образца измеряют с погрешностью не более ± 1 мкм, массу образца взвешивают на весах с погрешностью не более ± 0,0002 г.
Затем строят график зависимости изменения длины образца от продолжительности осаждения покрытия, дополненный прямолинейной шкалой для толщины покрытия. По графику определяют изменение длины образца для выбранного значения толщины покрытия (см. черт. 4).
5. Обработка результатов
5.1. Внутреннее напряжение покрытия (
) в МПа вычисляют по формулам:
для плоского образца:
, (15)
для проволочного образца:
, (16)
Черт. 4
где
- модуль
упругости при растяжении металла образца, МПа;
- модуль
упругости при растяжении металла покрытия, МПа;
d - толщина или диаметр образца, мм;
t - толщина покрытия, мм;
l0 - длина покрытия части образца, мм;
- укорочение
или удлинение образца при данной толщине покрытия, мм;
- коэффициент
Пуассона.
5.2. Если неизвестен модуль упругости при растяжении металла покрытия, допускается приближенное вычисление внутреннего напряжения по формуле
![]()
(17)
5.3. Внутренние напряжения покрытия определяют как среднее арифметическое значение трех параллельных определений, отклонение между ними не должно превышать 20 %. Если это требование не выполняется проводят два дополнительных измерения и при определении среднего арифметического значения отбрасывают наименьшее и наибольшее значения.
5.4. Если при осаждении покрытия образец укорачивается, то в покрытии возникают напряжения растяжения (положительные); если образец удлиняется, в покрытии возникают напряжения сжатия (отрицательные) Соответственно этому результаты по формулам п.п. 5.1-5.2 обозначают знаком «+» или «-».
Материал и толщину покрытия выражают индексом, соответствующим химическому символу металла и толщине покрытия в микрометрах.
Пример записи внутренних напряжений сжатия 47 МПа в никелевом покрытии толщиной 5 мкм:
МПа. (18)
Справочное
МЕТОД ОПРЕДЕЛЕНИЯ ОТНОСИТЕЛЬНОГО УДЛИНЕНИЯ НИКЕЛЕВОГО ПОКРЫТИЯ
1. Сущность метода заключается в изгибе образца вокруг оправки Удлиненно покрытия должно быть не более 8 %.
2. Отбор образцов
Для испытаний применяют образцы-свидетели размером (150´10´1) мм из металла, соответствующего основному металлу изделия, или металла, близкого по механическим свойствам. Если основным металлом является цинковый сплав, может быть, использован лист из мягкой латуни. Размер листа должен быть, таким, чтобы после обрезки по периметру полос шириной не менее 25 мм из него можно было вырезать образец.
3. Проведение испытаний
3.1. На одну сторону листа наносят никелевое покрытие толщиной 25 мкм при условиях (режим и состав электролита), аналогичных нанесению никелевого покрытия на изделия.
От листа, покрытого никелем, на гильотинных ножницах отрезают образец для испытания. Продольные кромки со стороны покрытия скругляют или скашивают опиливанием или шлифованием.
3.2. Образец изгибают с постоянным усилием так, чтобы покрытие находилось под растягивающим напряжением под углом 180° вокруг оправки диаметром 11,5 мм до тех пор, пока оба конца образца не станут параллельными. Во время испытания образец должен плотно прилегать к оправке.
4. Обработка результатов
Покрытие считают удовлетворительным, если после испытания не образуются трещины, проходящие поперек всей выпуклой поверхности образца. Небольшие трещины по краям образца не являются браковочным признаком.
Справочное
РЕАКТИВЫ И МАТЕРИАЛЫ, ПРИМЕНЯЕМЫЕ ПРИ КОНТРОЛЕ
ПОКРЫТИЙ
Таблица 21
|
Наименование |
Обозначение стандарта, технических условий |
|
Аммиак водный |
ГОСТ 3760-79 |
|
Аммоний азотнокислый |
ГОСТ 22867-77 |
|
Аммоний надсернокислый |
ГОСТ 20478-75 |
|
Аммоний сернокислый |
ГОСТ 3769-78 |
|
Аммоний хлористый |
ГОСТ 3773-72 |
|
Бумага фильтровальная лабораторная |
ГОСТ 12026-76 |
|
Бумага и картон для хроматографии и электрофореза марки С |
ГОСТ 10395-75 |
|
Вата медицинская гигроскопическая |
ГОСТ 5556-81 |
|
Вода дистиллированная |
ГОСТ 6709-72 |
|
Водорода перекись |
ГОСТ 10929-76 |
|
Диметилглиоксим |
ГОСТ 5828-77 |
|
Железо (II) сернокислое 7-водное |
ГОСТ 4148-78 |
|
Железо треххлорное 6-водное |
ГОСТ 4147-74 |
|
Йод |
ГОСТ 4159-79 |
|
Кадмий хлористый 2,5-водный |
ГОСТ 4330-76 |
|
Кадмия сульфид |
ТУ 6-09-3750-74 |
|
Калий двухромовокислый |
ГОСТ 4220-75 |
|
Калий железистосинеродистый 3-водный |
ГОСТ 4207-75 |
|
Калий железосинеродистый |
ГОСТ 4206-75 |
|
Калий йодистый |
ГОСТ 4232-74 |
|
Калий йодноватокислый |
ГОСТ 4202-75 |
|
Калий хлористый |
ГОСТ 4234-77 |
|
Калий роданистый |
ГОСТ 4139-75 |
|
Каолин |
|
|
Кислота азотная |
ГОСТ 4461-77 |
|
Кислота борфтористоводородная |
ТУ 6-09-2577-77 |
|
Кислота ортофосфорная |
ГОСТ 6552-80 |
|
Кислота серная |
ГОСТ 4204-77 |
|
Кислота соляная |
ГОСТ 3118-77 |
|
Кислота уксусная |
ГОСТ 61-75 |
|
Кислота фтористоводородная |
ГОСТ 10484-78 |
|
Кисти волосяные |
|
|
Крахмал растворимый |
ГОСТ 10163-76 |
|
Лента поливинилхлоридная электроизоляционная |
ГОСТ 16214-86 |
|
Лента полиэтиленовая с липким слоем |
|
|
Магния окись |
ГОСТ 4526-75 |
|
Медь (II) сернокислая 5-водная |
ГОСТ 4165-78 |
|
Натрий роданистый |
ГОСТ 10643-75 |
|
Натрий сернокислый безводный |
ГОСТ 4166-76 |
|
Натрий хлористый |
ГОСТ 4233-77 |
|
Натрия гидроокись |
ГОСТ 4328-77 |
|
Натрия сульфид кристаллический |
ГОСТ 903-76 |
|
Натрия фосфат |
ГОСТ 4172-76 |
|
Ниоксим (цнклогексаи-1,2-диондиоксим) |
ТУ 6-09-14-1804-75 |
|
Олово 01 |
ГОСТ 860-75 |
|
Паста ПХВ типа ГОИ |
ТУ 6-18-36-85 |
|
Резинка карандашная |
ТУ 38-106-142-81 |
|
Свинец уксуснокислый |
ГОСТ 1027-67 |
|
Сера техническая |
ГОСТ 127-76 |
|
Спирт пропиловый |
ТУ 6-09-4344-77 |
|
Спирт этиловый технический марки А |
ГОСТ 17299-78 |
|
Сурьма треххлористая |
ТУ 6-09-636-76 |
|
Сурьма (III) окись |
ТУ 6-09-3267-84 |
|
Удалитель Лимеда УПОС-2 |
ТУ 88 ЛитССР 45-86 |
|
Уротропин технический |
ГОСТ 1381-73 |
|
Хрома (VI) окись |
ГОСТ 3776-78 |
|
Шкурка шлифовальная бумажная водостойкая |
ГОСТ 10054-82 |
Справочное
КОНТРОЛЬНО-ИЗМЕРИТЕЛЬНАЯ АППАРАТУРА, ПРИМЕНЯЕМАЯ ПРИ КОНТРОЛЕ ПОКРЫТИЙ
Таблица 22
|
Наименование и тип аппаратуры |
Обозначение стандарта, технических условий |
|
Анализатор жидкости потенциометрический |
ГОСТ 27987-88 |
|
Бюретки, пипетки |
ГОСТ 20292-74 |
|
Весы лабораторные общего назначения |
ГОСТ 24104-80 |
|
Лупы |
ГОСТ 25706-83 |
|
Микроскопы инструментальные |
ГОСТ 8074-82 |
|
Микрометр МП25-1 |
ГОСТ 6507-90 |
|
Посуда и оборудование лабораторные стеклянные |
ГОСТ 25336-82 |
|
Секундомеры механические |
ГОСТ 5072-79 |
|
Термометры стеклянные технические прямого исполнения |
ГОСТ 27544-87 |
|
Колориметр фотоэлектрический концентрационный типа КФК-2 |
ТУ 3-3.1766-82 |
|
Штангенциркуль |
ГОСТ 166-80 |
|
Электрошкаф СНОЛ 3,5.3,5.3,5/-ИЗ |
ТУ 16-531.839-78 |
ИНФОРМАЦИОННЫЕ ДАННЫЕ
1. ИСПОЛНИТЕЛИ
Д. Г. Коваленко (руководитель темы); А. Л. Рубин, канд. техн. наук; Э. Б. Давидавичюс, канд. хим. наук; Г. С. Фомин, канд. хим. наук; Н. С. Стеклова; Н. Г. Альберг; Н. А. Кот; В. В. Протусявичене; И. Е. Трофимова
2. УТВЕРЖДЕН И ВВЕДЕН В ДЕЙСТВИЕ Постановлением Государственного комитета СССР по стандартам от 29.06.88 № 2507
3. Срок первой проверки - 1995 г.; периодичность проверки - 5 лет
4. Стандарт содержит все требования СТ СЭВ 2005-79, СТ СЭВ 3915-82, СТ СЭВ 4118-83, СТ СЭВ 4119-83, СТ СЭВ 4120-83, СТ СЭВ 4660-84, СТ СЭВ 4661-84, СТ СЭВ 5290-85
В стандарт введены в части методов контроля СТ СЭВ 4662-84, СТ СЭВ 4664-84, СТ СЭВ 4665-84, СТ СЭВ 4816-84 Стандарт соответствует ИСО 1463-82, ИСО 2064-80, ИСО 2106-82, ИСО 2128-76, ИСО 2177-85, ИСО 2178-82, ИСО 2360-82, ИСО 2361-82, ИСО 2819-80, ИСО 3497-76, ИСО 3543-81, ИСО 3613-80, ИСО 3882-86, ИСО 3892-80, ИСО 4516-80, ИСО 4518-80, ИСО 4522/1-85, ИСО 4522/2-85, ИСО 4524/1-85, ИСО 4524/3-85, ИСО 4524/5-85, ИСО 8401-86
В стандарт введены в части методов контроля МС ИСО 1456-74, ИСО 1457-74, ИСО 1458-74, ИСО 2081-86, ИСО 2082-73, ИСО 2093-73, ИСО 4520-81, ИСО 4521-85, ИСО 4523-85, ИСО 4526-84, ИСО 6158-84
5. ВЗАМЕН ГОСТ 9.302-79
6. ССЫЛОЧНЫЕ НОРМАТИВНО-ТЕХНИЧЕСКИЕ ДОКУМЕНТЫ
|
Обозначение НТД, на который дана ссылка |
Номер пункта, раздела, приложения |
|
ГОСТ 9.031-74 |
3.10 |
|
Вводная часть, 1.1, 12.2.4 |
|
|
10 |
|
|
ГОСТ 9.311-87 |
10 |
|
ГОСТ 9.402-80 |
1.5; 3.11.2, 11 |
|
18.10 |
|
|
18.4 |
|
|
18.10 |
|
|
18.4 |
|
|
18.9 |
|
|
18.9 |
|
|
18.6 |
|
|
ГОСТ 12.2.052-81 |
18.8 |
|
ГОСТ 12.3.008-75 |
18.1 |
|
ГОСТ 12.3.019-80 |
18.9 |
|
18.10 |
|
|
ГОСТ 12.4.013-85 |
18.11 |
|
ГОСТ 12.4.131-83 |
18.11 |
|
ГОСТ 12.1.132-83 |
18.11 |
|
ГОСТ 20.57.406-81 |
Приложение 9 |
|
ГОСТ 26.020-80 |
» |
|
ГОСТ 61-75 |
Приложение 12 |
|
ГОСТ 84-76 |
» |
|
ГОСТ 127-76 |
Приложение 13 |
|
ГОСТ 166-89 |
» |
|
ГОСТ 199-78 |
Приложение 12 |
|
ГОСТ 1027-67 |
» |
|
ГОСТ 1381-73 |
» |
|
ГОСТ 2603-79 |
» |
|
ГОСТ 2789-73 |
7.1 |
|
ГОСТ 3117-78 |
Приложение 12 |
|
ГОСТ 3118-77 |
» |
|
ГОСТ 3760-79 |
» |
|
ГОСТ 3769-78 |
» |
|
ГОСТ 3770-75 |
» |
|
ГОСТ 3773-72 |
» |
|
ГОСТ 3776-78 |
» |
|
ГОСТ 4139-75 |
» |
|
ГОСТ 4147-74 |
» |
|
ГОСТ 4148-78 |
» |
|
ГОСТ 4159-79 |
» |
|
ГОСТ 4165-78 |
» |
|
ГОСТ 4166-76 |
» |
|
ГОСТ 4197-74 |
» |
|
ГОСТ 4204-77 |
» |
|
ГОСТ 4206-75 |
» |
|
ГОСТ 4207-75 |
» |
|
ГОСТ 4217-77 |
» |
|
ГОСТ 4220-75 |
» |
|
ГОСТ 4232-74 |
» |
|
ГОСТ 4233-77 |
» |
|
ГОСТ 4234-77 |
» |
|
ГОСТ 4328-77 |
» |
|
ГОСТ 4461-77 |
» |
|
ГОСТ 4526-75 |
» |
|
ГОСТ 5072-79 |
Приложение 13 |
|
ГОСТ 5556-81 |
Приложение 12 |
|
ГОСТ 5817-77 |
Приложение 12 |
|
ГОСТ 5828-77 |
» |
|
ГОСТ 6507-90 |
Приложение 13 |
|
ГОСТ 6552-80 |
Приложение 12 |
|
ГОСТ 6709-72 |
» |
|
ГОСТ 8074-82 |
Приложение 13 |
|
ГОСТ 9450-76 |
Приложение 9 |
|
ГОСТ 9808-84 |
Приложение 12 |
|
ГОСТ 10054-82 |
» |
|
ГОСТ 10484-78 |
» |
|
ГОСТ 10510-80 |
5.12 |
|
Приложение 12 |
|
|
ГОСТ 10704-76 |
18.8 |
|
ГОСТ 10929-76 |
Приложение 12 |
|
ГОСТ 12026-76 |
» |
|
ГОСТ 16214-86 |
» |
|
ГОСТ 17269-71 |
18.11 |
|
ГОСТ 17299-78 |
Приложение 12 |
|
ГОСТ 18353-79 |
3.4 |
|
ГОСТ 19522-74 |
Приложение 12 |
|
ГОСТ 20010-74 |
18.11 |
|
ГОСТ 20292-74 |
Приложение 13 |
|
Приложение 12 |
|
|
ГОСТ 20478-75 |
» |
|
» |
|
|
ГОСТ 22867-77 |
» |
|
ГОСТ 24104-80 |
Приложение 13 |
|
ГОСТ 24606.3-82 |
Приложение 9 |
|
ГОСТ 25336-82 |
Приложение 13 |
|
ГОСТ 25706-83 |
» |
|
ГОСТ 27008-80 |
Приложение 12 |
|
ТУ 3-3.1766-82 |
Приложение 13 |
|
ТУ 6-09.636-76 |
Приложение 12 |
|
ТУ 6-09-2577-77 |
» |
|
ТУ 6-09-3267-84 |
» |
|
ТУ 6-09-3757-82 |
» |
|
ТУ 6-09-4344-77 |
» |
|
ТУ 16-531.839-78 |
Приложение 13 |
|
ТУ 38-106142-81 |
Приложение 12 |
|
ТУ 88 ЛитССР 45-86 |
» |
|
18.3 |
|
|
СНиП II-4 79 |
18.5 |
|
СНиП II-33-75 |
18.11 |
|
ОНТП 05-86 |
18.2 |
|
ОНТП 24-86 |
18.3 |
|
ОСП-72/80 |
18.7 |
|
ГОСТ 27544-87 |
Приложение 13 |
|
ГОСТ 27987-88 |
Приложение 13 |