ГОСТ 14254-96
(МЭК 529-89)
МЕЖГОСУДАРСТВЕННЫЙ СТАНДАРТ
СТЕПЕНИ ЗАЩИТЫ,
ОБЕСПЕЧИВАЕМЫЕ ОБОЛОЧКАМИ
(КОД IP)
МЕЖГОСУДАРСТВЕННЫЙ СОВЕТ
ПО СТАНДАРТИЗАЦИИ, МЕТРОЛОГИИ И СЕРТИФИКАЦИИ
Минск
Предисловие
1 РАЗРАБОТАН Техническим комитетом по стандартизации ТК 341 «Внешние воздействия»
ВНЕСЕН Госстандартом России
2 ПРИНЯТ Межгосударственным Советом по стандартизации, метрологии и сертификации (протокол № 9-96 от 12 апреля 1996 г.)
За принятие проголосовали:
|
Наименование государства |
Наименование национального органа по стандартизации |
|
Азербайджанская Республика |
Азгосстандарт |
|
Республика Армения |
Армгосстандарт |
|
Республика Белоруссия |
Белстандарт |
|
Республика Казахстан |
Госстандарт Республики Казахстан |
|
Киргизская Республика |
Киргизстандарт |
|
Республика Молдова |
Молдовастандарт |
|
Российская Федерация |
Госстандарт России |
|
Республика Таджикистан |
Таджикский государственный центр по стандартизации, метрологии и сертификации |
|
Туркменистан |
Туркменглавгосинспекция |
|
Республика Узбекистан |
Узгосстандарт |
|
Украина |
Госстандарт Украины |
3 Настоящий стандарт представляет собой аутентичный текст международного стандарта МЭК 529:1989 «Степени защиты, обеспечиваемые оболочками (Код IP)», за исключением набранных курсивом требований в разделах и пунктах: 1; 3.5.3; 4.1; 4.2; 8; 11.1; 11.2; 11.3. Замененный в этих разделах и пунктах аутентичный текст МЭК 529-89 приведен в приложении В.
Настоящий стандарт содержит также дополнительные требования, набранные курсивом в пунктах 13.4.1; 13.4.2; 13.5; 14.2.4, перечисление в.
4 Постановлением Комитета Российской Федерации по стандартизации, метрологии и сертификации от 18 октября 1996 г. № 601 межгосударственный стандарт ГОСТ 14254-96 (МЭК 529-89) введен в действие непосредственно в качестве государственного стандарта Российской Федерации с 1 января 1997 г.
5 ВЗАМЕН ГОСТ 14254-80
Текст настоящего стандарта представляет собой аутентичный текст МЭК 529:1989 с отражающими потребности народного хозяйства стран СНГ дополнениями, относящимися к двум группам вопросов:
а) Требования в части стойкости оболочек и электрооборудования в целом к климатическим, механическим внешним воздействующим факторам (ВВФ) и специальным средам (кроме проникновения внешних твердых предметов и воды) установлены вне рамок настоящего стандарта.
Ранее возможность таких требований в рамках МЭК 529 (с введением вспомогательной буквы W) была вызвана отсутствием в МЭК стандартов, устанавливающих требования в части ВВФ. Однако в настоящее время разработаны публикации МЭК серии 721, в связи с чем отпала необходимость решения этих вопросов в рамках настоящего стандарта. В свою очередь, публикации МЭК серии 721 также обладают рядом недостатков и нуждаются в корректировке. Поэтому в настоящем стандарте по этим вопросам даны ссылки на межгосударственные стандарты.
б) В МЭК 529:1989 требования к испытанию на соответствие первой характеристической цифре 5 (пылезащищенность) предусматривают использование только талька (представителя непроводящей и неабразивной пыли), что не соответствует разнообразию видов воздействующей пыли.
В настоящем стандарте эти требования дополнены требованиями использования абразивной непроводящей и проводящей пыли.
В настоящем стандарте описана система классификации степеней защиты, обеспечиваемой оболочками электрооборудования.
Несмотря на то, что данная система пригодна для большинства типов электрооборудования, не следует считать, что все перечисленные степени защиты применимы к данному конкретному типу оборудования. При необходимости изготовителю оборудования следует проконсультироваться с разработчиком настоящего стандарта для определения пригодных степеней защиты, а также частей оборудования, к которым применима установленная степень защиты.
Принятие данной системы классификации (в той степени, в какой это возможно) будет способствовать единообразию в методах описания защиты, обеспечиваемой оболочками, а также в испытаниях для проверки различных степеней защиты. Это уменьшит также количество типов устройств, необходимых для испытаний широкой гаммы изделий.
МЭК 529:1989 является вторым изданием МЭК 529. В нем учтен опыт применения первого издания и уточнены требования к оборудованию. Предусмотрено также необязательное для применения расширение кода IP с помощью дополнительных букв А, В, С и D в том случае, если фактическая защита людей от доступа к опасным частям выше защиты, обозначаемой первой характеристической цифрой.
Как правило, оболочки, имеющие код IP, согласно первому изданию данного стандарта МЭК 529:1976 (и соответственно ГОСТ 14254), пригодны для такой же кодификации в соответствии с настоящим изданием стандарта.
ГОСТ 14254-96
(МЭК 529-89)
МЕЖГОСУДАРСТВЕННЫЙ СТАНДАРТ
СТЕПЕНИ ЗАЩИТЫ, ОБЕСПЕЧИВАЕМЫЕ ОБОЛОЧКАМИ
(КОД IP)
Degrees of protection provided by enclosures
(IP Code)
Дата введения 1997-01-01
Настоящий стандарт распространяется на группировку изделий, охватываемых Международной Электротехнической Комиссией (изделия для обеспечения информационных технологий, электротехнические и приборостроения), напряжением не более 72,5 кВ [далее - электрооборудование (оборудование)]. Стандарт устанавливает:
а) классификацию степеней защиты, обеспечиваемой оболочками, от проникновения твердых предметов (включая защиту людей от доступа к опасным частям изделий и защиту электрооборудования внутри оболочки от попадания посторонних твердых предметов) и от проникновения воды (защиту электрооборудования внутри оболочки от вредных воздействий в результате проникновения воды);
б) обозначения указанных степеней защиты;
в) требования для каждого обозначения;
г) методы и режимы контроля и испытаний для проверки оболочек электрооборудования на соответствие установленной степени защиты.
Настоящий стандарт применим только к оболочкам, которые по всем другим показателям соответствуют всем требованиям стандартов на конкретные виды электрооборудования, а в части материалов и технологии обеспечивают неизменность заданных степеней защиты при нормальных условиях эксплуатации.
Настоящий стандарт применим также к пустым оболочкам при условии, что выполняются общие требования к испытаниям и выбранной степени защиты для оборудования данного типа.
Требования в части стойкости оболочек и электрооборудования в целом к другим внешним воздействующим факторам, кроме внешних твердых предметов и воды, а также защиты от соприкосновения с опасными движущимися частями, расположенными вне оболочки (например, вентиляторами), устанавливают по другим соответствующим стандартам (например, ГОСТ 15150, ГОСТ 15543.1, ГОСТ 17516.1, ГОСТ 24682). Соответственно не используют вспомогательную букву W (4.1; 4.2; раздел 8).
Барьеры, внешние по отношению к оболочке и не относящиеся к ней, а также ограждения, предусмотренные только для безопасности персонала, не рассматриваются как часть оболочки и не являются предметом рассмотрения в настоящем стандарте.
Примечание - Технические комитеты по видам электрооборудования могут устанавливать пределы и способы использования классификации в своих стандартах, а также определять понятие «оболочка» применительно к своему оборудованию. Тем не менее рекомендуется, чтобы для подобной конкретной классификации испытания не отличались от установленных настоящим стандартом. В стандарт на конкретные виды оборудования, при необходимости, могут быть включены дополнительные требования. Указания, которые должны быть отражены в стандартах на конкретные виды изделий, приведены в приложении Б.
Технические комитеты могут по видам электрооборудования нормировать другие требования к конкретным видам оборудования при условии, что степень безопасности не хуже установленной в настоящем стандарте.
В настоящем стандарте использованы ссылки на следующие нормативные документы:
ГОСТ 12.0.002-80 Система стандартов безопасности труда. Термины и определения
ГОСТ 12.1.004-91 Система стандартов безопасности труда. Пожарная безопасность. Общие требования
ГОСТ 10178-85 Портландцемент и шлакопортландцемент. Технические условия
ГОСТ 15150-69 Машины, приборы и другие технические изделия. Исполнения для различных климатических районов. Категории, условия эксплуатации, хранения и транспортирования в части воздействия климатических факторов внешней среды
ГОСТ 15543.1-89 Изделия электротехнические. Общие требования в части стойкости к климатическим внешним воздействующим факторам
ГОСТ 16962.1-89 Изделия электротехнические. Методы испытаний на устойчивость к климатическим внешним воздействующим факторам
ГОСТ 17516.1-90 Изделия электротехнические. Общие требования в части стойкости к механическим внешним воздействующим факторам
ГОСТ 24682-81 Изделия электротехнические. Общие технические требования в части воздействия специальных сред
ГОСТ 24719-81 Электрооборудование рудничное. Изоляция, пути утечки и электрические зазоры. Технические требования и методы испытаний
В настоящем стандарте использованы следующие термины с соответствующими определениями:
Часть, обеспечивающая защиту оборудования от некоторых внешних воздействий и защиту по всем направлениям от прямых контактов [Международный электротехнический словарь (VEI) 826-03-12]1).
1) МЭК 50(826):1982 Международный электротехнический словарь (VEI). Раздел 826, Электроустановки зданий.
Примечание - В рамках настоящего стандарта это определение, взятое из Международного электротехнического словаря, требует следующих пояснений:
1) Оболочки обеспечивают защиту людей и животных от доступа к опасным частям.
2) Ограждения, форма отверстий или любые другие средства (относятся ли они к оболочке либо образованы оборудованием внутри оболочки), предназначенные для предотвращения или ограничения доступа специальных испытательных приспособлений, рассматриваются как часть оболочки, исключая случаи, когда их снимают без помощи ключа или другого инструмента.
3.2 Прямой контакт
Контакт людей или животных с токоведущими частями [Международный электротехнический словарь (VEI) 826-03-05].
Примечание - Данное определение из Международного электротехнического словаря приведено для сведения. В настоящем стандарте термин «прямой контакт» заменен на «доступ к опасным частям».
3.3 Степень защиты
Способ защиты, обеспечиваемый оболочкой от доступа к опасным частям, попадания внешних твердых предметов и (или) воды и проверяемый стандартными методами испытаний.
3.4 Код IP
Система кодификации, применяемая для обозначения степеней защиты, обеспечиваемых оболочкой, от доступа к опасным частям, попадания внешних твердых предметов, воды, а также для предоставления дополнительной информации, связанной с такой защитой.
3.5 Опасная часть
Часть оборудования, приближаться либо прикасаться к которой опасно, обладающая признаками опасного производственного фактора.
3.5.1 Токоведущая опасная часть
Токоведущая часть, которая при некоторых условиях может вызывать поражение электрическим током (см. МЭК 536)1).
1) МЭК 536:1976 (в настоящее время документ 64 (ЦБ) 196) Классификация электротехнического и электронного оборудования по уровню защиты от поражения электрическим током.
3.5.2 Опасная механическая часть
Движущаяся часть, кроме гладкого вращающегося вала, к которой опасно прикасаться.
3.5.3 Опасный производственный фактор
Производственный фактор, воздействие которого на работающего в определенных условиях приводит к травме или другому внезапному резкому ухудшению здоровья (ГОСТ 12.0.002).
3.6 Защита, обеспечиваемая оболочкой от доступа к опасным частям
Защита людей от:
- контакта с токоведущими опасными частями, находящимися под низким напряжением;
- контакта с опасными механическими частями;
- сближения с опасными токоведущими частями, находящимися под высоким напряжением, на расстояние меньше достаточного воздушного промежутка внутри оболочки.
Примечание - Такая защита может быть обеспечена:
- самой оболочкой;
- с помощью барьеров, входящих составной частью в оболочку, либо за счет расстояний внутри оболочки.
3.7 Расстояние, достаточное для защиты от доступа к опасным частям
Расстояние, не позволяющее щупу доступности прикасаться либо приближаться к опасным частям.
3.8 Щуп доступности
Испытательный щуп для проверки достаточности расстояния от опасных частей оборудования, имитирующий соответствующим способом часть человеческого тела или инструмента, или аналог, который держит человек.
3.9 Щуп-предмет
Испытательный щуп для проверки возможности проникновения внутрь оболочки, имитирующий внешний твердый предмет.
3.10 Отверстие
Щель или отверстие в оболочке, которое существует либо может быть образовано с помощью приложения испытательного щупа с определенным усилием.
Степень защиты, обеспечиваемая оболочкой, указывается кодом IP следующим образом:

1) См. раздел «Bвeдeнue», перечисление а.
При отсутствии необходимости в нормировании характеристической цифры ее следует заменять на букву Х (либо XX, если опущены две цифры).
Дополнительные и (или) вспомогательные буквы опускают без замены.
При использовании более одной дополнительной буквы применяют алфавитный порядок.
Если оболочка обеспечивает различные степени защиты в зависимости от расположения оборудования, предусмотренного различиями в монтаже, соответствующие степени защиты должны быть указаны изготовителем в инструкции для каждого случая монтажа.
Порядок маркировки оболочки приведен в разделе 10.
4.2 Элементы кода IP и их обозначения
Краткое описание элементов кода IP приведено в схеме. Описание степеней защиты приведено в разделах, указанных в последней колонке


1) См раздел «Введение», перечисление а
4.3 Примеры использования букв в коде IP
С помощью следующих примеров пояснены использование и значение букв кода IP. Более подробно примеры рассмотрены в разделе 8.
IРХХ - отсутствие букв, отсутствие дополнений;
IРХ5 - опущена первая характеристическая цифра;
IРХ2 - опущена вторая характеристическая цифра;
IР20С - использована одна дополнительная буква;
IРХХС - опущены обе характеристические цифры, использована одна дополнительная буква;
IPX1C - опущена первая характеристическая цифра, использована одна дополнительная буква;
IP3XD - опущена вторая характеристическая цифра, использована одна дополнительная буква;
IP23S - использована одна вспомогательная буква;
IР21СМ - использованы одна дополнительная и одна вспомогательная буквы;
IРХ5/IРХ7 - обозначение двух степеней защиты одной оболочки двойного использования: защита от действия струй и защита от временного (непродолжительного) погружения.
Обозначение первой характеристической цифрой означает, что удовлетворяются условия, содержащиеся как в 5.1, так и в 5.2.
Первая характеристическая цифра указывает, что оболочка обеспечивает:
- защиту людей от доступа к опасным частям, предотвращая либо ограничивая проникновение какой-либо части человеческого тела или предмета, находящегося в руках у человека;
- и в то же время защиту оборудования, находящегося внутри оболочки, от проникновения внешних твердых предметов.
Оболочке может быть присвоена определенная степень защиты, обозначаемая первой характеристической цифрой, только если она соответствует одновременно всем более низким степеням защиты.
Однако не обязательно проводить испытания на установление соответствия оболочки какой-либо из более низких степеней защиты, если очевидно, что результаты таких испытаний будут заведомо удовлетворительными.
5.1 Защита от доступа к опасным частям
В таблице 1 приведены краткое описание и определения степеней защиты от доступа к опасным частям.
Перечисленные в таблице 1 степени защиты следует нормировать только с использованием первой характеристической цифры, а не с помощью краткого описания или определения.
Чтобы удовлетворить условию для первой характеристической цифры, должен сохраняться достаточный промежуток между испытательным щупом и опасными частями.
Испытания нормированы в разделе 12.
Таблица 1 - Степени защиты от доступа к опасным частям, обозначаемые первой характеристической цифрой
|
Степень защиты |
Условия испытания, номер пункта |
||
|
Краткое описание |
Определение |
||
|
0 |
Нет защиты |
- |
- |
|
1 |
Защищено от доступа к опасным частям тыльной стороной руки |
Щуп доступности - сфера диаметром 50 мм - должен оставаться на достаточном расстоянии от опасных частей |
|
|
2 |
Защищено от доступа к опасным частям пальцем |
Испытательный шарнирный палец диаметром 12 мм и длиной 80 мм должен оставаться на достаточном расстоянии от опасных частей |
|
|
3 |
Защищено от доступа к опасным частям инструментом |
Щуп доступности диаметром 2,5 мм не должен проникать внутрь оболочки |
|
|
4 |
Защищено от доступа к опасным частям проволокой |
Щуп доступности диаметром 1,0 мм не должен проникать внутрь оболочки |
|
|
5 |
Защищено от доступа к опасным частям проволокой |
Щуп доступности диаметром 1,0 мм не должен проникать внутрь оболочки |
|
|
6 |
Защищено от доступа к опасным частям проволокой |
Щуп доступности диаметром 1,0 мм не должен проникать внутрь оболочки |
|
|
Примечание - Для первых характеристических цифр 3, 4, 5, 6 защита от доступа к опасным частям считается удовлетворительной, если сохраняется достаточный промежуток. Термин «не должен проникать» дан в таблице 1 с учетом увязки с параллельными требованиями таблицы 2 |
|||
5.2 Защита от внешних твердых предметов
В таблице 2 приведены краткое описание и определения степеней защиты оболочек от проникновения в них внешних твердых предметов, в том числе пыли.
Перечисленные в таблице 2 степени защиты следует нормировать только с использованием первой характеристической цифры, а не с помощью краткого описания или определения.
Защита от попадания внешних твердых предметов предполагает, что щупы-предметы, указанные в таблице 2 до цифры 2 включительно, не проникают в оболочку полностью. Это означает, что наибольший диаметр сферы не должен проходить через отверстие в оболочке. Щупы-предметы, которые, соответствуют цифрам 3 и 4, не должны проникать в оболочку.
Пылезащищенные оболочки, соответствующие цифре 5, могут пропускать при определенных условиях ограниченное количество пыли. Пыленепроницаемые оболочки, соответствующие цифре 6, не должны допускать проникновения какой-либо пыли.
Примечание - Оболочки, отнесенные к первой характеристической цифре от 1 до 4, обеспечивают защиту от проникновения внешних твердых предметов правильной или неправильной формы, если какой-либо из трех взаимно перпендикулярных размеров предмета превышает соответствующее значение, указанное в графе «Степень защити. Определение» таблицы 2.
Испытания нормированы в разделе 13.
Таблица 2 - Степени защиты от внешних твердых предметов, обозначаемые первой характеристической цифрой
|
Степень защиты |
Условия испытания, номер пункта |
||
|
Краткое описание |
Определение |
||
|
0 |
Нет защиты |
- |
- |
|
1 |
Защищено от внешних твердых предметов диаметром больше или равным 50 мм |
Щуп-предмет - сфера диаметром 50 мм - не должен проникать полностью1) |
|
|
2 |
Защищено от внешних твердых предметов диаметром больше или равным 12,5 мм |
Щуп-предмет - сфера диаметром 12,5 мм - не должен проникать полностью1) |
|
|
3 |
Защищено от внешних твердых предметов диаметром больше или равным 2,5 мм |
Щуп-предмет диаметром 2,5 мм не должен проникать ни полностью, ни частично1) |
|
|
4 |
Защищено от внешних твердых предметов диаметром больше или равным 1,0 мм |
Щуп-предмет диаметром 1,0 мм не должен проникать ни полностью, ни частично1) |
|
|
5 |
Пылезащищено |
Проникновение пыли исключено не полностью, однако пыль не должна проникать в количестве, достаточном для нарушения нормальной работы оборудования или снижения его безопасности |
|
|
6 |
Пыленепроницаемо |
Пыль не проникает в оболочку |
|
|
1) Наибольший диаметр щупа-предмета не должен проходить через отверстие в оболочке |
|||
Вторая характеристическая цифра обозначает степень защиты, обеспечиваемую оболочками в отношении вредного воздействия на оборудование в результате проникновения воды.
Испытания для второй характеристической цифры проводят с использованием пресной воды. Реальная степень защиты может оказаться неудовлетворительной в случае, когда для операций очистки используют высокое давление и(или) растворители.
В таблице 3 приведены краткое описание и определение защиты для каждой степени, представленной второй характеристической цифрой.
Перечисленные в таблице 3 степени защиты следует нормировать только с использованием второй характеристической цифры, а не с помощью краткого описания или определения.
Испытания нормированы в разделе 14.
Предполагается, что обозначение второй характеристической цифрой до 6 включительно означает соответствие одновременно всем требованиям для меньших цифр. При этом не обязательно проводить испытания на установление соответствия какой-либо из более низких степеней защиты, если очевидно, что результаты таких испытаний будут заведомо удовлетворительными.
Принимается, что оболочки, обозначаемые только одной характеристической цифрой 7 либо 8, непригодны для выдерживания воздействия струй воды (обозначаемых второй характеристической цифрой 5 или 6) и не должны удовлетворять требованиям цифр 5 или 6, за исключением случаев двойного кодирования, как указано ниже:
|
Обозначение и маркировка |
Степень использования |
||
|
струи воды, вторая характеристическая цифра |
временного (непродолжительного) или длительного погружения в воду, вторая характеристическая цифра |
||
|
5 |
7 |
IPX5/IPX7 |
Двойная |
|
6 |
7 |
IPX6/IPX7 |
Двойная |
|
5 |
8 |
IPX5/IPX8 |
Двойная |
|
6 |
8 |
IPX6/IPX8 |
Двойная |
|
- |
7 |
IPX7 |
Ограниченная |
|
- |
8 |
IPX8 |
Ограниченная |
Оболочки «двойного использования» должны отвечать требованиям к воздействию струй и временного (непродолжительного) или длительного погружения в воду.
Оболочки «ограниченного использования» считаются пригодными для временного (непродолжительного) или длительного погружения и непригодны для воздействия струй воды.
Таблица 3 - Степени защиты от воды, обозначаемые с помощью второй характеристической цифры
|
Степень защиты |
Условия испытаний, номер пункта |
||
|
Краткое описание |
Определение |
||
|
0 |
Нет защиты |
- |
- |
|
1 |
Защищено от вертикально падающих капель воды |
Вертикально падающие капли воды не должны оказывать вредного воздействия |
|
|
2 |
Защищено от вертикально падающих капель воды, когда оболочка отклонена на угол до 15° |
Вертикально падающие капли не должны оказывать вредного воздействия, когда оболочка отклонена от вертикали в любую сторону на угол до 15° включительно |
|
|
3 |
Защищено от воды, падающей в виде дождя |
Вода, падающая в виде брызг в любом направлении, составляющем угол до 60° включительно с вертикалью, не должна оказывать вредного воздействия |
|
|
4 |
Защищено от сплошного обрызгивания |
Вода, падающая в виде брызг на оболочку с любого направления, не должна оказывать вредного воздействия |
|
|
5 |
Защищено от водяных струй |
Вода, направляемая на оболочку в виде струй с любого направления, не должна оказывать вредного воздействия |
|
|
6 |
Защищено от сильных водяных струй |
Вода, направляемая на оболочку в виде сильных струй с любого направления, не должна оказывать вредного воздействия |
|
|
7 |
Защищено от воздействия при временном (непродолжительном) погружении в воду |
Должно быт исключено проникновение воды внутрь оболочки в количестве, вызывающем вредное воздействие, при ее погружении на короткое время при стандартизованных условиях по давлению и длительности |
|
|
8 |
Защищено от воздействия при длительном погружении в воду |
Должно быть исключено проникновение воды в оболочку в количествах, вызывающих вредное воздействие, при ее длительном погружении в воду при условиях, согласованных между изготовителем и потребителем, однако более жестких, чем условия для цифры 7 |
|
Дополнительная буква обозначает степень защиты людей от доступа к опасным частям.
Дополнительные буквы следует использовать только:
- если действительная защита от доступа к опасным частям выше защиты, указанной первой характеристической цифрой;
- либо если обозначена только защита от доступа к опасным частям, а первая характеристическая цифра заменена символом X.
Например, только более высокая степень защиты может быть обеспечена путем установки заграждений, специальной формой отверстий либо за счет расстояний внутри оболочки.
В таблице 4 приведены щупы доступности, условно воспроизводящие отдельные части человеческого тела или предметы, находящиеся в руках у человека. Кроме того, в ней даны определения степеней защиты от доступа к опасным частям, обозначаемых дополнительными буквами.
Степень защиты оболочки может быть обозначена дополнительной буквой только в том случае, если она удовлетворяет всем более низким по уровню степеням защиты. При этом не обязательно проводить испытания на установление соответствия какой-либо из более низких степеней защиты, если очевидно, что результаты таких испытаний будут заведомо удовлетворительными.
Испытания нормированы в разделе 15.
Примеры кодирования по коду IP приведены в приложении А.
Таблица 4 - Степени защиты от доступа к опасным частям, обозначаемые дополнительной буквой
|
Степень защиты |
Условия испытания, номер пункта |
||
|
Краткое описание |
Определение |
||
|
А |
Защищено от доступа тыльной стороной руки |
Щуп доступности - сфера диаметром 50 мм - должен оставаться на достаточном расстоянии от опасных частей |
|
|
В |
Защищено от доступа пальцем руки |
Шарнирный испытательный палец диаметром 12 мм и длиной 80 мм должен оставаться на достаточном расстоянии от опасных частей |
|
|
С |
Защищено от доступа инструментом |
Щуп доступности диаметром 3,5 мм и длиной 100 мм должен оставаться на достаточном расстоянии от опасных частей |
|
|
D |
Защищено от доступа проволокой |
Щуп доступности диаметром 1,0 мм и длиной 100 мм должен оставаться на достаточном расстоянии от опасных частей |
|
В стандарте на конкретные виды изделий может быть установлена дополнительная информация с помощью вспомогательной буквы, помещаемой после второй характеристической цифры или после дополнительной буквы.
Указанные исключительные случаи должны соответствовать требованиям настоящего общего стандарта в части безопасности, при этом в стандарте на конкретные виды изделий должны быть ясно изложены дополнительные процедуры, которые следует выполнять при испытаниях на определение соответствия такой классификации.
Перечисленные ниже буквы ранее уже были использованы и имели следующие значения:
|
Буква |
Значение |
|
Н |
Высоковольтные аппараты |
|
м |
Испытуемое на соответствие степени защиты от вредных воздействий, связанных с проникновением воды: оборудование с движущимися частями (например, ротором вращающейся машины), находящимися в состоянии движения |
|
S |
Испытуемое на соответствие степени защиты от вредных воздействий, связанных с проникновением воды: оборудование с движущимися частями (например, ротором вращающейся машины), находящимися в состоянии неподвижности |
|
W |
Буква не используется, см. раздел «Введение», перечисление а |
В стандартах на изделия могут быть использованы и другие буквы1).
1) Перед введением в употребление новой буквы следует проконсультироваться с Техническим комитетом по стандартизации 341, чтобы избежать двойного использования дополнительных букв.
Отсутствие букв S и М означает, что степень защиты не зависит от того, находятся ли части оборудования в движении либо нет. Это, однако, может вызвать необходимость в испытаниях при обоих условиях. Тем не менее оказывается достаточным одно испытание при одном из указанных условий, если выполнимость требований к защите в других условиях очевидна.
9.1 Код IP без использования дополнительных букв:

Оболочка с указанным обозначением (код IP):
(3) - защищает людей, держащих в руках инструмент диаметром, равным либо большим 2,5 мм, от доступа к опасным частям;
- защищает оборудование внутри оболочки от проникновения внешних твердых предметов диаметром, равным либо большим 2,5 мм;
(4) - защищает оборудование внутри оболочки от вредных воздействий вследствие обрызгивания оболочки водой со всех сторон.
9.2 Код IP с использованием дополнительных букв:

Оболочка с указанным обозначением (код IP):
(2) - защищает людей от доступа к опасным частям пальцами рук;
- защищает оборудование внутри оболочки от попадания внешних твердых предметов диаметром, равным или большим 12,5 мм;
(3) - защищает оборудование внутри оболочки от вредного воздействия воды в виде дождя;
(С) - защищает людей от доступа к опасным частям, если они держат в руках инструмент диаметром, равным либо большим 2,5 мм, и длиной, не превышающей 100 мм (инструмент может проникать на всю свою длину в оболочку);
(S) - подвергнута испытанию на соответствие защите от вредных воздействий вследствие попадания воды, когда все части оборудования находятся в состоянии неподвижности.
Правила маркировки должны быть установлены в стандартах на конкретные виды изделий.
При этом необходимо, чтобы в таких стандартах был определен способ маркировки для случая, когда:
- часть оболочки имеет степень защиты, отличную от степени защиты другой части этой же оболочки;
- место монтажа влияет на степень защиты;
- должны быть указаны максимальная глубина и длительность погружения в воду.
11.1 Атмосферные условия при испытаниях с водой или пылью
Если в стандартах на конкретные виды изделий не указано иное, обусловленное спецификой условий эксплуатации, испытания проводят в нормальных климатических условиях испытаний по ГОСТ 15150.
Указанные в настоящем стандарте испытания являются предварительными, приемочными, квалификационными или типовыми.
Примечание - В стандартах и технических условиях на конкретные виды оборудования отдельные виды или все испытания по настоящему стандарту относят также к периодическим, если это обусловлено особенностями конструкции и (или) технологии изготовления оборудования и особенностями вида испытаний. При этом периодичность испытаний устанавливают в соответствии с требованиями ГОСТ 16962.1, пункт 1.2.
При отсутствии специального указания в стандартах на конкретные виды изделий образцы для испытания должны быть чистыми и новыми, со всеми конструктивными элементами и закрепленными так, как это предусмотрено изготовителем.
При невозможности проведения испытаний на комплектном оборудовании должны быть испытаны представительные части оборудования либо оборудование меньших размеров, но имеющее полномасштабные конструктивные части, подлежащие испытаниям.
В стандарте на конкретные виды изделий должны быть определены вопросы:
- число образцов, подвергаемых испытанию;
- условия монтажа, сборки и расположения испытуемых образцов, например для использования на искусственной поверхности (потолок, пол или стена).
Примечание - Это относится также к оборудованию, предназначенному для присоединения к другому соответствующему оборудованию, например изделиям, которые могут быть использованы либо в отдельности, либо в составе комплектного изделия;
- при необходимости - предварительное кондиционирование, которое следует провести;
- указание о проведении испытания под напряжением либо без него;
- указание о проведении испытания, когда подвижные части находятся в состоянии движения или неподвижны.
Если таких указаний нет, при проведении испытаний должны быть использованы указания изготовителя.
11.3 Применение требований для испытаний и оценка результатов испытаний
Вопросы оценки результатов испытаний устанавливают в нормативной документации на конкретные виды электрооборудования. Если соответствующие требования отсутствуют, принимают критерий выдерживания испытаний по настоящему стандарту.
Примечание - Примененный в настоящем стандарте термин «требования безопасности» включает в себя требования по пожарной безопасности согласно ГОСТ 12.1.004. При этом конкретные критерии оценки пожарной опасности и методы ее определения устанавливают в стандартах и технических условиях на конкретные виды оборудования с учетом требований настоящего стандарта.
Применение общих требований для испытаний и критериев выдерживания испытаний для оборудования, имеющего сливные либо вентиляционные отверстия, устанавливают в нормативной документации на конкретные виды электрооборудования. При отсутствии таких указаний должны быть выполнены требования настоящего стандарта.
11.4 Сочетание условий испытаний для первой характеристической цифры (таблица 5)
Таблица 5 - Условия испытаний для степеней защиты, обозначаемых первой характеристической цифрой
|
Испытания для защиты от |
||
|
доступа к опасным частям |
внешних твердых предметов |
|
|
0 |
Не требуется какого-либо испытания |
|
|
1 |
Сфера диаметром 50 мм не должна проникать полностью через отверстие и должен оставаться достаточный промежуток |
|
|
2 |
Испытательный шарнирный палец может проникать на глубину 80 мм, однако должен оставаться достаточный промежуток |
Сфера диаметром 12,5 мм не должна проникать полностью |
|
3 |
Испытательный стержень диаметром 2,5 мм не должен проникать внутрь и должен оставаться достаточный промежуток |
|
|
4 |
Испытательная проволока диаметром 1,0 мм не должна проникать внутрь и должен оставаться достаточный промежуток |
|
|
5 |
Испытательная проволока диаметром 1,0 мм не должна проникать внутрь и должен оставаться достаточный промежуток |
Пылезащищена, как указано в таблице 2 |
|
6 |
Испытательная проволока диаметром 1,0 мм не должна проникать внутрь и должен оставаться достаточный промежуток |
Пыленепроницаемая, как указано в таблице 2 |
|
Примечание - В случае первых цифр 1 и 2 формулировка «не проникает полностью» означает, что наибольшее поперечное сечение шара (сферы) не проходит через отверстие оболочки |
||
11.5 Пустые оболочки
При испытании оболочки без находящегося внутри нее оборудования в нормативных документах изготовителя изделия должны содержаться указания относительно расположения внутри оболочки опасных частей или частей, которые могут быть повреждены при попадании внешних твердых предметов или воды.
Изготовитель конечного изделия должен убедиться, что оболочка с встроенным оборудованием будет соответствовать степени защиты, указанной для конечного изделия.
12.1 Щуп доступности
Щупы доступности для испытаний на защищенность человека от доступа к опасным частям приведены в таблице 6.
Щуп доступности прикладывают либо (в случае испытания на первую характеристическую цифру 2) вставляют в каждое отверстие в оболочке с усилием, указанным в таблице 6.
При испытании оборудования низкого напряжения необходимо, чтобы источник низкого напряжения не менее 40 В и не более 50 В, соединенный последовательно с соответствующей лампой, был включен между щупом и опасными частями внутри оболочки. Токоведущие опасные части, покрытые только лаком или краской или защищенные методом оксидирования или другим аналогичным методом, покрывают металлической фольгой, электрически связанной с частями, которые в нормальном рабочем состоянии находятся под напряжением.
Метод сигнальной цепи может быть применен также для движущихся частей высоковольтного оборудования.
Внутренние подвижные части оборудования могут находиться в медленном движении, если это возможно.
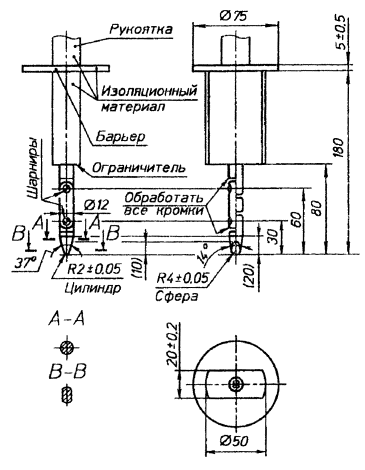
Таблица 6 - Щуп доступности для испытаний защиты человека от доступа к опасным частям оборудования
|
Дополнительная буква |
Щуп доступности |
Испытательное усилие |
|
|
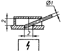
1 |
А |
Сфера диаметром 50 мм
1 -
примерно 100 мм; 2 - рукоятка
(электроизоляционный материал); 3 -
барьер (электроизоляционный материал); 4
- твердый испытательный шар (металл); 5
- шар диаметром 50 |
50 Н ±10 % |
|
2 |
В |
Испытательный шарнирный палец Все размеры указаны на рисунке 1
1 - ограничитель (Æ 50 ´ 20 мм); 2 - электроизоляционный материал; 3 - испытательный шарнирный палец (металл) |
10 Н ±10 % |
|
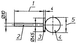
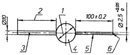
3 |
С |
Испытательный стержень диаметром 2,5 мм и длиной 100 мм
1 - шар диаметром (35±0,2) мм; 2 - примерно 100 мм; 3 - рукоятка (электроизоляционный материал); 4 - ограничитель (электроизоляционный материал); 5 - жесткий испытательный стержень; 6 - гладкий торец |
3 Н ±10 % |
|
4, 5, 6 |
D |
Испытательная проволока диаметром 1,0 мм и длиной 100 мм
1 - шар диаметром (35±0,2) мм; 2 - примерно 100 мм; 3 - рукоятка (электроизоляционный материал); 4 - ограничитель (электроизоляционный материал); 5 - жесткий испытательный стержень; 6 - гладкий торец |
1 Н ±10 % |
12.3 Оценка результатов испытаний
Защита считается удовлетворительной, если остается достаточный промежуток между щупом доступности и опасными частями.
При испытании защиты, обозначаемой первой характеристической цифрой 1, щуп доступности диаметром 50 мм не должен полностью проникать через отверстие.
При испытании для первой характеристической цифры 2 испытательный шарнирный палец может проникать на длину 80 мм, однако через отверстие не должен проникать ограничитель (Æ 50´20 мм). После первоначального прямого положения оба шарнира испытательного пальца должны быть последовательно повернуты на угол 90° с осью нешарнирного участка пальца и щуп должен быть помещен в любое возможное положение.
Дополнительные указания приведены в приложении А.
Достаточный промежуток означает:
12.3.1 Для оборудования низкого напряжения (номинальное напряжение не выше 1000 В переменного тока и 1500 В постоянного тока):
Щуп доступности не должен касаться токоведущих опасных частей.
При проверке достаточности промежутка с помощью сигнальной цепи между щупом и опасными частями лампа не должна загораться.
Примечание - Следует обратить внимание соответствующих технических комитетов на то, что для некоторых видов оборудования максимальное напряжение, возникающее внутри оборудования (эффективное значение переменного напряжения либо значение постоянного напряжения), выше номинального значения для данного оборудования. Необходимо учитывать это максимальное напряжение при определении испытательного напряжения электрической изоляции и достаточного промежутка.
12.3.2 Для оборудования высокого напряжения (номинальное напряжение выше 1000 В переменного тока и 1500 В постоянного тока):
Оборудование должно удовлетворять требованиям по электрической прочности изоляции, устанавливаемым в стандартах на конкретные виды изделий, когда испытательный щуп находится в наиболее неблагоприятном(ых) положении(ях).
Проверка может быть выполнена либо путем контроля электрической прочности изоляции, либо путем контроля нормированного значения воздушного промежутка, причем этот последний контроль должен гарантировать, что контроль электрической прочности даст удовлетворительные результаты при наиболее неблагоприятной конфигурации электрического поля [см. МЭК 71-21)].
1) МЭК 71-2:1976 Согласование изоляции. Часть вторая: Справочное руководство по применению.
Для оболочек, содержащих части при равном уровне напряжений, для каждой части должны быть созданы условия для проверки соответствующего достаточного промежутка.
Примечание - Следует обратить внимание соответствующих технических комитетов на то, что для некоторых видов оборудования максимальное напряжение, возникающее внутри оборудования (эффективное значение переменного напряжения либо значение постоянного напряжения), выше номинального значения для данного оборудования. Необходимо учитывать это максимальное напряжение при определении испытательного напряжения электрической изоляции и достаточного промежутка.
12.3.3 Для оборудования, имеющего опасные механические части, щуп доступности не должен касаться опасных механических частей.
При проверке достаточности промежутка с помощью сигнальной цепи между щупом и опасными частями лампа не должна загораться.
13.1 Испытательное оборудование
Испытательное оборудование и основные условия испытаний приведены в таблице 7.
Таблица 7 - Испытательное оборудование для испытаний защиты от попадания внешних твердых предметов
|
Испытательное оборудование |
Испытательное усилие |
Условия испытаний, номер пункта |
|
|
0 |
Испытания не требуются |
- |
- |
|
1 |
Жесткий
шар диаметром 50 |
50 Н ±10 % |
|
|
2 |
Жесткий
шар диаметром 12,5 |
30 Н ±10 % |
|
|
3 |
Жесткий
стальной стержень диаметром 2,5 |
3 Н ±10 % |
|
|
4 |
Жесткая
стальная проволока диаметром 1,0 |
1 Н ±10 % |
|
|
5 |
Камера пыли на рисунке 2 с (или без) вакуумированием(ия) |
- |
|
|
6 |
Камера пыли на рисунке 2 с вакуумированием |
- |
13.2 Условия испытаний для первых характеристических цифр 1, 2, 3, 4
Щуп-предмет прижимают к каждому отверстию оболочки с усилием, указанным в таблице 7.
13.3 Оценка результатов испытаний для первых характеристических цифр 1, 2, 3, 4
Защита считается удовлетворительной, если наибольшее поперечное сечение щупа не проникает ни через одно из отверстий.
Примечание - Для первых характеристических цифр 3 и 4 щупы предназначены для моделирования внешних твердых предметов, которые могут иметь сферическую форму. Если в оболочке имеются непрямые или извилистые проходы и не имеется других способов продвижения сферического предмета, может потребоваться применить проверку методом протягивания или предусмотреть специальный проход для щупа-предмета, который должен быть приложен с нормированным усилием к проверяемому отверстию или отверстиям.
13.4 Испытание на воздействие пыли для первых характеристических цифр 5 и 6
Испытание проводят с помощью специальной камеры пыли, основные конструктивные и принципиальные особенности которой приведены на рисунке 2, при этом насос циркуляции пыли в камере может быть заменен любым другим устройством, позволяющим поддерживать порошок талька1) во взвешенном состоянии в закрытой испытательной камере. Используемый порошок талька должен проходить через сито с размерами квадратной ячейки 75 мкм и толщиной проволочки 50 мкм. Количество порошка талька составляет 2 кг на 1 м3 объема испытательной камеры. Тальк не следует использовать при испытаниях более 20 раз.
1) См. 13.4.2.
Примечание - При выборе типа порошка талька и способа его применения необходимо учитывать правила охраны здоровья и безопасности людей.
13.4.1 Дополнительно к указанному выше испытания проводят при поддержании массовой концентрации пыли в испытательном пространстве камеры Nz = 2 г/м3. Допускается проводить испытания при меньшей массовой концентрации пыли Nк (но не менее 0,5 г/м3), при этом продолжительность испытаний увеличивают по формуле
,
tк - продолжительность испытаний при концентрации Nк;
tz - продолжительность испытаний при номинальной концентрации пыли Nz.
Определение концентрации пыли проводят в соответствии с приложением 6 ГОСТ 16962.1.
Влагосодержание пыли перед началом испытаний должно быть не более 2,5 %.
Требования по концентрации пыли в испытательном пространстве камеры являются приоритетными по отношению к требованиям по количеству пыли. Допускается применение камеры пыли другой конструкции по сравнению с изображенной на рисунке 2, например, с подачей пыли снизу и созданием «кипящего слоя» пыли.
13.4.2 В зависимости от вида пыли рекомендуется использовать следующие три метода:
а) испытания в среде неабразивной непроводящей пыли.
Для испытаний применяют порошок талька по методам настоящего стандарта;
б) испытания в среде абразивной непроводящей пыли.
Для испытаний вместо талька применяют смесь той же дисперсности, состоящую из кварцевого песка или маршалита (70 %), мела и каолина (по 15 %). После испытаний в камере пыли могут быть предусмотрены другие испытания с целью определить изменения (из-за попадания пыли) параметров изделий, имеющих подвижные части;
в) испытания в среде неабразивной проводящей пыли.
Для испытаний вместо талька применяют портландцемент марки 400 по ГОСТ 10178, той же дисперсности. После испытаний изделия подвергают проверке в камере влажности, как указано в испытании методом 213-2.3 по ГОСТ 16962.1. В этом случае допускается не применять указанный в 13.5.2 критерий отсутствия пыли в местах, где она может вызвать трекинг.
13.4.3 Оболочки, при необходимости, могут быть отнесены к одной из следующих категорий:
Категория 1: оболочки, в которых нормальная работа оборудования приводит к понижению давления внутри оболочки ниже окружающего, например в результате влияния теплового цикла.
Категория 2: оболочки, внутри которых давление равно окружающему.
Испытания оболочек первой категории:
Оболочку помещают внутрь испытательной камеры, и давление в оболочке с помощью вакуумного насоса понижают до давления ниже окружающего. Насос подсоединяют к специально выполненному для этого отверстию. Если в стандарте на конкретные виды изделий нет других указаний, такое отверстие следует выполнять рядом с опасными частями.
Если нецелесообразно предусмотреть такое отверстие, насос может быть присоединен к отверстию для кабельного ввода. Другие отверстия (например, другие кабельные вводы или отверстия для слива) должны оставаться в рабочем положении, имеющем место при эксплуатации.
При испытании через оболочку необходимо прокачать объем воздуха, равный 80 объемам оболочки, при скорости обновления воздуха не более 60 объемов оболочки в час. При этом значение вакуума не должно превышать 2 кПа (20 мбар) по манометру (рисунок 2).
Если обмен воздуха происходит со скоростью от 40 до 60 объемов в час, испытание длится 2 ч.
При скорости обмена менее 40 объемов в час с максимальным значением вакуума 2 кПа (20 мбар) испытание проводят до тех пор, пока через оболочку не пройдет 80 объемов, или же длительность испытания должна составить 8 ч.
Испытание оболочек второй категории:
Оболочку помещают внутрь испытательной камеры, но не присоединяют к вакуумному насосу. Отверстия, нормально открытые при эксплуатации, должны оставаться открытыми при испытании. Длительность испытания - 8 ч.
Если оболочки первой и второй категорий нецелесообразно испытывать в испытательной камере целиком, можно использовать один из следующих способов:
- испытание отдельных закрытых секций оболочки;
- испытание представительных частей оболочки, содержащих в качестве элементов двери, вентиляционные отверстия, соединения, уплотнения подшипников и другие элементы, находящиеся в рабочем положении во время испытания;
- испытание оболочки уменьшенного размера, имеющей такие же конструктивные элементы, что и полномасштабная оболочка.
Для двух последних случаев объем прокачиваемого через оболочку воздуха должен быть таким же, как для целой полномасштабной оболочки.
13.5 Особые условия для первой характеристической цифры 5
13.5.1 Условия испытаний для первой характеристической цифры 5
Оболочка считается оболочкой первой категории, если в стандарте на конкретный вид изделия не указано, что она относится ко второй категории.
13.5.2 Оценка результатов испытаний для первой характеристической цифры 5
Защиту считают удовлетворительной, если в результате проверки обнаруживают, что порошок талька1) не накапливается в таком количестве либо в таком месте, что нормальная работа оборудования или требования безопасности могли бы быть нарушены при попадании на эти места пыли любого другого вида. За исключением специальных случаев, точно указанных в стандартах на конкретный вид изделия или в 13.4.2, перечисление в, пыль не должна накапливаться в местах, где она может вызвать трекинг (образование токопроводящих следов) на путях утечки2).
1) Или других видов по 13.4.2, перечисления, б и в;
2) По ГОСТ 24719.
В стандартах или технических условиях на конкретные виды оборудования могут быть указаны дополнительные критерии, по которым следует оценивать работоспособность испытуемого оборудования.
13.6 Особые условия для первой характеристической цифры 6
13.6.1 Условия испытаний для первой характеристической цифры 6
Оболочка считается оболочкой первой категории независимо от того, имеется ли внутри оболочки снижение давления ниже окружающего либо такого процесса не наблюдается.
13.6.2 Оценка результатов испытаний для первой характеристической цифры 6
Защита считается удовлетворительной, если по завершении испытания внутри оболочки отложений пыли не наблюдается.
14.1 Испытательное оборудование
Испытательное оборудование приведено в таблице 8.
Таблица 8 - Испытательное оборудование и основные условия для испытаний защиты от воды
|
Испытательное оборудование |
Расход воды |
Длительность испытаний |
Условия испытаний, номер пункта |
|
|
0 |
Испытания не требуются |
- |
- |
- |
|
1 |
Емкость для получения капель (рисунок 3). Оболочку устанавливают на поворотный стол |
1 |
10 мин |
|
|
2 |
Емкость для получения капель (рисунок 3). Оболочку устанавливают в четыре фиксированных положения с наклоном 15° |
3 |
2,5 мин в каждом из наклонных положений |
|
|
3 |
Качающаяся труба (рисунок 4). Обрызгивание под углом ±60° к вертикали на максимальном расстоянии 200 мм или |
0,07 л/мин ±5 % через одно отверстие, умноженное на число отверстий |
10 мин |
14.2.3, перечисление а |
|
|
Разбрызгиватель (рисунок 5). Брызги под углом ±60° к вертикали |
10 л/мин ±5 % |
1 мин/м2 не менее 5 мин |
14.2.3, перечисление б |
|
4 |
Идентично цифре 3, при этом обрызгивание под углом ±180° к вертикали |
Аналогично цифре 3 |
Аналогично цифре 3 |
|
|
5 |
Брандспойт (рисунок 6). Сопло диаметром 6,3 мм, расстояние 2,5-3 м |
12,5 л/мин ±5 % |
1 мин/м2 не менее 3 мин |
|
|
6 |
Брандспойт (рисунок 6). Сопло диаметром 12,5 мм, расстояние 2,5-3 м |
100 л/мин ±5 % |
1 мин/м2 не менее 3 мин |
|
|
7 |
Резервуар с водой. Уровень воды над оболочкой 0,15 м выше верхней точки, 1 м выше нижней точки |
- |
30 мин |
|
|
8 |
Резервуар с водой. Уровень - по договоренности |
- |
По договоренности |
14.2 Условия испытаний
Основные условия испытаний приведены в таблице 8.
В разделе 6 приведены детали, касающиеся соответствия степеням защиты, в частности для вторых характеристических цифр 5/6 (водяная струя) и 7/8 (погружение).
При испытаниях используется пресная вода.
При проведении испытаний IРХ1 - IРХ6 температура воды не должна отличаться более чем на 5 °С от температуры испытуемого образца. Если температура воды ниже температуры образца более чем на 5 °С, следует предусмотреть возможность выравнивания давления в оболочке. Для испытаний IРХ7 более подробно данные о температуре воды приведены в 14.2.7.
Во время испытаний может частично конденсироваться влага, содержащаяся внутри оболочки. Накапливающийся конденсат не следует путать с водой, просачивающейся внутрь оболочки извне во время испытаний.
Перед проведением испытаний следует подсчитать с точностью до 10 % площадь поверхности оболочки.
При проведении испытаний с оборудованием, находящимся под напряжением, следует предусмотреть меры безопасности.
14.2.1 Испытания для второй характеристической цифры с помощью емкости для получения капель
Испытания проводят с помощью специальной емкости, создающей равномерное падение капель воды на всю поверхность оболочки.
Пример такого устройства представлен на рисунке 3, а).
Поворотный стол, на который устанавливают оболочку, должен иметь скорость вращения порядка 1 об/мин и эксцентриситет (расстояние между осью вращения стола и осью образца) приблизительно 100 мм.
Испытуемую оболочку устанавливают в нормальное рабочее положение под емкостью для получения капель, причем основание емкости должно быть больше основания оболочки. За исключением оболочек, которые крепят на стене либо на потолке, размеры стола для крепления оболочки должны быть меньше размеров основания оболочки.
Оболочка, обычно закрепляемая на потолке либо на стене, должна быть закреплена в нормальном рабочем положении на деревянной доске, размеры которой должны быть равны размерам той поверхности оболочки, которая контактирует со стеной либо потолком при нормальной эксплуатации. Продолжительность испытаний - 10 мин.
Примечание - Если размеры основания емкости меньше размеров основания оболочки, последнее может быть поделено на несколько частей, каждая из которых меньше по площади, чем основание емкости для получения капель. Испытание продолжают до тех пор, пока вся поверхность оболочки не будет обрызгана в течение нормированной продолжительности.
14.2.2 Испытания для второй характеристической цифры 2 с помощью емкости для получения капель
Устройство для получения капель аналогично приведенному в 14.2.1 и приспособлено таким образом, чтобы обеспечить скорость истечения воды, указанную в таблице 8.
Стол, на котором установлена оболочка, не должен вращаться как в случае испытания для второй характеристической цифры 1.
Оболочку испытывают в каждой наклонной позиции в течение 2,5 мин. При этом угол наклона в каждом из положений составляет 15° от вертикали в двух взаимно перпендикулярных плоскостях (см. рисунок 3, б).
Полная продолжительность испытания - 10 мин.
14.2.3 Испытания для второй характеристической цифры 3 с помощью качающейся трубы или разбрызгивателя
Испытания проводят с помощью одного из двух устройств, изображенных на рисунках 4 и 5, в соответствии со стандартом на конкретный вид изделия.
а) Условия испытаний при использовании испытательного устройства по рисунку 4 (качающаяся труба):
Полный расход устанавливают, как указано в таблице 9. Полный расход следует измерять с помощью расходомера.
Таблица 9 - Полный расход воды qV для условий испытаний IРХ3 и IРХ4. Средний расход воды на отверстие qV1 = 0,07 л/мин
|
Радиус трубы R, мм |
Степень защиты IРХ3 |
Степень защиты IРХ4 |
||
|
Число отверстий N1) |
Полный расход воды qV, л/мин |
Число отверстий N1) |
Полный расход воды qV, л/мин |
|
|
200 |
8 |
0,56 |
12 |
0,84 |
|
400 |
16 |
1,1 |
25 |
1,8 |
|
600 |
25 |
1,8 |
37 |
2,6 |
|
800 |
33 |
2,3 |
50 |
3,5 |
|
1000 |
41 |
2,9 |
62 |
4,3 |
|
1200 |
50 |
3,5 |
75 |
5,3 |
|
1400 |
58 |
4,1 |
87 |
6,1 |
|
1600 |
67 |
4,7 |
100 |
7,0 |
|
1) В зависимости от фактического расположения центров отверстий на нормированном расстоянии число отверстий может быть увеличено на 1 |
||||
В качающейся трубе должны быть предусмотрены отверстия по дуге 60° с каждой стороны от центра. Стол для установки оболочки не должен быть решетчатым (см. 14.2.4).
Испытуемую оболочку помещают в центр полуокружности. При качании труба должна отклоняться на угол 120°, 60° в каждую сторону от вертикали; длительность полного колебания (2´120°) должна составлять около 4 с, а продолжительность всего испытания - 5 мин.
Затем оболочку поворачивают на 90° в горизонтальной плоскости и испытания продолжают еще 5 мин.
Максимальный приемлемый радиус качающейся трубы - 1600 мм.
Если для некоторых типов оборудования не представляется возможным обрызгать все части испытуемой оболочки, стол для установки оболочки может быть перемещен вверх либо вниз. В таких случаях предпочтительно использование ручного устройства, изображенного на рисунке 5 (разбрызгиватель), или использование устройств по рисункам 4 и 5 в одном цикле испытаний.
б) Условия испытаний при использовании испытательного устройства по рисунку 5 (разбрызгиватель):
Для данного испытания экран с противовесом находится в положении, показанном на рисунке 5.
Заданный расход воды регулируют с помощью регулировки давления воды в пределах 50 - 150 кПа. Во время испытания давление следует поддерживать постоянным.
Длительность испытания составляет 1 мин на 1 м2 рассчитанной поверхности оболочки (без учета опорной поверхности) при минимальной продолжительности испытания 5 мин.
14.2.4 Испытания для второй характеристической цифры 4 с помощью качающейся трубы или разбрызгивателя
Испытания проводят с использованием одного из двух устройств, представленных на рисунках 4 и 5, в соответствии со стандартом на конкретный вид изделия.
а) Условия испытаний при использовании испытательного устройства по рисунку 5 (качающаяся труба):
В качающейся трубе должны быть предусмотрены отверстия по всей полуокружности, т.е. на дуге 180°. Расход воды регулируют в соответствии с таблицей 9 и измеряют с помощью расходомера.
Труба должна отклоняться на угол около 360°, 180° в каждую сторону от вертикальной оси, при этом полная длительность одного полного колебания (2´360°) должна составлять около 12 с. Допускается, чтобы труба совершала непрерывное круговое движение со скоростью около одного оборота за 6 с.
Полная продолжительность испытания - 10 мин.
Если в стандарте на конкретный вид изделия не указано иное, то стол для крепления оболочки должен быть решетчатым, чтобы предотвратить отражение от него капель и обеспечить обрызгивание оболочки со всех сторон при отклонении трубы до ее предельного положения в каждом направлении.
б) Условия испытаний при использовании испытательного устройства по рисунку 5 (разбрызгиватель):
Экран с противовесом сдвигают с разбрызгивателя, и оболочку обрызгивают со всех сторон.
Расход воды и продолжительность обрызгивания на единицу поверхности такие же, как в 14.2.3.
в) Если для некоторых видов оборудования не представляется возможным обрызгать все части испытуемой оболочки с помощью качающейся трубы (рисунок 4), допускается использование ручного устройства по рисунку 5 (разбрызгивателя) или использование устройств по рисункам 4 и 5 в одном цикле испытаний.
14.2.5 Испытание для второй характеристической цифры 5 с соплом 6,3 мм
Испытание проводят путем обливания оболочки со всех сторон струей воды, формирующейся с помощью стандартного сопла, приведенного на рисунке 6.
Должны быть выполнены следующие условия:
- внутренний диаметр сопла - 6,3 мм;
- расход воды - 12,5 л/мин ±5 %;
- давление воды - регулируют для получения требуемого расхода;
- параметры раскрытия струи - круг диаметром 40 мм на расстоянии 2,5 м от сопла;
- продолжительность испытания на 1 м2 поверхности корпуса, которую подвергают обрызгиванию, - 1 мин;
- минимальная продолжительность испытания - 3 мин;
- расстояние между соплом и поверхностью оболочки 2,5 - 3 м.
14.2.6 Испытание для второй характеристической цифры 6 с помощью сопла диаметром 12,5 мм
Испытание проводят путем обливания оболочки со всех возможных направлений струей воды, формирующейся с помощью стандартного сопла, приведенного на рисунке 6.
Должны быть выполнены следующие условия:
- внутренний диаметр сопла - 12,5 мм;
- расход воды - 100 л/мин ±5 %;
- давление воды - регулируют для получения требуемого расхода;
- параметры раскрытия струи - круг диаметром приблизительно 120 мм на расстоянии 2,5 м от сопла;
- продолжительность испытания на 1 м2 поверхности оболочки, которую подвергают обрызгиванию, - 1 мин;
- минимальная продолжительность испытания - 3 мин;
- расстояние между соплом и поверхностью оболочки 2,5 - 3 м.
14.2.7 Испытание для второй характеристической цифры 7: кратковременное погружение оболочки в воду на глубину 0,15 - 1 м
Испытание проводят путем полного погружения оболочки в воду в рабочем положении, как указано изготовителем, таким образом, чтобы были выполнены следующие условия:
а) нижняя точка оболочки высотой менее 850 мм должна находиться на глубине 1000 мм от уровня воды;
б) верхняя точка оболочки высотой более или равной 850 мм должна находиться на глубине 150 мм от уровня воды;
в) длительность испытаний - 30 мин;
г) температура воды не должна отличаться от температуры оборудования более чем на 5 °С. Данное требование может быть изменено в стандарте на конкретный вид изделия, если испытания проводят на оборудовании под напряжением и (или) с частями, находящимися в движении.
14.2.8 Испытания для второй характеристической цифры 8: длительное погружение (по согласованию)
За исключением случаев, когда имеется стандарт на изделие, условия испытаний являются предметом согласования между изготовителем и потребителем; однако они должны быть более жесткими, чем условия, определенные в 14.2.7, и должно быть учтено, что в рабочих условиях оболочка будет находиться длительно в погруженном состоянии.
14.3 Оценка результатов испытаний
После испытаний в соответствии с требованиями 14.2.1 - 14.2.8 оболочки должны быть проверены на проникновение внутрь них воды.
Соответствующий технический комитет устанавливает допустимое количество воды, которое может проникнуть внутрь оболочки, и, если требуется, уточняет условия проверки электрической прочности изоляции.
В общем случае, если определенное количество воды проникает внутрь оболочки, не должно быть:
- нарушения нормальной работы оборудования или его безопасности;
- накопления воды на электроизоляционных частях, где вода может вызвать трекинг (образование токопроводящих следов) на путях утечки;
- попадания воды на части, находящиеся под напряжением, или на обмотки, не рассчитанные на работу в увлажненном состоянии;
- накопления воды вблизи кабельных вводов либо проникновения внутрь кабелей.
При наличии в оболочке сливных отверстий следует убедиться путем осмотра, что проникающая вода не накапливается в оболочке и может свободно выходить через указанные отверстия без повреждения оборудования.
Для оболочек, не имеющих сливных отверстий, следует определить в стандарте на конкретный вид изделия допустимое условие, если вода может накопиться в таком количестве, чтобы достигать частей оборудования, находящихся под напряжением.
15.1 Щупы доступности
Щупы доступности для испытаний на защищенность человека от доступа к опасным частям приведены в таблице 6.
Щуп доступности прикладывают ко всем отверстиям в оболочке с усилием, указанным в таблице 6. Если щуп частично или полностью проникает в отверстие, его помещают во всех возможных положениях, однако ни в одном из случаев через отверстие не должны проходить барьер или поверхность упора.
Внутренние ограждения считают составляющими с оболочкой одно целое, как указано в 3.1.
При испытании оборудования низкого напряжения необходимо, чтобы источник низкого напряжения не менее 40 В и не более 50 В, соединенный последовательно со специальный лампой, был включен между щупом и опасными частями внутри оболочки. Токоведущие опасные части, покрытые только лаком или краской или защищенные методом оксидирования или другим аналогичным методом, покрывают металлической фольгой, электрически связанной с частями, которые в нормальном рабочем состоянии находятся под напряжением.
Метод сигнальной цепи может быть применен также для подвижных частей высоковольтного оборудования.
Внутренние подвижные части оборудования могут находиться в медленном движении, если это возможно.
15.3 Оценка результатов испытаний
Защита считается удовлетворительной, если остается достаточный промежуток между щупом доступности и опасными частями.
При испытании на соответствие требованиям для дополнительной буквы В испытательный шарнирный палец может проникать внутрь оболочки на длину 80 мм, однако через отверстие не должен проникать ограничитель (Æ 50´20 мм). После первоначального прямого положения оба шарнира испытательного пальца должны быть последовательно повернуты на угол 90° с осью нешарнирного участка пальца и щуп должен быть помещен в любое возможное положение.
При испытании на соответствие требованиям дополнительных букв С и D щуп доступности может проникать на всю длину внутрь оболочки, однако ограничитель не должен проникать через отверстие. Подробнее см. в приложении А.
Условия проверки достаточного расстояния идентичны описанным в 12.3.1; 12.3.2; 12.3.3.

Примечание - Материал: металл (если отсутствуют другие указания).
Линейные размеры даны в миллиметрах.
Допуски на размеры, где не указаны допуски на рисунке:
- на углы: 0/-10;
- на линейные размеры:
до 25 мм: 0/-0,05;
свыше 25 мм: ±0,2.
Два шарнира должны обеспечивать подвижность в одной и той же плоскости и направлении под углом 90° с допуском от 0 до +10°
Рисунок 1 - Испытательный шарнирный палец

Рисунок 2 - Устройство для проверки защиты от пыли (камера пыли)

а) Вторая характеристическая цифра 1

б) Вторая характеристическая цифра 2
Размеры в миллиметрах
Рисунок 3 - Устройство для проверки защиты от вертикально падающих капель воды (емкость для получения капель)

Размеры в миллиметрах
Примечание - Распределение, отверстий как для второй характеристической цифры 3 [см. 14.2.3, перечисление а]
Рисунок 4 - Устройство для проверки защиты от дождя и обрызгивания водой; вторые характеристические цифры 3 и 4 (качающаяся труба)

Размеры в миллиметрах
Примечание - 121 отверстие диаметром 0,5 мм, одно отверстие в центре; на двух внутренних окружностях по 12 отверстий под углом 30°, на четырех внешних окружностях по 24 отверстия под углом 15°.
Материал экрана - алюминий.
Материал разбрызгивателя - латунь
Рисунок 5 - Переносное устройство для проверки защиты от дождя и обрызгивания водой; вторые характеристические цифры 3 и 4 (разбрызгиватель)

Размеры в миллиметрах
Примечание - D' = 6,3 мм для испытания 14.2.5 (вторая характеристическая цифра 5);
D' = 12,5 мм для испытания 14.2.6 (вторая характеристическая цифра 6)
Рисунок 6 - Устройство для проверки защиты от струй воды (брандспойт)
В стандартах и другой нормативной документации на оборудование записывают:
«Степени защиты по ГОСТ 14254-96 (МЭК 529-89) для ____________________________ »
наименование оборудования
Далее указывают конкретную степень защиты либо записывают: «выбирают из ряда __________________________________________________________________»,
(указывают несколько конкретных степеней защиты, выбранных по настоящему стандарту)
либо записывают: «выбирают из числа установленных ГОСТ 14254-96 (МЭК 529-89)».
(информационное)
|
Ситуация |
Две цифры |
Дополнительная буква |
Две цифры плюс дополнительная буква |
|
|
0X |
- |
0X |
|
|
1X |
А |
1X |
|
|
1X |
А |
1X |
|
|
1X |
A |
1X |
|
|
1Х |
В |
1ХВ |
|
|
1X |
В |
1XВ |
|
|
1Х |
D |
1XD |
|
|
1X |
D |
1XD |
|
|
2Х |
В |
2X |
|
|
2X |
В |
2X |
|
|
2Х |
С |
2ХС |
|
|
2Х |
D |
2XD |
|
|
3Х |
С |
3Х |
|
|
3Х |
D |
3XD |
|
|
4Х |
D |
4Х |
Коды IP для примеров из приложения А
Таблица А.2
|
Первая характеристическая цифра |
Дополнительная буква |
||||
|
- |
А |
В |
С |
D |
|
|
0 |
IР0Х (1) |
- |
- |
- |
- |
|
1 |
- |
IР1Х (2, 3, 4) |
IP1XB (5, 6) |
- |
IP1XD (7, 8) |
|
2 |
- |
- |
IP2X (9, 10) |
IP2XC (11) |
IP2XD (12) |
|
3 |
- |
- |
- |
IP3X (13) |
IP3XD (14) |
|
4 |
- |
- |
- |
- |
IP4X (15) |
|
Примечание - Числа в скобках являются порядковыми номерами из таблицы А.1 |
|||||
(информационное)
Код IP для классификации степеней защиты, обеспечиваемых оболочками, может быть применен для большинства типов электрооборудования.
Тем не менее не следует считать, что данный стандарт отражает все детали оборудования различных типов.
В компетенцию соответствующих технических комитетов входит функция определения в своих стандартах на оборудование всех деталей, касающихся применения кода IP к определенному типу оборудования.
Маркировка с помощью кода IP указывает на соответствие всем предписаниям настоящего стандарта, а также любому дополнительному требованию, устанавливаемому в соответствующем стандарте на изделие.
Следующий перечень приведен в качестве справочного материала для более подробных требований, которые должны быть нормированы в стандарте на изделие:
1) пределы и метод использования кода IP (см. раздел 4);
2) определение «оболочки», такое как оно применяется к определенному типу оборудования (см. раздел 2);
3) совместная защита оболочки и оборудования внутри оболочки от внешних воздействий или условий (см. раздел 2);
4) степень защиты, применяемая для опасных движущихся частей (таких как вентиляторы), внешних по отношению оболочке (см. раздел 2);
5) область применения, если оболочки подвергают кратковременному или длительному погружению в воду (см. раздел 6);
6) использование «дополнительных букв» для защиты от доступа к опасным частям с помощью ограждений (барьеров) или промежутков внутри оболочки, если это необходимо (см. раздел 7);
7) дополнительная информация, даваемая в виде «вспомогательных букв» (см. раздел 8);
8) следует консультироваться с Техническим комитетом по стандартизации 341 при внесении новых вспомогательных букв, при этом должна быть указана процедура испытаний (см. раздел 8);
9) подробности маркировки (см. раздел 10);
10) атмосферные условия при испытаниях, если они отличаются от указанных в 11.1;
11) состояние и качество испытуемых образцов, если они отличаются от установленных в разделе 11 (см. 11,2);
12) детали условий испытаний (см. 11.2), такие как:
- число образцов;
- установка, сборка, размещение;
- предварительная подготовка;
- под напряжением или нет;
- подвижные части в состоянии движения или нет;
13) применение общих правил испытаний и оценки результатов испытаний для сливных и вентиляционных отверстий (см. 11.3);
14) основные положения для оценки результатов испытаний и условий выдерживания испытаний (см. 11.3);
15) рабочее напряжение, если требуется (см. 12.3.1 и 12.3.2);
16) категория оболочки [с указанием, существует ли разность давлений вследствие термических циклов или нет (см. 13.4)];
17) расположение отверстия для насоса для испытания с пылью, если оно не находится рядом с опасными частями (см. 13.4);
18) количество и расположение допустимых отложений пыли без отрицательного воздействия на нормальную работу (см. 13.5.2)1);
1) А также применение испытаний по 13.4.2, перечисления б и в.
19) испытательное устройство для испытаний IРХ3 и IРХ4 [качающаяся труба или разбрызгиватель (см. 14.2.3 и 14.2.4)];
20) тип опоры для оболочки (если она не имеет отверстий) во время испытания IРХ4 (см. 14.2.4);
21) температура воды, если оборудование находится под напряжением во время испытаний на погружение (см. 14.2.7);
22) условия испытания на длительное погружение (см. 14.2.8);
23) оценка результатов испытаний по окончании испытаний защиты от воды (в частности - допустимое количество воды и подробности всех проверок на прочность электрической изоляции (см. 14.3)];
24) оценка результатов испытаний, если вода может накапливаться и достигать опасных частей (см. 14.3).
(справочное)
Таблица B.1
|
Номер пункта, абзаца |
Аутентичный текст МЭК 529:1989 |
||||
|
настоящего стандарта |
МЭК 529:1989 |
||||
|
Ввдение |
Предисловие |
Настоящий стандарт разработан Техническим комитетом 70 МЭК: Степени защиты, обеспечиваемые оболочками. |
|||
|
|
|
Настоящее второе издание МЭК 529 выпущено взамен первого издания 1976 г. |
|||
|
|
|
Текст данного издания принят на основе следующих документов: |
|||
|
|
|
Правило шести месяцев |
Отчет о голосовании |
Процедура двух месяцев |
Отчет о голосовании |
|
|
|
70 (ЦБ) 13 |
70 (ЦБ) 15 |
70 (ЦБ) 16 |
70 (ЦБ) 17 |
|
|
|
В отчетах о голосовании, указанных в приведенной выше таблице, представлена полная информация о голосованиях, завершившихся принятием настоящего стандарта. |
|||
|
|
|
В настоящем стандарте даются ссылки на следующие публикации МЭК: |
|||
|
|
|
50(826)-82 Международный электротехнический словарь. Раздел 826: Электроустановки зданий. |
|||
|
|
|
68-1-88 Испытания на воздействие внешних факторов. Часть первая: Общие положения и справочные данные. |
|||
|
|
|
71-2-76 Согласование изоляции. Часть вторая: Справочное руководство по применению |
|||
|
Раздел 1, 1-й абзац, перечисления a, г |
Разделы 1 и 2, 1-й абзац, перечисления a, d |
1 Область применения Настоящий стандарт применяется для классификации степеней защиты, обеспечиваемых оболочками, для электрооборудования на напряжение не более 72,5 кВ. |
|||
|
|
|
2 Цель |
|||
|
|
|
Целью настоящего стандарта является: |
|||
|
|
|
а) дать определения степеней защиты оболочками электрооборудования в том, что касается: |
|||
|
|
|
1) защиты людей от доступа к опасным частям внутри оболочки; |
|||
|
|
|
2) защиты оборудования внутри оболочки от попадания посторонних твердых предметов; |
|||
|
|
|
3) защиты оборудования внутри оболочки от вредного воздействия в результате попадания воды; |
|||
|
|
|
d) определить испытания, которые должны быть проведены для проверки оболочки на соответствие требованиям данного стандарта |
|||
|
Раздел 1, предпоследний абзац |
Раздел 2, предпоследний абзац |
Меры, которые следует предпринять для защиты как оболочки, так и оборудования внутри оболочки от внешних воздействий, таких как: |
|||
|
|
|
- механический удар, |
|||
|
|
|
- коррозия, |
|||
|
|
|
- коррозионноактивные растворы (например, смазочно-охлаждающие жидкости), |
|||
|
|
|
- грибы, |
|||
|
|
|
- насекомые (паразиты), |
|||
|
|
|
- солнечное излучение, |
|||
|
|
|
- обледенение, |
|||
|
|
|
- влажность (например, образующаяся в результате конденсации), |
|||
|
|
|
- взрывоопасные среды, |
|||
|
|
|
- защита от соприкосновения с опасными движущимися частями, расположенными вне оболочки (например, вентиляторами), - |
|||
|
|
|
определены в стандартах на конкретные виды изделий |
|||
|
11.1 |
Если в стандарте на конкретные виды изделий не установлено иное, испытания должны быть проведены в стандартных атмосферных условиях, описанных в МЭК 68-1. |
||||
|
|
|
Рекомендуемые атмосферные условия при проведении испытаний: |
|||
|
|
|
- диапазон температур от 15 до 35 °С; |
|||
|
|
|
- относительная влажность от 25 до 75 %; |
|||
|
|
|
- давление воздуха 86 - 106 кПа (860 - 1060 мбар) |
|||
|
11.2 |
Указанные в настоящем стандарте испытания являются типовыми |
||||
|
11.3 |
Применение общих требований для испытаний и условий выдерживания испытаний для оборудования, имеющего сливные либо вентиляционные отверстия, находится в компетенции соответствующего технического комитета. |
||||
|
|
|
При отсутствии таких указаний должны быть выполнены требования настоящего стандарта. |
|||
|
|
|
Оценка результатов испытаний находится в пределах ответственности соответствующего технического комитета. Если соответствующие требования отсутствуют, принимают условия выдерживания испытаний по настоящему стандарту |
|||
Ключевые слова: электрооборудование, оболочки, степени защиты, требования, методы испытаний
СОДЕРЖАНИЕ