ГОСТ 1435-99
МЕЖГОСУДАРСТВЕННЫЙ СТАНДАРТ
ПРУТКИ, ПОЛОСЫ И
МОТКИ
ИЗ ИНСТРУМЕНТАЛЬНОЙ
НЕЛЕГИРОВАННОЙ СТАЛИ
Общие технические условия
МЕЖГОСУДАРСТВЕННЫЙ
СОВЕТ
ПО СТАНДАРТИЗАЦИИ, МЕТРОЛОГИИ И СЕРТИФИКАЦИИ
Минск
Предисловие
1 РАЗРАБОТАН Техническим комитетом по стандартизации ТК 6, Украинским государственным научно-исследовательским институтом сталей, сплавов и ферросплавов (УкрНИИспецсталь)
ВНЕСЕН Государственным комитетом Украины по стандартизации, метрологии и сертификации
2 ПРИНЯТ Межгосударственным Советом по стандартизации, метрологии и сертификации (протокол № 15 от 28 мая 1999 г.)
За принятие проголосовали:
|
Наименование государства |
Наименование национального органа по стандартизации |
|
Республика Беларусь |
Госстандарт Республики Беларусь |
|
Республика Казахстан |
Госстандарт Республики Казахстан |
|
Российская Федерация |
Госстандарт России |
|
Украина |
Госстандарт Украины |
3 Постановлением Государственного комитета Российской Федерации по стандартизации и метрологии от 9 февраля 2001 г. № 64-ст межгосударственный стандарт ГОСТ 1435-99 введен в действие непосредственно в качестве государственного стандарта Российской Федерации с 1 сентября 2001 г.
4 ВЗАМЕН ГОСТ 1435-90
ГОСТ 1435-99
МЕЖГОСУДАРСТВЕННЫЙ СТАНДАРТ
ПРУТКИ, ПОЛОСЫ И МОТКИ
ИЗ ИНСТРУМЕНТАЛЬНОЙ НЕЛЕГИРОВАННОЙ СТАЛИ
Общие технические условия
Bars, strips and reels of tool unalloyed steel. General specifications
Дата введения 2001-09-01
Настоящий стандарт распространяется на кованые прутки и полосы; прутки, полосы и мотки горячекатаные, калиброванные и со специальной отделкой поверхности (далее - металлопродукция) из инструментальной нелегированной (углеродистой) стали, а также в части норм химического состава - на слитки, заготовку, лист, ленту, проволоку и другую металлопродукцию.
В настоящем стандарте использованы ссылки на следующие стандарты:
ГОСТ 8.001-80 Государственная система обеспечения единства измерений. Организация и порядок проведения государственных испытаний средств измерений
ГОСТ 8.326-89 Государственная система обеспечения единства измерений. Метрологическая аттестация средств измерений
ГОСТ 103-76 Полоса стальная горячекатаная. Сортамент
ГОСТ 166-89 (ИСО 3599-76) Штангенциркули. Технические условия
ГОСТ 427-75 Линейки измерительные металлические. Технические условия
ГОСТ 1051-73 Прокат калиброванный. Общие технические условия
ГОСТ 1133-71 Сталь кованая круглая и квадратная. Сортамент
ГОСТ 1497-84 (ИСО 6892-84) Металлы. Методы испытания на растяжение
ГОСТ 1763-68 (ИСО 3887-77) Сталь. Методы определения глубины обезуглероженного слоя
ГОСТ 2216-84 Калибры-скобы гладкие регулируемые. Технические условия
ГОСТ 2283-79 Лента холоднокатаная из инструментальной и пружинной стали. Технические условия
ГОСТ 2590-88 Прокат стальной горячекатаный круглый. Сортамент
ГОСТ 2591-88 Прокат стальной горячекатаный квадратный. Сортамент
ГОСТ 2879-88 Прокат стальной горячекатаный шестигранный. Сортамент
ГОСТ 3749-77 Угольники поверочные 90°. Технические условия
ГОСТ 4405-75 Полосы горячекатаные и кованые из инструментальной стали. Сортамент
ГОСТ 5378-88 Угломеры с нониусом. Технические условия
ГОСТ 6507-90 Микрометры. Технические условия
ГОСТ 7417-75 Сталь калиброванная круглая. Сортамент
ГОСТ 7502-98 Рулетки измерительные металлические. Технические условия
ГОСТ 7564-97 Прокат. Общие правила отбора проб, заготовок и образцов для механических и технологических испытаний
ГОСТ 7565-81 (ИСО 377-2-89) Чугун, сталь и сплавы. Метод отбора проб для определения химического состава
ГОСТ 7566-94 Металлопродукция. Приемка, маркировка, упаковка, транспортирование и хранение
ГОСТ 8559-75 Сталь калиброванная квадратная. Сортамент
ГОСТ 8560-78 Прокат калиброванный шестигранный. Сортамент
ГОСТ 8817-82 Металлы. Метод испытания на осадку
ГОСТ 9012-59 (ИСО 410-82, ИСО 6506-81) Металлы. Метод измерения твердости по Бринеллю
ГОСТ 9013-59 (ИСО 6508-86) Металлы. Метод измерения твердости по Роквеллу
ГОСТ 10243-75 Сталь. Метод испытаний и оценки макроструктуры
ГОСТ 14955-77 Сталь качественная круглая со специальной отделкой поверхности. Технические условия
ГОСТ 18895-97 Сталь. Методы фотоэлектрического спектрального анализа
ГОСТ 21996-76 Лента стальная холоднокатаная термообработанная. Технические условия
ГОСТ 22536.0-87 Сталь углеродистая и чугун нелегированный. Общие требования к методам анализа
ГОСТ 22536.1-88 Сталь углеродистая и чугун нелегированный. Методы определения общего углерода и графита
ГОСТ 22536.2-87 Сталь углеродистая и чугун нелегированный. Методы определения серы
ГОСТ 22536.3-88 Сталь углеродистая и чугун нелегированный. Методы определения фосфора
ГОСТ 22536.4-88 Сталь углеродистая и чугун нелегированный. Методы определения кремния
ГОСТ 22536.5-87 (ИСО 629-82) Сталь углеродистая и чугун нелегированный. Методы определения марганца
ГОСТ 22536.7-88 Сталь углеродистая и чугун нелегированный. Методы определения хрома
ГОСТ 22536.8-87 Сталь углеродистая и чугун нелегированный. Методы определения меди
ГОСТ 22536.9-88 Сталь углеродистая и чугун нелегированный. Методы определения никеля
ГОСТ 26877-91 Металлопродукция. Методы измерения отклонений формы
ГОСТ 28033-89 Сталь. Метод рентгенофлюоресцентного анализа
3.1.1 По назначению в зависимости от марки стали (приложение А).
3.1.2 По химическому составу металлопродукцию подразделяют на:
- качественную;
- высококачественную - А.
3.1.3 По назначению в зависимости от массовой доли хрома, никеля и меди металлопродукцию подразделяют на три группы:
1 - для продукции всех видов, в том числе для сердечников, кроме патентированной проволоки и ленты;
2 - для патентированной проволоки и ленты;
3 - для продукции всех видов (в том числе для горячекатаных и холоднокатаных листов и лент), технология изготовления которой предусматривает многократные нагревы, усиливающие возможность проявления графитизации стали, а также для продукции, от которой требуется повышенная прокаливаемость (кроме проката для сердечников, патентированной проволоки и ленты).
3.1.4 По способу дальнейшей обработки горячекатаные и кованые прутки и полосы подразделяют на подгруппы:
а - для горячей обработки давлением (в том числе для осадки, высадки), а также для холодного волочения;
б - для холодной механической обработки (обточки, строжки, фрезерования и т.д.).
3.1.5 По качеству и отделке поверхности металлопродукцию подразделяют на группы:
горячекатаную и кованую:
- 2ГП - для подгруппы а,
- 3ГП - для подгруппы б;
калиброванную - на Б и В;
со специальной обработкой поверхности - на В, Г, Д.
3.1.6 По состоянию материала металлопродукцию изготовляют:
- без термической обработки;
- термически обработанной - ТО;
- нагартованной - НГ (для калиброванных и со специальной отделкой поверхности прутков).
Группа металлопродукции, а также назначение (для металлопродукции 1-й группы, используемой для изготовления сердечников), способ дальнейшей обработки, состояние материала, группа отделки поверхности должны быть указаны в заказе.
3.2.1 Марки и химический состав стали по плавочному анализу должны соответствовать таблицам 1 и 2.
Таблица 1
|
Массовая доля элемента, % |
|||||
|
углерода |
кремния |
марганца |
серы |
фосфора |
|
|
не более |
|||||
|
У7 |
0,65-0,74 |
0,17-0,33 |
0,17-0,33 |
0,028 |
0,030 |
|
У8 |
0,75-0,84 |
0,17-0,33 |
0,17-0,33 |
0,028 |
0,030 |
|
У8Г |
0,80-0,90 |
0,17-0,33 |
0,33-0,58 |
0,028 |
0,030 |
|
У9 |
0,85-0,94 |
0,17-0,33 |
0,17-0,33 |
0,028 |
0,030 |
|
У10 |
0,95-1,09 |
0,17-0,33 |
0,17-0,33 |
0,028 |
0,030 |
|
У12 |
1,10-1,29 |
0,17-0,33 |
0,17-0,33 |
0,028 |
0,030 |
|
У7А |
0,65-0,74 |
0,17-0,33 |
0,17-0,28 |
0,018 |
0,025 |
|
У8А |
0,75-0,84 |
0,17-0,33 |
0,17-0,28 |
0,018 |
0,025 |
|
У8ГА |
0,80-0,90 |
0,17-0,33 |
0,33-0,58 |
0,018 |
0,025 |
|
У9А |
0,85-0,94 |
0,17-0,33 |
0,17-0,28 |
0,018 |
0,025 |
|
У10А |
0,95-1,09 |
0,17-0,33 |
0,17-0,28 |
0,018 |
0,025 |
|
У12А |
1,10-1,29 |
0,17-0,33 |
0,17-0,28 |
0,018 |
0,025 |
|
Примечания 1 Буквы и цифры в обозначении марки стали означают: У - углеродистая, следующая за ней цифра - средняя массовая доля углерода в десятых долях процента, Г - повышенная массовая доля марганца. 2 Массовая доля серы в стали, полученной методом электрошлакового переплава, не должна превышать 0,013%. |
|||||
Таблица 2
|
Марка стали |
Массовая доля элемента, % |
|||
|
хрома |
никеля |
меди |
||
|
не более |
||||
|
1 |
У7, У8, У8Г, У9, У10, У12, У7А, У8А, У8ГА, У9А, У10А, У12А |
Не более 0,20 |
0,25 |
0,25 |
|
2 |
У7А, У8А, У8ГА, У9А, У10А, У12А |
Не более 0,12 |
0,12 |
0,20 |
|
3 |
У7, У8, У8Г, У9, У10, У12, У7А, У8А, У8ГА, У9А, У10А, У12А |
0,20-0,40 |
0,25 |
0,25 |
|
Примечания 1 В металлопродукции 2-й группы суммарная массовая доля хрома, никеля и меди не должна превышать 0,40 %. 2 В металлопродукции 1-й и 3-й групп, изготовленной из стали, полученной скрап-процессом, допускаются повышенные по сравнению с указанными в таблице массовые доли никеля, меди и хрома на 0,05 % каждого элемента. В металле, предназначенном для изготовления холоднокатаной ленты, увеличение массовой доли никеля, меди и хрома не допускается. |
||||
3.2.2 В прокате, слитках, заготовках и изделиях дальнейшего передела допускаются отклонения по химическому составу от норм таблиц 1 и 2 в соответствии с таблицей 3.
Таблица 3
|
Допускаемое отклонение, % |
Наименование элемента |
Допускаемое отклонение, % |
|
|
Кремний |
±0,02 |
Сера |
+ 0,002 |
|
Марганец |
±0,02 |
Фосфор |
+ 0,005 |
3.3.1 Металлопродукцию изготовляют в прутках, полосах и мотках.
3.3.2 По форме, размерам и предельным отклонениям металлопродукция должна соответствовать требованиям:
- прокат стальной горячекатаный круглый - ГОСТ 2590 или другим нормативным документам;
- прокат стальной горячекатаный квадратный - ГОСТ 2591 или другим нормативным документам;
- прокат стальной горячекатаный шестигранный - ГОСТ 2879;
- прутки кованые квадратные и круглые - ГОСТ 1133;
- полосы - ГОСТ 103, ГОСТ 4405;
- прутки (мотки) калиброванные - ГОСТ 7417, ГОСТ 8559, ГОСТ 8560 квалитетов h11 и h12;
- прутки со специальной отделкой поверхности - ГОСТ 14955 квалитетов h11 и h12.
3.3.3 Диаметры и предельные отклонения калиброванных прутков для сердечников должны соответствовать таблице 4.
Таблица 4
В миллиметрах
|
Предельное отклонение |
Диаметр прутков |
Предельное отклонение |
|
|
5,05 |
-0,08 |
12,03 |
-0,10 |
|
6,12 |
-0,08 |
12,43 |
-0,10 |
|
10,90 |
-0,10 |
|
|
Примеры условных обозначений
Пруток горячекатаный круглый, обычной точности прокатки (В), 1-го класса по кривизне, немерной длины (НД), диаметром 20 мм по ГОСТ 2590-88 из стали марки У8А, 3-й группы, подгруппы б, группы качества поверхности 3ГП, балл прокаливаемости III:
Круг В-1-НД-20 ГОСТ 2590-88/У8А-3-б-3ГП-III ГОСТ 1435-99
Пруток калиброванный круглый с предельными отклонениями по h11 , мерной длины (МД), диаметром 10 мм по ГОСТ 7417-75, из стали марки У10А, 1-й группы, нагартованный (НГ), группы качества поверхности В:
Круг h11 - МД-10 ГОСТ 7417-75/У10А-1-НГ-В ГОСТ 1435-99
Полоса горячекатаная, обычной точности прокатки (В), серповидности класса 2, кратной мерной длины (КД), толщиной 10 мм, шириной 22 мм по ГОСТ 103-76, из стали марки У12А, 3-й группы, подгруппы б, группы качества поверхности 3ГП, термически обработанная (ТО):
Полоса В-2-КД-10 х 22 ГОСТ 103-76/У12А-3-б-3ГП-ТО ГОСТ 1435-99
Пруток круглый, со специальной отделкой поверхности, с предельными отклонениями по h11, немерной длины (НД), диаметром 20 мм, группы качества поверхности В по ГОСТ 14955-77, из стали марки У10А, 1-й группы, нагартованный (НГ):
Круг h11 - НД-20 ГОСТ 14955-77/У10А-В-1-НГ ГОСТ 1435-99
4.1.1 Состояние поставки
4.1.1.1 Прутки, полосы и мотки должны изготовляться в соответствии с требованиями настоящего стандарта по технологической документации, утвержденной в установленном порядке.
4.1.1.2 Концы прутков, полос и мотков должны быть обрезаны или обрублены без заусенцев. Длина смятых концов не должна превышать:
- 1,5 диаметра или толщины - для прутков, полос, мотков диаметром или толщиной до 10 мм;
- 40 мм - для прутков, полос, мотков диаметром или толщиной св. 10 мм до 60 мм;
- 60 мм - для прутков и полос диаметром или толщиной св. 60 мм.
Допускается поставка мотков без обрезки концов.
4.1.1.3 Требования по обрезке концов калиброванного проката должны соответствовать ГОСТ 1051, со специальной отделкой поверхности - ГОСТ 14955.
4.1.2 Свойства
4.1.2.1 Твердость термически обработанной (после отжига или высокого отпуска) металлопродукции, кроме проката для сердечников, и твердость образцов после закалки должны соответствовать таблице 5.
Таблица 5
|
Твердость термически обработанной металлопродукции |
Твердость образцов после закалки в воде |
|||
|
НВ, не более |
Диаметр отпечатка, мм, не менее |
Температура закалки, °С |
HRC, (HRC), не менее |
|
|
У7, У7А |
187 |
4,4 |
800-820 |
63 (62) |
|
У8, У8А, У8Г, У8ГА |
187 |
4,4 |
780-800 |
63 (62) |
|
У9, У9А |
192 |
4,35 |
770-800 |
63 (62) |
|
У10, У10А |
212 |
4,15 |
770-800 |
63 (62) |
|
У12, У12А |
217 |
4,10 |
760-790 |
64 (63) |
4.1.2.2 Твердость прутков для сердечников должна соответствовать таблице 6.
Таблица 6
|
Твердость |
|||
|
НВ, не более |
Диаметр отпечатка, мм, не менее |
HRC, (HRC), не менее |
|
|
Отжиг или отпуск |
269 |
3,7 |
|
|
Закалка |
- |
- |
65 (64) |
4.1.2.3 Прутки для сердечников в готовом размере должны иметь сквозную прокаливаемость при одной температуре закалки: 760, 800, 840 °С (без перегрева).
Температура закалки, при которой наблюдается полная прокаливаемость, указывается в документе о качестве.
4.1.3 Состояние поверхности металлопродукции
4.1.3.1 Для горячекатаных прутков, полос, мотков и кованых прутков, полос глубина обезуглероженного слоя (феррит + переходная зона) не должна превышать на сторону:
0,20 мм - для металлопродукции диаметром или толщиной до 5 мм;
0,30 мм - св. 5 до 10 мм;
0,40 мм - св. 10 до 16 мм;
0,50 мм - св. 16 до 25 мм;
0,60 мм - св. 25 до 40 мм;
1,5 % диаметра или толщины - для металлопродукции диаметром или толщиной св. 40 мм.
4.1.3.2 Глубина обезуглероженного слоя калиброванных прутков, предназначенных для деталей, обрабатываемых токами высокой частоты, не должна превышать на сторону 1 % действительного диаметра или толщины.
Для прутков, не обрабатываемых токами высокой частоты, при диаметре или толщине прутка до 16 мм глубина обезуглероженного слоя не должна превышать 1,5 % действительного диаметра или толщины, при диаметре или толщине св. 16 мм - 1,3 % действительного диаметра или толщины.
4.1.3.3 На поверхности прутков для сердечников глубина обезуглероженного слоя не должна превышать 2 % диаметра прутка.
4.1.3.4 Обезуглероженный слой на прутках со специальной отделкой поверхности не допускаете.
4.1.3.5 На поверхности прутков и полос подгруппы а группы качества 2ГП не допускаются закаты, раскованные или раскатанные трещины, загрязнения, пузыри, прокатные плены, рванины.
Поверхностные дефекты должны быть удалены пологой вырубкой или зачисткой. Глубина зачистки не должна превышать (считая от действительного размера проката):
- для прутков и полос диаметром или толщиной менее 80 мм - половины суммы предельных отклонений от размера;
- для прутков и полос диаметром или толщиной от 80 до 140 мм - суммы предельных отклонений от размера;
- для прутков и полос диаметром или толщиной св. 140 мм - 4 % номинального диаметра или толщины.
Допускаются без зачистки дефекты механического происхождения (отпечатки, царапины, риски, рябизна и др.) глубиной, не превышающей половины суммы предельных отклонений, а также мелкие раскатанные или раскованные загрязнения и пузыри глубиной, не превышающей 0,25 суммы предельных отклонений, но не более 0,2 мм, считая от действительного размера.
На поверхности горячекатаных мотков допускаются без зачистки отдельные мелкие плены, раскатанные загрязнения и пузыри, дефекты механического происхождения (отпечатки, царапины, риски, рябизна и др.), не превышающие 0,25 суммы предельных отклонений, считая от действительного размера.
Примечание - На поверхности прутков, предназначенных для изготовления деталей методом горячей осадки или высадки, раскатанные или раскованные загрязнения и пузыри не допускаются.
4.1.3.6 На поверхности прутков и полос подгруппы б группы качества 3ГП допускаются местные дефекты, если глубина их залегания не превышает:
- для размеров до 100 мм - половины суммы предельных отклонений на размер;
- для размеров 100 мм и более - суммы предельных отклонений на размер, считая от действительного размера.
4.1.3.7 Качество поверхности калиброванных прутков (мотков) должно соответствовать требованиям ГОСТ 1051 групп Б, В; со специальной отделкой поверхности - ГОСТ 14955 групп В, Г, Д.
4.1.3.8 Металлопродукцию, предназначенную для горячей осадки и высадки, испытывают на осадку в горячем состоянии.
На осаженных образцах не должно быть раскрывшихся трещин, закатов, надрывов.
4.1.4 Структурные характеристики
4.1.4.1 В изломе прутков и полос не должно быть раковин, расслоений, шиферности, трещин, пузырей, шлаковых включений, а для металла 3-й группы - черного излома.
Излом должен быть однородным и мелкозернистым.
Допускается контролировать макроструктуру на протравленных темплетах. При этом в макроструктуре не должно быть усадочной раковины, рыхлости, пузырей, расслоений, трещин, инородных металлических и шлаковых включений.
Допускаются:
- подусадочная ликвация не более балла 1;
- центральная пористость, пятнистая ликвация; ликвационный квадрат не более балла 2;
- точечная неоднородность не более балла 3.
4.1.4.2 Микроструктура термически обработанной металлопродукции в прутках диаметром или толщиной до 60 мм (кроме подгруппы а для горячей обработки давлением) должна удовлетворять требованиям:
- форма перлита должна соответствовать таблице 7;
Таблица 7
|
Эталоны микроструктуры в баллах |
||
|
недопустимые |
допустимые |
|
|
У7, У7А, У8, У8А, У8Г, У8ГА, У9, У9А |
1 и 10 |
2, 3, 4, 5, 6, 7, 8, 9 |
|
У10, У10А, У12, У12А |
1, 2, 9 и 10 |
3, 4, 5, 6, 7. 8 |
- отсутствие цементитной сетки в металлопродукции из стали марок У7, У7А, У8, У8А, У8Г, У8ГА обеспечивается химическим составом; в металлопродукции из стали марок У9, У9А, У10, У10А, У12, У12А цементитная сетка не допускается, остатки разорванной цементитной сетки не должны превышать балла 3.
В прутках для сердечников остатки разорванной цементитной сетки не должны превышать балла 2.
Примечание - Нормы микроструктуры полосовой стали приравниваются к нормам микроструктуры квадратного профиля с площадью, равной площади поперечного сечения полосы.
4.2.1 Массовая доля хрома, никеля и меди по плавочному анализу должна соответствовать таблице 8.
Таблица 8
|
Марка стали |
Массовая доля элемента, % |
|||
|
хрома |
никеля |
меди |
||
|
не более |
||||
|
1 |
У7, У8, У8Г, У9, У10, У12, У7А, У8А, У8ГА, У9А, У10А, У12А |
Не более 0,30 |
0,35 |
0,30 |
|
3 |
У7, У8, У8Г, У9, У10, У12, У7А, У8А, У8ГА, У9А, У10А, У12А |
0,20-0,50 |
0,35 |
0,30 |
4.2.2 Концы прутков и полос могут быть без снятия заусенцев или со снятием заусенцев с одного конца.
4.2.3 Термически обработанную металлопродукцию диаметром или толщиной менее 5 мм на твердость не проверяют, но по требованию потребителя испытывают на растяжение. Временное сопротивление должно соответствовать таблице 9.
Таблица 9
|
Временное сопротивление σв, Н/мм2 (кгс/мм2), не более |
|
|
У7, У7А, У8, У8А, У8Г, У8ГА, У9, У9А |
650 (66) |
|
У10, У10А, У12, У12А |
750 (76) |
4.2.4 Более низкая твердость (НВ) по сравнению с таблицей 5 или с ограничением нижнего и верхнего пределов твердости, а для сердечников - не превышающая 229 НВ.
4.2.5 Нормированная прокаливаемость для металлопродукции 3-й группы. Балл прокаливаемости указывается в заказе.
4.2.6 Глубина обезуглероженного слоя для прутков и полос диаметром или толщиной св. 5 до 10 мм не должна превышать 0,20 мм.
4.2.7 Глубина обезуглероженного слоя на прутках для сердечников - не превышающая 1 % действительного диаметра прутка.
4.2.8 Форма перлита, соответствующая баллам 3, 4, 5, 6, - в прутках, полосах и мотках из стали марок У7А, У8А, У9А, и баллам 3, 4, 5, 6, 7 - в прутках и полосах из стали марок У10А, У12А.
4.2.9 Цементитная сетка металлопродукции подгруппы а.
4.2.10 Предприятию-изготовителю разрешается гарантировать качество металлопродукции без проведения испытания на осадку.
Маркировка и упаковка - по ГОСТ 7566 с дополнениями:
- маркировка, упаковка калиброванных прутков и мотков - по ГОСТ 1051;
- прутков со специальной отделкой поверхности - по ГОСТ 14955.
По требованию потребителя проводится окраска торцов или концов краской (цвета окраски устанавливаются по соглашению изготовителя с потребителем).
5.1 Правила приемки - по ГОСТ 7566. Металлопродукцию принимают партиями. Партия должна состоять из прутков, полос, мотков одной плавки, одного размера, одного режима термической обработки и одного качества поверхности.
По соглашению изготовителя с потребителем допускается поставка партий металлопродукции, состоящих из нескольких плавок, с требованиями, соответствующими настоящему стандарту.
5.2 Для контроля показателей качества металлопродукции устанавливают объем выборки:
- химический анализ - одна проба от плавки;
- размеры - 10 % прутков, полос или мотков от партии;
- твердость или временное сопротивление разрыву термически обработанной металлопродукции - один пруток, моток, полоса от 1 т, но не менее пяти штук от партии;
- твердость после закалки - один пруток, полоса, моток от партии, но не менее двух от плавки;
- твердость прутков для сердечников - два прутка от партии, но не менее четырех от плавки;
- прокаливаемость - один пруток от партии;
- глубина обезуглероженного слоя - три прутка, полосы, мотка от партии;
- качество поверхности - все прутки, полосы, мотки партии;
- осадка - три прутка или мотка от партии;
- излом - три прутка, полосы, мотка от партии; для контроля макроструктуры на протравленных темплетах - два прутка, мотка или полосы от партии;
- микроструктура - два прутка, полосы или мотка от партии; прутки для сердечников - четыре прутка от партии.
5.3 При получении неудовлетворительных результатов контроля какого-либо показателя качества повторный контроль проводят по ГОСТ 7566.
6.1 Для проведения контроля по п. 5.2 от каждой отобранной единицы проката отрезают по одному образцу, кроме контроля химического анализа, размеров, прокаливаемости и качества поверхности. Допускается совмещение образцов для различных видов испытаний.
6.2 Отбор проб для определения химического состава стали - по ГОСТ 7565.
Химический анализ - по ГОСТ 18895, ГОСТ 22536.0, ГОСТ 22536.1, ГОСТ 22536.2, ГОСТ 22536.3, ГОСТ 22536.4, ГОСТ 22536.5, ГОСТ 22536.7, ГОСТ 22536.8, ГОСТ 22536.9, ГОСТ 28033 или другими методами, обеспечивающими необходимую точность.
При разногласиях между изготовителем и потребителем химический анализ проводят по указанным стандартам.
6.3 Геометрические размеры и форму определяют с помощью измерительных инструментов по ГОСТ 166, ГОСТ 427, ГОСТ 2216, ГОСТ 3749, ГОСТ 5378, ГОСТ 6507, ГОСТ 7502, ГОСТ 26877, а также инструментов или шаблонов, аттестованных по ГОСТ 8.001 или ГОСТ 8.326.
6.4 Твердость термически обработанных прутков и полос проверяют по ГОСТ 9012 после снятия обезуглероженного слоя. Измерение твердости следует проводить на расстоянии приблизительно 100 мм от торца прутка или полосы. Количество отпечатков должно быть не менее трех.
6.5 Твердость образцов после закалки проверяют по ГОСТ 9013. Для прутков размером (диаметром, стороной квадрата, полосы) до 12 мм - на продольных образцах длиной от 40 до 50 мм, св. 12 мм - на поперечных темплетах толщиной от 10 до 15 мм. Количество отпечатков должно быть не менее трех.
6.6 Глубину прокаливаемости металлопродукции определяют по излому образцов, подвергнутых закалке от температур 760, 800 и 840 °С с охлаждением в воде при температуре от 10 до 30 °С путем сравнения образца с эталонами приложения Б.
Допускается проводить закалку от температур, предусмотренных таблицей 5 для конкретных марок стали.
В случае полной прокаливаемости образцов, подвергнутых закалке от температуры 760 °С, закалку от 800 и 840 °С допускается не проводить.
Для оценки прокаливаемости стали при разливке плавки отливают контрольный слиток массой приблизительно 10 кг одновременно с пробой для химического анализа. Из слитка проковывают или прокатывают пробу квадратного сечения со стороной квадрата (20 ± 1,5) мм. Из средней части пробы вырезают три образца длиной 100 мм, которые маркируют номером плавки и порядковым номером. На каждом образце делают посередине надрез глубиной от 3 до 5 мм.
Откованные образцы перед закалкой отжигают при температуре 730-750 °С, затем выдерживают после нагрева 2 ч с последующим медленным охлаждением в печи до температуры 650 °С в течение 2-4 ч.
Примечания
1 Испытания на прокаливаемость допускается проводить на круглых образцах диаметром от 21 до 23 мм, прокатанных из контрольного слитка. Глубина надреза круглых образцов должна быть от 5 до 7 мм.
2 Квадратные образцы допускается вырезать из прокатанной или прокованной заготовки или готовой металлопродукции (сорта).
3 Образцы прутков для сердечников вырезают из готовых прутков и испытывают в полном сечении без надреза.
4 Перед нагревом под закалку поверхность образцов рекомендуется очистить от окалины абразивами или травлением.
6.7 Глубину обезуглероженного слоя определяют по ГОСТ 1763 металлографическим методом. Прутки со специальной отделкой поверхности допускается контролировать методом термоэлектродвижущей силы.
Примечание - Глубину обезуглероженного слоя полос следует измерять по широкой стороне.
6.8 Качество поверхности металлопродукции проверяют без применения увеличительных приборов, в случае необходимости зачищают поверхность кольцами или змейкой.
6.9 Испытания на осадку в горячем состоянии проводят по ГОСТ 8817. При испытании на осадку образцы нагревают до температуры ковки и осаживают до 1/3 первоначальной высоты.
6.10 Контроль вида излома проводят наружным осмотром без применения увеличительных приборов по ГОСТ 10243 в готовом профиле. По соглашению изготовителя с потребителем излом прутков для сердечников допускается контролировать с применением увеличительных приборов, обеспечивающих увеличение не более четырехкратного.
Контроль макроструктуры проводят на протравленных темплетах без применения увеличительных приборов по ГОСТ 10243.
Допускается результаты контроля макроструктуры в крупных профилях проката распространять на более мелкие профили той же плавки.
Для прутков диаметром или толщиной св. 140 мм допускается пробы перековывать на круг или квадрат диаметром или толщиной 90-140 мм.
Допускается применять неразрушающие методы контроля по нормативным документам.
При возникновении разногласий применяют методы контроля, регламентированные настоящим стандартом.
6.11 Оценку микроструктуры металлопродукции проводят:
- перлита - по шкале и приложению В;
- цементитной сетки - по шкале и приложению Г.
Отбор и подготовку образцов проводят по методике, приведенной в приложении Д.
6.12 Испытания на растяжение проводят по ГОСТ 1497, отбор проб - по ГОСТ 7564.
7.1 Транспортирование и хранение - по ГОСТ 7566.
7.2 Транспортирование и хранение калиброванных прутков и мотков - по ГОСТ 1051, прутков со специальной обработкой поверхности - по ГОСТ 14955.
7.3 Длительность хранения металлопродукции под навесом - один год, в закрытых неотапливливаемых помещениях - пять лет.
Изготовитель гарантирует соответствие металлопродукции требованиям настоящего стандарта при соблюдении условий транспортирования и хранения.
(справочное)
Примерное назначение инструментальной нелегированной стали различных марок приведено в таблице A.1.
Таблица A.1
|
Марка стали |
Область применения |
|
У7, У7А |
Для обработки дерева: топоров, колунов, стамесок, долот. Для пневматических инструментов небольших размеров: зубил, обжимок, бойков. Для кузнечных штампов. Для игольной проволоки. Для слесарно-монтажных инструментов: молотков, кувалд, бородок, отверток, комбинированных плоскогубцев, острогубцев, боковых кусачек и др. |
|
У8, У8А, У8Г, У8ГА, У9, У9А |
Для изготовления инструментов, работающих в условиях, не вызывающих разогрева режущей кромки. Для обработки дерева: фрез, зенковок, цековок, топоров, стамесок, долот, продольных и дисковых пил. Для накатных роликов, плит и стержней для форм литья под давлением оловянно-свинцовистых сплавов. Для калибров простой формы и пониженных классов точности. Для холоднокатаной термообработанной ленты толщиной от 2,5 до 0,02 мм, предназначенной для изготовления плоских и витых пружин и пружинящих деталей сложной конфигурации, клапанов, щупов, берд, ламелей двоильных ножей, конструкционных мелких деталей, в том числе для часов, и т.д. (лента выпускается по ГОСТ 2283, ГОСТ 21996 и ряду специальных технических условий) |
|
У10А, У12А |
Для сердечников |
|
У10, У10А |
Для игольной проволоки. Для изготовления инструментов, работающих в условиях, не вызывающих разогрева режущей кромки. Для обработки дерева: ручных поперечных и столярных пил, машинных столярных пил, спиральных сверл. Для штампов холодной штамповки (вытяжных, высадочных, обрезных и вырубных) небольших размеров и без резких переходов по сечению. Для калибров простой формы и пониженных классов точности. Для накатных роликов, напильников, слесарных шаберов и др. Для напильников, шаберов. Для холоднокатаной термообработанной ленты толщиной от 2,5 до 0,02 мм, предназначенной для изготовления плоских и витых пружин и пружинящих деталей сложной конфигурации, клапанов, щупов, берд, ламелей двоильных ножей, конструкционных мелких деталей, в том числе для часов, и т.д. (лента выпускается по ГОСТ 2283, ГОСТ 21996 и ряду специальных технических условий) |
|
У12, У12А |
Для ручных метчиков, напильников, слесарных шаберов. Для штампов холодной штамповки обрезных и вырубных небольших размеров и без переходов по сечению, холодновысадочных пуансонов и штемпелей мелких размеров, калибров простой формы и пониженных классов точности. Для инструментов с пониженной износостойкостью при умеренных и значительных удельных давлениях (без разогрева режущей кромки): напильников, бритвенных лезвий и ножей, острых хирургических инструментов, шаберов, гравировальных инструментов |
(обязательное)

Обозначение изломов
Незакаленный
Вязкая сердцевина
Сквозная прокаливаемость
Перегрев
Примечания
1 Время выдержки после прогрева: 20 мин - при температуре 760 и 800 °С и 15 мин - при температуре 840 °С.
2 Балл прокаливаемости устанавливается по глубине прокаливаемости в миллиметрах, указанной над изломами образцов, закаленных от температуры 800 °С.
3 В документе о качестве указывается балл прокаливаемости и характер изломов, например: «Балл II при закалке от 760, 800, 840 °С, вязкая сердцевина».
(обязательное)
Шкала включает 10 эталонов (в баллах) возможных микроструктур отожженной или высокоотпущенной стали с разным содержанием зернистого и пластинчатого перлита (по площади):
балл 1 - от 80 % до 100 % мелкопластинчатого сорбитообразного перлита;
балл 2 - св. 20 % до 50 % зернистого перлита;
балл 3 - св. 50 % до 80 % зернистого перлита;
балл 4 - св. 80 % до 100 % зернистого перлита;
баллы 5 и 6 - зернистый перлит с увеличивающимся размером цементитных частиц;
балл 7 - до 10 % крупнопластинчатого перлита;
балл 8 - св. 10 % до 50 % крупнопластинчатого перлита;
балл 9 - св. 50 % до 90 % крупнопластинчатого перлита;
балл 10 - св. 90 % до 100 % крупнопластинчатого перлита.
ШКАЛА ДЛЯ ОЦЕНКИ МИКРОСТРУКТУРЫ ИНСТРУМЕНТАЛЬНОЙ НЕЛЕГИРОВАННОЙ СТАЛИ

Балл 1

Балл 2

Балл 3

Балл 4

Балл 5

Балл 6

Балл 7

Балл 8

Балл 9

Балл 10
(обязательное)
Шкала включает два ряда эталонов возможных видов цементитной сетки по 5 эталонов в каждом ряду. Ряды различаются размером ячеек цементитной сетки.
1-й ряд - крупноячеистая сетка (средний относительный диаметр ячейки приблизительно 0,045 мм);
2-й ряд - мелкоячеистая сетка (средний относительный диаметр ячейки менее 0,025 мм).
Эталоны каждого ряда отличаются по замкнутости цементитной сетки и соответствуют следующим баллам:
балл 1 - практически равномерное распределение цементитных частиц;
балл 2 - имеют место отдельные цепочки цементитных частиц;
балл 3 - цепочки цементитных частиц в виде обрывков слабо выраженной сетки;
балл 4 - цепочки цементитных частиц в виде заметно выраженной сетки;
балл 5 - цепочки цементитных частиц образуют сетку с замкнутыми ячейками.
Шкала для оценки цемектитной сетки в инструментальной нелегированной стали (´500)
Ряд I

Балл 1

Балл 2
Ряд II

Балл 1

Балл 2
Ряд I

Балл 3

Балл 4
Ряд II

Балл 3

Балл 4
Ряд I

Балл 5
Ряд II

Балл 5
(обязательное)
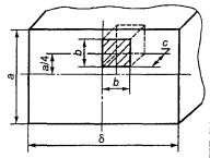
Схема вырезки образцов, их форма и размер приведены в таблице Д.1.
Таблица Д.1
|
Номер чертежа |
Схема вырезки образца из проката |
Расположение плоскости шлифа к направлению вытяжки при прокатке ковке |
Размер проката (диаметр круга, сторона квадрата толщина полосы), мм |
||
|
Круг |
Квадрат |
Полоса |
|||
|
1 |
|
|
|
Поперек |
До 25 |
|
2 |
|
|
|
Поперек |
От 26 до 40 |
|
3 |
|
|
|
Поперек |
От 42 до 60 |
|
Примечания 1 Обозначения на чертежах: (d - диаметр круга; а - сторона квадрата (толщина полосы); δ - ширина полосы; b - сторона образца; с - высота образца. 2 Для контроля проката шестигранного сечения форму образцов и плоскость сечения выбирают по тому же принципу, как и для проката круглого или квадратного сечения. 3 Образец вырезают на расстоянии не менее 20 мм от торца прутка, полосы. 4 Плоскости шлифов на чертежах заштрихованы. 5 При вырезке образцов для шлифов из прутков диаметром от 26 мм и более темплет разрезают по его диаметру. 6 Для проверки цементитной сетки образцы закаливают от температуры, указанной в таблице 5 настоящего стандарта. 7 Образцы шлифуют и полируют обычными методами, принятыми на предприятиях при изготовлении микрошлифов. 8 Травление шлифов проводят в растворе с объемной концентрацией 0,04 см3/см3 азотной кислоты в этиловом спирте. 9 Увеличение, при котором оценивается микроструктура, является рекомендуемым. В зависимости от увеличения микроскопа допускается контролировать перлит и цементитную сетку при х450-600. |
|||||
Ключевые слова: прутки, полосы, мотки, сталь инструментальная, сталь нелегированная, классификация, марки, химический состав, сортамент, характеристики, упаковка, маркировка, правила приемки, методы контроля, транспортирование, хранение
СОДЕРЖАНИЕ