
ГОСУДАРСТВЕННЫЙ СТАНДАРТ СОЮЗА ССР
ЗАКЛЕПКИ С ПОЛУКРУГЛОЙ ГОЛОВКОЙ
классов точности В и С.
ГОСТ 10299-80
(СТ СЭВ 1019-78)
ГОСУДАРСТВЕННЫЙ КОМИТЕТ СССР ПО СТАНДАРТАМ
Москва
ГОСУДАРСТВЕННЫЙ СТАНДАРТ СОЮЗА ССР
|
ЗАКЛЕПКИ С ПОЛУКРУГЛОЙ ГОЛОВКОЙ классов точности В и С. Технические условия Button-head rivets classes В and С. Specifications |
ГОСТ (СТ СЭВ 1019-78) Взамен |
Постановлением Государственного комитета СССР по стандартам от 6 мая 1980 г. № 2009 срок введения установлен
с 01.01.81
Проверен в 1985 г. Постановлением Госстандарта от 23.04.85 № 1138 срок действия продлен
до 01.01.91
(Измененная редакция, Изм. № 2).
Настоящий стандарт распространяется на заклепки с полукруглой головкой общемашиностроительного применения с диаметром стержня от 1 до 36 мм классов точности В и С.
Стандарт полностью соответствует СТ СЭВ 1019-78.
Заклепки с полукруглой головкой должны удовлетворять всем требованиям ГОСТ 10304-80 и требованиям, изложенным в соответствующих разделах настоящего стандарта.
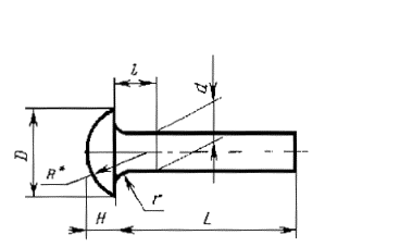
1.1. Размеры заклепок должны соответствовать указанным на чертеже и в табл. 1 и 2.
__________
* Размер для справок
(Измененная редакция, Изм. № 2).
1.2. Длина заклепок должна выбираться из следующего ряда: 2, 3, 4, 5, 6, 7, 8, 9, 10, 12, 14, 16, 18, 20, 22, 24, 26, 28, 30, 32, 34, 36, 38, 40, 42, 45, 48, 50, 52, 55, 58, 60, 65, 70, 75, 80, 85, 90, 95, 100, 110, 120, 130, 140, 150, 160, 170, 180 мм.
Таблица 1
мм
|
1 |
1,2 |
(1,4) |
1,6 |
2 |
2,5 |
3 |
(3,5) |
4 |
5 |
6 |
8 |
10 |
|
|
Диаметр головки D |
1,8 |
2,1 |
2,5 |
2,9 |
3,5 |
4,4 |
5,3 |
6,3 |
7,1 |
8,8 |
11 |
14 |
16 |
|
Высота головки Н |
0,6 |
0,7 |
0,8 |
1,0 |
1,2 |
1,5 |
1,8 |
2,1 |
2,4 |
3,0 |
3,6 |
4,8 |
6,0 |
|
Радиус под головкой r, не более |
0,2 |
0,4 |
0,5 |
0,6 |
|||||||||
|
Радиус сферы головки R |
1 |
1,2 |
1,4 |
1,6 |
1,9 |
2,4 |
2,9 |
3,4 |
3,8 |
4,7 |
6 |
7,5 |
8,3 |
|
Расстояние от основания головки до места замера диаметра l |
1,5 |
3 |
4 |
6 |
|||||||||
Продолжение табл. 1
мм
|
Диаметр стержня d |
12 |
(14) |
16 |
(18) |
20 |
(22) |
24 |
30 |
36 |
|
Диаметр головки D |
19 |
22 |
25 |
27 |
30 |
35 |
37 |
45 |
55 |
|
Высота головки Н |
7,2 |
8,4 |
9,5 |
11 |
12 |
13 |
16 |
20 |
24 |
|
Радиус под головкой r, не более |
0,8 |
1,0 |
1,2 |
1,6 |
|||||
|
Радиус сферы головки R |
9,8 |
11,4 |
13 |
13,8 |
15,4 |
18,3 |
18,7 |
22,7 |
27,8 |
|
Расстояние от основания головки до места замера диаметра l |
6 |
8 |
10 |
||||||
Примечание. Размеры, указанные в скобках, применять не рекомендуется.
|
Диаметр стержня d |
Длина L |
Диаметр стержня d |
Длина L |
|
1,0 |
2-8 |
10 |
14-100 |
|
1,2 |
2-10 |
12 |
18-110 |
|
(1,4) |
3-12 |
(14) |
20-140 |
|
1,6 |
3-12 |
16 |
20-140 |
|
2,0 |
3-16 |
(18) |
28-140 |
|
2,5 |
3-20 |
20 |
34-160 |
|
3,0 |
4-40 |
(22) |
38-170 |
|
(3,5) |
5-40 |
24 |
40-180 |
|
4,0 |
5-50 |
30 |
55-180 |
|
5,0 |
7-60 |
36 |
55-180 |
|
6,0 |
7-60 |
||
|
8,0 |
9-70 |
(Измененная редакция, Изм. № 2).
Пример условного обозначения заклепки с полукруглой головкой класса точности В диаметром стержня d = 8 мм, длиной L = 20 мм, из материала группы 00, без покрытия:
Заклепка 8 ´ 20.00 ГОСТ 10299-80
(Измененная редакция, Изм. № 1, 2).
1.3. Теоретическая масса заклепок указана в справочном приложении.
2.1. Предельные отклонения высоты головки для размеров Н < 1 мм - плюс 0,28, минус 0,16 мм; для Н = 1 мм - ±0,28 мм.
|
Длина L, мм |
Теоретическая масса 1000 шт. заклепок, кг, при номинальном диаметре стержня d, мм |
|||||||||||||||||||||
|
1 |
1,2 |
(1,4) |
1,6 |
2 |
2,5 |
3 |
(3,5) |
4 |
5 |
6 |
8 |
10 |
12 |
(14) |
16 |
(18) |
20 |
(22) |
21 |
30 |
36 |
|
|
2 |
0,019 |
0,029 |
|
|
|
|
|
|
|
|
|
|
|
|
|
|
|
|
|
|
|
|
|
3 |
0,025 |
0,038 |
0,054 |
0,077 |
0,127 |
0,218 |
|
|
|
|
|
|
|
|
|
|
|
|
|
|
|
|
|
4 |
0,031 |
0,047 |
0,066 |
0,093 |
0,151 |
0,257 |
0,401 |
|
|
|
|
|
|
|
|
|
|
|
|
|
|
|
|
5 |
0,038 |
0,056 |
0,078 |
0,109 |
0,176 |
0,295 |
0,457 |
0,670 |
0,924 |
|
|
|
|
|
|
|
|
|
|
|
|
|
|
6 |
0,044 |
0,064 |
0,090 |
0,125 |
0,201 |
0,334 |
0,512 |
0,746 |
1,023 |
|
|
|
|
|
|
|
|
|
|
|
|
|
|
7 |
0,050 |
0,073 |
0,102 |
0,140 |
0,225 |
0,372 |
0,568 |
0,821 |
1,121 |
1,906 |
3,084 |
|
|
|
|
|
|
|
|
|
|
|
|
8 |
0,056 |
0,082 |
0,114 |
0,156 |
0,251 |
0,411 |
0,623 |
0,896 |
1,220 |
2,060 |
3,306 |
|
|
|
|
|
|
|
|
|
|
|
|
9 |
|
0,091 |
0,126 |
0,172 |
0,275 |
0,449 |
0,679 |
0,972 |
1,319 |
2,214 |
3,528 |
6,902 |
|
|
|
|
|
|
|
|
|
|
|
10 |
|
0,100 |
0,138 |
0,188 |
0,299 |
0,488 |
0,734 |
1,048 |
1,417 |
2,368 |
3,751 |
7,296 |
|
|
|
|
|
|
|
|
|
|
|
12 |
|
|
0,163 |
0,219 |
0,349 |
0,565 |
0,845 |
1,199 |
1,615 |
2,676 |
4,194 |
8,085 |
|
|
|
|
|
|
|
|
|
|
|
14 |
|
|
|
|
0,398 |
0,642 |
0,956 |
1,350 |
1,812 |
2,985 |
4,638 |
8,874 |
14,23 |
|
|
|
|
|
|
|
|
|
|
16 |
|
|
|
|
0,447 |
0,737 |
1,067 |
1,501 |
2,009 |
3,293 |
5,082 |
9,663 |
15,47 |
|
|
|
|
|
|
|
|
|
|
18 |
|
|
|
|
|
0,796 |
1,178 |
1,652 |
2,207 |
3,601 |
5,526 |
10,452 |
16,70 |
25,50 |
|
|
|
|
|
|
|
|
|
20 |
|
|
|
|
|
0,873 |
1,289 |
1,803 |
2,404 |
3,909 |
5,970 |
11,242 |
17,93 |
27,28 |
39,11 |
53,33 |
|
|
|
|
|
|
|
22 |
|
|
|
|
|
|
1,400 |
1,954 |
2,601 |
4,218 |
6,414 |
12,203 |
19,17 |
29,05 |
41,53 |
56,49 |
|
|
|
|
|
|
|
24 |
|
|
|
|
|
|
1,511 |
2,105 |
2,798 |
4,526 |
6,858 |
12,820 |
20,40 |
30,83 |
43,94 |
59,65 |
|
|
|
|
|
|
|
26 |
|
|
|
|
|
|
1,622 |
2,256 |
2,996 |
4,834 |
7,302 |
13,609 |
21,63 |
32,61 |
46,36 |
62,80 |
|
|
|
|
|
|
|
28 |
|
|
|
|
|
|
1,733 |
2,407 |
3,193 |
5,142 |
7,746 |
14,398 |
22,87 |
34,38 |
48,78 |
65,96 |
86,07 |
|
|
|
|
|
|
30 |
|
|
|
|
|
|
1,844 |
2,558 |
3,390 |
5,451 |
8,190 |
15,187 |
24,10 |
36,16 |
51,19 |
69,12 |
90,07 |
|
|
|
|
|
|
32 |
|
|
|
|
|
|
1,955 |
2,709 |
3,588 |
5,759 |
8,633 |
15,977 |
25,33 |
37,93 |
53,61 |
72,27 |
94,06 |
|
|
|
|
|
|
34 |
|
|
|
|
|
|
2,065 |
2,860 |
3,785 |
6,067 |
9,077 |
16,766 |
26,56 |
39,71 |
56,03 |
75,43 |
98,06 |
124,2 |
|
|
|
|
|
36 |
|
|
|
|
|
|
2,177 |
3,011 |
3,982 |
6,375 |
9,521 |
17,555 |
27,80 |
41,48 |
58,44 |
78,59 |
102,10 |
129,1 |
|
|
|
|
|
38 |
|
|
|
|
|
|
2,288 |
3,162 |
4,179 |
6,684 |
9,965 |
18,344 |
29,03 |
43,26 |
60,86 |
81,74 |
106,04 |
134,0 |
171,4 |
|
|
|
|
40 |
|
|
|
|
|
|
2,399 |
3,313 |
4,377 |
6,992 |
10,40 |
19,13 |
30,26 |
45,03 |
63,28 |
84,90 |
110 |
139,0 |
177,3 |
226,2 |
|
|
|
42 |
|
|
|
|
|
|
|
|
4,574 |
7,300 |
10,85 |
19,92 |
31,50 |
46,81 |
65,69 |
88,06 |
114 |
143,9 |
192,3 |
233,3 |
|
|
|
45 |
|
|
|
|
|
|
|
|
4,870 |
7,763 |
11,52 |
21,11 |
33,35 |
49,47 |
69,32 |
92,80 |
120 |
151,3 |
201,2 |
244,0 |
|
|
|
48 |
|
|
|
|
|
|
|
|
5,166 |
8,225 |
12,19 |
22,29 |
35,20 |
52,14 |
72,95 |
97,53 |
126 |
158,7 |
207,2 |
254,6 |
|
|
|
50 |
|
|
|
|
|
|
|
|
5,363 |
8,533 |
12,63 |
23,08 |
36,43 |
53,91 |
75,36 |
100,70 |
130 |
163,6 |
213,1 |
261,8 |
|
|
|
52 |
|
|
|
|
|
|
|
|
|
8,842 |
13,07 |
23,87 |
37,66 |
55,69 |
77,78 |
103,80 |
134 |
168,6 |
222,1 |
268,9 |
|
|
|
55 |
|
|
|
|
|
|
|
|
|
9,304 |
13,74 |
25,05 |
39,51 |
58,35 |
81,40 |
108,60 |
140 |
176,0 |
231,1 |
279,5 |
462,7 |
719,7 |
|
58 |
|
|
|
|
|
|
|
|
|
9,766 |
14,40 |
26,24 |
41,36 |
61,02 |
85,03 |
113,30 |
146 |
183,3 |
237,0 |
290,6 |
481,5 |
743,7 |
|
60 |
|
|
|
|
|
|
|
|
|
10,075 |
14,85 |
27,03 |
42,59 |
62,79 |
87,45 |
116,50 |
150 |
188,3 |
251,9 |
297,3 |
490,5 |
759,7 |
|
65 |
|
|
|
|
|
|
|
|
|
|
|
29,00 |
45,68 |
67,23 |
93,49 |
124,40 |
160 |
200,6 |
266,9 |
315,0 |
518,2 |
799,6 |
|
70 |
|
|
|
|
|
|
|
|
|
|
|
30,97 |
48,76 |
71,67 |
99,53 |
132,20 |
170 |
213,0 |
281,8 |
332,8 |
546,0 |
839,6 |
|
75 |
|
|
|
|
|
|
|
|
|
|
|
|
51,84 |
76,11 |
105,60 |
140,10 |
180 |
225,3 |
296,7 |
350,5 |
573,7 |
879,5 |
|
80 |
|
|
|
|
|
|
|
|
|
|
|
|
54,93 |
80,55 |
111,60 |
148,00 |
190 |
237,6 |
311,6 |
368,3 |
601,5 |
919,6 |
|
85 |
|
|
|
|
|
|
|
|
|
|
|
|
58,01 |
84,99 |
117,70 |
155,90 |
200 |
250,0 |
326,5 |
386,0 |
629,2 |
959,4 |
|
90 |
|
|
|
|
|
|
|
|
|
|
|
|
61,09 |
89,43 |
123,70 |
163,80 |
210 |
262,3 |
341,5 |
403,8 |
657,0 |
999,4 |
|
95 |
|
|
|
|
|
|
|
|
|
|
|
|
64,17 |
93,86 |
129,70 |
171,70 |
220 |
274,6 |
356,4 |
421,6 |
684,7 |
1039,3 |
|
100 |
|
|
|
|
|
|
|
|
|
|
|
|
67,25 |
98,30 |
135,80 |
179,60 |
230 |
287,0 |
386,2 |
439,3 |
712,4 |
1079,3 |
|
110 |
|
|
|
|
|
|
|
|
|
|
|
|
|
107,20 |
147,90 |
195,40 |
250 |
311,6 |
416,1 |
474,8 |
769,9 |
1159,2 |
|
120 |
|
|
|
|
|
|
|
|
|
|
|
|
|
|
160,00 |
211,20 |
270 |
336,3 |
445,9 |
510,3 |
823,4 |
1239,1 |
|
130 |
|
|
|
|
|
|
|
|
|
|
|
|
|
|
172,00 |
226,90 |
290 |
360,9 |
475,7 |
545,8 |
878,9 |
1319,0 |
|
140 |
|
|
|
|
|
|
|
|
|
|
|
|
|
|
184,10 |
242,74 |
310 |
385,6 |
505,6 |
581,4 |
934,4 |
1398,9 |
|
150 |
|
|
|
|
|
|
|
|
|
|
|
|
|
|
|
|
|
410,2 |
535,6 |
616,9 |
989,9 |
1478,8 |
|
160 |
|
|
|
|
|
|
|
|
|
|
|
|
|
|
|
|
|
434,9 |
565,3 |
652,4 |
1045,4 |
1558,7 |
|
170 |
|
|
|
|
|
|
|
|
|
|
|
|
|
|
|
|
|
|
595,1 |
687,9 |
1100,9 |
1638,6 |
|
180 |
|
|
|
|
|
|
|
|
|
|
|
|
|
|
|
|
|
|
|
723,4 |
1156,3 |
1718,5 |
Примечание. Для определения массы других заклепок, изготовляемых из других материалов, значения массы, указанные в таблице, должны быть умножены на коэффициенты: 0,356-для алюминиевого сплава; 1,080 - для латуни; 1,134-для меди,
(Измененная редакция, Изм. № 1, 2).