
ГОСУДАРСТВЕННЫЙ СТАНДАРТ СОЮЗА ССР
|
СЕТИ РАСПРЕДЕЛИТЕЛЬНЫЕ ПРИЕМНЫХ СИСТЕМ ТЕЛЕВИДЕНИЯ И РАДИОВЕЩАНИЯ основные параметры, технические требования, методы измерений, и испытаний Distribution
networks of receiving ТV and radio |
ГОСТ (СТ СЭВ 1814-79, СТ СЭВ 1815-79) Взамен |
Постановлением Государственного комитета СССР по стандартам от 24 июня 1983г. № 2682 срок действия установлен с 01.01.84
до 01.01.89
Настоящий, стандарт распространяется на кабельные распределительные сети систем коллективного приема телевидения и кабельного телевидения, предназначенные для распределения радиосигналов вещательного телевидения и УКВ ЧМ вещания в жилых и общественных зданиях. Стандарт устанавливает основные параметры, распределительных сетей и их элементов, общие технические требования к ним, методы измерений, и испытаний.
Измененная редакция, (Изм. № 1).
СОДЕРЖАНИЕ
1.1. Распределительные сети представляют собой совокупность технических средств для распределения в жилых и общественных зданиях радиосигналов вещательного телевидения; и УКВ ЧМ вещания, поступающих с выходов приемных антенн или сформированных на головной станции (в случае подачи на нее программ телевидения и звукового вещания по линиям связи) и внутрисистемных сигналов
В зависимости от сложности, протяженности и количества обслуживаемых абонентов распределительные сети подразделяются на категории в соответствии с табл. 1. Примеры структурных схем распределительных сетей приведены в справочном приложении 1.
Таблица 1
|
Категория |
Характеристика распределительной сети |
Область применения |
Примерное количество абонентов |
Примечание |
|
1.1 |
Одноступенчатая распределительная сеть системы коллективного приема телевидения без усилителя или с одним усилителем |
Небольшие жилые или общественные здания |
До 100 |
- |
|
1.2 |
То же, с двумя последовательно включенными усилителями |
Большие жилые и общественные здания, несколько близкостоящих зданий |
До 1000 |
- |
|
2 |
Двухступенчатая распределительная сеть крупной системы коллективного приема телевидения |
Небольшой микрорайон |
До 10000 |
При необходимости используется пилотное регулирование |
|
3 |
Трехступенчатая распределительная сеть крупной системы коллективного приема телевидения или системы кабельного телевидения |
Большие районы, несколько микрорайонов, целые города |
Св. 5000 при большой протяженности распределительной сети |
При необходимости используется пилотное регулирование. Возможна передача внутрисистемных сигналов, допускается двухнаправленная передача |
1.2. Распределительные сети обеспечивают возможность распределения радиосигналов вещательного телевидения в частотных диапазонах I (48,5-66 МГц), II (76-100 МГц), III (174-230 МГц) и радиосигналов укв ЧМ вещания в диапазоне 66-73 МГц.
Для распределения радиосигналов вещательного телевидения допускается использование специальных канатов СК1-СК8 в диапазоне от 110 до 174 МГц и СК11-СК18 в диапазоне от 230 до 294 МГц.
Для передачи ни головную станцию внутрисистемных сигналов может быть использован диапазон частот от 5 до 30 МГц (границы обратных каналов подлежат уточнению).
1.3. Радиосигналы вещательного телевидения, принимаемые в диапазонах IV (470-582 МГц) и V (582-790 МГц), преобразуются в радиосигналы каналов диапазонов I-III. Радиосигналы вещательного телевидения, принимаемые в каналах диапазонов I-III, могут преобразовываться в радиосигналы других каналов этих диапазонов.
2.1. Основные электрические параметры сети должны соответствовать нормам, приведенным в табл. 2*.
|
Наименование параметра |
Норма |
|
1. Уровень радиосигнала изображения на выходе абонентской розетки, дБ/мкВ1 |
|
|
а) минимальное значение2 |
57 |
|
б) максимальное значение |
84 |
|
2. Разность уровней радиосигналов изображения, дБ, не более: |
|
|
а) каналов одного частотного диапазона |
8 |
|
б) каналов разных частотных диапазонов |
12 |
|
в) соседних каналов |
3 |
|
3. Уровень радиосигнала УКВ ЧМ монофонического вещания на выходе абонентской розетки, дБ/мк В1 |
|
|
а) минимальное значение |
40 |
|
б) максимальное значение |
80 |
|
4. Уровень радиосигнала УКВ ЧМ стереофонического вещания на выходе абонентской розетки, дБ/мк В1 |
|
|
а) минимальное значение |
50 |
|
б) максимальное значение |
80 |
|
5. Неравномерность амплитудно-частотной характеристики, дБ, не более: |
|
|
а) в полосе частот между несущими изображения и звукового сопровождения телевизионного канала |
3 |
|
б) в диапазоне УКВ ЧМ вещания |
10 |
|
6. Разность группового времени запаздывания на боковой частоте радиосигнала изображения, соответствующей цветовой поднесущей, и на частоте несущей изображения, нс, в пределах3 |
±100 |
|
7. Импульсная характеристика К-фактор, %, не более |
7 |
|
8. Дифференциальное усиление, %, не более3 |
10 |
|
9. Дифференциальная фаза, ...°, не более3 |
12 |
|
10. Отношение сигнала к шуму, дБ, не менее: |
|
|
а) в телевизионном канале |
43 |
|
б) в канале монофонического УКВ ЧМ вещания3 |
41 |
|
в) в канале стереофонического УКВ ЧМ вещания3 |
51 |
|
11. Отношение сигнала к фоновой помехе, дБ, не менее |
46 |
|
12. Отношение сигнала к помехе комбинационной частоты, дБ, не менее: |
|
|
а) при помехе третьего порядка, 1МАIII(к) |
54 |
|
б) при помехе третьего порядка, 1MAIII(B) |
60 |
|
в) при помехе второго порядка, 1MAII(B) 3 |
55 |
|
13. Отношение радиосигнала УКВ ЧМ вещания к помехе комбинационной частоты третьего порядка, 1MAIII(B) дБ, не менее3 |
50 |
|
14. Вносимая нестабильность частоты, кГц, в пределах: |
|
|
а) при преобразовании частоты принимаемого радиосигнала вещательного телевидения4 |
±75 |
|
б) то же, при распределении радиосигналов в соседних телевизионных каналах |
±20 |
|
в) при преобразовании, частоты принимаемого радиосигнала УКВ ЧМ вещания |
±5 |
|
15. Развязка между выходами одной или двух любых абонентских розеток, дБ, не менее2: |
|
|
а) между любыми выходами |
22 |
|
б) между выходами для подключения телевизора и радиоприемника на частотах гетеродина УКВ ЧМ приемника3 |
46 |
* Соответствие распределительной сети предъявляемым требованиям (исключая п.п. 1-4) допускается определять методом субъективной оценки качества телевизионного изображения в соответствии со справочным приложением 2. Параметры сети считаются приемлемыми, если среднеарифметическая оценка качества телевизионного изображения на экране телевизора, подключенного к выходу любой абонентской розетки, составляет не менее 3 баллов (при этом среднеарифметическая оценка качества изображения на экране телевизора, подключенного к выходу фидера приемной антенны, должна составлять не менее 4 баллов).
_______________________
1. Допускаются другие значения уровней, определяемые условиями работы сети ее протяженностью, числом последовательно включенных усилителей и сочетанием каналов, выбранных для распределения радиосигналов; значения уровней радиосигналов конкретной сети указываются в технической документации на систему.
2 При распределении радиосигналов в каналах, подверженных воздействию помех от гетеродинов подключенной к сети бытовой аппаратуры, развязку между выходами абонентских розеток и (или) уровни радиосигналов на их выходах следует увеличить до такой степени, чтобы отношение сигнала к помехе на частоте гетеродина было не менее 60 дБ, а на частотах его гармоник - не менее 46 дБ.
3 Норма и методы измерений подлежат уточнению.
4 В одноступенчатой распределительной сети допускается увеличение нестабильности частоты до ±250 кГц
Измененная редакция, (Изм. № 1).
2.2. Нормы на параметры элементов распределительной сети определяются из условия выполнения требований к сетям, регламентируемых настоящим, стандартом. Нормы на эти параметры и методы их измерений устанавливаются техническими условиями на каждый элемент сети. Перечень основных параметров элементов, подлежащих нормированию, приведет в обязательном приложении 3.
3.1. Распределительные сети и их элементы должны изготовляться в соответствии с требованиями настоящего стандарта по схемам и чертежам, утвержденным в установленном порядке.
3.2. Элементы распределительной сети должны иметь несимметричные входы и выходы с номинальным сопротивлением 75 Ом.
3.3. Линии сети выполняются коаксиальными кабелями с номинальным волновым сопротивлением 75 Ом, затухания которых указаны в справочном приложении 4.
Параметры коаксиальных кабелей по ГОСТ 11326.0-78.
3.4. Питание активных элементов распределительной сети осуществляется от сети переменного тока напряжением 220 В (с допустимым отклонением от минус 15 до +10%) и частотой (50±2) Гц. Для магистральных усилителей должна быть предусмотрена возможность дистанционного питания.
Примечание. Допускается питание активных элементов от сети с другими номинальными значениями напряжения.
3.5. Должна обеспечиваться возможность подключения менее сложных сетей к сетям большей категории сложности.
3.6. Распределительная сеть и ее элементы должны удовлетворять требованиям безопасности, установленным соответствующими нормативными документами.
3.7. Элементы сети, предназначенные для установки на открытом воздухе и в чердачных помещениях, рассчитываются на работу в климатических условиях, определяемых ГОСТ 15150-69 для климатического исполнения УХЛ категории изделий 1.1, а элементы сети, предназначенные для установки внутри помещения, - для климатического исполнения УХЛ категории изделия 4.
Примечание. Допускается изготовление элементов сети для других климатических условий, указываемых в технических условиях на эти элементы.
3.8. Элементы распределительной сети рассчитываются на непрерывную работу. Срок службы сети не должен быть менее 10 лет.
4.1. Аппаратура и оборудование
4.1.1. Генератор телевизионных измерительных сигналов
Формирует полный телевизионный сигнал с измерительными сигналами I-IV испытательных строк и периодический измерительный сигнал № 2 с параметрами по ГОСТ 18471-83/
Номинальный размах полного телевизионного сигнала (от уровня белого до уровня синхронизации) на выходе генератора - 1В
Номинальное выходное сопротивление 75 Ом при затухании несогласованности в полосе частот от 0 до 6 МГц не менее 30 дБ.
Измененная редакция, (Изм. № 1).
4.1.2. Генератор сигналов высокочастотный
Диапазон частот от 40 до 300 МГц и от 470 до 790 МГц.
Основная погрешность установки частоты: до 300 МГц - в пределах ±1%, от 470 до 790 МГц в пределах ±0,1%.
Выход асимметричный с номинальным выходным сопротивлением 75 Ом при коэффициенте стоячей волны: в диапазоне частот 40-300 МГц-не более 1,3, в диапазоне частот 470-790 МГц - не более 2.
Регулировка выходного напряжения: в диапазоне частот 40-300 МГц-от 0,1 до 500 мВ, в диапазоне 470-790 МГц - от 0,1 до 50 мВ.
Основная погрешность установки опорного уровня - в пределах ±1,5 дБ. Основная погрешность ослабления аттенюатора - в пределах ±1 дБ.
Коэффициент паразитной амплитудной модуляции выходного сигнала в режиме непрерывной модуляции - не более 0,1%.
Уровень сигнала гармонических частот - не более минус 30 дБ.
Уровень шума - не более минус 140 дБ/Гц.
Внешняя амплитудная модуляция полным телевизионным сигналом в полосе частот 50 Гц - 6 МГц. Плавная установка коэффициента амплитудной модуляции - от 10 до 90%. Основная погрешность установки коэффициента амплитудной модуляции, равного 85%, - в пределах ±5%.
Искажения формы модулирующего сигнала: К-фактор - не более 2%, дифференциальное усиление - не более 2%, дифференциальная фаза - не более 2°.
4.1.3. Измеритель амплитудно-частотных характеристик с раздельными блоками генератора и индикатора
4.1.3.1. Блок генератора измерителя амплитудно-частотных характеристик.
Диапазон частот - от 40 до 800 МГц.
Максимальный уровень выходного сигнала - не менее 50 мВ.
Неравномерность уровня выходного сигнала в полосе 10 МГц - в пределах ±0,25 дБ.
Ослабление выходного напряжения - через 1 и 10 дБ.
Выход асимметричный с номинальным выходным сопротивлением 75 Ом при коэффициенте стоячей волны не более 1,2.
4.1.3.2. Блок индикатора измерителя амплитудно-частотных характеристик с осциллографической или цифровой индикацией.
Диапазон частот - от 40 до 800 МГц.
Диапазон измеряемых напряжений - от 0,1 до 100 мВ.
Погрешность измерения напряжения - в пределах ±2 дБ.
Ослабление входного напряжения от 0 до 81 дБ аттенюатором через 1 дБ.
Неравномерность амплитудно-частотной характеристики в полосе 10 МГц - в пределах ±0,25 дБ.
Максимальная скорость автоматического слежения за изменяющейся частотой сигнала - не менее 10 МГц/мс.
Вход асимметричный с номинальным входным сопротивлением 75 Ом при коэффициенте стоячей волны не более 1,2.
Примечание. При отсутствии измерителя амплитудно-частотных характеристик с раздельными блоками генератора и индикатора допускается использование отдельных приборов, удовлетворяющих поставленным требованиям.
4.1.4. Телевизионный демодулятор с основными параметрами по ГОСТ 20532-83.
Минимальный уровень входного радиосигнала, изображения - не более 0,5 мВ.
Примечание. Допускается использование телевизионных демодуляторов с большим значением минимального уровня входного сигнала совместно с усилителем, коэффициент шума которого составляет не более 8 дБ, при условии, что суммарные искажения в тракте усилитель - демодулятор не превышают заданных.
Измененная редакция, (Изм. № 1).
4.1.5. Селективный микровольтметр
Измеряет эффективное значение напряжения радиосигнала изображения в пиках огибающей, немодулированных и ЧМ сигналов.
Диапазон частот - от 40 до 790 МГц.
Диапазон измеряемых напряжений - от 0 до 100 дБ относительно 1 мкВ.
Погрешность установки частоты - в пределах ± 1,5%.
Погрешность измерения напряжения - в пределах ±1 дБ.
Вход асимметричный с номинальным входным сопротивлением 75 Ом при коэффициенте стоячей волны не более 2.
Вертикальный размер осциллограммы - не менее 50 мм.
Коэффициент вертикального отклонения - не менее 100 мВ/см.
Неравномерность амплитудно-частотной характеристики усилителя вертикального отклонения в полосе частот 0-7,5 МГц относительно уровня на частоте 1 МГц - в пределах ±5%.
Время нарастания переходной характеристики - не более 0,03 мкс.
Амплитуда выброса на импульсе с длительностью фронта 0,08 мкс - не более 1%.
Погрешность измерения временных интервалов до 0,02 мкс - в пределах ±5%.
4.1.7. Осциллограф с дифференциальным входом
Вертикальный размер осциллограммы - не менее 50 мм.
Коэффициент вертикального отклонения - не менее 2 мВ/см.
Входное сопротивление - не менее 1,0 МОм, входная емкость - не более 100 пФ.
Смещение линии развертки в вертикальном направлении, обусловленное фоновой помехой от блока питания осциллографа и измеренное при коэффициенте вертикального отклонения 2 мВ/см, - не более 0,2 см.
4.1.8. Измеритель параметров телевизионных тракторов по сигналам испытательных строк
Номинальный уровень входного сигнала - 1 В.
Вход асимметричный с номинальным входным сопротивлением 75 Ом при затухании несогласованности не менее 30 дБ.
Погрешность измерения дифференциального усиления - в пределах ±1%.
Погрешность измерения дифференциальной фазы - в пределах ±1°.
Погрешность измерения отношения сигнала к взвешенному шуму - в пределах ±1 дБ.
4.1.9. Частотомер электронно-счетный с основными параметрами по ГОСТ 7845-79.
4.1.10. Усилитель резонансный с амплитудным детектором и автономным питанием
Диапазон частот - от 40 до 300 МГц, перекрываемый ступенями и плавно.
Вход асимметричный с номинальным входным сопротивлением 75 Ом.
Коэффициент усиления - плавно регулируемый в пределах ±20 дБ.
Максимальный коэффициент усиления - не менее 70 дБ, при нагрузке выхода прибора на сопротивление 100 кОм.
Индикатор настройки - измеритель уровня выходного напряжения с погрешностью измерения в пределах ±10%.
4.1.11. Фильтр нижних частот с частотой среза 1 кГц
Затухание в полосе задерживания - не менее 40 дБ.
4.1.12. Фильтры нижних частот с асимметричным входом и выходом (номинальное значение входного и выходного сопротивлений - 75 Ом) и затуханием в полосе задерживания не менее 40 дБ
4.1.12.1. Частота среза - 76 МГц, полоса задерживания - от 96 МГц.
4.1.12.2. Частота среза- 110 МГц, полоса задерживания - от 130 МГц.
4.1.12.3. Частота среза - 175 МГц, полоса задерживания - от 200 МГц.
4.1.12.4. Частота среза - 310 МГц, полоса задерживания - от 340 МГц.
4.1.12.5. Частота среза - 800 МГц, полоса задерживания - от 850 МГц.
4.1.13. Согласующие устройства с асимметричными входами (выходами), номинальным входным (выходным) сопротивлением 75 Ом при коэффициенте стоячей волны не более 1,3 в диапазоне частот от 40 до 800 МГц.
4.1.13.1. Общее число входов и выходов - 3.
4.1.13.2. Общее число входов и выходов-4.
4.1.14. Делитель напряжения калиброванный по схеме черт. 1.

R1 - 300 Ом±1%; R2-100 кОм±5%
4.1.15. Источник постоянного тока батарейный
Выходное напряжение - плавно регулируемое в пределах от 1 до 4,5 В.
Ток нагрузки - не менее 1 мА.
Полезный объем камеры тепла должен быть не менее чем в 1,5 раза больше суммарного объема всех одновременно испытываемых изделий. Диапазон температуры - от температуры окружающей среды до (55±2) °С. Скорость изменения температуры в камере 2,0 °С в минуту.
Измененная редакция, (Изм. № 1).
Полезный объем камеры холода должен быть не менее чем в 1,5 раза больше суммарного объема всех одновременно испытываемых изделий. Диапазон температур - от температуры окружающей среды до минус (60±2) °С. Скорость изменения температуры в камере 2,0 °С в минуту.
Измененная редакция, (Изм. № 1).
4.2. Подготовка к измерениям
4.2.1. Измерения проводят в климатических условиях, для работы в которых в соответствии с п. 3.7 настоящего стандарта предназначена данная распределительная сеть.
4.2.2. Измерения проводят при напряжении сети
питания, не отличающемся от номинального значения более чем на
% и частоте (50±2) Гц.
4.2.3. Оборудование и измерительную аппаратуру включают не менее чем за 30 мин до начала измерений.
4.2.5. Если на входе распределительной сети установлен аттенюатор, то при подаче на этот вход измерительных радиосигналов его следует исключить.
4.2.6. При отсутствии специальных указаний на вход сети подают радиосигналы изображения и УКВ ЧМ вещания уровнем в пределах диапазона входных уровней данной сети. Если известен уровень радиосигнала, поступающего на вход сети с выхода фидера соответствующей приемной антенны (с учетом затухания, вносимого аттенюатором), измерения рекомендуется проводить при таком же уровне радиосигнала.
4.2.7. Если распределительная сеть имеет несколько входов, то при подаче радиосигнала на один из них остальные должны быть нагружены на сопротивление 75 Ом.
4.2.8. Внешние помехи не должны влиять на результаты измерений.
4.2.9. При измерении параметров распределительной сети необходимо соблюдать требования безопасности в соответствии с действующей нормативно-технической документацией.
4.3. Проведение измерений
4.3.1. Измерение уровней радиосигналов на выходах абонентских розеток (п.п. 1, 3 и 4, табл. 2) проводят с помощью селективного микровольтметра (п. 4.1.5), подключаемого к выходам этих розеток.
Последовательно перестраивая селективный микровольтметр на частоты несущих распределяемых в сети радиосигналов изображения и УКВ ЧМ вещания, измеряют уровни этих несущих. Результаты измерений выражают в децибелах относительно 1 мкВ и проверяют соответствие их требованиям пп. 1, 3 и 4, табл. 2, а также п. 2 этой таблицы.
4.3.2. Измерение неравномерности амплитудно-частотной характеристики (п. 5, табл. 2) проводят по структурной схеме черт. 2

Черт. 2
На вход распределительной сети от блока генератора измерителя амплитудно-частотных характеристик (п. 4.1.3.1) подают сигнал качающейся частоты в полосе частот соответствующего канала, приема или в диапазоне УКВ ЧМ вещания.
Органами управления блока индикатора измерителя амплитудно-частотных характеристик (п. 4.1.3.2) устанавливают режим устойчивого слежения за частотой измеряемого сигнала. На экране индикатора измерителя измеряют и выражают в децибелах отношение максимального уровня амплитудно-частотной характеристики к ее минимальному уровню в полосе частот между несущими изображения и звукового сопровождения канала распределения или в диапазоне УКВ ЧМ вещания.
При использовании блока индикатора измерителя с цифровым отсчетом последовательно через, 0,5-1,0 МГц измеряют уровни сигнала в указанной полосе частот или в диапазоне УКВ ЧМ вещания, отмечают максимальное и минимальное значение и определяют по ним неравномерность амплитудно-частотной характеристики.
Если активные элементы распределительной сети имеют автоматическую регулировку усиления по уровню принимаемого сигнала, измерение повторяют при минимальном и максимальном значениях входного уровня сети.
Примечание. При отсутствии измерителя амплитудно-частотных характеристик с раздельными блоками генератора и индикатора допускается измерять амплитудно-частотную характеристику сети по точкам с помощью генератора (п. 4.1.2) и селективного микровольтметра (п. 4.1.5).
4.3.3. Измерение импульсной характеристики (п. 7, табл. 2) проводят по структурной схеме черт. 3.

Черт. 3
На вход распределительной сети от генератора (п. 4.1.2) подают напряжение несущей изображения канала приема, модулированной периодическим измерительным сигналом № 2 от генератора (п. 4.1.1), содержащим 2Т-импульс (элемент В1), при коэффициенте амплитудной модуляции 50%.
Телевизионный демодулятор (п. 4.1.4), подключенный к выходу абонентской розетки, настраивают на прием радиосигнала изображения в канале распределения. Размах полного телевизионного сигнала на выходе демодулятора устанавливают равным 0,5-1 В.
Измерение импульсной характеристики проводят по синусквадратичному 2Т-импульсу, осциллограмму которого устанавливают в центре экрана осциллографа (п. 4.1.6) таким образом, чтобы уровень черного совпал с осью горизонтальной развертки осциллографа (0%), вершина импульса - с уровнем, принимаемым за единицу (100%), а точки a1 и а2 располагались симметрично относительно вертикальной оси, проходящей через нулевую точку оси времени (черт. 4).

Черт. 4
К-фактор определяют по соответствующему трафарету с нанесенным на нем полем допуска (координаты точек перегиба границ поля допуска для значений К-фактора от 4 до 10% приведены в справочном приложении 2 к ГОСТ 24331-80). При этом скорость развертки осциллографа должна соответствовать временному масштабу трафарета.
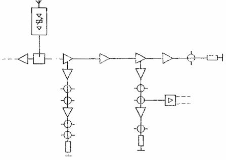
4.3.4. Измерение дифференциального усиления, дифференциальной фазы и отношения сигнала к шуму (пп. 8, 9 и 10а соответственно) проводят по структурной схеме черт. 5.

Черт. 5
На вход распределительной сети с выхода генератора (п. 4.1.2) подают напряжение несущей изображения канала приема, модулированное полным телевизионным сигналом от генератора (п. 4.1.1) с введенными измерительными сигналами I-IV испытательных строк (в активной части поля - сигнал № 2). Уровень радиосигнала изображения на входе распределительной сети устанавливают равным максимальному значению входного уровня сети.
Телевизионный демодулятор (п. 4.1.4), подключенный к выходу абонентской розетки, настраивают на прием радиосигнала изображения в канале распределения, размах полного телевизионного сигнала на выходе демодулятора устанавливают равным 1 В.
В соответствии с инструкцией по эксплуатации измерителя (п. 4.1.8) измеряют в процентах относительно размаха условной цветовой поднесущей на уровне гашения ее максимальные отклонения от этого размаха в сторону больших и меньших значений.
Искомое дифференциальное усиление находят суммированием модулей двух измеренных значений.
Затем измеряют наибольшие положительную и отрицательную разности фаз цветовой поднесущей на разных уровнях сигнала яркости и на уровне гашения.
Искомую дифференциальную фазу находят суммированием модулей двух измеренных разностей фаз.
При измерении отношения сигнала к шуму уровень радиосигнала изображения на входе распределительной сети уменьшают до минимального значения входного уровня. С помощью измерителя (п. 4.1.8) измеряют в децибелах отношение размаха сигнала яркости (от уровня черного до уровня белого) к эффективному значению напряжения взвешенного шума.
Отношение эффективного значения напряжения несущей изображения к эффективному значению напряжения шума определяют уменьшением полученного результата измерения на 3 дБ.
Примечания:
1. До проведения измерений рекомендуется убедиться в том, что параметры комплекта аппаратуры генератор (п. 4.1.2) - телевизионный демодулятор (п. 4.1.4), измеренные по приведенной методике, не хуже следующих: К-фактор - не более 3%, дифференциальное усиление - не более 4%, дифференциальная фаза - не более 4°, отношение сигнала к шуму, измеренное при подаче на вход демодулятора радиосигнала изображения уровнем 2 мВ, - не менее 50 дБ.
2. Если уровень радиосигнала изображения на выходе абонентской розетки меньше 2 мВ, измерение отношения сигнала к шуму следует проводить в линии домовой распределительной сети с соблюдением требований п. 4.2.4 настоящего стандарта.
4.3.5. Измерение отношения сигнала к фоновой помехе (п. 11, табл. 2) проводят по структурной схеме черт 6.

Черт. 6
На вход распределительной сети от генератора (п. 4.1.2) подают напряжение несущей изображения канала приема. Усилитель (п. 4.1.10), подключенный к выходу абонентской розетки, настраивают на несущую изображения канала распределения.
Продетектированное напряжение с выхода усилителя подают через фильтр (п. 4.1.11) и делитель напряжения (п. 4.1.14) на один из входов осциллографа (п. 4.1.7), на второй вход осциллографа подают постоянное напряжение от источника постоянного тока (п. 4.1.15).
Переключатель делителя напряжения устанавливают в положение 1 (черт. 1), регулятором усиления усилителя напряжение на входе осциллографа устанавливают равным 2 В. При максимальной чувствительности усилителя вертикального отклонения осциллографа с помощью источника постоянного тока устанавливают осциллограмму огибающей, обусловленной фоновой модуляцией, в пределах рабочей части экрана и измеряют размах этой огибающей Н в единицах масштабной сетки осциллографа.
Переключатель двигателя напряжения переводят в положение 2 и измеряют смещение огибающей по вертикали h (также в единицах масштабной сетки осциллографа).
Отношение сигнала к фоновой помехе в децибелах определяют по формуле
![]()
Примечание. До проведения измерения рекомендуется убедиться в том, что отношение сигнала к фоновой помехе измерительной установки (при подключении выхода генератора непосредственно ко входу усилителя), измеренное по приведенной методике, составляет не менее 56 дБ (H=h).
4.3.6. Измерение отношения сигнала к помехе комбинационной частоты (п. 12 табл. 2) проводят следующим образом.
4.3.6.1. Измерение отношения сигнала к помехе комбинационной частоты третьего порядка в распределительной сети, содержащей канальные усилители (п. 12а табл. 2), проводят по структурной схеме черт. 7.
На вход сети от трех генераторов (п. 4.1.2) через согласующее устройство (п. 4.1.13.2) и соответствующий фильтр нижних частот (п. 4.1.12), используемый для подавления гармоник генераторов, подают немодулированные сигналы в полосе частот канала приема: на частотах несущей изображения fн.и, несущей звукового сопровождения fн.з и сигнала боковой частоты fб = fн.и + 4,43 МГц.
Уровни этих сигналов на входе сети устанавливают с помощью подключаемого к согласующему устройству (переключатель П в положении 1) селективного микровольтметра (п. 4.1.5) в соответствии с черт. 8 (за 0 дБ принято максимальное значение входного уровня сети).


Селективным микровольтметром (п. 4.1.5), подключенным к выходу абонентской розетки, измеряют напряжение несущей изображения Uн·и канала распределения и напряжение помехи Uп комбинационной частоты fп = fн.и + 2,07 МГц.
Отношение сигнала к помехе комбинационной частоты третьего порядка в сети с канальными усилителями, выраженное в децибелах, определяют по формуле

4.3.6.2. Измерение отношения сигнала к помехе комбинационной частоты третьего порядка в распределительных сетях, содержащих диапазонные или широкополосные усилители (п. 126, табл. 2), проводят по структурной схеме черт. 7.
На вход магистральной сети (после головной станции распределительной сети) от трех генераторов (п. 4.1.2) через согласующее устройство (п. 4.1.13.2) и соответствующий фильтр нижних частот (п. 4.1.12) подают немодулированные сигналы на частоте несущей изображения fн.и одного из телевизионных каналов и на двух отстоящих друг от друга на 2 МГц частотах f1 и f2 в полосе частот другого используемого в усилителе телевизионного канала.
Уровни этих сигналов на входе магистральной сети устанавливают с помощью подключаемого к согласующему устройству (переключатель П в положении 1) селективного микровольтметра (п. 4.1.5) в соответствии с черт. 9 (за 0 дБ принято номинальное значение уровня радиосигнала изображения на выходе головной станции).

Черт. 9
Селективным микровольтметром (п. 4.1.5), подключенным к выходу абонентской розетки, измеряют напряжение несущей изображения Uн.и на частоте fн.и и напряжения помех Uп1 и Uп2 на частотах fн.и +2 МГц и fн.и -2 МГц соответственно.
Отношение сигнала к помехе комбинационной частоты третьего порядка в сети с диапазонными или широкополосными усилителями, выраженное в децибелах, определяют по формуле
,
где Uп - наибольшее из двух измеренных значений Uп1 и Uп2.
Если в диапазонном (широполосном) усилителе используется более двух каналов, то подаваемые на вход магистральной сети напряжения увеличивают на К дБ
K=7,5 lg(n-1),
где п - число используемых в усилителе каналов.
Измерения повторяют, подавая сигналы на частотах f1 и f2 в полосы частот других используемых сигналов.
За отношение сигнала к помехе комбинационной частоты принимают наименьшее из полученных значений.
4.3.6.3. Измерение отношения сигнала к помехе комбинационной частоты второго порядка в распределительных сетях, содержащих диапазонные или широкополосные усилители (п. 12в, табл. 2), проводят по структурной схеме черт. 10.

Черт. 10
На вход магистральной сети (после головной станции распределительной сети) от двух генераторов (п. 4.1.2) через согласующее устройство (п. 4.1.13.1) и соответствующий фильтр нижних частот (п. 4.1.12) подают в полосе пропускания усилителя немодулированные сигналы частотой f1 и f2, значения которых выбирают таким образом, чтобы помеха на частотах fп1=f1+f2 и fп2= f2-f1 также находились в полосе пропускания усилителя (черт. 11).
Уровни обоих сигналов на входе магистральной сети устанавливают с помощью подключаемого к согласующему устройству (переключатель П в положении 1) селективного микровольтметра (п. 4.1.5) равными номинальному значению уровня радиосигнала изображения на выходе головной станции.
Селективным микровольтметром (п. 4.1.5), подключенным к выходу абонентской розетки, измеряют напряжение сигнала U частотой f1 либо f2 и напряжения помех Uп1 и Uп2 на частотах fп1 и fп2 соответственно.

Отношение сигнала к помехе комбинационной частоты второго порядка в сети с диапазонными и широкополосными усилителями, выраженное в децибелах, определяют по формуле
,
где Uп - наибольшее из двух измеренных значений Uп1 и Uп2.
Измерения повторяют при других значениях частот f1 и f2. За отношение сигнала к помехе комбинационной частоты принимают наименьшее из полученных значений.
Примечание. До проведения измерений рекомендуется убедиться в том, что отношение сигнала к помехе комбинационной частоты измерительной установки (исключая объект измерения) не менее чем на 10 дБ превышает нормируемые настоящим стандартом.
4.3.7. Измерение вносимой нестабильности частоты (п. 14, табл. 2) проводят на конверторах головной станции распределительной сети.
Конвертор помещают в камеру тепла (п. 4.1.16), постепенно повышают температуру в камере до +35°С и выдерживают конвертор при этой температуре в течение 60 мин. По истечении указанного времени конвертор вынимают из камеры, подают на его вход от генератора (п. 4.1.2) напряжение несущей изображения канала приема, частоту которой устанавливают равной ее номинальному значению по частотомеру (п. 4.1.9).
С помощью частотомера измеряют частоту несущей изображения канала преобразования на выходе конвертора при напряжении питающей сети, равному номинальному значению, повышенному на 10% и пониженному на 15%. Измерения должны быть завершены не более чем на 20 мин после изъятия конвертора из камеры тепла.
Затем конвертор помещают в камеру холода (п. 4.1.17), плавно понижают температуру в камере до +1°С, выдерживают конвертор при этой температуре в течение 60 мин, после чего повторяют измерения.
По результатам проведенных измерений определяют в килогерцах максимальное отклонение частоты несущей изображения канала преобразования в сторону больших и меньших значений от ее номинального значения.
4.3.8. Развязку между выходами одной или двух любых абонентских розеток (п. 15, табл. 2) измеряют при отсутствии распределяемых радиосигналов в домовой распределительной сети.
На выход любой абонентской розетки от генератора (п. 4.1.2) подают напряжение несущей изображения уровнем 100 мВ Селективным микровольтметром (п. 4.1.5), настроенным на частоту этой несущей, измеряют напряжение на другом выходе этой розетки и на обоих выходах других абонентских розеток. Измерения проводят на частотах несущих изображения всех телевизионных каналов, используемых в данной сети для распределения радиосигналов вещательного телевидения.
Значение развязки в децибелах определяют по наибольшему из полученных результатов измерений по формуле
,
где U - эффективное значение напряжения, измеренного селективным микровольтметром в милливольтах (если селективный микровольтметр отградуирован в децибелах относительно 1 мкВ, то а=100-U, дБ)
При проверке распределительной сети на соответствие требованиям п. 15б, табл. 2 напряжение от генератора частотой 74 и 81 МГц подают на выход любой абонентской розетки, предназначенный для подключения радиоприемника. Селективным микровольтметром измеряют напряжение сигналов указанных частот на втором выходе этой розетки и на выходе для подключения телевизора других абонентских розеток.
Для уменьшения погрешности измерения рекомендуется откалибровать селективный микровольтметр в диапазоне измеряемых им по настоящей методике напряжений по генератору.
Измененная редакция, (Изм. № 1).
Система коллективного приема с одноступенчатой распределительной сетью и одним усилителем
Категория 1.1

Черт. 1
Система коллективного приема с одноступенчатой распределительной сетью и двумя последовательно включенными усилителями
Категория 1.2

Черт. 2
Крупная система коллективного приема с двухступенчатой распределительной сетью
Категория 2

Черт. 3
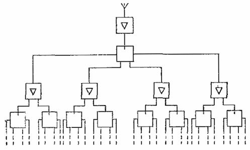
Крупная система коллективного приема или система кабельного телевидения с трехступенчатой распределительной сетью
Категория 3

Черт. 4
Усилительные устройства приемной системы телевидения и радиовещания различают.
По расположению в распределительной сети:
антенный усилитель;
усилитель головной станции;
линейный усилитель (магистральный, субмагистральный усилитель) - усилитель для компенсации и коррекции затухания соединительных линий магистральной и субмагистральной сети;
усилитель домовой распределительной сети - усилитель для компенсации затухания домовой распределительной сети.
По диапазону рабочих частот:
канальный усилитель - усилитель сигналов определенною телевизионною или УКВ ЧМ канала;
диапазонный усилитель - усилитель сигналов определенного диапазона частот;
шарикополосный усилитель - усилитель сигналов как минимум двух диапазонов частот.
По способу регулировки усиления:
усилитель без регулировки усиления;
усилитель с ручной регулировкой усиления;
усилитель с автоматической регулировкой усиления.
По способу электропитания:
усилитель с местным питанием;
усилитель с дистанционным питанием;
усилитель с местным и дистанционным питанием.
Субъективная оценка качества телевизионного изображения проводится путем наблюдения изображения на экране телевизионного приемника не менее чем десятью наблюдателями.
Наблюдение проводится при передаче испытательной таблицы на расстоянии около шести высот экрана при регуляторах яркости и контрастности, установленных в положения, позволяющие различать максимальное число градаций яркости при отсутствии прямой засветки экрана внешними источниками света.
Качество изображения оценивается по пятибалльной шкале в соответствии с таблицей
|
Оценка (балл) |
Качество изображения |
Ухудшение качества |
|
5 |
Отличное |
Незаметно |
|
4 |
Хорошее |
Заметно, но не мешает |
|
3 |
Удовлетворительное |
Немного мешает |
|
2 |
Неудовлетворительное |
Мешает |
|
1 |
Непригодное |
Сильно мешает |
1. Основные параметры усилителей и конверторов:
диапазон рабочих частот;
коэффициент усиления;
наличие и способ регулировки усиления;
неравномерность амплитудно-частотной характеристики;
КСВ в диапазоне рабочих частот;
максимальный уровень радиосигнала на выходе;
эффективная мощность мешающего излучения; норма и метод измерения по ГОСТ 22505-83 (только для конверторов);
коэффициент шума;
нестабильность частоты гетеродина (только для конверторов);
избирательность (только для конверторов и канальных усилителей);
напряжение питания;
потребляемая мощность;
масса;
условия эксплуатации.
Примечания:
1. Максимальный уровень радиосигнала на выходе активных устройств определяется при отношении радиосигнала изображения к помехе комбинационной частоты, указанном в таблице.
2. При усилении более двух телевизионных каналов максимальный уровень сигнала на выходе усилителя снижается ориентировочно на 3 дБ при каждом удвоении числа каналов.
3. При последовательном включении усилителей максимальный уровень сигнала на выходе усилителя снижается ориентировочно на 3 дБ при каждом удвоении числа последовательно включенных устройств.
|
Устройство |
Отношение радиосигнала изображения к помете комбинационной частоты, дБ, не менее |
||
|
1МАIII(к) |
1МАIII(в) |
1МАII(в) |
|
|
Канальный телевизионный усилитель, конвертор |
54 |
- |
- |
|
Диапазонный или широкополосный телевизионный усилитель |
- |
60 |
55* |
|
Диапазонный усилитель УКВ ЧМ вещания |
- |
50 |
- |
* Относится только к новым разработкам. Значение и метод измерения уточняются.
2. Основные параметры абонентских розеток:
диапазон рабочих частот;
проходное затухание;
КСВ со стороны входа и выходов;
развязка;
основные размеры;
масса.
3. Основные параметры распределителей:
исполнение (предпочтительно на 2, 3 и 4 направления);
диапазон рабочих частот;
затухание разветвления;
развязка, КСВ со стороны входа и ответвлений;
масса.
4. Основные параметры направленных ответвителей:
количество подключаемых ответвленных линий;
диапазон рабочих частот;
проходное затухание;
переходное затухание от входа к каждому отводу;
коэффициент защиты отвода от отраженной волны;
КСВ со стороны входа, выхода и отводов;
развязка;
масса.
5. Основные параметры фильтров:
полоса пропускаемых или заграждаемых частот;
проходное затухание;
затухание в полосе заграждения;
КСВ со стороны входа и выходов (выхода);
неравномерность амплитудно-частотной характеристики;
масса.
6. Основные параметры аттенюаторов:
исполнение (постоянный или переменный);
проходное затухание;
КСВ со стороны входа и выхода;
масса.
Примечание. Окончательный перечень нормируемых параметров определяется соответствующими техническими условиями.
В распределительной сети рекомендуется использовать кабели, затухания которых указаны в таблице.
|
Допустимое затухание а, дБ/100 м |
Допускаемое отклонение волнового сопротивления от номинального значения, Ом |
Область применения |
|
а£2,5 |
±2,0 |
Магистральные линии |
|
2,5<а£4,0 4,0<а£8,0 8,0<a£l3,0 |
±2,0 ±2,5 ±3,0 |
Субмагистральные линии и линии домовых распределительных сетей |
|
13,0<a£21,0 |
±5,0 |
Абонентские линии |
Примечание. Затухание кабеля измеряется на частоте 200 МГц при температуре окружающей среды 20°С.
1. Приемная система телевидения и радиовещания - совокупность технических средств для приема радиосигналов вещательного телевидения, радиосигналов УКВ ЧМ вещания и распределения этих (и других) радиосигналов по кабелю.
2. Система коллективного приема телевидения - приемная система телевидения и радиовещания, выполненная по одноступенчатой схеме и предназначенная для обслуживания одного или нескольких близкостоящих зданий.
3. Крупная система коллективного приема телевидения - приемная система телевидения и радиовещания, выполненная по двух или трехступенчатой схемам и предназначенная для обслуживания нескольких зданий одного района или больших жилых районов.
4. Система кабельного телевидения - приемная система телевидения и радиовещания, выполненная по трехступенчатой (или с большим числом ступеней) схеме, предназначенная для обслуживания больших жилых районов или нескольких жилых районов крупных городов и обеспечивающая возможность однонаправленной или двухнаправленной передачи внутрисистемных сигналов.
5. Распределительная сеть - часть приемной системы телевидения и радиовещания от выхода фидера приемной антенны до выхода абонентской розетки (при отсутствии абонентской розетки - до штекера, предназначенного для подключения к абонентским устройствам).
Примечание. В зависимости от числа абонентов и размера обслуживаемой территории распределительная сеть может состоять из нескольких ступеней магистральной, субмагистральной и домовой распределительной сети
6. Головная станция - совокупность устройств, обеспечивающих обработку (усиление, преобразование частоты, стабилизацию уровней и т.п.) радиосигналов вещательного телевидения и УКВ ЧМ вещания, поступающих с выходов приемных антенн, формирование стандартных вещательных радиосигналов (в случае подачи программ телевидения и звукового вещания на головную станцию по специальным линиям связи) и внутрисистемных сигналов.
Примечание. Входами головной станции являются входные устройства для подключения фидеров приемных антенн (или специальных линий связи), выходом - выходное устройство для подключения линий распределительной сети.
7. Магистральная сеть - совокупность устройств распределительной сети, соединяющих головную станцию с линиями субмагистральной сети.
8. Субмагистральная сеть - совокупность устройств распределительной сети, соединяющих магистральные линии с пунктами домового ввода.
9. Домовой ввод - место соединения домовой распределительной сети с магистральной или субмагистральной линиями.
10. Пункт домового ввода - совокупность устройств, обеспечивающих подачу сигналов от магистральной или субмагистральной линии в домовую распределительную сеть.
11. Домовая распределительная сеть - совокупность устройств, обеспечивающих подачу сигналов от пункта домового ввода или выводов фидеров приемных антенн до абонентских розеток включительно.
12. Магистральная линия - соединительная линия в магистральной сети.
13. Субмагистральная линия - соединительная линия в субмагистральной сети.
14. Линия домовой распределительной сети - линия, предназначенная для питания абонентских линий домовой распределительной сети.
15. Абонентская линия - линия, соединяющая ответвитель домовой распределительной сети с абонентской розеткой или, в случае ее отсутствия, со штекером, предназначенным для подключения к абонентским устройствам.
16. Внутрисистемные сигналы - сигналы, используемые для измерительных целей, телеуправления, передачи местных программ и другой информации.
17. Однонаправленная передача радиосигналов - передача радиосигналов вещательного телевидения и УКВ ЧМ вещания, а также внутрисистемных сигналов от головной станции абонентам.
18. Двухнаправленная передача радиосигналов - одновременная передача радиосигналов по распределительной сети от головной станции абонентам и от абонентов на головную станцию.
19. Канал распределения радиосигналов - канал, в котором осуществляется передача радиосигнала вещательного телевидения в распределительной сети приемной системы, если на ее головной станции преобразование принимаемого радиосигнала не производится, то каналом распределения является канал приема.
20. Обратный канал - канал в специальном диапазоне частот, предназначенный для передачи на головную станцию внутрисистемных сигналов.
21. Пилотное регулирование радиосигналов - способ автоматического регулирования уровней радиосигналов, основанный на использовании пилотных радиосигналов, вводимых в распределительную сеть на головной станции.
22. Специальные каналы - каналы в специальном диапазоне частот, используемые для распределения радиосигналов вещательного телевидения, радиосигналов УКВ ЧМ вещания и внутрисистемных сигналов.
23. Ответвитель - элемент распределительной сети, предназначенный для ответвления части энергии радиосигналов из линии в одну или несколько ответвленных линий.
24. Распределитель (разветвитель) - элемент распределительной сети, обеспечивающий деление на равные части энергии радиосигнала для распределения в нескольких направлениях.
25. Выравниватель затухания - элемент, обеспечивающий выравнивание частотно-зависимого затухания в распределительной сети.
26. Абонентская розетка - элемент для подключения с помощью абонентского шнура абонентских устройств.
27 Абонентский шнур - переносной гибкий соединительный кабель для подключения к абонентской розетке бытовой аппаратуры.
28. Проходное затухание - затухание сигнала, вносимое элементом в полосе пропускания.
29. Затухание в полосе задержания - затухание сигнала, вносимое элементом в полосе задержания.
30. Затухание разветвления - затухание сигнала, вносимое распределителем (разветвителем) в направлении от входа к каждому из выходов при условии нагрузки всех остальных выходов сопротивлением, равным 75 Ом.
31. Переходное затухание от входа к отводу - затухание сигнала в направлении от входа устройства к данному отводу при условии нагрузки выхода и всех остальных отводов сопротивлением, равным 75 Ом.
32. Коэффициент защиты отвода от отраженной волны - затухание сигнала между выходом устройства и отводом при условии нагрузки входа и всех остальных отводов сопротивлением, равным 75 Ом.
33. Развязка (в распределителе или направленном ответвителе) - затухание сигнала между двумя выходами (отводами) устройствами при условии нагрузки входа и остальных выходов сопротивлением, равным 75 Ом.
34. Развязка между абонентскими выходами - затухание сигнала между двумя любыми абонентскими выходами.
35. Уровень радиосигнала - выраженное в децибелах отношение напряжения несущей, измеренное на сопротивлении, равном 75 Ом, к опорному напряжению 1 мкВ и обозначаемое дБ/мкВ.
Примечание. Уровень радиосигнала УКВ ЧМ вещания определяется эффективным значением напряжения несущей, а уровень радиосигнала изображения - эффективным значением напряжения несущей изображения во время передачи синхронизирующего импульса.
36. Диапазон входных уровней радиосигнала изображения (радиосигнала УКВ ЧМ вещания) распределительной сети - область между минимальным и максимальным значениями уровней, в пределах которой обеспечивается (без применения аттенюаторов) выполнение требований настоящего стандарта.
37. Отношение сигнала к шуму - отношение эффективного значения напряжения несущей изображения к эффективному значению напряжения шума (при эффективной полосе шумов 5,75 МГц).
38. Отношение сигнала к помехе комбинационной частоты - выраженное в децибелах отношение выходного уровня сигнала несущей к максимальному выходному уровню комбинационных помех в диапазоне рабочих частот и обозначаемое:
1МАIII(к) - для отношения сигнала к помехе комбинационной частоты третьего порядка, измеренного по методу трех генераторов в сетях с канальными телевизионными усилителями;
1МАIII(в) - для отношения сигнала к помехе комбинационной частоты третьего порядка, измеренного по методу трех генераторов в сетях с диапазонными или широкополосными усилителями;
1МАII(в) - для отношения сигнала к помехе комбинационной частоты второго порядка, измеренного по методу двух генераторов в сетях с широкополосными усилителями.
39. Отношение сигнала к фоновой помехе - отношение размаха несущей к размаху одной из огибающих, обусловленных фоновой модуляцией.
40. Максимальный уровень сигнала на выходе активного устройства - максимально допустимый уровень сигнала на выходе устройства, нагруженного сопротивлением 75 Ом, при котором выдерживается заданное отношение сигнала к помехам комбинационных частот.
|
Понятие |
Изображение |
Примечание |
|
Соединительная линия |
|
l - длина соедини тельной линии в метрах |
|
Усилитель |
|
- |
|
Канальный усилитель |
|
n - номер канала, сигналы которого усиливает усилитель |
|
Диапазонный усилитель |
|
N - номер рабочего диапазона частот |
|
Широкополосный усилитель |
|
- |
|
Усилитель с автоматической регулировкой усиления и мостовым выходом |
|
- |
|
Конвертор |
|
k - номер конвертируемого канала, m - номер канала, в который производится конвертирование |
|
Полосовой фильтр |
|
- |
|
Разветвитель на четыре направления |
|
- |
|
Разветвитель на два направления |
|
- |
|
Абонентская розетка |
|
- |
|
Направленный ответвитель |
|
- |
|
Аттенюатор |
|
а - вносимое затухание в дБ |
|
Головная станция |
|
- |