
ГОСУДАРСТВЕННЫЙ СТАНДАРТ СОЮЗА ССР
ЕДИНАЯ СИСТЕМА ТЕХНОЛОГИЧЕСКОЙ ДОКУМЕНТАЦИИ
ФОРМЫ И ПРАВИЛА ОФОРМЛЕНИЯ ТЕХНОЛОГИЧЕСКИХ ДОКУМЕНТОВ, ПРИМЕНЯЕМЫХ ПРИ НОРМИРОВАНИИ РАСХОДА МАТЕРИАЛОВ
ГОСТ 3.1123-84
ГОСУДАРСТВЕННЫЙ КОМИТЕТ СССР ПО СТАНДАРТАМ
Москва
РАЗРАБОТАН Государственным комитетом СССР по стандартам
ИСПОЛНИТЕЛИ
В. Ф. Курочкин, канд. техн. наук; Ю. Я. Венгеровский, канд. техн. наук; Б. С. Мендриков; Е. А. Лобода; Н. П. Корченков
ВНЕСЕН Государственным комитетом СССР по стандартам
Член Госстандарта В. Н. Шахурин
УТВЕРЖДЕН и ВВЕДЕН В ДЕЙСТВИЕ Постановлением Государственного комитета СССР по стандартам от 19 декабря 1984 г. № 4728
ГОСУДАРСТВЕННЫЙ СТАНДАРТ СОЮЗА ССР
|
Единая система технологической документации ФОРМЫ И ПРАВИЛА ОФОРМЛЕНИЯ ТЕХНОЛОГИЧЕСКИХ ДОКУМЕНТОВ, ПРИМЕНЯЕМЫХ ПРИ НОРМИРОВАНИИ РАСХОДА МАТЕРИАЛОВ Unified system for technological documentation. Forms and rules for drawing up documents used in setting of proper rates of material consumption |
ГОСТ 3.1123-84 |
Постановлением Государственного комитета СССР по стандартам от 19 декабря 1984 г. № 4728 срок введения установлен
с 01.01.86
Настоящий стандарт устанавливает формы и правила оформления технологических документов для указания норм расхода материалов (за исключением драгоценных металлов) при изготовлении или ремонте изделий в условиях технологической подготовки основного и вспомогательного производств и разрабатываемых с применением различных методов проектирования:
ведомости материалов (ВМ);
ведомости специфицированных норм расхода материалов (ВСН);
ведомости удельных норм расхода материалов (ВУН);
комплектовочной карты (КК).
1.1. Оформление форм, бланков и документов - по ГОСТ 3.1104-81.
1.2. При заполнении форм документов используют способ, при котором информацию вносят построчно несколькими типами строк. Каждому типу строки соответствует свой служебный символ.
1.3. Указание соответствующих служебных символов для типов строк, в зависимости от размещаемого состава информации, в графах форм документов следует выполнять в соответствии с табл. 1.
Таблица 1
|
Обозначение служебного символа |
Содержание информации, вносимой в графы, расположенные на строках |
|
В |
Номер цеха, участка, рабочего места, где выполняется операция, номер операции, код и наименование операции |
|
К |
Информация по комплектации изделия (сборочной единицы) составными частями с указанием номера цеха, участка, рабочего места, операции, позиции, наименования деталей, сборочных единиц, их обозначений, обозначения подразделений, откуда поступают комплектующие составные части, когда единицы величины, единицы нормирования, количества на изделие и нормы расхода (применяется только для форм КК с горизонтальным расположением поля подшивки) |
|
Л |
Информация по комплектации изделия (сборочной единицы) составными частями с указанием позиции, наименования деталей, сборочных единиц или материала (применяется только для форм КК с вертикальным расположением поля подшивки) |
|
М |
Информация о применяемом основном материале и исходной заготовке, информация о применяемых вспомогательных и комплектующих материалах с указанием наименования и кода материала, обозначения подразделений, откуда поступают материалы, код единицы величины, единицы нормирования, количества на изделие, норма расхода и коэффициент использования материала |
|
Н |
Информация по комплектации изделия (сборочной единицы) составными частями с указанием обозначения деталей, сборочных единиц, обозначения подразделений, откуда поступают комплектующие составные части, кода единицы величины, единицы нормирования, количества на изделие и нормы расхода (применяется только для формы КК с вертикальным расположением поля подшивки) |
|
П |
Информация о входимости данной детали (сборочной единицы в изделие, о количестве деталей в сборочной единице, в изделии, норма расхода |
|
С |
Номер по порядку, наименование и обозначение детали, сборочной единицы по конструкторскому документу |
|
Ш |
Информация о технологическом маршруте изготовления (ремонта) изделия (составной части изделия), дополнительные данные, относящиеся к маршруту прохождения (применяется только при разработке ВМ) |
|
Я |
Информация о количестве деталей, подаваемых при разовой подаче, общей подаче и подаче за такт |
1.4. Для разработки ВСН, ВУН и КК допускается применять формы 2, 1б, 4 и 3б МК по ГОСТ 3.1118-82, в этом случае графы в строке со служебным символом «Б» не заполняются; для ВСН и ВУН также не заполняются графы 33 и 34.
(Измененная редакция, Изм. № 1).
2.1. ВМ разрабатывают на одном из первых этапов технологической подготовки производства при постановке изделия на производство.
2.2. ВМ следует разрабатывать на изделие в целом или на его составные части на основе данных, содержащихся в конструкторской и (или) технологической документации.
2.3. Для разработки ВМ следует применять формы 1 и 1а, 2 и 2а, а при распечатке на АЦПУ ЭВМ формы 3 и 3а, рассчитанные на 128 символов.
В целях рационального размещения информации на формах 3 и 3а допускается:
переносить информацию о количестве деталей на изделие и норме расхода на изделие (графы 18 и 19) со строки с символом П на строку с символом М;
использовать графу 22 для указания информации по технологическому маршруту, а строку, имеющую служебный символ Ш не применять.
2.4. Исходя из состава решаемых задач на этапе подготовки бланков ВМ к размножению или при их распечатке допускается:
исключать строку, имеющую служебный символ Ш;
для форм 1 и 1а не заполнять графы 16 и 17;
для форм 2 и 2а исключать строку, имеющую служебный символ П с переносом граф 18 и 19 на строку с символом С.
2.5. Запись информации в ВМ следует производить по разделам в следующем порядке:
сборочные единицы;
детали;
материалы;
комплекты.
Наличие разделов определяется составом изделия.
2.6. В разделы «Сборочные единицы», «Детали» и «Комплекты» вносят данные по сборочным единицам (в том числе и по покупным), деталям и комплектам, непосредственно входящих в изделие, а также по комплектам к изделию.
2.7. В раздел «Материалы» вносят данные о материалах, указанных в спецификациях сборочных единиц, комплектов, в технических требованиях на чертежах и в технологической документации.
Допускается нормирование вспомогательных материалов производить как на отдельные детали, сборочные единицы, так и на изделие.
2.8. Графы форм следует заполнять в соответствии с табл. 2.
Таблица 2
|
Номер графы |
Наименование (условное обозначение) графы |
Содержание графы |
|
1 |
- |
Обозначение служебного символа и порядковый номер строки. Запись выполняют на уровне одной строки, например М02, П05 |
|
|
|
Допускается при указании номера строки в пределах от 01 до 09 применять вместо 0 знак Ø, например, МØ2, ПØ5 |
|
2 |
нпп |
Номер по порядку |
|
3 |
Обозначение ДСЕ |
Обозначение детали или сборочной единицы по конструкторскому документу |
|
4 |
Наименование ДСЕ |
Наименование детали или сборочной единицы по конструкторскому документу |
|
5 |
Наименование, марка |
Наименование, сортамент, размер и марка материала, обозначение стандарта, технических условий. Запись выполняют в одну строку с применением разделительного знака «/», например Лист Б-ПН-0-4,0´ 1000´2000 ГОСТ 19903-74/ВСт2кп 2 ГОСТ 14637-79 |
|
6 |
Код |
Код материала по классификатору |
|
7 |
ЕВ |
Код единицы величины (массы, длины, площади и т. п.) детали, заготовки, материала по Классификатору СОЕИ. Допускается указывать единицу измерения величины |
|
8 |
МД |
Масса детали по конструкторскому документу |
|
9 |
ЕН |
Единица нормирования, на которую установлена норма расхода материала, например 1, 10, 100 |
|
10 |
Н. расх. |
Норма расхода материала на деталь |
|
11 |
КИМ |
Коэффициент использования материала |
|
12 |
Код загот. |
Код заготовки по классификатору. Допускается указывать вид заготовки (отливки, прокат, поковки и т. п.) |
|
13 |
Профиль и размеры |
Профиль и размеры исходной заготовки Допускается профиль не указывать |
|
14 |
КД |
Количество деталей, изготавливаемых из одной заготовки |
|
15 |
МЗ |
Масса заготовки |
|
16 |
Куда входит |
Обозначение сборочной единицы или изделия, куда входит деталь, сборочная единица |
|
17 |
КСЕ |
Количество деталей одного обозначения, входящих в сборочную единицу. Примечание. Допускается не заполнять в случае отсутствия информации о входимости деталей в сборочные единицы |
|
18 |
КИ |
Количество деталей или сборочных единиц одного обозначения, входящих в изделие |
|
19 |
Н. расх. |
Норма расхода материала на изделие |
|
20 |
Маршрут |
Перечень условных обозначений структурных подразделений конкретной организации (предприятия), специализированных по технологическим методам изготовления (ремонта) изделия (составной части изделия), материалов, комплектов в технологической последовательности их участия и в соответствии с выбранным маршрутом. |
|
|
|
Примечания: 1. Условное обозначение структурных подразделений следует применять в соответствии с порядком, установленным в отрасли (организации, предприятии). 2. В состав структурного обозначения допускается вводить: номер цеха, номер участка, номер рабочего места. Например,
3. Данные в графе следует указывать через разделительный знак «;» |
|
21, 22 |
|
Графы для особых указаний, порядок заполнения которых устанавливается отраслевыми НТД |
(Измененная редакция, Изм. № 1).
2.9. Размеры граф форм следует выбирать в соответствии с табл. 5, исходя из шага печатающих устройств 2,6 мм.
2.10. Пример оформления ВМ приведен в рекомендуемом приложении.
3.1. Для разработки ВСН и ВУН следует применять унифицированные формы 4 и 4а или 5 и 5а, при этом в графе 28 блока Б6 основной надписи следует проставлять условное обозначение и ВСН и ВУН, заключив ВУН в скобки. Условное обозначение разрабатываемого документа необходимо подчеркнуть.
(Измененная редакция, Изм. № 1).
3.2. ВСН следует разрабатывать на изделие в целом.
3.3. ВУН следует разрабатывать на отдельные виды растворов, компонентов и т. п., а также при необходимости к типовым или групповым технологическим процессам (операциям), предусматривающим нанесение или получение различных видов покрытий.
Необходимость применения и разработки ВУН определяет разработчик документов.
3.4. Исходя из состава решаемых задач в формах ВСН (ВУН) допускается исключать строку, имеющую служебный символ В.
3.5. Графы форм следует заполнять в соответствии с табл. 3.
Таблица 3
|
Номер графы |
Наименование (условное обозначение) графы |
Содержание графы |
|
1 |
- |
Следует заполнять так же, как соответствующую графу формы 1 |
|
2 |
Цех |
Номер (код) цеха, в котором выполняется операция |
|
3 |
Уч. |
Номер (код) участка, конвейера, поточной линии и т. п. |
|
4 |
РМ |
Номер (код) рабочего места |
|
5 |
Опер. |
Номер операции (процесса) в технологической последовательности изготовления или ремонта изделия (включая контроль и перемещение) |
|
6 |
Код, наименование операции |
Код операции по технологическому классификатору операций (ТКО), наименование операции |
|
7 |
НПП |
Номер по порядку. Допускается для ВСН графу не заполнять |
|
8-10 |
|
Следует заполнять так же, как графы 5-7 формы 1 |
|
11, 12 |
|
Следует заполнять так же, как графы 9-10 формы 1 |
|
13 |
|
Графа для особых указаний и указания дополнительных реквизитов. Порядок и необходимость заполнения графы устанавливается отраслевыми НТД |
3.6. Размеры граф форм ВСН (ВУН) следует выбирать в соответствии с табл. 5, исходя из шага печатающих устройств 2,6 мм.
3.7. Пример оформления ВСН (ВУН) приведен в рекомендуемом приложении.
4.1. КК следует разрабатывать на различные технологические процессы (операции) сборки изделий и их составных частей.
Допускается разрабатывать КК для указания данных по расходу вспомогательных материалов к комплектам документов на различные процессы других технологических методов.
4.2. Для разработки КК следует применять формы 6 и 6а или 7 и 7а. Выбор соответствующих форм определяет разработчик документов.
4.3. Исходя из состава решаемых задач в формах КК допускается исключать строку, имеющую служебный символ Я.
4.4. Для документов, заполняемых рукописным способом или с помощью печатающей машинки и не подлежащих обработке средствами механизации и автоматизации, допускается не проставлять служебный символ на последующих строках, несущих ту же информацию для одной и той же операции, на данном листе документа.
4.5. Графы форм следует заполнять в соответствии с табл. 4.
Таблица 4
|
Номер графы |
Наименование (условное обозначение) графы |
Содержание графы |
|
1-6 |
|
Следует заполнять так же, как соответствующие графы формы 4 или 5 |
|
7 |
- |
Графа для особых указаний Порядок заполнения и обязательность заполнения устанавливается отраслевыми НТД |
|
8 |
Поз. |
Номер позиции по конструкторскому документу или эскизу |
|
9 |
Наименование ДСЕ или материала. Для форм 7 и 7а допускается писать: Наименование ДСЕ или материала |
Наименование деталей, сборочных единиц, материалов, применяемых при выполнении операции |
|
10 |
Обозначение, код |
Обозначение деталей, сборочных единиц по конструкторскому документу или материала по классификатору |
|
11 |
ОПП |
Обозначение подразделения (склада, кладовой и т. п.), откуда поступают комплектующие детали, сборочные единицы или материалы, при разборке - куда поступают |
|
12 |
ЕВ |
Следует заполнять так же, как графу 7 формы 1 |
|
13 |
ЕН |
Следует заполнять так же, как графу 9 формы 1 |
|
14 |
КИ |
Количество деталей, сборочных единиц, применяемых при сборке изделия, при разборке - количество получаемых |
|
15 |
Н. расх. |
Норма расхода материала или количество комплектующих изделий |
|
16 |
- |
Графа для особых указаний. Порядок заполнения графы и обязательность заполнения устанавливается отраслевыми НТД |
|
17* |
Раз. п. |
Разовая подача - количество деталей или сборочных единиц, одновременно подаваемых на рабочее место и необходимых для обеспечения такта выпуска изделия |
|
18* |
Общ. п. |
Общая подача на смену - количество деталей, сборочных единиц, материалов подаваемых на рабочее место за одну смену |
|
19* |
Такт п. |
Такт подачи - интервал времени, через который периодически производится разовая подача деталей, сборочных единиц, необходимых для сборки |
* Графы заполняются для конвейерной или другой поточной сборки.
(Измененная редакция, Изм. № 1).
4.6. Размеры граф форм КК следует выбирать в соответствии с табл. 5, исходя из шага печатающего устройства 2,6 мм.
4.7. Пример оформления КК приведен в рекомендуемом приложении.
Таблица 5
|
Номер графы |
Размеры граф в формах документов |
||||||
|
мм |
Количество знаков |
мм |
Количество знаков |
мм |
Количество знаков |
||
|
1 |
13,0 |
5 |
13,0 |
5 |
13,0 |
5 |
|
|
|
13,0 |
5 |
13,0 |
5 |
13,0 |
5 |
|
|
|
13,0 |
5 |
|
|
|
|
|
|
2 |
10,4 |
4 |
10,4 |
4 |
10,4 |
4 |
|
|
|
10,4 |
4 |
10,4 |
4 |
10,4 |
4 |
|
|
|
10,4 |
4 |
|
|
|
|
|
|
3 |
59,8 |
23 |
10,4 |
4 |
10,4 |
4 |
|
|
|
59,8 |
23 |
10,4 |
4 |
10,4 |
4 |
|
|
|
59,8 |
23 |
|
|
|
|
|
|
4 |
80,6 |
31 |
13,0 |
5 |
10,4 |
4 |
|
|
|
202,8 |
78 |
10,4 |
4 |
10,4 |
4 |
|
|
|
249,6 |
96 |
|
|
|
|
|
|
5 |
150,8 |
58 |
13,0 |
5 |
13,0 |
5 |
|
|
|
273,0 |
105 |
13,0 |
5 |
13,0 |
5 |
|
|
|
319,8 |
123 |
|
|
|
|
|
|
6 |
33,8 |
13 |
122,2 |
47 |
98,8 |
38 |
|
|
|
33,8 |
13 |
228,8 |
88 |
- |
- |
|
|
|
33,8 |
13 |
|
|
|
|
|
|
7 |
10,4 |
4 |
10,4 |
4 |
26,0 |
10 |
|
|
|
10,4 |
4 |
10,4 |
4 |
- |
- |
|
|
|
10,4 |
4 |
|
|
|
|
|
|
8 |
26,0 |
10 |
158,6 |
61 |
10,4 |
4 |
|
|
|
26,0 |
10 |
135,2 |
52 |
10,4 |
4 |
|
|
|
26,0 |
10 |
|
|
|
|
|
|
9 |
18,2 |
7 |
33,8 |
13 |
132,6 |
51 |
|
|
|
18,2 |
7 |
33,8 |
13 |
78,0 |
30 |
|
|
|
18,2 |
7 |
|
|
|
|
|
|
10 |
18,2 |
7 |
13,0 |
5 |
59,8 |
23 |
|
|
|
18,2 |
7 |
13,0 |
5 |
59,8 |
23 |
|
|
|
18,2 |
7 |
|
|
|
|
|
|
11 |
18,2 |
7 |
13,0 |
5 |
13,0 |
5 |
|
|
|
15,6 |
6 |
13,0 |
5 |
13,0 |
5 |
|
|
|
15,6 |
6 |
|
|
|
|
|
|
12 |
33,8 |
13 |
18,2 |
7 |
13,0 |
5 |
|
|
|
33,8 |
13 |
26,0 |
10 |
10,4 |
4 |
|
|
|
33,8 |
13 |
|
|
|
|
|
|
13 |
72,8 |
28 |
91,0 |
35 |
13,0 |
5 |
|
|
|
80,6 |
31 |
41,6 |
16 |
13,0 |
5 |
|
|
|
91,0 |
35 |
|
|
|
|
|
|
14 |
18,2 |
7 |
- |
- |
18,2 |
7 |
|
|
|
18,2 |
7 |
- |
- |
18,2 |
7 |
|
|
|
18,2 |
7 |
|
|
|
|
|
|
15 |
26,0 |
10 |
- |
- |
26,0 |
10 |
|
|
|
18,2 |
7 |
- |
- |
26,0 |
10 |
|
|
|
18,2 |
7 |
|
|
|
|
|
|
16 |
70,2 |
27 |
- |
- |
72,8 |
28 |
|
|
|
218,4 |
84 |
- |
- |
215,8 |
83 |
|
|
|
70,2 |
27 |
|
|
|
|
|
|
17 |
18,2 |
7 |
- |
- |
26,0 |
10 |
|
|
|
18,2 |
7 |
- |
- |
13,0 |
5 |
|
|
|
18,2 |
7 |
|
|
|
|
|
|
18 |
18,2 |
7 |
|
- |
18,2 |
7 |
|
|
|
18,2 |
7 |
- |
- |
18,2 |
7 |
|
|
|
18,2 |
7 |
|
|
|
|
|
|
19 |
44,2 |
17 |
- |
- |
26,0 |
10 |
|
|
|
18,2 |
7 |
- |
- |
26,0 |
10 |
|
|
|
18,2 |
7 |
- |
- |
|
|
|
|
20 |
150,8 |
58 |
- |
- |
- |
- |
|
|
|
273,0 |
105 |
- |
- |
- |
- |
|
|
|
319,6 |
123 |
- |
- |
- |
- |
|
|
21 |
18,2 |
7 |
- |
- |
- |
- |
|
|
|
- |
- |
- |
- |
- |
- |
|
|
|
- |
- |
- |
- |
- |
- |
|
|
22 |
26,0 |
10 |
- |
- |
- |
- |
|
|
|
- |
- |
- |
- |
- |
- |
|
|
|
231,4 |
89 |
- |
- |
- |
- |
|
Примечание. В графе «Количество знаков» указано количество знаков, соответствующее ширине данной графы. Максимальное количество знаков вносимой информации на один знак меньше.
Для документов, заполняемых рукописным способом, размеры граф допускается округлять до ближайшего целого числа.
(Измененная редакция, Изм. № 1).
4.8. Разделение граф следует выполнять вертикальными отрезками прямой линии длиной 0,5-1,5 мм.
(Измененная редакция, Изм. № 1).
При автоматизированном проектировании разделение граф по вертикали и разделение строк по горизонтали следует выполнять наборами соответствующих символов по ГОСТ 19769-74.
Примечания:
1. Допускается разделять графы сплошной вертикальной линией на всю ширину строки.
2. Допускается разделение граф производить не на каждой строке.
3. При применении автоматизированных методов проектирования документов допускается выполнять формы с учетом максимальной возможности размещения символов на одной строке для различных устройств АЦПУ ЭВМ без разделения строк.
Увеличение ширины формата документа за счет изменения размера граф, не обведенных утолщенной линией «2S».
При автоматизированном проектировании документов с применением максимальной значности АЦПУ ЭВМ (128 символов) допускается в документах не выполнять крайние вертикальные линии, ограничивающие ширину формата. В этом случае допускается увеличивать отдельную графу (отдельные графы), не предусматривающую (щие) внесение закодированной информации, на соответствующее количество знаков.
4.9. При расчете норм расхода материалов допускается применение дополнительных документов, установленных отраслевыми НТД или НТД предприятия (организации).
4.10. При применении средств механизации и автоматизации для разработки и оформления документов следует выполнять требования ГОСТ 3.1124-86.
(Измененная редакция, Изм. № 1).
ВЕДОМОСТЬ МАТЕРИАЛОВ
(первый или заглавный лист)
(Измененная редакция, Изм. № 1).
ВЕДОМОСТЬ МАТЕРИАЛОВ
(последующие листы)
(Измененная редакция, Изм. № 1).
ВЕДОМОСТЬ МАТЕРИАЛОВ
(первый или заглавный лист)
ВЕДОМОСТЬ
МАТЕРИАЛОВ
(последующие листы)
ВЕДОМОСТЬ МАТЕРИАЛОВ
(первый или заглавный лист)
ВЕДОМОСТЬ МАТЕРИАЛОВ
(последующие листы)
УНИФИЦИРОВАННАЯ ФОРМА ВЕДОМОСТИ СПЕЦИФИЦИРОВАННЫХ НОРМ РАСХОДА МАТЕРИАЛОВ И ВЕДОМОСТИ УДЕЛЬНЫХ НОРМ РАСХОДА МАТЕРИАЛОВ
(первый или заглавный лист)
(Измененная редакция, Изм. № 1).
УНИФИЦИРОВАННАЯ ФОРМА ВЕДОМОСТИ СПЕЦИФИЦИРОВАННЫХ НОРМ РАСХОДА МАТЕРИАЛОВ И ВЕДОМОСТИ УДЕЛЬНЫХ НОРМ РАСХОДА МАТЕРИАЛОВ
(последующие листы)
(Измененная редакция, Изм. № 1).
УНИФИЦИРОВАННАЯ ФОРМА ВЕДОМОСТИ СПЕЦИФИЦИРОВАННЫХ НОРМ РАСХОДА МАТЕРИАЛОВ И ВЕДОМОСТИ УДЕЛЬНЫХ НОРМ РАСХОДА МАТЕРИАЛОВ
(первый или заглавный лист)
УНИФИЦИРОВАННАЯ ФОРМА ВЕДОМОСТИ СПЕЦИФИЦИРОВАННЫХ НОРМ РАСХОДА МАТЕРИАЛОВ И ВЕДОМОСТИ УДЕЛЬНЫХ НОРМ РАСХОДА МАТЕРИАЛОВ
(последующие листы)
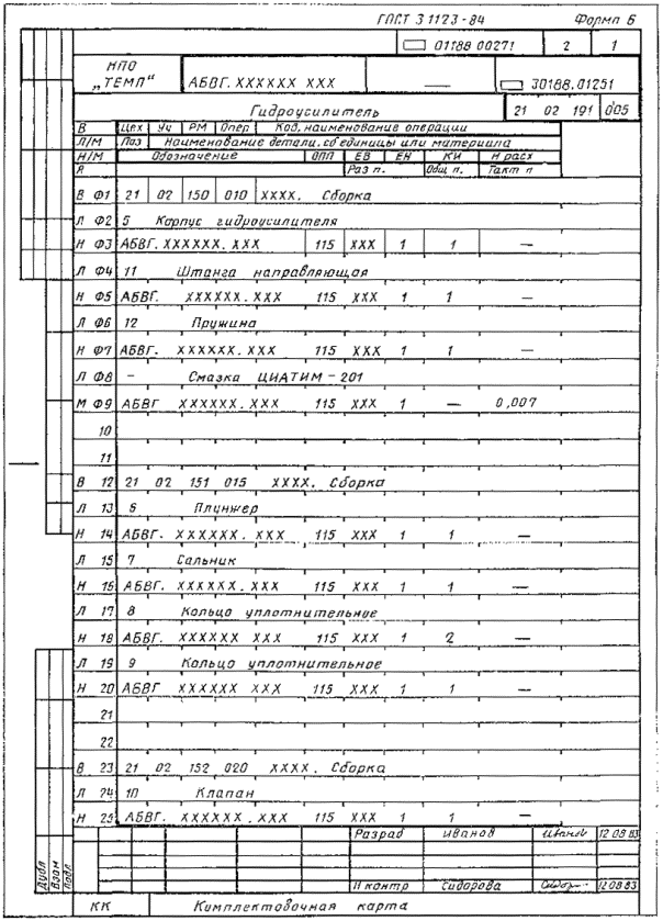
КОМПЛЕКТОВОЧНАЯ КАРТА
(первый или заглавный лист)
(Измененная редакция, Изм. № 1).
КОМПЛЕКТОВОЧНАЯ КАРТА
(последующие листы)
(Измененная редакция, Изм. № 1).
Комплектовочная карта
(первый или заглавный лист)
(Измененная редакция, Изм. № 1).
Комплектовочная карта
(последующие листы)
(Измененная редакция, Изм. № 1).