ГОСТ 14114-85
МЕЖГОСУДАРСТВЕННЫЙ СТАНДАРТ
УСТРОЙСТВА СТРОПОВЫЕ ДЛЯ СОСУДОВ И АППАРАТОВ
ШТУЦЕРА МОНТАЖНЫЕ
КОНСТРУКЦИЯ И РАЗМЕРЫ
ИПК ИЗДАТЕЛЬСТВО СТАНДАРТОВ
Москва
МЕЖГОСУДАРСТВЕННЫЙ СТАНДАРТ
|
Устройства строповые для сосудов и аппаратов ШТУЦЕРА МОНТАЖНЫЕ Конструкция и размеры Vessels
attaching rigs. |
ГОСТ
|
Дата введения 01.01.86
1. Настоящий стандарт распространяется на монтажные штуцера (далее - штуцера), применяемые при строповке канатами для подъема стальных цилиндрических сосудов и аппаратов нефтеперерабатывающей, нефтехимической, химической и других отраслей промышленности, с усилием на один штуцер от 320 до 2500 кН (от 32 до 250 тс).
2. Штуцера должны изготовляться трех исполнений согласно табл. 1.
Таблица 1
|
Усилие на один штуцер |
Область применения штуцеров для сосудов и аппаратов диаметром D, мм |
||
|
кН |
тс |
||
|
1 |
От 320 до 630 |
От 32 до 63 |
От 800 до 3600 |
|
2 |
Св. 630 » 1000 |
Св. 63 » 100 |
» 1600 » 6400 |
|
3 |
» 1000 » 2500 |
» 100 » 250 |
» 2200 » 8000 |
3. Конструкция и размеры штуцеров должны соответствовать указанным на черт. 1 и в табл. 2.
Исполнение 1

___________
* Размер для справок.
Исполнение 2

Исполнение 3
Черт. 1
Таблица 2
Размеры в мм
|
Усилие на один штуцер |
Исполнение |
Диаметр сосуда или аппарата D |
Сварной шов К1 |
L |
Dн |
Dф |
l* |
l1 |
l2 |
l3 |
Масса, кг |
Поз. 1 Оболочка |
Поз. 2 Фланец |
Поз. 3 Косынка |
Поз. 4 Ребро |
||||||
|
кН |
тс |
Количество |
|||||||||||||||||||
|
1 |
1 |
8 |
10 |
1 |
2 |
3 |
|||||||||||||||
|
Обозначение |
|||||||||||||||||||||
|
01 |
320 |
32 |
1 |
800-1000 |
10 |
115 |
273 |
425 |
225 |
160 |
- |
- |
33,9 |
01/1 |
01/2 |
01/3 |
- |
01/4 |
- |
- |
|
|
02 |
1200-2200 |
02/1 |
|||||||||||||||||||
|
03 |
2400-3600 |
03/1 |
|||||||||||||||||||
|
04 |
400 |
40 |
1400-2600 |
04/1 |
|||||||||||||||||
|
05 |
2800-3600 |
05/1 |
|||||||||||||||||||
|
06 |
500 |
50 |
1400-2000 |
160 |
325 |
475 |
270 |
180 |
- |
- |
55,1 |
06/1 |
06/2 |
06/3 |
06/4 |
||||||
|
07 |
2200-3600 |
07/1 |
|||||||||||||||||||
|
08 |
630 |
63 |
1600-2200 |
170 |
377 |
530 |
283 |
195 |
- |
- |
67,4 |
08/1 |
08/2 |
06/3 |
08/4 |
||||||
|
09 |
2400-3600 |
09/1 |
|||||||||||||||||||
|
10 |
800 |
80 |
2 |
1600-1800 |
250 |
480 |
630 |
378 |
190 |
275 |
- |
115,5 |
10/1 |
10/2 |
10/3 |
- |
10/4 |
||||
|
11 |
2000-2400 |
11/1 |
|||||||||||||||||||
|
12 |
2600-3600 |
12/1 |
|||||||||||||||||||
|
13 |
3800-6400 |
13/1 |
|||||||||||||||||||
|
14 |
1000 |
100 |
2 |
2000-2400 |
12 |
250 |
530 |
680 |
376 |
190 |
275 |
- |
129,0 |
14/1 |
14/2 |
10/3 |
- |
- |
14/4 |
- |
|
|
15 |
2600-3200 |
15/1 |
|||||||||||||||||||
|
16 |
3400-4000 |
16/1 |
|||||||||||||||||||
|
17 |
4200-6400 |
17/1 |
|||||||||||||||||||
|
18 |
1250 |
125 |
3 |
2200-2600 |
290 |
630 |
780 |
422 |
180 |
250 |
330 |
185,6 |
18/1 |
18/2 |
- |
18/4 |
|||||
|
19 |
2800-3400 |
19/1 |
|||||||||||||||||||
|
20 |
3600-4600 |
20/1 |
|||||||||||||||||||
|
21 |
4800-6400 |
21/1 |
|||||||||||||||||||
|
22 |
1400 |
140 |
2400-2600 |
340 |
720 |
870 |
480 |
195 |
280 |
365 |
231,3 |
22/1 |
22/2 |
22/4 |
|||||||
|
23 |
2800-3200 |
23/1 |
|||||||||||||||||||
|
24 |
3400-4000 |
24/1 |
|||||||||||||||||||
|
25 |
4200-5200 |
25/1 |
|||||||||||||||||||
|
26 |
5400-6400 |
26/1 |
|||||||||||||||||||
|
27 |
1600 |
160 |
2600-2800 |
340 |
820 |
970 |
480 |
195 |
280 |
365 |
273,7 |
27/1 |
27/2 |
27/4 |
|||||||
|
28 |
3000-3400 |
28/1 |
|||||||||||||||||||
|
29 |
3600-4000 |
29/1 |
|||||||||||||||||||
|
30 |
4200-5000 |
266,7 |
30/1 |
||||||||||||||||||
|
31 |
5200-6400 |
31/1 |
|||||||||||||||||||
|
32 |
7000-8000 |
32/1 |
|||||||||||||||||||
|
33 |
1800 |
180 |
2600-2800 |
355 |
920 |
1070 |
485 |
195 |
285 |
370 |
346,2 |
33/1 |
33/2 |
- |
10/3 |
33/4 |
|||||
|
34 |
3000-3200 |
34/1 |
|||||||||||||||||||
|
35 |
3400-3800 |
35/1 |
|||||||||||||||||||
|
36 |
4000-4600 |
335,5 |
36/1 |
||||||||||||||||||
|
37 |
4800-5600 |
37/1 |
|||||||||||||||||||
|
38 |
5800-6400 |
38/1 |
|||||||||||||||||||
|
39 |
7000-8000 |
39/1 |
|||||||||||||||||||
|
40 |
2000 |
200 |
2600-2800 |
355 |
920 |
1070 |
485 |
195 |
285 |
370 |
381,1 |
40/1 |
33/2 |
40/3 |
40/4 |
||||||
|
41 |
3000-3200 |
41/1 |
|||||||||||||||||||
|
42 |
3400-3800 |
42/1 |
|||||||||||||||||||
|
43 |
4000-4600 |
370,4 |
43/1 |
||||||||||||||||||
|
44 |
4800-5600 |
44/1 |
|||||||||||||||||||
|
45 |
5800-6400 |
45/1 |
|||||||||||||||||||
|
46 |
7000-8000 |
46/1 |
|||||||||||||||||||
|
47 |
2250 |
225 |
3 |
2600 |
12 |
375 |
1020 |
1170 |
516 |
205 |
300 |
395 |
443 |
47/1 |
47/2 |
- |
40/3 |
- |
- |
47/4 |
|
|
48 |
2800 |
48/1 |
|||||||||||||||||||
|
49 |
3000-3200 |
49/1 |
|||||||||||||||||||
|
50 |
3400-3600 |
50/1 |
|||||||||||||||||||
|
51 |
3800-4200 |
429,2 |
51/1 |
||||||||||||||||||
|
52 |
4400-5000 |
52/1 |
|||||||||||||||||||
|
53 |
5200-5800 |
53/1 |
|||||||||||||||||||
|
54 |
6300-8000 |
54/1 |
|||||||||||||||||||
|
55 |
2500 |
250 |
2600 |
405 |
1220 |
1370 |
555 |
225 |
325 |
425 |
558,7 |
55/1 |
55/2 |
55/4 |
|||||||
|
56 |
2800 |
56/1 |
|||||||||||||||||||
|
57 |
3000 |
57/1 |
|||||||||||||||||||
|
58 |
3200 |
545,6 |
58/1 |
||||||||||||||||||
|
59 |
3400-3600 |
59/1 |
|||||||||||||||||||
|
60 |
3800-4000 |
60/1 |
|||||||||||||||||||
|
61 |
4200 |
61/1 |
|||||||||||||||||||
|
62 |
4500-5000 |
415 |
566 |
533,1 |
62/1 |
||||||||||||||||
|
63 |
5400-5800 |
63/1 |
|||||||||||||||||||
|
64 |
6300-7000 |
64/1 |
|||||||||||||||||||
|
65 |
8000 |
65/1 |
|||||||||||||||||||
Примечания:
1. Размер l*, приведенный в таблице, является максимальным для данной группы сосудов или аппаратов.
2. Размеры катетов и типы сварных швов приварки ребер (поз. 4) даны в п. 8.
Пример условного обозначения штуцера монтажного для аппарата диаметром 4500 мм с усилием на один штуцер 250 тс:
Штуцер монтажный 62 ГОСТ 14114-85
(Измененная редакция, Изм. № 1).
4. Конструкция и размеры оболочки (поз. 1) должны соответствовать указанным на черт. 2 и в табл. 3.
___________
* Размер для справок.
Черт. 2
Таблица 3
Размеры в мм
|
L1 |
l* |
R |
Dн |
s1 |
Масса, кг |
|
|
01/1 |
230 |
209 |
450 |
273 |
11 |
16,3 |
|
02/1 |
219 |
850 |
||||
|
03/1 |
224 |
1500 |
||||
|
04/1 |
220 |
1000 |
||||
|
05/1 |
224 |
1600 |
||||
|
06/1 |
280 |
264 |
850 |
325 |
14 |
30,0 |
|
07/1 |
270 |
1400 |
||||
|
08/1 |
295 |
276 |
950 |
377 |
36,9 |
|
|
09/1 |
283 |
1500 |
||||
|
10/1 |
390 |
355 |
850 |
480 |
63,0 |
|
|
11/1 |
363 |
1100 |
||||
|
12/1 |
371 |
1500 |
||||
|
13/1 |
378 |
2500 |
||||
|
14/1 |
358 |
1100 |
530 |
69,5 |
||
|
15/1 |
366 |
1450 |
||||
|
16/1 |
370 |
1800 |
||||
|
17/1 |
376 |
2500 |
||||
|
18/1 |
440 |
398 |
1200 |
630 |
93,6 |
|
|
19/1 |
407 |
1540 |
||||
|
20/1 |
415 |
2000 |
||||
|
21/1 |
422 |
2700 |
||||
|
22/1 |
500 |
447 |
1250 |
720 |
122,0 |
|
|
23/1 |
456 |
1500 |
||||
|
24/1 |
464 |
1800 |
||||
|
25/1 |
472 |
2330 |
||||
|
26/1 |
478 |
2900 |
||||
|
27/1 |
510 |
445 |
1350 |
820 |
141,0 |
|
|
28/1 |
457 |
1600 |
||||
|
29/1 |
465 |
1900 |
||||
|
30/1 |
485 |
448 |
2300 |
134,0 |
||
|
31/1 |
456 |
2900 |
||||
|
32/1 |
463 |
3750 |
||||
|
33/1 |
540 |
465 |
1350 |
920 |
16 |
192,6 |
|
34/1 |
475 |
1550 |
||||
|
35/1 |
484 |
1800 |
||||
|
36/1 |
510 |
464 |
2150 |
181,9 |
||
|
37/1 |
472 |
2620 |
||||
|
38/1 |
477 |
3050 |
||||
|
39/1 |
484 |
3750 |
||||
|
40/1 |
540 |
465 |
1350 |
192,6 |
||
|
41/1 |
475 |
1550 |
||||
|
42/1 |
484 |
1800 |
||||
|
43/1 |
510 |
464 |
2150 |
181,9 |
||
|
44/1 |
472 |
2620 |
||||
|
45/1 |
477 |
3050 |
||||
|
46/1 |
484 |
3750 |
||||
|
47/1 |
585 |
488 |
1300 |
1020 |
16 |
231,7 |
|
48/1 |
495 |
1400 |
||||
|
49/1 |
504 |
1550 |
||||
|
50/1 |
514 |
1750 |
||||
|
51/1 |
550 |
488 |
2000 |
217,9 |
||
|
52/1 |
498 |
2380 |
||||
|
53/1 |
505 |
2750 |
||||
|
54/1 |
516 |
3600 |
||||
|
55/1 |
670 |
526 |
1300 |
1220 |
291,6 |
|
|
56/1 |
538 |
1400 |
||||
|
57/1 |
547 |
1500 |
||||
|
58/1 |
640 |
526 |
1600 |
278,5 |
||
|
59/1 |
536 |
1750 |
||||
|
60/1 |
547 |
1950 |
||||
|
61/1 |
555 |
2100 |
||||
|
62/1 |
610 |
535 |
2400 |
266,0 |
||
|
63/1 |
546 |
2800 |
||||
|
64/1 |
557 |
3350 |
||||
|
65/1 |
566 |
4000 |
Пример условного обозначения оболочки для штуцера монтажного 62:
Оболочка 62/1 ГОСТ 14114-85
4.1. Оболочка изготавливается из трубы Dн ´ s1 по ГОСТ 8732 и ГОСТ 10704.
Допускается изготовление оболочки из листа сварной с одним продольным швом или штампосварной с двумя продольными швами.
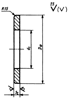
5. Конструкция и размеры фланца (поз. 2) должны соответствовать указанным на черт. 3 и в табл. 4.
Черт. 3
Таблица 4
Размеры в мм
|
Dф |
d1 |
s2 |
Масса, кг |
|
|
01/2 |
425 |
276 H14 |
20 |
12,8 |
|
06/2 |
475 |
328 H14 |
24 |
18,3 |
|
08/2 |
530 |
380 H14 |
30 |
22,2 |
|
10/2 |
630 |
483 H14 |
30,2 |
|
|
14/2 |
680 |
534 H14 |
32,8 |
|
|
18/2 |
780 |
634 H14 |
37,9 |
|
|
22/2 |
870 |
724 H14 |
32 |
45,6 |
|
27/2 |
970 |
825 H13 |
51,3 |
|
|
33/2 |
1070 |
925 H13 |
34 |
59,7 |
|
47/2 |
1170 |
1025 Н13 |
66,0 |
|
|
55/2 |
1370 |
1225 Н13 |
78,0 |
Примечание. Размер d1 необходимо корректировать в зависимости от фактического наружного диаметра оболочки для обеспечения допустимого зазора в сварном соединении в соответствии с ГОСТ 5264.
Пример условного обозначения фланца для штуцера монтажного 62:
Фланец 55/2 ГОСТ 14114-85
5.1. Допускается изготовление фланцев диаметром св. 500 мм сварными из 2-4 деталей в виде части кольца каждая с разделкой кромок под сварку С 21 по ГОСТ 5264.
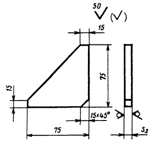
6. Конструкция и размеры косынки (поз. 3) должны соответствовать указанным на черт. 4 и в табл. 5.
Черт. 4
Таблица 5
|
s3, мм |
Масса, кг |
|
|
01/3 |
8 |
0,26 |
|
06/3 |
10 |
0,325 |
|
10/3 |
12 |
0,39 |
|
40/3 |
16 |
0,52 |
Пример условного обозначения косынки для штуцера монтажного 62:
Косынка 40/3 ГОСТ 14114-85
7. Конструкция и размеры ребер (поз. 4) должны соответствовать указанным на черт. 5 и в табл. 6.
Черт. 5
Таблица 6
Размеры в мм
|
Dp |
d2 |
s4 |
Масса, кг |
|
|
01/4 |
249 Н14 |
90 |
8 |
2,7 |
|
06/4 |
294 Н14 |
135 |
10 |
4,2 |
|
08/4 |
346 Н14 |
165 |
5,7 |
|
|
10/4 |
449 Н14 |
270 |
12 |
9,6 |
|
14/4 |
499 Н14 |
300 |
11,8 |
|
|
18/4 |
599 Н14 |
360 |
17,0 |
|
|
22/4 |
689 Н14 |
450 |
20,2 |
|
|
27/4 |
789 Н14 |
520 |
26,1 |
|
|
33/4 |
885 Н13 |
615 |
30,0 |
|
|
40/4 |
885 Н13 |
605 |
16 |
41,2 |
|
47/4 |
985 Н13 |
705 |
46,7 |
|
|
55/4 |
1185 Н13 |
885 |
61,3 |
Примечание. Размер Dp необходимо корректировать в зависимости от фактического внутреннего диаметра оболочки для обеспечения допустимого зазора в сварном соединении в соответствии с ГОСТ 5264.
Пример условного обозначения ребра для штуцера монтажного 62:
Ребро 55/4 ГОСТ 14114-85
7.1. Допускается изготовление ребер диаметром св. 500 мм сварными из 2-4 деталей в виде части кольца каждая с разделкой кромок под сварку С 21 по ГОСТ 5264.
8. Приварка ребер штуцеров должна соответствовать указаниям, приведенным на черт 6 и в табл. 2.
9. На каждый штуцер должна быть нанесена маркировка, содержащая его условное обозначение.
10. Остальные технические требования - по ГОСТ 14116.
11. Фактическая масса штуцеров не должна превышать более чем на 6 % значений, приведенных в табл. 2-6.
Черт. 6
ИНФОРМАЦИОННЫЕ ДАННЫЕ
1. РАЗРАБОТАН И ВНЕСЕН Министерством монтажных и специальных строительных работ СССР
РАЗРАБОТЧИКИ
В.А. Воронов, Э.Я. Гордон, В.С. Европин
2. УТВЕРЖДЕН И ВВЕДЕН В ДЕЙСТВИЕ Постановлением Государственного комитета СССР по стандартам от 22.01.85 № 140
3. ВЗАМЕН ГОСТ 14114-78
4. ССЫЛОЧНЫЕ НОРМАТИВНО-ТЕХНИЧЕСКИЕ ДОКУМЕНТЫ
|
Обозначение НТД, на который дана ссылка |
Номер пункта |
5. Ограничение срока действия снято Постановлением Госстандарта от 18.06.90 № 1617
6. ПЕРЕИЗДАНИЕ (январь 1999 г.) с Изменением № 1, утвержденным в июне 1990 г. (ИУС 9-90)